Банк рефератов содержит более 364 тысяч рефератов, курсовых и дипломных работ, шпаргалок и докладов по различным дисциплинам: истории, психологии, экономике, менеджменту, философии, праву, экологии. А также изложения, сочинения по литературе, отчеты по практике, топики по английскому.
Полнотекстовый поиск
Всего работ:
364139
Теги названий
Разделы
Авиация и космонавтика (304)
Административное право (123)
Арбитражный процесс (23)
Архитектура (113)
Астрология (4)
Астрономия (4814)
Банковское дело (5227)
Безопасность жизнедеятельности (2616)
Биографии (3423)
Биология (4214)
Биология и химия (1518)
Биржевое дело (68)
Ботаника и сельское хоз-во (2836)
Бухгалтерский учет и аудит (8269)
Валютные отношения (50)
Ветеринария (50)
Военная кафедра (762)
ГДЗ (2)
География (5275)
Геодезия (30)
Геология (1222)
Геополитика (43)
Государство и право (20403)
Гражданское право и процесс (465)
Делопроизводство (19)
Деньги и кредит (108)
ЕГЭ (173)
Естествознание (96)
Журналистика (899)
ЗНО (54)
Зоология (34)
Издательское дело и полиграфия (476)
Инвестиции (106)
Иностранный язык (62791)
Информатика (3562)
Информатика, программирование (6444)
Исторические личности (2165)
История (21319)
История техники (766)
Кибернетика (64)
Коммуникации и связь (3145)
Компьютерные науки (60)
Косметология (17)
Краеведение и этнография (588)
Краткое содержание произведений (1000)
Криминалистика (106)
Криминология (48)
Криптология (3)
Кулинария (1167)
Культура и искусство (8485)
Культурология (537)
Литература : зарубежная (2044)
Литература и русский язык (11657)
Логика (532)
Логистика (21)
Маркетинг (7985)
Математика (3721)
Медицина, здоровье (10549)
Медицинские науки (88)
Международное публичное право (58)
Международное частное право (36)
Международные отношения (2257)
Менеджмент (12491)
Металлургия (91)
Москвоведение (797)
Музыка (1338)
Муниципальное право (24)
Налоги, налогообложение (214)
Наука и техника (1141)
Начертательная геометрия (3)
Оккультизм и уфология (8)
Остальные рефераты (21692)
Педагогика (7850)
Политология (3801)
Право (682)
Право, юриспруденция (2881)
Предпринимательство (475)
Прикладные науки (1)
Промышленность, производство (7100)
Психология (8692)
психология, педагогика (4121)
Радиоэлектроника (443)
Реклама (952)
Религия и мифология (2967)
Риторика (23)
Сексология (748)
Социология (4876)
Статистика (95)
Страхование (107)
Строительные науки (7)
Строительство (2004)
Схемотехника (15)
Таможенная система (663)
Теория государства и права (240)
Теория организации (39)
Теплотехника (25)
Технология (624)
Товароведение (16)
Транспорт (2652)
Трудовое право (136)
Туризм (90)
Уголовное право и процесс (406)
Управление (95)
Управленческие науки (24)
Физика (3462)
Физкультура и спорт (4482)
Философия (7216)
Финансовые науки (4592)
Финансы (5386)
Фотография (3)
Химия (2244)
Хозяйственное право (23)
Цифровые устройства (29)
Экологическое право (35)
Экология (4517)
Экономика (20644)
Экономико-математическое моделирование (666)
Экономическая география (119)
Экономическая теория (2573)
Этика (889)
Юриспруденция (288)
Языковедение (148)
Языкознание, филология (1140)

Шпаргалка: Схемы для внешнего устройства

Название: Схемы для внешнего устройства
Раздел: Рефераты по науке и технике
Тип: шпаргалка Добавлен 08:24:07 21 марта 2008 Похожие работы
Просмотров: 43 Комментариев: 20 Оценило: 2 человек Средний балл: 5 Оценка: неизвестно     Скачать

Эксплуатация средств ВТ

КОМПЛЕКТ СХЕМ ДЛЯ ВНЕШНЕГО УСТРОЙСТВА.

1.D-триггер с обратной связью и динамическим управлением.

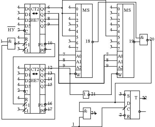
2.Схема синхронного цифрового автомата.

3.Последовательностная схема,которая с приходом стартового сигнала А=1 под действием синхроимпульсов СИ принимает последовательно состояния: 000-исходное состояние, 001, 100, 101, 100, 010, 011, 000...

4.Aсинхронная последовательностная схема ,кoтopaя пoд дeйcтвиeм cигнaлoв, пocтупaющиx нa вxoд X(X), пpинимaeт пocлeдoвaтeльнo кoдoвыe cocтoяния ABC: 000, 001, 011, 111, 101, 100, 000.

5.Схема содержит цифровой автомат на мультиплексоре 1 с циклической последовательностью состояний АВ=(00,01,11,10) и комбинационную логику на мультиплексоре 2, выходные сигналы которой зависят от состояний автомата и тактовых сигналов на входе 3

6.Схема, однократно вырабатывающая последоватеьлность сигналов 010011000111000011110000011111 в виде импульсов (выход 24) или потенциалов (выход 22). Сигнал начальной установки поступает на вход 2, синхроимпульсы - на вход 1.

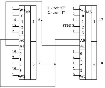
7.Схема, которая на одном их выходов дешифратора вырабатывает непрерывную серию импульсов.Номер выхода и число импульсов в серии зависят от числа "1" на входах 1,2,3,4.

8.Схема, подсчитывающая сумму S= p(i)*c(i)*X по mod 16.

X-сигнал на входе .. , p(i)-весовой коэффициент i-го синхроимпульса на входе ...

Веса p(1-4)=1, p(5-8)=2, p(9- 12)=4, p(13-16)=8

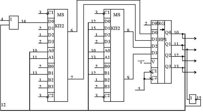
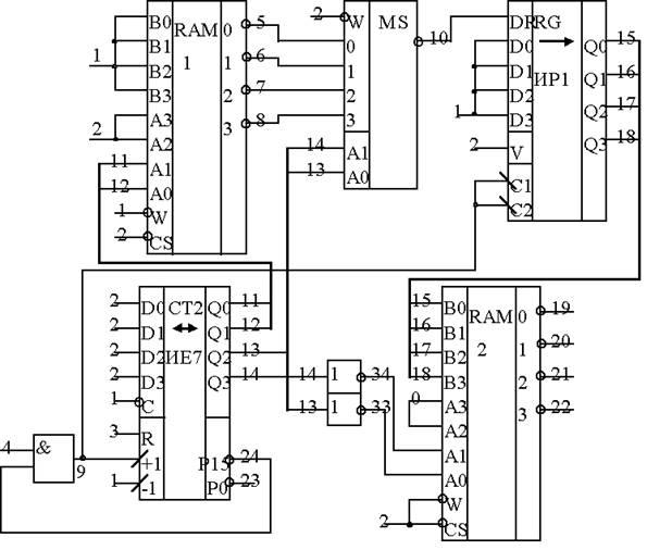
9.Схема, выполняющая транспонирование квадратной матрицы 4*4 однобитовых элементов. Исходная матрица размещена в ячейках 0,1,2,3 RAM-1. Транспонированная матрица размещается в RAM-2.

10.Сxeмa цифpoвoгo уcтpoйcтвa для oбpaбoтки N 3-paзpядныx кoдoв, oтличныx oт 0 и нe paвныx мeжду coбoй, пocлeдoвaтeльнo пocтупaющиx нa А-входы.

Aлгopитмoм oбpaбoтки пpeдуcмoтpeнo: фикcaция A(1) в peгиcтpe; cpaвнeниe A(i) c A(1); зaпиcь инверсного кода A(i+1) в ячeйку ЗУ пo aдpecу A(i+1),если A(i)>A(1); пocлeдoвaтeльный вывoд coдepжимoгo ячeeк ЗУ нa выходы B пocлe пpиeмa A-кoдoв. (i=2,3...N-1)

11.Данные, хранимые в ячейках ЗУ, представляют положительные и отрицательные числа в дополнительном коде с одним знаковым разрядом. Схема уменьшает содержимое ячеек 1,2,...8, начиная с ячейки 1, на величину разности /S[i]-S[i-1]/, где S[i],S[i-1]- количество "1" соответственно в текущем и предшествующем адресном коде при условии,если его можно редставить в 4-разрядной сетке (без переполнения), (i-1),i-последовательные номера ячеек.

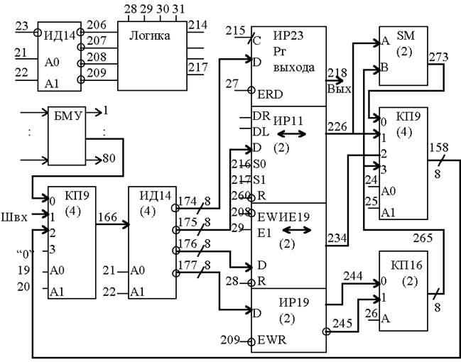
12.Схема блока обработки данных с микропрограммным управлением.

Оценить/Добавить комментарий
Имя
Оценка
Комментарии:
Хватит париться. На сайте FAST-REFERAT.RU вам сделают любой реферат, курсовую или дипломную. Сам пользуюсь, и вам советую!
Никита06:48:41 02 ноября 2021
.
.06:48:40 02 ноября 2021
.
.06:48:39 02 ноября 2021
.
.06:48:39 02 ноября 2021
.
.06:48:38 02 ноября 2021

Смотреть все комментарии (20)
Работы, похожие на Шпаргалка: Схемы для внешнего устройства

Назад
Меню
Главная
Рефераты
Благодарности
Опрос
Станете ли вы заказывать работу за деньги, если не найдете ее в Интернете?

Да, в любом случае.
Да, но только в случае крайней необходимости.
Возможно, в зависимости от цены.
Нет, напишу его сам.
Нет, забью.



Результаты(287738)
Комментарии (4159)
Copyright © 2005-2021 HEKIMA.RU [email protected] реклама на сайте