Содержание
Введение
1. Общая часть
1.1 Структурная схема устройства
динамической индикации
2.Расчетная часть
2.1 Разработка принципиальной
схемы коммутатора У1
2.2 Выбор микросхемы
преобразователя У2
2.3 Подключение семисигментных
индикаторов
2.4 Выбор микросхемы двоичного
счетчика У3
2.5 Синтез дешифратора У4
2.6 Принципиальная электрическая
схема устройства динамической
индикации(описание работы схемы)
Список использованных источников
Введение
На практике всегда была актуальна задача отображения информации в виде удобном для ее зрительного восприятия.В настоящее время большое распространение получили полупроводниковые , люминесцентные ,газоразрядные и вакуумные накапливаемые индикаторы .С помощью устройств отображения могут быть решены задачи сигнализации и индикации .
Сигнализация – это сообщение человеку о факте перехода контролируемой величины из одной области знаний в другую .
При визуальной сигнализации основным техническим устройством является светоизлучающий элемент ,который осуществляет световое воздействие на человека (сигнализаторы номинального питающего напряжения ,переход каждого параметра за допустимые рамки ,перегорание предохранителя и так далее).
Индикация – это представление о результатах контроля и измерения.
Контролирующими устройствами являются пробники ,не имеющие напряжение , сопротивление и ток , а фиксирующие их наличие или отсутствие .В многоуровневых устройствах наблюдается переход от контроля параметров к его количественной оценке : по мере роста тела индуцируемых уровней получится устройство индикации с дискретным отсчетом значения величины .
Шкальный индикатор может быть реализован на отдельных светоизолирующих элементах , а также на многоразрядном цифровом индикаторе , где шкалы складываются из отдельных сегментов .Индикатор можно классифицировать по принципу формирования изображений на знакомодулирующий (ЗМИ) и знакосинтезирующий (ЗСИ) Примером ЗМИ служит цифровой газоразрядный индикатор , изображение которого повторяет форму десяти кадров .Любое другое изображение получить невозможно . В ЗСИ изображение получается в виде мозаики управляемых элементов , каждый из которых является преобразователем ‘’сигнал-свет ‘’.
Среди ЗСИ различают сегментные индикаторы , элементы отображения которых являются сегментами в одну или несколько групп : матричные индикаторы , элементы отображения которых образуют матрицу . Сегменты ЗСИ могут индицировать только цифры (цифровой ЗСИ)или цифры и буквы русского и латинского алфавитов (буквенно-цифровые ЗСИ) .
1 Общая часть
Рисунок 1- Общая структурная схема
устройства динамической цифровой индикации.
Структурная схема устройства индикатора (Рисунок 1)
обеспечивает динамическую индикацию 4-х десятичных цифр на
семисегментных полупроводниковых индикаторах. Ввод информа
ции производится параллельно в двоично десятичном коде.
Коммутатор Y1 обеспечивает поочередное подключение
входной информации. Преобразователь Y2 двоично десятичный код преобразует в код семисегментного цифрового индикатора.
Счетчик Y3 непрерывно подсчитывает входные импульсы, подаваемые от генератора G. Коэффициент пересчета счетчика N=4. Каждое состояние счетчика Y3 дешифрируется дешифратором Y4, подключая соответствующий индикатор. n=4.i=3.Цифра 7
2 Расчетная часть
2.1 Разработка принципиальной схемы
коммутатора У1
Выполним синтез мультиплексора, коммутирующего n=4 информационных входов. Число адресных входов А определяем из соотношения
,
где А - число разрядов адреса;
n - количество индикаторов.
Так как по условию n=4, A=2 т.е. адресные входы: А1, А2.
Приведем таблицу истинности требуемого мультиплексора и его условное изображение(таблица 1, рисунок 2).
Таблица 1 - истинности мультиплексора
| Адресные входы
|
Выход Q
|
| А2
|
А1
|
| 0
|
0
|
D0
|
| 0
|
1
|
D1
|
| 1
|
0
|
D2
|
| 1
|
1
|
D3
|
   Инф. D1 MS
 вход
D4
Q
 A1
Адр.
вход A2
Рисунок 2 - Условно графическое изображение мультиплексора.
Запишем логическую функцию выхода в СДНФ
   Q
=
A
1
A
2
D
0
Ú
A
1
A
2
D
1
Ú
A
1
A
2
D
2
Ú
A
1
A
2
D
3
Произведем построение логической схемы мультиплексора по полученной логической функции входа Q (Рисунок 2).
Рисунок 3 - Логическая схема
мультиплексора
Произведем выбор микросхемы мультиплексора с числом информационных входов заданного числа n=4. Выбираем микросхему: К155КП7 (
рисунок 4).

Назначение выводов микросхемы :
10,9,8 - адресные входы
4,3,2,1,15,14,13,12, - входы
5,6 - выходы
1,6 - Uпит
8 - общий, 7-вход разрешения.
Рисунок 4 - Условно графическое изображение мультиплексора
Рисунок 5 - Полная схема коммутатора на
микросхемах
2.2 Выбор микросхемы преобразователя У2
двоично - десятичного кода в код семисегментного индикатора.
Для преобраэования входного двоично десятичного кода в код семисегментного индикатора. Применяем микросхему К514ИД1
(Рисунок 6).
 7 1 DC
A 13
 1 2 B 12
 2 4 C 11
6 8 D 10
   4 Г E 9
F 15
G 14
7,1,2,6-Входы
8-общий
1,6-Un
12,8,11,13-16-входы
Рисунок 6 - условно графическое изображение
К514ИД1
Таблица 2 - таблица истинности
преобразователя
| №
|
Двоичный код
|
Состояние элементов
|
| п/п
|
X1
|
X2
|
X3
|
X4
|
A
|
B
|
C
|
D
|
E
|
F
|
G
|
| 0
|
0
|
0
|
0
|
0
|
1
|
1
|
1
|
1
|
1
|
1
|
0
|
| 1
|
1
|
0
|
0
|
0
|
0
|
1
|
1
|
0
|
0
|
0
|
0
|
| 2
|
0
|
1
|
0
|
0
|
1
|
1
|
0
|
1
|
1
|
0
|
1
|
| 3
|
1
|
1
|
0
|
0
|
1
|
1
|
1
|
1
|
0
|
0
|
1
|
| 4
|
0
|
0
|
1
|
0
|
0
|
1
|
0
|
0
|
0
|
1
|
1
|
| 5
|
1
|
0
|
1
|
0
|
1
|
0
|
1
|
1
|
0
|
1
|
1
|
| 6
|
0
|
1
|
1
|
0
|
1
|
0
|
1
|
1
|
1
|
1
|
1
|
| 7
|
1
|
1
|
1
|
0
|
1
|
1
|
1
|
0
|
0
|
0
|
0
|
| 8
|
0
|
0
|
0
|
1
|
1
|
1
|
1
|
1
|
1
|
1
|
1
|
| 9
|
1
|
0
|
0
|
1
|
1
|
1
|
1
|
1
|
0
|
1
|
1
|
2.3 Подключение семисегментных
индикаторов
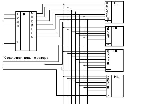
Сигналы с выходов a¸g преобразователя У2 , управляющих свечением сегментов индикатора, подаются параллельно на входы А¸G т.е. выход а преобразователя подключен к входу А каждого индикатора. В качестве индикатора используют светодиодный индикатор АЛС 324 (Рисунок 7).
Рисунок 7 - Схема подключения
семисегментного индикатора
2.4 Выбор микросхемы двоичного счетчика У3
Двоичный счетчик У3 подсчитывает вых. импульсы тактового генератора G.Число индицируемых цифр представлено количеством индикаторовв схеме .(n=4).Число разрядов счетчика равно числу адресных входов мультиплексора, Коэффициент пересчета счетчиков N=n=4
Таблица 3 - таблицу состояний счетчика
| Вх.
импульс
|
На
выходах
|
Двоичн
код
|
| 0
|
0
|
0
|
| 1
|
0
|
1
|
| 2
|
1
|
0
|
| 3
|
1
|
1
|
| 4
|
0
|
0
|
1 2 3 4 0
Вх t
 0 1 0 1 0
Q1 t
Q2 0 0 1 1 0 t
Рисунок 8 - Диаграмма состояния счетчика
Выбираем микросхему счетчика К155ИЕ5

12,9,8,11_ выходы
14______ Вход счетчика
1_______ вход делителя на 8
2,3_____ вход установки 0
Рисунок 9 - Микросхема счетчика К55ИЕ5
Для обеспечения N=n=4 необходимо, чтобы при появлении на выводе двоичного кода 0111(2)
= 7(10)
все триггеры счетчика сбрасываются в 0. Для этого необходимо ввести цепи ОС с выходов счетчика, на соответствующие входы. Для данного случая необходимо вывод 8 счетчика соеденить со схемой “сброс” (выводы 2,3). Тогда при появлении на выходе кода 0111 “ еденица “ с выхода 8 сбросит счетчик в исходное состояние.
2.5 Синтез дешифратора У4
ДешифраторУ4 в разрабатываемой схеме формирует номер (адрес) подключаемого индикатора. Сигнал с выхода дешифратора явл. управляющим для индикатора и подключение осущ. по входу S. Составим таблицу истинности дешифратора с учетом заданного числа n=4 (таьлица 4 ).
Таблица 4 - Таблица истинности дешифратора
.
| Входы
|
№ Выхода
|
| X2
|
X1
|
| 0
|
0
|
0
|
| 0
|
1
|
1
|
| 1
|
0
|
2
|
| 1
|
1
|
3
|
Запишем логические функции выходов через операцию И,ИЛИ,НЕ.
Рисунок 10 - Логическая схема в базисе И, ИЛИ, НЕ
Рисунок 11 -
Логическая схема в базисе И, НЕ
Выбираем микросхему дешифратора

Назначение выводов:
3,6,7,4__входы.
5______Un
12_____обший
1,2,8-11,13-16__выходы
Рисунок 12 - Дешифратор К155ИД1
2.6 Принципиальная электрическая схема
устройства цифровой динамической индикации. Описание работы схемы
Схема обеспечивает индикацию 4-х десятичных цифр на семисегментных полупроводниковых индикаторах. Ввод информации производится параллельно в двоично десятичном коде.
Коммутатор Y1 обеспечивает поочередное включение входной информации в соответствии с адресом, поступившим с входов счетчика У3 N которого равен 4.
Двоичные комбинации на выходе счетчика отражаютего состояние при поступлении входных импульсов от генератораG.Преобразователь У2 двоично - десятичный код преобразует в код семисегментного индикатора, поступающий одновременно на все индикаторы. Номер подключаемого индикатора задается в двоичном коде выходов счетчика У3 и дешифрируются дешифратором У4 Выходы дешифратора подкл. к входам S индикатора У5 (У 5.1-У 5.4) обеспечивая подключение соответствующих индикаторов.Время подключения индикатора очень мало (10-15 м.сек) и подобрано таким образом, чтобы не было заметно мигания индикатора для глаз и опред. тактовой частотой G. Для того, чтобы высветить заданную цифру 4 необходимо получить со счетчика двоичный адрес 0010 . При этом информация 0111, соответствующая десятичной цифре 4,
передается на выходы мультиплексора У1 и на вход преобразователя У2. Преобразователь преобразует двоично - десятичный код в код индикатора. Информация с выходов a¸g преобразователя поступает на входы всех индикаторов, но подключается только третий индикатор, т.к. активный сигнал с дешифратора поступает на вход S 3-го индикатора и в соответствии с информацией 0100 высвечиваем цифру 7.
Таблица 5 - Спецификация элементов
| Поз
обознач.
|
Наименование
|
Кол
|
Примечания
|
| Мультиплексоры
|
| D.D1
|
к155кп7
|
1
|
| D.D2
|
К155КП7
|
1
|
| D.D3
|
К155КП7
|
1
|
| D.D4
|
К155КП7
|
1
|
| Кодопреобразователь
|
| D.D5
|
К155ИД1
|
1
|
| Счетчик
|
| D.D6
|
К155ИЕ5
|
1
|
| Дешифратор
|
| D.D7
|
К155ИД10
|
1
|
| Индикаторы
|
| D.D8
|
АЛС324
|
1
|
| D.D9
|
АЛС324
|
1
|
| D.D10
|
АЛС324
|
1
|
| D.D11
|
АЛС324
|
1
|
Список использованных источников
1. Колобеков Б.А.,Мамзелев И.А., Цифровые устройства и микропроцессорные системы. -М: Радио и связь, 1987 г.
2. Коган И.А. Микропроцессорные устройства. Сборник методических указаний. - М: Радио и связь 1988г
3. Мальцева Л.А. и др. Основы цифровой техники. - М: Радио и связь 1986г.
4. Методические указания по курсовому проекту.
|