План
1. Введение.
2. Краткая характеристика круп.
3. Блюда из гречневой крупы.
4. Товароведческая характеристика сырья.
5. Схема приготовления блюда.
6. Технологи приготовления.
7. Правила подачи блюд.
8. Техника безопасности работы на оборудовании.
9. Примерный перечень необходимой посуды.
10. Технологические карты.
11. Заключение.
1. Введение.
Все жизненные процессы в организме человека находятся в большой зависимости от того, из чего составляется его питание с первых дней жизни, а также от режима питания. Всякий живой организм в процессе жизнедеятельности непрерывно тратит входящие в его состав вещества. Значительная часть этих веществ “сжигается” (окисляется) в организме, в результате чего освобождается энергия. Эту энергию организм использует для поддержания постоянной температуры тела, для обеспечения нормальной деятельности внутренних органов (сердца, дыхательного аппарата, органов кровообращения, нервной системы и т.д.) и особенно для выполнения физической работы. Кроме того, в организме постоянно протекают созидательные, так называемые пластичные процессы, связанные с формированием новых клеток и тканей. Для поддержания жизни необходимо, чтобы все эти траты организма полностью возмещались. Источником такого возмещения являются вещества, поступающие с пищей.
Пища должна содержать белки, жиры, углеводы, витамины, минеральные вещества и воду. Потребность как в общем количестве пищи, так и в отдельных пищевых веществах зависит у детей в первую очередь от возраста, а у взрослых - от вида труда и условий жизни. Чтобы полнее удовлетворить эту потребность организма, необходимо знать, какое количество энергии расходуется им в сутки. Установлено, что образующаяся в организме энергия в конечном итоге выделяется в виде тепла. Поэтому по количеству освобождаемого в организме тепла можно определять и его энергетические затраты; обычно эти затраты выражают в тепловых единицах - больших калориях, или килограмм - калориях (большая калория - количество тепла, затрачиваемое на нагревание 1 кг воды на 1оС). Так, например, за 1 час сна тратится 0,93 калории на 1 кг веса тела, а на одевание и раздевание - 1,69 калории.
Под наилучшими нормами питания понимают такие нормы, которые у взрослого полностью покрывают все затраты организма, а у детей обеспечивают, кроме того, потребности роста и развития. Установлено, что по энергетическим затратам или, другими словами, по калорийной потребности взрослое население можно разделить на 4 группы: в первую группу (затрата 3000 ккал в сутки) включаются лица, не связанные с физическим трудом и работающие главным образом в сидячем положении; ко второй группе относятся рабочие механизированного труда (затрата 3500 ккал в сутки); к третьей группе - занятые немеханизированным или не полностью механизированным трудом, как, например, кузнецы, плотники, водопроводчики, истопники (затрата 4500 - 5000 ккал в сутки). При занятиях спортом энергетические затраты, особенно в период тренировок и соревнований, могут возрастать до 6000 - 7000 ккал в сутки.
Для правильного построения питания недостаточно, однако, определить только калорийность пищи. Нужно знать также, какие пищевые вещества и в каком количестве могут обеспечить эту калорийность, т.е. определить качественный состав пищи. При окислении в организме 1г белков или 1г углеводов образуется 4,1 ккал, а при окислении 1г жира - 9,3 ккал. В случае необходимости углеводы и жиры частично могут заменять друг друга; что касается белковых веществ, то они не могут быть заменены никакими другими пищевыми веществами.
Большую роль в организации правильного питания играют предприятия общественного питания, не зависимо от форм собственности.
Для максимального охвата населения услугами общественного питания, более рационального использования трудовых, материальных и финансовых ресурсов необходима качественная перестройка организации производства продукции общественного питания. Экономические и технические уровни развития общественного питания позволяют ускорить переход на массовое централизованное производство полуфабрикатов высокой степени готовности. В связи с этим необходимо совершенствовать с хозяйственными механизмами и системы экономического стимулирования с тем, чтобы поддерживались материальная и моральная заинтересованность предприятия и отдельных работников в повышении эффективности труда.
Повышение производительности труда в общественном питании во многом зависит от внедрения новой техники, совершенствования организации труда и управления. Правильного сочетания материальных и моральных стимулов. Именно рост производительности труда должен являться основой для увеличения товарооборота, снижения издержек производства и положительно сказываться на уровне хозяйственной деятельности.
Решить поставленную задачу представляется возможным только за счет коренных изменений в организации производства, особую значимость, в которых, должны занять концентрация и централизация кулинарной обработки.
Переход на готовые промышленные методы производства кулинарной продукции будет способствовать эффективному использованию капитальных вложений, основных фондов, кадровых ресурсов и позволит значительно повысить технические уровни фабрик, как полуфабрикатов, так и кулинарных изделий.
В результате реализации предлагаемых мер, большая часть технологического цикла по производству продукции общественного питания мигрирует с мелких предприятий общественного питания, зачастую не соответствующих требованиям современного уровня научно-технического прогресса, на высокомеханизированные предприятия производственного типа. Коренным образом преобразуется сеть предприятий общественного питания: за счет децентрализации потребления произойдет рост торговых площадей при снижении производственных.
Кулинария, как национальная и общественная культура, имеет огромную рецептуру блюд и самых разнообразных видов продуктов. Большое место в этом ассортименте составляют крупы.
До последнего времени выработку круп основывали только на механической технологии, которую в общем виде можно представить следующей схемой: очистка зерна от примесей сортирование очищенного зерна по крупности шелушение
отделение ядра от пленок обработка ядра в различных вариантах в зави-симости от рода зерна и сорта получаемой крупы (шлифование, полирование, дробление или плющение) сортирование готовой продукции. Схему используют и на современных крупяных заводах, часто дополняя ее другими приемами. На крупорушках рассмотренную схему применяют в сокращенном варианте.
Для очистки зерна от различных примесей в схему технологического процесса включают аспираторы, триеры, камнеотделительные машины, шасталки (остеломатели), обоечные машины, магнитные установки и др. Существенное значение имеет сортирование зерна после очистки перед шелушением, так как выровненное зерно лучше и легче подвергается шелушению.
Для шелушения зерна используют различные машины: обоечные, где действует принцип многократного удара; шелушильные постава, работающие по принципу сжатия и трения; шелушители с резиновыми вальцами; голлендры, вертикальные шелушители и т.д.
Обработка ядра после шелушения заключается в дальнейшем шлифовании для удаления остатков цветковых пленок. Кроме того, в процессе удаляются плодовые и семенные оболочки, а также зародыш. Крупу, вырабатываемую из зерна многих культур, сортируют по величине на несколько фракций (номеров).
В процессе механической обработки ядро у части зерен не выдерживает оказанных воздействий и дробится. Поэтому при выработке крупы основного ассортимента получают продукты более низкого качества. Лучший вид крупы из гречихи – ядрица, то есть целое ядро гречихи, однако часть зерен всегда дробится и получается дробленая крупа – продел, дающая при кулинарной обработке кашу-“размазню”. Еще большая разница в качестве между целыми шлифованными зерновками риса и дроблеными. При выработке круп образуется и некоторое количество муки – мучки, используемой на кормовые или технические цели. По выходу цельной крупы, дробленки и мучки судят о работе отдельных машин и предприятия в целом.
Для получения более питательных и разнообразных круп в схему технологического процесса современного крупяного завода включают обработку зерна водой и паром, а также варку при высоком давлении. При пропаривании очищенного зерна возрастает прочность ядра, а оболочки делаются более хрупкими, в результате увеличивается выход высших сортов крупы, ускоряется развариваемость.
Еще более повышается пищевая ценность круп при варке в сиропе (из солода, сахара, поваренной соли и других компонентов) с последующим плющением и обжаркой. Кулинарная обработка таких круп-“хлопьев” не нужна. Их потребляют в сухом виде или каким-нибудь напитком (бульоном). Другой способ повышения усвояемости крупы основан на обработке давлением. Так вырабатывают вспученные (взорванные) зерна пшеницы, риса и т.д., увеличенные в объеме в 6-8 раз. Лучшие вспученные зерна получают из стекловидных сортов риса, пшеницы и кремнистых сортов кукурузы. Также из многих видов крупы вырабатывают пищевые концентраты: их смешивают с другими компонентами и обрабатывают до полной или почти полной готовности.
Качество круп и способы определения его нормированы стандартами. К обязательным показателям при оценке круп относят сенсорные (цвет, запах и вкус). В крупах недопустимы вредители. Влажность разных круп должна быть в пределах 12…15,5%. Строго нормируют количество примесей, особенно вредных, испорченного и битого ядра, мучели, металлических примесей и нешелушеных зерен. От содержания их зависят сорт крупы и соответствие продукта требованиям государственного нормирования.
Определяют также кулинарные достоинства крупы. В эту оценку входят цвет, вкус и структура сваренной каши, продолжительность варки и коэффициент развариваемости, под которым понимают отношение объема каши к объему крупы, взятой для варки. В зависимости от сортовых особенностей сырья, способов его обработки и ассортимента круп коэффициент развариваемости колеблется обычно в следующих пределах: у пшена 4…5,2; круп из гречихи 3,2…4; риса 4,3…5,2; перловых 5,5…6,6; у овсяных 3,3…4,1.
Нормы качества крупы.
| Крупа |
Содержание доб-рокачественного ядра (не менее), % |
Содержание дро-бленого ядра в доброкачественном ядре (не более), % |
Количество (не более), % |
| нешелушенных зерен |
сорной примеси |
| Высший сорт |
Первый сорт |
Второй сорт |
Дробленая крупа |
Высший сорт |
Первый сорт |
Второй сорт |
Высший сорт |
Первый сорт |
Второй сорт |
Высший сорт |
Первый сорт |
Второй сорт |
| Пшено шлифованное |
99,2 |
98,7 |
98,0 |
- |
0,5 |
1,0 |
1,5 |
0,3 |
0,4 |
0,6 |
0,3 |
0,4 |
0,4 |
| Гречневая крупа: |
| ядрица |
- |
99,2 |
98,3 |
- |
- |
3,0 |
4,0 |
- |
0,3 |
0,5 |
- |
0,4 |
0,5 |
| продел |
- |
- |
- |
98,3 |
- |
- |
- |
- |
0,1 |
- |
- |
0,7 |
- |
| Овсяная крупа недробленая пропаренная |
99,0 |
98,5 |
- |
- |
0,5 |
1,0 |
- |
0,4 |
0,7 |
- |
0,3 |
0,7 |
- |
| Рисовая крупа: |
| шлифованная и полированная |
99,7 |
99,2 |
98,7 |
- |
4,0 |
9,0 |
13,0 |
- |
0,2 |
0,3 |
0,2 |
0,4 |
0,5 |
| дробленая |
- |
- |
- |
98,2 |
- |
- |
- |
- |
- |
- |
- |
0,8 |
- |
| Ячменная крупа: |
| перловая (все номера) |
- |
99,6 |
- |
- |
- |
- |
- |
- |
0,7 |
- |
- |
0,3 |
- |
| ячневая (все номера) |
99,0 |
- |
- |
- |
- |
- |
- |
0,9 |
- |
- |
0,3 |
- |
| Пшеничная крупа |
- |
99,2 |
- |
- |
- |
- |
- |
- |
- |
- |
- |
0,3 |
- |
| Гороховая крупа: |
| целый горох шелушеный |
- |
- |
- |
- |
- |
0,1 |
- |
- |
3,0 |
- |
- |
0,5 |
- |
| колотый горох |
- |
- |
- |
- |
- |
1,0 |
- |
- |
0,8 |
- |
- |
0,5 |
- |
В данной работе мы рассмотрим блюда из гречневой крупы.
Ученые утверждают, что все крупы в той или иной степени обладают лечебными свойствами, но особенно это относится к гречихе. Как лекарство она применяется, в частности, в тибетской медицине. В гречихе содержатся важнейшие питательные вещества: белки, жиры, углеводы, а также кальций, фосфор, йод, витамины B1
и B2
, PP (рутин, который, кстати, получают промышленным способом из этой крупы). Напомним, что витамин B1
(тиамин) нормализует деятельность нервной и мышечной системы, оказывает влияние на функции органов пищеварения. Благодаря этому витамину улучшается деятельность и секреторная функция желудка. При недостатке в пище тиамина появляется быстрая утомляемость, мышечная слабость, нарушение ритма сердечных сокращений, потеря аппетита. Витамин B2
(рибофлавин) принимает участие в углеводном, белковом и жировом обменах. При недостатке этого витамина появляются конъюнктивиты, светобоязнь, анемии, нарушаются процессы регенерации тканей. Витамин РР участвует в окислительно-восстановительных процессах, ферментных реакциях, регулирует секреторную и моторную функцию желудка, нормализует деятельность печени, повышает степень использования растительных белков пищи. Славится гречка и тем, что она является полноценной заменой мяса в питании (за что издавна её уважали экономные хозяйки). Важнейшее свойство белков гречихи – их хорошая растворимость и усвояемость, а такие белки в этой крупе составляют 86 процентов от общего их количества (у пшена соответственно 11 процентов). Много в гречневой крупе и солей железа. Лимонная, яблочная кислоты, которыми она очень богата, являются катализаторами усвоения пищи. Особенно полезна гречневая каша с молоком, в котором не менее 100 полезных веществ и которые, соединяясь с ценными компонентами самой гречки, дают превосходный результат.
Блюда из гречневой крупы рекомендуют при атеросклерозе, болезнях печени, гипертонии, при отеках различного происхождения. Препараты из цветов и листьев гречихи уменьшают хрупкость и проницаемость кровеносных сосудов, ускоряют заживление ран, благотворно действуют при заболеваниях верхних дыхательных путей, скарлатине, кори, лучевой болезни. Такое разнообразное действие ученые объясняют не только богатым химическим составом, но и большим содержанием в листьях и цветках рутина, обладающего Р-витамино-подобным действием. Недаром известный японский диетолог Дж. Азава свое отношение к этой крупе выразил тем, что поставил ее на первое место в списке полезности продуктов и их энергетической ценности (на втором месте в его реестре – пшено, а затем уже идут рис, овес, ячмень и т.д.).
Ядрица
представляет собой целое ядро гречихи. Гречневую крупу – ядрицу и продел – вырабатывают из зерна гречихи путем отделения плодовых оболочек. Чаще всего ядрицу и продел выпускают из пропаренной и просушенной гречихи. Эта крупа отличается от не пропаренной коричневым цветом, приятным ароматом при варке и значительно меньшей длительностью разваривания, за что и названа быстро разваривающейся., продел
– ядро, расколотое на части.
Для варки рассыпчатой каши предпочтительнее использовать гречневую ядрицу. Из продела быстро разваривающегося можно тоже можно приготовить рассыпчатые каши. А продел, выработанный из пропаренной гречихи, применяют для приготовления вязких каш, которые используют для диетического и детского питания.
Гречневая каша.
Наиболее проста в смысле варки гречневая каша, имеющая хорошее естественное защитное покрытие каждой зернинки и не выделяющая при варке слизь (крахмал). Испортить гречневую кашу трудно, и тем не менее ее сплошь и рядом готовят неумело, невкусно.
Почему? Да потому, что кажущаяся простота ее приготовления заставляет действовать на авось, а не по правилам. Между тем, как ни покажется странным, а кашеварные правила похожи на математические — они точны, ясны, кратки и нетрудны для запоминания.
Для гречневой крупы на каждую единицу объема крупы должно браться вдвое больше по объему воды (1:2). И это соотношение должно соблюдаться не на глазок, а абсолютно точно, до грамма!
Кроме того, есть и определенные правила выдержки температуры, силы огня (его интенсивности) и давления.
Именно о них часто забывают, исполнив точно то, что касается соотношения крупы и воды. И поэтому каши превращаются в самые невкусные блюда. А ведь когда-то они были самыми лакомыми. Они были сами по себе вкусными, оттого, что в них сохранялись витамины и особые ароматические вещества, оттого, что структура зерна не нарушалась из-за неверного режима давления.
Все это мы можем понять и объяснить теперь, в конце XX века, на основе современных знаний о веществе и материалах вообще. Но люди, жившие 100—200 лет назад и более, готовили правильно чисто эмпирически, на основе повседневного опыта, наблюдая, что и при каких условиях удается, а что нет.
Так, для гречневой каши требуются плотная крышка, сильный огонь в течение первых 3—5 минут до закипания воды, а затем спокойное, умеренное кипение, в самом конце — слабое, до полного выкипания воды не только с поверхности, но я со дна кастрюли или котелка. Кроме того, необходима металлическая (не эмалированная) кастрюля или казанок, лучше всего с утолщенным выпуклым, а не горизонтальным, плоским дном. Именно эта конструкция облегчает выкипание жидкости со дна и создает равномерное прогревание и разбухание всей каши.
И еще одно важное правило для гречневой и для большинства каш: засыпав крупу и залив ее водой, не трогать, не мешать, не вторгаться в процесс, не подымать и не приоткрывать крышку. Каша варится не столько водой, сколько паром, и поэтому выпускать его — значит недодать каше положенного тепла. Иначе каша либо подгорает, сохнет, либо, если мы пытаемся “помочь” ей, хотим устранить свою ошибку и подливаем воду, превращается в размазни, портится.
Отсюда вывод: исправить ошибку в середине приготовления каш практически нельзя. Лучше все делать по правилам а самого начала и ни в коем случае не вмешиваться в процесс приготовления.
В результате все приготовление, скажем, одного, полутора, двух стаканов гречневой крупы и соответствующего им количества воды (двух, трех, четырех стаканов) заканчивается в пределах 15—16 минут, если нагрев ведется на газовой плите. Держать гречневую кашу на огне дольше этого времени нецелесообразно — ее вкус будет ухудшаться: особый гречневый аромат — выветриваться, слабеть, а зерно — терять форму, трескаться и становиться кляклым, Именно это происходит с гречневой кашей при приготовлении ее в общепите, и потому она не пахнет настоящей гречкой. Почему так нелепо происходит? А потому, что в кулинарии, а особенно в народной, большинство сведений передается традиционно и устно. А по старой традиции гречневую кашу готовили от двух до четырех часов. Только в таких случаях приготовление шло не на непосредственном огне, а в русской печи, на так называемом “вольном духу”, то есть при падающей температуре, когда печь остывала после окончания выпечки в ней хлебов. И шло такое медленное приготовление не в металлической кастрюльке, а в глиняной корчаге или в толстостенном чугунке.
Кое-кто “слышал звон”, что гречневую кашу готовили долго и бездумно, механически стал переносить это правило и для наплитного приготовления, считая, что подержать подольше гречку на огне — это как раз то, что надо. А поскольку за последние три-четыре десятилетия гречневая крупа из самой массовой превратилась в редкую в домашнем быту, то “умение” готовить ее мы как бы передоверили общепитовским работникам, которые, к сожалению, действуют по принципу “испорченного телефона”.
Но процесс приготовления каши как блюда не заканчивается на том, что она сварилась, хотя этот момент означает, что главное сделано. Остается еще важная и ответственная деталь — заправка каши, определение ее вкусового акцента. Для каждого сорта каш этот акцент строго индивидуален, о чем в нашем общепите постоянно забывают, сдабривая все каши одной и той же одинаковой подливкой. Именно это и наносит непоправимый вред каше, портит ценный продукт, превращает ее в невкусный балласт, дискредитирует каши, как вид особого блюда, низводит их до уровня малоприятного гарнира. Вообще надо решительно покончить с тем, чтобы каши подавались как гарнир к мясным или рыбным блюдам. Гарниры могут быть только овощными. Каши же — особый, совершенно самостоятельный вид блюда. И именно поэтому столь важна их правильная заправка.
Для гречневой каши заправка должна состоять из сливочного масла, лука, сушеных белых грибов и крутых рубленых яиц. Это классическая, неотъемлемая заправка гречневой каши! Всякая иная для нее — неприемлема, неуместна!
Лук можно (и даже нужно) не пережаривать, а вносить его мелко нарезанным в середине кипения в кашу, просто засыпав сверху, не трогая каши, не перемешивая ее. Точно так же засыпаются вместе с закладкой крупы в кипяток и сухие белые грибы в виде порошка (достаточно одного гриба на каждые два стакана крупы, чтобы создать заметный, приятный акцент). Масло и рубленые крутые яйца вносятся только после полной готовности каши (после полного выкипания из нее воды). Лучше всего, если каша, снятая с огня, постоит под крышкой после готовности еще пять минут для так называемого “упревания”, то есть полного развития ее вкуса. Только после этого ее можно перемешивать с маслом и яйцами и уже после — солить и тотчас же, горячей, подавать на стол. Холодная, остывшая каша — это насмешка над здравым смыслом, неуважение к кулинарному искусству и профанация этого благородного национального блюда.
Все сказанное относится к гречневой ядрице; из продельной гречневой крупы настоящую кашу делать нельзя. Продел может использоваться на другие кулинарные цели — в овощно-крупяные супы, как добавка к начинке зраз, для украинских гречаников, но только не для приготовления русской гречневой каши.
Для приготовления блюда потребуется:
- вода - 3 стакана - гречневая крупа ядрица - 1.5 стакана - лук репчатый - 2 луковицы - яйцо - 2 шт. - сухие белые грибы - 3-4 шт. - масло подсолнечное - 6-7 ст. л.
Таблица 1. Расчет сырья на гречневую кашу
| Наименование сырья |
Расход (в граммах) |
| На 1 порцию |
На 100 порций |
Вода
Крупа гречневая, ядрица
Лук репчатый
Яйцо
Гриб белый, сухой
Масло подсолнечное
|
750
250
70
2 шт.
100
120
|
750000
25000
7000
2000
10000
12000
|
Гречневая каша высокого качества может получиться только из высококачественной гречневый крупы. Для этого берется крупа, соответствующая таблице.
Талица 2. Товароведческая характеристика крупы.
| Наименование показателя
|
Крупа гречневая
|
| По ГОСТ 5550-74 |
| Органолептические показатели |
| Цвет |
Кремовый с желтоватым или зеленоватым оттенком |
| Запах |
Свойственный гречневой крупе данного вида, без затхлого плесневого и других посторонних запахов |
| Вкус |
Свойственный гречневой крупе данного вида без кислого, горького и других посторонних привкусов |
| Физико-химические показатели |
| Влажность, %, не более |
13,0 |
| Доброкачественное ядро, %, не менее |
98,4 |
Сорная примесь, %, не более.
В том числе: минеральная примесь, не более
вредная примесь, не более
|
0,45% |
| Зараженность вредителями |
Не допускается |
| Металломагнитная примесь, мг/кг, не более |
3,0 |
Процесс приготовления гречневой каши можно представить по такой схеме:

 Каша подается к столу в глубоких тарелках свежей, в горячем виде. Вместе с кашей подается перец (в перечнице). Стол сервируется в обычном порядке, для любителей предлагается зелень.
Сервировка стола.
Основная цель сервировки — удобство, опрятность и приятный вид обеденного стола.
Используются столовые приборы, посуда, бокалы. К столовым приборам относят большой нож, большая вилка, большая ложка, закусочный нож, закусочная вилка, десертная ложка, десертная вилка, десертный нож.
Столовые приборы располагают параллельно друг другу, параллельно краю стола.
Из тарелок используют подстановочную тарелку, тарелку для хлеба (пирожковую), тарелку под первое блюдо и тарелки под вторые блюда, (количество их зависит от количества перечня блюд), количество бокалов соответствует количеству блюд. Обычно ставят бокал для воды, бокал для белого вина, бокал для красного вина, и рюмку для крепких напитков.
В особых случаях ставят фужер для шампанского. Если подают на стол несколько блюд, то стол сервируют так:
Сначала ставят подстановочную тарелку, затем тарелку под первое блюдо, справа ножи и ложки, в том порядке, как будут их использовать, начиная с дальнего края от тарелки.
Слева так же кладут вилки, десертные столовые приборы кладут сверху над тарелкой.
Справа сверху под столовыми приборами под углом в 45о
ставим бокалы.
Слева сверху тарелка для хлеба.
Накройте стол белой, хорошо выглаженной скатертью. Под нее рекомендуется подложить фланель или какую-нибудь другую тяжелую мягкую ткань: скатерть ляжет ровнее, стук тарелок и приборов смягчится. В зависимости от числа сидящих за столом поставьте две-три тарелки с тонкими ломтиками черного и белого хлеба. Закуски расположите в разных местах стола. Количество судков с перцем, уксусом, соусами зависит от числа обедающих. Судки с приправами лучше всего располагать ближе к средней линии стола. Рекомендуется сервировать стол посудой однообразного фасона и расцветки. Для каждого члена семьи и гостя поставьте мелкую столовую тарелку, на нее — закусочную, а с левой стороны от нее — пирожковую.
Справа от каждой мелкой тарелки положите ложку и нож (отточенной стороной лезвия в сторону тарелки), слева — вилку. Ложки и вилки должны лежать вогнутой стороной кверху. Хорошо поставить у каждого прибора отдельную маленькую солонку или одну солонку на два прибора. Салфетки, сложенные треугольником или колпачком, положите на закусочную тарелку. У каждого прибора поставьте фужер для минеральной воды, фруктового или томатного сока.
У обеденного стола около места хозяйки можно поставить столик, на котором поместить миску с супом, чистые тарелки. Если за столом сидят пять-шесть человек, хозяйка может свободно передать гостю тарелку с жарким, рыбой. При большом числе обедающих удобнее блюда разносить. Нужно только иметь в виду следующее правило: когда вы разносите кушанья, уже разложенные на тарелки, подавайте их гостю с правой стороны; если кушанье подается на блюде и человек должен сам положить его на тарелку, подходите слева.
Перед подачей сладкого надо убрать со стола ненужную посуду и судки с приправами, смести крошки. Самовар или чайник с кипятком поставьте на маленький столик, вплотную придвинутый к краю стола, у которого сидит хозяйка, разливающая чай. У этого же края расположите чайную посуду. В центре стола поставьте вазы с вареньем и конфетами, около ваз — сухарницы с печеньем. Графины с фруктовыми и ягодными соками разместите равномерно по всему столу.
Не забывайте, что бульон и суп-пюре едят бульонной или десертной ложкой, левой рукой придерживая ручку чашки. Пирожок не разламывают и не нарезают, а откусывают от целого. Чашку бульона можно поднести ко рту и допить остатки бульона. Если подали бульон с курицей, то вначале едят бульон, а затем с помощью вилки и ножа кусочки курицы.
Суп едят черпая ложкой от себя, чтобы не испачкать костюм. Клецки, лапшу, картофель можно размельчать краем ложки. Не старайтесь зачерпнуть последнюю ложку супа, ее оставляют в тарелке.
Мясные блюда (жаркое, шницель натуральный, котлеты отбивные, бифштекс натуральный, ромштекс, лангет и др.) едят с помощью ножа и вилки. Когда съедят один кусок, отрезают следующий. Не следует нарезать сразу всю порцию, потому что еда быстро остынет. Мясо, приготовленное кусочками (бефстроганов, поджарку), едят вилкой.
Рубленые котлеты, тефтели, зразы, рулет мясной резать ножом не принято.
Горячие рыбные блюда едят с помощью специального рыбного прибора (вилки и ножа). Вилкой отделяют мякоть рыбы от кости, придерживая ножом. Рыбу ножом не режут. Рыбу можно есть и с помощью двух вилок: вилкой в правой руке отделяют мякоть от костей, вилкой в левой руке кладут кусочки рыбы в рот. Если есть одна вилка, ее берут в правую руку для отделения мякоти рыбы от костей, а в левую — кусочек хлеба для придерживания рыбы. Рекомендуется пользоваться специальным рыбным ножом, поскольку обеденный столовый нож перерезает мягкие косточки рыбы, и они могут попасть в рот вместе с мякотью. Иногда на стол с левой стороны ставят небольшую тарелочку для костей.
Техника безопасности.
Во избежание несчастных случаев работники кухни должны изучить правила эксплуатации оборудования и получить практический инструктаж у заведующего производством. В местах расположения оборудования необходимо вывесить правила его эксплуатации. Пол в цехах должен быть ровным, без выступов, не скользкий.
При работе в цехах необходимо соблюдать следующие правила:
-на полу рядом с производственными столами необходимо устанавливать подножные решетки;
-ножи должны иметь хорошо закрепленные ручки и храниться в определенном месте;
-производственные ванны и столы должны иметь закругленные углы.
Во время работы необходимо своевременно удалять и перерабатывать отходы, следить за санитарным состоянием цеха и каждого рабочего.
При работе в горячем цехе работники должны обязательно изучить правила эксплуатации механического и теплового оборудования и получить практический инструктаж у заведующего производством. В местах расположения оборудования необходимо вывесить правила эксплуатации.
Пол в цехе должен быть ровным, без выступов, не скользким.
Температура в цехе не должна превышать 26 град.С.
Разбор, чистку, смазку любого оборудования можно производить лишь при полной остановке машин и отключении их от источников электроэнергии, пара и газа.
Электрооборудование должно быть заземлено.
При работе с оборудованием кухни необходимо знать и строго соблюдать правила эксплуатации данного оборудования.
Перед началом работы проверяют исправность машины. Рубильники и предохранители должны быть закрытого типа. Включать и выключать машины при помощи кнопок ПУСК
и СТОП
.
Все движущиеся части машин должны быть ограждены, а корпус заземлен. Если обнаруживается неисправность, то сообщают руководителю и машину не эксплуатируют.
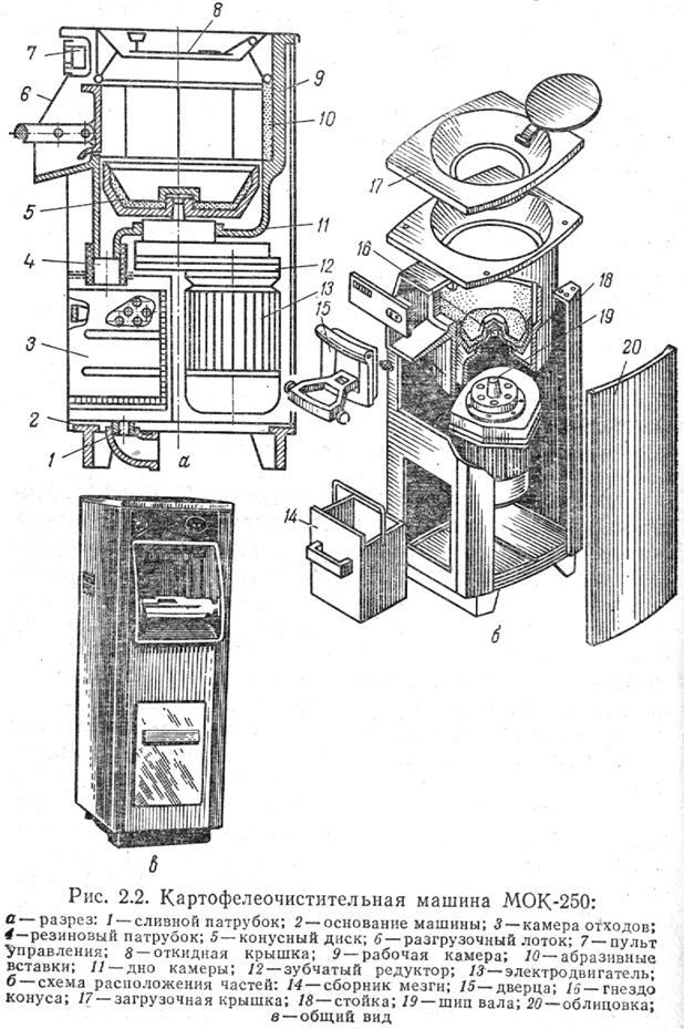
Рассмотрим, в качестве примера, работу на картофелеочистительной машине МОК-250 (рис.1).
Прежде чем приступить к работе на машине, необходимо получить инструктаж, проверить её исправность, убедится в наличии всех защитных ограждений, отсутствии видимых повреждений. Подготовить необходимое сырье для работы, посуду для загрузки сырья.

Строго в соответствии с инструкцией пользования произвести загрузку, очистку и выгрузку сырья. Обесточить агрегат. Произвести тщательную очистку бункеров (камер), промыть чистой водой, оставить открытыми до полного высыхания. Затем собрать все принадлежности, закрыть емкости.
Для перемещения грузов большой массы используют грузовые тележки.
Проходы около рабочих мест нельзя загромождать посудой и тарой.
Крышки пищеварочных стационарных котлов разрешается открывать лишь через 5 мин. после прекращения подачи пара или электроэнергии; перед открыванием поднять клапан-турбинку и убедиться, что нет пара. Крышки у наплитных котлов открывать на себя.
В цехе обязательно должна находиться аптечка с набором медикаментов.
Необходимая посуда для приготовления.
Посуда для приготовления каши используется обычная, штатная поварская. Это кастрюля или бак (в зависимости от требуемого количества выхода продукта). Лучше всего кашу варить в чугунном казане. Инструмент штатный, подготовленный. Разделочная доска для размельчения лука и вареных яиц, необходимые ложки, поварешки, мелкая терка.
Для приготовления любого блюда, кроме рецептурного справочника, должна быть в наличии технологическая карта, составленная и подписанная технологом. Этот документ является основанием для расхода (закладки) требуемых продуктов (сырья) по приготовлению блюд.
Рассмотрим несколько примеров технологических карт.
Технологическая карта №
(1) пример
Название блюда или кулинарного изделия № (по сборнику) (Салат рыбный № 98 )
| Закладка продуктов |
По Сборнику, г |
По условию задания, г |
На 100 порций, кг |
Примечания |
| Наименов. Продуктов |
Брутто |
Нетто |
Брутто |
Нетто |
Брутто |
Нетто |
| 1 |
2 |
3 |
4 |
5 |
6 |
7 |
8 |
| Окунь морской |
56 |
37 |
| Минтай неразделан. Средн. |
80 |
37 |
8,0 |
3,7 |
Табл. 27 |
Масса припущен. рыбы (филе без кожи и костей) |
30 |
30 |
3,0 |
| Картофель |
41 |
30 |
44 |
30 |
4,4 |
3,0 |
Табл.32 |
| Огурцы сол. |
31 |
25 |
31 |
25 |
3,1 |
2,5 |
| Помидоры свежие |
29 |
25 |
29 |
25 |
2,9 |
2,5 |
| Зелен.Горошек конс. |
15 |
10 |
15 |
10 |
1,5 |
1,0 |
| Майонез |
30 |
30 |
30 |
30 |
3,0 |
3,0 |
| Соус Южный |
5 |
5 |
5 |
5 |
0,5 |
0,5 |
| Выход |
150 |
150 |
15,0 |
Под каждой Технологической картой приводится краткая технология с указанием требований к качеству данного блюда.
Таблица 2
Технологическая карта №
(2) пример
Название блюда или кулинарного изделия № (по сборнику)
(Борщ с капустой, картофелем на бульоне с минтаем № 176)
| Закладка продуктов |
По Сборнику, г |
По условию задания, г |
На 150 порц., кг |
Примечание |
| Наименов. продуктов |
Брутто |
Нетто |
Брутто |
Нетто |
Брутто |
Нетто |
| 1 |
2 |
3 |
4 |
5 |
6 |
7 |
8 |
| Свекла |
200 |
160 |
200 |
160 |
15,0 |
12,0 |
Дек. |
| Капуста св. |
100 |
80 |
100 |
80 |
7,7 |
6,0 |
| Картофель |
107 |
80 |
114 |
80 |
8,55 |
6,0 |
Табл. 32 |
| Морковь |
50 |
40 |
50+8 |
40+6 |
4,35 |
3,45 |
Добавл. |
| Петрушка (корень) |
13 |
10 |
13+6 |
10+5 |
1,43 |
1,13 |
На |
| Лук реп. |
48 |
40 |
48+8 |
40+6 |
4,2 |
3,45 |
Бульон |
| Томатное пюре |
30 |
30 |
| Томат-паста (35%) |
9 |
30 |
0,675 |
2,25 |
Табл. 36 |
| Кулинар. Жир |
20 |
20 |
10 |
10 |
0,75 |
0,75 |
| Сахар |
10 |
10 |
10 |
10 |
0,75 |
0,75 |
| Уксус 3% |
16 |
16 |
16 |
16 |
1,2 |
1,2 |
| Бульон № 174 |
800 |
800 |
800 |
800 |
60,0 |
60,0 |
| Рец. 174 |
| Пищ. рыб. отх. (суп. Набор) |
240 |
18,0 |
Табл. 28 |
| Вода |
+21 |
1000 |
+1,58 |
75,0 |
На томат |
| Минтай неразделан. Сред. |
246 |
123 |
18,45 |
9,23 |
Табл. 27 |
| Масса отвар. Рыбы (филе с кожей без костей) |
100 |
7,5 |
Табл. 5 |
| Выход |
1000 |
1000 |
75,0 |
Под каждой Технологической картой приводится краткая технология с указанием требований к качеству данного блюда.
Пояснения к расчету технологических карт
Технологическая карта № 1
Для салата используют филе без кожи и костей выход готовой рыбы не зависит от вида рыбы и должен быть 30 г на порцию.
По табл. 27 находим расход рыбы брутто и нетто на этот выход: Нетто:
на 100г ---123 г Потери при припускании 19% для 30г --- х Х= 30•1,23 = 36,9 (37 г)
С учетом потерь при хол. об-ке 54% и припускании. Брутто:
на 100 г --- 267 г для 30г --- х Х= 30•2,67 = 80,1 (80 г)
Картофеля учитывают сезонное изменение потерь при холодной обработке. Расчет ведут по таблице 32. Отходы при тепловой обработке 3% при первичной 30 %
Брутто
: на 100 г --- 147 г для 30 г --- х Х= 30•1,47 = 44,1 (44 г)
Технологическая карта № 2
Для борщей рецептуры приведены без учета сырья на бульон и животные продукты. При расчете сырья на бульон следует учитывать, что сырье указано на выход 1000 г, а на данный борщ идет 800 г и следует делать перерасчет, учитывая иногда сезонность. При определении расхода рыбы следует учитывать, что нормы ее закладки в табл. 5 Сборника приведены на порцию 500 г , а раскладка борща дана на 1000 г. Кроме того, в табл. 5 указаны не все виды рыбы, а рекомендован способ разделки и масса порции. С учетом этих рекомендаций выбираем разделку минтая на филе с кожей без костей с массой рыбы на порцию готового супа 5 0 г .По таблице 27 находим расход рыбы весом брутто и нетто на выход борща 1000 г . Масса отварной рыбы на выход борща 1000 г составляет 50•2 = 100 г Расход нетто, с учетом потерь при припускании 19% на выход 100 г, составит 123 г Расход брутто, с учетом отходов и потерь в 50 % при разделке минтая на филе с кожей без костей,составит 123•2 = 246 г = 0,246 кг/л борща. Определяем, какое количество борща можно приготовить из минтая после приготовления салата 26, 46-8,0 = 18,46:0,246 = 75,04 (75 )
л или 75•2 = 150порц. Эти данные вставляем в Технологическую карту № 2 Уточняем расход продуктов и овощей на рыбный бульон, составляя технологическую карту № 3, и определяем количество пищевых отходов (массу супового набора для бульона с учетом технологических особенностей использования сырья.
Так по данным табл. 28 Сборника при разделке минтая на: филе с кожей без костей масса пищевых отходов составляет 36 % филе без кожи и костей -----------”-------- -----”----- -----”----- 40% Следовательно, будет получено 8,00•0,40 = 3,2кг пищевых отходов ( суп. набора) 18,46•0,36 = 6.6 кг
Всего: 9.8 кг
Таблица 3
Технологическая карта №
(3) пример
Название блюда или кулинарного изделия № (по сборнику)
(Бульон рыбный № 174 )
| Закладка продуктов |
По Сборнику, г |
По условию задания, г |
На 2 порц. (борща), г |
Примеч. |
| Наименов. Продуктов |
Брутто |
Нетто |
Брутто |
Нетто |
Брутто |
Нетто |
| 1 |
2 |
3 |
4 |
5 |
6 |
7 |
8 |
| Кости пищевые |
300 |
300 |
| Рыбные пищ. Отходы (суп. набор) |
300 |
300 |
240 |
240 |
| Морковь |
10 |
8 |
10 |
8 |
8 |
6 |
| Петрушка (корень) |
8 |
6 |
8 |
6 |
6 |
5 |
| Лук реп. |
10 |
8 |
10 |
8 |
8 |
6 |
| Вода |
1250 |
1250 |
1000 |
| Выход |
1000 |
1000 |
800 |
Дополнительное сырье на бульон включают в технологическую карту № 2 на основании данных этой технологической карты (3) Затем уточняют закладку картофеля сырья и томата-пасты Расход картофеля брутто ведут с учетом сезонных потерь по табл. 32. Отходы при первичной обработке для декабря составляют 30%.
Следовательно: нетто 80г ---(100-30) = 70% брутто хг ----- 100% Х = 80/0,7 = 114,3 (114) г
Расход томата-пасты ведут по табл. 36 Нормы взаимозаменяемости продуктов. Для томата-пасты с содержанием 35% сухих веществ коэффициент пересчета следует принять 0,3.
Следовательно: 30 г •0,3 = 9 г томата-пасты 35%-ой потребуется для приготовления 1000 г борща.
Для обеспечения требуемого выхода определяем дополнительное количество воды, которое следует включить в рецептуру. Оно определяется как разность между количеством томата пюре, предусмотренного в рецептуре и рассчитанного для включения в рецептуру томата-пасты.
30г-9г=21 г воды необходимо дополнительно включить в технологическую карту № 2.
Включив в основную рецептуру столбцы 4 и 5, все дополнительные продукты и уточненный расход сырья, имеющейся кондиции и массой брутто, рассчитывают расход продуктов по массе брутто и нетто на весь объем борща планируемый к выпуску.
После заполнения технологических карт № 1 и 2 составляют сырьевую ведомость на продукты, суммируя столбцы 6 и 7 технологических карт кулинарной продукции, указанной в задании, по всем видам сырья одного вида по следующей форме( Табл.7).
Таблица 4
Сырьевая ведомость на производство
пример
(указываются виды кулинарной продукции и объемы, на которую составлена ведомость в соответствии с заданием)
Салата рыбного 100 порций и Борща с кап. и картофелем на бульоне с рыбой 150 порций
(Для разобранного примера)
| Наименование продуктов |
Расход продуктов, кг |
Примечание |
| Брутто |
Нетто |
| 1 |
Минтай неразделан. средн |
26,46 |
12,93 |
| 2 |
в том числе: филе с кожей без костей филе без кожи и без костей |
| 3 |
Суповой набор (пищевые отходы) |
9,80 |
| 4 |
Свекла |
15,00 |
12,00 |
| 5 |
Капуста свежая |
7,70 |
6,00 |
| 6 |
Картофель |
12,95 |
9,00 |
| 7 |
Морковь |
4,35 |
3,45 |
| 8 |
Петрушка (корень) |
1,43 |
1,13 |
| 9 |
Лук репчатый |
4,20 |
3,45 |
| 10 |
Огурцы соленые |
3,10 |
2,50 |
| 11 |
Помидоры свежие |
2,90 |
2,50 |
| 12 |
Зеленый горошек косерв. |
1,50 |
1,00 |
| 13 |
Майонез |
3,00 |
3,00 |
| 14 |
Томат-паста с.в. 35% |
0,675 |
0,675 |
| 15 |
Соус Южный |
0,50 |
0,50 |
| 16 |
Кулинарный жир |
0,75 |
0,75 |
| 17 |
Сахарн. песок |
0,75 |
0,75 |
| 18 |
Уксус 3% |
1,20 |
1,20 |
| 19 |
Вода экологически чистая |
76,58 |
| Всего девятнадцать наименований
|
Надо заметить, что в наше перестроечное время, в предприятиях общественного питания зачастую отсутствуют технологические карты на приготовление тех или иных блюд, являющиеся важным нормативным документом, что является грубым нарушением требований Правил организации общественного питания.
Заключение.
Успешная работа предприятия общественного питания зависит от многих факторов
-Управление организацией основывается на общих принципах системы управления производством. В функциях управления раскрывается содержание управления как процесса, отражается вид управленческой деятельности, должностные обязанности, закрепленные за определенным структурным подразделением или работником, назначение конкретного органа управления. Основные функции управления являются общими для всех производственно-экономических систем, относятся к любому объекту управления. Они необходимы для решения общих задач управления и типичны для всего управленческого решения.
-Структура системы управления предприятием общественного питания. Правильно составленная структура системы управления для любого предприятия общественного питания, упрощает и освобождает руководителя от целого ряда функций, для выполнения которых есть квалифицированные специалисты. Структура системы управления фиксируется в организационных схемах структуры управления, штатных расписаниях положениях о структурных подразделениях, должностных инструкциях.
-Расстановка и подбор кадров. Для успеха в ресторане очень важен подбор кадров. От того на сколько правильно менеджер подберет персонал, будет зависеть дальнейшая работа. Менеджер должен точно представлять, какой тип кандидатов нужен для стабильного трудового коллектива, способного добиться высоких конечных результатов. В последнее время, в связи с возросшей требовательностью посетителей, рестораны стараются повышать качество приготовления пищи и обслуживания. Соответственно повышаются потребности ресторанов в высококвалифицированных кадрах.
ЛИТЕРАТУРА
1. Технология производства продукции общественного питания./ Учебник для студентов, обуч. по спец. 1011/В.С. Баранов, А.И. Мглинец, Л.М. Алешина и др. - М.: Экономика, 1986. -400с.
2. Лабораторные работы по технологии производства продукции общественного питания. /Учебное пособие для студентов вузов, обуч. по спец. 1011 ( Л.М. Алешина, Г.Н. Ловачева, Н.Н. Лучкина и др. 2-е изд. перераб. - М.: Экономика, 1987. - 247 с.
3. Ловачева Г.Н., Мглинец А.И., Успенская Н.Р. Стандартизация и контроль качества продукции./ Учебное пособие для студентов спец. 2711. - М.: Экономика, 1990.
4. Ковалев Н.И., Куткина М.Н., Кравцова В.А. Технология приготовления пищи М.: Деловая литература, 1999. - 468с.
5. Справочник технолога общественного питания. М.: Колос, 2000. - 415 с.
|