| 
Министерство науки и образования Республики Казахстан
Технико-экономическая академия кино и телевидения
Кафедра инженерных дисциплин
КУРСОВАЯ РАБОТА
по предмету «Теория электрических цепей»
на тему «Расчет разветвленной электрической цепи
постоянного тока»
Специальность:
380440 “Программное и аппаратное обеспеспечение вычисли-
тельной техники и сетей”
Студент: Бучинский Ю.А.
Группа: ПАОС-03-2у с
Руководитель: Шабанова А.Р.
Защищена с оценкой
Алматы
2003
Содержание.
Введение. 3
1 Теоритическая часть. 4
1.1. Электрический ток. Сила тока. Условия существования тока в цепи. 4
1.2. Электродвижущая сила (ЭДС). Напряжение. 6
1.3. Закон Ома для участка цепи. Омическое сопротивление проводника.
Удельное сопротивление. 7
1.4. Зависимость удельного сопротивления от температуры. 8
Сверхпроводимость.
1.5. Последовательное и параллельное соединение проводников. 10
1.6. Закон Ома для полной цепи. 13
1.7. Источники тока, их соединения. 15
1.8. Измерение тока и разности потенциалов цепи. 18
1.9. Работа и мощность электрического тока. Закон Джоуля-Ленца. 20
1.10. Электрический ток в металлах. 22
1.11. Электрический ток в электролитах. Закон электролиза (закон Фарадея). 23
2 Расчётная часть. 27
2.1Задание на курсовую работу 27
2.2.Составление уравнений по двум законам Кирхгофа. 28
2.3.Определение всех токов и напряжений методом контурных токов. 29
2.4.Метод узловых потенциалов. 31
2.5.Энергетический баланс мощностей. 33
2.6 Построение потенциальных диаграмм для двух замкнутых контуров. 34
Заключение. 36
Список литературы. 37
Введение.
В процессе выполнения курсовой работы мы попытаемся про анализировать схему разветвленной электрической цепи постоянного тока. В полном объёме изучим её работу. А также будем рассматривать, различные методы определения токов, напряжений и узловых потенциалов. Проверим на практике различные законы Ома, законы Кирхгофа, баланса мощностей. Наглядно графическим методом покажем зависимость напряжения от сопротивления путем построения потенциальных диаграмм, для замкнутых контуров.
1 Теоритическая часть.
1.1.
Электрический ток. Сила тока. Условия существования тока в цепи.
Электрическим током называется упорядоченное (направленное) движение заряженных частиц.
Электрический ток возникает при упорядоченном движении свободных электронов, а металлах и полупроводниках или положительных и отрицательных ионов в электролитах. В газах упорядоченно движутся ионы и электроны. За направление тока принимают то направление, в котором упорядоченно движутся положительно заряженные частицы. В металлах направление тока противоположно направлению движения свободных электронов (отрицательно заряженных частиц).
О наличии электрического тока в проводнике можно судить по явлениям, сопровождающим ток, т.е. по его действиям:
1) тепловому — проводник с током нагревается. Например, работа электронагревательных приборов основана на этом действии тока. Но есть вещества, у которых данный эффект отсутствует — сверхпроводники;
2) химическому — изменение химического состава проводника и разделение его на составные части. Это действие наблюдается в электролитах и газах. Например, из раствора медного купороса можно выделить чистую медь. Само явление разложения вещества током называется электролизом;
3) магнитному — вокруг любого проводника с током существует магнитное поле, действующее с некоторой силой на соседние токи или намагниченные тела. Например, вблизи проводника с током магнитная стрелка ориентируется определенным образом.
Магнитное действие тока проявляется всюду, независимо от свойств проводника, и поэтому оно является основным действием электрического тока. Количественной характеристикой электрического тока является сила тока I, которая определяется количеством электричества q, протекающего через поперечное сечение проводника за 1 с.
I=q/D t
Сила тока равна отношению заряда Dq, переносимого через поперечное сечение проводника за интервал времени Dt, к этому интервалу времени. Электрический ток, сила и направление которого не меняется с течением времени, называется постоянным током. В СИ заряды (количество электричества) измеряются в кулонах, а время в секундах, единицей силы тока является ампер (А).
Название единицы силы тока дано в честь французского физика Андре Ампера (1775-1836). Единица тока определяется на основе магнитного взаимодействия токов.
Распределение тока по сечению проводника характеризуется вектором плотности тока i, модуль которого равен:
i
=I/s
Плотность тока определяет ток, приходящийся на единицу площади поперечного сечения проводника. Направление вектора плотности тока совпадает с направлением тока.
Сила тока может быть как положительной, так и отрицательной. Если направление тока совпадает с положительным направлением вдоль проводника, то I > 0. Если ток направлен в противоположную сторону, то I< 0.
Сила тока в металлическом проводнике зависит от заряда, переносимого каждой частицей, концентрации частиц, скорости их направленного движения и площади поперечного сечения проводника:
I=q0*n* v*s
Рассмотрим участок проводника длиной ДL и площадью поперечного сечения S. Положительное направление в проводнике cсовпадает с направлением движения частиц и средней скоростью частиц v, заключенных в объеме, ограниченном сечениями 1 и 2.
В данном объеме
V=Dl*S
Содержится общее число частиц
Рис.1 N=n*v=n*Dl*S,
где п =N/V — концентрация частиц (число частиц в единице
объема). Общий заряд всех частиц:
q=q0*V=q0*n*Dl*S где q0 — заряд каждой частицы. За промежуток времени
Dt=Dl/v
все частицы данного объема пройдут через сечение 2. Сила тока в
проводнике:
I=q/Dt=q0*n*Dl*S/Dt=q0*n*Dl*S/Dl/v=q0*n*v*S
Можно выразить скорость упорядоченного движения электронов в проводнике, учитывая, что заряд электрона e=q0:
V=|I|/e*n*S
Обычно эта скорость мала. Под скоростью электрического тока понимают скорость распространения вдоль проводника электрического поля, под действием которого электроны (или другие носители тока) приходят в упорядоченное движение.
Для возникновения и существования тока в веществе необходимо наличие свободных носителей заряда и электрического поля, действующего на заряды с некоторой силой, под действием которой заряженные частицы приходят в упорядоченное движение.
1.2.
Электродвижущая сила (ЭДС). Напряжение.
Постоянный электрический ток в цепи вызывается стационарным электростатическим полем (кулоновским полем), которое должно поддерживаться источником тока, создающим постоянную разность потенциалов на концах внешней цепи. Поскольку ток в проводнике несет определенную энергию, выделяющуюся, например, в виде некоторого количества теплоты, необходимо непрерывное превращение какой-либо энергии в электрическую. Иначе говоря, помимо кулоновских сил стационарного электростатического поля на заряды должны действовать еще какие-то силы, неэлектростатической природы — сторонние силы.
Любые силы, действующие на электрически заряженные частицы, за исключением сил электростатического происхождения (т.е. кулоновских), называют сторонними силами.
Природа (или происхождение) сторонних сил может быть различной: например, в гальванических элементах и аккумуляторах — это химические силы, в генераторах — это сила Лоренца или силы со стороны вихревого электрического поля.
Внутри источника тока за счет сторонних сил электрические заряды движутся в направлении, противоположном действию сил электростатического поля, т.е. кулоновских сил. Благодаря этому на концах внешней цепи поддерживается постоянная разность потенциалов. Во внешней цепи сторонние силы не действуют.
Работа электрического тока в замкнутой электрической цепи совершается за счет энергии источника, т.е. за счет действия сторонних сил, т.к. электростатическое поле потенциально. Работа этого поля по перемещению заряженных частиц вдоль замкнутой электрической цепи равна нулю.
Количественной характеристикой сторонних сил (источника тока) является электродвижущая сила (ЭДС).
Электродвижущей силой е называется физическая величина, численно равная отношению работыЛд^ сторонних сил по перемещению заряда ^ вдоль цепи к значению этого заряда:
e=Aст/q
Электродвижущая сила выражается в вольтах (1 В = 1 Дж/Кл). ЭДС — это удельная работа сторонних сил на данном участке, т.е. работа по перемещению единичного заряда. Например, ЭДС гальванического элемента равна 4,5В. Это означает, что сторонние силы (химические) совершают работу в 4,5 Дж при перемещении заряда в 1 Кл внутри элемента от одного полюса к другому.
Электродвижущая сила является скалярной величиной, которая может быть как положительной, так и отрицательной. Знак ЭДС зависит от направления тока в цепи и выбора направления обхода цепи .
Сторонние силы не потенциальны (их работа зависит от формы траектории), и поэтому работа сторонних сил не может быть выражена через разность потенциалов между двумя точками. Работа электрического тока по перемещению заряда по проводнику совершается кулоновскими и сторонними силами, поэтому полная работа А равна:
A=Aкул+Aст
Физическая величина, численно равная отношению работы, совершаемой электрическим полем при перемещении положительного
заряда из одной точки в другую, к значению заряда д, называется напряжением V между этими точками:
U=A/q или
U=Aкул/q+Aст/q
Учитывая, что
Aкул/q=ф1-ф2=-Dф
т.е. разности потенциалов между двумя точками стационарного электростатического поля, где ф1и ф2 — потенциалы начальной и конечной точки траектории заряда, а
Aст/q=e имеем:
U= (ф1- ф2)+e
В случае электростатического поля, когда на участке не приложена ЭДС (е = 0), напряжение между двумя точками равно разности потенциалов:
U=ф1- ф2
При разомкнутой электрической цепи (Г = 0) напряжение равно ЭДС источника:
U=е
Единица напряжения в СИ — вольт (В), В = Дж/Кл. Напряжение измеряют вольтметром, который подключается параллельно тем участкам цепи, на которых измеряют напряжение.
1.3.
Закон Ома для участка цепи. Омическое сопротивление проводника.
Удельное сопротивление.
Закон Ома устанавливает зависимость между силой тока в проводнике и разностью потенциалов (напряжением) между двумя точками (сечениями) этого проводника. В 1826 г. немецким физиком Георгом Омом (1787-1854) экспериментально было обнаружено, что отношение разности потенциалов (напряжения) на концах металлического проводника к силе тока есть величина постоянная:
U/I=R=const
Эта величина, зависящая от геометрических и электрических свойств проводника и от температуры, называется омическим (активным) сопротивлением, или просто сопротивлением.
Согласно закону Ома для участка цепи
Сила тока прямо пропорциональна разности потенциалов (напряжению) на концах участка цепи и обратно пропорциональна сопротивлению этого участка:
I=U/R,
где U — напряжение на данном участке цепи, R, — сопротивление данного участка цепи. Произведение силы тока на сопротивление называется иногда падением напряжения:
U=I*R
Сопротивление проводника является его основной электрической характеристикой, определяющей упорядоченное перемещение носителей тока в этом проводнике (или на участке цепи).
Единица омического сопротивления в СИ — ом (Ом). Проводник имеет сопротивление 1 Ом, если при силе тока в нем 1 А разность потенциалов (напряжения) на его концах равна 1 В, т.е. 1 Ом - 1 В/1 А.
Сопротивление К зависит от свойств проводника и от его геометрических размеров:
R=p*l/S,
Где p — удельное сопротивление вещества, I — длина проводника, S — площадь поперечного сечения. Единицей удельного сопротивления в СИ является 1 Ом • м (или 1 Ом • м/м2
).
Удельное сопротивление вещества численно равно сопротивлению однородного цилиндрического проводника, изготовленного из данного материала и имеющего длину 1 м и площадь поперечного сечения 1 м , или численно равно сопротивлению проводника в форме куба с ребром 1 м, если направление тока совпадает с направлением нормали к двум противоположным граням куба.
В зависимости от удельного сопротивления все вещества делятся на проводники (удельное сопротивление мало), диэлектрики (очень большое удельное сопротивление) и полупроводники с промежуточным значением удельного сопротивления.
1.4.
Зависимость удельного сопротивления от температуры.
Сверхпроводимость.
С изменением температуры удельное сопротивление изменяется:
р=p0*(1+at),
гдер 0 — удельное сопротивление проводника при 0°С, ( температура по шкале Цельсия) — удельное сопротивление при температуре ^, а —. температурный коэффициент сопротивления. Этот коэффициент характеризует зависимость сопротивления вещества от температуры.
Температурный коэффициент сопротивления равен относительному изменению сопротивления проводника при нагревании на 1°К. Его можно определить из условия:
R-R0/R=at,
если До — сопротивление проводника при 0°С, К — сопротивление проводника при температуре {.
Сопротивление проводника меняется за счет изменения удельного сопротивления, так как при нагревании геометрические размеры проводника меняются незначительно.
Для всех металлов к > 1 и мало меняется при изменении температуры проводника.
Удельное сопротивление проводника линейно зависит от температуры (рис. 61). У чистых металлов, а =1/273*K-1, для растворов электролитов, а < 0 и с увеличением температуры сопротивление уменьшается. ,
столкновении с ионами электроны теряют скорость направленного движения. Это и приводит
Возрастание удельного сопротивления можно объяснить тем, что с ростом температуры амплитуда колебаний ионов кристаллической решетки металлов увеличивается и возрастает вероятность их столкновения с электронами. Это и приводит к возрастанию удельного сопротивления. Столкновении с ионами электроны теряют скорость направленного движения.
 Рис.2 Зависимость удельного сопротивления от температуры.
 Рис.3 Зависимость удельного сопротивления от температуры для ртути.
Зависимость сопротивления металлов от температуры используется, например, в термометрах сопротивления.
Многие проводники обладают свойством сверхпроводимости, состоящей в том, что их сопротивление скачком падает до нуля при охлаждении ниже определенной критической температуры Т^, характерной для данного материала. Такие вещества получили название сверхпроводники.
Впервые это явление наблюдал в 1911 г. нидерландский физик Гейке Камерлинг-Оннес (1853-1926). Он обнаружил, что ртуть при Т = 4,15°К переходит в новое состояние, названное сверхпроводящим (рис. 62). Позже им было установлено, что электрическое сопротивление ртути восстанавливается при T < Tk в достаточно сильном магнитном поле. Прохождение тока в сверхпроводниках происходит без потерь энергии, поэтому их используют в электромагнитах со сверхпроводящей обмоткой. На основе явления сверхпроводимости иногда работают элементы памяти счетно-вычислительных устройств. Устройство переключающих элементов электронных вычислительных машин иногда основано на принципе разрушения сверхпроводящего состояния магнитным полем.
Ведутся исследования по созданию сверхпроводящих линий электропередачи, но главная трудность здесь в необходимости глубокого охлаждения всей линии для перехода в сверхпроводящее состояние до температуры ниже 20°К.
1.5.
Последовательное и параллельное соединение проводников.
На практике электрические цепи представляют собой совокупность различных проводников, соединенных между собой определенным образом. Наиболее часто встречающимися типами соединений проводников являются последовательное и параллельное соединения.
Последовательное соединение проводников
При таком соединении все проводники включаются в цепь поочередно друг за другом. Примером такого типа соединения проводников может быть соединение ламп в елочной гирлянде:
выход из строя одной лампы размыкает всю цепь.
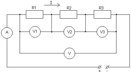
Рассмотрим случай последовательного соединения трех проводников сопротивлениями J^, Д^, Ну подключенных к источнику постоянного тока. Схема такой электрической цепи представлена на рисунке.
Рис. 4
Амперметром А измеряют общую силу тока JT в цепи. Вольтметрами V1, V2, V3 измеряют напряжение на каждом проводнике, а вольтметром V — напряжение на всем участке цепи.
Расчет токов, напряжений и сопротивлений на участке цепи при таком соединении делают с помощью четырех правил.
а) Сила тока одинакова во всех участках цепи:
I1=I2=I3=I=const.
так как в случае постоянного тока через любое сечение проводника за определенный интервал времени проходит один и тот же заряд.
б) Падение напряжения в цепи равно сумме падений напряжений на отдельных участках:
U1+U2+U3=U
Это можно установить из опытов по показаниям вольтметров.
в) Падение напряжения на проводниках прямо пропорционально их сопротивлениям:
U1/U2=R1/R2
Согласно закону Ома для участка цепи и правилу (а):
I=U1/R1;
I2=U2/R2=>U1/R1=U1/R2, откуда
U1/U2=R1/R2
г) Общее сопротивление цепи равно сумме сопротивлений отдельных участков:
R=R1+R2+R3
Воспользуемся законом Ома для участка цепи и правилами (а) и (б):
I=U/R=>U=I*R
Аналогично:
U1=I*R1, U2=I*R2, U3=I*R3
U=U1+U2+U3=I*R1+I*R2+I*R3=I*(R1+R2+R3)=I*R
Откуда получим формулу для общего сопротивления цепи:
R=R1+R2+R3
Параллельное соединение
Например, соединение приборов в наших квартирах, когда выход из строя какого-то прибора не отражается на работе остальных.
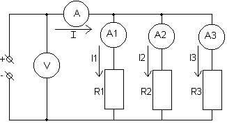
При параллельном соединении трех проводников сопротивлениями R1, R2 и R3 их начала, и концы имеют общие точки подключения к источнику тока. Все вместе параллельно соединенные проводники составляют разветвление, а каждый из них называется ветвью. Схема соединения изображена на рисунке.

Рис.5
Силу тока в каждой ветви измеряют амперметрами A1, A2 и A3. Для расчета токов, напряжений и сопротивлений также пользуются четырьмя правилами:
а) Падение напряжения в параллельно соединенных участках цепи одинаково:
U1=U2=U3=U=const.
так как во всех случаях падение напряжения измеряют между
одними и теми же точками.
б) Сила тока в неразветвленной части цепи равна сумме сил токов, текущих в разветвленных участках цепи:
I1=I2=I3=I
в) Сила тока в разветвленных участках цепи обратно пропорциональна их сопротивлениям:
I1:I2:I3=1/R1:1/R2:1/R3
Воспользуемся законом Ома для участка цепи:
I1=U1/R1=>U1=I1*R1
Аналогично:
U2=I2*R2
U3=I3*R3
Согласно правилу (а):
U1=U2=U3=>I1*R1=I2*R2=I3*R3, откуда
I1:I2:I3=1/R1:1/R2:1/R3
г) Общее сопротивление цепи:
1/R=1/R1+1/R2+1/R3
Согласно закону Ома для участка цепи:
I=U/R
и для каждой ветви:
I1=U1/R1; I2=U2/R2; I3=U3/R3
Используя правила (а) и (б), получим:
I=I1+I2+I3=U/R1+U/R2+U/R3=U*(1/R1+1/R2+1/R3) =U/R,
откуда
1/R=1/R1+1/R2+1/R3
1.6.
Закон Ома для полной цепи.
Рис. 6
Закон Ома для полной (замкнутой) цепи выражает связь между силой тока в цепи, ЭДС и полным сопротивлением.
Рассмотрим полную электрическую Т цепь, состоящую из источника тока с ЭДС е и внутренним сопротивлением r и внешнего сопротивления R. Внутреннее сопротивление — сопротивление источника тока, внешнее сопротивление — сопротивление потребителя электрического тока, например резистора.
Электрический ток совершает работу не только на внешнем, но и на внутреннем участке цепи: нагревается не только резистор, но и сам источник тока.
По закону сохранения энергии работа электрического тока в замкнутой цепи, равная работе сторонних сил источника тока, равна количеству теплоты, выделившейся на внутреннем и внешнем участках цепи:
A=Aст=Q
Поскольку за время Dt через поперечное сечение проводников пройдет заряд. Dq, то работа сторонних сил по перемещению заряда равна:
Aст=e*Dq=eI*Dt
где I=Dq/Dt - сила тока в проводнике. При этом выделившееся
количество теплоты согласно закону Джоуля-Ленца равно:
Q=I2R*Dt+I2r*Dt
Тогда
Aст=eI*Dt=I2R*Dt+I2r*Dt, или
E=I*R+I*r
Здесь произведение IR называется падением напряжения на внешнем участке цепи, Ir — падением напряжения на внутреннем участке цепи.
Таким образом, ЭДС равна сумме падений напряжений на внешнем и внутреннем участках полной (замкнутой) цепи.
Напряжение U (падение напряжений) на внешней цепи:
U=e-Ir
Сумма внешнего и внутреннего сопротивлений есть полное сопротивление цепи: R + r. Закон Ома для полной цепи:
I=e/R+r
Сила тока в полной электрической цепи равна отношению ЭДС цепи к ее полному сопротивлению.
Следствия из закона Ома для полной цепи
1. Если внутреннее сопротивление источника тока r мало по сравнению с внешним сопротивлением R, то оно не оказывает заметного влияния на силу тока в цепи. При этом напряжение на зажимах источника приблизительно равно ЭДС:
U=IR=е
2. Когда внешнее сопротивление цепи стремится к нулю (R -> 0) — при коротком замыкании, сила тока в цепи определяется внутренним сопротивлением источника и принимает максимальное значение:
Imax=e/r
3. При разомкнутой цепи, когда R-> оо (сопротивление внешнего участка цепи бесконечно велико) I = 0, напряжение источника тока равно его ЭДС. или ЭДС источника измеряется разностью потенциалов на его клеммах:
e=U=ф2-ф1
Знак ЭДС и напряжение на участке цепи могут быть положительными и отрицательными. Значение ЭДС считается положительным, если она повышает потенциал в направлении тока — ток внутри источника идет от отрицательного полюса к положительному полюсу источника. Напряжение принимается положительным, если ток внутри источника идет в направлении понижения потенциала (от положительного полюса источника к отрицательному полюсу).
1.7.
Источники тока, их соединения.
На практике несколько источников электрической энергии соединяются в группу — батарею источников электрической энергии. Соединение в батарею может быть последовательное, параллельное и смешанное.
 При последовательном соединении положительный полюс предыдущего источника соединяется с отрицательным полюсом последующего.
Полная ЭДС цепи равна алгебраической сумме ЭДС отдельных элементов, а внутреннее сопротивление батареи равно сумме сопротивлений источников:
Рис.7
e=Si
=1
ei
,
r=Si
=
1ri
,
Объяснить это можно тем, что при последовательном соединении электрический заряд поочередно проходит через источник электрической энергии и в каждом из них приобретает энергию. Внутреннее сопротивление батареи также увеличивается.
При последовательном соединении одинаковых источников с ЭДС е и внутренним сопротивлением г ЭДС батареи и ее внутреннее сопротивление равны.
eб
=e*n,
Rб
=R*n
где п — число источников.
Закон Ома для полной цепи при последовательном соединении одинаковых источников тока записывается в виде;
I=(e*n)/(R+r*n)
где e и r — ЭДС и внутреннее сопротивление одного источника, R — сопротивление внешнего участка цепи, I — сила тока в цепи.

Рис.8
Например, полная цепь содержит несколько источников тока, ЭДС которых равны E1,E2,E3 а внутренние сопротивления—r1,r2,r3, соответственно. ЭДС, действующая в цепи, равна:
eб
=e1
-e2
+e3
-e4
Сопротивление батареи равно:
r,, = r, + r, + r, + г.
При этом учитываем, что положительными являются те ЭДС, которые повышают потенциал в направлении обхода цепи, т.е. направление обхода цепи совпадает с переходом внутри источника от отрицательного полюса источника к положительному.
Последовательное соединение источников тока применяется в тех случаях, когда нужно повысить напряжение на внешней цепи, причем сопротивление внешней цепи велико по сравнению с внутренним сопротивлением одного источника.
Рис. 9
При параллельном соединении источников все их положительные
полюсы присоединены к одному проводнику, а отрицательные—к другому.
Полная ЭДС цепи (всей батареи равна ЭДС одного источника: eб
= e,а внутреннее сопротивление батареи равно:
Rб
=r/n
где п — число параллельно соединенных источников.
При параллельном соединении ток одного источника электрической энергии уже не проходит через другие, и поэтому каждый заряд получает энергию только в одном источнике. Сопротивление батареи меньше сопротивления одного источника, так как через каждый источник электрической энергии проходит только часть зарядов, перемещающихся во внешней цепи.
Закон Ома для полной цепи при параллельном соединении одинаковых источников тока записывается в виде:
I=e/(R+r/n)
Если заменить один источник тока батареей параллельно соединенных источников, то ток в цепи возрастает.
Параллельное соединение источников тока применяется в тех случаях, когда нужно усилить ток во внешней цепи, не изменяя напряжения, причем сопротивление внешней цепи мало по сравнению с сопротивлением одного источника.
Если ЭДС источников различны, то для источников тока напряжений и ЭДС в различных участках цепи удобно пользоваться правилами Кирхгофа, сформулированными в 1847 г. немецким Физиком Густавом Робертом Кирхгофом (1824-1887).
1. Первое правило (правило узлов).
Алгебраическая сумма сил токов, сходящихся в любом узле, равна нулю:
SIi
=0
i= 1
где п — число проводников, сходящихся в узле. Узлом в разветвленной цепи называется точка, в которой сходится не менее трех проводников. Токи, текущие к узлу, считаются положительными, а токи, текущие от узла, отрицательными.
Рис. 10
Узел токов. I1+I2+I4=I3+I5 или I1+I2-I3+I4-I5=0.
2 Второе правило (правило контуров).
В любом замкнутом контуре, выделенном в разветвленной электрической цепи, алгебраическая сумма произведений сил токов /; на соответствующее сопротивление ri равна алгебраической сумме всех электродвижущих сил, в этом контуре:
Si=1
Ii
Ri
=Sk=1
ek
Токи считаются положительными, если они совпадают с условно выбранным направлением обхода контура. ЭДС считается
Рис. 11
положительной, если она повышает потенциал в направлении
Контур, выделенный из разветвленной цепи.
обхода контура (т.е. направление обхода совпадает с переходом от отрицательного полюса к положительному). Направление обхода контура выбирается по часовой стрелке или против часовой стрелки рис .
I1R1+I2R2-I3R3=e1
+e2
-e3
1.8.
Измерение тока и разности потенциалов цепи
Силу электрического тока в цепи измеряют амперметром (от «ампер» и греческого metreo — измеряю), который включается в цепь последовательно по отношению к тому участку, в котором измеряется ток.

Рис.12
Так как сам амперметр обладает сопротивлением Лд, то при его включении сопротивление всей цепи возрастает, а ток в ней уменьшается при неизменном напряжении в соответствии с законом Ома. Чем меньше сопротивление амперметра, тем меньше изменяется ток в цепи при включении в нее амперметра и тем точнее его показания. Следовательно, сопротивление амперметра должно быть очень малым. Амперметр нельзя подключать к сети без нагрузки, т.к. произойдет короткое замыкание.
Любой амперметр рассчитан на измерение сил токов до некоторого rмаксимального значения 1д, т.е. имеет верхний предел измерений. В соответствии с этим различают микро -, милли-, кило - и наноампер-метры. Для измерения токов, больших, чем те, на которые рассчитан амперметр, параллельно ему включается резистор Лщ, называемый шунтом.
Рис.13
Сопротивление шунта в несколько раз меньше, чем собственное сопротивление амперметра Дд, поэтому большая часть измеряемой силы тока I пройдет через шунт. Через амперметр должен идти ток, не превышающий Jg, причем эта сила тока меньше измеряемой силы тока I в п раз.
Следовательно, цена деления прибора (нижний предел измерений) возрастет в га раз, а его чувствительность уменьшится в п раз.
Нужное сопротивление шунта к амперметру можно рассчитать, применяя правила параллельного соединения проводников. При параллельном соединении напряжение на шунте [7щ и амперметре 1/д одинаково 17щ -= Уд.
 Рис.14
Прибор для измерения разности потенциалов (напряжения) между любыми двумя точками проводника R с током называется вольтметром (от «вольт» и греческого metreo — измеряю). Вольтметр включается в цепь параллельно тому участку цепи, на котором измеряется напряжение.
Вольтметр обладает сопротивлением Ry После его включения в цепь сопротивление всей цепи уменьшается, а ток в ней увеличивается. Следовательно, сопротивление вольтметра должно быть достаточно большим по сравнению с сопротивлением участка цепи, на котором измеряется напряжение. При этом ток в вольтметре будет мал и не внесет заметных искажений в измеряемое напряжение. Вольтметр можно включать в сеть, если он рассчитан на напряжение, превышающее напряжение сети.
Любой вольтметр рассчитан на предельное напряжение U"„. Для расширения пределов измерения напряжений вольтметра пользуются добавочными сопротивлениями, которые присоединяют последовательно вольтметру. Величину добавочного сопротивления -Кд, необходимого для измерения напряжений в п раз больших, чем те, на которые рассчитан прибор, найдем согласно правилам последовательного соединения проводников. Измеряемое напряжение U = Uy • п равно также сумме напряжений, приходящихся на вольтметр (UВ
= U /nи на добавочное сопротивление U д:

Рис.15
U-U.+U,
Цена деления вольтметра и его пределы измерения увеличиваются в га раз, при этом его чувствительность уменьшается во столько же раз.
При последовательном соединении в вольтметре и добавочном сопротивлении устанавливается один и тот же ток
1=1в
=1д,.
1.9 Работа и мощность электрического тока. Закон Джоуля-Ленца.
Работу сил электрического поля, создающего упорядоченное движение заряженных частиц в проводнике, т.е. электрический ток, называют работой тока.
Работа, совершаемая электрическим полем по перемещению заряда q на участке цепи, равна:
и3
A=q•U=I•U•t=I2
*R•t= U2
/R*t
где I — сила тока на данном участке, U — напряжение на участке цепи, t — время прохождения тока по участку цепи, q == It — электрический заряд (количество электричества), протекающий через поперечное сечение проводника за промежуток времени t. Единицей измерения работы служит джоуль: 1 Дж = 1 А* 1 В* 1 с. 1 Дж есть работа постоянного тока силой в 1 А в течение 1 с на участке напряжением в 1 В.
По закону сохранения энергии эта работа равна изменению энергии проводника.
Мощность электрического тока при прохождении его по проводнику с сопротивлением R равна работе, совершаемой током за единицу времени:
P=A/t=I*U=U2
*R
Единицей измерения мощности электрического тока в СИ служит ватт: 1 Вт = 1 Дж/с. Работу тока можно также определить следующим образом:
A=P*t
Единицей измерения работы также является киловатт-час (кВт • ч) или ватт-час (Вт • ч):
1Вт*ч=3.6*102
Дж
В этих единицах работу обычно выражают в электротехнике. Полную мощность, развиваемую источником тока с ЭДС и внутренним сопротивлением г, когда во внешней цепи включена нагрузка с сопротивлением R, определяют по формуле:
P=I(R+r) =IR+Ir=I*I*(R+r) =Ie
Полная мощность идет на выделение тепла во внешнем и внутреннем сопротивлении.
Полезная мощность (мощность, выделяемая во внешнем сопротивлении) равна:
Pполез
=I2
R=e2
R/(R+r)2
Она используется в электронагревательных и осветительных приборах.
Теряемая мощность (мощность, выделяемая во внутреннем сопротивлении) равна:
Pтер
=I2
r=e2
r/(R+r)2
Она не используется.
Мощность тока во всей внешней цепи при любом соединении равна сумме мощностей на отдельных участках цепи.
Работа электрического поля приводит к нагреванию проводника, если на участке цепи под действием электрического поля не совершается механическая работа и не происходят химические превращения веществ. Поэтому энергия (количество теплоты), выделяемая на данном участке цепи за время t, равна работе электрического тока:
Q=A
Количество теплоты, выделяющееся проводником при нагревании его током, определяют по закону Джоуля-Ленца:
Q = I2
Rt или
Q=I *U * t
Этот закон был установлен экспериментально английским ученым Джеймсом Джоулем (1818-1889) и русским ученым Эмилием Христиановичем Ленцем (1804—1865) и сформулирован следующим образом.
Количество теплоты, выделяемое проводником с током, равно произведению квадрата силы тока, сопротивления проводника и времени прохождения тока по проводнику.
При последовательном соединении проводников с сопротивлением R1 и R2 количество теплоты, выделенное током в каждом проводнике, прямо пропорционально сопротивлению этих проводников:
Q1
/Q2
=R1
/R2
, т.к. I1
= I2
при последовательном соединении
Количество теплоты, выделенное током в параллельно соединенных двух участках цепи без ЭДС с сопротивлениями 2^ и И^, обратно пропорционально сопротивлению этих участков:
Q1
/Q2
=R1
/R2
, т.к. U1
= U2
при параллельном соединении
1.10.
Электрический ток в металлах.
Прохождение тока через металлы (проводники I рода) не сопровождается химическим изменением, следовательно, атомы металла не перемещаются вместе с током. Согласно представлениям электронной теории, положительно заряженные ионы (или атомы) составляют остов металла, образуя его кристаллическую решетку. Электроны, отделившиеся от атомов и блуждающие по металлу, являются носителями свободного заряда. Они участвуют в хаотическом тепловом движении. Эти свободные электроны под действием электрического поля начинают перемещаться упорядоченно с некоторой средней скоростью. Таким образом, проводимость металлов обусловлена движением свободных электронов. Экспериментальным доказательством этих представлений явились опыты, выполненные впервые в 1912 г. советским академиком Леонидом Исааковичем Мандельштамом (1879-1944) и Николаем Дмитриевичем Папалекси (1880-1947), но не опубликованные ими. Позже в 1916 г. американские физики Т.Стюарт и Ричард Чейс Толлин (1881-1948) опубликовали результаты своих опытов, оказавшихся аналогичными опытам советских ученых.
Концы проволоки, намотанной на катушку, припаивают к двум изолированным друг от Друга металлическим дискам. При помощи скользящих контактов (щеток) к концам дисков присоединяют гальванометр.
Катушку приводят во вращение, а затем резко останавливают. Если предположить, что в металле есть свободные заряды, то после резкой остановки катушки свободные заряженные частицы будут двигаться некоторое время относительно проводника по инерции. Следовательно, в катушке возникнет электрический ток, который из-за сопротивления проводника будет длиться небольшое время. Направление этого тока позволит судить о знаке тех частиц, которые двигались по инерции. Так как возникающий ток зависит от величины и массы зарядов, то этот опыт позволяет не только предположить существование в металле свободных зарядов, но и определить знак зарядов, их массу и величину (точнее, определить удельный заряд — отношение заряда к массе).
Опыт показал, что после остановки катушки в гальванометре возникает кратковременный электрический ток. Направление этого тока говорит о том, что по инерции движутся отрицательно заряженные частицы. Измерив величину заряда, переносимого этим кратковременным током через гальванометр, удалось определить отношение величины свободных зарядов к их массе. Оно оказалось равным е/т = 1,8 • 1011
Кл/кг, что совпадает со значением такого отношения для электрона, найденным ранее другими способами.
Итак, опыт показывает, что в металлах имеются свободные электроны, упорядоченное движение которых создает в металлах электрический ток.
Под влиянием постоянной силы со стороны электрического поля электроны в металле приобретают определенную скорость упорядоченного движения, которая является постоянной. Упорядоченное движение электронов в металле можно рассматривать как равномерное движение, т.к. со стороны ионов кристаллической решетки на них действует некоторая тормозящая сила — при столкновениях с ионами свободные электроны передают им кинетическую энергию, приобретенную при свободном пробеге под действием электрического поля. Следовательно, средняя скорость упорядоченного движения электронов пропорциональна напряженности электрического поля в проводнике v см Е. Учитывая связь напряженности и разности потенциалов на концах проводника (Е = U/d), можно сказать, что скорость движения электронов пропорциональна разности потенциалов на концах проводника v ~ U.
От скорости упорядоченного движения частиц зависит сила тока в проводнике: I = q0
nv S, поэтому сила тока пропорциональна разности потенциалов на концах проводника I ~ U, что дает качественное объяснение закона Ома на основе электронной теории проводимости металлов.
Нагревание проводника при прохождении по нему постоянного тока можно объяснить тем, что кинетическая энергия электронов передается при столкновении ионов кристаллической решетки.
Количественную теорию движения электронов в металле можно построить на основе законов квантовой механики, классическая механика Ньютона неприменима для описания этого движения.
1.11.
Электрический ток в электролитах. Закон электролиза
(закон Фарадея).
Растворы, проводящие электрический ток, называются электролитами. Ток в электролите обусловлен движением положительных и отрицательных ионов, т.е. осуществляется ионной
проводимостью.
Электролитами являются растворы кислот, щелочей и солей, а также расплавленные соли. Электролиты иначе называют проводниками II рода (проводники с ионной проводимостью). Прохождение тока в электролитах связано с переносом вещества.
Ионами называют атомы или молекулы, потерявшие или присоединившие к себе один или несколько электронов. Положительно заряженные ионы называют иначе катионами (ионы металлов в растворах солей, водорода в растворе кислот), а отрицательно заряженные — анионами (ионы кислотных остатков и гидроксильной группы ОН~).
Пластины, создающие электрическое поле в электролите, называют электродами. Электрод, который соединен с положительным полюсом источника тока, называется анодом, а электрод, соединенный с отрицательным полюсом, — катодом. Возникновение ионов в электролитах объясняется процессом электролитической диссоциации — распадом молекул растворенного вещества на положительные и отрицательные ионы под действием растворителя. Молекулы растворяемых веществ состоят из взаимосвязанных ионов противоположного знака, которые удерживаются друг около друга электрическими силами притяжения.
Взаимодействие этих молекул с полярными молекулами растворителя — воды — приводит к уменьшению силы взаимодействия притяжения ионов в молекулах (диэлектрическая проницаемость воды равна 81). При хаотическом тепловом движении молекул растворенных веществ и растворителей происходят их столкновения, которые приводят к распаду молекул на отдельные разноименно заряженные ионы.
Степенью диссоциации, а называют долю молекул растворенного вещества, распадающихся на ионы, т.е. это отношение числа молекул п, диссоциировавших на ионы, к общему числу молекул растворенного вещества N
Степень диссоциации зависит от температуры, диэлектрической проницаемости растворителя и концентрации электролита. При повышении температуры степень диссоциации возрастает, т.к. тепловое движение способствует разрыву молекул на ионы и, следовательно, концентрация ионов увеличивается. Чем больше диэлектрическая проницаемость £ растворителя, тем выше степень диссоциации, поскольку сила взаимодействия ионов в молекуле электролита в растворе уменьшена b£ раз.
Ионы разных знаков могут объединяться (рекомбинировать) в нейтральные молекулы при тепловом хаотическом движении ионов в растворе. В результате в растворе при неизменных условиях устанавливается динамическое равновесие между процессами электролитической диссоциации и рекомбинации ионов, при котором число молекул, распадающихся на ионы в единицу времени, равно числу пар ионов, которые за это время воссоединяются в нейтральные молекулы- Ионы в электролитах движутся хаотически до тех пор, пока в жидкость не опускаются электроды. Тогда на хаотическое движение ионов накладывается их упорядоченное движение к соответствующим электродам. В жидкости при этом возникает электрический ток.
Прохождение тока через электролит сопровождается выделением на электродах составных частей растворенного вещества — электролизом. Положительно заряженные ионы (катионы) движутся к катоду и приобретают на этом электроде недостающие электроны. Отрицательно заряженные ионы (анионы) отдают аноду лишние электроны. Таким образом, на аноде происходит реакция окисления, а на катоде — восстановления.
Электролизом называют процесс выделения на электродах веществ, связанный с окислительно-восстановительными реакциями.
Количественные характеристики электролиза определяются законами электролиза (законами Фарадея).
Первый закон электролиза (первый закон Фарадея)
Масса вещества, выделившегося на электроде за время Д? при прохождении электрического тока, пропорциональна силе тока и времени.
Коэффициент пропорциональности k называется электрохимическим эквивалентом вещества. Он численно равен массе
вещества, которые выделяется при переносе ионами через электролит единичного заряда. Единица измерения электрохимического эквивалента k = [кг/Кл].
Второй закон электролиза (второй закон Фарадея) устанавливает пропорциональность между электрохимическим и химическим эквивалентом вещества:
k =1/eNa
* m / n
где/; — молярная масса вещества, п — валентность, Na
— число Авогадро, e— заряд электрона, m / n — химический эквивалент (или грамм-эквивалент) вещества.
Произведение заряда электрона на постоянную Авогадро носит название постоянной (числа) Фарадея:
F=e Na
Законы Фарадея можно объединить выражением:
т. = 1/F * m / n IDt
Это выражение называют объединенным законом электролиза Фарадея.
Постоянная Фарадея численно равна электрическому заряду, который нужно пропустить через электролит для выделения на электроде массы любого вещества, равной в килограммах отношению молярной массы вещества к валентности. Значение числа Фарадея в СИ:
F = 96485 Кл/моль
Электрический заряд q любого иона согласно объединенному закону Фарадея равен:
q= +- nF/ Na
Заряд одновалентного иона (л = 1) равен по абсолютному значению заряду электрона:
q=e=1,602*10-19
Kл
Таким образом, любой электрический заряд является кратным элементарному заряду — заряду электрона е.
Электролиз широко применяется в различных электрохимических производствах. Например, это электролитическое получение металлов из водных растворов их солей и из расплавленных солей; гальваностегия, гальванопластика, электрополировка. Электролитическое получение металлов из водных растворов их солей может быть осуществлено рафинированием или электроэкстракцией.
Рафинирование представляет собой очищение металла от небольшого количества примесей путем электролиза с активным анодом (в качестве анодов в электролитическую ванну помещают металл с примесями), электролитом служит раствор соли очищаемого металла. При электролизе такой анод растворяется, примеси оседают на дно, а на катоде выделяется чистый металл. Рафинированием получают чистые медь, серебро и золото.
Электроэкстракцией называется извлечение металла из электролита при неактивном аноде. Электролитом служит водный раствор соли металла, выделяющегося на катоде, а на аноде выделяются кислород или хлор. Таким способом получают чистые цинк и никель.
Электролиз расплавленных солей проводится с помощью неактивных (угольных) электродов и при высокой температуре, применяется при добывании металлов, реагирующих с водой и поэтому не выделяющихся из водных растворов. Таким путем добывают магний, алюминий, бериллий, литий, калий, кальций и другие металлы.
Гальваностегией называется покрытие металлических предметов слоем другого металла с помощью электролиза на активном аноде. Таким путем пользуются для покрытия предметов не окисляющимся на воздухе металлом, чтобы предохранить их от коррозии. Например, при никелировании, хромировании и т.д. Гальваностегией также пользуются для изготовления украшений (серебрение и золочение).
Гальванопластикой называется получение металлических копий с рельефных изображений на каких-либо поверхностях путем электролиза при активном катоде. Гальванопластика имеет большое значение, например, для изготовления клише, применяемых в литографии.
Электрополировка заключается в выравнивании металлической поверхности с помощью электролиза. В электролитическую ванну в качестве анода опускается предмет, поверхность которого должна быть отполирована. При электролизе в раствор уходит больше всего вещества с выступающих неровностей на поверхности анода, т.е. происходит его полировка.
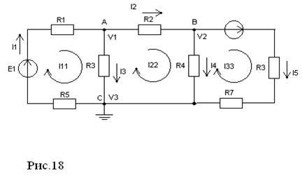
2 Расчётная часть
2.1Задание на курсовую работу
Расчет разветвлённой электрической цепи постоянного тока.
Для заданной электрической цепи необходимо:
1) Записать систему уравнений по законам Кирхгофа (без расчетов);
2) Определить все токи и напряжения методами контурных токов и узловых потенциалов;
3) Проверить результаты расчетов по уравнениям баланса мощностей;
4) Построить потенциальные диаграммы для двух замкнутых контуров.
ЭДС=E1=E2=50 В
Резисторы R1=12 Ом
R2=24 Ом
R3=15 Ом
R4=18 Ом
R5=30 Ом
R6=30 Ом
R7=30 Ом
2.2 Составление уравнений по двум законам Кирхгофа.
 Записываем уравнения по первому закону Кирхгофа для любых двух узлов:
Узел А: I1+I2+I3=0
Узел B: I3+I4+I5=0
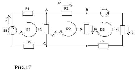
1) Выбираем независимые контуры и направления их обходов.
3) Записываем уравнения по второму закону Кирхгофа для выбранных независимых контуров.
I1*(R1+R6)-I2*R3=E1
I3*R2+I2*R3-I4*R4=0
I4*R4-I5*R7-I5*R5=E2
4) Подставим численное значение:
I1+I2-I3=0
I3+I4+I5=0
I1*(12+30)-I2*15=50
I3*24+I2*15-I4*18=0
I4*18-I5*30-I5*30=50
2.3 Определение всех токов и напряжений методами контурных
токов.
1) Выбираем независимые контуры:
R6,E1,R1,R6;
R3,R2,R4;
R4,E2,R5,R7;
2) Полагаем, что в каждом контуре течет свой контурный ток: I11,I22,I33.
3) Произвольно выбираем их направления.
4) Записываем уравнения по второму закону Кирхгофа относительно контурных токов, для выбранных независимых контуров:
I11(R1+R3+R6)-I22*R3=E1
I22(R2+R3+R4)-I11*R3-I33*R4=0
I33(R4+R5+R7)-I22*R4=E2
Подставим численные значения:
I11*57-I22*15+0=50
-I11*15+I22*57-I33*18=0
0-I22*18+I33*78=50
5) Решаем полученную систему уравнений через определители:
Главный определитель:
|57 -15 0|
D= |-15 57 -18| = 253422+0+0-0-17550-18468=217404
|0 -18 78|
Вспомогательный определитель 1:
|50 -15 0|
D1= |0 57 -32| = 222300+0+13500-0-0-16200=219600
|50 -18 78|
Вспомогательный определитель 2:
|57 50 0| D2= |-15 0 -18| = 0+0+0-0-(-58500)-(-51300)=109800
|0 50 78|
Вспомогательный определитель 3:
|57 15 50| D3= |-15 57 0| = 162450+13500+0-0-11250-0=164700
|0 -18 50|
I11=D1/D=219600/217404=1.01(A)
I22=D2/D=109800/217404=0.505 (A)
I33=D3/D=-164700/217404=0.757 (A)
I1=I11=1.01 (A)
I2=I22=-0.505 (A)
I3=I11-I22=1.01-0.505=0.505 (A)
I4=I22-I33=0.505-0.757=-0.252 (A)
I5=I33=0.757 (A)
6)Энергетический баланс мощностей
На основании закона сохранения энергии количество теплоты выделяющиеся в единицу времени на резисторах должно равняться
энергии доставляемой за это же время источниками энергии.
SIE=SI2
R
E1*I1+E2*I5=I12
*(R1+R5)+I22*
R2+I32
*R3+I42
*R4+I52
*(R5+R7)
50.5+37.5=32.64+6.120+3.825+0.068+34.382
88.35=77.055 (Вт)
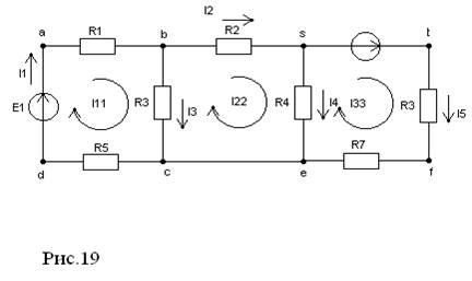
2.4 Метод узловых потенциалов
.
1) Выбираем базисный узел (целесообразно за базисный принимать тот узел, в котором пересекается больше всего ветвей): V3=0
2) Задаемся положительными направлениями узловых потенциалов от базисного узла.
3) Записываем собственные и взаимные проводимости узлов, исключая базисный:
g11=0.0238+0.0416+0.0666=0.132 (Сим)
g22=0.0416+0.0555+0.0166=0.1137 (Сим)
g12=0.0416 (Сим)
4) Введем узловые токи для всех узлов, исключая базисный:
I11,I22
I11=1.1904 (A)
I22= -0.8333 (A)
Узловой ток равен алгебраической сумме токов от действия ЭДС ветвей пересекающихся в данном узле.
Если ЭДС направлено к узлу, то ЭДС записываем со знаком «+», в противном случае «-».
5) Записываем систему уравнений:
V1*g11-V2*g12=I11
V2*g22+V1*g21=I22
g12=g21=0.0416 (Сим)
V1*0.132+V2*(-0.0416)=1.1904
V2*0.1137+V1*(-0.0416)= -0,8333
V1*0.132-V2*0.0416=1.1904
-V1*(-0.0416)+V1*0.132= -0.8333
|0.132 -0.0416|
D= |-0.0416 0.132| = 0.0174-0.0174=0.0157
|1.1904 -0.0416|
D1= |-0.8333 0.132| = 0.1571+0.0346=0.1225
|0.132 1.1904|
D2= |-0.0416 -0.8333| = (-0.1099)-(-0.0495)= -0.0604
V1=D1/D= 0.125/0.0157= 7.8025
V2=D2/D= -0.0604/0.0157= -3.8471
I1=(V3-V1+E1)/(R1+R6)=42.1975/42=1.0047 (A)
I2=(V1-V2)/R2=11.6496/24=0.4854 (A)
I3=(V3-V1)/R3= -7.8025/15= -0.5201 (A)
I4=(V3-V2)/R4= 0.2137 (A)
I5=(V3-V2+E2)/(R5+R7)= 53.8471/60=0.8974 (A)
2.5 Энергетический баланс мощностей
На основании закона сохранения энергии количество теплоты выделяющиеся в единицу времени на резисторах должно равняться энергии доставляемой за это же время источниками энергии.
SIE=SI2
R
Энергетический баланс мощностей методом контурных токов:
E1*I1+E2*I5=I12
*(R1+R5)+I22*
R2+I32
*R3+I42
*R4+I52
*(R5+R7)
50.5+37.5=32.64+6.120+3.825+0.068+34.382
88.35=77.055 (Вт)
Энергетический баланс мощностей методом узловых потенциалов:
E1*I1+E2*I5=I12
*(R1+R5)+I22*
R2+I32
*R3+I42
*R4+I52
*(R5+R7)
50.235+44.87=42.3948+5.6547+4.0575+0.8208+48.318
95.105=101.245 (Вт)
2.6 Построение потенциальных диаграмм для двух замкнутых контуров.
Va=0 Vb=Va-I1*R1= -12.05 B (12;-12.0564)
R=12 (Ом)
Vc=Vb-I3*R3= -19.8579 C (27;-19.8579)
R=R+15 (Ом)
Vd=Vc-I1*R6= -50.02 D (57;-50.02)
R=R+30 (Ом)
Va=Vd+E1= 0 A (57;0)
R=57 (Ом)

Рис. 20
Vt=0
Vf=Vt+I5*R5= 22.71 F(30;22.71)
R=30 (Ом)
Ve=Vf+I5*R7= 45.42 E(60;45.42)
R=R+30 (Ом)
Vs=Ve-I4*R4= 40.884 S(78;40)
R=R+18 (Ом)
Vt=Vs-E2= 10 T(78;10)
R=78 (Ом)

Рис. 21
Заключение.
В процессе выполненных заданий я проанализировал схему разветвленной электрической цепи постоянного тока, в полном объёме изучил её работу, различные методы определения токов и напряжений, узловых потенциалов, проверил на практике различные законы Ома, законы Кирхгофа, баланс мощностей. Наглядно графическим методом показал зависимость напряжения от сопротивления.
Список литературы.
Дятлаф А.А. Яворский Б.М. Курс физики//Высшая школа . 2000г.
Башин М. Л. Теория электрических цепей // Электротехника. 2001г.
Кринина М. Физика для высшеё школы // Физфакультет. 2000г.
Савельев И.Р. Курс общей физики // Москва 2000г.
Шабанова А.Р. Лекции // 2003г.
|