Банк рефератов содержит более 364 тысяч рефератов, курсовых и дипломных работ, шпаргалок и докладов по различным дисциплинам: истории, психологии, экономике, менеджменту, философии, праву, экологии. А также изложения, сочинения по литературе, отчеты по практике, топики по английскому.
Полнотекстовый поиск
Всего работ:
364139
Теги названий
Разделы
Авиация и космонавтика (304)
Административное право (123)
Арбитражный процесс (23)
Архитектура (113)
Астрология (4)
Астрономия (4814)
Банковское дело (5227)
Безопасность жизнедеятельности (2616)
Биографии (3423)
Биология (4214)
Биология и химия (1518)
Биржевое дело (68)
Ботаника и сельское хоз-во (2836)
Бухгалтерский учет и аудит (8269)
Валютные отношения (50)
Ветеринария (50)
Военная кафедра (762)
ГДЗ (2)
География (5275)
Геодезия (30)
Геология (1222)
Геополитика (43)
Государство и право (20403)
Гражданское право и процесс (465)
Делопроизводство (19)
Деньги и кредит (108)
ЕГЭ (173)
Естествознание (96)
Журналистика (899)
ЗНО (54)
Зоология (34)
Издательское дело и полиграфия (476)
Инвестиции (106)
Иностранный язык (62791)
Информатика (3562)
Информатика, программирование (6444)
Исторические личности (2165)
История (21319)
История техники (766)
Кибернетика (64)
Коммуникации и связь (3145)
Компьютерные науки (60)
Косметология (17)
Краеведение и этнография (588)
Краткое содержание произведений (1000)
Криминалистика (106)
Криминология (48)
Криптология (3)
Кулинария (1167)
Культура и искусство (8485)
Культурология (537)
Литература : зарубежная (2044)
Литература и русский язык (11657)
Логика (532)
Логистика (21)
Маркетинг (7985)
Математика (3721)
Медицина, здоровье (10549)
Медицинские науки (88)
Международное публичное право (58)
Международное частное право (36)
Международные отношения (2257)
Менеджмент (12491)
Металлургия (91)
Москвоведение (797)
Музыка (1338)
Муниципальное право (24)
Налоги, налогообложение (214)
Наука и техника (1141)
Начертательная геометрия (3)
Оккультизм и уфология (8)
Остальные рефераты (21692)
Педагогика (7850)
Политология (3801)
Право (682)
Право, юриспруденция (2881)
Предпринимательство (475)
Прикладные науки (1)
Промышленность, производство (7100)
Психология (8692)
психология, педагогика (4121)
Радиоэлектроника (443)
Реклама (952)
Религия и мифология (2967)
Риторика (23)
Сексология (748)
Социология (4876)
Статистика (95)
Страхование (107)
Строительные науки (7)
Строительство (2004)
Схемотехника (15)
Таможенная система (663)
Теория государства и права (240)
Теория организации (39)
Теплотехника (25)
Технология (624)
Товароведение (16)
Транспорт (2652)
Трудовое право (136)
Туризм (90)
Уголовное право и процесс (406)
Управление (95)
Управленческие науки (24)
Физика (3462)
Физкультура и спорт (4482)
Философия (7216)
Финансовые науки (4592)
Финансы (5386)
Фотография (3)
Химия (2244)
Хозяйственное право (23)
Цифровые устройства (29)
Экологическое право (35)
Экология (4517)
Экономика (20644)
Экономико-математическое моделирование (666)
Экономическая география (119)
Экономическая теория (2573)
Этика (889)
Юриспруденция (288)
Языковедение (148)
Языкознание, филология (1140)

Реферат: Курсовая работа

Название: Курсовая работа
Раздел: Рефераты по физике
Тип: реферат Добавлен 16:47:46 18 июня 2005 Похожие работы
Просмотров: 263 Комментариев: 16 Оценило: 4 человек Средний балл: 5 Оценка: неизвестно     Скачать

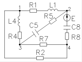
Исследование сложной электрической цепи постоянного тока методом узловых потенциалов.

R1=130 Ом

R2=150 Ом

R3=180 Oм

R4=110 Oм

R5=220 Oм

R6=75 Oм

R7=150 Oм

R8=75 Oм

R9=180 Oм

R10=220 Oм

E1=20 В

E4=5.6 В

E6=12 В

1. Расчет узловых потенциалов.

Заземляем 0й узел, и относительно него рассчитываем потенциалы остальных узлов.

Запишем матрицу проводимостей для этой цепи:

Y=

После подстановки значений:

Y=


Составляем матрицу узловых токов:

I=

По методу узловых потенциалов мы имеем уравнение в матричном виде:

Y – матрица проводимостей;

U – матрица узловых потенциалов;

I – матрица узловых токов.

Из этого уравнения выражаем U:

Y-1 – обратная матрица;

Решаем это уравнение, используя математическую среду Matlab: U=inv(Y)*I

inv(Y) – функция ищущая обратную матрицу.

U=

Зная узловые потенциалы, найдем токи в ветвях:

i1 == -0.0768; i2 == -0.0150; i3 == -0.0430;

i4 == -0.0167; i5 == -0.0454; i6 == 0.0569;

i7 == 4.2281´10- 5 ; i8 == 0.0340; i9 == -0.0288;

i10 == 0.0116

2. Проверка законов Кирхгофа.

Первый закон

для 0го узла : i4 +i2 -i5 -i1 =0

для 1го узла : i2 +i6 -i3 -i9 =0

для 2го узла : i3 +i7 -i8 -i1 =0

для 3го узла : i10 -i7 -i6 -i5 =0

для 4го узла : i8 +i4 +i9 -i10 =0

Второй закон

1й контур : i1 R1+i2 R2+i3 R3=E1 Þ 20=20

2й контур : i2 R2-i6 R6+i5 R5=-E6 Þ -12=-12

3й контур : i4 R4-i8 R8-i3 R3-i2 R2=E4 Þ 5.6=5.6

4й контур : i3 R3+i8 R8+i10 R10+i6 R6=-E6 Þ -12=-12

5й контур : i3 R3-i7 R7+i6 R6=E6 Þ 12=12

6й контур : i9 R9-i8 R8-i3 R3=0 Þ 0=0

3. Проверка баланса мощностей в схеме

Подсчитаем мощность потребителей:

P1 =i1 2 ´R1+i2 2 ´R2+i3 2 R3+i4 2 ´R4+i5 2 ´R5+i6 2 ´R6+i7 2 ´R7+i8 2 ´R8+i9 2 ´R9+i10 2 ´R10+E4´i4 = 2.2188

Сюда включёна мощность Е4 так как он тоже потребляет энергию.

Подсчитаем мощность источников:

P2 =E1´i1 +E6´i6 =2,2188

P1 -P2 =0

4. Метод эквивалентного генератора.

Рассчитаем ток в ветви с максимальной мощностью, методом эквивалентного генератора.

Сравнивая мощности ветвей видим, что максимальная мощность выделяется в первой ветви, поэтому уберём эту ветвь и для получившейся схемы рассчитаем Uxx и Rэк .

Расчёт Uxx методом узловых потенциалов:

Матрица проводимостей:

Y=

Матрица узловых токов:

I=

По методу узловых потенциалов находим:

=

Но нас интересует только разность потенциалов между 0ым и 3им узлами: U30 =Uxx =-6.1597.

Þ I1 ===-0.0686


Где эквивалентное сопротивление находится следующим образом:

∆123 Þ :123

:054 Þ ∆054 :054 Þ ∆054

:024 Þ ∆024

При переходе от : Þ ∆ используется формулы преобразования: , а при переходе ∆ Þ :: , две остальные формулы и в том, и в другом случаях получаются путем круговой замены индексов.

Определим значение сопротивления, при котором будет выделяться максимальная мощность. Для этого запишем выражение мощности на этом сопротивлении: . Найдя производную этого выражения, и приравняв её к нулю, получим: R=Rэк , т.е. максимальная мощность выделяется при сопротивлении нагрузки равном внутреннему сопротивлению активного двухполюсника.

5. Построение потенциальной диаграммы по контуру.

По оси X откладывается сопротивление участка, по оси Y потенциал соответствующей точки.

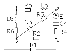
Исследование сложной электрической цепи переменного тока методом контурных токов.

Þ

Переобозначим в соответствии с графом:

R1=110 Ом L5=50 млГ С4=0.5 мкФ

R2=200 Ом L6=30 млГ С3=0.25 мкФ

R3=150 Ом

R4=220 Ом E=15 В

R5=110 Ом w=2pf

R6=130 Ом f=900 Гц

1. Расчет токов и напряжений в схеме, методом контурных токов.

Матрица сопротивлений:

Z==

=102 ´

Матрица сумм ЭДС, действующих в ком контуре: Eк =

По методу контурных токов: Ix =Z-1 ´Eк =

Действующие значения: Ix =

Выражаем токи в ветвях дерева: I4 =I1 +I2 = 0.0161+0.0025i I4 =0.0163

I5 =I1 +I2 +I3 =0.0208-0.0073i Þ I5 =0.0220

I6 =I2 +I3 =0.0043-0.0079i I6 =0.0090

Напряжения на элементах:

UR1 =I1 ´R1=1.8162 UL5 =I5 ´w´L5=6.2327 UC3 =I3 ´=7.6881

UR2 =I2 ´R2=0.3883 UL6 =I6 ´w´L6=1.5259 UC4 =I4 ´=5.7624

UR3 =I3 ´R3=1.6303

UR4 =I4 ´R4=3.5844

UR5 =I5 ´R5=2.4248

UR6 =I6 ´R6=1.1693

2. Проверка баланса мощностей.

Активная мощность:

P=I1 2 ´R1+I2 2 ´R2+I3 2 ´R3+I4 2 ´R4+I5 2 ´R5+I6 2 ´R6=0.1708

Реактивная мощность:

Q=I5 2 ´w´L5+I6 2 ´w´L6-I32´=-0.0263

Полная мощность:

S==0.1728


С другой стороны:

Активная мощность источника:

P=E´I4 ´cos(arctg)=0.1708

Реактивная мощность источника:

Q=E´I4 ´sin(arctg)=-0.0265

Полная мощность источника:

S=E´I4 =0.1728

3. Построение векторной диаграммы и проверка 2го закона Кирхгофа.

Для 1го контура:

I1 ´R1+I4 ´R4+I4 ´ +I5´R5+I5´282.7433i-E=0.0088-0.0559i

Для 2го контура:

I2 ´R2+I4 ´R4+I4 ´+I5 ´282.7433i+I5 ´R5+I6 ´169.6460i+I6 ´R6=0.0088- 0.0559i

Для 3го контура:

I5 ´R5+I6 ´169.6460i+I6 ´R6+I3 ´+I3 ´R3+I5 ´282.7433i=-0.0680-0.0323i

Векторная диаграмма:


Топографическая диаграмма для 1го контура:

Топографическая диаграмма для 2го контура:

Топографическая диаграмма для 3го контура:


Исследование сложной электрической цепи постоянного тока методом узловых потенциалов. 1

1. Расчет узловых потенциалов. 1

2. Проверка законов Кирхгофа. 2

3. Проверка баланса мощностей в схеме_ 3

4. Метод эквивалентного генератора. 3

5. Построение потенциальной диаграммы по контуру. 4

Исследование сложной электрической цепи переменного тока методом контурных токов. 5

1. Расчет токов и напряжений в схеме, методом контурных токов. 6

2. Проверка баланса мощностей. 6

3. Построение векторной диаграммы и проверка 2го закона Кирхгофа. 7

Оценить/Добавить комментарий
Имя
Оценка
Комментарии:
Срочная помощь учащимся в написании различных работ. Бесплатные корректировки! Круглосуточная поддержка! Узнай стоимость твоей работы на сайте 64362.ru
20:00:19 10 сентября 2021
Если Вам нужна помощь с учебными работами, ну или будет нужна в будущем (курсовая, дипломная, отчет по практике, контрольная, РГР, решение задач, онлайн-помощь на экзамене или "любая другая" учебная работа...) - обращайтесь: https://clck.ru/P8YFs - (просто скопируйте этот адрес и вставьте в браузер) Сделаем все качественно и в самые короткие сроки + бесплатные доработки до самой сдачи/защиты! Предоставим все необходимые гарантии.
Джессика03:06:36 23 июня 2020
Привет студентам) если возникают трудности с любой работой (от реферата и контрольных до диплома), можете обратиться на FAST-REFERAT.RU , я там обычно заказываю, все качественно и в срок) в любом случае попробуйте, за спрос денег не берут)
Olya22:30:47 24 августа 2019
.
.22:30:46 24 августа 2019
.
.22:30:45 24 августа 2019

Смотреть все комментарии (16)
Работы, похожие на Реферат: Курсовая работа

Назад
Меню
Главная
Рефераты
Благодарности
Опрос
Станете ли вы заказывать работу за деньги, если не найдете ее в Интернете?

Да, в любом случае.
Да, но только в случае крайней необходимости.
Возможно, в зависимости от цены.
Нет, напишу его сам.
Нет, забью.



Результаты(286105)
Комментарии (4150)
Copyright © 2005-2021 HEKIMA.RU [email protected] реклама на сайте