Банк рефератов содержит более 364 тысяч рефератов, курсовых и дипломных работ, шпаргалок и докладов по различным дисциплинам: истории, психологии, экономике, менеджменту, философии, праву, экологии. А также изложения, сочинения по литературе, отчеты по практике, топики по английскому.
Полнотекстовый поиск
Всего работ:
364139
Теги названий
Разделы
Авиация и космонавтика (304)
Административное право (123)
Арбитражный процесс (23)
Архитектура (113)
Астрология (4)
Астрономия (4814)
Банковское дело (5227)
Безопасность жизнедеятельности (2616)
Биографии (3423)
Биология (4214)
Биология и химия (1518)
Биржевое дело (68)
Ботаника и сельское хоз-во (2836)
Бухгалтерский учет и аудит (8269)
Валютные отношения (50)
Ветеринария (50)
Военная кафедра (762)
ГДЗ (2)
География (5275)
Геодезия (30)
Геология (1222)
Геополитика (43)
Государство и право (20403)
Гражданское право и процесс (465)
Делопроизводство (19)
Деньги и кредит (108)
ЕГЭ (173)
Естествознание (96)
Журналистика (899)
ЗНО (54)
Зоология (34)
Издательское дело и полиграфия (476)
Инвестиции (106)
Иностранный язык (62791)
Информатика (3562)
Информатика, программирование (6444)
Исторические личности (2165)
История (21319)
История техники (766)
Кибернетика (64)
Коммуникации и связь (3145)
Компьютерные науки (60)
Косметология (17)
Краеведение и этнография (588)
Краткое содержание произведений (1000)
Криминалистика (106)
Криминология (48)
Криптология (3)
Кулинария (1167)
Культура и искусство (8485)
Культурология (537)
Литература : зарубежная (2044)
Литература и русский язык (11657)
Логика (532)
Логистика (21)
Маркетинг (7985)
Математика (3721)
Медицина, здоровье (10549)
Медицинские науки (88)
Международное публичное право (58)
Международное частное право (36)
Международные отношения (2257)
Менеджмент (12491)
Металлургия (91)
Москвоведение (797)
Музыка (1338)
Муниципальное право (24)
Налоги, налогообложение (214)
Наука и техника (1141)
Начертательная геометрия (3)
Оккультизм и уфология (8)
Остальные рефераты (21692)
Педагогика (7850)
Политология (3801)
Право (682)
Право, юриспруденция (2881)
Предпринимательство (475)
Прикладные науки (1)
Промышленность, производство (7100)
Психология (8692)
психология, педагогика (4121)
Радиоэлектроника (443)
Реклама (952)
Религия и мифология (2967)
Риторика (23)
Сексология (748)
Социология (4876)
Статистика (95)
Страхование (107)
Строительные науки (7)
Строительство (2004)
Схемотехника (15)
Таможенная система (663)
Теория государства и права (240)
Теория организации (39)
Теплотехника (25)
Технология (624)
Товароведение (16)
Транспорт (2652)
Трудовое право (136)
Туризм (90)
Уголовное право и процесс (406)
Управление (95)
Управленческие науки (24)
Физика (3462)
Физкультура и спорт (4482)
Философия (7216)
Финансовые науки (4592)
Финансы (5386)
Фотография (3)
Химия (2244)
Хозяйственное право (23)
Цифровые устройства (29)
Экологическое право (35)
Экология (4517)
Экономика (20644)
Экономико-математическое моделирование (666)
Экономическая география (119)
Экономическая теория (2573)
Этика (889)
Юриспруденция (288)
Языковедение (148)
Языкознание, филология (1140)

Реферат: Устройство, работа, неисправности, ремонт сцепления атомобиля КамАЗ

Название: Устройство, работа, неисправности, ремонт сцепления атомобиля КамАЗ
Раздел: Рефераты по транспорту
Тип: реферат Добавлен 22:43:09 03 октября 2005 Похожие работы
Просмотров: 51856 Комментариев: 29 Оценило: 42 человек Средний балл: 4.4 Оценка: 4     Скачать

Министерство образования Свердловской области

Новоуральский профессиональный лицей

Выпускная квалификационная работа

Устройство, работа, неисправности, ремонт

сцепления автомобиля КамАЗ

Профессия Автомеханик

Специальность Водитель автомобиля,

слесарь по ремонту,

техническому обслу-

живанию автомобилей

Группа ТУ-21

Выполнил Угарова Елена

Владимировна

2002 г.

УТВЕРЖДЕНО

На методической комиссии

«____» ____________2002г.

Задание.

На Выпускную квалификационную работу учащемуся на профессию автомеханик.

Тема Выпускной квалификационной работы «Устройство, работа, неисправности, ремонт сцепления автомобиля КамАЗ.

Исходные данные к Выпускной квалификационной работе: автомобиль, система, узел, агрегат.

Указание по содержанию Выпускной квалификационной работы:

1) По пояснительной записке:

а) по описательной части: описывается устройство, работа, неисправности, ре-

монт системы, узла, агрегата__________________________________________

б) по расчетно-технологической части описывается технология разработки, ре-

монта, сборки системы, узла, агрегата__________________________________

Принимаем инструмент, станки, приспособления, материалы (расчетная

часть в работе отсутствует)­­­­­­­­­­­­­­­­­­­­­­­___________________________________________

в) по экономической части: затраты на материальные ресурсы, полуфабрикаты,

комплектующие изделия, расчет трудоемкой з/п (в рублях), калькуляция

г) по технике безопасности и производственной санитарии: описываются тре-

бования ТБ при проведении вышеперечисленных работ и санитария помеще-

ния рабочих мест ___________________________________________________

2) Содержание и объем графической части.

Требуется выполнить на одном листе формата А-1 (241х594) на чертежной бу-

маге карандашом или тушью с соблюдением требований ГОСТа.

3) Сроки выполнения: январь-июнь 2002г.

Сроки ограничения работы: 5 июня 2002г.

Руководитель ВКР Клюкин В.М.

Консультанты Дюгай Р.А.

Полухина С.В.

СОДЕРЖАНИЕ

Введение……………………………………………………………..…………

Глава I. Устройство сцепления……………………………………………..

Механизм сцепления…………………………………………...…...

Привод управления механизмом сцепления………………………

Глава II. Работа и техническое обслуживание сцепления……………...

Глава III. Возможные неисправности в сцеплении и методы их

устранения………………………………………………………...

Глава IV. Техника безопасности и производственная санитария……...

Заключение.....………………………………………………………………...

Экономическая часть……………………………..………………………….

Список литературы……………………………………………...…………...

Приложение 1……………………………………………………………..…...

стр.

стр.

стр.

стр.

стр.

стр.

стр.

стр.

стр.

стр.

стр.

Введение

Автомобили КамАЗвыпускает Камский автомобильный завод, одно из крупнейших предприятий страны.

Конструкторскую документацию на эти автомобили разработал Московский автомобильный завод им. И.А. Лихачева совместно с КамАЗ.

Высокий уровень конструктивных и технических решений обеспечил создание современного высокоэффективного, экономичного семейства автомобилей, открывших новую страницу в истории отечественного автомобилестроения (Приложение 1).

Однако достижение высоких эксплуатационно-технических свойств автомобилей связано с некоторым общим усложнением их конструкции, что предъявляет более высокие требования к организации и уровню эксплуатации. Именно этим обусловлена перестройка системы технического обслуживания автомобилей КамАЗ, развитие сети фирменного обслуживания и централизованного ремонта наиболее сложных агрегатов на заводах Минавтосельхозмаша Российской Федерации.

Грузовые автомобили КамАЗ по мере развития их выпуска играют все более важную роль в народном хозяйстве нашей страны. Знание их характеристик, устройства и работы основных агрегатов и систем, содержания технического обслуживания позволит водителям, работникам автомобильного транспорта более полно использовать технические возможности машин в процессе их эксплуатации.

Глава I . УСТРОЙСТВО СЦЕПЛЕНИЯ

ТРАНСМИССИЯ

Трансмиссия автомобиля – это совокупность агрегатов и ме­ханизмов, предназначенных для передачи крутящего момента от двигателя к ведущим колесам и изменения его по величине и направлению.

Трансмиссия (рис. 1.1) автомобиля КамАЗ механическая и состоит из сцепления, коробки передач, раздаточной коробки, карданной передачи, главных передач, дифференциалов, полу­осей.


Рис. 1.1. Компоновочная схема трансмиссии:

1-сцепление; 2-коробка передач; 3-раздаточная коробка; 4-карданная передача; 5- главная передача и дифференциал; 6-полуоси

СЦЕПЛЕНИЕ

Сцепление предназначено для:

- отсоединения двигателя от трансмиссии при переключении передач, резком торможении;

- плавного соединения двигателя с трансмиссией при трогании с места;

- предохранения двигателя и трансмиссии от перегрузок;

- передачи крутящего момента от двигателя на коробку пере­дач.

По типу сцепление сухое, двухдисковое, постоянно включен­ное, с периферийным расположением нажимных пружин.

Расположено оно в картере, закрепленном на двигателе, и состоит из механизма сцепления и привода управления.

1.1. МЕХАНИЗМ СЦЕПЛЕНИЯ

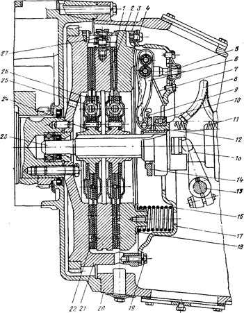
Он состоит (рис. 1.2) из ведущих деталей, ведомых деталей, нажимного устройства, механизма выключения.

Принцип действия сцепления основан на использовании сил трения, возникающих между дисками. Ведущие диски сцепле­ния воспринимают от маховика крутящий момент двигателя, а ведомые диски передают этот момент двигателя первичному валу коробки передач. Нажимное устройство (12 нажимных пружин) обеспечивает плотное прижатие ведущих и ведомых деталей сцепления для создания необходимого момента трения. Крутящий момент от ведущих деталей передается на ведомые за счет сил трения.


Рис. 1.2. Механизм сцепления:

1- ведомый диск; 2- ведущий диск; 3- установочная втулка; 4- на­жимной диск; 5-вилка оттяжного рычага; 6- оттяжной рычаг: 7-пру­жина упорного кольца; 8-шланг смазывания муфты; 9-петля пружины; 10-выжимной подшипник; 11-оттяжная пружина; 12-муфта выклю­чения сцепления; 13- вилка выключения сцепления; 14- упорное кольцо; 15- вал вилки; 16- нажимная пружина; 17- кожух; 18-теплоизолирующая шайба; 19- болт крепления кожуха; 20- картер сцепления; 21-ма­ховик; 22-фрикционная закладка; 23- первичный вал; 24- диск га­сителя крутильных колебаний; 25- пружина гасителя крутильных коле­баний; 26-кольцо ведомого диска; 27-механизм автоматической регу­лировки положения среднего ведущего диска

К ведущим деталям относятся средний ведущий диск, на­жимной диск, кожух сцепления.

Средний ведущий диск (рис. 1.3, а) отлит из чугуна и уста­новлен в пазах маховика на четырех шипах, равномерно рас­положенных по окружности диска. Для обеспечения вентиляции сцепления, лучшего отвода тепла и снижения веса в теле диска выполнены окна, разделенные между собой внутренними реб­рами. В шипах размещен рычажный механизм, который меха­нически регулирует положение среднего диска при выключении сцепления с целью обеспечения чистоты выключения.

Нажимной диск (рис. 1.3, б) отлит из серого чугуна, как и средний ведущий диск, установлен в пазах маховика на четы­рех шипах. С одной стороны диск имеет шлифованную поверх­ность, с другой – 12 бобышек для установки нажимных пру­жин.


Рис. 1.3. Диски сцепления:

а – средний ведущий диск; б - нажимной диск; в - ведомый диск с демпфером в сборе:

1-ступица; 2-заклепка; 3-обойма демпфера; 4-ведомый диск; 5-фрикционная накладка; 6- пружина демпфера

Каждый шип со стороны кожуха имеет прилив, в котором профрезерован паз и расточены два отверстия для установки оси рычага выключения сцепления.

Кожух сцепления стальной, штампованный, устанавливается на картере маховика на двух установочных втулках и крепится 12 болтами.

В кожухе имеются 12 углублений для установки пружин и отверстия для установки вилок рычагов.

К ведомым деталям относятся два ведомых диска с демпфе­ром, ведомый вал сцепления (он же первичный вал коробки пе­редач).

Ведомый диск (рис. 1.3, в) состоит из диска с фрикционными накладками, ступицы диска, демпфера (гасителя крутильных колебаний).

Ведомый диск изготовлен из стали. В центре диска имеется отверстие для установки ступицы. В диске выполнены восемь окон для пружин демпфера. По периферии диска с обеих сто­рон приклепаны заклепками фрикционные накладки, изготов­ленные из асбестовой композиции.

Ступица имеет внутренние шлицы, которыми устанавливает­ся на шлицах первичного вала коробки передач. В ступице так­же выполнены восемь окон для пружин демпфера.

Демпфер служит для гашения крутильных колебаний, кото­рые возникают в двигателе и трансмиссии.

Из-за неравномерности работы двигателя и упругости ко­ленчатого вала происходит постоянное закручивание и раскру­чивание вала, т.е. возникают собственные крутильные колеба­ния.

В трансмиссии имеются валы коробки передач, раздаточной коробки, карданной передачи, полуосей. При резком включении сцепления, торможении автомобиля без выключения сцепления, при наезде колес на препятствие в валах трансмиссии возника­ют вынужденные колебания.

При неравномерной работе двигателя крутильные колебания от двигателя могут передаваться в трансмиссию. Это особенно опасно, когда частота собственных угловых колебаний транс­миссии совпадает с частотой крутильных колебаний. В этом случае наступает резонанс и нагрузка на детали трансмиссии резко увеличивается, что может привести к поломке их. Вынуж­денные крутильные колебания в трансмиссии, в свою очередь, могут передаваться в двигатель, что резко увеличивает нагруз­ку на его детали. Поэтому для предохранения от резонансных крутильных колебаний валов в ведомых дисках сцепления уста­навливаются демпферы (гасители крутильных колебаний).

Демпфер имеет упругий и фрикционный элементы.

Упругий элемент служит для изменения частоты колебаний валов и предотвращения явления резонанса, т.е. совпадения частот собственных угловых колебаний и крутильных колеба­ний, и состоит из восьми цилиндрических пружин.

Фрикционный элемент уменьшает амплитуды вынужденных колебаний, преобразуя энергию колебаний в тепло, и состоит из двух обойм, двух дисков, двух фрикционных колец.

К фланцу ступицы с обеих сторон приклепаны диски демп­фера и обоймы.

К ведомому диску с обеих сторон приклепаны фрикционные кольца. Фрикционные кольца и диски демпфера также имеют по восемь окон, окна для пружин совпадают с окнами в ведо­мом диске и фланце ступицы. В окнах устанавливаются восемь цилиндрических пружин.

Таким образом, между ведомым диском и его ступицей нет жесткой связи – они связаны только через восемь пружин. Дис­ки демпфера выполнены в виде тарельчатых пружин и постоян­но прижимаются к фрикционным кольцам.

При возникновении крутильных колебаний ступица ведомо­го диска проворачивается относительно самого диска; пружины демпфера, сжимаясь, изменяют частоту колебаний, обеспечивая несовпадение частот собственных колебаний трансмиссии и вы­нужденных крутильных колебаний, т. е. предотвращают явление резонанса.

При повороте ступицы диски демпфера скользят по фрик­ционным кольцам, и за счет трения энергия колебаний превра­щается в тепло.

Нажимное устройство (см. рис. 1.2) состоит из двенадцати пружин. Пружины опираются на бобышки нажимного диска через шайбы из термоизоляционного материала. Суммарное уси­лие пружин равно 10500...12200Н (1050...1220 кгс).

Механизм выключения состоит из четырех оттяжных рыча­гов, упорного кольца, муфты выключения сцепления с выжимным подшипником, вилки выключения сцепления с валом, двух оттяжных пружин.

Четыре оттяжных рычага устанавливаются на нажимном диске и соединяются с кожухом с помощью вилок. Оттяжные рычаги соединяются с нажимным диском и вилками-пальцами. Пальцы установлены в диске и вилках на игольчатых подшипниках.

На оси рычага в вилке устанавливается пружина упорного кольца, которая одним усиком упирается в кожух, а другим че­рез петлю постоянно прижимает упорное кольцо к оттяжным рычагам. Упорное кольцо предохраняет оттяжные рычаги от износа.

Для выключения сцепления на крышку первичного вала ко­робки передач установлена муфта выключения сцепления с подшипником в сборе. Муфта под действием пружин постоянно прижимается запрессованными в нее сухарями к лапкам вилки выключения сцепления.

Для смазки муфты и подшипника установлены шланг пода­чи смазки и масленка на картере сцепления.

Вилка выключения сцепления установлена на валу приво­да, который, в свою очередь, установлен на втулках в расточках картера сцепления. На наружный конец вала установлен рычаг вала вилки.

1.2. ПРИВОД УПРАВЛЕНИЯ МЕХАНИЗМОМ СЦЕПЛЕНИЯ

Привод дистанционный, гидравлический, с пневмоусилителем, предназначен для выключения сцепления.

Емкость его гидросистемы 0,38 л.

Применяемая жидкость ГТЖ-22М или «Нева», «Томь».

Он состоит (рис. 1.4) из педали сцепления с оттяжной пру­жиной, главного цилиндра, пневмогидравлического усилителя, рычага вала вилки выключения сцепления с оттяжной пружи­ной, толкателя, трубопроводов.


Рис. 1.4. Привод механизма сцепления:

1-педаль; 2- упор нижний; 3-кронштейн; 4- упор верхний; 5- рычаг; 6-па­лец эксцентриковый; 7- толкатель поршня; 8- пружина оттяжная; 9- цилиндр главный; 10-трубопровод гидравлический; 11-усилитель пневмогидравлический; /2-пробка; 13-клапан перепускной; 14-трубопровод пневматический; 15-чехол за­щитный; 16-толкатель поршня; 17-гайка сферическая регулировочная; 18-бачок компенсационный; а- сжатый воздух

При нажатии на педаль при выключении сцепления усилие от ноги водителя через рычаг и шток передается к главному цилиндру, откуда жидкость под давлением по трубопроводу по­ступает в корпус следящего устройства, которое при этом обес­печивает пропуск сжатого воздуха, поступающего по воздухо­проводу через редукционный клапан от воздушного баллона.

Одновременно от главного цилиндра жидкость под давле­нием поступает в гидравлический цилиндр усилителя. Суммар­ное усилие давления воздуха в цилиндре пневмоусилителя и давление жидкости в гидравлическом цилиндре передается на шток пневмоусилителя. Шток перемещает рычаг вала вилки вы­ключения сцепления, которая, поворачиваясь, выключает сцеп­ление.

Педаль сцепления установлена на оси кронштейна. Она пе­редает усилие на толкатель поршня главного цилиндра с помощью рычага и эксцентрикового пальца.

Главный цилиндр (рис. 1.5) установлен на кронштейне пе­дали сцепления.


Рис. 1.5. Главный цилиндр:

1-толкатель (шток) поршня; 2-корпус; 3-поршень; 4-корпус бачка; 5-зазор свободного хода главного цилиндра;

А- зазор свободного хода главного цилиндра

Состоит из корпуса цилиндра, защитного чехла, штока, поршня, торцевой уплотнительной манжеты, пружины, пробки цилиндра, корпуса бачка.

В корпусе главного цилиндра образованы две полости, раз­деленные перегородкой. Верхняя полость совместно с бачком предназначена для заправки гидропривода рабочей жидкостью и хранения необходимого запаса рабочей жидкости.

Нижняя полость выполняет функции рабочей полости глав­ного цилиндра, в которой устанавливается поршень с манжетой и пружиной.

Пневмогидравлический усилитель привода сцепления слу­жит для создания дополнительного усилия с целью облегчения управления сцеплением. Он крепится двумя болтами к фланцу картера сцепления с правой стороны.

Усилитель (рис. 1.6) состоит из переднего 35 и заднего 44 корпусов, поршня выключения сцепления 43 с толкателем 3, пневматического поршня 31, следящего устройства.


Рис. 1.6. Пневмогидравлический усилитель привода сцепления:

а- подвод тормозной жидкости; б-подвод воздуха; 1-сферическая гайка; 2-контр­гайка; 3-толкатель поршня выключения сцепления; 4-защит­ный чехол; 5-стопорное кольцо; 6-корпус уплотнения поршня; 7-уплотнительное кольцо; 8-манжет следящего поршня; 9-следящий поршень; 10-корпус следящего поршня; 11-перепускной кла­пан; 12-колпачок; 13-уплотнитель вы­пускного отверстия;14-крышка выпуск­ного отверстия; 15-винт крепления крыш­ки; 16-диафрагма следящего устройства; 17-седло диафраг­мы; 18-уплотнительное кольцо; 19-пру­жина диафрагмы; 20-пробка; 21-пружина возвратная; 22-седло впускного клапана; 23-впускной клапан; 24-стержень клапанов; 25-крышка под­вода воздуха; 26-выпускной клапан; 27-регулировочные прокладки; 28-гайка; 29-шайба диафрагмы; 30-кольцо упорное; 31-пневматический поршень; 32-прокладка; 33-пробка; 34-манжета поршня; 35-передний корпус; 36-пружина поршня; 37-шайба; 38-манжета уплотнителя; 39-распорная втулка; 40-распорная пружина; 41-упорная втулка; 42-манжета поршня; 43поршень выключения сцепления; 44-задний корпус

Передний корпус отлит из алюминиевого сплава. В нем рас­точены отверстие (вверху) и сверление (внизу). Сверление пред­назначено для установки пневматического поршня.

Верхнее ступенчатое отверстие предназначено для установ­ки впускного клапана с седлом следящего устройства.

Полости клапана в верхнем отверстии и надпоршневом пространстве нижнего сверления соединены между собой кана­лом. В стенке корпуса имеется пробка 33 для удаления конден­сата.

В цилиндре переднего корпуса расположен пневматический поршень 31 с манжетой и возвратной пружиной. Поршень на­прессован на толкатель, выполненный как одно целое с гидрав­лическим поршнем. Толкатель гидравлического поршня имеет сферическую гайку 1 и контргайку 2 . Усилия от пневматическо­го и гидравлического рабочих поршней суммируются и переда­ются через толкатель и его сферическую гайку на рычаг вала вилки выключения сцепления.

В заднем чугунном корпусе 44 расточены отверстие (внизу) и сверление (вверху). Отверстие выполняет роль цилиндра гид­равлического поршня выключения сцепления.

Со стороны переднего корпуса в отверстие установлено и зафиксировано уплотнение поршня.

Верхнее сверление предназначено для установки корпуса поршня следящего устройства.

Рабочая жидкость из главного цилиндра поступает в полость гидравлического поршня через отверстие а в корпусе.

Сжатый воздух в верхнюю полость переднего корпуса под­водится через отверстие в крышке корпуса.

Следящее устройство предназначено для автоматического изменения давления воздуха в силовом пневмоцилиндре за поршнем пропорционально усилию на педали сцепления. Оносостоит из следящего поршня с манжетой 8, корпуса следящего поршня 10, диафрагмы с седлом выпускного клапана и пружиной, выпускного и впускного клапанов с возвратной пру­жиной.

В корпусе установлен следящий поршень с манжетой. Ход поршня ограничивается упорным кольцом.

Диафрагма зажата между корпусами; в ней при помощи гайки закрепляются седло выпускного клапана и две тарелки пружины диафрагмы.

Конические выпускной и впускной клапаны собраны на об­щем стержне. Пружина клапанов прижимает впускной клапан к седлу, закрепленному в корпусе при помощи крышки подвода воздуха.

Канал б для подвода сжатого воздуха в цилиндр пневмати­ческого поршня соединяется с полостью перед диафрагмой ка­либрованным отверстием.

Воздух из цилиндра пневматического поршня выпускается через выпускной клапан, внутреннюю полость седла выпускного клапана и отверстие, закрытое уплотнителем с крышкой.

Глава II . РАБОТА И ТЕХНИЧЕСКОЕ ОБСЛУЖИВАНИЕ

СЦЕПЛЕНИЯ

РАБОТА СЦЕПЛЕНИЯ

Исходное положение . Педаль привода сцепления находится в исходном положении, шток главного цилиндра – в верхнем положении. Поршень под действием пружины прижат к пере­городке корпуса. Между штоком и поршнем имеется зазор, по­лости главного цилиндра сообщаются между собой. В трубопро­воде, соединяющем главный цилиндр с гидроусилителем, давле­ние отсутствует.

Толкатель гидравлического поршня гидроусилителя под дей­ствием возвратной пружины рычага вала вилки прижимается к гидравлическому поршню, который через другой толкатель удерживает пневматический поршень в исходном положении.

Нажимной диск 4 (см. рис. 1.2) сцепления под действием нажимных пружин 16 прижимает ведомые диски к среднему ве­дущему диску 2 и маховику 21. Муфта выключения сцепления под действием пружин отведена от упорного кольца 14 на 3,2...4мм, обеспечивая тем самым полноту включения сцепления.

Крутящий момент, развиваемый двигателем, от коленчатого вала передается на маховик, средний ведущий и нажимной диски и далее за счет трения на ведомые диски. От ведомых дис­ков крутящий момент через демпфер передается на ступицы ведомых дисков и далее на первичный вал 23 коробки передач.

Выключение сцепления. При нажатой педали привода сцеп­ления толкатель 1 главного цилиндра (см. рис. 1.5) закрывает отверстие в поршне 3, предотвращая перетекание жидкости из нижней полости в верхнюю, и перемещает поршень, сжимая пружину. При перемещении поршня в цилиндре повышается давление, которое передается по шлангам и трубопроводам к входному отверстию пневмогидроусилителя.

Рабочая жидкость под давлением поступает в полость ци­линдра гидравлического поршня усилителя (рис. 1.6) и далее по каналу в заднем корпусе подводится к следящему поршню 9 .

Следящий поршень начинает перемещаться, сжимая при этом пружину диафрагмы и перемещая седло выпускного кла­пана. Седло, перемещаясь, закрывает выпускной клапан, сжи­мая при этом пружину клапанов, и открывает впускной клапан. Сжатый воздух поступает в надпоршневое пространство пнев­матического поршня 31. Поршень начинает перемещаться, сжи­мая пружину, и перемещает через толкатель гидравлический поршень, а он через свой толкатель 3 поворачивает рычаг вала 15 вилки 13 (см. рис. 1.2), который, в свою очередь, поворачи­вает вал и связанную с ним вилку выключения сцепления. Вил­ка своими лапками нажимает на сухари муфты выключения сцепления, перемещает ее, выбирая зазор, до упора в упорное кольцо 14 рычагов. При дальнейшем перемещении муфты упор­ное кольцо нажимает на оттяжные рычаги 6 , поворачивает их на осях вилок и отжимает нажимной диск 4 от ведомого диска, сжимая при этом нажимные пружины 16. Рычаги среднего ве­дущего диска 27 под действием своих пружин поворачиваются и перемещают диск в среднее положение.

Крутящий момент, развиваемый двигателем, на ведомые дис­ки и далее на трансмиссию не передается.

Часть сжатого воздуха через калиброванные отверстия в пе­реднем корпусе подводится в полость диафрагмы. Следящий поршень оказывается под действием двух направленных на­встречу друг другу усилий. При полностью выжатой педали сцепления давление жидкости на следящий поршень максималь­но, поэтому впускной клапан полностью открыт и пневматиче­ский поршень под давлением сжатого воздуха занимает левое положение, обеспечивая полное выключение сцепления.

Включение сцепления . При отпускании педаль сцепления под действием оттяжной пружины возвращается в исходное по­ложение, поршень главного цилиндра под действием давления жидкости также возвращается в исходное положение.

Давление жидкости на следящий поршень пневмоусилителя уменьшается, следящий поршень перемещается в левое положе­ние, диафрагма под действием пружины и давления сжатого воздуха прогибается, перемещая седло выпускного клапана. Впускной клапан под действием пружины садится на седло, прекращая подачу сжатого воздуха. Выпускной клапан при дальнейшем перемещении седла отрывается от него и сообщает надпоршневое пространство цилиндра пневматического поршня с атмосферой. Поршень под действием пружины перемещается в правое положение. Гидравлический поршень сначала под дей­ствием нажимных пружин сцепления, а затем под действием возвратной пружины рычага вала вилки выключения сцепле­ния занимает исходное положение. Муфта выключения сцепле­ния с подшипником перестает воздействовать на упорное коль­цо оттяжных рычагов. При этом нажимной диск под действием нажимных пружин прижимает ведомые диски к маховику и среднему ведущему диску, усилие прижатия увеличивается по­степенно, благодаря следящему действию пневмоусилителя. Кру­тящий момент, передаваемый на первичный вал коробки пере­дач от двигателя, постепенно увеличивается и достигает мак­симальной величины.

Для полного выключения сцепления водитель должен при­ложить усилие к педали 150Н (15кгс).

При отсутствии сжатого воздуха в пневматической системе автомобиля сцепление можно выключить за счет давления толь­ко в гидравлической части усилителя. При этом для создания необходимого давления водитель должен увеличить усилие на педаль сцепления до 600Н (60кгс).

На следящий поршень усилителя действуют два усилия. Одно усилие от давления жидкости на поршень, которое стре­мится переместить поршень и открыть впускной клапан. Дру­гое – от действия пружины диафрагмы и давления сжатого воздуха на диафрагму; оно стремится закрыть впускной клапан.

Если водитель нажмет на педаль сцепления не до упора и остановит ее в промежуточном положении, то при повышении давления в диафрагменной полости наступает момент, когда усилие сжатого воздуха и пружины на диафрагму станет боль­ше, чем усилие давления жидкости на следящий поршень. При этом диафрагма переместится влево настолько, что возвратная пружина закроет впускной клапан. При перемещении следяще­го поршня давление жидкости увеличивается и усилия с обеих сторон следящего поршня уравновешиваются. В этом случае оба клапана (впускной и выпускной) закрыты и следящий пор­шень занимает промежуточное положение.

При увеличении давления рабочей жидкости (т.е. при даль­нейшем перемещении педали сцепления) впускной клапан от­кроется и новая порция воздуха поступит в цилиндр пневмопоршня, что обеспечит перемещение поршня и дальнейшее выключение сцепления. Следящее действие пневмоусилителя обеспечивает плавное включение сцепления.

ТЕХНИЧЕСКОЕ ОБСЛУЖИВАНИЕ СЦЕПЛЕНИЯ

В процессе работы сцепления происходит износ фрикцион­ных поверхностей, сопряжении привода управления, потеря гер­метичности усилителя, что ведет к нарушению регулировочных параметров. Расходуется также смазочный материал.

Интенсивность перечисленных процессов зависит, главным образом, от дорожных условий, величины нагрузки в кузове на крюке, количества транспортных средств на дорогах, а так­же от практических навыков водителей. Поэтому при эксплуа­тации автомобилей предусматривается обслуживание сцепления.

При техническом обслуживании:

- проверить герметичность привода, целостность оттяжных пру­жин педали сцепления и рычага вала вилки выключения сцеп­ления;

- отрегулировать свободный ход толкателя поршня главного цилиндра привода и свободный ход рычага вала вилки выклю­чения сцепления;

- смазать подшипники муфты выключения сцепления и вала вилки выключения сцепления;

- проверить уровень жидкости в бачке главного цилиндра при­вода сцепления, при необходимости долить жидкость;

- затянуть болты крепления пневмоусилителя;

- сменить жидкость в системе гидропривода сцепления (один раз в год осенью).

При эксплуатации, по мере износа накладок ведомых дисков, необходимо регулировать привод сцепления для обеспечения свободного хода муфты выключения сцепления.

Регулирование привода сцепления заключается в проверке и регулировке свободного хода педали сцепления, свободного хода муфты выключения сцепления и полного хода толкателя пневмоусилителя.

Свободный ход муфты выключения сцепления проверять перемещением вручную рычага вала вилки. При этом отсо­единить пружину от рычага. Если свободный ход рычага, изме­ренный на радиусе 90 мм, окажется менее 3мм, отрегулировать его сферической гайкой толкателя до величины 3,7...4,6мм, что соответствует свободному ходу муфты выключения сцепления 3,2...4мм.

Полный ход толкателя пневмоусилителя должен быть не ме­нее 25мм. Проверить полный ход толкателя пневмоусилителя нажатием педали сцепления до упора. При меньшей величине хода не обеспечивается полное выключение сцепления. В случае недостаточного хода толкателя пневмоусилителя проверить сво­бодный ход педали сцепления, количество жидкости в бачке главного цилиндра привода сцепления, а при необходимости прокачать гидросистему привода сцепления.

Свободный ход педали , соответствующий началу работы главного цилиндра, должен составлять 6...15мм. Измерять его надо в средней части площадки педали сцепления. Если сво­бодный ход выходит за пределы, указанные выше, отрегулиро­вать зазор А (см. рис. 1.5) между поршнем и толкателем порш­ня главного цилиндра эксцентриковым пальцем 6 (см. рис. 1.4), который соединяет верхнюю проушину толкателя 7 с рычагом 5 педали. Регулировать зазор при положении, когда оттяжная пружина 8 прижимает педаль сцепления к верхнему упору 4. Повернуть эксцентриковый палец так, чтобы перемещение педали от верхнего упора до момента касания толкателем поршня со­ставило 6…15мм, затем затянуть и зашплинтовать корончатую гайку. Полный ход педали сцепления должен составлять 185...195мм.

Прокачку гидросистемы выполнять для удаления воздуш­ных пробок, возникающих из-за нарушения герметичности гид­ропривода, в следующем порядке:

- снять с бачка 4 (см. рис. 1.5) главного цилиндра пробку 5 и заполнить бачок рабочей жидкостью до уровня не менее 15...20мм от верхней кромки заливной горловины бачка. Заполнить систему рабочей жидкостью, применяя сетчатый фильтр во из­бежание попадания в систему посторонних примесей;

- снять с перепускного клапана на пневмоусилителе колпачок 12 (см. рис. 1.6) и надеть на головку клапана шланг для про­качки гидропривода. Свободный конец шланга опустить в стеклянный сосуд вместимостью 0,5л, наполненный рабочей жид­костью на 1/4...1/3 высоты сосуда;

- отвернуть на 1/2...1 оборот перепускной клапан и последова­тельно резко нажать на педаль сцепления до упора в ограничи­тель хода с интервалами между нажатиями 0,5...1с до прекра­щения выделения пузырьков воздуха из рабочей жидкости, по­ступающей по шлангу в стеклянный сосуд;

- при прокачке добавлять рабочую жидкость в систему, не допуская снижения ее уровня в бачке ниже 40мм от верхней кромки заливной горловины бачка во избежание попадания в систему воздуха;

- по окончании прокачки при нажатой до упора педали сцеп­ления завернуть до отказа перепускной клапан, снять с головки клапана шланг, надеть колпачок;

- после прокачки системы долить свежую рабочую жидкость в бачок до нормального уровня (15...20мм от верхней кромки заливной горловины бачка).

Качество прокачки определяется величиной полного хода толкателя пневмоусилителя.

Для проверки уровня жидкости в процессе эксплуатации от­крыть пробку заливной горловины бачка. При этом уровень жидкости должен быть не ниже 15...20мм от верхней кромки заливной горловины.

Глава III . ВОЗМОЖНЫЕ НЕИСПРАВНОСТИ В СЦЕПЛЕНИИ И

МЕТОДЫ ИХ УСТРАНЕНИЯ

В сцеплении могут быть следующие основные неисправности: нарушение регулировки привода, вызывающее неполное выключение и неплавное включение сцепления, пробуксовку дисков; износ фрикционных накладок ведомого диска, подшипника муфты выключения сцепления, манжеты рабочего цилиндра привода сцепления.

Пробуксовка дисков сцепления возникает при ослаблении или поломке нажимных пружин, износе или короблении поверхностей трения маховика и нажимного диска, замасливании фрикционных накладок ведомого диска. Неисправные нажимные пружины и замасленные фрикционные накладки заменяют на новые. Поверхности трения маховика и нажимного диска обрабатывают шлифованием.

Неполное выключение сцепления появляется в результате увеличенного свободного хода педали (при механическом приводе) или уменьшении хода поршня рабочего цилиндра (при гидравлическом приводе), а также вследствие деформации ведомого диска. Свободный ход педали устанавливают при регулировании, а дефектный ведомый диск заменяют на новый.

Неплавное включение сцепления обусловливается износом накладок ведомого диска, затрудненным перемещением ступицы ведомого диска, неодновременным нажатием подшипника выключения, заеданием педали сцепления на оси. Затрудненное перемещение ступицы ведомого диска на шлицах первичного вала коробки передач возникает из-за наличия забоин или заусенцев на шлицах. Последние зачищают и смазывают тонким слоем графитовой смазки. Неодновременность нажатия подшипника выключения сцепления на рычаги выключения устраняют регулировкой. При заедании педали сцепления зачищают торцы втулок от забоин и заусенцев и смазывают их.

При ремонте изношенные подшипники выключения сцепления заменяют на новые. Ведомый и нажимный диски, а также нажимные пружины в зависимости от состояния подвергают восстановлению или замене. Для выполнения ремонтных работ сцепление разбирают, применяя приспособления, одно из которых представлено на рис. 3.1.


Рис. 3 .1. Приспособление для разборки и сборки сцепления:

1 опорная плита, 2 прижимный корпус, 3 контрольное кольцо, 4 установочные шпильки, 5 основание

Картер сцепления и блок цилиндров при ремонте не обезличивают. Их маркируют, чтобы предотвратить разукомплектование и обеспечить соосность коленчатого вала двигателя и ведущего вала коробки передач. Если эти детали обезличены, то после сборки центрирующее отверстие картера сцепления растачивают в приспособлении.

Основными дефектами картеров сцепления являются трещины, сколы, срыв или износ резьбы, износы отверстий и опорных плоскостей лап крепления к раме. Картеры бракуют, если трещины захватывают более половины периметра или проходят болеечемчерез одно отверстие под болты крепления. Трещины на картере сцепления заваривают. Сколы, захватывающие отверстие, наплавляют или приваривают отколотую часть детали. При срыве резьбы до двух ниток ее восстанавливают прогонкой метчиком. Если резьба имеет срыв более двух ниток или изношена, то ее восстанавливают путем нарезания резьбы увеличенного ремонтного размера, постановкой ввертыша или заваркой с последующим нарезанием резьбы номинального размера.

Изношенные более предельного размера отверстия под направляющий штифт крепления стартера, крепления двигателя к раме восстанавливают постановкой дополнительной детали – втулки. После запрессовки отверстие втулок обрабатывают под номинальный размер.

Изношенные опорные плоскости лап крепления картера сцепления к раме обрабатывают на фрезерном станке до устранения следов износа. При значительном износе осуществляют приварку шайб. Перед приваркой поверхность лапы фрезеруют, а отверстия зенкуют для установки шайб. Затем шайбы приваривают к картеру сцепления сплошным швом электродуговой сваркой. Завершают обработку зенковкой торцов лап заподлицо с основным металлом.

Основными дефектами нажимного и ведомого дисков сцепления являются трещины на поверхности нажимного диска или фрикционных накладок ведомого диска, износ фрикционных накладок, коробление или погнутость диска, ослабление заклепок крепления накладок или ступицы, износ и задиры рабочих поверхностей нажимного и среднего дисков. Диски и фрикционные накладки с трещинами бракуют. Изношенные фрикционные накладки заменяют новыми. Для этого удаляют старые заклепки. Правят ведомый диск, предварительно зачистив забоины и заусенцы на ступице. Коробление устанавливают на поверочной плите с помощью щупа. Щуп толщиной 0,3 мм не должен проходить между торцовой поверхностью диска и плитой. Приклепывание фрикционных накладок производят под прессом, применяя штамп. Вместо заклепок для соединения фрикционных накладок с диском применяют также клей.

Коробление плоскости касания нажимного диска с ведомым диском не более 0,15мм или погнутость ведомого диска больше указанной в технических условиях величины устраняют правкой. Нажимный диск правят на прессе, устанавливая на кольцо, расположенное на столе пресса, плоскостью касания к ведомому диску вниз. Правку ведомого диска осуществляют на плите или в приспособлении с помощью специальной оправки. Накладки бракуют, если ослаблены заклепки крепления их к ведомым дискам. При ослаблении более четырех заклепок крепления ступицы ведомого диска производят замену заклепок. Для этого изношенные отверстия в ступице и диске рассверливают под увеличенный ремонтный размер или сверлят новые отверстия между имеющимися. Отремонтированный ведомый диск в сборке с накладками должен быть отбалансирован. Допустимый дисбаланс устанавливается техническими условиями. Износ и задиры рабочей поверхности нажимного и среднего дисков устраняют обработкой на шлифовальном или токарном станке. При этом минимальная толщина диска должна быть не менее указанной в технических условиях величины.

После сборки сцепления устанавливают на двигатель и проверяют его работу в выключенном и включенном положениях.

Для обеспечения свободного хода муфты выключения сцепления по мере изнашивания накладок ведомых дисков возникает необходимость в регулировке привода сцепления. Привод включения сцепления у автомобилей КамАЗ – гидравлический. Регулировка привода механизма выключения сцепления КамАЗа заключается в проверке и регулировке свободного хода педали сцепления, свободного хода муфты выключения сцепления и полного хода толкателя пневмоусилителя.

Для определения свободного хода муфты сцепления перемещают рычаг вала вилки выключения сцепления от сферической поверхности гайки 18 толкателя 17 (см. рис. 3.2, а) пневмоусилителя при отсоединенном положении оттяжной пружи­ны сцепления от рычага. Если свободный ход оттяжного рычага сцепления, изме­ренный на радиусе 90мм, окажется меньше 3 мм, то его регулируют гайкой 18 до значения 3,7...4,6мм. Это соответствует свободному ходу муфты выключения сцепления 3,2...4м.

Свободный ход педали сцепления автомобилей КамАЗ измеряют в средней части площадки педали сцепления 1 (рис. 3.2, а). Он должен составлять 6...12мм. Свободный ход регулируют изменением зазора между поршнем и толкателем порш­ня главного цилиндра 9 эксцентриковым пальцем 6 , соединяющим верхнюю про­ушину толкателя 7 с рычагом 5 педали. Операцию выполняют при прижатой педа­ли сцепления к верхнему упору 4 оттяжной пружиной 8. Вращением эксцентри­кового пальца добиваются требуемого перемещения педали от верхнего упора до момента касания толкателем поршня. Затем затягивают и зашплинтовывают гайку.


Рис. 3.2. Привод механизма выключения сцепления:

а – гидравлический автомобилей КамАЗ; б – механический автомобилей ЗИЛ:

1-педаль сцепления; 2-нижний упор: 3-кронштейн; 4-верхний упор; 5-рычаг; 6-эксцент­риковый палец; 7-толкатель поршня; 8 и 23-оттяжные пружины; 9-главный цилиндр; 10- гидролиния (шланг); 11-передний корпус пневмоусилителя; 12-задний корпус пневмоусилителя; 13-пробка; 14-перепускной клапан; 15-пневмолиния; 16-защитный чехол; 17- толкатель поршня пневмоусилителя; 18-сферическая регулировочная гайка; 19-редукционный клапан; 20-тяга вилки с пружиной; 21-регулировочная гайка; 22-рычаг вилки; 24-вилка выключе­ния сцепления; 25-муфта выключения сцепления с выжимным подшипником; 26-возвратная пружина

При регулировке свободного хода педали сцепления с механическим приво­дом (рис. 3.2, б) отворачивают на несколько оборотов контргайку гайки 21 , вра­щают гайку 21, изменяя длину тяги 20. Для увеличения свободного хода гайки 21 отвертывают, а для уменьшения – завертывают. После регулировки, удерживая гайку 21 неподвижной, затягивают до отказа контргайку.

Полный ход толкателя пневмоусилителя проверяют после нажатия на педаль сцепления до упора. Для автомобилей КамАЗ он должен быть не менее 25мм. При меньшем ходе не обеспечивается полное выключение сцепления. При недо­статочном перемещении толкателя пневмоусилителя проверяют свободный ход педали сцепления, объем жидкости в главном цилиндре привода сцепления и при необходимости прокачивают гидросистему привода сцепления.

Уровень жидкости «Нева» в бачке главного цилиндра привода механизма вы­ключения сцепления автомобилей КамАЗ проверяют с помощью щупа из комплекта инструмента водителя. Нормальный уровень жидкости в гидроцилиндре соответствует 40мм длины смоченной поверхности щупа, допустимый – 10мм. Полный объем жидкости в гидроприводе сцепления составляет 280см3 . Один раз в три года осенью заменяют жидкость в системе гидропривода сцепления.

Прокачку гидросистемы привода сцепления автомобилей КамАЗ выполняют после устранения негерметичности гидропривода в такой последовательности:

1) очищают от пыли и грязи резиновый защитный колпачок перепускного клапана 14 (см. рис. 3.2, а) и снимают его. Надевают на головку клапана резино­вый шланг, прилагаемый к автомобилю. Свободный конец шланга помещают в стеклянный сосуд с тормозной жидкостью;

2) резко нажимают на педаль сцепления 3-4 раза. При нажатой педали от­вертывают на 0,5-1 оборот клапан выпуска воздуха. Через шланг выйдет часть жидкости и содержащийся в ней в виде пузырьков воздух;

3) после прекращения выхода жидкости при нажатой педали сцепления за­ворачивают перепускной клапан;

4) операции 2 и 3 повторяют до тех пор, пока полностью не прекратится вы­деление воздуха из гидросистемы через шланг. Во избежание попадания в систему воздуха в процессе ее прокачки в систему периодически добавляют жидкость. Ее уровень в компенсационной полости главного цилиндра не должен снизиться бо­лее чем на 2/3 высоты от отметки нормального уровня;

5) по окончании прокачки при нажатой педали полностью заворачивают перепускной клапан, снимают с его головки шланг и устанавливают защитный колпачок на головку клапана;

6) доливают жидкость в главный цилиндр до нормального уровня.

Качество прокачки определяют по полному ходу толкателя пневмоусилителя привода сцепления.

Контроль и слив конденсата в гидроцилиндре пневмоусилителя автомобилей КамАЗ осуществляют после отвертывания пробки 13 (см. рис. 3.2, а) в переднем корпусе пневмоусилителя. Для полного удаления конденсата цилиндр продувают легким нажатием на педаль сцепления.

Смазывание сцепления и промывку гидросистемы привода рассмотрим на при­мере сцепления автомобилей КамАЗ. Втулки вала выключения сцепления смазывают через две пресс-масленки 3 (рис. 3.3), а подшипник муфты выключения сцепления – через пресс-масленку 2 шприцем. Во избежание попадания сма­зочного материала в картер сцепления число качков шприцем не должно превы­шать трех.


Рис. 3.3. Точки смазывания сцепления и коробки передач с делителем автомобилей КамАЗ:

1-сапун; 2-пресс-масленка выжимного подшипника; 3-пресс-масленка опоры; 4 и 5-сливные пробки с магнитом; 6-пробка заливного отверстия с указателем уровня; 7-пробка слив­ного отверстия

Промывают гидросистему привода сцепления техническим спиртом или чистой тормозной жидкостью с периодичностью не реже одного раза в три года. При этом полностью разбирают главный цилиндр и пневмоусилитель. Трубопроводы после промывки продувают сжатым воздухом, предварительно отсоединив их с обоих концов. Затвердевшие, изношенные или с повреждениями рабочих кромок ман­жеты заменяют новыми. Перед сборкой поршни и манжеты смазывают тормозной жидкостью. После заполнения гидросистемы привода сцепления свежей тормоз­ной жидкостью ее прокачивают для удаления появившегося воздуха.

Для замены пневмоусилителя гидропривода сцепления автомобилей КамАЗ необходимо выполнить следующее: выпустить воздух из пневмопривода тормозной системы через клапан на воздушном баллоне; снять оттяжную пружину 8 (см. рис. 3.2) рычага 5 вала вилки выключения сцепления; отсоединить пневмолинию 15 пневмоусилителя и гидролинию 10; слить жидкость из системы гидропривода; от­вернуть два болта крепления пневмоусилителя и снять его вместе с толкателем 17.

Устанавливают пневмоусилитель в такой последовательности: закрепляют усилитель на картере сцепления (делителя) двумя болтами с пружинными шайбами; присоединяют гидролинию 10 пневмоусилителя и пневмолинию 15; устанавливают оттяжную пружину 8 вала вилки выключения сцепления; наливают тормозную жидкость в компенсационную полость главного цилиндра через верх­нее отверстие при снятом защитном чехле; прокачивают систему гидропривода; проверяют герметичность соединении трубопроводов; устраняют подтекание тор­мозной жидкости подтяжкой или заменой отдельных деталей; проверяют и при не­обходимости регулируют зазор между торцом крышки и ограничителем хода што­ка включения делителя передач.

Таблица 1

Неисправности сцепления

Неисправность

Признак

неисправности

Причина

неисправности

Способ устранения
Сцепление «буксует» (неполное включение)

Автомобиль медленно набирает скорость или медленно теряет скорость на подъеме.

В кабине ощущается специфический запах горящих накладок

Нет зазора между упорным кольцом и выжимным подшипником (отсутствует свободный ход муфты)

Попадание смазки на поверхность трения

Износ фрикционных накладок

Поломка или потеря упругости нажимных пружин

Отрегулировать зазор 3,2…4мм (свободный ход муфты)

Снять сцепление и промыть поверхности трения

Заменить фрикционные накладки

Заменить нажимные пружины

Сцепление «ведет» (неполное выключение)

Включение передач сопровождается скрежетом

Резко возрастает усилие на рычаге при переключении передач

Большой зазор между упорным кольцом и выжимным подшипником

Коробление ведомых дисков или разрушение и обрыв накладок

Попадание воздуха в гидропривод или утечка жидкости

Зазор отрегулировать

Диски заменить

Жидкость долить, течь устранить, из гидросистемы воздух удалить («прокачать» систему)

Увеличенное усилие на педали сцепления При нажатии на педаль сопротивление возрастает

Не попадает сжатый воздух в пневмоусилитель (пневмоусилитель не работает)

Закаливание следящего поршня

Заменить клапан

Заменить манжету или кольцо следящего поршня

Сцепление включается резко Автомобиль трогается с места рывком Разбухание уплотнительных манжет гидропривода Заменить уплотнительные манжеты
Шум в механизме сцепления Повышенный шум в механизме сцепления при его включении

Разрушение подшипника включения сцепления

Повышенное биение упорного кольца оттяжных рычагов

Заменить подшипник

Механизм выключения отрегулировать выставкой рычагов

Запаздывание включения сцепления Автомобиль трогается с запаздыванием после отпускания педали

Застывание жидкости в гидросистеме

Заклинивание следящего поршня

Задиры в соединениях ведущих дисков

Гидросистему промыть

Заменить манжету следящего поршня

Устранить задир

Глава IV. ТЕХНИКА БЕЗОПАСНОСТИ

И ПРОИЗВОДСТВЕННАЯ САНИТАРИЯ

ТЕХНИКА БЕЗОПАСНОСТИ

1. ВВОДНАЯ ЧАСТЬ

Инструкция составлена на основании:

1.1. «Правил по охране труда на автомобильном транспорте», утвержденных Президиумом Центрального комитета профсоюза рабочих автомобильного транспорта и шоссейных дорог 24 апреля 1979 года и заместителем министра автомобильного транспорта РСФСР 07 мая 1979 г., согласованных с Центральным комитетом профсоюза работ­ников медицины в сельского хозяйства.

1.2. Настоящую инструкцию должны знать:

1.2.1. Мастера и ИТР, занятые на ремонте и техническом обслу­живании автомашин и дорожно-строительной техники.

1.2.2. Персонал, исполняющий работы по обслуживанию и ремонту автомашин и дородно-строительной техники.

2. ОБЩИЕ ТРЕБОВАНИЯ

2.1. Порядок допуска персонала к самостоятельной работе.

2.1.1. К самостоятельной работе в качестве слесаря по техни­ческому обслуживанию и ремонту автомашин и дородно-строительной техники допускаются лица не моложе 18 лет, прошедшие медицинское освидетельствование и не имеющие противопоказаний для выполнения данной работы, прошедшие специальное производственное обучение (включая стажирование на рабочем месте в кол-ве дней, указаниях в перечне), инструктаж по безопасности труда и противопожарной безопасности, прошедшие проверку знаний в квалификационной комис­сии с оформлением протокола. Допуск персонала к самостоятельной работе оформляется приказом по цеху.

2.2. Порядок обучения персонала по безопасным методам труда

2.2.1. Все вновь принимаемые на работу рабочие в качестве слесаря по ремонту и обслуживанию автомашин и ДСТ перед допус­ком к самостоятельной работе должны пройти проверку знаний нас­тоящей инструкции и не позднее 3 месяцев со дня поступления на работу должны пройти обучение безопасным методам и приемам ра­бот по утвержденной программе.

После обучения и в дальнейшее ежегодно проводится проверка знаний рабочими безопасных методов и приемов работ, которая оформляется протоколом.

Лица, знания которых признаны неудовлетворительными, к ра­боте не допускаются и должны пройти повторное обучение.

2.2.2. Допуск на обучение, стажирование и к самостоятельной работе оформляется приказом по цеху.

3. ОБЩИЕ ТРЕБОВАНИЯ БЕЗОПАСНОСТИ,

ПРЕДЯВЛЯЕМЫЕ К СЛЕСАРЮ ПО РЕМОНТУ

И ТЕХНИЧЕСКОМУ ОБСЛУЖИВАНИЮ АВТОМАШИН

И ДОРОЖНО-СТРОИТЕЛЬНОЙ ТЕХНИКИ

3.1. Приступив к самостоятельной работе, выполняйте только ту работу, которая поручена администрацией, при условии, что безопасные методы ее выполнения Вам хорошо известно и изучены.

Во всех других сомнительных случаях обратитесь к мастеру за разъяснением.

3.2. Совмещая другую работу (профессию) мало известную Вам, изучите инструкцию по технике безопасности для совмещаемой рабо­ты (профессии), получите от мастера инструктаж.

3.3. Содержите в чистоте и порядке свое рабочее место. Пролитое масло и другие жидкости немедленно уберите. Обтирочный материал складывайте в ящики, предназначенные для этой цели.

3.4. Не мойте руки в масле, эмульсии, керосине, не вытирай­те их песком, древесными опилками, концами ветоши, загрязненными стружкой и т.п.

3.5. Не обдувайте себя и других работающих сжатым воздухом из воздушной магистрали.

3.6. Берегите и содержите в чистоте и исправности индивидуаль­ные средства защиты (очки, щитки, противогазы и т.д.).

3.7. Выполняйте установленные правила производственной и личной гигиены.

3.8. Своевременно проходите медицинские осмотры и являйтесь на профилактические прививки.

3.9. Обязательно мойте руки перед приемом пищи, а также перед курением, после работы с этилированным бензином и другими вред­ными веществами.

3.10. Содержите в исправности выданную спецодежду, своев­ременно отдавайте ее в починку и стирку.

3.11. Индивидуальный шкаф для спецодежды всегда содержите в чистоте и порядке, исключите содержание в нем ненужных вещей и предметов, не предназначенных для личной гигиены.

3.12. Не работайте без предусмотренных нормами спецодежды и средств индивидуальной защиты или в неисправных средствах защиты.

3.13. Не прикасайтесь к открытым движущимся частям станка, даже если станок не работает, не трогайте его рукояток, ремней, шкивов, шестерен и кнопок пусковых электроустройств.

3.14. Не приводите в работу станки и другие механизмы, а также транспортные средства, обслуживание которых Вам не пору­чалось.

Неумелое обращение со станками, механизмами, а также транс­портными средствами может повлечь порчу механизмов и вызвать несчастный случай с людьми.

3.15. Не находитесь в зоне работы подъемно-транспортных средств (мостовых, автомобильных кранов, тельферов и других подъемников). Проходить или стоять под поднимаемым грузом, не­зависимо от того, тяжелый он или легкий, запрещено.

3.16. Не беритесь не за свое дело, не передавайте самовольно порученную работу кому бы то ни было без соответствующего на то разрешения администрации.

3.17. При выполнении любой работы выполняйте все указания и распоряжения администрации.

Без разрешения мастера или другого руководителя производст­венного участка не приступайте к работе и не начинайте ее, если не получили от мастера или начальника мастерских инструктаж по безопасности труда.

3.18. Заметив нарушение правил безопасности труда другими рабочими или опасность для окружающих, не оставайтесь безучастными, предупредите рабочего или мастера о необходимости соблюдения требований, обеспечивающих безопасность работы.

3.19. При несчастном случае, происшедшем на производстве, даже при самом незначительном, немедленно сообщите мастеру, одно­временно администрации цеха и направляйтесь в ближайший здравпункт, сохраните до расследования обстановку на рабочем месте и состояние оборудования такими, каким они были в момент проис­шествия(если это не угрожает жизни и здоровью окружающих работ­ников).

3.20. Будьте внимательны к сигналам подаваемым водителями движущегося транспорта и выполняйте их.

3.21. Не заходите без разрешения за ограждения.

3.22. Не наступайте на переносные электропровода на полу.

3.23. Не ходите по сложенному материалу, деталям, заготовкам.

3.24. Следите за исправностью и регулярно пользуйтесь венти­ляцией, установленной на рабочем месте.

3.25. Курите только в специально отведенных местах, перед курением чисто вымойте руки.

3.26. После окончания рабочего дня чисто вымойте руки, примите душ, переоденьтесь в домашнюю одежду.

4. ТРЕБОВАНИЯ БЕЗОПАСНОСТИ К СЛЕСАРЮ

ПЕРЕД НАЧАЛОМ РАБОТЫ

4.1. Наденьте и приведите в порядок рабочую одежду:

• застегните обшлага рукавов рубашки и штаниныбрюк;

• надежно зашнуруйте обувь;

• уберите волосы под плотно облегающий головной убор, ношение которого обязательно при работе на металлорежущем, электро-пневмо и другом механизированном инструменте.

4.2. Внимательно осмотрите рабочее место, проверьте достаточ­ность освещения, уберите все мешающие работе посторонние предме­ты и детали.

При необходимости закройте открытые канавы, траншеи, проверьте, надежно ли уложены переходные трапики через канавы.

Подготовьте необходимое количество переходных трапиков, лестниц-стремянок и т.д.

4.3. Проверьте исправность и комплектность для работы инстру­мента, приспособлений и средств индивидуальной защиты.

Неисправные инструменты, приспособления и средства защиты – замените.

4.4. Инструмент, приспособления, средства защиты расположите так, чтобы избежать лишних движений и обеспечить безопасность работы.

4.5. Перед началом технического обслуживания или ремонта автомашины или механизма вывесите на рулевое колесо табличку с надписью: «Двигатель не пускать - работают люди».

4.6. При обслуживании автомобиля на гидроподъемнике вывесите табличку на механизм управления подъемником с надписью: «Не трогать – под автомобилем работают люди».

4.7. Проверьте, достаточно ли чисто вымыты, очищены от грязи, мусора и снега автомобили и дорожно-строительная техника, постав­ленная на ремонт. Запрещается принимать на ремонт и техническое об­служивание не очищенные от грязи, мусора и снега транспортные сред­ства.

4.8. Установленный на ремонт автомобиль или дорожно-строительную машину затормозите ручным тормозом (если он предусмотрен заводом-изготовителем), включите низшую передачу, выключите зажигание, закройте подачу топлива, подложите под колеса упоры (башмаки).

При работах, связанных с провертыванием коленчатого и кардан­ного валов, дополнительно проверьте выключено ли зажигание, перекрыта ли подача топлива (для дизельных двигателей), поставьте рычаг перемены передач в нейтральное положение, освободите рычаг ручного тормоза. После выполнения необходимых работ затяните ручной тормоз и вновь включите низшую передачу.

5. ТРЕБОВАНИЯ БЕЗОПАСНОСТИ К СЛЕСАРЮ

ВО ВРЕМЯ РАБОТЫ

5.1. При пользовании ручным слесарным инструментом:

5.1.1. Пользуйтесь только исправным инструментом и приспособлениями. Применяйте их только по назначению.

5.1.2. При обработке деталей в тисках надежно зажимайте обрабатываемую деталь.

5.1.3. Не работайте напильником без ручек или треснутыми, раско­лотыми ручками.

5.1.4. Инструмент в инструментальный ящик укладывайте так, чтобы концы его были направлены в сторону внутренней стенки ящика, а в сумку – ручкой наружу.

5.1.5. При работе ключами с тарированным усилием следите, чтобы усилие при затяжке гаек, болтов (винтов) на превышало величин, ука­занных в требованиях чертежей, технических условий, техпроцессов.

5.1.6. Соблюдайте осторожность, не допускайте срыва ключа с гайки, головки болта.

5.1.7. При работе съемника соблюдайте осторожность, под­держивайте снимаемую деталь, чтобы не допустить ее падения.

5.1.8. При правке, (рихтовке) деталей предохраняете руки от ударов молотка, кувалды и заусенцев. Работаете в рукавицах.

5.1.9. Отвертывать или завертывать болты, гайки путем уд­линения гаечных ключей вторыми ключами или трубами удлините­лями – запрещается.

5.1.10. Класть инструмент на оборудование (агрегаты транспор­тных средств), коммуникации, перила ограждений или не огражденный край площадки, траншеи, лесов и подмостей, распорки и откосы траншей, краев люков, камер и колодцев – запрещается.

ПРОИИЗВОДСТВЕННАЯ САНИТАРИЯ

1. ОБЩИЕ ПОЛОЖЕНИЯ

При возникновении несчастного, случая в подразделении, каждый работающий на этом объекте, оказавшийся поблизости от пострадав­шего, должен немедленно оказать ему первую помощь, одновременно вызвать на место происшествия медицинских работников и руководите­ля работ в установленном на предприятии порядке.

Оказание первой помощи при любом несчастном случае следует производить спокойно, без суеты, уверенно, руководствуясь основ­ный правилом - помогая, не нанести вреда пострадавшему.

2. ПЕРВАЯ ПОМОЩЬ ПРИ УШИБАХ

Ушибы характеризуются: опухолью, болью, кровоподтёком в месте ушиба.

Первая помощь при ушибах заключается в придании пострадавшей часта тела покоя, возвышенного положения, применений местно холода (лед в пузыре, полиэтиленовом мешке, струя холодной воды из водопроводного крана и т.д.) и тугая давящая повязка. Ушибы головы, груд­ной клетки и живота требуют направления пострадавшего немедленно в медпункт.

3. ПЕРВАЯ ПОМОЩЬ ПРИ ВЫВИХАХ

Вывихи в суставах характеризуются: изменением обычной формы (деформацией) сустава, болью и невозможностью движения в поврежденном суставе.

На месте несчастного случая нельзя даже пытаться вправлять вы­вих без медицинских работников.

Первая помощь при вывихах в суставах верхних конечностей заклю­чается в имибилизации её (конечноcти) любым доступным способом (подвешивание на косынку, на полу пиджака, спецовки, наложение ши­ны из подручных материалов: доска, палка, полоса металла или стан­дартных шин. При отсутствии перечисленных предметов можно прибинтовать руку к туловищу).

При вывихах в суставах нижних конечностей - больного транс­портировать на носилках, удобно уложив повреждённую конечность, обложив её валиками.

При любом вывихе больного направляют в мед. учреждение.

4. ПЕРВАЯ ПОМОЩЬ ПРИ РАСТЯЖЕНИИ

СВЯЗОЧНОГО АППАРАТА СУСТАВА

Растяжение связок характеризуется: опухлостью области сустава, болью при ощупывании и движении в нём (но движения в суставе - воз­можны); наличием кровоподтёка (синяка) в области повреждения.

Первая помощь заключается в придании покоя конечности наложеннии давящей повязки на сустав, применении местно холода (лёд, снег, холодная вода в течение 15мин непрерывно, затем через I час повторение процедуры) и придания конечности возвышенного положения.

5. ПЕРВАЯ ПОМОЩЬ ПРИ РАНЕНИЯХ

Раны характеризуются: нарушением целостности кожного покрова, болью в месте повреждения, кровотечением.

Первая помощь при ранениях заключается в смазывании кожи вокруг раны (но не самой раны) дезинфицирующими жидкостями (спирт, йод, неэтилированный бензин) и наложении асептической повязки (стериль­ным бинтом, или салфеткой, которые имеются в медицинской аптечке)

До того, как приступить к обработке раны, необходимо обеззара­зить руки самому оказывающему помощь с помощью тех же дезинфицирующих жидкостей.

Инородные тела из ран не удалять без участия медработник. При любых ранениях пострадавшему должна быть произведена прививка против столбняка в медпункте.

6. ПЕРВАЯ ПОМОЩЬ ПРИ КРОВОТЕЧЕНИИ

Кровотечения бывают: артериальное, когда из раны фонтанчиком, пульсирующей струёй вытекает алая кровь; венозное - когда кровь тёмного цвета, истекает непрерывной струйкой; и капиллярное - крово­течение при ссадинах.

Капиллярное и венозное кровотечение останавливается давящей асептической повязкой.

7. ПЕРВАЯ ПОМОЩЬ ПРИ ПЕРЕЛОМАХ

Переломы костей характеризуются: нарушением целостности кости, что проявляется в изменении формы конечности деформация её), опухлости на месте перелома, появление необычной подвижности в месте перелома, невозможностью пользования конечностью.

Открытые переломы сопровождаются наличием раны в зоне перелома. Первая помощь при переломах заключается в обездвиживании конечности, созданием ей покоя с помощью наложения шины, или фиксирований конечности: верхней - к туловищу, нижней - к здоровой конечности.

При фиксации конечностей выполнять условие: фиксировать два близлежащих к перелому сустава (два смежных сустава).

При переломе позвоночника больной срочно транспортируется на носилках со щитом на спине, в случае отсутствия щита, больной укладывается на носилки лицом вниз. При перекладывании больного необходимо следить за тем, чтобы не наступало перегибов позвоноч­ников в месте повреждения. В перекладывании должно участвовать не менее 3-х человек, ибо дополнительная травма позвоночника, и спин­ного мозга чревата осложнениями вплоть до смертельного исхода.

При переломе костей таза больной транспортируется на носил­ках лицом вверх, ноги укладываются на валик в полусогнутом положении. При транспортировке пострадавшего с травмой черепа в бес­сознательном состоянии необходимо следить за тем, чтобы во время возможной рвоты, больной не захлебнулся рвотными массами. С этой целью во время рвоты голову больного поворачивают на бок.

8. ПЕРВАЯ ПОМОЩЬ ПРИ ОЖОГАХ

Химические ожоги возникают от действия сильных щелочей, кис­лот и т.д., но могут возникнуть и от длительного контакта с кожей йода, не разведенного спирта.

В случае химического ожога кислотой необходимо: обожженную поверхность нейтрализовать раствором щелочи (нашатырный спирт, раствор соды 2%, в случае их отсутствия обильно промыть холодной водой, после чего смазать кожу вокруг обожжённого места дезин­фицирующими жидкостями и наложить асептическую повязку, после чего направить больного к врачу.

При ожогах сильными щелочами:слабый раствор кислот (лимонной, уксусной), в случае отсутствия их, обильно промывается обожжённая поверхность водой, кожа после этого смазывается дезинфицирующими жидкостями и на обожженную поверхность накладывается асептическая повязка. Больной также на­правляется к врачу.

Термические ожоги. Первая помощь при ограниченных площадях поражения должна заключаться в обильном промывании обожженной по­верхности струей холодной воды из-под водопроводного крана, с по­следующим обезвреживанием кожи вокруг обожженной поверхности и нало­жением на рану асептической повязки. Больной транспортируется в медпункт или травмпункт.

Обширные ожоги требуют укутывания пострадавшего в чистую простынь, даче горячего чая с сахаром и срочной госпитализации пострадавшего. Во всех случаях ожогов пострадавшие также, как и при ранениях должны получить в медучреждении прививку против столбняка.

9. ОТРАВЛЕНИЯ

9.1. Отравления угарным газом.

Отравление может наступить при нахождении в плохо вентилируе­мых помещениях, где есть газовое оборудование, там, куда могут периодически поступать выхлопные газы двигателей внутреннего сгора­ния, где есть угольная печь с дефектной конструкцией и т.п.

При лёгкой степени отравления наблюдается только помрачение сознания. Первая помощь заключается в удалении пострадавшего из за­ражённой атмосферы, при невозможности - необходимо проветрить по­мещение, одеть на пострадавшего противогаз с гонкалитовым патроном.

При отравлениях средней тяжести пострадавший теряет сознание, наблюдается ослабление дыхания, учащение или урежение пульса, разви­вается бледность или синюшность кожных покровов, при этом может быть малиновый румянец на щеках, иногда появляется рвота и судоро­ги. Мероприятия 1-й помощи те же, что и пря лёгкой степени, и кроме того, по возможности проводится ингаляция кислородом, при урежении и ослаблении дыхания к носу потерпевшего подносится ватный шарик или кусочек марли, смоченные нашатырным спиртом.

Такой пострадавший немедленно доставляется в лечебное учреждение.

При тяжёлых отравлениях наступает утрата сознания, развиваются мышечные параличи, резко угнетается дыхание вплоть до полной его остановки. Мероприятия те же, плюс искусственная вентиляция лёгких способами «рот в рот», или «рот в нос».

Решающее значение для прогноза имеет скорейшая транспортиров­ка пострадавшего в лечебное учреждение, при этом мероприятия 1 по­мощи оказываются одновременно с транспортировкой. Во время доставки больного, необходимо особое внимание уделить лечению дыхательной недостаточности, которая может быть вызвана как угнетением дыхание, так и механическими причинами: западение языка и мягких тканей ротоглотки, а также вдыханием затекающего в верхние дыхательные пути желудочного содержимого. Для профилактики указанных осложнений, тран­спортировку нужно осуществлять в положении лёжа (лучше на боку), со слегка опущенным головным концом. Профилактика западения языка и мягких тканей ротоглотки проводится с помощью выдвижения ниж­ней челюсти больного вперёд и вверх (до смыкания с верхней че­люстью) и удержания её в таком положении руками или подручными средствами (подвязать).

При возникновении рвоты, что гораздо опаснее пассивного исте­чения желудочного содержимого, необходимо немедленно опустить го­ловной конец, повернуть голову вбок. Эвакуацию содержимого желуд­ка из ротоглотки и носа осуществлять пальцами (твёрдого содержимого) и перевязочным или любым другим материалом (жидкого содержимого).

9.2. Отравления веществами удушающего действия: (фосген, хлорсодержащие вещества).

Отравляющее вещество, как правило, находится в газообразном состоянии. Поражённый жалуется на резь в глазах, першение и жжение в носоглотке, некоторое стеснение в груди, головокружение, ка­шель, иногда его беспокоит тошнота и рвота. Все эти симптомы по вы­ходе из заражённой среды исчезают через 10-15 минут. 1-ая помощь: выход из заражённой среды, если это невозможно – надеть противогаз, вдыхать противодымную смесь. Не обходимо промыть глаза раствором соды, прополоскать тем же раствором рот и горло. В течение часа нужно обратиться в лечебное учреждение за помощью.

При несвоевременном обращении симптомы поражения могут вновь появиться и быстро прогрессировать: при тяжелом поражении - через 1,5-2 часа, при средней тяжести - через 4-6, иногда через 18-24 часа.

При повторном проявлении поражения у пострадавших развиваются симптомы отёка лёгких: одышка, клокочущее дыхание, влажный кашель с отделением большого количества розовой пенистой мокроты, развивается синюшность кожных покровов, учащение пульса.

Пострадавшего необходимо немедленно доставить в лечебное учреждение на носилках, с высоко приподнятым головным концом (полусидя). При транспортировке, по возможности, проводится инга­ляция кислородом, а на конечности, на уровне верхней трети бедер, с обеих сторон накладываются жгуты. При правильном их наложении конечности синеют и опухают.

9.3. Отравление кислотами и щелочами.

Отравления кислотами и щелочами может произойти случай­но или преднамеренно (суицидальная попытка, употребление через рот).

Мероприятием 1-й доврачебной помощи является промывание желудка. Поскольку в быту нет возможности провести зондовое промывание, то рекомендуется дача пострадавшему путём питья нео­граниченно больших количеств холодной воды. Перед питьём желательно также через рот дать 100-150гр. растительного масла.

После того, как пострадавший выпил 1-2 литра воды, путём ме­ханического раздражения корня языка (пальцами) вызывают рвотный рефлекс. Эта процедура - питье и провокация рвоты прово­дится много раз - не менее 5-6 подряд. Доставка в лечебное учреж­дение додана быть немедленной. Промывание желудка проводится одно­временно с транспортировкой.

Если у пострадавшего спутанное сознание или оно совсем от­сутствует, то промывание не производится, и первая помощь заключается в скорейшей транспортировке с соблюдением предосторожнос­тей (см. отравление угарным газом).

10. СЕРДЕЧНО-ЛЕГОЧНАЯ РЕАНИМАЦИЯ

Если у пострадавшего отсутствуют дыхание и сердечные сокраще­ния, то нужно немедленно приступить к проведению реанимационных мероприятий: непрямого массажа сердца и искусственного дыхания.

Заключение

Эффективность использования автотранспортных средств зависит от совершенства организации перевозочного процесса и свойства автомобилей сохранять в определенных пределах значения параметров, характеризующих их способность выполнять требуемые функции. В процессе эксплуатации автомобиля его функциональные свойства постепенно ухудшаются вследствие изнашивания, коррозии, повреждения деталей, усталости материала, из которого они изготовлены и др. В автомобиле появляются различные неисправности (дефекты), которые снижают эффективность его использования. Для предупреждения появления дефектов и своевременного их устранения автомобиль подвергают техническому обслуживанию и ремонту.

Выполнению работ по техническому обслуживанию и ремонту автомобиля предшествует оценка его технического состояния (диагностирование). Диагностирование при техническом обслуживании проводят для определения его необходимости и прогнозирования момента возникновения неисправного состояния путем сопоставления фактических значений параметров, измеренных при контроле, с предельными. Диагностирование при ремонте заключается в нахождении неисправности и установлении метода ремонта и объема работ при ремонте, а также проверке качества выполнения ремонтных работ. Своевременные техническое обслуживание и ремонт подвижного состава автомобильного транспорта позволяют содержать автомобильный парк страны в исправном состоянии.

Удельные затраты на техническое обслуживание и ремонт за срок службы автомобиля в несколько раз превышают затраты на его изготовление. Особенно велика трудоемкость этих работ.

В соответствии с решениями XXVII съезда КПСС о всемирном развитии фирменного ремонта и технического обслуживания автомобилей предприятиями и более широком применении агрегатного метода ремонта в автомобильной промышленности создаются специализированные агрегатно-ремонтные предприятия с большой программой выполнения ремонтных работ. Широкое применение прогрессивных технологических процессов и автоматизированного оборудования позволяет повысить качество ремонта и снижает его себестоимость.

Список литературы:

1. Машков Е.А. Техническое обслуживание и ремонт автомобилей КамАЗ–5320, 53211, 53212, 53213, 5410, 54112, 55111, 55102/Иллюстрированное издание–Издательство «Третий Рим», 1997-88с.

2. Осыко В.В. и др. Устройство и эксплуатация автомобиля КамАЗ-4310:Учебное пособие / Осыков В.В., Петриченко И.Я., Алленов Ю.А., Цветков В.Н., Лысов М.А.–М.: Патриот, 1991.–351 с.: ил.

3. Роговцев В.Л. и др. Устройство и эксплуатация автотранспортных средств: Учебник водителя / Роговцев В.Л., Пузанков А.Г., Олдфильд В.Д.–М.: Транспорт, 1989.–432 с.: ил.

4. Румянцев С.И. и др. Техническое обслуживание и ремонт автомобилей: Учебник для ПТУ / С.И. Румянцев, А.Ф. Синельников, Ю.Л. Штоль.–М.: Машиностроение, 1989.–272 с.: ил.

5. Устройство, техническое обслуживание и ремонт автомобилей: Учеб./Ю.И. Боровских, Ю.В. Буралев, К.А. Морозов, В.М. Никифоров, А.И. Фешенко – М.:: Высшая школа; Издательский центр «Академия», 1997.-528с.: ил.

6. Инструкция по безопасности труда для персонала, занятого на ремонте и техническом обслуживании автомашин и дорожно-стоительной техники ИБТ-К–97-85.

7. КамАЗ: что ожидает автогигант в будущем? // Бизнес.–1999.–с. 29

Приложение 1.
ПАМЯТНЫЕ ДАТЫ КАМАЗА

13 декабря 1969 года - на строительстве Камского автозавода вынут первый ковш грунта.

Осень 1970 года - уложены первые кубометры бетона в фундамент первенца КАМАЗа - Ремонтно-инструментального завода, а также корпуса серого и ковкого чугуна Литейного завода.

Январь 1971 года - сдан первый в Набережных Челнах 12-ти этажный жилой дом для первопроходцев КАМАЗа.

1973 год - возведены корпуса практически всех объектов первой очереди комплекса, пущен первый городской трамвай, поставлен под нагрузку первый энергоблок ТЭЦ.

Май 1974 года - в экспериментальном цехе управления главного конструктора КАМАЗа собран первый двигатель.

1975 год - на всех заводах комплекса идет монтаж, пуско-наладка технологического оборудования, выпуск пробной продукции.

Декабрь 1975 года - на заводе двигателей собран силовой агрегат N 1 по временной технологии, но собственными силами.

16 февраля 1976 года - с главного сборочного конвейера автомобильного завода сошел первый камский грузовик.

Правительство страны утвердило генеральную схему управления автомобильной промышленностью. Согласно этой схеме КАМАЗ получил статус производственного объединения и стал подчиняться непосредственно Минавтопрому, минуя все главки.

29 декабря 1976 года - Государственная комиссия во главе с Министром автомобильной промышленности СССР Поляковым В. Н. подписала акт о вводе в эксплуатацию первой очереди Камского комплекса заводов по производству большегрузов.

Ко времени сдачи в эксплуатацию 1-ой очереди КАМАЗ обладал огромными производственными фондами. Они были в 2 раза выше, чем на ВАЗе и в 3 раза превосходили общеотраслевой показатель по Минавтопрому.

Октябрь 1977 года - КАМАЗ досрочно завершил свой первый годовой план, выпустив 15000 автомобилей. К концу декабря их было уже 22 тысячи.

Август 1978 года - изготовлен 50-тысячный грузовик.

Июнь 1979 года - с главного конвейера сошел грузовик за номером 100000. Темпы роста производства на КАМАЗе были рекордными не только для нашей страны.

Апрель 1980 года - выпущен 150-тысячный большегруз.

Февраль 1981 года - сданы в эксплуатацию мощности второй очереди КАМАЗа.

Февраль 1983 года - главным событием этого года стало создание производственной фирмы "КАМАЗавтоцентр", главной задачей которого стало обеспечение всех автомобилей "КамАЗ" гарантийным обслуживанием и поставка запасных частей к ним на весь период жизни автомобиля. уже к концу десятилетия в его составе было 210 автоцентров. Развитая сеть автоцентров на огромной территории СССР, а также за рубежом сразу же сблизила КАМАЗ с потребителем, позволила оперативно реагировать на требования заказчика, эффективно проводить маркетинговые исследования, максимально быстро осуществлять ремонт автомобилей и поставки запчастей.

В настоящее время автоцентры КАМАЗа превращаются также в активно действующие дилерские центры по продаже автомобилей и запчастей.

1986 год - Автомобили "КамАЗ", составляющие лишь четвертую часть грузового автопарка страны, занятого на уборке, перевезли 60% урожая 1986 года.

1987 год - создано производство микролитражных автомобилей "Ока". 21 декабря этого же года с конвейера сошла первая камская микролитражка "Ока-ВАЗ-1111". В 1994 году введен в строй завод по производству микролитражных автомобилей "Ока", рассчитанный на выпуск 75000 автомобилей в год.

1988 год - по подсчетам специалистов, с начала выпуска автомобилей "КамАЗ" страна получила от их эксплуатации около 8 млрд. руб. транспортной прибыли. Таким образом, уже за первые десять лет работы КАМАЗ полностью оправдал все капиталовложения государства, связанные с его строительством.

25 июня 1990 года - Правительство приняло решение о создании на базе имущества Производственного объединения "КАМАЗ" акционерного общества. КАМАЗ стал первым из крупнейших предприятий страны, вступившим в эпоху новых экономических отношений. Устав акционерного общества "КАМАЗ" утвержден на общем собрании 11 августа 1990 года.

14 апреля 1993 года - пожар на заводе двигателей, охвативший в считанные минуты всё предприятие, почти полностью уничтожил не только сам производственный корпус, но и сложнейшее технологическое оборудование.

С первых же дней ликвидации последствий пожара работа шла в двух направлениях - восстановление мощностей по выпуску 100 тыс. двигателей и, параллельно, создание производства силовых агрегатов на основе новейшего технологического оборудования. В невиданно короткие сроки, благодаря поддержке правительства России и Татарстана, камазовцам удалось буквально из пепла вновь восстановить предприятие. Уже в декабре 1993 года завод двигателей выпустил первую послепожарную продукцию.

10 августа 1993 года - с главного конвейера КАМАЗа сошел грузовик под номером 1500000.

30 августа 1999 года - с начала производства выпущен 1600000-й большегруз.

Сегодня группа ОАО "КАМАЗ" - это единый производственный комплекс, расположенный в Набережных Челнах, в который входят 9 специализированных заводов, включающих в себя все технологические переделы современного машиностроения, а также 6 заводов, находящихся за пределами Челнов: в России, Украине и Казахстане. Все они имеют самостоятельный юридический статус с правом самостоятельной работы на рынке.

Оценить/Добавить комментарий
Имя
Оценка
Комментарии:
Срочная помощь учащимся в написании различных работ. Бесплатные корректировки! Круглосуточная поддержка! Узнай стоимость твоей работы на сайте 64362.ru
19:51:24 10 сентября 2021
Привет студентам) если возникают трудности с любой работой (от реферата и контрольных до диплома), можете обратиться на FAST-REFERAT.RU , я там обычно заказываю, все качественно и в срок) в любом случае попробуйте, за спрос денег не берут)
Olya22:18:39 24 августа 2019
.
.22:18:38 24 августа 2019
.
.22:18:37 24 августа 2019
.
.22:18:36 24 августа 2019

Смотреть все комментарии (29)
Работы, похожие на Реферат: Устройство, работа, неисправности, ремонт сцепления атомобиля КамАЗ

Назад
Меню
Главная
Рефераты
Благодарности
Опрос
Станете ли вы заказывать работу за деньги, если не найдете ее в Интернете?

Да, в любом случае.
Да, но только в случае крайней необходимости.
Возможно, в зависимости от цены.
Нет, напишу его сам.
Нет, забью.



Результаты(286391)
Комментарии (4153)
Copyright © 2005-2021 HEKIMA.RU [email protected] реклама на сайте