КРАСНОДАРСКИЙ ТЕХНИЧЕСКИЙ КОЛЛЕДЖ
РЕФЕРАТ
на тему:
«Рулевое управление и тормозная система автомобиля»
Разработал Гончаров С.А
2002 г.
ОСНОВНЫЕ ЭЛЕМЕНТЫ РУЛЕВОГО УПРАВЛЕНИЯ И КОНСТРУКЦИЯ РУЛЕВЫХ УПРАВЛЕНИЙ БЕЗ УСИЛИТЕЛЕЙ
ОСНОВНЫЕ ЭЛЕМЕНТЫ И ДЕЙСТВИЕ РУЛЕВОГО УПРАВЛЕНИЯ
Рулевое управление служит для изменения направления движения автомобиля. При неподвижной передней оси изменение направления движения автомобиля осуществляется поворотом передних управляемых колес.
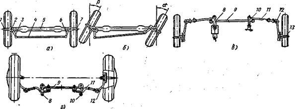
Для того чтобы при движении автомобиля на повороте колеса его имели качение без бокового скольжения, они должны катиться по окружностям, описанным из одного центра, который называется центром поворота.
В этом центре О (рис. 1) должны пересекаться продолжения осей всех колес. Для соблюдения данного условия внутреннее к центру поворота управляемое колесо должно поворачиваться круче, т. е. на больший угол, чем наружное колесо. Для одновременного поворота колес на необходимые различные углы служит рулевая трапеция.
В трапецию входят (рис. 2, а) передняя ось 5,
рулевые рычаги 3
и 6,
соединенные с поворотными кулаками 1
и 7, и поперечная рулевая тяга 4.
Поворотные кулаки шарнирно соединены с осью шкворнями 2.
При повороте одного колеса через рычаги 3
и 6
и тягу 4
поворачивается и другое колесо. При этом вследствие изменения положения поперечной тяги 4
относительно передней оси внутреннее к центру поворота колесо поворачивается на угол а (рис. 2, б), больший, чем угол Р поворота наружного колеса.
Правильность соотношения угла а и Р поворота колес обеспечивается соответствующим подбором угла наклона рулевых рычагов к продольной оси автомобиля и длины рулевых рычагов и поперечной тяги.
Кроме трапеции в рулевое управление входят (рис. 3) рулевое колесо / с валом 3,
установленным в рулевой колонке 2,
и рулевой механизм 4,
заключенный в картер, а также рулевая сошка 5,
продольная рулевая тяга 6,
рулевой рычаг 7 продольной тяги.
При повороте рулевого колеса / в ту или другую сторону вместе с ним вращается вал 3,
приводя в действие рулевой механизм 4,
поворачивающий сошку 5.
Нижний конец сошки перемещается вперед или назад, поворачивая через тягу 6
рулевой рычаг 7 с поворотным кулаком, соединенным шарнирно с осью 10.
Через рулевые рычаги 8
и поперечную тягу 9 на соответствующий угол поворачивается и другой кулак 11 с
установленным на его цапфе колесом.
Рулевую нерасчлененную трапецию такого устройства применяют на грузовых автомобилях, у которых управляемые колеса установлены на общей оси, подвешенной на рессорах к раме.
При независимой подвеске колес у легковых автомобилей рулевую трапецию делают расчлененной с несколько измененным расположением тяг и рычагов. Расчлененная рулевая трапеция с передним (рис. 2, в) или задним (рис. 2, г) расположением обычно включает рулевую сошку 8,
конец которой перемещается в поперечном направлении, и маятниковый рычаг 10,
соединенные средней поперечной тягой 9. . •
Маятниковый рычаг 10
установлен шарнирно на оси в кронштейне, закрепленном на раме основания кузова. Концы сошки 8 и маятникового рычага 10
или средней тяги соединены шарнирно двумя промежуточными боковыми тягами 11
с рычагами 12
поворотных кулаков 13
или поворотных стоек колес. Такая схема с расчлененной рулевой трапецией обеспечивает правильный поворот управляемых колес при качании их на независимой подвеске.

Рис. 1. Схема поворота автомобиля

Рис. 2. Схемы рулевых трапеций
У легковых автомобилей получает применение энергопоглощающее рулевое управление,
повышающее безопасность водителя при аварии автомобиля. Такое рулевое управление имеет составной телескопический рулевой вал и колонку с фрикционными элементами или включает другие упругие элементы. В случае удара автомобиля о препятствие и смятия его передней части энергия удара поглощается в фрикционных или упругих элементах рулевого управления, а удар и перемещения не передаются на верхнюю часть его вала с рулевым колесом, предохраняя водителя от травм.
РУЛЕВОЙ МЕХАНИЗМ
Рулевой механизм 4
(см. рис. 3) служит для передачи усилий от рулевого колеса 1 с валом 3
на сошку 5. Рулевой механизм имеет передаточное число, доходящее обычно до 15— 20, вследствие чего усилие, развиваемое на сошке, получается значительно больше, чем усилие, приложенное к рулевому колесу, что облегчает поворот рулевого колеса и управление автомобилем.
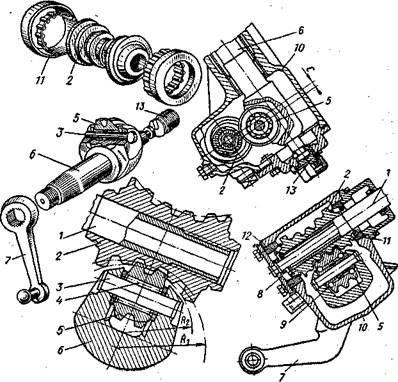
Наибольшее применение получил рулевой механизм, выполненный в виде пары — глобоидальный червяк и ролик на подшипниках качения.
Такой рулевой механизм состоит из стального глобоидального (т. е. с вогнутой поверхностью) червяка 2
(рис. 4), в зацепление с которым входит двух- или трехгребневой ролик 5.
Червяк 2 закреплен на рулевом валу 1
и установлен на подшипниках 11
в картере 10
рулевого механизма. Ролик n5 установлен на шариковом 9
или игольчатом 4
подшипнике на оси 3, закрепленной в головке вала 6.
Бал лежит на подшипниках в приливе картера. На наружном конце вала закреплена сошка 7.
При повороте червяка ролик перемещается по его винтовой нарезке, поворачивая вал с сошкой. При вогнутой поверхности червяка получается правильное зацепление червяка с роликом при различных его положениях. В такой паре трение и износ значительно уменьшаются, так как при работе ролик не скользит, а катится по червяку.
Вогнутая поверхность червяка и дуга, по которой поворачивается ролик, описаны разными радиусами R1
и R2
из разных центров так, что дуги сближаются в средней плоскости и расходятся по краям. Вследствие этого обеспечиваются малый зазор между роликом и червяком в' среднем положении и увеличенные зазоры в крайних положениях ролика. Это повышает чувствительность рулевого управления при среднем положении колес, облегчает вывод рулевого колеса из крайних положений и способствует более равномерному износу червяка.
Рулевой механизм расположен в картере 10,
который крепится на раме и заполнен маслом.

Рис. 3. Схема устройства рулевого управления

Рис. 4. Рулевой механизм
Для поддержания правильного зацепления пары и устранения повышенных зазоров в рулевом механизме, что может вызвать большой свободный ход рулевого колеса, применяют регулировочные устройства. При этом регулируют осевой зазор червяка в подшипниках, осевой зазор вала сошки и зацепление пары. Регулировку осевого зазора червяка 2
и его подшипников 11
осуществляют обычно с помощью прокладок 12,
установленных под верхней или нижней крышкой 8
картера, или с помощью торцовой гайки, завернутой в картер. Регулировка глубины зацепления ролика 5 с червяком 2
осуществляется чаще всего осевым перемещением вала 6
сошки с помощью регулировочного винта 13,
так как средняя диаметральная плоскость ролика несколько смещена относительно средней плоскости червяка на величину с.
Кроме рассмотренного рулевого механизма применяют рулевые механизмы других типов: винт-сектор, винт-гайка и др. В рулевом механизме, выполненном в виде пары винт—гайка, для уменьшения трения между ними в некоторых конструкциях рулевых управлений вводят непрерывную цепь циркулирующих стальных шариков. При этом трение скольжения в паре заменяется трением качения, что облегчает поворот рулевого колеса.
ДЕТАЛИ РУЛЕВОГО ПРИВОДА
Рулевой привод служит для передачи усилия от рулевого механизма к колесам. К деталям рулевого привода с установкой колес на общей оси относятся (см. рис. 3): рулевая сошка 5, продольная тяга 6, рычаг 7
продольной тяги, рулевые рычаги 5 поворотных кулаков 11 и поперечная тяга 9.
Рулевая сошка одним концом закреплена на наружном конце вала рулевого механизма. Крепление производится на конусных шлицах с помощью гайки. Для правильной установки сошки при сборке на валу делают специальные метки или сдвоенный шлиц, обеспечивающий возможность установки сошки на валу только в одном положении.
У грузовых автомобилей нижний конец сошки 5
соединен при помощи продольной тяги с рулевым рычагом, закрепленным в поворотном кулаке. Тяга 1 (рис. 5, а) обычно имеет трубчатое сечение и снабжена наконечниками, в которых установлены сухари 3 и 5, охватывающие шаровые пальцы 4
сошки

Рис. 5. Шарнирные соединения рулевых тяг
или рулевого рычага. Сухари сжимаются пружиной 6
и закрепляются пробкой 8,
ввернутой в конец тяги. При помощи пробки можно регулировать затяжку пружин. Предельное сжатие ее ограничивается ограничителем 7. Пробку в установленном положении шплинтуют. Отверстия в наконечниках тяг для прохода шаровых пальцев закрывают уплотняющими крышками 9.
Внутрь наконечников подается смазка через масленку 2.
Наконечники тяги с амортизирующими пружинами смягчают толчки, передаваемые от колес на сошку, предохраняя рулевой механизм от повышенного износа и поломки.
Рулевые рычаги закреплены в отверстиях вилок поворотных кулаков на шпонках гайками со шплинтами. Шаровые пальцы рычагов обычно делают вставными и крепят в рычагах при помощи гаек со шплинтами.
Поперечная тяга 10
(рис. 5, б), соединяющая рычаги цапф, имеет по концам наконечники 12,
навернутые на резьбе и закрепленные стяжными болтами 11. Вращением тяги в наконечниках можно изменять рабочую длину тяги, что необходимо для правильной регулировки схождения передних колес. В поперечной тяге обычно применяют наконечники 13
(рис. 5, в)
с вертикальными вкладышами 3,
плотно зажимающими шаровой или полушаровой палец 4
под действием подпятника и пружины 6.
Таким соединением обеспечивается автоматическое устранение зазора при износе деталей сочленения. В некоторых конструкциях применяют для снижения трения в сочленении и его износа пластмассовые вкладыши. Наконечник снизу закрыт крышкой и сочленение сверху уплотняется резиновой шайбой 14
или закрывается резиновым чехлом; внутрь шарнира подается смазка.
У легковых автомобилей с расчлененной рулевой трапецией при независимой подвеске колес рулевой привод включает рулевую сошку 8
(см. рис. 2, в, г) с
маятниковым рычагом 10,
среднюю поперечную тягу 9,
боковые тяги 11
и рулевые рычаги 12
поворотных кулаков или стоек. Сочленения тяг и рычагов рулевого привода также снабжены шаровыми шарнирами. Применяют шарниры разборного или неразборного типа (рис. 5, г, д),
с шаровыми 4
или полусферическими пальцами, установленными в наконечниках тяг обычно на пластмассовых (полиуретановых, полиамидных и др.) вкладышах 15,
поджимаемых подпятниками 16
с пружинами 18.
Шаровые сочленения хорошо герметизированы — надежно защищены резиновыми чехлами 19;
смазку в них обычно закладывают при сборке и в процессе эксплуатации не дополняют. В разборном шарнире крышка 17
(рис. 5, г)
головки шарнира съемная, закреплена стопорным кольцом; в неразборном крышка завальцована в головке (рис. 5, д).
РУЛЕВОЕ УПРАВЛЕНИЕ АВТОМОБИЛЕЙ «ЗАПОРОЖЕЦ» МОД. ЗАЗ-968 И -968А
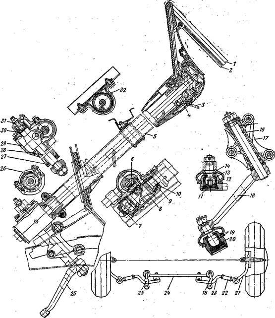
На автомобиле «Запорожец»
ЗАЗ-968 рулевое управление имеет энергопоглощающий элемент и рулевую трапецию расчлененного типа с передним расположением.
Рулевой механизм, расположенный в чугунном картере 16
(рис. 6), выполнен в виде пары глобоидальный червяк — двухгребневой ролик. Ролик 11
установлен на оси 12
головки вала рулевой сошки на двухрядном радиально-упорном шарикоподшипнике. Червяк 15,
закрепленный на нижнем конце составного рулевого вала, «установлен в картере 16
рулевого механизма на двух конических роликоподшипниках. Подшипники регулируют нижней пробкой 17,
ввернутой в картер на резьбе. Пробку фиксируют стопорной гайкой. Вал червяка уплотняют в картере сальником 14.
Вал 28
рулевой сошки 18
лежит в приливе картера на бронзовых втулках и уплотнен сальником 29.
Зацепление ролика с червяком регулируют винтом 30,
ввернутым в верхнюю крышку 31
картера и входящим головкой с регулировочной шайбой в паз вала рулевой сошки. Винт закреплен контргайкой.
Картер 16
рулевого механизма крепят на кронштейне основания кузова. Между картером и кронштейном на один крепящий болт поставлены регулировочные шайбы 10.
Картер в стенке кронштейна уплотнен резиновым уплотнителем 26.
Рулевой вал 3,4
установлен во втулке в резиновой обойме 33,
закрепленной в кронштейне 32,
который прикреплен к щитку кузова. На верхнем конце рулевого вала установлено рулевое колесо / с двумя спицами. В центре колеса расположена кнопка 2
включения звукового сигнала. Нижний конец рулевого вала соединен с валом 13
червяка на шлицах при помощи стяжного зажима 27.
Такая конструкция составного рулевого вала с энергопоглощающим промежуточным зажимом устраняет передачу удара от картера на рулевой вал в случае аварии автомобиля. Энергия удара поглощается вследствие трения при скольжении вала червяка в зажиме 27,
затягиваемом с определенным усилием при сборке.
На наружном конце вала 28
укреплена на елочных шлицах гайкой с шайбой рулевая сошка 18,
соединяемая шарнирно с левым концом поперечной рулевой тяги 19.
Правый конец этой тяги соединен с маятниковым рычагом 21,
закрепленным на пальце 25,
который установлен на

Рис. 6. Рулевое управление автомобиля «Запорожец» ЗАЗ-968
двух конусных резиновых втулках 24.
Втулки зажаты шплинтуемой гайкой с шайбой в кронштейне, закрепленном с правой стороны на кронштейне трубчатых кожухов передней подвески. Рулевая сошка 18
и маятниковый рычаг 21
боковыми тягами 22
шарнирно соединены с рычагами 23,
закрепленными в поворотных кулаках передних колес. Соединения рулевых тяг выполнены на шаровых сочленениях.
В каждом сочленении хвостовик шарового пальца 9
коническим концом закреплен шплинтуемой гайкой в головке рычага. Шаровой палец 9
установлен в головке 8
тяги на двух пластмассовых вкладышах 4,
поджимаемых подпятником 5 с пружиной 7. Пружина упирается в заглушку 6,
укрепленную в головке стопорным кольцом. Шаровое сочленение закрыто резиновым чехлом 3 с
опорной шайбой. Заглушка уплотняется в головке 8
резиновым кольцом. Сочленение заполняется при сборке смазкой и в дополнительной смазке не нуждается.
Наконечники шаровых сочленений соединяются с поперечной тягой 19
На резьбе. Это дает возможность изменять длину тяги и регулировать схождение колес. В установленном положении наконечники закрепляют в тяге контргайкой.
Наибольший поворот управляемых колес ограничивается упором сошки и маятникового рычага в ограничительные болты 20,
ввернутые в кронштейны на верхнем трубчатом кожухе подвески.
На автомобиле «Запорожец» ЗАЗ-968А рулевое управление имеет устройство, аналогичное устройству рулевого управления автомобиля ЗАЗ-968.
РУЛЕВОЕ УПРАВЛЕНИЕ АВТОМОБИЛЕЙ «ЖИГУЛИ» МОД. ВАЗ-2101 И -2103
На автомобиле «Жигули» ВАЗ-2101 рулевое управление выполнено с расчлененной рулевой трапецией, имеющей заднее расположение, и шарнирами, не требующими смазки.
Рулевой механизм, включающий глобоидальный червяк, сцепленный с двухгребневым роликом, расположен в картере 6
(рис. 7), отлитом из алюминиевого сплава. Червяк 28,
напрессованный на короткий вал 31,
установлен в картере на двух радиально-упорных шарикоподшипниках. Правильность установки червяка в картере регулируется прокладками 29,
поставленными под наружным кольцом верхнего подшипника. Затяжка подшипников регулируется прокладками /2, поставленными под торцовой крышкой 13,
прикрепленной к картеру болтами. Вал 31
червяка уплотнен в картере самоподжимным сальником 30.
Двухгребневой ролик 10
установлен на оси 11,
закрепленной в головке вала 7 рулевой сошки на двух игольчатых подшипниках, имеющих распорное кольцо и боковые шайбы. Вал 7 рулевой сошки установлен в приливе картера на двух бронзовых втулках. Наружный конец его уплотнен в картере самоподжимным сальником 8,
Регулировку зацепления ролика 10
с червяком 28
осуществляют регулировочным винтом 4,
ввернутым в стальную крышку 5, прикрепленную сверху к картеру на прокладке болтами. Головка винта с регулировочной шайбой входит в паз головки вала сошки. Винт закрепляют контргайкой с шайбой. В крышке имеется отверстие для заливки в картер масла (масло Т Ад-17), завернутое пробкой на резьбе. Картер 6
рулевого механизма фланцем крепится болтами к левому лонжерону основания кузова на регулировочных прокладках, позволяющих обеспечить соосность вала червяка с рулевым валом.
Рулевой вал 2
установлен верхней частью на двух пластмассовых втулках в кронштейне 32,
прикрепленном к панели приборов кузова. К нижнему концу вала приварен наконечник с мелкими внутренними шлицами, которым вал надвинут на шлицованный конец вала 31
рулевой сошки. Наконечник имеет прорезь и затягивается на валу червяка хомутом 3
со стяжным болтом, проходящим через канавку на валу, соединяя валы. На верхнем конце рулевого вала закреплено на мелких шлицах гайкой рулевое колесо 1 с двумя спицами. Рулевой вал в полу кузова уплотнен резиновым чехлом.
С наружным концом вала 7 соединяется на шлицах рулевая сошка 9,
закрепляемая гайкой со стопорной шайбой. Все шлицевые соединения рулевого управления имеют сдвоенный шлиц и соответствующую впадину, что определяет правильность их сборки.
Рулевая сошка 9
средним ушком соединена шарнирно с левым концом стальной кованой поперечной тяги 18.
Правый конец ее шарнирно соединен с маятниковым рычагом 14,
который закреплен самоконтрящейся гайкой на оси 19,
установленной на двух пластмассовых втулках 21
и кронштейне 20,
отлитом из алюминиевого сплава. Кронштейн крепится на правом лонжероне основания кузова. Ось 19
закреплена во втулках при помощи двух упорных шайб и шплинтуемой гайки. Под шайбы поставлены уплотнительные резиновые кольца.
Рулевая сошка 9
и маятниковый рычаг 14
концами соединены при помощи боковых тяг 17
с поворотными рычагами 15,
закрепленными болтами на поворотных стойках. Каждая боковая тяга состоит из двух кованых наконечников и регулировочной муфты 16,
навернутой на концы наконечников, имеющих правую и левую резьбу. Вращением регулировочной муфты изменяют длину тяги с целью регулировки схождения колес. Муфта 16,
имеющая по концам разрезы, закрепляется на наконечниках стяжными хомутами с болтами.

Рис. 7. Рулевое управление автомобиля «Жигули» ВАЗ-2101
Соединения тяг с рычагами выполнено при помощи шаровых шарниров неразборного типа. Каждый шаровой шарнир представляет собой шаровой палец 26,
закрепленный коническим хвостовиком при помощи шплинтуемой гайки в рычаге. Палец установлен в головке 24
тяги на конусном пластмассовом вкладыше 25
(полиуретан), обладающем высокими противо-износными свойствами. Вкладыш 25
поджимается к пальцу конической пружиной 23,
опирающейся на заглушку 22,
завальцованную в головке. Сверху головка закрыта резиновым грязезащитным чехлом 27 с металлической обоймой, напрессованной на выточку головки. Шаровые шарниры не нуждаются в смазке в процессе эксплуатации. Наибольший поворот управляемых колес ограничивается упором двух выступов, имеющихся на рулевой сошке 9, в головки нижних болтов, крепящих картер рулевого механизма.
На автомобиле «Жигули» ВАЗ-2103 рулевое управление имеет устройство, аналогичное устройству рулевого управления автомобиля «Жигули» ВАЗ-2101. Рулевое колесо выполнено в другом оформлении, изменен рулевой вал в связи с установкой замка зажигания с противоугонным устройством.
РУЛЕВОЕ УПРАВЛЕНИЕ АВТОМОБИЛЕЙ «МОСКВИЧ» МОД. 412 И 408
На автомобиле «Москвич-412» рулевое управление выполнено с расчлененной рулевой трапецией, с задним расположением и шарнирами, не требующими добавления смазки в процессе эксплуатации.
Рулевой механизм, расположенный в 'литом чугунном картере 29
(рис. 8), выполнен в виде пары: глобоидальный червяк — двухгребневой ролик. Червяк 8
приварен к нижнему концу рулевого вала 10
и. установлен в картере на двух конических роликоподшипниках. Над верхним подпятником в картере поставлен самоподжимной сальник 9.
Регулировка подшипников осуществляется пробкой 7, ввернутой в картер снизу и закрепляемой стопорной гайкой.
Ролик 6,
зацепляющийся с червяком, установлен на двухрядном радиально-упорном шарикоподшипнике на оси, закрепленной в головке вала 28
рулевой сошки. Вал лежит в картере на трех бронзовых свертных втулках, из которых две втулки расположены в приливе картера, а третья — в боковой отъемной алюминиевой крышке 30,
В крышке имеется масло-заливное отверстие, закрытое пробкой. На выходе из картера вал уплотнен самоподжимным сальником 27,
и на наружном конусном конце его на шлицах закреплена гайкой с замковой пластиной и стопорной шайбой рулевая сошка 25.
Регулировку зацепления ролика с червяком осуществляют винтом 31,
ввернутым в боковую крышку картера. Головка винта со стальной каленой шайбой входит в паз хвостовика вала сошки; винт стопорится контргайкой.
Картер 29
рулевого механизма фланцем прилива прикреплен тремя болтами к торцам трех втулок, приваренных к левой балке подмоторной рамы так, что вал сошки направлен вниз.
Рулевой вал проходит внутри рулевой колонки 5 и лежит верхним концом в подшипнике 4,
состоящем из корпуса с пластмассовой втулкой. Корпус закреплен в трубе рулевой колонки тремя болтами.
Нижний конец рулевой колонки закреплен стяжным хомутом 26
на шейке картера рулевого механизма, а верхний — на резиновой прокладке в кронштейне 32,
прикрепленном с помощью подвижной планки и болтов к опоре, приваренной к поперечине переднего щита кузова. Колонка в месте прохода через пол кузова надежно уплотнена прокладкой и резиновой манжетой. На верхнем конусном конце рулевого вала закреплено гайкой рулевое колесо 1 с двумя спицами. На рулевом колесе расположен выключатель 2
звукового сигнала. Под рулевым колесом в кожухе, установленном на колонке, расположен рычажок 3
переключения указателя поворота с контактным механизмом.
Рулевая сошка 25
соединена с левым концом средней поперечной рулевой тяги 24.
Правый конец тяги соединен с маятниковым рычагом 18,
напрессованным на ось 16,
которая установлена на двух конусных резиновых втулках 15,
зажатых шплинтуемой гайкой с шайбами в конусных отверстиях кронштейна 17,
прикрепленного тремя болтами к правой балке подмоторной рамы.
Средняя поперечная рулевая тяга 24
при помощи боковых составных тяг 23
соединена с рычагами 21
поворотных стоек с цапфами. На боковых составных тягах, состоящих каждая из двух частей с нарезкой на внутренних концах, навернуты винтовые муфты 22 с
правой и левой резьбой, при помощи

Рис. 8. Рулевое управление автомобиля «Москвич-412».
которых осуществляется регулировка схождения колес. Муфту стопорят контргайками.
Все соединения тяг выполнены на шаровых шарнирах. Шаровые пальцы 13
конусными хвостовиками закреплены в рычагах или в средней тяге шплинтуемыми гайками, а головки шарниров изготовлены непосредственно на концах тяг. В каждом шарнире шаровой палец 13
установлен в головке между двумя пластмассовыми (полиамидными) вкладышами 12,
снабженными поджимной штампованной шайбой и конической пружиной. Пружина установлена под заглушкой 11, закрепленной стопорным кольцом в головке и уплотненной резиновым кольцом. Сочленение закрыто резиновым чехлом 14,
затянутым в пазу головки проволокой. Под чехол на палец поставлена опорная шайба. В шаровом шарнире маятникового рычага 18
для устранения проворачивания средней тяги вокруг ее оси палец 19
имеет овальную головку и на пальце между верхним и нижним вкладышами поставлена промежуточная пластмассовая втулка 20.
Смазку в шарниры закладывают при сборке и в процессе эксплуатации не дополняют.
Наибольший поворот колес ограничивается болтами, ввернутыми в кронштейны балок рамы около маятникового рычага и рулевой сошки.
На последних выпусках автомобиля «Москвич-412» установлено рулевое управление с энергопоглощающим элементом и усиленным рулевым механизмом, размещенным в алюминиевом картере.
Рулевой механизм в целях повышения надежности усилен, имеет большие размеры, что увеличило межцентровое расстояние с (рис. 9) между осями червяка 16
и вала ролика 13
до 52,5 мм (вместо 43,5 мм). Картер 14
рулевого механизма изготовлен из алюминиевого сплава. Регулировку зацепления ролика с червяком осуществляют втулкой 12,
ввернутой на правой резьбе в крышку картера и навернутой на левой резьбе на резьбовой хвостовик вала 15
сошки. Установленное положение втулки фиксируют контргайкой. Масло в картер заливают через отверстие во втулке 12,
завернутое пробкой, и отверстие в хвостовике вала сошки.
Применено энергопоглощающее рулевое управление с телескопическим составным рулевым валом и колонкой. Рулевой вал состоит из двух частей: нижней 18,
приваренной к червяку 16,
и верхней 4,
на которой закреплено рулевое колесо /. К верхней части 4
вала приварена втулка 9,
надвинутая с определенным натягом и контролируемым усилием осевого сдвига шлицованной частью, имеющей продольные прорези, на шлицы конца нижнего 18
участка вала.
Рулевая колонка состоит из трех частей: нижней трубы 10,
закрепленной стяжным хомутом 11
на цилиндрическом выступе картера, верхней трубы 3,
соединенной с корпусом подшипника верхней части рулевого вала, и средней трубы 8,
напрессованной на верхнюю и нижнюю трубы колонки с контролируемым осевым усилием сдвига и закрепленной к кронштейне 5 кузова. В местах сопряжения труб колонки установлены тонкостенные антифрикционные пластмассовые трубчатые вставки. Необходимые натяг и осевое усилие сдвига между трубами колонки обеспечиваются четырьмя рядами сферических выдавок 19,
сделанных в наружной трубе в местах сопряжения.
В случае аварии автомобиля происходит сдвигание участков рулевого вала и колонки и из-за трения в сопряжениях поглощение энергии удара. Колонка имеет уплотнитель 17.

Рис. 9. Усовершенствованное рулевое управление автомобиля «Москвич-412»
Затяжка хомута 11
крепления нижней трубы колонки на картере также обеспечивает их взаимное смещение при сильном ударе. Значительное смещение средней трубы колонки в кронштейне 5 вверх при ослаблении его затяжки ограничивается специальным упорным кольцом 7, приваренным на трубе.
В целях повышения безопасности водителя на выключателе звукового сигнала установлена мягкая накладка 2.
В рулевом управлении данного типа предусмотрена установка противоугонного устройства, закрепляемого на рулевой колонке и совмещающего замок зажигания 21
и специальный механизм со штифтом 20,
входящим в паз на втулке 6,
закрепленной на рулевом валу. При выключении зажигания штифт входит в паз втулки и запирает руль. Пучок проводов 22
от выключателя сигнала и противоугонного устройства выведен из колонки наружу.
На автомобиле «Москвич-408» с
нижним расположением рычага переключения передач рулевое управление имеет в основном устройство, аналогичное устройству рассмотренного первого варианта рулевого управления автомобиля «Москвич-412» с некоторыми конструктивными отличиями. В конструкции рулевого управления автомобиля «Москвич-408» с расположением рычага переключения передач на рулевой колонке рулевой вал проходит внутри полого вала управления коробкой передач, закрытого рулевой колонкой и установленного в верхнем кронштейне колонки на пластмассовой втулке. С верхним концом вала управления коробкой передач соединен рычаг переключения передач, а с нижним — рычаги тяг переключения передач.
В моделях последних выпусков автомобиля «Москвич-408» в связи с унификацией ряда агрегатов и механизмов с агрегатами и механизмами автомобиля «Москвич-412» используют и соответствующие элементы рулевого управления этого автомобиля.
|