ЛЕКЦИЯ
1
Исторический
обзор
Что
такое электроника?
– Это передача,
приём, обработка
и хранение
информации
с помощью
электрических
зарядов. Это
наука, технические
приёмы, промышленность.
Что
касается информации,
то всегда, когда
было человечество,
это всё было.
Человеческое
мышление, разговорная
речь, узелки
на память, сигнальные
костры, семафорный
телеграф и т.д.
– это приём,
передача, обработка
и хранение
информации.
И это было не
меньше чем 5000
лет. Но только
недавно, в конце
18 века, были
изобретены
телефон и телеграф
– устройства
для передачи
и приёма информации
с помощью
электрических
сигналов. Это
– начало электроники,
как она сейчас
называется.
 Дальше
электроника
довольно быстро
развивается.
В 1895 г. Попов изобрёл
и построил
действующую
модель радио
– электронное
устройство
для беспроводной
передачи информации
- грозоотметчик.
Герц провёл
опыты по распространению
радиоволн,
Маркони развил
и применил эти
опыты для построения
радио с выбором
передающей
радиостанции
по длине волны
излучения.
Но
в начале не
было хорошего
усилительного
элемента для
электрических
устройств.
Поэтому настоящее
развитие электроники
началось с 1904
г., когда была
изобретена
радиолампа
– диод, а в 1907 г. –
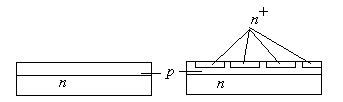
триод. Они выглядят
так, как показано
на рис. Слева
изображена
радиолампа
– диод, которая
состоит из
герметичного
баллона, а внутри
баллона – вакуум
и несколько
металлических
конструкций
с выведенными
наружу электродами.
Одна из них –
нить накала,
по ней пропускается
электрический
ток, который
нагревает её
до температуры
в 700-2300 оС.
Эта нить разогревает
катод, к которому
подводится
отрицательное
напряжение,
и катод испускает
электроны. К
аноду подводится
положительное
напряжение,
разность потенциалов
довольно высокая
(100-300 В), и поэтому
электроны,
вылетевшие
из катода, полетят
к аноду, и следовательно,
в лампе потечёт
ток. При смене
знака напряжения
электроны из
холодного анода
вылетать не
будут, не будет
и тока. Поэтому
диод может
исполнять роль
выпрямителя
переменного
напряжения.
На
правом рис.
изображена
радиолампа
– триод. В ней
всё тоже, что
и у диода, но
есть дополнительный
электрод –
управляющая
сетка. Обычно
на сетку подаётся
отрицательный
потенциал, и
она отталкивает
вылетевшие
из катода электроны.
Поэтому чем
более отрицательный
потенциал
сетки, тем меньше
электронов
протечёт от
катода к аноду.
Таким образом,
потенциал сетки
служит для
управления
током в радиолампе.
Обычно сетка
в лампе расположена
к катоду гораздо
ближе, чем анод,
поэтому малыми
потенциалами
сетки можно
управлять
большими токами
лампы. Если
напряжение
к аноду подаётся
через большое
сопротивление,
то и потенциалы
на аноде будут
меняться сильнее,
чем на сетке.
Это хороший
электронный
усилитель
напряжений.
Радиолампы
прошли очень
большой путь
развития. Появились
более совершенные
тетроды и пентоды
– лампы с четырьмя
и пятью электродами,
обладающие
большими
коэффициентами
усиления. Стали
делать более
сложные радиолампы:
с более чем
пятью электродами.
Из них наибольшее
распространение
получили сдвоенные
радиолампы:
сдвоенные
диоды, триоды,
диод-триоды
и т.д. Появились
газонаполненные
лампы – газотроны.
В них есть газ,
правда, находящийся
под небольшим
давлением.
Обычно он
ионизируется,
появляются
ионы – атомы
без электрона,
т.е. имеющие
положительный
заряд.
Протекание
тока в таких
лампах более
сложное: он
может быть как
электронным,
так и ионным.
Размеры радиоламп
были очень
разными: от
миниатюрных
пальчиковых
до громадных
в рост человека.
Изобретение
триода открыло
большие возможности
развития электроники.
Мировое количество
выпускаемых
радиоламп
выросло ко
второй мировой
войне до многих
миллионов штук
в год. Были
изобретены
и созданы многие
устройства
по приёму и
передаче информации.
Телефон и телеграф,
радиоприёмники
и радиопередатчики.
Вместо патефонов
появились
проигрыватели
пластинок,
появились
магнитофоны.
Начали разрабатываться
телевизоры.
Но это
всё только
часть задач
электроники
– приём, передача
и хранение
информации.
А где же обработка
информации,
наиболее важная,
сложная и интересная
её часть? Очевидно,
что её может
делать только
вычислительное
устройство.
К началу
Второй мировой
войны уже появились
электронные
арифмометры
– обработчики
цифровой информации.
Но настоящее
развитие этой
области электроники
началось с
возникновения
электронных
вычислительных
машин (ЭВМ). Оно
началось в 1948
году – в США
была сделана
первая ЭВМ на
радиолампах
– ЭНИАК. Вот
некоторые её
параметры:
-
|
Количество
радиоламп
|
18
000 шт
|
|
Кол-во
др. элементов
|
100
000 шт
|
|
Вес
|
30
т
|
|
Площадь
|
100
м2
|
|
Рассеиваемая
мощность
|
100
КВт
|
|
Быстродействие
|
10
000 Гц
|
Как
видно из этой
таблицы – это
грандиозное
сооружение.
И оно обладало
всеми характерными
чертами современной
ЭВМ: память,
которая содержала
данные и программу
их обработки,
арифметическое-логическое
устройство,
связь с внешними
устройствами.
Но, конечно, у
неё ещё было
и много недостатков.
По сравнению
с современным
уровнем техники,
эта ЭВМ менее
сложная, чем
простой калькулятор,
особенно если
он может программироваться.
Но по весу (30 т
по сравнению
с 50 г), по занимаемой
площади, по
рассеиваемой
мощности современные
калькуляторы
её существенно
превосходят.
Особенно важно,
что их быстродействие
никак не меньше
1 МГц, т.е. в сто
раз больше, чем
у первой ЭВМ.
Но
гораздо более
существенным
является срок
службы первой
ЭВМ. В основном
он определялся
сроком службы
радиолампы.
А он определяется
интенсивностью
отказов
= 10-5
ч-1
Т.е. из
100 000 радиоламп
одна откажет
за время 1 час.
Или другими
словами, срок
службы одной
радиолампы
равен
Т
= 1/
= 105
ч
Это
много. Действительно,
если считать,
что в сутках
примерно по
25 ч, то это 4 000 дней,
или примерно
12 лет работы
до отказа. Это
неплохо.
Но
когда вместо
5-20 радиоламп
одновременно
должны работать
18 000 радиоламп,
ситуация резко
меняется. Все
радиолампы
служат 12 лет,
но выходят из
строя случайно,
в любой момент
времени. И выход
хоть одной
радиолампы
из строя приводит
к выходу всего
устройства.
В этом случае
для всего устройства
можно записать:
общ
=
N
*
= 18 000 * 10-5
=
0,18 ч-1
А срок
службы всего
устройства
равен
Т
общ =
5 ч
Т.е.
срок службы
ЭНИАКа всего
5 ч! В среднем
через каждые
5 ч какая-то
радиолампа
выходила из
строя. Найти
из 18 000 радиоламп
неработающую
не так-то просто.
А после того,
как она найдена,
надо её заменить,
и провести
проверку ЭВМ
на работоспособность.
На всё это уходило
ещё около 5 ч.
Но
нам надо делать
более сложные
ЭВМ. Если мы
усложним её
так, что в ней
будет в 10 раз
больше радиоламп,
срок службы
уменьшится
в 10 раз, т.е. будет
равен 0,5 ч. А на
ремонт будет
уходить ещё
больше времени.
Это – катастрофа
количеств.
Всё
дальнейшее
развитие электроники
связано с борьбой
с катастрофой
количеств. Для
этого надо было
понизить
интенсивность
отказов радиолампы.
Но радиолампа
– сложное устройство.
Во-первых, внутри
неё глубокий
вакуум, если
он потеряется,
анодный ток
радиолампы
понизится из-за
соударений
электронов
с атомами воздуха
и с ионами,
получившимися
в результате
этих столкновений.
Сетка лампы
– это проволочная
спираль, которая
намотана вокруг
катода. Она
слабая, не
выдерживает
перегрузок,
вибраций. Нить
накала нагрета
до высокой
температуры,
поэтому испускает
не только электроны,
но и довольно
много атомов,
т.е. нить всё
время испаряется.
Устранить все
эти недостатки
и повысить срок
службы не удалось.
 И
вот в 1948 г. изобрели
транзистор.
Он выглядел
так, как показано
на рис.
Он
намного лучше
радиолампы:
меньше, легче,
нет нити накала.
Размеры его
не больше одного
миллиметра.
Это цельный
кусок полупроводника,
весьма прочного
кристалла, по
прочности не
уступающего
стали или чугуну.
Поэтому у транзистора
интенсивность
отказов меньше,
примерно
= 10-7
ч
–1 .
Транзисторы
очень быстро
завоевали рынок
сбыта. Уже в
1949 г. в США сделали
первую транзисторную
ЭВМ, аналогичную
ЭНИАКу – т.е.
через год после
изобретения
транзистора.
Для иллюстрации
этого приведём
цитату из журнала
"Наука
и жизнь", 1986, № 2,
с. 90:
"... если
вести отсчёт
от первых машин,
то сегодня
объёмы внутренней
памяти ЭВМ
увеличились
в сотни раз, а
быстродействие
– в сотни тысяч
раз, в тысячи
раз уменьшилось
потребление
энергии, и снизилась
стоимость.
Специалисты
прикинули, что
если бы такими
темпами прогрессировало
автомобилестроение,
то машина класса
"Волги" двигалась
бы чуть ли не
со скоростью
света, потребляла
бы несколько
граммов бензина
на сотню километров
и стоила бы
несколько
рублей".
А ведь
это было 15 лет
назад!
Посмотрим
подробнее, как
же был изобретён
транзистор?
Оказывается,
его изобрели,
исследуя влияние
двух р-п переходов
(полупроводниковых
диодов) друг
на друга, расположенных
на очень малом
расстоянии.
(Это показано
на рис.)
Две
металлические
очень острые
иглы помещались
на поверхности
германия
(полупроводник)
на малом расстоянии
друг
от друга, и затем
прижигались
(пропускался
сильный ток
на

короткое
время). При этом
происходил
разогрев
полупроводника,
металл частично
растворялся
в полупроводнике,
и также диффундировал
внутрь его.
Металл подбирался
таким образом,
что его атомы
создавали
электронный
полупроводник
(п-тип).
Таким образом
получались
два р-п перехода.
А так как они
были очень
близки, то вступали
во взаимодействие,
и получался
транзистор.
Первые
транзисторы
так и изготовлялись,
и эта технология
называлась
точечной. Очевидны
недостатки
её. Дело в том,
что по теории
транзисторов
расстояние
между р-п переходами
должно быть
намного меньше
диффузионной
длины (что это
такое, мы скажем
в следующих
лекциях), а она
очень маленькая,
лежит в пределах
от единиц до
десятков микрометров
(обычно говорят
микронов).
Расположить
две иголочки
так близко
невозможно
– микрон значительно
меньше толщины
человеческого
волоса (примерно
50 мкм).
Можно
предположить,
что расстояние
между иголками
сравнимо с
толщиной
человеческого
волоса и примерно
равно 0,1 мм, или
100 мкм. Далее нужно
пропустить
искру электрического
разряда через
иголочки, так,
чтобы произошли
плавление,
растворение
и диффузия
металла. Процесс
трудно воспроизводимый.
Поэтому многие
транзисторы,
изготовленные
по этой технологии,
оказывались
бракованными:
то р-п переходы
сливались, то
расстояние
между ними было
слишком большим.
А сам коэффициент
усиления транзистора
был вообще
случайной
величиной.
Требовалось
совершенствование
технологии
изготовления
транзисторов.
Первый шаг в
этом направлении
был п олучен,
когда точечную
технологию
заменили на
сплавную (см.
рис.). Здесь
изображена
основная конструкция,
применяемая
в этом методе:
две графитовые
пластины с
небольшими
ямками для
алюминия окружают
с двух сторон
пластину германия
с электронной
электропроводностью
(п-типа). Эта
конструкция
помещается
в печь с высокой
температурой
(600-800оС).
Аллюминий
расплавляется
и диффундирует
в германий.
Когда диффузия
прошла на достаточно
большую глубину,
процесс прекращают.
Аллюминий
является акцептором,
т.е. там, где прошла
диффузия, германий
стал полупроводником
с дырочной
электропроводностью
(р-типа). Выглядит
это так:

Теперь
надо только
разрезать
полученную
пластину на
кусочки, содержащие
по три разных
типа электропроводности
(транзисторы),
посадить в
корпус и припаять
кристалл к
ножкам – транзистор
готов.
Сплавные
транзисторы
намного лучше
точечных: более
управляемый
процесс диффузии,
просто поддерживается
постоянная
температура
в печи и регулируется
время диффузии.
Точечная технология
была вытеснена
сплавной.
Однако
у сплавной
технологии
есть определённые
недостатки,
к основным из
них относится
то, что диффузия
проводится
с разных сторон.
Толщина пластины
не может быть
меньше 0,5...1 мм,
так как иначе
она станет
гибкой, будет
сворачиваться,
и нельзя будет
считать, что
пластина плоская.
Значит, толщина,
на которую
нужно провести
диффузию, как
минимум 250 мкм,
толщина базы
1...5 мкм, и её надо
сделать точно
(с точностью
не хуже 1 мкм).
В итоге надо
сделать диффузию
на глубину 250
мкм с точностью
не хуже 1 мкм.
Это трудно
осуществимо.
Постепенно
в ходе разработки
технологии
изготовления
транзисторов
пришли к диффузионной
технологии,
в основе которой
лежит фотолитография.
Кратко
опишем фотолитографию.
Её задачей
является создание
на поверхности
кремния (он
лучше всего
подходит для
фотолитографии)
маски для диффузии,
которая потом
будет производиться
локально. Эта
маска должна
выдерживать
очень высокие
температуры
(1200...13000С).
Для этой цели
годится оксид
кремния, который
получается
очень просто
путём окисления
самого кремния
при высоких
температурах
в парах воды
и в кислороде.
Его толщина
порядки 1 мкм,
но этого достаточно,
чтобы не дать
атомам примеси
продиффундировать
в полупроводник.
Но в нужных
местах в диоксиде
кремния делают
отверстия
(окна), которые
и будут определять,
где пройдёт
локальная
диффузия.
Для
изготовления
окон обычно
используют
фоторезист
– это практически
фотоэмульсия,
котора обладает
особыми свойствами:
Она
должна выдерживать
травление
плавиковой
кислотой (обычная
фотоэмульсия
не выдерживает),
что необходимо
при вытравливании
окон в диоксиде
кремния.
Она
обладает высоким
разрешением
(более 1000 линий
на мм, или менее
1 мкм).
Она
обладает низкой
вязкостью, для
того, чтобы
могла растечься
до слоя толщиной
в 1 мкм (иначе
столь высокого
разрешения
не получить).
Она
чувствительна
к облучению
светом в ультрафиолетовой
области (длина
волны света
составляет
0,3 мкм).
Так
много особых
свойств может
иметь только
особое вещество.
Это пластмасса,
которая под
действием света
разрушается,
или, наоборот,
под действием
света образуется.
Таких веществ
найдено много.
Это – фоторезисты.
Итак,
в процессе
фотолитографии,
мы можем создать
тонкий слой
диоксида кремния
(на кремнии,
полупроводнике),
затем нанести
очень тонкий
слой фоторезиста,
далее через
фотошаблон
(особая фотопластинка,
на которой есть
много заранее
рассчитанных
и изготовленных
тёмных и светлых
мест) осветить
её ультрафиолетовым
светом, затем
проявить, то-есть
удалить освещённые
места (или наоборот
неосвещённые),
далее можно
удалить через
окна в фоторезисте
диоксид кремния
(травление в
плавиковой
кислоте) и удалить
сам фоторезист,
так как его
остатки могут
помешать при
высокотемпературном
процессе диффузии.
 Теперь
можно производить
диффузию с
одной стороны:
А значит,
легче сделать
точно регулируемый
тонкий базовый
слой: делаем
диффузию на
глубину примерно
5...6 мкм, затем
вторую диффузию
на 3..4 мкм. База
будет примерно
2 мкм. Глубина
диффузии и
толщина базы
соразмерны,
значит, можно
их сделать
точно (а общая
толщина пластины
может быть
любой, например
1 мм). Пластину
(как принято
называть в
электронике
"чип") можно
разрезать на
отдельные
транзисторы,
проверить
каждый транзистор,
и хорошие транзисторы
можно посадить
в корпус.
Почему
же только
фотолитография
позволила
решить проблему точного
задания толщины
базы? Дело в
том, что если
толщина базы
меньше 5 мкм
(0,1 толщины волоса),
то просто невозможно
создать контакт
к такой области.
А в случае
изготовления
локальных
эмиттерных
областей этот
контакт можно
делать сверху
там, где нет
эмиттера – это
может быть
намного большая
площадь.
Поэтому
развитие
фотолитографии
и локальной
диффузии привело
к всеобщему
признанию
диффузионной
технологии
изготовления
транзисторов.
В 60-70 гг.
получила
распространение
транзисторная
ЭВМ БЭСМ-6. Но
она тоже работала
примерно 1-2 суток,
и выходила из
строя. Надо
было 1-2 суток
ремонтировать.
Что же дальше?
Надо повышать
надёжность
транзистора.
И эта проблема
была решена!
У каждого
транзистора
три контакта,
которые осуществляются
припайкой
золотых проволочек.
3 пайки к кристаллу,
3 пайки к ножкам
корпуса, 3 пайки
в схеме, где
транзистор
используется
– всего 9. У
МДП-транзисторов
4 контакта, значит
всего 12 паек.
А что,
если не разрезать
пластину на
отдельные
транзисторы,
а сразу использовать
их в схеме? Идея
заманчива,
можно, по крайней
мере, в 3 раза
сократить
количество
контактов.
Однако
есть проблема
– все транзисторы
будут закорочены
по коллектору
и базе. Значит,
их надо изолировать
друг от друга.
И эта проблема
была решена,
и не одним способом!
Рассмотрим
изоляцию р-п
переходом.
Сначала делают
карманы: например
в р-типе создают
диффузией
п-области:

Предположим,
что между карманами
есть напряжение,
например, такое,
что правый
карман имеет
положительный
потенциал.
Тогда правый
р-п переход
смещён в обратном
направлении,
и тока нет. Пусть,
наоборот, правый
карман имеет
отрицательный
потенциал –
тогда левый
карман смещён
в обратном
направлении,
и тока снова
нет.
Теперь
в каждом кармане
можно сделать
свой транзистор,
и он будет изолирован
от других.
Есть
ещё одна проблема.
При каждой
диффузии нужно
передиффундировать
тот слой, который
был – то-есть
концентрация
носителей
оказывается
больше, чем в
предыдущем
слое. Значит,
самая малая
концентрация
должна быть
в пластине, в
карманах она
больше, карманы
могут исполнять
роль коллекторов,
далее создаётся
базовая область,
в ней концентрация
носителей ещё
больше, чем в
коллекторной
области, потом
мы делаем эмиттерную
область, и в
ней самая большая
концентрация
носителей
заряда. Но это
значит, что
сопротивление
коллекторной
области самое
большое, и поэтому
очень велико
RC
– велика постоянная
времени, транзисторы
работают слишком
медленно. Для
повышения
быстродействия
транзисторов
надо сделать
на дне кармана
тонкий слой
с высокой
концентрацией
носителей
заряда. Эта
проблема тоже
была решена
с помощью
эпитаксиального
наращивания
слоёв – наращивания
слоёв с той же
кристаллической
ориентацией,
что и у подложки.
Это – эпитаксия.
Можем нарастить
тонкий слой
монокристалла,
но с другой
концентрацией
носителей
заряда.
Теперь
полный цикл
изготовления
микросхемы
(интегральной
схемы) выглядит
так, как показано
на рис. ниже.
На
первом этапе
делают локальную
диффузию доноров,
причём сильную
– для создания
скрытого слоя.
На
втором этапе
делают эпитаксию
– наращивают
эпитаксиальный
слой с низкой
концентрацией
электронов
(электронов
больше, чем
дырок).
На
третьем этапе
проводят локальную
диффузию акцепторов
для разделения
на карманы.
Далее
снова проводят
диффузию акцепторов
для создания
базовых областей.
Теперь
надо сделать
эмиттеры, значит
локальная
диффузия доноров.
Заодно делают
подготовку
для хорошего
контакта к
коллекторной
области - внутри
коллектора
сильно легированная
область.
И наконец,
защищают всю
поверхность
кремния оксидом
кремния, делают
в нём окна для
контактов к
транзисторам,
затем напыляют
металл. Далее
лишний металл
удаляют.

Далее
нужно разделить
пластину на
отдельные
микросхемы,
укрепить в
корпус, припаять
контакты.
Оказывается,
интенсивность
отказов микросхемы
не определяется
полупроводниковой
структурой,
а в основном
зависит от
числа контактов.
Поэтому интенсивность
отказов микросхемы
тоже примерно
10-7
ч-1
.
На одной микросхеме
можно сделать
много транзисторов.
В настоящее
время их количество
может превышать
миллион.
В схемах
обычно много
других элементов.
Как их сделать?
В качестве
диода обычно
используют
транзистор,
у которого нет
эмиттерной
области, или
у обычного
транзистора
закорачивают
один р-п переход.
В качестве
резистора
используют
базовую или
коллекторную
область, но её
нужно сделать
нужной длины
и ширины, и к
ней делают 2
контакта
В качестве
конденсатора
используют
паразитную
ёмкость р-п
перехода, или
делают конденсатор
с диоксидом
кремния в качестве
диэлектрика.
Индуктивности,
как правило,
в микроэлектронной
технологии
не делают.
Однако
есть пределы
у микроэлектроники.
Не очень-то
удаётся увеличивать
число транзисторов,
так как они
имеют ограничение
по уменьшению
размеров. Площадь
кристалла тоже
не удаётся
увеличивать.
В этом
случае есть
надежда, что
перспективу
даст функциональная
электроника
– это электроника,
в которой простые
функции транзистора
заменяются
более сложными
функциями,
имеющими наличие
в различных
кристаллах
– полупроводниковых,
сегнетоэлетрических,
магнето-электрических
и так далее.
Л ЕКЦИЯ
2
Электропроводность
полупроводников
 Электрический
ток – это перенос
электрических
зарядов. Известно,
что электрические
заряды присущи
элементарным
частицам. Причём
бывают положительные
и отрицательные
заряды. Так,
атомы состоят
из положительно
заряженных
ядер и отрицательно
заряженных
электронов.
Самый малый
заряд у электрона.
Электроны
притягиваются
к ядру. У ядра
атома заряд
больше, но он
кратен заряду
электрона. В
целом атомы
нейтральны,
так как число
электронов
равно заряду
ядра. Но иногда
электрон может
быть оторван
от атома. Обычно
это легко делается
при высоких
температурах.
Например, в
радиолампе
разогретый
катод испускает
электроны
(котрые в 2000 раз
легче атомов),
и они участвуют
в переносе тока
от катода к
аноду.
В
твёрдых телах
ситуация более
сложная, так
как электроны
не свободны.
Известно, что
в отдельном
атоме электрон
находится в
поле притяжения
положительного
заряда. Это
можно представить
себе как потенциальную
яму, см. рис. слева.
На рис. показана
зависимость
энергии от
координаты
для одного
атома слева
и для кристалла
справа. В случае
одного атома
это просто
уменьшение
энергии от нуля
в бесконечности
до минус бесконечности
в центре ядра.
В потенциальной
яме в случае
очень малых
частиц, когда
применимы
законы квантовой
механики, всё
не так, как в
классической
механике. Существует
дискретный
ряд разрешённых
энергий, с которыми
могут существовать
электроны в
атоме. Причём
по принципу
Паули на каждом
энергетическом
уровне может
находиться
только один
электрон. А в
случае кристалла,
когда атомы
расположены
строго периодически
и на очень близком
расстоянии
друг от друга,
картина
принимает вид
как на рис. справа
(здесь, конечно,
изображена
одномерная
ситуация, а не
трёхмерная,
для простоты).
Видно, что из-за
перекрытия
потенциальных
ям их высота
понизилась,
за исключением
крайних потенциальных
ям. Квантовая
механика говорит,
что в случае
очень малых
расстояний
частицы (в данном
случае электроны)
могут преодолевать
потенциальный
барьер, не получая
дополнительной
энергии. Но
вероятность
того, что они
преодолеют
этот барьер,
обратно пропорциональна
ширине и высоте
барьера, и даже
в экспоненциальной
форме. Поэтому
только на атомном
уровне сказывается
квантовый
эффект, который
называется
туннельным
эффектом.
В
результате
электрон без
всякой дополнительной
энергии может
проникнуть
из одного атома
в другой, соседний,
затем в третий
и т.д. Другими
словами, электроны
обобществляются.
Но принцип
Паули запрещает
находиться
на одном энергетическом
уровне более
чем одному
электрону. Это
приводит к
тому, что каждый
энергетический
уровень в атоме
расщепляется
на энергетическую
зону, которая
состоит из
такого числа
уровней, сколько
атомов в данном
куске кристалла.
Это очень много,
в одном см3
атомов примерно
1023
. Приближённо
можно считать,
что энергетические
зоны сплошные.
 Число
зон в кристалле
должно соответствовать
числу уровней
в атоме. Но ширина
зоны зависит
от глубины
уровня. Чем он
глубже, тем
меньше ширина
уровня, потому
что тем больше
преодолеваемый
в туннельном
эффекте барьер.
Самые глубокие
уровни практически
не расщепляются.
Самые верхние
заполненные
уровни расщепляются
больше всего,
они имеют наибольшую
ширину. В полупроводниках
наиболее интересными
являются верхняя
заполненная
зона и следующая
пустая зона.
Поэтому потенциальные
ямы атомов
обычно не рисуют,
а из зон рисуют
только эти две:
Символом
Ev
обозначают
верхнюю границу
последней
заполненной
зоны, потолок
валентной зоны,
а символом Ec
–
нижнюю границу
первой пустой
зоны, дно зоны
проводимости.
Символом Eg
= Ec
-
Ev
обозначается
ширина запрещённой
зоны.
Итак,
мы видим, что
в твёрдом теле
есть заряженные
частицы – электроны,
и они могут
двигаться по
твёрдому телу.
Оказывается,
всё не так просто.
Так например,
многие твёрдые
тела являются
металлами, и
они хорошо
проводят ток;
другая ситуация
с диэлектриками,
которые плохо
проводит ток.
Есть ещё и
полупроводники,
занимающие
среднее положение
между металлами
и диэлектриками.
Разобраться
в этом позволяет
зонная теория
электропроводности.
В
диэлектриках
электронов
столько, что
они полностью
заполняют
валентную зону,
а зона проводимости
пуста, там электронов
нет. Поэтому
зона проводимости
ток не проводит,
а валентная
зона может ток
проводить, но
не проводит,
потому что все
состояния
электронов
в точности
симметричны,
и если есть
состояние с
импульсор р,
то найдётся
и состояние
с импульсом
-р,
каждое
из этих состояний
переносит ток,
но направления
этих токов
противоположны,
и в сумме переносимый
ток равен нулю.
Если валентная
зона полностью
заполнена, то
каждый электрон
проводит свой
маленький ток,
а весь кристалл
никакого тока
не проводит.
Иная
картина наблюдается
в металлах, где
электронов
столько, что
они заполняют
валентную зону
только наполовину.
При нулевой
температуре
(по Кельвину,
т.е. –273оС)
все нижние
состояния
заполнены
электронами,
а все верхние
– пустые. Но
расстояния
между состояниями
очень малы, и
малейшее возмущение
системы, например,
приложение
маленького
напряжения
может вызвать
смещение электронов
из равновесного
состояния, и
нарушить симметрию
в распределении
электронов
по скоростям.
Таким образом
довольно легко
возникает
электрический
ток, т.е. имеется
электропроводность.
При
более высоких
температурах
возникает
некоторое
размытие электронов
по состояниям,
а именно имеется
функция распределения
Ферми-Дирака:

F(E)
–
вероятность
занятия уровня
с энергией E
электроном,
EF
- некая константа,
имеющая размерность
энергии и называемая
уровнем
Ферми.
Эта функция
выглядит следующим
образом:
З десь
функция F
располагается
горизонтально,
а её аргумент
E
–
вертикально.
Левая сплошная
линия – F(E)=0;
правая
пунктирная
линия - F(E)=1.
При
Е>E2
вероятность
заполнения
состояний
электронами
равна нулю –
тока нет. При
E1
F(E)=1 ,
все состояния
заполнены и
эти электроны
в силу симметрии
кристалла тоже
не проводит
ток. А вот состояния
между пунктирными
линиями заполнены
не все, поэтому
эти электроны
могут проводить
ток. Именно
поэтому металлы
хорошо проводят
электричество.
Иначе
обстоит дело
с диэлектриками
и полупроводниками.
Электронов
хватает только
для того, чтобы
заполнить
несколько зон,
в том числе и
валентную, а
остальные, в
том числе и
зона проводимости,
оказываются
пустыми. Ясно,
что пустые зоны
электричества
не проводят.
Но не проводят
его и полностью
заполненные,
так как в силу
симметрии
кристалла все
маленькие токи
уравновешивают
друг друга.
Но
это справедливо
только при
нулевой температуре
по Кельвину
(-2730С).
При более высоких
температурах,
и тем более при
комнатных
температурах,
тепловые колебания
атомов кристалла
часть своей
энергии передают
электронам,
что приводит
к распределению
по энергиям
согласно функции
Ферми-Дирака.
Часть электронов
(малая) приобретает
энергию, достаточную
для того, чтобы
преодолеть
запрещённую
зону и попасть
в следующую
зону – зону
проводимости.
Эта ситуация
иллюстрируется
рисунком:

На
левом рис.
представлена
плотность
состояний в
зависимости
от Е.
При
нулевой энергии
она очень мала,
точнее равна
2 из-за того, что
спин электрона
равен +/- Ѕ, т.е. в
одном состоянии
будет два электрона
с разными спинами.
С ростом энергии
плотность
состояний
пропорциональна
квадрату энергии,
отсчитанной
от уровня Ec
(или Ev
–E
для валентной
зоны).
На
втором рис.
представлена
фукция Ферми-Дирака.
А на следующем
рис. представлено
произведение
этих двух фукций,
которое и
представляет
собой зависимость
конценрации
электронов
от энергии.
Видно, что электронов
в зоне проводимости
мало, так как
вероятность
заполнения
состояния
существенно
меньше 1. Значит,
они могут двигаться
практически
как в вакууме,
почти что не
взаимодействуя
друг с другом.
Совсем
другое можно
сказать о валентной
зоне: здесь
вероятность
заполнения
состояния
практически
равна 1, т.е. почти
все состояния
заполнены
электронами.
В этом случае
трудно описать
их движение,
так как они
практически
всегда мешают
друг другу,
ведь электроны
могут куда-то
переместиться,
только если
там свободное
состояние, а
почти все состояния
заполнены.
Поэтому
договорились
описывать
состояния
пустых мест
– "дырок", которых
мало (не путать
с отверстиями).
Они, дырки, могут
двигаться как
бы независимо,
почти не сталкиваясь,
и их движение
можно тоже
описывать
довольно просто,
так же, как и
движение электронов
в зоне проводимости.
Их концентрация
описывается
произведением
числа состояний
на разницу
между 1 и функцией
Ферми-Дирака,
см. третий рис.
в валентной
зоне.
На
последнем рис.
представлена
зависимость
энергии от
координаты.
На дне зоны
проводимости
есть некоторое
количество
электронов,
у потолка валентной
зоны есть некоторое
количество
дырок. Они, в
отличие от
электронов,
имеют положительный
заряд. Так как
электроны
рождаются при
выходе из валентой
зоны в зону
проводимости
электрона,
количество
их строго равно
количеству
дырок.
Функция
Ферми-Дирака
описывает
равновесное
состояние
электронов.
Если при какой-то
температуре
(например комнатной)
электронов
нет, то будет
происходить
термогенерация
электронов
и дырок, и постепенно
они распределятся
по функции
Ферми-Дирака.
Скорость генерации
зависит от
температуры
и от ширины
запрещённой
зоны и практически
не зависит от
концентрации
электронов
и дырок.
Есть
также обратный
процесс –
рекомбинация
электронов
и дырок: предположим,
что при случайном
движении электрон
встретился
с дыркой. Электрон
из зоны проводимости
попадёт в какое-то
состояние в
валентной зоне,
при этом куда-то
выделится
разноть энергий
и разность
импульсов, а
электрон и
дырки взаимоуничтожатся,
аннигилируют,
или, как говорят
в электронике,
рекомбинируют.
Скорость этого
процесса
пропорциональна
произведению
пр,
где
п
– концентрация
электронов
(обычно в см-3),
и р
–
концентрация
дырок (тоже в
см-3).
Так
как с ростом
времени п
и
р
растут
при генерации
электронов
и дырок, этот
процесс увеличивает
скорость рекомбинации
электронов
и дырок, и в конце
концов она
становится
равной скорости
генерации. Это
означает достижение
состояния,
характеризующегося
функций Ферми-Дирака.
Таким образом
мы видим, что
генерация
электронов
и дырок всегда
существует,
и всегда существует
рекомбинация,
просто в равновесии
они строго
равны друг
другу.
Концентрация
электронов
в зоне проводимости
определяется
формулой:
г де
NC
–
эффективная
плотность
состояний в
зоне проводимости.
Аналогично:

где
NV
- эффективная
плотность
состояний в
валентой зоне.
Мы знаем, что
концентрации
электроной
и дырок одинаковы,
т.е. n=p=ni
,
кроме
того,

В
этой формуле
наиболее сильно
всё зависит
от членой в
экспоненте.
Так например,
при комнатной
температуре
получается:
-
|
Eg,
эв
|
ni,
см-3
|
|
германий
|
0,66
|
2*1013
|
|
кремний
|
1,12
|
1010
|
|
арсенид
галлия
|
1,42
|
106
|
Хорошо
видно, что при
неболшьших
изменениях
ширины запрещённой
зоны сильно
изменяется
концентрация
носителей
заряда. Так, у
германия в
одном кубическом
см будет 2*1013
электронов
или дырок, а у
арсенида галлия
– всего 106,
т.е. в 10 миллионов
раз меньше.
Поэтому между
диэлектриками
и полупроводниками
нет принципиальной
разницы, а есть
только количественная
– у диэлектриков
просто ширина
запрещённой
зоны немного
шире 1,6 эв.
До сих
пор мы имели
ввиду абсолютно
чистые кристаллы,
не имеющие
никаких примесей.
На самом деле
примеси есть
и играют очень
большую роль.
Чистые полупроводники
называются
собственными,
а с примесями
– примесными.
Рассмотрим
наиболее простые
примеси, отличающиеся
от атомов кремния
и германия на
одну валентность
(валентность
кремния и германия
4).
Если
имеется примесь
с 5 электронами
на внешней
орбите, то в
связях с кремнием
или германием
участвуют 4
электрона, а
пятый – лишний,
он легко отрывается
от атома примеси
и может свободно
двигаться по
кристаллу.
Таким образом,
в полупроводнике
появляются
лишние электроны,
а вследствие
рекомбинация
количество
дырок уменьшается.
Происходит
сдвиг уровня
Ферми вверх,
равновесные
концентрации
электронов
и дырок меняются,
а их произведение
остаётся прежним,
см. рис. При этом
примесь, отдающая
один электрон,
дазывается
донором.
При
введении в
полупроводник
другой примеси,
3-х валентной,
происходит
иная ситуация:
для четырёхкратной
связи атомам
полупроводника
нехватает
одного электрона.
Поэтому полупроводник
отдаёт один
электрон, количество
электронов
уменьшается,
а вследствие
рекомбинации
количество
дырок растёт.
Это иллюстрирует
нижний рис.
Такие примеси
называются
акцепторами.
Полупроводник
с донорной
примесью называется
электронным,
или полупроводником
n – типа, а полупроводник
с акцепторной
примесью называется
дырочным, или
p – типа. Существенно,
что большинство
полупроводниковых
приборов использует
контакт полупроводников
n- и p- типов, поэтому
не стараются
использовать
чистые полупроводники,
а наоборот,
делают примесные
полупроводники.
Теперь
рассмотрим
электропроводность
зоны проводимости.
Обычно свободный
электрон описывается
п араболической
дисперсионной
кривой (зависимостью
энергии от
импульса), см
рис.

Для
электрона в
кристалле всё
выглядит по
другому. Правда,
вблизи нулевых
значений импульса
энергия тоже
похожа на параболу,
но вдали от
нуля это скорее
синусоида, т.е.
периодическая
кривая. Это
отличие принципиальное.
У свободного
электрона при
приложении
электрического
поля энергия
его всё время
растёт, а у электрона
в кристалле
она растёт
только до некоторого
значения, а
затем падает.
Скорость электрона
определяется
производной
от энергии по
импульсу. У
параболы скорость
всё время растёт
(здесь мы не
рассматриваем
теории относительности,
и поэтому не
учитываем
конечности
скорости электрона,
которая не
может быть
больше скорости
света). У синусоиды
скорость электрона
в начале растёт,
затем достигает
максимума
(самый крутой
участок кривой)
далее падает
и достигает
нуля, затем
начинает изменяться
в отрицательную
сторону и т.д.
Получается,
что в следствие
периодической
зависимости
дисперсионной
кривой, скорость
электрона
должна всё
время менять
направление,
и в целом он не
должен двигаться.
Но это
не так. В кристаллах
очень много
различных
дефектов: электроны
и дырки могут
сталкиваться,
фононы (тепловые
колебания)
могут взаимодействать
с электронами
и дырками, заряженные
и нейтральные
примеси влияют
на движение
электронов
и дырок, фотоны
и другие частицы
также сталкиваются
с ними. Всё это
ограничивает
свободное
движение электронов.
Получается,
что только
электрон немного
разогнался,
как тутже произошло
его столкновение
с чем-нибудь,
и он потерял
скорость. Происходит
так, как на картинке:

Далее
о токе
Потом
о дырочном токе
Эффективная
масса и подвижности
Диффузионный
электр. и дырочный
ток
Диффузионная
длина
ЛЕКЦИЯ
3
Р-п
переходы
В громадном
большинстве
полупроводниковых
приборов используется
р-п переход
(только иногда
р-п переход не
нужен, например,
в фотосопротивлениях,
или диодах
Ганна). Поэтому
сегодня мы
рассмотрим
принцип его
работы.
Итак,
р-п переход -
это структура,
содержащая
дырочную и
электронную
области полупроводника.
Причём эти
области получены
в единой структуре
за счёт диффузии
доноров или
акцепторов.
Но мы условно
будем считать,
что эти области
сначала существовали
раздельно, а
затем были
объединены.
Итак, есть две
области, электронная
и дырочная:
М ы
может построить
зонные диаграммы
для этих кусков
полупроводника:
О ни
одинаковы, так
как полупроводник
один и тот же,
но уровни Ферми
находятся на
разной высоте,
так как слева
полупроводник
п-типа, и уровень
Ферми выше
середины запрещённой
зоны, а справа
полупроводник
р-типа, и уровень
Ферми ниже
середины. Если
теперь соединить
эти куски, то
электроны,
которых слева
много, будут
диффундировать
направо, а дырки,
которых много
справа, будут
диффундировать
налево (указано
стрелками). Это
приводит к
тому, что левая
часть структуры
заряжается
положительно,
а правая –
отрицательно.
Но при
этом энергия
электрона слева
будет уменьшаться,
а справа будет
увеличиваться,
т.е. произойдёт
сдвиг левой
части диаграммы
вниз, а правой
– вверх. Этот
процесс должен
закончиться,
когда совпадут
положения
уровней Ферми
в левой и правой
части полупроводника:
 Е
---
(в
равновесии
уровни Ферми
в разных частях
сложной системы
совпадают). Ну
а на самом деле,
между левой
и правой частью
полупроводника
появляется
электрическое
поле, направленное
от плюса к минусу,
т.е. так, как указано
на рис.
Это электрическое
поле вызывает
возникновение
дрейфового
тока, направленного
так, что электроны
текут справа
налево, а дырки
– наоборот. Чем
больше электрическое
поле, тем больше
этот ток. В конце
концов он уравновесит
диффузионный
ток, так как он
по направлению
ему противоположен.
Установится
равновесие
(одновременно
существуют
два диффузионных
тока – электронов
и дырок – и два
дрейфовых тока,
которые все
между собой
равны).
Теперь
рассмотрим
количество
носителей
заряда (электронов
и дырок). Слева
и справа, где
зонная диаграмма
горизонтальна,
они велики, так
как уровни
Ферми близки
к соответствующим
границам зон.
А там, где эти
границы искривляются,
уровень Ферми
удаляется от
одной границы
и приближается
к другой. Из
рис. видно, что
в области п-типа
электронов
становится
гораздо меньше,
чем было в левой
части. А в области
р-типа дырок
значительно
меньше, чем
было в правой
части.
Но
левая часть
нейтральна,
так как в ней
есть ещё и заряды
ионов – атомов
доноров. Эти
атомы жёстко
закреплены
в узлах кристаллической
решётки, и не
могут двигаться,
т.е. не переносят
ток. Но их количество
строго равно
количеству
электронов,
поэтому в этой
области нет
зарядов (сама
диаграмма
говорит об
этом: если линии
энергетических
уровней горизонтальны,
то нет электрического
поля, значит
нет зарядов,
или их сумма
с учётом знака
равна нулю). То
же самое можно
сказать и о
правой части
полупроводника:
количество
дырок и акцепторов
в ней одинаково,
хоть и велико,
но полный заряд
равен нулю.
Совсем
другое можно
сказать о средней
области полупроводника,
где зоны искривлены.
Количество
неподвижных
зарядов, доноров
и акцепторов,
неизменно и
велико. А электронов
и дырок из-за
увеличения
расстояния
между границами
зоны и уровнем
Ферми во много
раз уменьшается.
Поэтому в этой
области есть
заряды, и практически
они равны
зарядам
неподвижных
доноров и акцепторов:
П рактически
это прямоугольники,
так как электронов
и дырок в этой
области пренебрежимо
мало. На рис.
прямоугольники
разные, так как
плотность
доноров слева
меньше, чем
акцепторов
справа (обратить
внимание на
положение
уровня Ферми).
Но площади
прямоугольников
должны быть
строго равны,
так как полные
заряды слева
и справа равны.
Поэтому в данном
случае
ln
>
lp
.
Введём
понятие области
объёмного
заряда (ООЗ).
Это область,
в которой есть
заряд, или в
которой изменяются
энергетические
зоны. Ширина
этой области
г де
о
- мировая константа,
равная 1/(9*109)
фм
,
п
- диэлектрическая
постоянная
полупроводника,
о
-
контактная
разность потенциалов,
т.е. другими
словами
высота потенциального
барьера, делённая
на
заряд одного
электрона, В,
NА
- совокупная
концентрация,
определяемая
формулой:
NА
=
Nд
Nа
/(Nд
+Nа
)
где
Nд
– концентрация
доноров в куске
п-типа проводимости,
а
Nа
– концентрация
акцепторов
в куске р-типа
проводимости.
Из
этой формулы
видно, что NА
ближе
к той концентрации,
которая меньше
(если например
Nд
меньше, то ею
можно пренебречь
в знаменателе
по сравнению
с Nа,
затем это Nа
можно
сократить, и
останется
только Nд).
Кстати,
поэтому толщина
всей ООЗ определяется
той частью, у
которой заряд
меньше, так как
она толще.
Электрическое
поле можно
определить
по этой зависимости
заряда от координаты.
Просто надо
взять интеграл
от заряда. Получится
кривая:

 Ясно,
что электрическое
поле нарастает,
причём растёт
оно по прямой,
так как плотность
заряда постоянная,
дорастает до
Емакс
,
а затем падает
до нуля, так
как далее заряд
имеет другой
знак.
Электрический
потенциал также
находится
интегрированием
электрического
поля, при
этом ясно, что
потенциал
поведёт себя
так: горизонтально,
где нет зарядов,
(есть нейтральность);
и параболически,
где есть постоянный
заряд и линейный
рост электрического
поля. Точно
также ведёт
себя и энергетический
уровень, так
как он определяется
как произведение
заряда электрона
на напряжение
(правда следует
учитывать, что
заряд электрона
отрицательный,
и потенциаль
отразится
относительно
горизонтали).
Что
же произойдёт
с р-п переходом
при приложении
к нему напряжения?
Это
зависит от
того, куда приложен
плюс, а куда
минус. Считается,
что если плюс
приложен к
р-области, а
минус – к п-области,
то это прямое
смещение р-п
перехода, а
если наоборот,
то это обратное
смещение р-п
перехода.
При
прямом смещении
р-п перехода
(плюс к р-области)
энергия электрона
в р-области
увеличивается,
эта часть зоны
на энергетической
зоне поднимается,
а в п-области
– понижается,
и п-область
понижается.
Поэтому потенциальный
барьер уменьшается.
Также уменьшается
и ширина области
объёмного
заряда согласно
формуле:
И так,
в р-п переходе
имеется диэлектрическая
область, которая
при прямом
смещении уменьшается
по толщине.
Поэтому сопротивление
этой области
значительно
уменьшается.
 При
обратном смещении
(плюс к п-области)
энергия электрона
уменьшается
в п-области,
эта область
в зоне перемещается
вниз, а р-зона
– вверх. Высота
барьера увеличивается,
а также, согласно
приведенной
выше формуле,
растёт ширина
области пространственного
заряда (следует
иметь ввиду,
что в этом случае
в формулу
подставляется
отрицательное
U).
Т.е. в этом случае
диэлектрическая
прослойка
внутри р-п перехода
растёт, и сопротивление
структуры
увеличивается
с ростом (по
модулю) напряжения.
Более
строгое теоретическое
рассмотрение
даёт такую
формулу:
г де
I
–
ток, протекающий
через р-п переход;
Is
– некоторая
постоянная,
имеющая размерность
тока, определяется
свойствами
материала п-
и р-типа электропроводности.
Кривая, соответствующая
этой формуле,
представлена
на рис.:
 Р-п
переход, или
полупроводниковый
диод, имеющий
такую вольтамперную
характеристику,
используется
для выпрямления
электрического
тока, как полученного
из различных
антенн, так и
сетевого. Кроме
того, он широко
используется
в других полупроводниковых
устройствах,
где используется
3, 4 или гораздо
больше р-п переходов,
что мы рассмотрим
позже. Сейчас
надо рассмотреть
реальные
характеристики
р-п переходов.
Реальные
характеристики
сильно отличаются
от идеальных.
Так, в прямой
ветви есть
несколько
отличий от
идеальности,
но главное, это
то, что экспонента
простирается
только до напряжения
Uп.
При U>Uп
потенциальный
барьер полностью
исчезает, и,
значит, сопротивление
р-п перехода
становится
равным только
сопротивлению
п- и р- областям,
а сопротивление
прослойки
исчезает. Поэтому
при U>Uп
ВАХ линейна,
см. рис.
 Итак,
в прямой ветви
до U0
сохраняется
идеальная
кривая (экспонента),
а после – она
заменяется
на прямую.
 В
обратной ветви
кроме экспоненты,
которая довольно
быстро приводит
к насыщению,
есть ещё и другой
ток, вызванный
генерацией
носителей в
области объёмного
заряда. Дело
в том, что при
комнатной
температуре
(и тем более
при повышенных
температурах)
в полупроводнике
всегда рождаются
электроны и
дырки (термогенерация).
Обычно они,
немного поблуждав
по полупроводнику,
встречаются
и гибнут (рекомбинация).
Но те электроны
и дырки (пары),
которые родились
в слое объёмного
заряда, не успевают
погибнуть, так
как там есть
электрическое
поле, которое
растягивает
их в разные
стороны. Но
тогда, как показано
на рис., через
р-п переход
протечёт элементарный
точёк. Чем больше
толщина слоя
обёмного заряда,
тем больше
суммарный ток.
Так что к обычному
току насыщения,
который существует
в р-п переходе,
добавляется
ещё ток, пропорциональный
толщине слоя
объёмного
заряда, то есть
корню квадратному
от обратного
напряжения.
В разных
диодах, приготовленных
из разных
полупроводников,
толщина слоя
объёмного
заряда различная,
и поэтому
относительная
величина этого
вклада неодинакова.
Обычно в германиевых
р-п переходах
этот вклад
меньше, а в
кремниевых
р-п переходах
больше, и в реальных
кремниевых
диодах обратный
ток практически
всегда пропорционален
корню квадратному
из модуля напряжения
(приближённо).
Но в
обратном направлении
есть и ещё некоторые
особенности,
связанные с
тем, что на р-п
переходе падает
большое напряжение.
Поэтому при
достижении
некоторого
напряжения
наступает
электрический
пробой полупроводника.
Мы
рассмотрим
только один
из возможных
механизмов
пробоя – лавинный.
В этом случае
при достаточно
большой напряжённости
электрического
поля электрон
в зоне проводимости,
или дырка в
валентной зоне
могут разогнаться
за время между
соударениями
с какими-то
дефектами до
энергии, достаточной
для рождения
новых электрона
и дырки. Так
вместо одного
электрона
(дырки) стало
три частицы.
Каждая из этих
частиц тоже
можут разогнаться
до такой большой
скорости и
утроиться. Если
напряжённость
электрического
поля увеличивается,
то лавинообразный
процесс увеличивается
– утроение
происходит
дольше и количество
частиц сильно
увеличивается.
На вольтамперной
характеристике
это соответствует
почти вертикальному
участку – напряжение
не изменяется,
а ток сильно
растёт.
Дальше
наступает
тепловой пробой,
т.е. получается
так, что с ростом
тока поднимается
температура
диода, это приводит
к увеличению
концентрации
за счёт термогенерации,
растёт ток, а
это приводит
к новому росту
температуры
и так далее,
пока образец
не сгорит. На
этом участке
вольтамперная
характеристика
имеет отрицательный
наклон – динамическое
сопротивление
отрицательно.
К другим
параметрам
р-п перехода
относится
паразитная
ёмкость диода.
Она получается
из-за того, что
в р-п переходе
всегда есть
область объёмного
заряда, то-есть
область, в которой
всегда есть
заряд. Этот
заряд зависит
от приложенного
напряжения,
т.е. это и есть
обычный конденсатор.
Но в отличие
от обычного
конденсатора
р-п переход
имеет ёмкость,
которая зависит
от напряжения.
Поэтому удобнее
рассматривать
не ёмкость, а
динамическую
ёмкость р-п
перехода:
 Эта
ёмкость играет
роль при обратном
напряжении
и называется
барьерной.
Очевидно, чем
больше обратное
напряжение,
тем больше
l
и тем меньше
СД
.
При прямом
смещении СД
тоже
существует,
но значительно
большую роль
играет диффузионная
ёмкость, которая
возникает из-за
того, что происходит
диффузия электронов
и дырок в области
с противоположным
типом электропроводности.
Однако рассмотрение
этой ёмкости
более сложное,
и мы не будем
её рассматривать.
Мы
рассмотрели
реальные свойства
полупроводникового
диода. А теперь
рассмотрим
применения
диода.
Самое
простое и очевидное
применение
р-п перехода
– это использование
его в качестве
выпрямителя.
Но здесь важно
отметить, зачем
делается выпрямление
электрического
тока. Прежде
всего это выпрямление
переменного
тока для питания
различной
аппаратуры
постоянным
током. Это обычно
50 Гц или 60 Гц –
довольно низкая
частота. Поэтому
быстродействие
от этих диодов
не требуется,
но требуется
пропускание
довольно большого
тока, достигается
за счёт большой
поверхности
р-п перехода.
Это так называемые
силовые диоды.
Выпрямление
тока происходит
по следующей
схеме:
 От
источника
электродвижущей
силы ток проходит
через диод и
затем через
сопротивление
нагрузки. На
сопротивлении
нагрузки выделится
напряжение,
похожее на
диаграмму тока,
т.е. напряжение
будет одного
знака, но очень
пульсирующим,
что недопустимо.
Можно, конечно,
усложнить схему
за счёт использования
четырёх диодов,
тогда не будет
пропусков, но
импульсность
останется.
Поэтому применяют
фильтрацию
сигнала, в простейшем
случае применяют
просто конденсатор:
 Другая
ситуация возникает
при использовании
диода для выпрямления
радиосигнала.
Здесь другие
частоты – от
сотен килогерц
до сотен Мегагерц.
Поэтому главное
требование
к диоду – это
его высокочастотность.
Поэтому диоды
делают маленькой
площади и даже
точечными,
чтобы уменьшить
их паразитную
ёмкость. Здесь
ещё остались
точечные диоды.
Иногда
используют
вертикальный
участок обратной
ветви диода
для стабилизации
напряжения.
Диоды, специально
изготовленные
для этого, называются
стабилитронами.
Важно уметь
изготавливать
стабилитроны
на разное напряжение,
т.е. сделать
р-п переход с
нужным значением
пробивного
напряжения.
Этого легко
добиться, подбирая
нужную степень
легирования
(концентрацию
доноров и акцепторов
в п- и р-типе).
Паразитная
ёмкость р-п
перехода не
всегда вредна.
Иногда, когда
ёмкость важна,
р-п переход
используют
в качестве
конденсатора.
Особенно важно
то, что его ёмкость
можно регулировать,
прикладывая
разные обратные
напряжения.
Специально
изготовленные
для этого диоды
называют варикапами.
Несколько
отличные диоды
получаются,
когда р- и п-области
сильно легированы,
так что уровни
Ферми слегка
выходят в
соответствующие
зоны:
О бласть
объёмного
заряда очень
маленькая, так
как велики
копцентрации
примесей –
доноров и акцепторов.
Поэтому очень
велика вероятность
того, что электроны
из валентной
зоны сразу
переходят в
зону проводимости
(и обратно). В
такой структуре
при малых напряжениях
протекают очень
большие токи.
При небольших
смещениях в
прямом направлении
высота барьера
уменьшается,
и исчезает
перекрытие
валентной зоны
и зоны проводимости,
ток уменьшается,
а затем, когда
барьер вовсе
исчезает, ток
снова растёт.
Это так называемый
тунельный диод.
Его характеристика
показана на
рис.:
 Важная
особенность
тунельного
диода – это то,
что он имеет
участок с
отрицательным
дифференциальным
сопротивлением.
Это позволяет
сделать на нём
простой генератор
переменного
сигнала, причём
очень высокочастотный
(СВЧ).
Особенно
важно то, что
р-п переход
может взаимодействовать
с различными
излучениями.
Если р-п переход
взаимодействует
со светом, его
называют фотодиодом.
С точки
зрения квантовой
механики свет
можно рассматривать
двояко: с одной
стороны это
электромагнитная
волна, а с другой
стороны это
поток частиц
– фотонов.
Взаимодействие
полупроводника
и света удобнее
рассматривать
с точки зрения
фотонов.
Когда
фотон попадает
в полупроводник,
он может столкнуться
с электроном
валентной зоны.
При этом фотон
отдаёт электрону
и исчезает.
Если фотон из
видимой части
спектра, его
энергии вполне
достаточно,
чтобы произошла
фотогенерация
электрона и
дырки (электрон
из валентной
зоны переходит
в зону проводимости,
а в валентной
зоне остаётся
дырка).
Когда
фотон попадает
в нейтральную
область, то
родившиеся
пары (электрон
и дырка), поблуждав
некоторое
время, могут
встретиться
и рекомбинировать.
Таким образом,
так как время
жизни пар мало,
эффект очень
слабый. Совсем
другое дело,
если фотон
поглотился
в области объёмного
заряда – тогда
родившаяся
пара разделяется
электрическим
полем этой
области, так
что после поглощения
одного фотона
через р-п переход
пройдёт ток
в один заряд.
Если
фотодиод включён
в коротко замкнутую
цепь, то чем
больше поток
фотонов, тем
больше фототок,
такие фотодиоды
используются
для регистрации
освещённости.
Если
фотодиод включён
в разомкнутую
цепь, то фотогенерация
приведёт к
заряду областей:
п-область –
отрицательно,
р-область –
положительно.
Но при этом
уменьшится
высота потенциального
барьера, а
следовательно,
величина
электрического
поля в области
объёмного
заряда. В конце
концов на р-п
переходе появится
разность потенциалов,
равная контактной
разности потенциалов
Un
,
и дальнейшее
разделение
пар фотогенерации
прекратится.
Это
обычно используется
в солнечных
батареях, где
собирается
в общую батарею
большое количество
дешёвых кремниевых
диодов большой
площади. Контактная
разность потенциалов
их составляет
0,6...0,7 В.
Полупроводниковые
диоды используют
также в качестве
излучателей
света – это так
называемые
светодиоды.
К сожалению
ни германий,
ни кремний не
могут излучать
фотоны, так как
они непрямозонные.
Прямозонные
полупроводники
изображены
слева (например
AsGa),
а Ge и Si
справа
В
германии и
кремнии боковой
минимум расположен
несколько ниже
основного, и
его заполняют
электроны,
поэтому они
могут рекомбинировать
только с выделением
энергии и импульса,
а в AsGa
зоны
прямые, и рекомбинация
происходит
без выделения
импульса (выделяется
только энергия).
Поэтому в германии
и кремнии выделяются
фононы (имеющие
примерно такой
импульс), а в
арсениде галлия
– фотоны (не
имеющие импульса).
Но в
арсениде галлия
длина волны
излучения
больше 1 мкм,
т.е. он излучает
в инфракрасной
области спектра.
Подходящая
длина волны
получается
в фосфиде галлия,
так как у него
более широкая
запрещённая
зона, и это
соответствует
видимому свету.
ЛЕКЦИЯ
4
Биполярные
транзисторы
На
прошлой лекции
мы рассмотрели
работу одного
р-п перехода
(диода). Однако
известно, что
гораздо большее
применение
имеют полупроводниковые
приборы с большим
числом слоёв
разного типа
электропроводности,
расположенных
в разном сочетании.
Сегодня мы
рассмотрим
биполярный
транзистор.
 Принцип
действия биполярного
транзистора
заключается
в том, что 2 р-п
перехода расположены
настолько
близко друг
к другу, что
происходит
взаимное их
влияние, вследствие
чего они усиливают
электрические
сигналы.
Как
показано на
рис., это три
области – п-,
р- и п. (В принципе
может быть и
наоборот: р-,
п-, р-; все рассуждения
относительно
такого транзистора
будут одинаковы,
различие только
в полярностях
напряжений,
такой транзистор
называется
р-п-р, а мы для
простоты будем
рассматривать
п-р-п, изображённый
на рис.)
Итак,
на рис. изображены
три слоя: с
электронной
электропроводностью,
причём сильной,
что обозначает
плюс - эмиттер,
дырочной - база,
и снова электронной,
но более слабо
легированной
(концентрация
электронов
самая малая)
– коллектор.
Толщина базы,
т.е. расстояние
между двумя
р-п переходами,
равное Lб
, очень
мала. Она должна
быть меньше
диффузионной
длины электронов
в базе. Это от
единиц до десятка
мкм. Толщина
базы должна
быть не более
единиц мкм.
(Толщина человеческого
волоса 20-50 мкм.
Отметим также,
что это близко
к пределу разрешения
человеческого
глаза, так как
мы не можем
видеть ничего
меньшего, чем
длина волны
света, т.е. примерно
0,5 мкм). Все остальные
размеры транзистора
не более примерно
1 мм.
К слоям
прикладывают
внешнее напряжение
так, что эмиттерный
р-п переход
смещён в прямом
направлении,
и через него
протекает
большой ток,
а коллекторный
р-п переход
смещён в противоположную
сторону, так
что через него
не должен протекать
ток. Однако
вследствие
того, что р-п
переходы расположены
близко, они
влияют друг
на друга, и картина
меняется: ток
электронов,
прошедший из
эмиттерного
р-п перехода,
протекает
дальше, доходит
до коллекторного
р-п перехода
и электрическим
полем последнего
электроны
втягиваются
в коллектор.
В результате
у хороших
транзисторов
практически
весь ток коллектора
равен току
эмиттера. Потери
тока очень
незначительны:
проценты и даже
доли процента.
 Рассмотрим
более внимательно
составляющие
токов в биполярном
транзисторе
п-р-п типа. Это
изображено
на рис.:
Верхний
ток (большая
толстая стрелка
с минусом) –
это ток электронов
из эмиттера
в коллектор.
В эмиттере
электронов
много, поэтому
этот ток большой.
Когда электроны
входят в базу,
то дальше они
движутся за
счёт диффузии
(электрического
поля в базе
нет) – слева
электронов
много, а справа
– мало. Значит,
они движутся
слева направо.
А в конце базы
они попадают
в область
электрического
поля коллекторного
р-п перехода,
которое вытягивает
электроны из
базы в коллектор.
Так как это
поле велико,
концентрация
электронов
в базе непосредственно
у коллекторного
р-п перехода
практически
равна нулю.
Поэтому градиент
концентрации
электронов
в базе очень
велик – слева
их очень много,
справа – почти
нуль, а длина
базы очень
мала:
г де
n0
- концентрация
электронов
в базе слева
(у эммитера),
очень велика.
Поэтому
диффузионный
ток очень велик.
А дрейфого тока
нет.
На
самом деле он
есть, но очень
маленький.
Действительно,
напряжение
к базе прикладывается,
но сбоку, и маленькое
(не больше одного
вольта). А напряжённость
электрического
поля рассчитывается
как отношение
напряжения
к расстоянию,
на котором это
напряжение
прикладывается.
В нашем случае
расстояние
– это толщина
транзистора
в направлении,
перпендикулярном
направлению
диффузионного
тока, и эта толщина
в 10...1000 раз больше
Lб.
Поэтому дрейфовый
ток существенно
меньше диффузионного,
второй маленький
электронный
ток на рис., который
показан тоненькой
линией, сворачивающей
к базовому
контакту.
Второй
маленький ток
электронов
– это те электроны,
которые встретились
в базе с дырками
и рекомбинировали.
Дырки, необходимые
для этого, могут
притечь только
из базового
контакта, так
как в коллекторе
и в эмиттере
их нет. Этот
ток вначале
обозначен
минусом, а далее
он встречается
с дырочным
током, который
обозначен
плюсом, и выходит
из базового
контакта (второй
маленький
точёк).
Третий
маленький ток
– это диффузионный
ток дырок из
базы в эмиттер.
Он гораздо
меньше диффузионного
тока электронов
(из эмиттера
в базу), потому
что электронов
в эмиттере
гораздо больше,
чем дырок в
базе (напомним,
что эмиттер
– наиболее
сильно легированная
область п-р-п
транзистора).
Это обозначено
тоненьким
дырочным током,
который также
может начаться
только на базовом
контакте, а
заканчивается
на эмиттерном
контакте.
Итак,
есть три маленьких
тока, которые
неизбежно
должны проходить
из базы в эмиттер:
это дрейфовый
ток электронов
(мал по сравнению
с диффузионным),
ток рекомбинации
(мал, потому
что мала толщина
базы) и дырочный
ток диффузии
(мал, потому
что мала концентрация
дырок в базе
по сравнению
с концентрацией
электронов
в эмиттере). И
есть большой
диффузионный
ток электронов
из эмиттера
в базу, который
идёт к коллекторному
р-п переходу,
и его электрическим
полем протягивается
в коллектор.
Отношение
коллекторного
тока к базовому
– это главный
коэффициент,
который показывает
усилительные
возможности
транзистора:
Т ак
как I
к>>Iб
, эта
величина
большая, т.е.
транзистор
усиливает ток.
Обычно составляет
10 – 300, в редких
случаях (у очень
широкополосных
транзисторов)
может
быть меньше
(порядка 2...5), или
больше, 5 000...10 000 у
супербетатранзисторов.
Итак,
у транзистора
ток базы очень
мал, поэтому
ток эмиттера
практически
весь преобразуется
в ток коллектора,
и только небольшая
часть его
преобразуется
в ток базы:

 связано
с
Iк/Iэ
формулой:
И
наоборот:
Конечно,
очень
близко к единице,
но <1.
Итак,
понятно, откуда
берётся усиление
в транзисторе
по току: если
к базе прикладывать
маленький ток,
то в эмиттере
и коллекторе
будут протекать
токи, в и
раз
большие.
Но
в электронике
гораздо чаще
используются
усилители по
напряжению.
Как это получается?
Обычно
управляют
транзистором,
прикладывая
ток или напряжение
к эмиттерному
р-п переходу,
смещённому
в прямом направлении.
При этом падение
напряжения
на нём не очень
велико – порядка
контактной
разности потенциалов
0,6...0,7 В. А значит,
переменная
часть напряжения
вообще лежит
в пределах 0,1
В.
Выходной
ток, которым
является ток
коллектора,
вообще не зависит
от напряжения
на коллекторе,
если только
оно нулевое
или обратное
(чтобы в коллекторном
р-п переходе
было тянущее
поле). Поэтому
если подключить
коллектор к
источнику
напряжения
через сопротивление,
то ток Iк,
протекающий
через это
сопротивление
и зависящий
только от напряжения
на входе, будет
выделять напряжение
на этом сопротивлении,
тем большее,
чем больше
сопротивление.
Ясно,
что максимальное
выходное напряжение
равно напряжению
источника Eп,
которое
может быть
5...15 В, или даже
больше. Пусть
Eп=10
В,
тогда
 Итак,
мы поняли, из-за
чего возникает
коэффициент
усиления по
напряжению.
Теперь рассмотрим
это более подробно
с учётом конкретных
схем включения
транзистора.
Обычно
в схемах биполярные
транзисторы
изображаются
так:
 Как
видно, схематическое
изображение
совсем не похоже
на их действительную
конструкцию.
Но так принято.
Кружок символизирует
корпус транзистора.
Индексом "б"
обозначен
контакт к базе,
"к" обозначает
контакт к
коллекторной
области, а "э"
– к эмиттерной
области. Направление
стрелки у эмиттерного
контакта определяет
тип транзистора
(п-р-п или р-п-р).
Входом
усилительного
каскада является
эмиттерный
р-п переход,
т.е. контакты
б-э. При нормальном
смещении это
прямое напряжение
для эмиттерного
р-п перехода,
т.е. вольтам-перная
характеристика
(ВАХ) выглядит
так:
Е сли
транзистор
открыт, то напряжение
на р-п переходе
примерно равно
0,6 В. Если оно
меньше на 0,1 В,
то ток падает.
Подсчитаем,
во сколько раз
падает ток,
если напряжение
уменьшается
на 0,1 В. Вспомним,
что кТ/q=0.026
В, поэтому изменение
тока можно
приближённо
подсчитать
по формуле:

Т.е.
ток упадёт
примерно в 50
раз, и можно
будет считать,
что через транзистор
ток не протекает.
Теперь
рассмотрим
выходные
характеристики
п-р-п транзистора,
т.е. ВАХ на коллекторе.
Сначала будем
считать, что
транзистор
включён по
схеме с общей
базой:

Мы
видим, что к
эмиттерному
р-п переходу
приложено
прямое смещение:
плюс к базовому
контакту, а
минус к эмиттерному
контакту. К
коллекторному
р-п переходу
приложено
обратное смещение.
В этом случае
у хорошего
транзистора
коллекторный
ток лишь незначительно
меньше эмиттерного.
Значит, вольамперные
характеристики
должны быть
горизонтальными:

Это
левый рисунок.
Здесь представлены
четыре линии
для четырёх
токов эмиттера.
На самом деле
они выглядят
немного не так
– см. правый
рисунок. Во-первых
при отрицательном
напряжении
(а это будет
прямое смещение
для коллекторного
р-п перехода) ток
быстро падает.
А при положительном
напряжении
токи коллектора
всё-таки немного
нарастают, что
происходит
из-за того, что
с ростом напряжения
увеличивается
обратное смещение
на коллекторном
р-п переходе,
при этом увеличивается
его область
объёмного
заряда, а значит
уменьшается
нейтральная
часть базы. Это
и приводит к
тому, что полный
коллекторный
ток постепенно
нарастает. В
конце наступает
резкий рост
тока, связанный
с пробоем
коллекторного
р-п перехода.
Чаще
используется
схема с общим
эмиттером. В
этом случае
кривые немного
сдвигаются
вправо:
 В
этом случае
в базу и в эмиттер
подаются напряжения
одного знака,
но в базу подаётся
не больше 0,7 В,
а в коллектор
– 5...15 В.
Если
в коллекторную
цепи включить
резистор, то
напряжение
будет уменьшаться
при больших
токах, и может
достичь нуля.
В этом случае
наступит режим
насыщения:
напряжение
на колекторном
переходе станет
прямым, ток
пойдёт из коллектора
в базу и из эмиттера
в базу, ток в
коллекторной
цепи прекратится,
а в базе начнётся
накопление
электронов.
Это так называемый
режим насыщения.
Режим
насыщения очень
неприятен, так
как из-за этого
накопления
носителей в
базе резко
ухудшается
быстродействие
транзистора.
В
схеме с общей
базой этого
не происходит.
Отметим
также, что нарастание
тока коллектора
с ростом напряжения
на коллекторе
можно охарактеризовать
величиной
дифференциального
сопротиления
коллектора:
 Дифференциальное
коллекторное
сопротивление
у схемы с общим
эмиттером (ОЭ)
во много раз
меньше, чем у
схемы с общей
базой (ОБ).
Теперь
рассмотрим
более подробно
три наиболее
типичные схемы
включения
транзистора:
с общим эмиттером
(ОЭ), с общим
коллектором
(ОК) и с общей
базой (ОБ). Общим
называется
тот контакт,
который либо
прямо связан
с землёй, либо
через низкое
сопротивление
источника
питания. А на
остальных
контактах будут
входной и выходной
сигнал.
 В
схеме ОЭ входной
сигнал подаётся
на базу, а выходной
сигнал снимается
с коллектора.
Схема и выходные
характеристики
изображены
на рис.:
Видно,
что схема стала
очень сложной.
Однако главное,
что здесь есть
– это резистор
Rк
,
который определяет
коэффициент
усиления по
напряжению,
и который составляет
от единиц килоом
до мегома (чем
больше этот
резистор, тем
больше усиление).
Все остальные
элементы более
или менее условны.
Прежде всего
Rэ
необходимо
для термостабилизации
транзистора.
Это осуществляется
за счёт обратной
связи по постоянному
току, которую
мы обсудим
позже. Сэ
–
конденсатор,
который шунтирует
этот резистор
на рабочих
частотах, так
что при переменном
сигнале резистора
нет. Этот конденсатор
– несколько
мкФ. Обычно это
электролитический
конденсатор.
Ср
–
разделительные
конденсаторы,
которые отделяют
постоянную
составляющую
сигнала на
входе и выходе
схемы от внешних
сигналлов.
Обычно это
несколько мкФ.
Rб1
–
важный резистор,
управляющий
работой транзистора,
служит для
задания рабочей
точки. Этот
резистор задаёт
постоянную
составляющую
тока базы. Его
значение зависит
от величины
Rк
.
Rб2
– практически
ненужный резистор,
просто он ставится
для предохранения
транзистора
от сгорания.
Его значение
должно быть
большим, так
как стоит он
параллельно
входу и может
его закоротить.
Обычно это 1
или несколько
килоом, так как
входное сопротивление
транзистора
мало.
Rн
– сопротивление
нагрузки, лучше,
если оно большое,
так как оно
подключено
параллельно
выходу транзистора,
и если оно будет
малым, выходной
сигнал упадёт.
Uвх
–
сигнал на входе
транзистора.
Как видно, на
входе много
различных
деталей – резисторов
и конденсаторов.
Но на рабочих
частотах
сопротивления
конденсаторов
малы, и они хорошо
пропускают
сигналы. А два
параллельных
резистора Rб1
и
Rб2
достаточно
велики по сравнению
с входным
сопротивлением
транзистора.
Поэтому учтём
только это
входное сопротивление.
Обычно
собственно
сопротивления
транзистора
обозначаются
малыми буквами:
rб
– сопротивление
базовой области
транзистора,
обычно очень
мало – от нескольких
Ом до десятков
Ом;
rэ
– сопротивление
эмиттерной
области (десятые
или сотые доли
Ом) и эмиттерного
р-п перехода,
обычно смещённого
в прямом напрявлении.
При открытом
транзисторе
это в пределах
10...100 Ом.
 Оценим
сопротивление
rэ
из формулы для
ВАХ р-п перехода
при прямом
смещении:
(как
обычно, при
прямом смещении
единицей
пренебрегаем).
Будем оценивать
дифференциальную
величину rэ.
Продифференцируем
формулу по U:
и
 ли
Видно,
что сопротивление
р-п перехода
зависит только
от тока, который
через него
протекает. Так
при токе в 1 мА
при комнатной
температуре
(примерно 3000К)
получается
0,026В/10-3
= 26 Ом, а при 10 мА
получится 2,6
Ом.
Но
сопротивление
базы как входное
сопротивление
транзистора
определяется
сложнее. Дело
в том, что ток
базы должен
увеличиться
в +1
раз
(это отношение
Iэ/Iб).
Поэтому и напряжение,
упавшее на
эмиттерном
р-п переходе,
увеличится
в это же число
раз:
И так,
входное сопротивление
транзистора
будет сильно
зависеть от
, rб
и rэ,
а также от тока,
протекающего
через эмиттер.
Но это величина
не очень большая:
если считать,
что а
ток равен 1 мА,
то это примерно
2,6 кОм, при токе
10 мА – это 260 Ом,
при большем
токе уже надо
добавлять
сопротивление
базы.
На
вход подаётся
напряжение
Uвх.
Ток, протекающий
через базу
транзистора,
равен:
Ч

 ерез
коллектор
протекает ток
Iк
=
Iб.
Вычислим потенциал
на коллекторе.
Теперь найдём
коэффициент
усиления по
напряжению
Кu=Uвых/Uвх,
но так как это
затруднительно,
будем искать
дифференциальный
коэффициент
усиления:
Видно,
что коэффициент
усиления по
напряжению
отрицательный,
т.е. выходной
сигнал в противофазе
с входным, и
довольно велик,
так как Rk
>>rвх
и
>10.
Интересно
также провести
графическое
исследование
схемы. Это позволяет
сделать правый
рис., где показано
семейство
выходных ВАХ.
 Предположим,
что мы решили
найти коллекторное
напряжение
с помощью
графического
метода. Для
простоты считаем,
что Rэ
=
0 Rн
=
бескон. Очевидно:
Справа
стоит функция
Uк(Iк),
семейство этих
функция имеется
у нас на графике.
Слева тоже
какая-то функция
от Iк.
Но это прямая,
так называемая
нагрузочная
прямая. Она
определяется
напряжением
питания и
сопротивлением
коллектора.
Две точки, через
которые проходит
эта прямая,
это:
-
Нагрузочная
прямая тоже
изображена
на рис. Её пересечение
с одной из кривых
семейства –
это и есть
графическое
решение нашей
задачи. И это
решение более
правильное,
чем наше предыдущее,
так как оно
учитывает
настоящие
графики транзистора.
Пусть
входные токи
таковы, что
работают первая
и третья кривые
семейства.
.....
 Теперь
рассмотрим
другую схему
включения
транзистора:
Здесь
на входе транзистора
всё точно также,
как и в предыдущей
схеме. А в коллекторе
и эмиттере всё
не так! Коллектор
соединён прямо
с источником
питания, выходное
напряжение
берётся с резистора
эмиттера.
Во
первых, это
сильно сказывается
на входном
сопротивлении
схемы:
Е сли
входное сопротивление
равно 3 кОм, а
=300,
то по формуле
получается
примерно 1 МОм,
т.е. очень много.
 Почему
так получается?
Из-за обратной
связи. Дело в
том, что на
транзистор
действует
разность потенциалов
между базой
и эмиттером:
чем больше эта
разность, тем
больше ток
через эмиттерный
р-п переход,
тем больше
падение напряжения
на резисторе
Rэ
,
но тем меньше
разность потенциалов
на эмиттерном
р-п переходе.
Обратная связь
– 100-процентная.
Можем вычислить
дифференциальный
коээфициент
усиления путём
дифференцирования
соответствующих
уравнений.
Поличим:
Если
rэ
= 30 Ом, а Rэ
=
3 кОм, то Кuд
=1/(1+30/3000)=0,99.
Видно, что Кuд
меньше 1, но очень
близко к ней.
Выходное
сопротивление
сильно уменьшается
по сравнению
с Rэ
.
Кажется,
такое устройство
не очень то
требуется, так
как коэффициент
усиления меньше
1. Но тот факт,
что у схемы с
ОЭ как раз плохие
параметры из-за
того, что у ОЭ
низкое входное
сопротивление
и высокое выходное,
не получается
использовать
несколько схем
с ОЭ, так как
каждая следующая
схема будет
закорачивать
выходной сигнал
предыдущей.
Если же между
схемами с ОЭ
использовать
схемы с ОК, то
высокое выходное
сопротивление
ОЭ согласуется
с очень высоким
входным сопротивлением
схемы ОК, а низкое
выходное
сопротивление
схемы ОК согласуется
с не очень низким
входным сопротивлением
следующей схемы
ОЭ.
Это
происходит
потому, что при
единичном
усилении по
напряжению
схема с ОК имеет
довольно большой
коэффициент
усиления по
току (примерно
.
Часто такие
схемы называются
эмиттерными
повторителями.
Существуют
ещё и схемы с
общей базой.
Они используются
довольно редко,
поэтому мы их
не рассматриваем.
Ниже
мы приводим
таблицу сравнительных
данных по этим
схемам.
|
rвх
|
rвых
|
Ku
|
Ki
|
Kp
|
Замечания
|
|
ОЭ
|
среднее
|
высокое
|
Большое
|
Большое
|
Очень
большое
|
Часто
использ.
|
|
ОК
|
очень
большое
|
очень
низкое
|
1
|
Большое
|
Большое
|
Не
часто использ.
|
|
ОБ
|
малое
|
очень
высокое
|
Большое
|
1
|
Большое
|
Редко
использ.
|
ЛЕКЦИЯ
5
Полевые
транзисторы
К
другим устройствам
с тремя слоями
п- и р-типа относятся
полевые транзисторы.
Полевые
транзисторы
с р-п переходом
Констукция
этих транзисторов
представлена
на рис.:
 Как
видно, здесь
тоже три слоя:
п-, р-, и п-типа
(может быть и
наоборот: р-,
п-, и р-тип). Между
стоком (на рис.
обозначен как
С) и истоком
(И) прикладывается
напряжение,
такое, что заряды
(в данном случае
дырки) вытекают
из истока и
втекают в сток.
Значит, к стоку
прикладывается
отрицательное
напряжение,
исток заземляется.
Из-за наличия
р-п переходов
область канала
сужается, причём
на самом деле
даже больше,
так как р-п переход
толстый, у него
есть область
объёмного
заряда (ООЗ),
отмеченная
на рис. пунктирной
линией. К затвору
(З) прикладывается
положительное
напряжение,
так что р-п переходы
смещены в обратном
направлении,
и ООЗ расширяется,
а ширина канала
сужается. Это
приводит к
уменьшению
тока канала
(потока зарядов
от истока к
стоку) – это
регулировка
тока, которая
и даёт режим
усиления.
 Это
транзистор
с каналом р-типа.
При обратных
типах слоёв
получится
транзистор
с каналом п-типа.
У него всё также,
только в канале
протекают
электроны, к
стоку прикладывается
плюс, а к затвору
– минус.
Вернёмся
к транзистору
с каналом р-типа.
Так как на затвор
подаётся обратное
напряжение,
то он плохо
пропускает
ток (это обратный
ток р-п перехода),
т.е. входное
сопротивление
полевого транзистора
очень велико.
Полевой транзистор
управляется
напряжением,
или полем. В
этом он в каком-то
смысле похож
на радиолампу.
Причём так же,
как в радиолампе,
при увеличении
на затворе
напряжения
(по модулю)
проходящий
от истока к
стоку ток падает.
При некотором
напряжении
Uзи=U0
ООЗ смыкаются,
и ток стока
равен нулю.
Это напряжение
называется
напряжением
отсечки.
Выходная
и переходная
характеристики
представлены
на рис.:
К ак
кажется при
простом рассмотрении,
характеристики
ток стока –
напряжение
сток-исток
должны быть
прямыми, и лишь
наклон их станет
тем меньше, чем
больше напряжение
затвор-исток.
Это потому, что
при увеличении
напряжения
на затворе
сопротивление
канала увеличивается.
Однако кривые
быстро начинают
насыщаться,
выходят почти
на горизонтальный
участок. Объясниется
это тем, что
напряжение,
падающее в
канале, меняется
от 0 до –Uси
, а значит, на
р-п переходе
падение напряжения
разное: в области
вблизи истока
оно равно Uзи
, а в области
влизи стока:
Uзи
+ Uси
, т.е.
больше. Значит,
на рис. слева
в правой части
ООЗ шире, а канал
уже. Поэтому
понятно, что
сопротивление
канала с ростом
напряжения
Uси растёт,
а характеристики
падают. На правом
рис. представлена
ситуация с
очень большими
напряжениями
Uси
, когда ООЗ верхнего
и нижнего р-п
перехода
соприкасаются.
Кажется, что
в этом случае
ток в канале
должен исчезнуть,
так как канал
прерывается.
Но на самом
деле всё происходит
иначе. Как видно
из следующего
рис., в ООЗ есть
електрические
поля, показанные
стрелками, и
их направление
в основном от
п- к р-типу. Но
там, где ООЗ
сливаются, это
поле направлено
слева направо,
т.е. так, чтобы
вытаскивать
дырки из канала,
где он ещё есть,
направо, через
ООЗ.
В
каком-то смысле
это очень похоже
на случай с
биполярными
транзисторами:
там тоже носители
заряда диффундируют
к коллектору,
а затем очень
сильным электрическим
полем коллекторного
р-п перехода
вытаскиваются
в коллектор.
В
данном случае
поле ООЗ гораздо
больше, чем
поле р-канала.
Поэтому после
того, как ООЗ
сольются, дальнейший
рост Uси
обеспечивается
ростом поля
в ООЗ. А левая
часть р-канала
остаётся неизменной.
Но именно она
определяет
ток через канал.
Поэтому ток
через полевой
транзистор
больше не меняется.
(Ток немного
увеличивается,
но в первом
приближении
можно считать,
что он неизменен.)
 Это
и есть рабочий
участок выходной
характеристики
– ток определяется
напряжением
на затворе, но
не зависит от
напряжения
на стоке, т.е.
может использоваться
для усиления
напряжения.
Обычно на этом
участке работают
усилители на
полевых транзисторах,
т.е. используется
случай, когда
ООЗ перекрываются.
Напряжение,
с которого
начинается
пологий участок,
называется
напряжением
насыщения:

Кроме
того:

где
Icmax
–
максимальный
ток стока, имеющий
место при Uзи
=0.
Для
определения
коэффициента
усиления усилителя
на основе полевого
транзистора
важно знать
его крутизну
(аналогично
коэффициенту
в биполярных
транзисторах):

где
smax
–
максимальная
крутизна, имеющая
место при Uзи
=0.
Она определяется
как:

Крутизна
измеряется
в мA/В,
и составляет
обычно от 1 до
100. Входное сопротивление
– 109...1012
Ом. На схемах
полевые транзисторы
изображаются
так:
Н еудобство
полевых транзисторов
заключается
в том, что питание
цепи затвора
(входной) и стока
(выходной)
разнополярное,
т.е. требуются
две разных
батарейки. Но
с помощью
конденсатора
этого легко
избежать, как
показано на
схеме. Это транзистор
с п-каналом,
поэтому к стоку
приложено
положительное
напряжение,
а к затвору –
отрицательное.
Оно образуется
за счёт смещения,
появившегося
на сопротивлении
истока. По
переменному
сигналу его
величина полностью
компенсируется
за счёт включения
параллельно
с сопротивлением
ещё и конденсатора.
Обычно
полная схема
содержит ещё
и сопротивления
во входной
цепи, которые
и определяют
входное сопротивление
схемы. Выходное
сопротивление
о пределяется
сопротивлением
стока Rc
и дифференциальным
сопротивлением
стока транзистора,
т.е. наклоном
выходной
характеристики
транзистора.
Коэффициент
усиления этой
схемы:

и
может достигать
нескольких
сотен.
 Это
– схема с общим
истоком (ОИ).
Аналогично
биполярным
транзисторам,
есть схемы и
с общим стоком
(ОС):
Кажется,
что это существенно
более простая
схема, но практически
она такая же,
что и ОИ, но нет
конденсатора
Си .
Поэтому влияние
отрицательной
обратной связи
не исключено,
и вследствие
этого коэффициент
усиления по
напряжению
практически
равен 1, но на
самом деле
несколько
меньше. Коэффициент
усиления по
току больше
1, и выходное
сопротивление
существенно
меньше, чем у
схемы с ОИ.
Можно
бы построить
схему с общим
затвором, аналогично
схеме с общей
базой у биполярных
транзисторов.
Однако кроме
технических
сложностей
(трудно сделать
общий затвор,
когда нет тока
затвора) нет
и такой необходимости,
так как входные
сопротивления
у полевых
транзисторов
очень велики,
и не надо устранять
эффект закорачивания
выходного
сигнала во
многокаскадных
схемах.
Полевые
транзисторы
МДП
Полевые
транзисторы
металл-диэлектрик-полупроводник
(МДП), или по другому
металл-оксид-полупроводник
(МОП) сильно
отличаются
от последних
рассмотренных
как по принципу
действия, так
и по технологии
изготовления.
Но конечные
данные (переходные
и выходные
характеристики)
у них очень
похожи на кривые
последних
графиков.
Рассмотрим,
например,
полупроводник
(кремний, германий)
р-типа электропроводности.
Будем считать,
что на него
нанесён тонкий
слой диэлектрика
(чаще других
выращивается
оксид кремния
на кремнии).
Толщина диэлектрика
должна быть
очень малой.
Если в технологии
полупроводников
используются
защитные слои
оксида толщиной
от 1 до 2...3 мкм, то
мы будем считать,
что толщина
диэлектрика
лежит в пределах
0,1...0,3 мкм.
А
сверху на диэлектрике
нанесён слой
металла. Между
металлом и
полупроводником
приложено
электрическое
поле.
 В
случае тонкого
диэлектрика
электрическое
поле легко
проникает в
полупроводник.
Что внесёт это
поле в полупроводник,
легко понять
из исследования
зонных диаграмм:
Н а
рис. изображены
три зависимости
энергии электрона
от координаты.
Слева представлен
случай, когда
к металлу (обозначен
буквой М) приложено
отрицательное
по отношению
к полупроводнику
напряжение.
Оно притягивает
к поверхности
полупроводника
дырки, а электроны
отталкивает.
Иными словами,
зонная диаграмма
изгибается
вверх, и при
установлении
равновесия
дырок у поверхности
станет ещё
больше, чем
было в исходном
полупроводнике.
На
среднем рисунке
изображена
диаграмма в
случае, когда
к металлу
относительно
полупроводника
приложено
положительное
напряжение,
зоны изогнуты
вниз. Дырок у
поверхности
стало меньше,
чем в глубине,
а электронов
– больше. Но
пока дырок у
поверхности
больше, чем
электронов.
На
правом рис.
ситуация кардинально
изменилась:
напряжение
снова положительное,
но уже достаточно
большое, чтобы
электронов
у поверхности
стало больше,
чем дырок.
Полупроводник
разделился
на две области:
в глубине это
по-прежнему
р-тип, а вблизи
поверхности
– п-тип (произошла
инверсия типа
электропроводности).
Теперь
рассмотрим
конструкцию,
изображённую
на рис. слева.
Это полупроводник
(например кремний)
р-типа, в котором
сделаны две
области п-типа.
Сверху кроме
защитного слоя
диоксида кремния
нанесён ещё
тонкий слой
диоксида кремния
между п-областями.
Если теперь
подать напряжение
между стоком
и истоком, то
ничего не произойдёт:
ток не появится,
так как при
любом знаке
напряжения
хоть один из
р-п переходов
смещён в обратном
направлении
(это как в биполярном
транзисторе
при очень толстой
базе – два р-п
перехода отдельно).
А
теперь давайте
подадим положительное
напряжение
на затвор
относительно
подложки (справа).
Если это напряжение
больше некоторого,
так называемого
порогового
(Uп
), то дырки
оттолкнутся
от поверхности
вглубь полупроводника,
а электроны
притянутся
к поверхности,
и их станет
больше, чем
дырок – вблизи
поверхности
появится наведённый
(индуцированный)
слой п-типа.
Этот слой соединит
две исходные
области п-типа,
и между стоком
и истоком появится
ток. Говорят,
что образовался
канал п-типа.
Конечно,
можно взять
структуру с
р-п-р областями.
Все рассуждения
для неё будут
те же, но на затвор
надо подавать
отрицательное
напряжение,
и канал будет
р-типа. Далее
мы рассматриваем
только п-канальный
МДП транзистор.
 Очевидно,
эта структура
имеет 4 контакта.
Иногда их все
используют.
Однако чаще
исток соединяют
с подложкой,
и остаётся
только три
контакта. Для
простоты мы
рассмотрим
только этот
случай.
На
рис. представлены
переходная
и выходная
характеристики
полевого транзистора
МДП со встроенным
п-каналом. Видно,
что в этом случае
все потенциалы
положительны.
Переходная
характеристика
ведёт себя как
часть параболы.
Зависимость
тока
стока от напряжения
сток-исток
представлена
на правом рис.
Эти кривые
очень похожи
на выходные
характеристики
полевого транзистора
с р-п переходом,
но только здесь
знак тока стока
и напряжения
на стоке совпадают.
И
здесь также,
как и в предыдущем
случае, возникает
вопрос, почему
характеристики
не прямые –
кажется, что
только от напряжения
Uзп
зависит
проводимость
канала, и, следовательно,
должен соблюдаться
закон Ома, т.е.
ток стока должен
быть пропорционален
напряжению
сток-исток.
Однако из рис.
видно, что чем
больше напряжение
сток-исток, тем
больше сопротивление
канала. Объясняется
это тем, что в
канале есть
падение напряжения,
а так как в затворе
нет никаких
токов, то напряжение
во всех точках
затвора одинаковое.
Если исток и
подложка соединены,
то в канале
близ истока
напряжение
равно 0, а вблизи
стока равно
Uси ,
значит разность
потенциалов
между затвором
и подложкой
будет уменьшаться
от истока к
стоку, канал
будет иметь
разную толщину
и электропроводность,
как показано
на рис. слева.
К ак
получается
из теории,
зависимость
тока стока от
напряжения
на затворе и
стоке имеет
вид:

где
К – коэффициент,
зависящий от
конструкции
и технологии
изготовления
транзистора,
имеет размерность
А/В2 .
Это парабола
в координатах
Uси –
Ic
, причём
перевёрнутая
и проходящая
через начало
координат.
Максимум лежит
в точке

и
составляет

а
дальше должен
быть спад. Но
на графике
этого спада
не видно. В чём
же дело? Оказывается,
причина в том,
что в р-п переходе
есть ООЗ, а в
ней – электрическое
поле, указанное
стрелками на
рис.:
В се
стрелки имеют
разное направление,
но в конце канала
направление
всегда одинаковое:
поле направлено
так, что электроны
вытягиваются
из канала и
втягиваются
в область стока.
Это поле очень
большое, поэтому
вытягивание
электронов
очень сильное.
Это так же, как
и у полевых
транзисторов
с р-п переходом
и биполярных
транзисторов.
По этой причине
с дальнейшим
ростом напряжения
на стоке всё
избыточное
напряжение
падает на ООЗ
стока и только
приводит к
вытягиванию
электронов
из канала в
сток, а на канале
падает одинаковое
напряжение,
и ток канала
дальше не меняется.
Поэтому спада
тока нет, а есть
постоянство
(на самом деле
очень медленный
рост). Как раз
эта область
и является
рабочим участком
выходной
характеристики
полевого транзистора,
т.е. транзистор
всегда работает
с закрытым
каналом. Ток
стока равен

Крутизна
определяется
производной
тока по напряжению
на затворе:

Чем
больше напряжение
на затворе, тем
больше крутизна.
Но реально
затвор очень
быстро пробивается,
так как это
очень тонкий
слой оксида
кремния, поэтому
крутизна ненамного
больше, чем у
полевых транзисторов
с р-п переходом.
Кроме того, МОП
полевые транзисторы
очень часто
пробиваются
статическим
напряжением,
поэтому их надо
припаивать
к схемам с большой
осторожностью.
Обычно все
контакты полевых
транзисторов
соединены между
собой и рассоединяются
только перед
самой пайкой,
паяльник должен
быть заземлён,
и тот, кто паяет,
должен иметь
на руке заземлённый
браслет.
Ниже
показаны схематичные
изображения
МОП полевого
транзистора
с п-каналом
(слева) и с р-каналом
(справа).
Т акие
транзисторы
называются
МОП транзисторы
с индуцированным
каналом. Можно,
однако, перед
тем, как делать
подзатворный
диэлектрик,
провести ещё
одну диффузию
доноров для
п-канальных
транзисторов
или акцепторов
для р-канальных
транзисторов,
чтобы создать
встроенный
канал. тогда
характеристики
будут выглядеть
так:

Теперь
у транзистора
есть ток даже
при нулевом
напряжении
на затворе, и
есть возможность
управлять им,
т.е получать
усиление.
Обозначаются
такие транзисторы
почти также,
как и транзисторы
с индуцированным
каналом:
С хемные
решения МОП
транзисторов
с индуцированным
и встроенным
каналом практически
мало отличаются
от схем полевых
транзисторов
с р-п переходом,
поэтому мы их
не рассматриваем.
ЛЕКЦИЯ
6
Обратная
связь
Сегодня
мы исследуем
на первый взгляд
очень вредное
явление – обратную
связь.
Что
такое обратная
связь? Это очень
просто. Во всех
устройствах,
где есть вход
и выход, есть
какие-то паразитные
влияния выходных
сигналов на
входные сигналы.
Кажется, с этим
надо бороться.
Но сначала
давайте посмотрим,
к чему это приводит.
 На
рис. показано
усилительное
устройство
с одним входом
и одним выходом
(треугольник),
наличие обратной
связи показано
прямоугольником,
и эта обратная
связь добавляется
или отнимается
от входного
сигнала:
Пусть
сначала часть
выходного
сигнала (В<1)
вычитается
из входного
сигнала. Тогда
это отрицательная
обратная связь
(ООС), и на входе
усилителя будет
сигнал

Но
К – коэффициент
усиления усилителя,
и конечно, он
больше единицы.
Поэтому

Из
этих двух уравнений
можно исключить
Uвх0,
получится:

Теперь
можно сгруппировать
входное и выходное
напряжение
и найти их отношение,
т.е. коэффициент
усиления с
обратной связью:

Таким
образом, видно,
что при наличии
ООС Кос
всегда меньше
или равен К0
(последнее
будет, когда
В=0, т.е. обратной
связи нет).
Итак,
вредность ООС
очевидна – она
уменьшает
коэффициент
усиления. Посмотрим
всё же внимательнее
на знаменатель.
Там произведение
ВК0
может быть
любой величиной,
в том числе и
большой (значительно
больше 1). Но тогда
единицей можно
в знаменателе
пренебречь.
И К0 сократится,
останется:

Итак,
мы видим, что
коэффициент
усиления в этом
случае совершенно
не зависит от
исходного
коэффициента
К0, а
определяется
некоторой
случайной
величиной В.
Но
вот какая
особенность.
К0 –
величина довольно
неопределённая.
Во первых, она
сильно зависит
от
- коэффициента
усиления транзисторов
по току, во вторых
– сильно зависит
от температуры,
и вообще довольно
нестабильная
величина. А В
можно сделать
специально
и довольно
точно. Так как
В <1,
то не требуется
усилитель в
ООС, то есть
можно обойтись,
например,
резисторами.
Итак, В можно
сделать заданной
с точностью
10-4 ...10-6
, а К0 –
с точностью
до 100% или хуже.
То есть если
сделать обратную
отрицательною
связь специально,
то можно улучшить
точность задания
коэффициента
усиления за
счёт уменьшения
самого усиления
(1/В больше, чем
единица, но
меньше, чем К0
).
Теперь
посмотрим более
точно, во сколько
же раз можно
улучшить точность
коэффициента
усиления. Для
этого нужно
продифференцировать
выражение для
Кос по
К0 :

Величину
F=1+BК0
называют
глубиной обратной
связи. Это именно
та величина,
в которую уменьшается
коэффициент
усиления при
ООС. Чтобы уменьшить
влияние этого
фактора, умножим
полученную
формулу на F:

Итак,
влияние любой
нестабильности
К0 на
Кос уменьшается
в F
раз, то есть в
глубину отрицательной
обратной связи.
Позже
мы подробнее
рассмотрим
влияние ООС
на Кос.
А
сейчас напишем
явное выражение
для Uвх0
:

Непосредственно
на входе усилителя
при большой
глубине ООС
напряжение
очень маленькое.
Теперь
рассмотрим
случай положительной
обратной связи
(ПОС) – это когда
на входе прибавляется
часть выходного
сигнала. В
окончательной
формуле изменится
только знак:

Возможны
три случая:
BK0<1.
Ясно, что это
когда Кос>K0.
Казалось бы,
это очень полезный
случай – коэффициент
усиления увеличился,
его можно сделать
сколь угодно
большим. Но
как мы видели
раньше при
обсуждении
ООС, обычно
коэффициент
усиления усилителя
плоховат (не
очень стабилен),
а при увеличении
его за счёт
ПОС он становится
совсем нестабильным.
Поэтому этот
случай совсем
не используется.
BK0=1.
В этом случае
формула вообще
не справедлива,
так как в знаменателе
получается
0, а на 0 делить
нельзя. Нужно
заново рассмотреть
вывод формулы,
чтобы учесть
что-то что мы
не учли при её
выводе. Но мы
этого делать
не будем, скажем
только, что
случай бесконечно
большого
коэффициента
усиления
соответствует
условию генерации
сигнала – усилитель
превращается
в генератор.
Вот это как
раз используется:
практически
всегда, когда
надо сделать
генератор
синусоидальных,
прямоугольных
или других
периодических
сигналов, берут
хороший усилитель
и делают ПОС,
удовлетворяющую
указанному
условию.
BK0>1.
Ясно, что подсчитать
результат по
формуле можно,
К0<0. Но
подозрение
на применимость
осталось, ведь
что-то мы не
учли. Более
внимательное
рассмотрение
показывает,
что это тоже
ситуация, когда
получается
из усилителя
генератор.
Больше
мы ПОС рассматривать
не будем, а вернёмся
к рассмотрению
ООС. При этом
будем считать,
что это не вредное,
а очень полезное
явление, и возникает
не случайно,
а сделано нарочно.
Поэтому будем
заранее считать,
К0 не
очень стабильная
величина, но
очень большая.
А за счёт применения
ООС мы добиваемся
улучшения
стабильности
усилителя с
некоторой
потерей коэффициента
усиления.
Амплитудно-частотная
характеристика
Рассмотрим
амплитудно-частотную
характеристику
усилителя
(АЧХ). Очевидно,
что для этого
нужно построить
зависимость
амплитуды
(коэффициента
усиления) от
частоты в двойном
логарифмическом
масштабе. Почему?
Потому что
сложные зависимости
амплитуды от
частоты в двойном
логарифмическом
масштабе превращаются
в простые. Пример
представлен
на рис., верхняя
кривая:

Для
одиночного
каскада, у которого
верхнее и нижнее
ограничение
по частоте
обычно связано
с одной RC-
цепочкой,
нарастание
и спад коэффициента
усиления связано
с частотой
пропорционально
(рост пропорционален
f,
спад обратно
пропорционален
f).
В двойном
логарифмическом
масштабе и то
и другое будет
идти по прямой,
наклонённой
под 450 к
горизонтали.
Другое удобство
заключается
в том, что двойной
логарифмический
масштаб полезен
при больших
изменениях
частот и коэффициентов
усиления.
Ещё
нам надо будет
искать сигнал,
равный 0,7 от Кмакс.
Это значит, что
нужно отступить
вниз от Кмакс
на один и тот
же шаг вне
зависимости
от того, чему
равен Кмакс.
Итак,
у нас есть кривая
К0, это
верхняя кривая
на рис., которая
описывает
частотные
свойства усилителя
без обратной
связи. Надо
отступить от
максимального
значения К0
на уровень 0,7
– этот уровень
и определяет
нижнюю и верхнуюю
частотные
границы, а их
разность - f0
это полоса
частот.
Что
же будет при
использовании
ООС? Надо применить
уже известную
формулу. Если
ВК0>>1,
то Кос=1/В.
В противном
случае Кос0.
С учётом этого,
в двойном
логарифмическом
масштабе кривая
обрежется
уровнем 1/В, как
это показывает
кривая Кос
. Отступив на
ту же величину
0,7, получим новую
полосу частот
fос
. Очевидно,
это гораздо
большая полоса
частот.
Улучшится
также и сама
частотная
характеристика.
Например, у нас
плохая, неравномерная
характеристика,
как на рис. ниже.

Очевидно,
неравномерности
частотной
характеристики
уменьшатся
в F раз.
 Известно,
что при наличии
амплитудно-частотной
неравномерности
имеется ещё
и фазо-частотная
неравномерность.
Например, для
характеристики
на последнем
рис. фазовая
характеристика
будет как на
верхнем рис.
При применении
ООС кривая
сгладится так,
что там, где
ООС действует
(глубина обратной
связи велика),
там фаза будет
стремится к
нулю, см. рис.
П онять
это можно из
следующих
рассуждений.
Если мы учитываем
в формуле для
коэффициента
усиления также
и сдвиг фаз, то
это комплексные
коэффициенты
усиления. Напишем
уравнение для
комплексных
коэффициентов
усиления, обозначив
комплексные
величины точкой
сверху:

Д авайте
построим теперь
на комплексной
плоскости
вычисление
Кос.;
пусть K0.
–
коэффициент
усиления, очень
большой, велика
длина, и имеет
некоторый угол,
отображающий
фазу. ВK0.
немного меньше
и совпадает
с ним по фазе,
а 1+ВK0.
будет
только немного
отличаться,
так как 1 мало.
Теперь надо
K0.
поделить
на 1+ВK0.
При делении
компелксных
чисел модули
делятся, а фазы
вычитаются.
Поэтому Doco,
а конкретно
вычислить их
соотношение
можно, написав:
исключая
отсюда х и
пренебрегая
синусом (считаем,
что углы малые),
получим

откуда
 
 Итак,
сдвиг фазы при
наличии ООС
уменьшается
в глубину обратной
связи F.
До
сих пор мы нигде
не учитывали,
что усиление
по напряжению.
Можно было бы
сказать, что
коэффициент
усиления по
току, и всё осталось
бы точно так
же. То есть всё,
что мы обсудили
про положительное
влияние ООС,
будет справедливо
и для усилителей
токов. Но есть
параметры
усилителей,
которым это
не всё равно.
Это – входное
и выходное
сопротивления.
Для того, чтобы
понять, как
влияет ООС на
них, рассмотрим
четыре разных
случая.
Последовательная
обратная связь
по напряжению.
Что это
значит? Попросту
это значит,
что часть выходного
напряжения
снимается с
нагрузки и
прибавляется
к входному
напряжению.
Составим таблицу:
-
|
Вход
|
Выход
|
|
Напряжение
|
Напряжение
|
В этом случае

после
преобразования:

мы
видим, что входное
сопротивление
увеличивается
в глубину обратной
связи.
Выходное
сопротивление
наоборот уменьшается
в F раз:

Последовательная
обратная связь
по току. На
входе сигнал
подаётся по
напряжению,
с выхода он
снимается
пропорциональный
току.
-
|
Вход
|
Выход
|
|
Напряжение
|
Ток
|
В
этом случае
входное сопротивление
также растёт

Иначе
обстоит дело
в выходным
сопротивлением:

где
Roc
–
сопротивление,
с которого
снимается
сигнал, пропорцинальный
выходному току.
Так что в этом
случае мы видим,
что и входное,
и выходное
сопротивление
велики, примерно
в F раз
больше, чем у
обычного усилителя.
Параллельная
обратная связь
по току. В
этом случае
часть выходного
тока подаётся
на вход и вычитается
из входного
тока. Поэтому
результат
будет как в
таблице.
-
Входное
сопротивление
уменьшается:

а
выходное
сопротивление
увеличиваеься:

Параллельная
обратная связь
по напряжению.
В этом случае
на входе прибавляется
ток, а с выхода
снимается
напряжение.
-
|
Вход
|
Выход
|
|
Ток
|
Напряжение
|
В
этом случае
и входное, и
выходное
сопротивления
уменьшаются
примерно в F
раз:

Мы
уже убедились,
что ООС при
больших коэффициентах
усиления (от
1000 до 1000 000) и глубокой
обратной связью
F > 100 очень
полезна: хоть
коэффициент
усиления и
становится
меньше, но зато
улучшаются
частотные
свойства, линейность
усилителя,
фазовые характеристики
и т.д. Но бывает,
что при охвате
ООС усилителя
с большим числом
каскадов часто
возникает
самовозбуждение,
и усилитель
превращается
в генератор.
 Почему
это происходит?
Дело в том, что
ООС – это когда
сдвиг фазы
между входом
и выходом составляет
1800.
Но усилителей
с бесконечно
большой полосой
частот не бывает
– где-то бывает
спад частотной
характеристики.
При этом известно,
что если в двойном
логарифмическом
масштабе рост
или спад идёт
под углом в 450
, то
добавляется
или отнимается
сдвиг фазы 900.
А если усилитель
двухкаскадный,
то будет 1800.
Но в сумме это
уже 3600
– то-есть получается
вместо ООС ПОС
– положительная
обратная связь.
Если при этом
и коэффициент
усиления больше
1, то получится
генератор. Эту
ситуацию иллюстрирует
рис. Есть простой
метод борьбы
с этим явлением.
Нужно в выходном
каскаде усилителя
поставить
ёмкость, так,
чтобы она
ограничивала
коэффициент
усиления так,
чтобы спад
характеристики
был под 450
при большом
коэффициенте
усиления.
ЛЕКЦИЯ
7
Операционные
усилители
Итак,
на прошлой
лекции мы нашли
один интересный
способ построения
хороших, стабильных
усилителей
– надо сделать
усилитель с
большим коэффициентом
усиления (хорошо
бы около 1 000 000), а
затем применить
отрицательную
обратную связь
(ООС). И не важно,
что большой
коэффициент
усиления получается
плохим, невоспроизводимым,
с неравномерной
частотной и
фазовой характеристиками
и т.д. Величина
ООС задаётся
пассивными
элементами,
например резисторами,
а они обладают
хорошей стабильностью.
 Давайте
посмотрим, как
можно сделать
усилитель с
хорошим коэффициентом
усиления. Пусть
это схема с
общим эмиттером
(ОЭ), использующая
п-р-п транзистор.
Здесь
мы не ввели
никаких лишних
деталей, считая,
что на входе
есть постоянная
и переменная
составляющие
сигнала, и на
выходе мы сумеем
выделить нужные
составляющие
сигналов. Поэтому
у нас есть только
резистор R
и
напряжение
питания Еп.
Напишем выражение
для Uвых:

Мы
написали это
выражение в
таком виде,
чтобы точно
увидеть, как
оно зависит
от температуры.
Но при этом мы
будем считать,
что при изменении
температуры
одновременно
изменяется
и входной сигнал,
так, чтобы на
выходе всё
оставалось
постоянным.
Итак, мы считаем,
что Uвых,
Еп,
R и I0
остаются
постоянными
(последнее,
правда, немного
меняется, но
гораздо меньше,
чем члены в
экспоненте).
Поэтому можно
полагать, что
меняются только
Uбэ
и Т – напряжение
база-эмиттер
и абсолютная
температура.
(q и
k – мировые
константы –
заряд одного
электрона и
постоянная
Больцмана.)
Продифференцируем
по Т и приравняем
нулю.

Сокращая
лишние члены,
получим:

На первый
взгляд это
может быть всё
что угодно –
какое-то напряжение,
делённое на
какую-то температуру.
Но
температура
эта абсолютная,
то-есть в градусах
Кельвина, и
близка к комнатной.
Значит, это
примерно 3000К.
А напряжение
– это примерно
контактная
разность потенциалов,
так как р-п переход
эмиттер-база
смещён в прямом
направлении.
Следовательно,
всё зависит
от материала:
для кремния
это 0,6 В, а для
германия 0,3 В.
Поделив контактную
разность потенциалов
на температуру,
получим:
-
| Материал |
dUбэ/dT,
мВ/0К
|
| Si |
2 |
| Ge |
1 |
Видно,
что германий
в 2 раза лучше
(термостабильнее),
чем кремний.
Но в современных
условиях кремний
гораздо технологичнее
(дешевле).
Итак,
у кремниевых
транзисторов
приведённый
ко входу температурный
дрейф составляет
всего 2 мВ/0К.
Чтобы узнать,
что будет на
выходе, надо
это умножить
на перепад
температуры
и коэффициент
усиления. У
работающего
транзистора
перепад температуры
вполне может
быть 10 0К,
а коэффициент
усиления у
двух- трёхкаскадного
усилителя может
быть 1000...100000. Получается
20...2000 В. Это очень
много.
Конечно,
можно использовать
полевые транзисторы,
у них температурный
дрейф граздо
меньше. Но есть
несколько
способов борьбы
с температурным
дрейфом и в
биполярных
транзисторах.
Например, известный
способ разделения
сигнала на
постоянную
и переменную
составляющие
при помощи
разделительных
конденсаторов.
Кроме того,
можно преобразовать
сигнал в высокочастотный,
а после усиления
выпрямить
(модуляция-усиление-демодуляция).
Но наибольшее
распространение
получил метод
дифференциального
каскада. Рассмотрим
его подробнее.
Н а
рис. представлена
схема, состоящая
из двух по
возможности
одинаковых
транзисторов,
двух коллекторных
резисторов,
тоже одинаковых,
и одного эмиттерного
резистора,
общего для двух
транзисторов.
Схема имеет
два входа и
один разностный
выход. Здесь
также обычно
используется
два источника
питания.
Обычно
+/- Еп
одинаковые.
И если Uвх
близки к нулю,
то на эмиттерном
сопротивлении
падает большое
и почти постоянное
напряжение,
поэтому ток,
протекающий
через это
сопротивление,
тоже почти
постоянный.
Это значит, что
мы задали ток
эмиттеров.
Далее этот ток
разделяется
на две части,
и протекает
через два
транзистора.
А теперь
давайте рассмотрим
случай одинаковых
входных напряжений
– синфазный
входной сигнал.
Теоретически
если на входах
синфазный
сигнал, то ток,
протекающий
через транзисторы,
будет одинаковый,
то-есть разделится
пополам. Но
этот ток задан
резистором
и почти не зависит
от входного
сигнала. Поэтому
отклик на синфазный
сигнал очень
мал, а так как
мы на выходе
берём разностный
сигнал, то он
вообще близок
к нулю. Это
обусловлено
тем, что в эмиттере
напряжение
будет меняться
почти также,
как и в базах:
разность потенциалов
между базой
и эмиттером
меняется гораздо
меньше, чем на
входах.
Дифференциальный
сигнал также
одинаков на
обоих входах,
но противоположен
по фазе. Поэтому
на эмиттерах
напряжение
почти не меняется,
полный эмиттерный
ток тоже, а на
базах транзисторов
напряжение
меняется гораздо
сильнее, и это
приводит к
тому, что токи
через транзисторы
меняются в
разные стороны:
на одном транзисторе
увеличивается,
а на другом –
уменьшается,
хотя в сумме
он остался
неизменным.
Поэтому сигнал
на выходе (на
коллекторах)
будет сильным,
да ещё в два
раза больше,
так как он получается
как разность
между двумя
коллекторами.
Дело
заключается
в том, что для
синфазного
сигнала схема
аналогична
схеме с ОК: есть
сильная ООС
благодаря
наличию эмиттерного
сопротивления;
а для дифференциального
сигнала – аналогична
схеме с ОЭ:
напряжение
на эмиттерах
практически
не меняется,
поэтому можно
считать, что
эмиттеры как
бы заземлены.
Итак, дифференциальный
сигнал хорошо
усиливается,
как в схеме с
ОЭ, а синфазный
сигнал сильно
ослабляется,
как в схеме с
ОК во-первых,
и за счёт вычитания
коллекторных
сигналов во-вторых.
Если
сигналы Uвх1
и Uвх2
произвольные,
то можно вычислить
синфазную и
дифференциальную
составляющие
по формулам:

и наоборот:

Обычно
для хороших
дифференциальных
каскадов трудно
подобрать
достаточно
близкие по
параметрам
транзисторы
и даже резисторы
коллекторов,
поэтому на
практике уже
давно, ещё до
возникновения
микроэлектроники,
стали делать
спаренные
транзисторы,
которые находятся
очень близко
друг к другу,
изготовлены
в одном технологическом
режиме и имеют
почти одинаковую
температуру.
Такие транзисторы
не надо подбирать
– они созданы
специально
похожими, чтобы
получать очень
низкий коэффициент
усиления синфазного
сигнала Ксин.
А при переходе
на микроэлектронику
вообще все
дифференциальные
каскады стали
делать интегральным
способом. Обычно
в этом случае
Кдиф
= 100...400, а Ксин
=0,1...1. Для оценки
качества
дифференциального
каскада вводят
коэффициент
ослабления
синфазного
сигнала (КООС):

Это
лежит в пределах
400...1000, или в децибеллах
50...60 дБ.
Почему
нам так важен
синфазный
сигнал? Дело
в том, что различные
дрейфы транзисторов:
старение, тепловой
дрейф и так
далее – это
эквивалентно
подаче на входы
одинаковых
сигналов, то-есть
синфазному
сигналу. Поэтому
если синфазнвй
сигнал сильно
ослаблен, то
и тепловой
дрейф тоже
ослаблен. И мы
видим, что
коэффициент
усиления
дифференциального
сигнала в 1000 раз
сильнее, чем,
скажем, тепловой
дрейф. Но это
значит, что
дифференциальный
каскад годится
для первого
каскада усилителя,
который будет
предназначем
для усиления
с большим
коэффициентом
усиления, чтобы
потом использовать
его для усилителя
с ООС. Такие
усилители
называются
операционными
(ОУ).
Итак,
почти всегда
для изготовления
ОУ делают первым
каскадом
дифференциальный.
Но у разных ОУ
он бывает разным.
Часто вместо
обычных транзисторов
берут сдвоенные,
см. рис.
З десь
мы уже применили
принятое в
микроэлектронике
условное обозначение
транзисторов:
без кружочка,
обозначающего,
что у транзистора
есть свой корпус.
В микроэлектронике
этого обычно
не бывает.
У такого
каскада коэффициент
усиления сдвоенных
транзисторов
гораздо больше
(1002=10000).
Именно из-за
большого коэффициента
усиления они
и используются.
Но можно
использовать
супер-вета
транзисторы
– это специально
изготовленные
транзисторы
с очень маленькой
базой и большим
перепадом
концентраций
в эмиттерной
и базовой области.
Коэффициент
усиления у них
может достигать
5000 и более. К сожалению,
эти транзисторы
требуют очень
точной технологии,
и, кроме того,
они не выдерживают
больших напряжений.
Поэтому для
защиты от пробоя
к ним надо добавлять
ещё по одному
транзистору.
Из-за большой
технологической
сложности
супер-бета
транзисторы
используются
редко.
Иногда
входные каскады
полезно сделать
на основе полевых
транзисторов,
так как они
имеют очень
большое входное
сопротивление.
Чаще используют
полевые транзисторы
с р-п переходом.
Но всё же это
тоже слишком
большое усложнение
технологии.
Поэтому
в большинстве
ОУ используют
одинарные
биполярные
транзисторы,
но принимают
меры к тому,
чтобы улучшить
генератор тока
эмиттера, и
вместо резистора
используют
транзистор.
Но чаще всего
для этой цели
используется
схема, которая
называется
"токовое зеркало".
Она
изображена
на рис.:
З десь
использованы
два одинаковых
транзистора
(лучше изготовленных
в одном цикле),
и через правый,
включённый
по схеме диода
(коллекторный
р-п переход
закорочен, и
остаётся только
эмиттерный
р-п переход)
пропускается
прямой ток.
Этот ток определяется
формулой:

Этот
ток ни от чего
не зависит. Он
постоянен. Но
значит и напряжение
в его базе и
базе соседнего
транзистора
одинаково и
таково, что
обеспечивает
протекание
точно такого
же тока и через
соседний транзистор:

У нас
получилось
как бы зеркало:
ток, который
протекает через
правый транзистор,
протекает и
через левый,
отражается.
Но этот ток не
зависит от
напряжения
на коллекторе
левого транзистора.
Значит, у нас
получился
генератор тока.
И очень хороший
генератор тока,
так как у него
очень большое
выходное
сопротивление,
равное дифференциальному
сопротивлению
коллектора,
которое, как
мы помним, составляет
100 кОм...10 МОм. Если
использовать
такой хороший
генератор тока,
получится
увеличение
КООС до 1 000 000 (120 дБ).
В
дифференциальном
каскаде мы
обсудили почти
все проблемы.
Осталось обсудить
только выход.
А он, как мы знаем,
должен быть
разностным.
Это значит, что
его нельзя
заземлить.
Но если
сделать вычитающее
устройство?
Оказывается,
это можно с
помощью токового
зеркала, см.
рис. внизу. Два
верхних транзистора
имеют тип р-п-р.
Поэтому у них
эмиттеры с
другой стрелкой
и подсоединены
к положительному
питанию, а коллекторы
внизу и идут
к минусу. Правый
транзистор,
как у токового
зеркала, служит
диодом (база-коллектор
закорочены).
Поэтому он
точно пропускает
ток, который
проходит через
правый транзистор
дифференциального
каскада. И этот
же ток проходит
через левый
транзистор
токового зеркала.
Но по схеме он
соединён с
коллектором
левого транзистора
дифференциального
каскада. Получается
противоречие:
нижний транзистор
даёт ток I1,
а верхний – ток
I2.
Это противоречие
разрешается
тем, что к соединению
коллекторов
подключён ещё
один провод,
и разница токов
уходит по нему
в следующий
каскад.

По-сути
дела мы заменили
коллекторные
сопротивления
активной нагрузкой.
Эта нагрузка
имеет очень
большое дифференциальное
сопротивление,
а значит, даёт
ещё большее
усиление каскада.
Теперь
рассмотрим
следующий
каскад усиления.
Здесь уже не
надо бороться
с температурным
дрейфом, так
как сигнал уже
большой, и
дополнительное
напряжение
дрефа меньше
сигнала. Поэтому
можно взять
обычный каскад
с ОЭ, но для большего
коэффициента
усиления выполненный
на сдвоенном
транзисторе.
Схема следующего
каскада изображена
на рис.:

Мы
представили
здесь полную
схему. Основные
транзисторы
– это сдвоенный
транзистор
внизу, включённый
по схеме ОЭ. На
базу этого
транзистора
подаётся входной
сигнал. В коллекторе
транзистора
стоит активная
нагрузка –
второй транзистор
токового зеркала.
Кроме того,
здесь изображён
конденсатор
С, который выполняет
коррекцию
частотной
характеристики;
она необходима
для предотвращения
нестабильности
ОУ. Следует
отметить, что
он не всегда
включается
в схему, есть
ОУ без коррекции.
Тогда, в случае
возникновения
нестабильности
надо ставить
конденсатор
в обратную
связь всего
ОУ.
Дальнейшее
усиление в ОУ
невозможно,
так как ОУ с
тремя каскадами
усиления становится
слишком неустойчивым.
Однако можно
сделать усиление
мощности за
счёт каскада
с ОК. Обычно
частотная
характеристика
таких каскадов
очень хорошая,
поэтому для
ОУ она не вносит
ничего отрицательного.
Схема этого
каскада изображена
на рис.:
П унктирная
линия отделяет
левую часть
– детали второго
каскада – от
правой части
– деталей третьего
каскада. Как
мы видим, третий
каскад очень
простой: в нём
всего два
транзистора,
включённых
по схеме ОК, но
двухтактной.
Когда напряжение
положительное,
открыт верхний
транзистор,
а нижний выполняет
роль очень
большого
сопротивления,
так как он закрыт.
И наоборот, при
отрицательном
напряжении
работает (открыт)
нижний транзистор,
а верхний –
закрыт и выполняет
роль большого
сопротивления.
Это двухтактный
эмиттерный
повторитель.
Сложность
возникает,
когда напряжение
мало отличается
от нуля (меньше,
чем на контактную
разность
потенциалов),
так как в этом
случае оба
транзистора
практически
закрыты. Решением
этой проблемы
является включение
в выходную цепь
двух диодов,
как указано
на рис. справа.
Эти диоды включены
так, что они
всегда открыты,
то-есть на
прохождение
тока в выходной
цепи второго
каскада они
не влияют, но
на диодах падает
примерно две
контактных
разности потенциалов,
поэтому один
выходной сигнал
левой схемы
разделяется
на два для правой
схемы, которые
отличаются
примерно на
2 контактный
разности потенциалов,
и транзисторы
третьего каскада
не могут быть
одновременно
закрыты. Ситуация
иллюстрируется
на рис.:
Э тот
рис. сделан для
левой схемы.
Выходной сигнал
на контактную
разность потенциалов
меньше входного
(больше входного
для отрицательных
величин). Для
правого рис.
выходной сигал
точно совпадёт
со средней
величиной от
двух входных
сигналов.
 Итак,
мы рассмотрели
по отдельности
работу всех
трёх каскадов
ОУ. Давайте
посмотрим, как
выглядит схема
всего ОУ. На
нижнем рис.
представлена
полная схема
ОУ, как мы её
обсуждали выше.
Здесь 12 транзисторов
и 2 диода. Но
каскадов всего
3, да и то третий
не усиливает
напряжение,
а усиливает
только ток, или
мощность. То-есть
по напряжению
усиливают
только 2 каскада.
Давайте посмотрим,
куда ушли 12
транзисторов.
Два
транзистора
(Т1 и Т2) ставятся
параллельно,
и имеется два
параллельных
входа, это потому,
что мы должны
исключить
температурный
дрейф, а заодно
и другие дейфы,
например, связанный
со старением
схемы. Ещё 2
транзистора
могут использоваться
для увеличения
коэффициента
усиления, если
вместо этих
транзисторов
поставить
сдвоенные. 2
транзистора
используются
как вспомогательные
для генератора
тока (токовое
зеркало, Т3, Т4).
Два транзистора
используются
в качестве
активной нагрузки
(Т5,Т6). А на самом
деле в первом
каскаде может
использоваться
ещё больше
транзисторов,
например, для
защиты от перегрузки.
Во втором
каскаде у нас
4 транзистора:
один сдвоенный
транзистор
(Т7,Т8) и 2 в качестве
активной нагрузки
(токовое зеркало,
Т9,Т10). Кроме того,
здесь используются
два диода, а в
микроэлектронике
вместо диодов,
как правило,
используются
транзисторы.
Всего получается
6.
Самый
простой последний
каскад: в нём
всего два транзистора
Т11 и Т12.
Мы уже
говорили, что
современные
ОУ делаются
только по технологии
микросхемотехники.
А в микросхемотехнике
очень просто
делать транзисторы,
несколько
сложнее делать
диоды и резисторы,
ещё более сложно
делать конденсаторы
и совсем сложно
делать индуктивности.
Поэтому число
транзисторов
совершенно
несущественно
(правда, несколько
сложнее делать
комплементарные
транзисторы).
В современных
ОУ число транзисторов
достигает 50 шт
и более. Но при
современных
возможностях
изготавливать
микросхемы
со степенью
интеграции
в 106 - это
не проблема.
Теперь
давайте рассмотрим
основные
характеристики
ОУ. К ним относятся
4:
-
| № |
Характеристика |
Параметр |
| 1 |
Большой
коэффициент
усиления |
1000...1000000
и более |
| 2 |
Дифференциальный
вход |
1 вход
неинвертирующий
2 вход
инвертирующий
|
| 3 |
Большие
входные сопротивления |
1 кОм...1
МОм |
| 4 |
Малое
выходное
сопротивление |
Меньше
100 Ом |
Большой
коэффициент
усиления нужен
для применеия
ООС. Благодаря
дифференциальному
каскаду, состоящему
из 6...10 транзисторов,
удаётся устранить
температурный
и другие типы
дрейфов. Коэффициент
усиления первого
каскада удаётся
повысить до
1000 и более.
Дифференциальный
вход получился
случайно, но
он очень удобен
для осуществления
ООС: можно основной
сигнал подавать
на неинвертирующий
вход, а ООС –
на инвертирующий.
Входные
сопротивления
получаются
не очень большими,
но они разные
для синфазного
(большие) и
дифференциального
(поменьше) сигналов.
Очень большие
входные сопротивления,
если хотя бы
на входе стоят
полевые транзисторы.
Просто большие
будут, если
дифференциальный
какскад сделан
на сдвоенных
или супер-бета
транзисторах.
Малое
выходное
сопротивление
обусловлено
применением
каскада с ОК,
который усиливает
ток.
Ещё
одна важная
характеристика
– быстродействие.
Оно определяется
верхним пределом
частотной
характеристики,
так как нижнего
у ОУ нет. Типичная
хорошая характеристика
изображена
на рис.:

Эта
характеристика
хорошая, потому
что участок
с наклоном в
450 доходит
до единичного
усиления (в
логарифмическом
масштабе 0), и
значит этот
ОУ никогда не
будет самовобуждаться.
Иногда более
крутой спад
начинается
раньше.
Кажется,
что частотная
характеристика
определяется
уровнем 0,7 (отмечено
как fверх).
Но ОУ никогда
не используются
без ООС. И как
видно из рис.,
в этом случае
быстродействие
будет разным
в зависимости
от того, какова
обратная связь.
Поэтому
более важной
характеристикой
является частота
единичного
усиления fт.
Дело в том, что
если мы знаем
fт,
то легко вычислить
предельную
частоту по
формуле:

Самое
время сказать
несколько слов
о других характеристиках
ОУ, главным
образом об
отрицательных.
К ним относятся:
напряжение
смещения нуля
dUсм,
температурная
чувтвительность
напряжения
смещения нуля
dUсм/dT,
ток смещения
Iвх,
средний входной
ток Iвхср,
и многое другое.
Однако мы не
будем загромождать
нашу лекцию
такими подробностями,
отсылая студентов
к специальной
литературе.
Лекция
8
Применение
операционных
усилителей
На
этой лекции
мы рассмотрим
аспекты применения
разнообразных
усилителей.
Но главным
образом мы
будем рассматривать
применение
ОУ, так как именно
они чаще всего
используются
в современной
электронике.
Начнём именно
с них.
Обозначаются
операционные
усилители так
же, как и обычные
усилители –
треугольником,
но у ОУ два входа,
и один с инверсией:

Обычно
слева два входа,
которые различаются
наличием или
отсутствием
кружочка,
обозначающего
инверсию (иногда
внутри треугольника
вместо кружочка
пишут + и – соответственно
у неинвертирующего
и инвертирующего
входов). Справа
обычно обозначается
выход ОУ. Иногда
на схемах больше
ничего нет, но
на самом деле
есть ещё и питание
(+Еп и
–Еп),
оно обычно
обозначается
сверху и снизу.
Кроме того, у
современных
ОУ есть ещё и
баланс нуля,
обычно два
провода снизу,
и провод для
подключения
коррекции. Ещё
может быть
контакт для
земли, хотя он
редко бывает
необходим.
Обычно это всё,
но может быть
и что-то ещё.
На реальных
схемах вместо
слов обычно
пишут номера
контактов. Как
мы видим, на
этой схеме
всего 8 контактов,
вместо 12х3=36 у 12
транзисторов,
а у всех элементов
порядка 50...100. В
этом главное
преимущество
микроэлектроники,
так как надёжность
(интенсивность
отказов) главным
образом определяется
именно количеством
контактов.
Как
же сделать
схему усилителя
на ОУ? Очевидно,
надо подать
на неинвертирующий
вход сигнал,
а с выхода часть
сигнала подать
на инвертирующий
вход. Получится
схема:

Так
как ОУ обладает
большим Кос,
можно считать,
что глубина
обратной
связи большая,
и коэффициент
усиления этой
схемы равен

Но
В в данном случае
равно падению
напряжения
на R1, которое
возникает
из-за протекания
тока по цепи
Roc-R1:

С ледовательно,
Это
очень важная
формула, она
говорит, что
Кос
не зависит от
К0 (когда
глубина ООС
большая), а зависит
только от соотношения
величин сопротивлений
Rос
и R1.
Такой усилитель
называется
неинвертирующим.
Если Roc=0
, или выходной
сигнал подаётся
прямо на вход,
то Кос=1.
Это – повторитель
сигнала. Его
суть состоит
в согласовании
входных и выходных
сопротивлений.
Это последовательная
связь по напряжению,
значит, входное
сопротивление
очень велико,
а выходное –
очень мало.
 Теперь
рассмотрим
инвертирующий
усилитель (см.
на рис.). Нам теперь
трудно определить
коэффициент
обратной связи
В. Но можно найти
другой способ
рассуждения.
Как мы видели
из предыдущей
лекции, при ООС
Uвх0=Uвх/F
. Даже если Uвх
велико, например,
10 В, Uвх0
всё равно очень
мало. Пусть
F=100,
тогда это 0,1 В,
а если F=1000,
то это всего
10 мВ. Ну а при
нормальных
входных сигналах,
которые обычно
малы, например,
0,1 В, Uвх0
вообще мало,
и равно 1...0,1 мВ.
Обычно считают,
что это заземление,
хотя никакого
заземления
нет. Говорят,
что на инвертирующем
входе "псевдоземля"
или что это
"виртуальная
земля".
Причина
этого заключается
в том, что выходное
напряжение
не может превышать
напряжение
питания. Если
выходное напряжение
должно быть
больше, усилитель
не работает,
так он находится
"в зашкале".
Напряжение
питания обычно
10...30 В, а коэффициент
усиления
1000...1000000. Другими
словами входное
напряжение
не должно превышать
напряжение
30 мкВ ... 30 мВ. Мы можем
это считать
псевдоземлёй.
Теперь
давайте рассмотрим
протекание
тока в точке
соединения
сопротивлений.
Слева втекает
входной ток
Iвх,
справа вытекает
ток обратной
связи Iос,
и ещё возможен
ток, протекающий
к инвертирующему
входу ОУ. Но
последний очень
мал. Дело в том,
что входное
сопротивление
ОУ обычно высокое,
а может быть
даже очень
высокое, а входное
напряжение
очень мало.
Поэтому этот
ток измеряется
нано- и даже
пикоамперами,
и мы можем смело
им пренебречь
(на рис. этот
ток перечёркнут).
Итак,
есть только
два тока: Iвх
и Iос.
Конечно, они
должны быть
равны друг
другу:

Подставим
их значения:

Вспомнив,
что Кос=Uвых/Uвх,
получим

Итак,
мы получили
коэффициент
усиления с
инверсией, что
естественно,
но на единицу
меньше, чем у
неинвертирующего
усилителя на
ОУ. Если Roc=R1,
то Кос=
-1, то-есть у нас
получился
инвертор.
Последний
результат очень
важен. То, что
у нас есть
псевдоземля,
значительно
упрощает расчёт
коэффициента
усиления: мы
берём входной
сигнал (напряжение
входа) и делим
его на входное
сопротивление.
Получаем ток,
который равен
току выхода.
Если умножить
его на сопротивление
обратной связи,
то получим
выходное напряжение
(с минусом).
Этот
подход легко
можно использовать
при функциональных
преобразованиях.
Возьмём, например,
вместо входного
сопротивления
диод:

Тогда
входной ток
определяется
уравнением:

Отбрасывая
второе слагаемое
I0,
так как это
малая величина
по сравнению
с первым, и умножая
на Roc
, получаем:

Первое
слагаемое –
константа, а
второе с точностью
до постоянного
множителя RocI0
является как
раз экспонентой.
Теперь
давайте посмотрим,
что получится,
если диод поставить
в другое место,
туда, где стоит
сопротивление
обратной связи:

Теперь
выражения для
токов будут:

Решив
это уравнение
относительно
Uвых,
получим:

То-есть
мы получили
логарифмирующий
усилитель.
Можно ли сделать
суммирование?
Да, это возможно:
З десь
входные токи
равны входным
напряжениям,
делённым на
входные сопротивления.
Далее эти токи
суммируются
и приравниваются
к выходному
току, равному
отношению
выходного
напряжения
к сопротивлению
обратной связи:

Умножив
всё
на Roc,
получим:

Если
все сопротивления
одинаковы,
формула упрощается:

Есть
ещё две интересные
схемы с конденсатором
вместо входного
сопротивления
или конденсатором
в цепи обратной
связи:

Как
известно, напряжение
на конденсаторе
определяется
по формуле (для
левой схемы):

где
Q – заряд
конденсатора.
Если заряд
конденсатора
продифференцировать,
то получится
ток через
конденсатор:

Приравнивая
это току цепи
обратной связи,
получим формулу:

Н а
следующих рис.
представлены
графики
На
левом рисунке
представлены
зависимости
от времени
входного и
выходного
сигнала. На
правом рис.
частотная
зависимость
для дифференцирующего
усилителя.
Легко
понять, что на
правом рис.
(выше) показан
интегратор.
Для него графики
будут обратными:

Здесь
слева показан
эффект интегрирования
входного сигнала.
Справа показана
частотная
характеристика
интегратора.
Рассмотренные
нами устройства
как раз и нужны
для создания
аналоговой
вычислительной
машины (АЭВМ).
Предположим,
нам надо решить
уравнение: ,
мы можем смоделировать
эти действия:
нам нужен один
дифференцирующий
усилитель, один

и нтегрирующий
усилитель, два
простых усилителя
с точно заданными
коэффициентами
усиления для
моделирования
умножения на
постоянные
коэффициенты,
один сумматор.
Схема такой
АЭВМ представлена
ниже:
Необходимо
подключить
точку "y" к
осциллографу
и наблюдать
изменение
сигнала. Такие
АЭВМ получили
распространение
в 50...60 годы прошлого
века. Состояли
они из нескольких
десятков усилителей,
которые как
раз и назывались
"операционными",
так как предназначались
для операций,
к ним прилагались
несколько сот
пассивных
элементов, и
всё это коммутировалось
таким образом,
чтобы собрать
схему для решения
конкретного
уравнения.
Точность каждого
операционного
усилителя
лучше, чем 0,1%.
Однако общая
точность решения
дифференциального
уравнения не
превышает
1...5%. В настоящее
время АЭВМ
надёжно ушли
в прошлое. А ОУ
остались!
А
теперь давайте
рассмотрим
некоторые
другие применения
ОУ. Цифровую
технику, где
ОУ применяются
широко, оставим
для второй
части электроники.
А здесь рассмотрим
резонансные
усилители,
активные фильтры
и усилители
мощности.
 Рассмотрим
простейший
резонансный
усилитель:
Здесь
Свх
и Свых
– обычные
разделительные
конденсаторы,
R1 и R2 – резисторы
базовой цепи,
Rэ
и Сэ
– элементы
обратной связи
по постоянному
току (для
термостабилизации)
и Lконт
и Сконт
– элементы
резонансного
контура.
Это
обычный каскад
с ОЭ, но вместо
коллекторного
сопротивления
стоит резонансный
контур, резонансная
частота которого
рассчитывается
по формуле:

а
сопротивление
на этой частоте
равно бесконечности,
практически
определяется
потерями контура.
При отступлении
от резонансной
частоты сопротивление
контура резко
падает, и, следовательно,
падает коэффициент
усиления транзистора,
см. рис.:

А
f
определяется
формулой:

где
Qэкв
–
добротность
контура для
эквивалентной
схемы.
Конечно,
колебательный
контур и сам
по себе может
осуществлять
электрические
колебания с
частотой fp
, но не
бесконечно
долго. Только
транзистор
способен усиливать
эти колебания.
При этом коэффициент
усиления может
быть большим
(достигать
1000), шум в таком
каскаде минимален,
так как полоса
частот очень
узкая, температурный
дрейф исключён.
ОУ
в резонансных
усилителях
не используются.
В микроэлектронике
делают специальные
усилители, к
которым можно
подключить
внешние L
и C, или только
L. Такие усилители,
а также просто
транзисторные
каскады используются
на частотах
свыше 10 кГц, так
как для более
низких частот
требуются
большие конденсаторы
и индуктивности,
и это не удобно.
Теперь
рассмотрим
фильтры. Типичные
частотные
характеристики
представлены
на рис.:
З десь
ФНЧ – фильтр
нижних частот,
пропускает
частоты ниже
некоторой; ФВЧ
– фильтр верхних
частот, пропускает
частоты выше
некоторой; ПЗФ
– полосно-заграждающий
фильтр, не пропускает
частоты в некоторой
полосе; ППФ –
полосно-пропускающий
фильтр.
 Ниже
представлены
примеры реализации
этих фильтров:
Первые
две схемы – это
просто RC цепочки.
Эквивалентное
сопротивление
конденсатора
с ростом частоты
падает. Поэтому
левая схема
замыкает все
частоты больше
чем 1/2RC,
а вторая наоборот
пропускает
все частоты
меньше чем
1/(2RC).
Эти
схемы могут
быть и другими.
Самое простое
усложнение
– это применить
2 таких ячейки,
3 и так далее.
В основном это
приводит к
более крутому
спаду или росту,
и небольшому
изменению
предельных
частот. Но
увеличиваются
потери из-за
неидеальностей
элементов.
Больше 3 ячеек
обычно не
используется.
На
следующем рис.
(ПЗФ) показана
схема двойного
Т-образного
моста. Чаще
всего используют
условие: R1=R2=2R3
и C1=C2=C3/2. При этом
на частоте
квазирезонанса
fp
= 1/(2R1C1)
выходное напряжение
очень мало.
Максимальное
значение Q=4.
Существенно
повысить добротность
можно, применив
вместо резисторов
катушки индуктивностей.
Далее
изображён ППФ
– это мост Вина.
Если R1=R2
и C1=C2, то резонансная
частота определяется
по приведенной
выше формуле
для предыдущей
схемы, а максимальное
Uвых=Uвх/3.
Мост Вина применяется
широко, но есть
более хорошие
схемы.В частности,
если резисторы
заменить на
индуктивности,
получается
гораздо более
узкополосный
фильтр с лучшей
добротностью.
Активные
фильтры имеют
улучшенные
характеристики,
так как в них
для усиления
используется
ОУ. Например,
на следующем
рис. представлена
схема с Т-образным
мостом и ОУ,
включённым
по неинвертирующей
схеме:

|