| САНКТ-ПЕТЕРБУРГСКАЯ ИНЖЕНЕРНАЯ ШКОЛА ЭЛЕКТРОНИКИ
КУРСОВОЙ ПРОЕКТ
Пояснительная записка
Тема
: УСТРОЙСТВО СЕЛЕКТИВНОГО УПРАВЛЕНИЯ РАБОТОЙ
СЕМИСЕГМЕНТНОГО ИНДЕКАТОРА
КП
2201
453К
Преподаватель Швайка
О. Г.
Учащийся Бляхман Е.С.
УТВЕРЖДЕНО
предметной комиссией
« » __________________________ 2004г.
Председатель _______________________
З А Д А Н И Е
  на курсовое проектирование по курсу ЭЦВМ и МП
учащемуся Бляхман Е.С. IV курса 453-К группы
СПИШЭ техникума
(наименование среднего специального учебного заведения)
(фамилия, имя, отчество)
 Тема задания Устройство селективного управления работой семисегментного индикатора
Курсовой проект на указанную тему выполняется учащимися техникума в следующем объеме:
1. Пояснительная записка.
Введение.
1. Общая часть.
1.1. Назначение устройства управления.
1.2. Составление таблицы истинности работы устройства.
1.3. Минимизация логической функции.
1.4. Выбор и обоснование функциональной схемы устройства.
1.5. Синтез электрической принципиальной схемы в базисе И-НЕ.
1.6. Выбор элементной базы проектируемого устройства.
1.7. Описание используемых в схеме ИМС и семисегментного индикатора.
2. Расчетная часть проекта ______________________________________________________
2.1. Ориентировочный расчет быстродействия и потребляемой мощности устройства
управления.
2.2. Расчет вероятности безотказной работы устройства управления и среднего
времени наработки на отказ.
4. Графическая часть проекта _______________________________________________
Схема электрическая принципиальная.
Устройство селективного управления работой семисегментного индикатора.
Заключение.
Список литературы.
Дата выдачи ______________________________
Срок окончания ______________________________
Зав. отделением ______________________________
Преподаватель ______________________________
ВВЕДЕНИЕ
Развитие микроэлектроники способствовало появлению малогабаритных, высоконадежных и экономичных вычислительных устройств на основе цифровых микросхем. Требования увеличения быстродействия и уменьшения мощности потребления вычислительных средств привело к созданию серий цифровых микросхем. Серия представляет собой комплект микросхем, имеющие единое конструктивно – технологическое исполнение. Наиболее широкое распространение в современной аппаратуре получили серии микросхем ТТЛ, ТТЛШ, ЭСЛ и схемы на МОП – структурах.
ТТЛ схемы появились как результат развития схем ДТЛ в результате замены матрицы диодов многоэмиттерным транзистором. Этот транзистор представляет собой интегральный элемент, объединяющий свойства диодных логических схем и транзисторного усилителя.
1. Общая часть.
1.1. Назначение устройства
На рисунке в виде “черного ящика” показана комбинационная схема (КС) управляющая семисегментным индикатором. На вход схемы подаются различные комбинации двух сигналов X1
, X2
, X3
, X4
(X1
- старший). На индикатор предполагается выводить лишь отдельные цифры из множества шестнадцатеричных цифр. На выходе Y должна быть единица, если соединенный с этим выходом сегмент должен загореться при отображении цифр (для логической схемы). Требуется:
1
. Составить совмещенную таблицу истинности, комплект карт Карно для функции Y, провести совместную минимизацию в СДНФ и записать логические формулы, выражающие Y через X, выполнить преобразование этих формул к виду, обеспечивающему минимально возможную реализацию КС в системе логических элементов ТТЛ серии типа К155 или К555;
2
. Выполнить принципиальную электрическую схему устройства, провести расчет быстродействия и мощности;
3
. Выполнить расчет надежности.
1.2.
Составление таблицы истинности работы устройства
.
Создание таблицы истинности работы устройства по следующему набору комбинаций 1, 2, 3, 4, 7, 8,
B
,
C
,
F
.
| N
|
X1
|
X2
|
X3
|
X4
|
Y1
|
Y2
|
Y3
|
Y4
|
Y5
|
Y6
|
Y7
|
| 1
|
0
|
0
|
0
|
1
|
1
|
0
|
0
|
0
|
0
|
0
|
1
|
| 2
|
0
|
0
|
1
|
0
|
1
|
1
|
0
|
1
|
1
|
1
|
0
|
| 3
|
0
|
0
|
1
|
1
|
1
|
1
|
0
|
1
|
0
|
1
|
1
|
| 4
|
0
|
1
|
0
|
0
|
1
|
0
|
1
|
1
|
0
|
0
|
1
|
| 7
|
0
|
1
|
1
|
1
|
1
|
1
|
0
|
0
|
0
|
0
|
1
|
| 8
|
1
|
0
|
0
|
0
|
1
|
1
|
1
|
1
|
1
|
1
|
1
|
| B
|
1
|
0
|
1
|
1
|
0
|
0
|
1
|
1
|
1
|
1
|
1
|
| C
|
1
|
1
|
0
|
0
|
0
|
1
|
1
|
0
|
1
|
1
|
0
|
| F
|
1
|
1
|
1
|
1
|
0
|
1
|
1
|
1
|
1
|
0
|
0
|
1.3. Минимизация логической функции.
Составить СДНФ по таблице, построить карты Карно и минимизировать их
.
   
 
     
  
  
  

  
1.4. Выбор и обоснование функциональной схемы устройства.
 
1.5. Синтез электрической принципиальной схемы
в базисе «И-НЕ».
Можно уменьшить количество наименований схем. Это можно сделать путем преобразования с помощью формул:
В результате получаем только схемы “И-НЕ” и схемы отрицания







Повторяющиеся значения формул СДНФ








1.6. Выбор и обоснование элементной базы.
Для проектирования было предложено выбрать элементы ТТЛ серий 155 и 555. После сравнения характеристик этих двух серий мною была выбрана 555 серия.
Потому что:
¾ во-первых, коэффициент разветвления у неё в два раза больше, чем у 155 серии, что в дальнейшем даст возможность не использовать дополнительные резисторы на входе схемы
¾ во-вторых, элементы 555 серии потребляют меньше мощности в отличие от серии 155, так как их максимальное напряжение и сила тока меньше, чем у 155 серии.
В 555 серию входят различные логические элементы общим числом 98 наименований. Их назначение заключается в построении узлов ЭВМ и устройств дискретной автоматики с высоким быстродействием и малой потребляемой мощностью.
Элементы И – НЕ в 555 серии содержат простые n-p-n транзисторы VT2 – VT4, многоэмиттерный транзистор VT1, а так же резисторы и диоды, количество которых зависит от конкретного элемента. Такая схема обеспечивает возможность работы на большую емкостную нагрузку при высоком быстродействии и помехоустойчивости.
В качестве индикатора выбран семисегментный индикатор АЛС320Б, один из немногих индикаторов способный отображать не только цифровую информацию, но и буквенную, что необходимо в проектируемом устройстве.
В моей схеме используется следующие микросхемы серии К555:
К555ЛА1, К555ЛА2, К555ЛА4, К555ЛН1, К555ЛН2
1.7. Описание используемых в схеме ИМС и семисегментного индикатора.
К555ЛА1
Два логических элемента 4И-НЕ
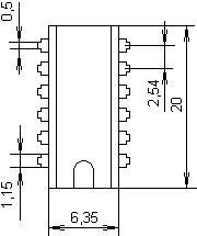
| № выв.
|
Назначение
|
№ выв.
|
Назначение
|
| 1
2
3
4
5
6
7
|
Вход Х1
Вход Х2
Свободный
Вход Х3
Вход Х4
Выход Y1
Общий
|
8
9
10
11
12
13
14
|
Выход Y2
Вход Х5
Вход Х6
Свободный
Вход Х7
Вход Х8
Ucc
|
DIP14
Пластик
| Тип микросхемы
|
К555ЛА1
|
| Фирма производитель
|
СНГ
|
| Функциональные особенности
|
2 элемента 4И-НЕ
|
| Uпит
|
5В ± 5%
|
| Uпит
(низкого ур-ня)
|
≤ 0,5В
|
| Uпит
(высокого ур-ня)
|
≥ 2,7В
|
| Iпотреб
(низкий ур-нь Uвых
)
|
≤ 2,2мА
|
| Iпотреб
(высокий ур-нь Uвых
)
|
≤ 0,8мА
|
| Iвых
(низкого ур-ня)
|
≤ |-0.36|мА
|
| Iвых
(высокого ур-ня)
|
≤ 0,02мА
|
| P
|
7,88мВт
|
| tзадержки
|
20нСек
|
| Kразвёртки
|
20
|
| Корпус
|
DIP14
|
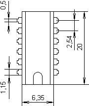
К555ЛА2
Логический элемент 8И-НЕ
| № выв.
|
Назначение
|
№ выв.
|
Назначение
|
| 1
2
3
4
5
6
7
|
Вход Х1
Вход Х2
Вход Х3
Вход Х4
Вход Х5
Вход Х6
Общий
|
8
9
10
11
12
13
14
|
Выход Y1
Свободный
Свободный
Вход Х7
Вход Х8
Свободный
Ucc
|
DIP14
Пластик
| Тип микросхемы
|
К555ЛА2
|
| Фирма производитель
|
СНГ
|
| Функциональные особенности
|
элемент 8И-НЕ
|
| Uпит
|
5В ± 5%
|
| Uпит
(низкого ур-ня)
|
≤ 0,5В
|
| Uпит
(высокого ур-ня)
|
≥ 2,7В
|
| Iпотреб
(низкий ур-нь Uвых
)
|
≤ 1,1мА
|
| Iпотреб
(высокий ур-нь Uвых
)
|
≤ 0,5мА
|
| Iвых
(низкого ур-ня)
|
≤ |-0,4|мА
|
| Iвых
(высокого ур-ня)
|
≤ 0,02мА
|
| P
|
4,2мВт
|
| tзадержки
|
35нСек
|
| Kразвёртки
|
20
|
| Корпус
|
DIP14
|
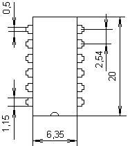
К555ЛА4
Три логических элемента 3И-НЕ
| № выв.
|
Назначение
|
№ выв.
|
Назначение
|
| 1
2
3
4
5
6
7
|
Вход Х1
Вход Х2
Вход Х4
Вход Х5
Вход Х6
Выход Y2
Общий
|
8
9
10
11
12
13
14
|
Выход Y3
Вход Х7
Вход Х8
Вход Х9
Выход Y1
Вход Х3
Ucc
|
DIP14
Керамический
| Тип микросхемы
|
К555ЛА4
|
| Фирма производитель
|
СНГ
|
| Функциональные особенности
|
3 элемента 3И-НЕ
|
| Uпит
|
5В ± 5%
|
| Uпит
(низкого ур-ня)
|
≤ 0,5В
|
| Uпит
(высокого ур-ня)
|
≥ 2,7В
|
| Iпотреб
(низкий ур-нь Uвых
)
|
≤ 1,2мА
|
| Iпотреб
(высокий ур-нь Uвых
)
|
≤ 0,8мА
|
| Iвых
(низкого ур-ня)
|
≤ |-0.36|мА
|
| Iвых
(высокого ур-ня)
|
≤ 0,02мА
|
| P
|
11,8мВт
|
| tзадержки
|
15нСек
|
| Kразвёртки
|
20
|
| Корпус
|
DIP14
|
К555ЛН
1
Шесть инверторов
| № выв.
|
Назначение
|
№ выв.
|
Назначение
|
| 1
2
3
4
5
6
7
|
Вход Х1
Выход Y1
Вход Х2
Выход Y2
Вход Х3
Выход Y3
Общий
|
8
9
10
11
12
13
14
|
Выход Y4
Вход Х4
Выход Y5
Вход Х5
Выход Y6
Вход Х6
Ucc
|
DIP14
Пластик
| Тип микросхемы
|
К555ЛН1
|
| Фирма производитель
|
СНГ
|
| Функциональные особенности
|
6 инверторов
|
| Uпит
|
5В ± 5%
|
| Uпит
(низкого ур-ня)
|
≤ 0,5В
|
| Uпит
(высокого ур-ня)
|
≥ 2,7В
|
| Iпотреб
(низкий ур-нь Uвых
)
|
≤ 6,6мА
|
| Iпотреб
(высокий ур-нь Uвых
)
|
≤ 2,4мА
|
| Iвых
(низкого ур-ня)
|
≤ |-0.36|мА
|
| Iвых
(высокого ур-ня)
|
≤ 0,02мА
|
| P
|
23,63мВт
|
| Tзадержки
|
≤ 20нСек
|
| Kразвёртки
|
20
|
| Корпус
|
DIP14
|
К555ЛН2
Шесть инверторов с открытым коллекторным выходом
| № выв.
|
Назначение
|
№ выв.
|
Назначение
|
| 1
2
3
4
5
6
7
|
Вход Х1
Выход Y1
Вход Х2
Выход Y2
Вход Х3
Выход Y3
Общий
|
8
9
10
11
12
13
14
|
Выход Y4
Вход Х4
Выход Y5
Вход Х5
Выход Y6
Вход Х6
Ucc
|
DIP14
Пластик
| Тип микросхемы
|
К555ЛН2
|
| Фирма производитель
|
СНГ
|
| Функциональные особенности
|
6 инверторов с открытым коллекторным выходом
|
| Uпит
|
5В ± 5%
|
| Uпит
(низкого ур-ня)
|
≤ 0,5В
|
| Uпит
(высокого ур-ня)
|
≥ 2,7В
|
| Iпотреб
(низкий ур-нь Uвых
)
|
≤ 6,6мА
|
| Iпотреб
(высокий ур-нь Uвых
)
|
≤ 2,4мА
|
| Iвых
(низкого ур-ня)
|
≤ |-0.36|мА
|
| Iвых
(высокого ур-ня)
|
≤ 0,02мА
|
| P
|
23,63мВт
|
| Tзадержки
|
≤ 32нСек
|
| Kразвёртки
|
20
|
| Корпус
|
DIP14
|
ИНДИКАТОР ЦИФРОВОЙ
АЛС320Б
| Название
|
АЛС320Б
|
| Цвет свечения
|
зеленый
|
| Н, мм
|
5
|
| М
|
1
|
| Lmin, нм
|
555
|
| Lmax, нм
|
565
|
| Iv, мДж
|
0.15
|
| при Iпр, мА
|
10
|
| Uпр max(Uпр max имп), В
|
3
|
| Uобр max(Uобр max имп), В
|
5
|
| Iпр max(Iпр max имп), мА
|
12
|
| Iпр и max, мА
|
60
|
| при tи, мс
|
1
|
| при Q
|
12
|
| Т,°С
|
-60…+70
|
2. Расчетная часть
2.1. Расчет быстродействия и потребляемой мощности устройства
· Расчет номиналов резисторов



Из расчетов видно, что сопротивление равно 758 Ом, а его наминал, равен 1 кОм. Сопротивление индикатора равно 167 Ом, а его наминал, равен 250 Ом.
· Расчет быстродействия
Таким образом, из расчета, время задержки составляет 127 нс.
· Расчет мощности

Таким образом, из расчета я получил потребляемую мощность
равную 402,88 мВт
2.2. Расчет вероятности безотказной работы устройства и среднего времени наработки на отказ.
| Наименее
|
Обозначение на схеме
|
Кол-во элементов
|
lо
10-6
|
Режим работы
|
Усл. раб. Кl
|
Коэф. а
|
li
=a×кl
×lо
10-6
|

10-6
|
| Кн
|
tс
|
| Резисторы
|
R1
|
1
|
1
|
1
|
50
|
1,6
|
2,7
|
4,32
|
4,32
|
| R2-8
|
7
|
0,4
|
1,728
|
12,096
|
| ИМС
|
DD1
-DD10
|
10
|
0,1
|
1
|
50
|
1
|
2,7
|
0,27
|
2,7
|
| ИМС
(К555ЛН2)
|
DD11
-DD12
|
2
|
0,08
|
1
|
50
|
1
|
2,7
|
0,216
|
0,432
|
| Индикатор
|
VD
|
7
|
5
|
1
|
50
|
1,6
|
2,7
|
21,6
|
151,2
|
1. Прикидочный расчет



2. Ориентировочный расчет



3. Окончательный расчет













Графическая часть проекта.
Заключение.
В курсовом проекте я разработал электрическую принципиальную схему управления семисегментного индикатора.
Изначально, по заданию, составив таблицы истинности и минимизировав логическую функцию, получили те сигналы, которые поступят непосредственно на индикатор (пройдя предварительную инверсию). Преобразовав полученные формулы и выделив повторяющиеся блоки, оптимизировал работу схемы. В ней используются микросхемы серии К555, т.к. они являются более новыми, чем серия К155, а также рассчитывались номинал резисторов, быстродействие, потребляемая мощность и вероятность безотказной работы устройства.
Значение прикидочного расчета больше, так как при его расчете было взято максимальное значение коэффициента интенсивности отказов, а в ориентировочном расчете для каждого элемента свое. Из-за этой разницы в ориентировочном расчете увеличилось P(t) и Tср.
Список литературы.
1. «Справочник по интегральным микросхемам» Тарабин; Москва 1981г.
2. «Цифровые интегральные микросхемы» Богданович М.И., Грель И.Н., Похоренко В.А., Шалимо В.В.; Минск, Беларусь 1991г.
3. Конспект по предмету «Конструирование ЭВМ» преподаватель – Пушницкая И.В.
4. Конспект по предмету «Типовые элементы и устройства цифровой техники» преподаватель – Золотарев И.В., Тихонов Б.Н.
5. методическая указания к выполнению курсового проекта по предмету «Электронные цифровые вычислительные машины и микропроцессоры» Пушницкая И.В., Чечурина А.В.
Ленинград 1990г.
6. Методические рекомендации по оформлению курсовых и дипломных проектов Лагутина Н.И.; Ленинград 1987г.
7. «Справочник по полупроводниковых электронных приборов» Иванов В.И.
8. «Справочник интегральных микросхем» Нефедов
9. «Импульсные и цифровые устройства» Браммер Ю.А., Пащук И.Н.
|