|
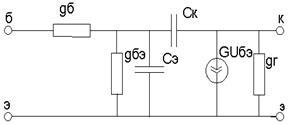
Рисунок 4.4.3 В данной схеме транзистор VT2 используется в качестве элемента термостабилизации. Ток коллектора VT2 является базовым током смещения. Здесь
| |||||||||||||||||||||||||||||||||||||||||||||||||||||||||||||||||||||||||||||||||||||||||||||||||||||||||||||||||||||||||||||||||||||||||||||||||||||||||||||||||||||||||||||||||||||||||||||||||||||||||||||||||||||||||||||||||||||||||||||||||||||||||||||||||||||||||||||||||||||||||||||||||||||||||||||||||||||||||||||||||||||||||||||||||||||||||||||||||||||||||||||||||||||||||||||||||||||||||||||||||||||||||||||||||||||||||||||||||||||||||||||||||||||||||||||||||||||||||||||||||||||||||||||||||||||||||||||||||||||||||||||||||||||||||||||||||||||||||||||||||||||||||||||||||||||||||||||||||||||||||||||||||||||||||||||||||||||||||||||||||||||||||
![]() |

Коэффициент усиления каскада на транзисторе VT2 в области верхних частот можно описать выражением:
, (4.30)
где
,коэффициент усиления каскада (4.31)
;
;
;
;
;
;
RВХН –нормированное входное сопротивление транзистора VT2 ; , , ,
, – нормированные относительно и
значения элементов L1
, R2
, C3
, C4
, L5
, соответствующие преобразованной схеме КЦ, в которой значение СВХ2
равно бесконечности; СВЫХ1
– выходная емкость транзистора T1
; ; – нормированная частота; – текущая круговая частота; – высшая круговая частота полосы пропускания разрабатываемого усилителя. Для расчета элементов корректирующей цепи нужно воспользоваться таблицей 9.1 приведенной в [5]. Оконечный каскад реализуем с подъёмом в 3дБ, а предоконечный и выходной с подъёмом в 0 дБ искажения каждого =
дБ. Так как для расчета требуется знать
транзистора VT2 то нужно сделать выбор транзистора предоконечного каскада. Свой выбор остановим на транзисторе КТ939А. Сопротивление выхода этого транзистора нам известно
Для расчета элементов воспользуемся формулами:
; (4.32)
С помощью таблицы получены следующие нормированные значения элементов.
=1,68,
=0,842,
,=4,99,
=4,62,
=0,234.
,
; (4.33)
;
;
;
Денормируя полученные значения, определим:
=
=57 нГн;
=
=71,5 Ом;
=
=18 пФ;
=8,3 пФ;
=13 нГн.
В усилительных каскадах расширение полосы пропускания связано с потерей части выходной мощности в резисторах корректирующих цепей (КЦ) либо цепей обратной связи. От выходных каскадов усилителей требуется, как правило, получение максимально возможной выходной мощности в заданной полосе частот. Из теории усилителей известно, что для выполнения указанного требования необходимо реализовать ощущаемое сопротивление нагрузки для внутреннего генератора транзистора равным постоянной величине во всем рабочем диапазоне частот. Этого можно достигнуть, включив выходную емкость транзистора в фильтр нижних частот, используемый в качестве
![]() |
![]() |
Рисунок 4.5.2
Использование фильтра нижних частот в качестве выходной КЦ при одновременном расчете элементов L1
, C1
по методике Фано позволяет обеспечить минимально возможное, соответствующее заданным CВЫХ
и fB
, значение максимальной величины модуля коэффициента отражения
в полосе частот от нуля до fB
.
; (4.34)
;
Далее находим по таблице 7.1 приведённой в [1] значения
,
,
,, соответствующие коэффициенту
:
,
,
,
. Истинные значения элементов рассчитываются по формулам:
; (4.35)
.
5 Расчет предоконечного каскада
Расчет рабочей точки предоконечного каскада производится по тем же формулам что и оконечный, только ток рабочей точки вычисляется по формуле
, (5.1)
где
-ток рабочей точки выходного каскада, а
-коэффициент усиления выходного каскада,
А;
В;
мВт.
Произведем расчет схем замещения по формулам (4.8-4.13).
См;
Ом;
См;
пФ;
Ом.
Произведем расчет схемы термостабилизации и цепи питания. В этом каскаде также применена эмиттерная термостабилизация. Для расчета используем формулы (4.14-4.18).
=4 В;
Ом;
В;
А;
Ом;
Ом.
Для расчета межкаскадной корректирующей цепи четвертого порядка выберем транзистор входного каскада. В входном каскаде используется транзистор КТ939А. Данные из таблицы для каскада с подъемом в 0 дБ с искажением =
дБ. Для расчета используем формулы (4.30-4.33).
=2,22,
=1,11,
,=5,23,
=3,69,
=0,291;
;
;
;
;
Денормируя полученные значения, определим:
=
=75нГн;
=
=94,3 Ом;
=
=18 пФ;
=6,1 пФ;
=16,1 нГн;
мкГн.
![]() |
6 Расчет входного каскада.
Расчет выходного каскада производится по тем же формулам что и оконечный.
А;
В;
мВт.
В данном каскаде используется транзистор КТ939А.
Расчет эквивалентных схем замещения произведем по формулам (4.8-4.13):
См;
Ом;
См;
пФ;
Ом.
Произведем расчет схемы термостабилизации и цепи питания. В этом каскаде применена эмиттерная термостабилизация. Для расчета используем формулы (4.14-4.18).
=4 В;
Ом;
В;
А;
Ом;
Ом.
Расчет входной корректирующей цепи четвертого порядка.
=2,22,
=1,11,
,=5,23,
=3,69,
=0,291.
,

;
Денормируя полученные значения, определим:
=
=44нГн;
=
=55,5 Ом;
=
=41,6 пФ;
=29 пФ;
=5,8 нГн;
мкГн.
![]() |
7 Расчет разделительных и блокировочных ёмкостей
Рассчитаем максимальные искажения, вносимые разделительными и блокировочными ёмкостями в области низких частот. Так как значение искажений задано 1,5 дБ то на разделительные и блокировочные ёмкости должно приходится искажений по 0,75 дБ. Рассчитаем искажения приходящуюся на каждую ёмкость и переведём эти значения в разы.
;
;
Рассчитаем разделительные ёмкости по формуле [3]:
, (7.1)
где
нижняя граничная круговая частота,
выходное сопротивление источника сигнала,
входное сопротивление приемника.
пФ;
пФ;
пФ;
Произведем расчет блокировочных емкостей по формуле [3]:
, (7.2)
где
крутизна транзистора,
сопротивление термостабилизации.
,
где
;
мА/в;
мА/в;
мА/в;
мА/в;
нФ;
нФ;
нФ.
Для уменьшения искажений последовательно с разделительной емкостью включим дополнительное сопротивление параллельно емкости
корректирующей цепи каскада. Дополнительное сопротивление высчитывается по формуле:
, (7.3)
где
сопротивление нагрузки для оконечного каскада и сопротивление
для остальных каскадов.
Ом;
Ом;
Ом.
Так же включим
последовательно с сопротивлением цепи коррекции
со стороны земли. Дополнительную емкость включим только к оконечному и предоконечному каскаду:
; (7.4)
пФ.
нФ;
|
|
|||||||||||
| РТФ КП 468730.001.ПЗ |
|||||||||||
| Лит |
Масса |
Масштаб |
|||||||||
| Изм |
Лист |
N докум. |
Подп. |
Дата |
|||||||
| Выполнил |
Кузнецов |
УCИЛИТЕЛЬ-КОРРЕКТОР |
|||||||||
Проверил |
Титов |
||||||||||
| Лист |
Листов |
||||||||||
ТУСУР РТФ |
|||||||||||
Принципиальная |
Кафедра РЗИ |
||||||||||
| Схема |
гр. 148-3 |
||||||||||
| Позиционные Обозначения |
Наименование |
Кол |
Примечание |
|||||||||||||
| Конденсаторы ОЖ0.460.203 ТУ |
||||||||||||||||
| С1 |
КД -2-750пФ ± 5% |
1 |
||||||||||||||
| С2 |
КД-2-39пФ ± 5% |
1 |
||||||||||||||
| С3 |
КД-2-30пФ ± 5 |
1 |
||||||||||||||
| С4 |
КД-2-2нФ ± 5% |
1 |
||||||||||||||
| C 5,С13,С16 |
КД-2-8,2пФ ± 5% |
3 |
||||||||||||||
| С6,С11 |
КД-2-470пФ ± 5% |
2 |
||||||||||||||
| С7,с12 |
КД-2-18пФ ± 5% |
2 |
||||||||||||||
| С8 |
КД-2-6,2пФ ± 5% |
1 |
||||||||||||||
| С9 |
КД-2-15нФ ± 5% |
1 |
||||||||||||||
| С10 |
КД-2-1,1нФ ± 5% |
1 |
||||||||||||||
| С14 |
КД-2-30нФ ± 5% |
1 |
||||||||||||||
| С15 |
КД-2-290пФ ± 5% |
1 |
||||||||||||||
| Индуктивности |
||||||||||||||||
| L 1 |
Индуктивность 44нГн ± 10% |
1 |
||||||||||||||
| L 2 |
Индуктивность 5,8нГн ± 10% |
1 |
||||||||||||||
| L 3 |
Индуктивность 2,21мкГн ± 10% |
1 |
||||||||||||||
| L 4 |
Индуктивность 75нГн ± 10% |
1 |
||||||||||||||
| L 5 |
Индуктивность 16нГн ± 10% |
1 |
||||||||||||||
| L 6 |
Индуктивность 3,75мкГн ± 10% ± 10 ± 10% |
1 |
||||||||||||||
| L 7 |
Индуктивность 57нГн ± 10% |
|||||||||||||||
| L 8 |
Индуктивность 13нГн ± 10% |
|||||||||||||||
| L 9 |
Индуктивность 2мкГн ± 10% |
|||||||||||||||
| L 10 |
Индуктивность 19нГн ± 10% |
|||||||||||||||
| Резисторы ГОСТ 7113-77 |
||||||||||||||||
| R 1 |
МЛТ–0,125-56Ом ± 10% |
1 |
||||||||||||||
| R 2, R 8 |
МЛТ–0,125-2,4кОм ± 10% |
2 |
||||||||||||||
| R 3 |
МЛТ–0,125-7,5кОм ± 10% |
1 |
||||||||||||||
| R 4 |
МЛТ–0,125-6,2кОм ± 10% |
1 |
||||||||||||||
| R 5 |
МЛТ–0,125-470Ом ± 10% |
1 |
||||||||||||||
| R 6 |
МЛТ–0,125-91Ом ± 10% |
1 |
||||||||||||||
| R 7 |
МЛТ–0,125-6,8кОм ± 10% |
1 |
||||||||||||||
| R 9 |
МЛТ–0,125-2кОм ± 10% |
1 |
||||||||||||||
| R 10 |
МЛТ–0,125-150Ом ± 10% |
1 |
||||||||||||||
| R 11 |
МЛТ–0,125-68Ом ± 10% |
1 |
||||||||||||||
| R 12 |
МЛТ–0,125-430Ом ± 10% |
1 |
||||||||||||||
| R 13 |
МЛТ–0,125-1кОм ± 10% |
1 |
||||||||||||||
| R 14 |
МЛТ–0,125-820Ом ± 10% |
1 |
||||||||||||||
| R 15 |
МЛТ–0,125-60Ом ± 10% |
1 |
||||||||||||||
| Транзисторы |
||||||||||||||||
| V1,V2,V3 |
КТ939А |
3 |
||||||||||||||
| РТФ КП 468730.001 ПЗ |
||||||||||||||||
| Лит |
Масса |
Масштаб |
||||||||||||||
| Изм |
Лист |
N докум. |
Подп. |
Дата |
||||||||||||
| Выполнил |
Кузнецов |
УСИЛИТЕЛЬ-корректор |
У |
|||||||||||||
Провер. |
Титов |
|||||||||||||||
| Лист |
Листов |
|||||||||||||||
ТУСУР РТФ |
||||||||||||||||
Перечень элементов |
Кафедра РЗИ |
|||||||||||||||
| гр. 148-3 |
||||||||||||||||
9 Заключение
Рассчитанный усилитель имеет следующие технические характеристики:
1. Рабочая полоса частот: 20-400 МГц
2. Линейные искажения
в области НЧ не более 3 дБ
в области ВЧ не более 3 дБ
3. Коэффициент усиления 32дБ с подъёмом АЧХ 3 дБ
4. Амплитуда выходного напряжения Uвых=3 В
5. Питание однополярное, Eп=9 В
6. Диапазон рабочих температур: от +10 до +60 градусов Цельсия
Усилитель рассчитан на нагрузку Rн=50 Ом
Усилитель имеет запас по усилению 2дБ, это нужно для того, чтобы в случае ухудшения, параметров отдельных элементов коэффициент передачи усилителя не опускался ниже заданного уровня, определённого техническим заданием.
10 Литература
1. Титов А.А. Расчет корректирующих цепей широкополосных усилительных каскадов на полевых транзисторах – http://referat.ru/download/ref-2770.zip
2. Полупроводниковые приборы. Транзисторы средней и большой мощности: Справочник/А.А. Зайцев и др. Под ред. А.В.Голомедова.-М.: Радио и Связь, 1989.-640 с.:Ил.
3. Мамонкин И.П. Усилительные устройства:Учебное пособие для вузов.-М.:Связь,1977
4. Титов А.А. Расчет межкаскадной согласующей цепи транзисторного полосового усилителя мощности.//Электронная техника. Сер. СВЧ-техника. Вып. 1(475) 2000 г.
5. Титов А.А. Расчет корректирующих цепей широкополосных усилительных каскадов на биполярных транзисторах – http://referat.ru/download/ref-2764.zip
| |||||
| |||||
| |||||
| |||||
|
Меню |
||||
| Главная Рефераты Благодарности |
||||
Опрос |
||||