Банк рефератов содержит более 364 тысяч рефератов, курсовых и дипломных работ, шпаргалок и докладов по различным дисциплинам: истории, психологии, экономике, менеджменту, философии, праву, экологии. А также изложения, сочинения по литературе, отчеты по практике, топики по английскому.
Полнотекстовый поиск
Всего работ:
364139
Теги названий
Разделы
Авиация и космонавтика (304)
Административное право (123)
Арбитражный процесс (23)
Архитектура (113)
Астрология (4)
Астрономия (4814)
Банковское дело (5227)
Безопасность жизнедеятельности (2616)
Биографии (3423)
Биология (4214)
Биология и химия (1518)
Биржевое дело (68)
Ботаника и сельское хоз-во (2836)
Бухгалтерский учет и аудит (8269)
Валютные отношения (50)
Ветеринария (50)
Военная кафедра (762)
ГДЗ (2)
География (5275)
Геодезия (30)
Геология (1222)
Геополитика (43)
Государство и право (20403)
Гражданское право и процесс (465)
Делопроизводство (19)
Деньги и кредит (108)
ЕГЭ (173)
Естествознание (96)
Журналистика (899)
ЗНО (54)
Зоология (34)
Издательское дело и полиграфия (476)
Инвестиции (106)
Иностранный язык (62791)
Информатика (3562)
Информатика, программирование (6444)
Исторические личности (2165)
История (21319)
История техники (766)
Кибернетика (64)
Коммуникации и связь (3145)
Компьютерные науки (60)
Косметология (17)
Краеведение и этнография (588)
Краткое содержание произведений (1000)
Криминалистика (106)
Криминология (48)
Криптология (3)
Кулинария (1167)
Культура и искусство (8485)
Культурология (537)
Литература : зарубежная (2044)
Литература и русский язык (11657)
Логика (532)
Логистика (21)
Маркетинг (7985)
Математика (3721)
Медицина, здоровье (10549)
Медицинские науки (88)
Международное публичное право (58)
Международное частное право (36)
Международные отношения (2257)
Менеджмент (12491)
Металлургия (91)
Москвоведение (797)
Музыка (1338)
Муниципальное право (24)
Налоги, налогообложение (214)
Наука и техника (1141)
Начертательная геометрия (3)
Оккультизм и уфология (8)
Остальные рефераты (21692)
Педагогика (7850)
Политология (3801)
Право (682)
Право, юриспруденция (2881)
Предпринимательство (475)
Прикладные науки (1)
Промышленность, производство (7100)
Психология (8692)
психология, педагогика (4121)
Радиоэлектроника (443)
Реклама (952)
Религия и мифология (2967)
Риторика (23)
Сексология (748)
Социология (4876)
Статистика (95)
Страхование (107)
Строительные науки (7)
Строительство (2004)
Схемотехника (15)
Таможенная система (663)
Теория государства и права (240)
Теория организации (39)
Теплотехника (25)
Технология (624)
Товароведение (16)
Транспорт (2652)
Трудовое право (136)
Туризм (90)
Уголовное право и процесс (406)
Управление (95)
Управленческие науки (24)
Физика (3462)
Физкультура и спорт (4482)
Философия (7216)
Финансовые науки (4592)
Финансы (5386)
Фотография (3)
Химия (2244)
Хозяйственное право (23)
Цифровые устройства (29)
Экологическое право (35)
Экология (4517)
Экономика (20644)
Экономико-математическое моделирование (666)
Экономическая география (119)
Экономическая теория (2573)
Этика (889)
Юриспруденция (288)
Языковедение (148)
Языкознание, филология (1140)

Реферат: Управление цикловой автоматикой

Название: Управление цикловой автоматикой
Раздел: Рефераты по радиоэлектронике
Тип: реферат Добавлен 19:39:38 18 июня 2005 Похожие работы
Просмотров: 102 Комментариев: 24 Оценило: 4 человек Средний балл: 5 Оценка: неизвестно     Скачать

ИНИСТЕРСТВО ОБЩЕГО И ПРОФЕССИОНАЛЬНОГО ОБРАЗОВАНИЯ РОССИЙСКОЙ ФЕДЕРАЦИИ

МОСКОВСКИЙ ГОСУДАРСТВЕННЫЙ ТЕХНОЛОГИЧЕСКИЙ УНИВЕРСИТЕТ «СТАНКИН»




ОТЧЕТ

ПО

Лабораторным работам № 3, 4

ПО КУРСУ


УПРАВЛЕНИЕ ЦИКЛОВОЙ


АВТОМАТИКОЙ


Выполнил ст. гр. КС-9-8:


Копычев Е.А.


Москва 2000

Задача № 1


Имеются две автоматические линии. На пульте управления имеется шесть кнопок.

Существует возможность управления линиями:

  1. первая и вторая кнопки используются для включения и выключения первой линии, соответственно;

  2. третья и четвертая кнопки используются для включения и выключения второй линии, соответственно;

  3. пятая и шестая кнопки используются для включения и выключения, соответственно двух линии одновременно.




Задача № 2


Имеется реверсивный привод, управляемый тремя кнопками:

  • пуск по часовой стрелке;

  • пуск против часовой стрелки;

  • стоп.

Вариант а): Напишите управляющую программу, которая разрешает реверсирование двигателя только через кнопку `Стоп`.



I 0.0 – кнопка включения двигателя по часовой стрелке;

I 0.1 – кнопка включения двигателя против часовой стрелке;

I 0.2 – кнопка выключения двигателя;

Q 0.0 – светодиод, имитирующий работу двигателя по часовой стрелке;

Q 0.1 – светодиод, имитирующий работу двигателя против часовой стрелке.

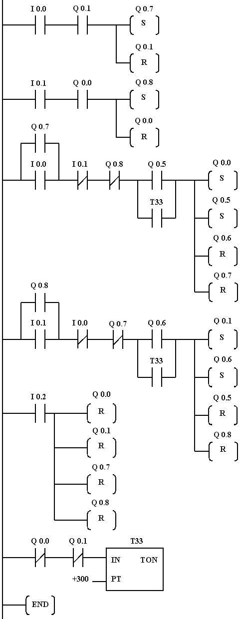
Вариант б): Напишите УП в которой, реверс двигателя через кнопку `Стоп` был бы возможен только с истечением трехсекундной выдержки, а перезапуск в том же направлении осуществлялся без задержки после остановки кнопкой `Стоп`.



I 0.0 – кнопка включения двигателя по часовой стрелке;

I 0.1 – кнопка включения двигателя против часовой стрелке;

I 0.2 – кнопка выключения двигателя;

Q 0.0 – светодиод, имитирующий работу двигателя по часовой стрелке;

Q 0.1 – светодиод, имитирующий работу двигателя против часовой стрелке;

Q 0.5 – светодиод, говорящий что до нажатия кнопки стоп двигатель вращался по часовой стрелке;

Q 0.6 – светодиод, говорящий что до нажатия кнопки стоп двигатель вращался против часовой стрелки;

T33 – таймер, осуществляющий задержку реверсирования двигателя.


Диаграмма работы двигателя при реверсировании


Вариант в): Напишите УП управления двигателем, расширив условие варианта `б` так, чтобы двигатель можно было реверсировать без использования кнопки `Стоп`: двигатель запускается в другом н
аправлении по истечению трехсекундной задержки.

Задача № 3



Тележка перемещается по рельсам от одного склада к другому. Тележка за один цикл должна съездить 5 раз туда – обратно и остановится. Запускается цикл с помощью кнопки без фиксации. Конечники имитируются любыми двумя кнопками. Время стоянки на усмотрение программиста. Самый простой вариант с нулевым временем стоянки. Три светодиода должны индицировать текущее количество сделанных перемещений туда – обратно. По окончании цикла должен гореть только один светодиод, который не горит во время выполнения цикла.


6


М
ИНИСТЕРСТВО ОБЩЕГО И ПРОФЕССИОНАЛЬНОГО ОБРАЗОВАНИЯ РОССИЙСКОЙ ФЕДЕРАЦИИ

МОСКОВСКИЙ ГОСУДАРСТВЕННЫЙ ТЕХНОЛОГИЧЕСКИЙ УНИВЕРСИТЕТ «СТАНКИН»




ОТЧЕТ

ПО

Лабораторным работам № 1, 2

ПО КУРСУ


УПРАВЛЕНИЕ ЦИКЛОВОЙ


АВТОМАТИКОЙ


Выполнил ст. гр. КС-9-8:


Копычев Е.А.


Москва 2000

Лабораторная работа № 1


Задача № 1


Напишите управляющую программу, в которой использовалась бы одна кнопка, при нажатии которой загорается лампочка.



Задача № 2


Построить схему RS – триггера.



Лабораторная работа № 2


Задача № 1

Имеется робот. Он включается и выключается кнопкой с фиксацией. У робота есть датчик. Работу датчика имитирует любая кнопка. Датчик следит за тем, чтобы в рабочем пространстве робота не было людей. Если появится человек, то робот автоматически выключается и сигнализирует об этом. Работе робота соответствует включение любого светодиода, сигнализация организуется тоже посредством светодиода.

Напишите УП для робота.



I 0.0 – кнопка включения робота;

I 0.1 – кнопка, имитирующая датчик;

Q 0.0 – светодиод, отражающий работу робота;

Q 0.1 – светодиод сигнализации датчика.


Задача № 2


Напишите УП для манипулятора, который работает по следующему циклу: подача заготовок с рабочего места `А` на рабочее место `Б` и назад – готовых деталей. На месте `А` манипулятор должен простоять 1 сек., пока его разгрузят и загрузят, на месте `Б` – 4 сек., пока будет обработана заготовка. Включается манипулятор и выключается одной кнопкой с фиксацией. Манипулятор узнает о том, что он дошел до места `А` или `Б` по двум конечникам, которые имитируются кнопками с фиксацией. Четыре светодиода должны отображать состояние манипулятора: нахождение на месте `А`, `Б`, движение от `А` к `Б` и от `Б` к `А`. Один светодиод индицирует включение манипулятора.



I 0.0 – кнопка включающая манипулятор;

I 0.1 – кнопка имитирующая конечный выключатель `А`;

I 0.2 – кнопка имитирующая конечный выключатель `Б`;

Q 0.0 – светодиод, отражающий работу манипулятора;

Q 0.1 – светодиод, сигнализирующий о нахождении манип. на месте `А`;

Q 0.2 – светодиод, говорящий о движении манип. от места `А` к месту `Б`;

Q 0.3 – светодиод, говорящий о движении манип. от места `Б` к месту `А`;

Q 0.4 – светодиод, сигнализирующий о нахождении манип. на месте `Б`;

T33 – таймер, осуществляющий задержку манип. на месте `А` на 1 сек.;

T34 – таймер, осуществляющий задержку манип. на месте `Б` на 4 сек.;










Оценить/Добавить комментарий
Имя
Оценка
Комментарии:
Хватит париться. На сайте FAST-REFERAT.RU вам сделают любой реферат, курсовую или дипломную. Сам пользуюсь, и вам советую!
Никита02:19:36 02 ноября 2021
.
.02:19:35 02 ноября 2021
.
.02:19:34 02 ноября 2021
.
.02:19:34 02 ноября 2021
.
.02:19:33 02 ноября 2021

Смотреть все комментарии (24)
Работы, похожие на Реферат: Управление цикловой автоматикой

Назад
Меню
Главная
Рефераты
Благодарности
Опрос
Станете ли вы заказывать работу за деньги, если не найдете ее в Интернете?

Да, в любом случае.
Да, но только в случае крайней необходимости.
Возможно, в зависимости от цены.
Нет, напишу его сам.
Нет, забью.



Результаты(286805)
Комментарии (4153)
Copyright © 2005-2021 HEKIMA.RU [email protected] реклама на сайте