Банк рефератов содержит более 364 тысяч рефератов, курсовых и дипломных работ, шпаргалок и докладов по различным дисциплинам: истории, психологии, экономике, менеджменту, философии, праву, экологии. А также изложения, сочинения по литературе, отчеты по практике, топики по английскому.
Полнотекстовый поиск
Всего работ:
364139
Теги названий
Разделы
Авиация и космонавтика (304)
Административное право (123)
Арбитражный процесс (23)
Архитектура (113)
Астрология (4)
Астрономия (4814)
Банковское дело (5227)
Безопасность жизнедеятельности (2616)
Биографии (3423)
Биология (4214)
Биология и химия (1518)
Биржевое дело (68)
Ботаника и сельское хоз-во (2836)
Бухгалтерский учет и аудит (8269)
Валютные отношения (50)
Ветеринария (50)
Военная кафедра (762)
ГДЗ (2)
География (5275)
Геодезия (30)
Геология (1222)
Геополитика (43)
Государство и право (20403)
Гражданское право и процесс (465)
Делопроизводство (19)
Деньги и кредит (108)
ЕГЭ (173)
Естествознание (96)
Журналистика (899)
ЗНО (54)
Зоология (34)
Издательское дело и полиграфия (476)
Инвестиции (106)
Иностранный язык (62791)
Информатика (3562)
Информатика, программирование (6444)
Исторические личности (2165)
История (21319)
История техники (766)
Кибернетика (64)
Коммуникации и связь (3145)
Компьютерные науки (60)
Косметология (17)
Краеведение и этнография (588)
Краткое содержание произведений (1000)
Криминалистика (106)
Криминология (48)
Криптология (3)
Кулинария (1167)
Культура и искусство (8485)
Культурология (537)
Литература : зарубежная (2044)
Литература и русский язык (11657)
Логика (532)
Логистика (21)
Маркетинг (7985)
Математика (3721)
Медицина, здоровье (10549)
Медицинские науки (88)
Международное публичное право (58)
Международное частное право (36)
Международные отношения (2257)
Менеджмент (12491)
Металлургия (91)
Москвоведение (797)
Музыка (1338)
Муниципальное право (24)
Налоги, налогообложение (214)
Наука и техника (1141)
Начертательная геометрия (3)
Оккультизм и уфология (8)
Остальные рефераты (21692)
Педагогика (7850)
Политология (3801)
Право (682)
Право, юриспруденция (2881)
Предпринимательство (475)
Прикладные науки (1)
Промышленность, производство (7100)
Психология (8692)
психология, педагогика (4121)
Радиоэлектроника (443)
Реклама (952)
Религия и мифология (2967)
Риторика (23)
Сексология (748)
Социология (4876)
Статистика (95)
Страхование (107)
Строительные науки (7)
Строительство (2004)
Схемотехника (15)
Таможенная система (663)
Теория государства и права (240)
Теория организации (39)
Теплотехника (25)
Технология (624)
Товароведение (16)
Транспорт (2652)
Трудовое право (136)
Туризм (90)
Уголовное право и процесс (406)
Управление (95)
Управленческие науки (24)
Физика (3462)
Физкультура и спорт (4482)
Философия (7216)
Финансовые науки (4592)
Финансы (5386)
Фотография (3)
Химия (2244)
Хозяйственное право (23)
Цифровые устройства (29)
Экологическое право (35)
Экология (4517)
Экономика (20644)
Экономико-математическое моделирование (666)
Экономическая география (119)
Экономическая теория (2573)
Этика (889)
Юриспруденция (288)
Языковедение (148)
Языкознание, филология (1140)

Реферат: Синтез логической функции и анализ комбинационных схем

Название: Синтез логической функции и анализ комбинационных схем
Раздел: Рефераты по радиоэлектронике
Тип: реферат Добавлен 12:54:08 20 августа 2005 Похожие работы
Просмотров: 281 Комментариев: 24 Оценило: 5 человек Средний балл: 4.8 Оценка: неизвестно     Скачать

МІНІСТЕРСТВО ОСВІТИ І НАУКИ УКРАїНИ

СУМСЬКИЙ ТЕХНІКУМ ХАРЧОВОї ПРОМИСЛОВОСТІ

П О Я С Н Ю В А Л Ь Н А З А П И С К А

ДО КУРСОВОї РОБОТИ

НА ТЕМУ:

« Синтез логічної функції та аналіз комбінаційних схем »

по курсу

“Прикладна теорія цифрових автоматів”

Керівник роботи: Оксана ВалеріївнаКущенко

Роботу виконав студент групи е-03: Андрій Сергійович .Зігуля

2000


РОЗГЛЯНУТО НА ЗАСІДАННІ ЦИКЛОВОї КОМІСІї

ЕЛЕКТРОННО-ОБЧИСЛЮВАЛЬНОї ТЕХНІКИ

“ ” 2000р. ПРОТОКОЛ № .

голова комісії О.І.Перелука

Сумський технікум харчової промисловості

Спеціальності 5.091504 “Обслуговування комп`ютерних та інтелектуальних систем і мереж”

Курс Група Семестр .

З А В Д А Н Н Я

НА КУРСОВУ РОБОТУ


1.Тема роботи:


2.Термін здачі студентом закінченої роботи:

3.Вихідні дані до роботи:


Зміст пояснювальної записки (перелік питаннь, що підлягають розробці):


4.Перелік графічного матеріалу (з точним вказанням обов`язкових креслень):


Дата видачі: 2000р.

Дата закінчення: 2000р.

Студент: .

Консультант: .

Викладач-керівник: .


Зміст

1. Вступ.

2. Переведення чисел в різні системи числення.

3. Побудова таблиці становищ та аналітичного виразу логічної функції.

4. Мінімізація логічних функцій в різних базисах.

5. Аналіз заданої схеми.

6. Висновок.

7. Література.

Сторінка


Вступ

Значення імпульсної техніки в радіоелектроніці

Імпульсні режими роботи відіграють велику роль в радіоелектроніці. Імпульсний метод роботи дає можливість знайти принципіальне і поруч з цим просте рішення такої важливої задачі, як вимірювання відстанейй за допомогою радіоволн, що викликало розвиток імпульсної радіолокації. Цей же принцип використовується в радіонавігації (в імпульсних системах управління літаками, а також визначення виссоти їхнього польоту). Імульсні методи роботи дають змогу зробити кодирований зв`язок, який відрізняється високою скритністю і захищеністю від завад, а також багатоканальний зв`язок на одній волні. Широко використовуються імпульсні режими у телебаченні, де сигнали зображення і синхронізації являються імпульсними, радіотелеуправлінні повітряними апаратами, в космічній радіоелектронній і електронній апаратурі, в інформаційно-вимірювальній техніці і при різних областях науки і техніки.

Важливу виконуючу роль відіграють імпульсні методи роботи у сучасних ЕОМ і різних цифрових автоматах, при автоматичній обробці інформації.

В широко розвинених каскадах таких автоматів виконуються різні функціональні перетворення імпульсних сигналів, передаючих інформацію і виконуються потрібні логічні операції над імпульсами за допомогою спеціальних логічних схем і пристроїв селекції імпульсів. Таким шляхом виконується виділення імпульсних сигналів , несучих інформацію, аналіз і впізнавання потрібного змісту інформації і форматування сигналів для регістрації обработаної інформації або для управління роботою пристроїв, реалізуючих прийняту інформацію.

Розвиток автоматичних методів обробки інформації тісно пов`язаний з розвитком швидкодіючих ЕОМ і цифрових автоматів на основі широкого використання напівпровідникових пристроїв і високо надійних мікро-електронних схем, також працюючих в імпульсному режимі.


1. Переведення чисел в різні системи счислення

Існують два способи перекладу чисел з однієї позиційної системи числення з основою h в іншу з основою h*. Вони відрізняються один від одного системою числення, в якій виробляються дії над числами в процесі перекладу.

Розглянемо перший спосіб перекладу з використанням арифметики початкової системи числення. Для цього способу порядок перекладу цілих чисел відрізняється від перекладу дробів. Для того щоб перевести ціле число Х з системи з основою h в нову систему з основою h*, необхідно послідовно ділити задане число і що виходять в процесі розподілу приватні на основу нової системи h*, виражену в колишній (початкової) системі, доти, поки останнє приватне не виявиться менше нової основи h*. Результат перекладу запишеться у вигляді послідовності цифр, записаних зліва направо починаючи з останнього приватного і кінчаючи першим залишком (тобто число молодшого розряду є перший залишок і т. д.). Всі арифметичні дії в процесі розподілу числа виготовляються в початковій h-системі.

Задані 5ть десяткових цифр перевести в коди:

1.1 двійковий:

1.1.1 4 2

- 4 2 2

0 2 1

0

4(10) =100(2)


1.1.2 6 2

- 6 3 2

0 2 1

1

6(10) =110(2)

1.1.3 8 2

- 8 4 2 2

0 4 2 1

0 2

0

8(10) =1000(2)

1.1.4 12 2

- 12 6 2 2

0 6 3 1

0 2

1

12(10) =1100(2)

1.1.5 15 2

- 14 7 2 2

1 6 3 1

1 2

1

15(10) =1111(2)

1.2 вісімковий:

1.2.1 4(10) =4(8)

1.2.2 6(10) =6(8)

1.2.3 8(10) =10(8)

1.2.4 12(10) =14(8)

1.2.5 15(10) =17(8)

1.3 шістнадцятковий:

1.3.1 4(10) =4(16)

1.3.2 6(10) =6(16)

1.3.3 8(10) =8(16)

1.3.4 12(10)(16)

1.3.5 15(10) =F(16)


2.Виконання арифметичних дій в різних позиційних системах

2.1 До першого числа додати четверте:

Додавання у різних системах счисленя відбувається по аналогії з додаванням у десятковому коді, але за один десяток в різних системах числення вважається різне число, наприклад у восмирічній 10(10) =8(8) і т.д.

2.1.1 0100(2) +1100(2) =100000(2)

1

0100

+ 1100

10000

2.1.2 4(8) +8(8) =16(8)

4

+ 8

16

2.1.2 4(16)(16) =10(16)

4

+ С

10

2.2 помножити друге число на третє:

Множення, у різних системах счисленя, також відбувається по аналогії з множенням у десятковому коді, але за один десяток в різних системах числення вважається різне число.

2.2.1 0100(2) ´1100(2) =0110000(2)

0100

´ 1100

0000

+ 1000

+ 1000

+ 0000

0110000

2.2.2 14(8) ´6(8) =92(8)

3

14

´ 6

110

2.2.3 С(16) ´6(16) =48(16)

3

12

´ 6

72 16

+ 64 4

8

2.3 відняти двійковий код 2го числа від 5 у прямому зворотньому та додатковому коді:

2.3.1 віднімання в прямому коді:

1111

0110

1001 3 2 1 0

Перевірка -> 15(10) -6(10) =9(10) 1001(2) =23 +30 =8+1=9(10)

2.3.2 віднімання у зворотньому коді:

0 1111

1 0110

101000

1

1001

2.3.3 віднімання у додатковому коді:

1111

0110

1001

0110 – прямий код

1001 – зворотній код

1010 – додатковому коді


3.Побудова таблиці становищ та аналітичного виразу логічної функції

2.4 Скласти таблицю станів з двох кодів:

х1 х2 х3 х4

У

1

2

3

4

5

0 1 0 0

0 1 1 0

1 0 0 0

1 1 0 0

1 1 1 1

0

0

1

1

1

3. За складеною таблицею і заданою функцією у:

3.1 Знаййти аналітичний вираз логічної функції за допомогою СДНФ:

_ _ _ _ _

f=x1 x2 x3 x4 Ú x1 x2 x3 x4 Ú x1 x2 x3 x4

3.2 Знаййти аналітичний вираз логічної функції за допомогою СКНФ:

_ _ _

f=(x1 Úx2 Úx3 Úx4 )(x1 Úx2 Úx3 Úx4 )

3.3 Мінімізувати отримані логічні функції використовуючи карти Карно та закони булевої алгебри:

_ _ _ _ _

СДНФ: f=x1 x3 x4 (x2 Úx2 )Úx1 x2 x3 x4 =x1 x3 x4 Úx1 x2 x3 x4

СКНФ:

f=x1 Úx1 x2 Úx1 x3 Úx1 x4 Úx2 x1 Úx2 Úx2 x3 Úx2 x4 Úx3 x1 Úx3 x2 Úx3 x4 Úx4 x1 Úx4 x2 Úx4 x3 Úx4

Карта Карно:

1

1

1

Мал.1

Мал.2

3.5 Записати отримане рівняння:

_ _

y=x1 x3 x4 Úx1 x2 x3 x4


4.Мінімізація логічних функцій в різних базисах

Мінімізація – називається пошук коротких форм представлення, перемикаючих функцій для скорочення числа фізичних елементів призначених для реалізації цих функцій.

Мінімізація досягається за допомогою законів булевої алгебри.

Існує декілька законів:

1. Аналітичний.

2. Графічний.

3.6 Синтезувати мінімізовану функцію в базисах И-НЕ, И-ИЛИ-НЕ, ИЛИ-НЕ.

И-ИЛИ-НЕ

Мал.3 Базис И-ИЛИ-НЕ


И-НЕ

Мал.4 Базис И-НЕ


_ _

y=x1 x3 x4 Úx1 x2 x3 x4

ИЛИ-НЕ

_ _

y=x1 x3 x4 Úx1 x2 x3 x4

Мал.5 Базис ИЛИ-НЕ


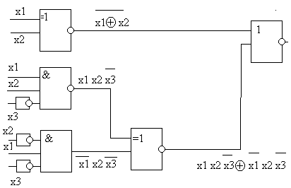
5.Аналіз заданої схеми

4. Проаналізувати задану схему:

4.1 намалювати задану схему:

Мал 6. Задана схема.

4.2 скласти аналітичний вираз функції заданої схеми:

_ _ _

y=(x1 Åx2 )Ú((x1 x2 x3 )Å(x1 x2 x3 ))


Висновок

При виконанні цієї курсової роботи я закріпив той матеріал, який ми проходили по курсу “Прикладна теорія цифрової автоматизації”. Також зрозумів практичне примінення синтезу логічних функцій та аналізу комбінаційних схем.


Література:

1. Я.С.Ицхоки, Н.И.Овчинников “Импульсные и цифровые устройства” Москва “Советское радио” 1973.

2. Б.А.Трахтенброт “Алгоритмы и вычислительные автоматы” Москва “Советское радио” 1974

3. О.В.Кущенко “Конспект лекцій з предмету: “Прикладна теорія цифрових автоматів”” Суми СТХП 2000

Оценить/Добавить комментарий
Имя
Оценка
Комментарии:
Хватит париться. На сайте FAST-REFERAT.RU вам сделают любой реферат, курсовую или дипломную. Сам пользуюсь, и вам советую!
Никита02:19:05 02 ноября 2021
.
.02:19:04 02 ноября 2021
.
.02:19:03 02 ноября 2021
.
.02:19:03 02 ноября 2021
.
.02:19:02 02 ноября 2021

Смотреть все комментарии (24)
Работы, похожие на Реферат: Синтез логической функции и анализ комбинационных схем

Назад
Меню
Главная
Рефераты
Благодарности
Опрос
Станете ли вы заказывать работу за деньги, если не найдете ее в Интернете?

Да, в любом случае.
Да, но только в случае крайней необходимости.
Возможно, в зависимости от цены.
Нет, напишу его сам.
Нет, забью.



Результаты(287856)
Комментарии (4159)
Copyright © 2005-2021 HEKIMA.RU [email protected] реклама на сайте