| Введение
1. Описание работы CD-ROM.
1.1. Общее описание.
1.2. Описание структурной схемы.
2. Технические характеристики.
3. Типичные неисправности.
4. Разработка алгоритма поиска неисправностей.
5. Безопасные условия труда.
6. Расчет.
7. Заключение.
8. Структурная схема устройства.
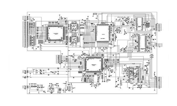
9. Электрическая – принципиальная схема.
10. Список литературы.
1.
Описание работы
CD
–
ROM
.
1.1 Общее описание.
Принцип работы дисковода
CD
–
ROM
.
Принцип работы дисковода напоминает принцип работы обычных дисководов для гибких дисков. Поверхность оптического диска (CD-ROM) перемещается относительно лазерной головки постоянной линейной скоростью, а угловая скорость меняется в зависимости от радиального положения головки. Луч лазера направляется на дорожку, фокусируясь при этом с помощью катушки. Луч проникает сквозь защитный слой пластика и попадает на отражающий слой алюминия на поверхности диска. При попадании его на выступ, он отражается на детектор и проходит через призму, отклоняющую его на светочувствительный диод. Если луч попадает в ямку он рассеивается и лишь малая часть излучения отражается обратно и доходит до светочувствительного диода. На диоде световые импульсы преобразуются в электрические, яркое излучение преобразуется в нули слабое - в единицы. Таким образом, ямки воспринимаются дисководом как логические нули, а гладкая поверхность как логические единицы
Устройство и технология производства
CD
-
ROM
.
Устройство
CD
-
ROM
.
Все CD-ROM имеют один и тот же физический формат изготовления и емкость 650 Мбайт. Диск диаметром 120 мм, толщиной 1,2 мм и центральным отверстием диаметром 15 мм. Центральная область вокруг отверстия шириной 6 мм называется зоной крепления (clamping area). За ней непосредственно следует заголовочная область (lead in area), содержащая оглавление диска (table of content). Далее расположена область шириной 33 мм, предназначенная для хранения данных и физически представляющая собой единый трек. Завершающей является терминальная область (lead out) шириной 1 мм. Внешний обод диска шириной 3 мм.
Область хранения данных логически может содержать от 1 до 99 треков, однако разнородная информация не может быть смешанна на одном треке. Цифровая информация хранится на CD-ROM в виде чередующихся по ходу спирали ямок, нанесенных на поверхность полиуглеродного пластика. Ямка воспринимается лучом лазера как логический ноль, а гладкая поверхность как логическая единица.
CD-ROM изготавливается методом штамповки. Со стеклянной матрицы изготавливают пластиковую основу, после этого поверх пластика для отражения лазерного луча наносится слой алюминия, который в свою очередь покрывается защитным слоем лака. В CD-R для увеличения коэффициента отражения лазерного луча на пластик наносят слой золота, который покрывают красителем, затем на краситель наносят защитный слой лака.
В отличие от CD-R запись информации на CD-ROM производится в момент его изготовления, т.е. штамповки. На CD-R информация записывается при помощи CD декодера. Луч лазера выжигает на “тарелке” отверстие колоколообразной формы, что дает преимущество перед обычным CD-ROM, так как в такой ямке луч лазера рассеивается сильнее и меньшая часть излучения попадает в приемник. Однако после записи информации на CD-R, он фактически становится обычным компакт диском.
Подключение дисководов
CD
-
ROM
Цифровые интерфейсы.
В настоящее время наиболее распространенными являются SCSI и IDE интерфейсы. Помимо этих интерфейсов существует масса других стандартов конкретных производителей, таких как Sony, Panasonic, Mitsumi, Matsushita, однако их роль весьма мала. В свою очередь оба интерфейса SCSI и IDE имеют усовершенствованные версии. Для SCSI это SCSI-2 и Fast SCSI-2, для IDE - интерфейс EIDE. Последний поддерживает два параллельных канала и по характеристикам занимает промежуточное место между SCSI и IDE. Интерфейс SCSI по сравнению с IDE в принципе является более быстрым по потенциальной скорости обмена данными с диском, однако реально это не дает преимущества, поскольку даже дисководы CD-ROM с четырехкратной скоростью не могут передавать данные быстрее 700 Кбайт/с. Все же, если учесть, что общая концепция вычислений постепенно сдвигается в сторону мультизадачной среды, когда одновременно требуется доступ как к жесткому диску, так и к устройству типа CD-ROM, использование интерфейса SCSI в будущем может оказаться более предпочтительным.
Подключение дисководов
CD
-
ROM
.
На сегодняшний день существует несколько способов подключения дисководов CD-ROM. Первый способ основан на том, что один канал интерфейса IDE может поддерживать два встроенных устройства. Накопитель CD-ROM подключают к плате ввода-вывода через интерфейс IDE вместе с жестким диском по принципу master/slave. Однако в этом случае снижается скорость обмена данными с жестким диском. Одним из способов решения этой проблемы является подключение устройств CD-ROM к различным каналам одного интерфейса EIDE или к двум различным котроллерам IDE. Если CD-ROM имеет SCSI интерфейс, то его соответственно подключают к SCSI контроллеру. Другим подходом является применение 32- битных драйверов дисководов CD-ROM вместо используемых в настоящее время 16- битных. Существует также возможность подключения дисководов CD-ROM через контроллер звуковой карты. Также не следует забывать, что современные материнские платы могут содержать встроенные контроллеры SCSI и IDE, что вообще исключает необходимость в дополнительной плате ввода-вывода для подключения дисководов CD-ROM.
1.2 Описание структурной схемы CD ROM.
CD ROM состоит из нескольких типовых блоков:
1. CD механизм.
2. Digital Servo Processor (Сервосистема).
3. CD Decoder (Процессор цифрового сигнала).
4. D/A Converter (Цифро-аналоговый преобразователь).
5. Driver (Драйвер).
6. Microcontroller (Микроконтроллер).
7. Разъёмы: интерфейса, питания и аудио.
1. Приводы CD ROM, как правило, имеют CD механизм с фронтальной загрузкой он состоит из каркаса, на котором установлены:
а) оптический преобразователь - optical pick-up, с устройством его привода;
б) двигатель вращения диска - spindle motor, с вращательной платформой - turn - table и узлом прижима диска - disk clamping;
в) загрузочный мотор - loading motor с дископриёмником - disk tri.
2. Сервосистема - так же состоит из нескольких систем:
а) Сервосистема двигателя диска вырабатывает команды управления двигателем диска. Она иногда может входить в состав процессора цифрового сигнала.
б) Сервосистема фокусировки вырабатывает команды управлении для фокусной катушки.
в) Сервосистема отслеживания дорожки записи вырабатывает команды управления для тракин катушки и для двигателя привода оптического преобразователя.
3. CD Decoder.
Процессор цифрового сигнала служит для декодирования EFM сигнала. В нём происходят процессы обратные тем, которые происходили при записи CD, т.е. демодуляция ЕFМ сигнала, деперемеживание, коррекция ошибок, отделение аудио информации от субкода.
4. D/A Converter.
Представляет собой цифро-аналоговый преобразователь, который восстанавливает из цифровой формы аналоговый аудио сигнал.
5. Драйвер.
Это схемы управления фокусной и тракин катушками и двигателями CD
механизма.
6. Микроконтроллер.
Служит для управления режимами работы CD ROM. Команды для процессора системы управления подаются с ПК либо с лицевой панели CD ROM. В состав этого процессора может входить схема управления индикатором.
7. На задней панели практически всех без исключения приводов CD ROM находятся, по крайней мере, три разъёма:
а) интерфейсный.
б) разъём питания.
в) аудио разъём.
Первый предназначен для подключения шины данных, второй для
подключения питания.
Разъём для вывода звука позволяет подключать привод к звуковой карте. Это удобно при прослушивании аудиодисков, поскольку не требует переключения акустической системы или наушников с одного гнезда на другое.
Кроме интерфейса IDE/ATAPI в CD ROM может использоваться интерфейс SCSI, следует отметить, что SCSI-интерфейс более высокого уровня, чем IDE и при использовании SCSI-интерфейса с задней панели привода доступны также резисторы-терминаторы устройства и набор перемычек (jumpers), или переключателей (switches), которые определяют номер устройства и режим работы. Не следует забывать, что резисторы-терминаторы должны быть установлены на host-адаптере SCSI и приводе компакт-дисков, если к шине интерфейса не подключены другие устройства.
2. Технические характеристики
2.1 Скорость передачи данных: 7,500 КБ/с. (50x)
2.2 Время доступа: 100 мс.
2.3 Тип дисковода: внутренний.
2.4 Интерфейс: E-IDE (ATAPI).
2.5 Размер буфера: 128 КБ.
2.6 Размещение:
2.6.1 Горизонтальное.
2.6.2 Вертикальное.
2.7 Время наработки на отказ: 60000 часов.
2.8 Поддерживаемые стандарты:
2.8.1 CD-R.
2.8.2 CD-RW.
2.8.3 CD-DA.
2.8.4 CD-ROM/XA.
2.8.5 Video CD.
2.8.6 CD-I.
2.8.7 Photo CD.
2.8.8 CD-EXTRA.
2.9 Способ загрузки носителя: моторизированный лоток.
2.10 Соотношение сигнал/шум: 75 дБ.
2.11 Переходное затухание сигнала: 70 дБ.
2.12 Размер: 149х42,5х200 мм.
2.13 Вес: 800 гр.
3. Типичные неисправности привода
CD
-
ROM
Нет чтения с дисков, загрузка диска есть
Вначале проверяют корректность установки CD-ROM в системе (правильно ли выбран и установлен драйвер, или программа, обеспечивающая "стыковку" операционной системы с устройством). Затем контролируют правильность установки перемычек MASTER-SLAVE на самом устройстве. CD-ROM не должен конфликтовать с винчестером, подключенным к тому же шлейфу интерфейса IDE.
Что касается CD-ROM с интерфейсом SCSI, то проверяют правильность установки адреса устройства (этот адрес не должен иметь другие SCSI-устройства).
Затем вскрывают корпус устройства CD-ROM и проверяют, раскручивается ли диск после его установки. Эту операцию можно проводить, подключив к CD-ROM только соединитель питания, информационный шлейф можно не подключать.
Если диск не вращается после его установки, проверяют, светится ли лазер при установке каретки CD-ROM в рабочее положение, но уже без диска.
Иногда свечения лазера не видно. Тогда нужно еще раз проконтролировать свечение, но уже в затемненном помещении, и наблюдение за линзой лазера следует производить с разных ракурсов.
Дело в том, что в современных устройствах CD-ROM контроль наличия диска осуществляется самим лазером.
Если фотодатчик, установленный в лазерной каретке, получает отраженный сигнал от диска, логическая схема CD-ROM воспринимает это как "диск установлен" и уже только после этого формирует команду включения маршевого двигателя вращения диска.
Если видно свечение лазера, а запуска приводного двигателя с диском нет, увеличивают интенсивность свечения лазера. Для этого вначале находят установленный на каретке с лазером переменный резистор. Обычно он очень малых размеров (5...7 х 2...5 мм). Поворачивают движок этого переменного резистора по часовой стрелке на 20...30°. Проверяют факт вращения приводного двигателя при установке диска. Если диск не стал вращаться, поворачивают движок переменного резистора еще на 20...30° и так продолжают до тех пор, пока двигатель не запустится (двигатель должен запуститься и какое-то время, примерно 10...20 с, вращаться с постоянной скоростью).
Необходимость вращения переменного резистора, регулирующего интенсивность свечения лазера, вызвано тем, что со временем мощность светового потока лазера уменьшается (старение элементов, помутнение линзы и т.д.), поэтому это нужно скомпенсировать.
Частые сбои устройства CD-ROM при чтении дисков
Возможными причинами этой неисправности могут быть: уменьшение интенсивности свечения лазера, помутнение или загрязнение линзы лазера, загрязнение посадочного места привода диска, слабый прижим диска к посадочному месту. Уменьшение интенсивности свечения лазера компенсируется так, как описано в п.1. Загрязнение линзы лазера убирается мягкой (например, беличьей) кисточкой. Эта операция проводится крайне осторожно, так как можно повредить подвеску самого лазера.
Загрязнение посадочного места привода диска очищается любым тканым материалом, смоченным в спирте.
Проконтролировать прижим диска к посадочному месту можно, если вначале осуществить чтение обычного аудиодиска. Если ошибок и сбоев в этом случае нет, для устойчивого чтения компьютерных дисков принимают меры для увеличения прижима диска сверху (подгибают пружины или увеличивают груз).
Нет чтения, диск не раскручивается
Причиной этой неисправности, в отличие от приведенных выше, может быть заклинивание диска на транспортной каретке.
Часто в этом случае посадочное место диска самопроизвольно опускается по валу двигателя и диск касается элементов транспортной каретки. Чтобы устранить этот дефект, передвигают посадочное место по валу вверх и опытным путем подбирают высоту посадочного места так, чтобы диск вращался без касания конструктивных элементов, а также чтобы CD-ROM обеспечивал устойчивое чтение всех дисков. Затем аккуратно (кернением) фиксируют положение посадочного места диска на валу двигателя.
4. Разработка алгоритма поиска неисправностей.

5. Безопасные условия труда.
ВКЛЮЧЕНИЕ КОМПЬЮТЕРА
для включения компьютера необходимо сделать следующее:
1. включить стабилизатор напряжения, если компьютер подключен через стабилизатор напряжения;
2. включить принтер (если он нужен);
3. включить монитор компьютера;
4. включить компьютер .
ВЫКЛЮЧЕНИЕ КОМПЬЮТЕРА
1. для выключения компьютера необходимо сделать следующее:
2. закончить работающие программы;
3. ввести команду РАКК (и нажать клавишу ENTER) для установки головок чтения-записи на жестком диске в положение, при котором можно безопасно выключать электропитание, если используется компьютер, выпущенный ранее 80 года.
4. выключить компьютер (переключателем на корпусе компьютера);
5. выключить принтер (если он включен);
6. выключить монитор компьютера;
ТРЕБОВАНИЕ БЕЗОПАСНОСТИ ВО ВРЕМЯ РАБОТЫ
После включения компьютера оператор ПЭВМ должен проследить за результатами выполнения автоматических тестовых программ, которые проверяют исправность отдельных блоков компьютера сразу после его включения. Обязательно ежедневно делать прогон антивирусных программ.
Во время работы экран монитора должен находиться на расстоянии не ближе 0.5 метра от глаз пользователя. Запрещается компенсировать недостаток контрастности и яркости экрана, освещение уменьшением расстояния между уровнем глаз и поверхностью экрана.
1. для обеспечения оптимальной работоспособности и сохранения здоровья на протяжении рабочей смены должны устанавливаться регламентированные перерывы:
при 8-часовой смене через 2 часа от начала смены и через 1.5-2 часа после
2. обеденного перерыва, продолжительностью 15 минут каждый или 10 минут через каждый час работы;
Продолжительность непрерывной работы с ПЭВМ без регламентированного перерыва не должна превышать 2 часов.
При возникновении аварийной ситуации или ситуации, которая может привести к аварии, признаками которой являются: появление запаха горелой изоляции, случайных самопроизвольных действий со стороны программного обеспечения и других отклонений, оператор должен принять меры по отключению компьютера.
В случае необходимости оператор должен уметь оказать доврачебную медицинскую помощь.
По охране труда при электропаянии:
1.1. К работам по электропаянию допускаются лица, прошедшие медицинский осмотр и
инструктаж по охране труда.
1.2 Опасные и вредные производственные факторы:
- Ожоги горячим электропаяльником или брызгами расплавленного припоя
- Отравления повреждения глаз и кожи при работе с флюсами и оловянно-свинцовыми припоями.
- Поражение электрическим током при неисправности электропаяльника.
1.3. При выполнении работ по электропаянию используется специальная одежда халат хлопчатобумажный, берет, защитные очки.
1.4. При получении учащимся травмы оказать первую помощь пострадавшему, сообщить об этом администрации учреждения, родителям пострадавшего, при необходимости отправить пострадавшего в ближайшее лечебное учреждение.
1.5. После выполнения электромонтажных работ тщательно вымыть руки с мылом.
2. ТРЕБОВАНИЯ БЕЗОПАСНОСТИ ПЕРЕД НАЧАЛОМ РАБОТЫ.
2.1. Надеть спецодежду.
2.2. Подготовить и проверить исправность инструмента, приспособлений и электропаяльника, убедиться в целостности ручки электропаяльника и шнура электропитания.
2.3. Проверить надежность заземления рабочего стола.
2.4. Убедиться, что вблизи рабочего места нет легковоспламеняющихся материалов и горючих жидкостей.
2.5. Включить вытяжную вентиляцию.
3. ТРЕБОВАНИЯ БЕЗОПАСНОСТИ ВО ВРЕМЯ РАБОТЫ
3.1 Осторожно обращаться с электропаяльником, не ронять его и не ударять по нему какими-либо предметами.
3.2. Не касаться горячих мест электропаяльника незащищенными руками, остерегаться при пайке расплавленного припоя
3.3. При кратковременных перерывах в работе класть нагретый электропаяльник на специальную термостойкую подставку.
3 4. Не определять степень нагрева электропаяльника касанием нагретых его частей руками
3.5. При пайке использовать в качестве флюса только канифоль, не использовать для этой цели кислоту.
3.6. Не оставлять без присмотра включенный в сеть электропаяльник.
4. ТРЕБОВАНИЯ БЕЗОПАСНОСТИ ПО ОКОНЧАНИИ РАБОТЫ.
4.1. Отключить электрическую схему от источника тока.
4.2. Привести в порядок рабочее место и инструмент, выключить вытяжную вентиляцию.
4.3. Сиять спецодежду и тщательно вымыть руки с мылом.
6. Расчет электромагнитных, экранов в ближней зоне излучения.
Эффективность экранирования цилиндрического электромагнитного экрана в ближней зоне излучения рассчитывается по формуле (4.16), причем величина ZB для экранирования электрической составляющей поля
Zв = Zвµ
E =-j(2пfεrε0rэц
)-1
а для экранирования магнитной составляющей
ZB
= ZB
ц
H
= j2пµrµ0rэµ
(4.17)
Здесь гэ
ц
— радиус цилиндрического экрана. Для сферического экрана
ZB
c
E
= -j18*109
/(frв
c
, ); ZB
c
H
= f79*107
frЭ
c
/ ,
где гэ
ц
— радиус сферы. Для прямоугольного экрана- коробки
ZB
п
E
= -f36*109
/frэ
п
; ZB
п
H
= f158*10-7
frэ
п
где гэ
п
— половина расстояния между стенками экрана, обращенными к источнику поля помехи. Остальные величины, входящие в (4.16), рассчитываются так же, как для экранирования в дальней зоне.
В области низких частот (до 104
Гц) для случая экранирования электрического поля в ближней зоне выполняется условие | ZB
E
/ZЭ
|» | Zэ
/ZB
E
|, тогда
ЭЭE=201g| l+0,5ZBE
od|. (4.20)
При экранировании магнитного поля в ближней зоне в низкочастотном диапазоне экран из магнитных металлов и сплавов имеет эффективность экранирования.
ЭЭH=201g| l+µrd/(2rэ)|, А из немагнитных материалов
ЭЭЕ=201g| l+k2
rЭd/2|.
7. Заключение
Это несколько необычное заключение, так как оно не подводит итогов ни в развитии CD устройств (оно только начинается), ни в этом цикле статей (продолжение следует...). Это всего лишь возможность отметить, что история техники находится на "крутом повороте", и хотя мы можем только догадываться, "что он нам несет" все же некоторые принципы постепенно проясняются. В совокупности с быстро развивающимися компьютерными сетями это даст принципиально новые возможности, может быть, более похожие не на переход от грампластинок к CD, а на переход от рукописей к книгопечатанию. Цифровое видео с его естественными возможностями (начиная с по кадрового просмотра) не просто улучшает качество воспроизведения - изменяет функциональные возможности восприятия.
8.
Структурная схема
CD-ROM.

9. Электрическая схема.

10. Список использованной
литературы
:
1. Журналы “Хакер”, учередитель и издатель ЗАО “Гейм Ленд”, 1999-2004 года.
2. Журналы “Навигатор Игрового Мира”, учередитель ООО “Библион”,1999-2003года.
3. Книга серии “Что есть Что”, “Мультимедиа и виртуальные миры”, Андреас Шменк, Арно Вэтьен, Райнер Кёте, издательство “Слово/Slovo” , 1998 г.
4. “Физика справочник школьника и студента”, под редакцией проф. Рудольфа Гёбеля, издательский дом “Дрофа”, 1999 г.
|