| Содержание
Введение....................................................................................................................................................................... 1
2.Выбор и обоснование функциональной схемы РЛС........................................................ 2
2.1.Амплитудная моноимпульсная система............................................................................................. 3
2.2. Определение параметров сигнала.......................................................................................................... 4
3.Выбор и обоснование структурной схемы приёмника............................................... 9
Структурная схема моноимпульсной РЛС сопровождения............................................................ 11
4. Расчёт и определение параметров структурной схемы РПРУ............................ 11
4.1. Определение эквивалентных параметров антенны..................................................................... 11
4.2. Расчет полосы пропускания линейного тракта РПрУ.............................................................. 12
4.3. Определение структуры радиотракта............................................................................................... 13
4.4. Выбор гетеродина......................................................................................................................................... 14
4.5. Обеспечение необходимого усиления трактом ВЧ...................................................................... 14
4.6. Расчет селективности................................................................................................................................. 15
4.7. Распределение искажений....................................................................................................................... 16
4.8. Структурная схема РПрУ......................................................................................................................... 17
4.9. Выбор элементной базы. Задания на разработку каскадов..................................................... 19
5.Расчет элементов принципиальной схемы приемника........................................... 23
5.1. Антенный переключатель......................................................................................................................... 23
5.2. Разрядники защиты приемника............................................................................................................ 24
5.3. Входная цепь................................................................................................................................................. 25
5.4. Преобразователь частоты (смеситель)................................................................................................ 27
5.5. Усилитель промежуточной частоты (УПЧ)....................................................................................... 29
Расчет УПЧ на ЭВМ.............................................................................................................................................. 32
5.6. Расчёт детектора........................................................................................................................................... 33
5.7. Проверочный расчёт..................................................................................................................................... 35
Принципиальная схема приемника............................................................................................................. 35
Спецификация элементов................................................................................................................................ 36
6.Технико-экономическое обоснование..................................................................................... 37
6.1. ТЭО выбора элементной базы................................................................................................................. 37
6.2. Расчет технико-экономических показателей блока ПЧ............................................................ 37
7.Охрана труда при работе с радиолокационной станцией................................... 43
7.1. Биологическое действие СВЧ - излучения на организм человека........................................ 43
7.2. Защита обслуживающего персонала от СВЧ излучений........................................................... 46
Список литературы :....................................................................................................................................... 49
Приложение............................................................................................................................................................. 50
Листинг программы WinЛАХ........................................................................................................................... 50
Введение
Радиолокационный приёмник ( РЛП ) является составной частью радиолокационных станций (РЛС), предназначенных для обнаружения, определения координат и параметров движения удаленных объектов (радиолокационных целей). Для извлечения информации используется зондирование пространства радиосигналами, с последующим приемом отражённой от целей электромагнитной энергии, причем информация о целях может содержаться в изменении во времени амплитуды (или отношении амплитуд) и частоты (или спектра) сигналов. Такой способ носит название активной радиолокации с пассивным ответом.
Передатчик и приёмник в таких системах, как правило, работают на общую антенну.
В рамках данного проекта рассматривается приемное устройство одноцелевой РЛС сопровождения, осуществляющей непрерывное слежение за перемещением цели. Такая РЛС представляет собой наземную систему, у которой антенна с иглообразным лучом смонтирована на поворотном устройстве со следящим приводом, которое, изменяя положение антенны по азимуту и углу места, позволяет следить за целью. Путем измерения угла прихода фронта волны эхо-сигнала и корректирования положения антенны таким образом, чтобы цель удерживалась в центре луча, определяется ошибка ориентирования антенны.
РЛС сопровождения применяются в основном для управления оружием, а также для полигонных измерений траекторий полетов ракет. Производится измерение азимута, угла места и дальности цели (а в ряде случаев и доплеровского сдвига частоты), по скорости изменения этих параметров вычисляется вектор скорости цели и производится прогнозирование ее положения. По этой информации осуществляется, например, наведение зенитных орудий и устанавливается момент разрыва снарядов. Аналогичные функции РЛС сопровождения выполняются для выработки данных по наведению и команд управления зенитными ракетами.
Различают РЛС импульсного и непрерывного излучения. В РЛС с непрерывным излучением используются немодулированные и ЧМ колебания. Однако наибольшее применение нашли импульсные приемопередающие радиолокационные станции, излучающие в направлении цели короткие зондирующие СВЧ-радиоимпульсы с фиксированным периодом следования, длительностью импульсов, амплитудой и несущей частотой (рис.1.1,а), что обеспечивает высокую разрешающую способность и точность при измерении дальности. Радиоприемные устройства (РПрУ) таких станций служат для приема части энергии излучаемых радиоимпульсов, отраженной от цели. Отраженные импульсы (рис.1.1,б) поступают на вход приемника с временным сдвигом DtD
= 2R/c, где R – расстояние до объекта. Измеряя DtD
, ìîæíî ñóäèòü î ðàññòîÿíèè äî öåëè, а уçêàÿ äèàãðàììà íàïðàâëåííîñòè àíòåííû ïîçâîëÿåò îïðåäåëèòü íàïðàâëåíèå íà îáúåêò.

Рис. 1.1 Огибающие радиоимпульсов:
а) излучаемых антенной; б) отраженных от цели
2.Выбор и обоснование функциональной схемы РЛС
В следящих системах РЛС сопровождения наиболее широко используют методы сравнения сигналов по амплитуде или фазе ВЧ колебаний, принятых на два (и более) разнесённых в пространстве луча антенны при одновременном сравнении сигналов, либо однолучевую сканирующую антенну при последовательном сравнении сигналов. Первый способ применяется в моноимпульсных следящих измерителях, второй - в амплитудном методе сравнения при коническом сканировании луча .
Чувствительность методов сканирования и переключения луча к флуктуациям амплитуды эхо-сигналов явилась основной причиной разработки РЛС сопровождения, обеспечивающей одновременное наличие всех лучей, необходимых для выявления угловой ошибки. Выходные сигналы всех лучей, соответствующие одному зондирующему импульсу, могут быть одновременно сравнены, благодаря чему исключается влияние изменения амплитуды эхо-сигнала во времени. Такой метод называется моноимпульсным (полная информация об угловых ошибках извлекается из одного импульса).
Моноимпульсной аппаратуре присуща высокая точность угловых измерений, т.к. система облучателей жестко смонтирована и не имеет движущихся деталей.
2.1.Амплитудная моноимпульсная система
Эхо сигнал фокусируется в виде “пятна”, поперечное сечение которого в случае антенны с круговой апертурой имеет вид J1
(x)/x ( J1
(x) функция Бесселя 1го
порядка). Пятно находится в фокальной плоскости, если цель расположена на оси антенны, и смещается относительно центра, когда цель отходит от оси. Облучатель антенны расположен в фокальной точке, так что принимаемая энергия максимальна в том случае, когда цель находится на оси.
Облучатель сконструирован таким образом, что он реагирует на любое боковое смещение пятна относительно фокальной плоскости. При использовании облучателя в виде квадрата, образованного четырьмя рупорами, полная симметрия обеспечивается когда пятно находится точно в центре (на каждый из четырех рупоров попадает одинаковое количество энергии. При отклонении цели от оси антенны и , следовательно, смещении пятна относительно центра, равенство энергий, принимаемых рупорами нарушается. РЛС регистрирует отклонение цели от оси антенны, сравнивая амплитуды эхо-сигналов, появляющихся в каждом из рупоров. Это осуществляется с помощью СВЧ мостовых соединений, формирующих разности сигналов каждой пары двойных рупоров. Для выявления ошибки по азимуту, производится вычитание выходного сигнала левой пары рупоров из выходного сигнала правой пары. Сигнал верхней пары вычитается из выходного сигнала нижней пары.
Сигналы, полученные в результате вычитания (разности), равные нулю для цели, находящийся на оси антенны, и возрастающими по амплитуде по мере удаления цели от оси антенны. Фаза разностных сигналов меняется на 1800
при переходе цели через ось с одной стороны на другую. Суммарный сигнал всех четырех рупоров используется в качестве опорного сигнала схемы детектора угловой ошибки, который позволяет использовать изменения фазы разностного сигнала для определения направления отклонения цели от оси антенны. Суммарный сигнал используется также в схеме сопровождения по дальности и для установления опорного уровня в схеме АРУ.
Суммарный сигнал, а также угломестный и азимутальный разностные сигналы преобразуются в сигналы ПЧ с помощью одного общего гетеродина для сохранения относительного соотношения фаз сигналов по ПЧ. Выходной суммарный сигнал ПЧ детектируется и используется в качестве входного видеосигнала схемы сопровождения по дальности. В схеме сопровождения по дальности определяется время прихода очередного эхо-сигнала от сопровождаемой цели и вырабатываются стробирующие импульсы, отпирающие соответствующие цепи приемника только на те короткие интервалы времени, когда ожидается эхо-сигнал выбранной цели. Стробированый видеосигнал используется также для формирования напряжения постоянного тока для схемы АРУ всех трех усилительных каналов ПЧ, в которых АРУ поддерживает постоянство угловой чувствительности (крутизны сигнала ошибки) схемы сопровождения по углам, даже если эхо-сигнал цели изменяется в широком динамическом диапазоне. Для получения устойчивого автоматического сопровождения по углам необходимо поддерживать с помощью АРУ постоянство усиления следящей системы схемы сопровождения.
Суммарный сигнал ПЧ используется также, как опорный сигнал в ФД, вырабатывающих из разностных сигналов напряжения сигналов ошибки сопровождения по углам. ФД выполняет скалярное умножение; выходное напряжение ФД:
e = êS êêD êcos(q) , где êS ê- модуль суммарного сигнала; êD ê - модуль разностного сигнала; q - фазовый угол между ними. В правильно отрегулированной РЛС q принимает только два значения: 0 или 1800
, так что единственным назначением фазочувствительной характеристики детектора ошибки является обеспечение положительной или отрицательной полярности сигнала при 0 и 1800
соответственно, что придает выходному сигналу детектора угловой ошибки признак направления отклонения от оси антенны.
В импульсной РЛС сопровождения выходным сигналом детектора угловой ошибки является биполярный видеосигнал, амплитуда которого пропорциональна угловой ошибке, а полярность соответствует знаку ошибки. Этот видеоимпульс обычно подается на конденсатор, который заряжается до пикового значения видеоимпульса и сохраняет это напряжение до следующего видеоимпульса. В этот момент конденсатор разряжается и вновь заряжается до уровня, соответствующего новому импульсу. Этот импульс подается на ФНЧ, выходное напряжение постоянного тока которого, являющееся напряжением сигнала ошибки, подается на усилители следящей системы для корректирования положения антенны.
2.2. Определение параметров сигнала
Выберем в качестве зондирующего сигнала простой сигнал с базой равной 1 (радиоимпульсы с прямоугольной огибающей, рис.2.2.1). Выбор является предварительным. После расчета импульсной мощности передатчика Pи
, если она превысит допустимое для наземных РЛС значение 1 МВт/имп
, зададимся приемлемой импульсной мощностью и возьмем в качестве зондирующего сигнала сложный сигнал.

Рис. 2.2.1 Временная и спектральная диаграммы радиоимпульсов, отраженных от цели и поступающих на вход РПрУ

Рис. 2.2.2 Временная и спектральная диаграммы сигнала на выходе линейной части РПрУ

Рис. 2.2.3 Временная и спектральная диаграммы видеоимпульсов на выходе детектора РПрУ
Данные к расчёту:
Дальность: R=150 км;
Разрешение по дальности: DR=150 м;
Суммарная ошибка: sS
=10 м;
ЭПР цели: sц
=2 м2
;
Скорость цели: Vц
=400 м/с;
Длина волны: l=0,23 м.
Расчёт параметров сигнала:
Выбор частоты следования и длительности импульсов производится из условия однозначного измерения параметров целей на максимальной дальности:
Период повторения импульса: 
Частота следования импульсов: Длительность импульса: 
В схеме сопровождения по дальности рассматриваемой РЛС определяется временной сдвиг очередного эхо-сигнала сопровождаемой цели по отношению к следящим импульсам, временное положение которых соответствует оценке задержки сигнала цели. Поэтому время установления переднего фронта видеоимпульса (рис.2.2.3) должно лежать в пределах: . По этому параметру определяется полоса пропускания линейной части РПрУ, что будет сделано в дальнейшем. Примем tу
=0,2 мкс.
В РЛС сопровождения, измеряющих дальность и два угла, используют игольчатый луч. Ширина луча антенны одинакова во всех плоскостях и определяется разрешением по углу: q0,5
=Da=Db.
Т.к. измеритель угловых координат выходит за рамки данного проекта, и в техническом задании отсутствуют значения Da и Db, то q0,5
принимаем равным 1,5о
.
Основной характеристикой качества работы радиолокационной станции, исходя из её целевого назначения, является точность слежения. Показателями точности являются ошибки работы системы. Различают динамическую и флюктуационную ошибку. Динамической ошибкой sд
является ошибка по задающему воздействию, а флюктуационная sф
в данном случае связана с собственным шумом приемника.
Оптимизация системы по точности заключается в выборе оптимального коэффициента усиления разомкнутой системы КУопт
, при котором имеем минимум среднеквадратической ошибки . Как видно из графика (рис.2) зависимости sд
и sф
от КУ
, в оптимальном режиме sф
=sд
, откуда 
Отношение сигнал/шум связано с флюктуационной ошибкой соотношением:
, где полоса DFэ
=(5..10)/2p »2

Необходимо учитывать потери в отношении сигнал/шум, возникающие из-за следующих причин:
· потери при распространении радиоволн r1
= 1...3 дБ
· потери в антенно-фидерном тракте r 2
= 1 дБ
· потери при амплитудном детектировании r 3
= 1...5 дБ
· потери на квантование r 4
= 2 дБ ( при двухуровневом квантовании )
Суммарный коэффициент потерь: r = Sri
= 5...10 дБ.
Примем r = 10 [дБ] = 3,16 [раз]
Отношение сигнал/шум с учетом потерь:
(Рс
/Рш
)`= (Рс
/Рш
)×r = 0,45×3,16 » 1,42
Определение параметров антенны:
Коэффициент направленного действия (КНД):

Примем коэффициент полезного действия (КПД) антенны равным: h=0,95.
Коэффициент усиления :

Расчет требуемой мощности передатчика РЛС производим на основе уравнения дальности радиолокации, без учета влияния Земли (высота объектов достаточна):

где sц
- эффективная площадь рассеяния цели
h - КПД антенны ( h » 0,95 )
k = 1,38x10-23
Дж/К - постоянная Больцмана
Т0
= 290 К - температура воздуха по Кельвину
Ш = 3,5 - коэффициент шума приемника
b0
= 0,002...0,004 дБ/км - величина затухания волн в атмосфере.
Примем b0
= 0,002 дБ/км.
R = Rmax
× e-0,115b0Rmax
= 150 × e-0,115x0,002x150
»145 км
dR = Rmax
-R = 150-145 =5 км
Полоса приемника: Fпр
= 1/tи
= 1 / 1×10-6
= 1 МГц
Полоса шума приемника: Fш
= 1,1Fп
=1,1×106
= 1,1 Мгц
Импульсная мощность передатчика:

Ри
<1 МВт, следовательно можно использовать простой сигнал.
3.Выбор и обоснование структурной схемы приёмника
Структурные схемы РПрУ различаются прежде всего ТВЧ ( тракт высокой частоты ). Существует несколько различных типов схем.
1.) Детекторный тип
2.) Прямого усиления
3.) Супергетеродинного типа
Приёмник прямого детектирования характерен отсутствием усиления колебаний радиочастоты до детектора. Его отличает низкая чувствительность и избирательность.
Приёмник прямого усиления содержит УРЧ. ВЦ и УРЧ настроены на частоту принимаемого сигнала, на которой и осуществляется усиление. Т.к. используется многокаскадный УРЧ, то это обуславливает снижение его устойчивости и общей избирательности приёмника, затрудняет техническую реализацию перестройки по частоте.
Трудности. связанные с многокаскадностью УРЧ, позволяет устранить, в принципе, использование регенеративных и сверхрегенеративных усилителей, обеспечивающих большее усиление на каскад. Однако такие усилители обладают повышенными искажениями, относительно низкой устойчивостью по отношению к дестабилизирующим факторам, повышенной вероятностью паразитного излучения. По этой причине они применяются редко, и находят применение, в частности, в портативных приёмниках СВЧ. При любых типах используемых УРЧ полностью преодолеть присущие схеме прямого усиления недостатки не удаётся, поэтому в настоящее время такие РПрУ с фиксированной настройкой применяются практически лишь в микроволновом и оптическом диапазонах, что не соответствует характеристикам проектируемого РПрУ, т.к. он рассчитан на работу в сантиметровом диапазоне.
Существенное улучшение всех показателей РПрУ достигается на основе принципа преобразования частоты принимаемого сигнала - переноса его в частотную область, где он может быть обработан с наибольшей эффективностью. Самое широкое распространение во всех радиодиапазонах получила построенная на этом принципе схема супергетеродинного приемника. Эта схема в настоящее время наиболее совершенна.
Приемники супергетеродинного типа позволяют успешно решать задачи получения требуемой фильтрации принимаемого сигнала, обеспечение заданного усиления, решение проблемы селективности, простоты перестройки, которая обеспечивается с помощью простых колебательных систем преселектора.
Относительная широкополосность приемников импульсных сигналов позволяет, как правило, строить такие приемники с однократным преобразованием частоты.
Из выше сказанного можно сделать вывод, что построение проектируемого РПрУ целесообразно выполнять по супергетеродинной схеме, наилучшим образом удовлетворяющей заданным техническим требованиям.
Амплитуда сигналов, поступающих на вход радиолокационного РПрУ, изменяется в широких пределах, т.к. мощность отраженных от цели сигналов обратно пропорциональна четвертой степени расстояния до цели (которое может меняться) и, кроме того, зависит от типа цели и её эффективной поверхности рассеивания. Работа РЛС в реальных условиях сопровождается действием разного рода активных и пассивных нестационарных помех естественного и искусственного происхождения, уровень мощности которых зачастую значительно (на 20..60 дБ) превышает уровень полезного сигнала, а параметры априорно неизвестны. Воздействие помех еще больше расширяет диапазон изменения сигналов, поступающих в антенну РЛС.
Пределы изменения амплитуд напряжения сигнала от UСмин
до UСмакс
характеризуются динамическим диапазоном сигналов DС
= UСмин
/UСмакс
, который может быть выражен в децибеллах: DС
[дБ] = 20lg(UСмин
/UСмакс
). Для радиолокационных сигналов DС
@ (50...120) дБ [9], однако для РЛС конкретного назначения обычно принимают DС
@ (50..90) дБ, т.к. известны типы целей и пределы изменения дальности.
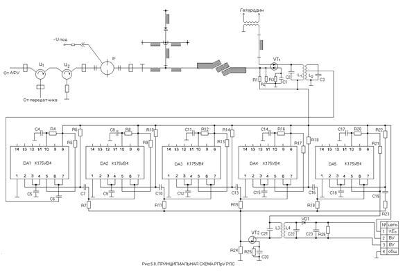
Структурная схема моноимпульсной РЛС сопровождения

4. Расчёт и определение параметров структурной схемы Р
ПРУ
Проектируемый радиолокационный приемник имеет настроенную антенну, т.е. её сопротивление чисто активно и равно сопротивлению фидера:
ZА
= RА
= Rф
= 75 Ом
Относительная шумовая температура антенны:
ta
=TA
/T0
,
где T0
- стандартная температура приёмника Т0
=290 0
К ;
ТА
- абсолютная шумовая температура антенны.
По графику зависимости шумовой температуры идеальных приемных антенн от частоты (рис 1.4 [ 3 ]) находим: ТА
=140 0
К.
ta
=140 / 290=0,48
Для импульсных сигналов полоса пропускания приемника выбирается исходя из получения максимального отношения сигнал/шум на выходе радиотракта. Такая полоса называется оптимальной и определяется как:
Пс
= (0,8..1,4)/tуст
@ 1/0,2 мкс=5 МГц
Ширина полосы пропускания линейного тракта П складывается из ширины спектра принимаемого сигнала Пс
, доплеровского смещения частоты сигнала fд
и запаса полосы, требуемого для учета нестабильностей и неточностей настроек приемника Пнс
:
П=Пс
+2Dfд
+Пнс
Доплеровское смещение:
Dfд
= 2fс
Vц
/с = 2×1,3×109
×400/3×108
=3,5кГц,
где Vц
- скорость цели относительно антенны РЛС;
с - скорость света в вакууме.
Запас полосы для учёта нестабильностей:
,
где бс
- относительная нестабильность несущей частоты принимаемого сигнала; при использовании в передатчике кварцевой стабилизации частоты несущей можно получить бс
=(10-5
...10-6
)
бг
- относительная нестабильность частоты гетеродина, которую на данном этапе можно оценить лишь приблизительно, используя данные таблицы 2.1 [3]. Выбрав транзисторный однокаскадный гетеродин с кварцевой стабилизацией , можно получить бг
=10-6
;
бпр
- относительная погрешность и нестабильность настройки контуров тракта промежуточной частоты, принимаем бпр
=(0,0003...0,003);
бн
- относительная нестабильность частоты, вызванная неточностью настройки контуров гетеродина, бн
= (0,001...0,01);
Промежуточная частота выбирается из условия:
fпр
>(10...20)/tи
=15/1×10-6
=15 МГц.
В РЛП миллиметрового и сантиметрового диапазонов промежуточная частота равна либо 30, либо 60 МГц [5]. Выберем промежуточную частоту из стандартного ряда:
fпр
=30 МГц.
Частота гетеродина: fг
=fc
-fпр
=1,3-0,03=1,27 ГГц .
=
= 13 МГц
Пнс
>(1,2...1,5)×Пс
, следовательно придётся использовать частотную автоматическую подстройку частоты ( ЧАПЧ ) или фазовую автоподстройку частоты (ФАПЧ).
При использовании ЧАПЧс Кчапч
=10 полоса пропускания приемника:
ПЧАПЧ
=Пс
+(2Dfд
+Пнс
)/Кчапч
=5×103
+(7+13×103
)/10 @ 6,3 МГц .
При использовании ФАПЧс Кфапч
Þ ~ полоса пропускания приемника:
ПФАПЧ
=Пс
+(2Dfд
+Пнс
)/Кчапч
=5×103
+(7+13×103
)/~ @ 5 МГц .
ПФАПЧ
не намного уже, чем ПЧАПЧ
, поэтому для упрощения схемы будем использовать ЧАПЧ.
Расчет предельно допустимого коэффициента шума:

где:
· Кр.ф.
@ 0,8 - коэффициент передачи фидера по мощности.
· Пш
= 1,1×П = 1,1×6,3=6,93 МГц.
· К - постоянная Больцмана К=1,38×10-23
Дж/К.
Шдоп
@ (1×10-12
/(1,38×10-23
×290×6,93×106
×1,4)-0,48+1)×0,8=
= (25,75-0,48+1) ×0,8 = 21,02
Оценим коэффициент шума линейного тракта РПрУ, после чего решим вопрос о включении или невключении УРЧ в состав радиотракта.
Коэффициент шума радиотракта без использования усилителя радиочастоты ( УРЧ ) :
Ш=(Швц
+(Шпч
-1)/Квц
+(Шупч
-1)/(Квц
×Кпч
))/Кр.ф.
Все коэффициенты шума ориентировочно берём из таблицы 6.1 [3]:
Швц
=1,3 Квц
=0,8
Шурч
=1,5 Курч
=10
Шпч
=5 Кпч
=8 (при использовании транзисторного ПЧ)
Шупч
=10
Ш=( 1,3+(5-1)/0,8+(10-1)/(8×0,8))/0,8=9,5 < Шдоп
=21,02Þ
Þ можно обойтись без УРЧ.
Исходные данные для выбора гетеродина:
· Рабочая частота fг
=fc
-fпр
=1,3-0,03=1,27 ГГц;
· Требуемая выходная мощность РГвых
;
· Диапазон перестройки по частоте;
· Шумовые характеристики.
Целесообразно использовать полупроводниковый гетеродин на диоде Ганна (ГДГ). Выходная мощность гетеродина должна быть достаточна для нормальной работы смесителей и схем ЧАПЧ всех трех каналов приема РЛС:
РГвых
= (Рс
+ Рапч
)×3 = (6+9)×3 =45 мВт;
Из таблицы 8.4 [3] выбираем ГДГ типа VSC-9019, имеющий следующие параметры:
· диапазон рабочих частот fГ
,ГГц.......................................1..2;
· шаг перестройки: электронной Dfэл
,МГц...........................50;
механической Dfмех
,МГц....................200;
· выходная мощность РГвых
, мВт........................................100;
· напряжение питания Uпит
,В.................................................11;
· ток потребления I,А............................................................0,5;
4.5. Обеспечение необходимого усиления трактом ВЧ
Обеспечение достаточного усиления радиосигнала трактом ВЧ необходимо для нормальной работы детектора, а так же получения низкого уровня шума. Основное усиление обеспечивается в тракте ПЧ. Основными требованиями к усилительным каскадам линейного тракта являются их достаточная устойчивость (возможно меньшее число каскадов) и построение на основе наиболее экономичной и современной электронной базы.
Коэффициент усиления линейного тракта:
,
где RА
- активное сопротивление антенны;
Uпр
- амплитуда сигнала на выходе УПЧ;
Требуемая амплитуда сигнала на выходе УПЧ определяется амплитудой напряжения, необходимой для нормальной работы детектора: Uвых
=1В.
Рассчет коэффициента усиления линейного тракта:

Коэффициент передачи по мощности согласно таблицы 6.1 [3] для транзисторного преобразователя частоты примем равным:
КРпч
= 8
Амплитуда напряжения на входе УПЧ :
        Uвх
= 4Рвх
×Rвх
= 2×Ра
×Квц
×Кпч
×Rвх
= 2×10-12
×0,8×8×103
= 0,13 мВ.
Коэффициент усиления УПЧ по напряжению:
Купч
=Uвых
/Uвх
=1/(1,3×10-4
)=7,6×103
Селективность по зеркальному каналу обеспечивается с помощью частотно - избирательной входной цепи, а по соседнему каналу - используя два одиночных контура: на выходе преобразователя частоты и на выходе УПЧ.
Селективность по зеркальному каналу:

Принимаем dэс
=0,006
= 23,8 дБ,
Эквивалентное затухание одиночных контуров:
 dэп
= П/(Ö2×fпр
)=6,3/(Ö2×30)=0,15
Селективность по соседнему каналу:

Полагаем: Dfск
= П=6,3 МГц;
n=2,
тогда:
= 18,9 дБ
4.7. Распределение искажений
При рассмотрении такой характеристики РПрУ, как допустимый уровень частотных и временных искажений сигнала, остановимся на наиболее существенном для приемников импульсных сигналов показателе - искажениях переднего фронта импульса. Распределение искажений этого вида по каскадам РПрУ можно выразить в величине времени установления переднего фронта импульса и записать следующим образом:
= 0,2 мкс
Искажения, вносимые входной цепью незначительны и составляют:
0,0064 мкс
УРЧ является инерционным звеном, поэтому искажения, вносимые им, довольно велики: 0,024мкс
Искажения, вносимые преобразователем частоты, составляют:
0,008мкс
Наибольшие искажения переднего фронта радиоимпульсов вносятся детектором из-за шунтирования выходного контура УПЧ входным сопротивлением детектора:
0,04мкс
Оставшееся искажение переднего фронта импульса вносится сравнительно узкополосным УПЧ. Определим допустимые искажения, приходящиеся на один каскад УПЧ:

Структурная схема радиоприемного устройства моноимпульсной РЛС сопровождения
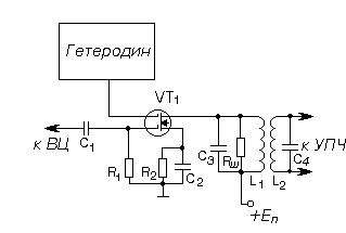
Входная цепь (ВЦ)
Входная цепь приёмника обеспечивает защиту приемника от перегрузок и повреждения СВЧ мощностью сигнала, поступающего на рабочей частоте при работе на одну антенну с передатчиком. ВЦ связывает выход антенно-фидерного устройства со входом 1-ого каскада приёмника, в данном случае со смесителем. При этом вход и выход входной цепи должны быть согласованны с волновыми сопротивлениями присоединяемых к ним линий передач, чтобы в местах соединения не возникало отражений СВЧ энергии.
В нашем случае входная цепь должна выполнять следующие функции :
· частотная селекция принимаемых сигналов для уменьшения помех на нерабочей частоте.
· подавление зеркального канала.
· защита 1-ого каскада приёмника от перегрузки и повреждения мощностью СВЧ сигналов, поступающих в приёмник на рабочих частотах .
Для защиты приёмника от перегрузок будем использовать антенный переключатель (АП) и устройство защиты приёмника (УЗП) .
Для выполнения ВЦ функций селекции и подавления шумов зеркального канала используем полосовой фильтр.
Преобразователь частоты (ПЧ)
Преобразователь частот (смеситель) РПрУ РЛС часто выполняется на диодах по балансной схеме. Для балансных смесителей на диодах с барьером Шотки (ДБШ) потери сигнала в сантиметровом и миллиметровом диапазоне составляют соответственно 5..8 и 6..10 дБ, а коэффициент шума - 6..9 и 7..12 дБ, что неприемлемо в нашем случае из-за отсутствия УРЧ в составе радиотракта.
В сантиметровом диапазоне используют ПЧ на биполярных транзисторах (БТ), которые обладают коэффициентом усиления 3-12 дБ и коэффициентом шума 1,7 - 4,6 дб. Однако лучшие характеристики во всем СВЧ диапазоне имеют ПЧ на полевых транзисторах (ПТ), так как в более широком диапазоне 1-15 ГГц они обеспечивают усиление 8-12 дб при коэффициенте шума 1,1 - 3,5 дб. К преимуществам смесителей на ПТ можно отнести более простые цепи смещения по постоянному току и более высокую температурную стабильность. Поэтому используем транзисторный преобразователь частоты на полевом транзисторе с барьером Шотки (ПТШ), усилительные и шумовые свойства которого, в основном, и определят чувствительность РПрУ.
Усилитель промежуточной частоты (УПЧ)
Основное усиление в РПрУ обеспечивается усилителем промежуточной частоты. Схемотехника каскадов этого устройства разнообразна, однако заметно упростить приёмник позволяет применение в качестве усилительных элементов аналоговых интегральных микросхем(ИМС).
Основные требования, предъявляемые к УПЧ - это малый коэффициент шума и достаточно высокий коэффициент усиления, а кроме того он должен обладать широким динамическим диапазоном, линейной ФЧХ и равномерной АЧХ в рабочем диапазоне частот, хорошо согласован, обладать высокой надёжностью.
В настоящее время в наибольшей мере этим требованиям удовлетворяют УПЧ на интегральных микросхемах. УПЧ с логарифмической амплитудной характеристикой (ЛАХ), который наилучшим образом выполняет усилительные функции при широком динамическом диапазоне входных сигналов, реализуем на ИМС.
Детектор(Д) импульсных сигналов
При детектировании импульсных сигналов разлиают два вида: пиковое и импульсное детектирование. В первом случае определяется только амплитуда импульсов, качество же воспроизведения формы их огибающей играет второстепенную роль.
В нашем случае импульсного детектирования необходимо воспроизвести огибающую каждого поступающего на детектор радиоимпульса. Для этого обычно применяется диодный детектор, постоянная величина времени (RC) нагрузки которого выбирается достаточно большой, так, чтобы в течение времени между радиоимпульсами напряжение на выходе не успевало заметно снизиться, а изменялось по закону огибающей последовательности радиоимпульсов. Наличие в схеме детектора реактивных элементов приводит к искажению формы импульсов, т.к. вызывает переходные процессы , за счет которых увеличивается время установления tу
и время спада tсп
импульсов на его выходе. Обеспечение минимальных искажений формы импульсов (tу
и tсп
), в заданных пределах, является главной задачей импульсного детектора. Желательно при этом получить высокий коэффициент передачи, но не за счет увеличения искажений сверх заданной величины.
Режим работы и параметры схемы импульсного детектора выбирается из условия обеспечения допустимых искажений формы импульсов.
Схемы пикового и импульсного детекторов аналогичны, отличие только в том , что постоянная времени нагрузки у пикового детектора на два, три порядка больше, чем у импульсного. В таких детекторах используют германиевые диоды.
4.9. Выбор элементной базы. Задания на разработку каскадов.
На частотах до 7 ГГц в транзисторных преобразователях широко используются биполярные транзисторы (БП), на более высоких частотах, включая миллиметровый диапазон - полевые транзисторы с барьером Шотки (ПТШ). Имея выбор между БП и ПТШ предпочтение отдают ПТШ, так как они обладают лучшими шумовыми и усилительными показателями, поэтому используем транзисторный преобразователь частоты на двухзатворном ПТШ. Для применения в смесителе был выбран арсенид-галиевый ПТШ АП 328-2, альтернативы которому отечественная промышленность не выпускает.
Исходные данные для расчёта:
Частота входного сигнала fc
= 1,3 ГГц; l=23см;
Коэффициент шума транзистора Штр
=1,5 (ориентировочно)
Частота гетеродина fг
= 1,27 ГГц
Для применения в УПЧ остановимся на отечественных ИМС серии К175. Серия ИМС 175 представляет собой комплект интегральных микросхем, предназначенных для применения в трактах промежуточной частоты радиолокационной и связной техники, а так же в других узлах РЭА.
ИМС К175УВ2 - универсальная усилительная схема, обладает следующими характеристиками:
Напряжение источника питания - 6,6 В
Ток потребления - 3,5 мА
Коэффициент усиления - 10
Входное сопротивление - 1 кОм
Выходное сопротивление - 1,9 кОм
Верхняя граничная частота - 40 МГц
Коэффициент шума - 10 дБ
ИМС К175УВ4 - универсальная усилительная схема, обладает следующими характеристиками:
Электрические параметры ИМС К175УВ4 при 25+
10 о
С и Uпит
=6,3 В:
· ток потребления Iпот
,мА при Uвх
=0 В, не более.................1,8...3;
· напряжения на выводах, В: 9.........................................3,5...4,5;
11...........................................2...2,9;
12........................................1,3...1,5;
13...........................................0,9...1,5;
между выводами 2 и 10............................................-2...+2;
· крутизна вольт-амперной характеристики Sэ
, мА/В,
при Uвх
=10 мВ и fвх
=1 МГц.........................................................10;
· коэффициент шума Kш
, дБ при fвх
=20 МГц, не более..................8;
· верхняя граничная частота fв
, МГц, при Uвх
=10 мВ..................150.
Предельные эксплуатационные параметры ИМС К175УВ4:
· напряжение питания Uпит
, В: минимальное....................................3;
максимальное.................................9,5;
номинальное...................................6,3;
· максимальное напряжение, В, на выводах: 2,10......................12,5;
13...........................1,2;
· входное напряжение, В: синфазное........................................2...4,4;
дифференциальное.........................-2...+2;
Исходя из необходимости обеспечения таких параметров УПЧ, как
· низкий коэффициент шума;
· малые искажения переднего фронта радиоимпульсов;
· заданный коэффициента усиления при минимальном числе каскадов
· минимальную себестоимость (исходя из данных табл. 6.1),
для использования в УПЧ выбираем [7] ИМС К175 УВ 4 (рис.4.9.2).

Рис. 4.9.2: принципиальная схема ИМС К175УВ4
Назначение выводов: 1 - общий;
2 - выход 1;
3 - внутренний нагрузочный резистор 1;
4 - вход1;
5 - общая точка внутренних нагрузочных резисторов;
6 - вход 2:
7 - внутренний нагрузочный резистор 2;
8 - +Uпит
;
9 - вывод делителя напряжения 1;
10 - выход 2;
11 - вывод делителя напряжения 2;
12 - вывод делителя напряжения 3;
13 - вход регулировки усиления;
14 - вывод установки и контроля режима.
Данные для расчёта:
Частота сигнала fпч
= 30 МГц
Коэффициент усиления К= 6×103
Искажения переднего фронта импульса tу
= 0,09 мкс;
Для использования в детекторе из литературы [3] выбираем детектирующий полупроводниковый диод Д9Б, т.к. его характеристики удовлетворяют следующим требованиям:
fпч
= 30 МГц < fд
= 40 МГц;
Cд
= 1...2 пФ;
Uпр
= 0,9 В;
Iпр
= 90 мА;
Ri
= 10 Ом;
Uобрmax
= 10 В;
Iобр
= 250 мкА;
Rобр
= 0,4 МОм.
Данные для расчёта:
Частота сигнала ПЧ fпч
= 30 МГц;
Параметры входного контура Lк
=50 нГн; Ск
= 2 пФ;
Допустимые искажения импульса :
Время нарастания импульса tу
=0,2 мкс;
Время спада импульса tсп
= (0,3...0,5)×tи
= (0,3...0,5)×1 = 0,3 мкс;
UвхДет
= 0,5 В;
Kд
~ 0,8 ...0,9.
5.Расчет элементов принципиальной схемы приемника
Одним из основных узлов РЛП является антенный переключатель (АП).Антенные переключатели предназначены для коммутации передатчика к антенне на время прихода отраженных или ответных сигналов. Они должны: обеспечить уменьшение до минимума мощности излучаемого зондирующего импульса просачивающегося на на вход приемника; быть быстродействующими т.к. с увеличением времени срабатывания возрастает вероятность пробоя входных цепей приемника, а с увеличением времени востановления увеличивается минимальная дальность РЛС (мертвая зона обзора на малых расстояниях от РЛС); иметь минимальные потери мощности при излучении зондирующего импульса и особенно при приеме отраженного от цели сигнала; обладать большим сроком службы и высокой надежностью. Коммутационные АП состоят настроенных отрезков линий и газоразрядных приборов (разрядников), изменяющих сопротивление под действием мощных СВЧ сигналов. Разрядники включают в фидерный тракт РЛС параллельно или последовательно.
АП на необратимых элементах применяют в РЛС сантимитрового диапазона. В качестве необратимых элементов используют фидерные вентили и циркуляторы.
При расположении феррита волноводе , передаваемая по волноводу электромагнитная энергия. В зависимости от направления ее движения либо поглащается либо проходит практически без потерь. Феррит помещается в сильное поле постоянного магнита. При этом ферромагнитный резонанс наступает только при движении электромагнитной волны в одном направлении. При резонанасе практически вся СВЧ энергия в волноводе поглащается вентилем.
Выбор типа АП зависит отмощности излучаемого зондирующего импульса. При мощности импульса 100-150 КВт АП реализуют путем последующего соединения ферритового циркулятора, газового разрядника и диодного резонансного СВЧ ограничителя (рис. )
При мощности 1-2 КВт газовый разрядник не вводят в состав АП.
В АП (рис. ) используют два последовательно соединенных циркулятора Ц1 и Ц2. Сигнал от передатчика поступает на плече 1 циркулятора Ц1 и через плече 2 подается в антенну; при этом на выход плеча 3 сигнал от передатчика проходит с существенным ослаблением (13- 25 дб). Далее сигнал с плеча 3 циркулятора Ц1 подается через циркулятор Ц2 на разрядник Р, уменьшая его сопротивление до ноля. При этом СВЧ сигнал отражается от разрядника к плечу 2 циркулятора Ц2 и поглощается в согласованной нагрузке R. Зажигание разрядника Р спустя некоторое время ( с) после изменения зондирующего импульса. Выделяемая за это время энергия может вывести из строя последующие каскады приемника. Для предотвращения этого в схеме АП предусматривается СВЧ ограничитель, подключенный к основной линии в т.А через отрезок линии l = l/2
. Ограничитель состоит из последовательносоединенных диода Д и короткозамкнутого шлейфа длинной l2
с индуктивным реактивным сопротивлением, параллельно которым подключен разомкнутый емкостной шлейф длиной l1. При сигнале высокого уровня диод Д эквивалентен цепи из последовательносоединенных сопротивления и индуктивности.при этом между т.В и подложкой образуется параллельный резонансный контур,сопротивление которого при резонансе велико. Значит, четвертьволновый отрезок линии длинной l при высоком уровне сигнала работает практически в режиме холостого хода; входное сопротивление линии равно 0. Значит, сигнал просачивающийся в ограничитель отражается обратно в циркулятор Ц2. Полезный сигнал, отраженный от цели, поступает от антенны на плече 2 циркулятора Ц1, практически без ослаблений передается на плече 3 циркулятора Ц1 и далее через плечи 1 и 2 циркулятора Ц2 на разрядник Р. Мощность отраженного сигнала недостаточна для зажигания разрядника, вследствие чего принятый антенной сигнал передается по основной линии в последующие каскады приемника. Для сигнала малого уровня отрезок линии длинной l работает практически в режиме К.З.; входное сопративление этой линии равно бесконечности и энергия принятого сигнала проходит в последующие каскады РЛП практически без ослабления.
Защиту триодов входного каскада РЛП отперегрузки и повреждения СВЧ сигналами (от собственного передатчика РЛС или от внешних источников помех) в полосе рабочих частот, как уже указывалось, обычно осуществляют разрядником защиты приемника (РЗП) и ограничителем СВЧ-мощности на полупроводниковых диодах.
РЗП описываются двумя группами параметров: параметрами низкого уровня мощности, характеризующими свойства РЗП в режиме приема слабых сигналов (СВЧ разряда нет), и параметрами высокого уровня мощности характеризующими его защитные свойства при воздействии на него мощных импульсов СВЧ (происходит СВЧ разряд).
К параметрам низкого уровня мощности относятся:
· полоса рабочих частот Праб= fmax - fmin, выраженная в процентах по отношению к средней частоте рабочего диапазона Праб
, % ;
· потери в режиме приема Lпр
, дБ;
· коэффициент стоячей волны КСВ.
Основными параметрами высокого уровня мощности являются:
· максимально допустимая импульсная мощность Pи(кВт)на входе РЗП;
· мощность зажигания Pзаж
(мВт) - максимальная импульсная мощность, на выход ЗП;
· энергия пика Wп
(Дж) и мощность плоской части Pпл
(мВт) СВЧ импульса, просачивающаяся через РЗП во время его горения;
· время восстановления РЗП tв
(мкс),
· характеристика времени tG
после окончания вх.импульса СВЧ, в течение которого потери снизятся до условной величины Lпр
+ G (дБ).
Диодный ограничитель, в отличае от РЗП, не требует никаких питающих напряжений и поэтому обеспечивает защиту как при включенной, так и при выключенной аппаратуре. Он характеризуется двумя состояниями: состоянием пропускания при малой мощности сигнала, т.е. на низком уровне мощности (потери пропускания Lпр
малы), и при состоянием запирания при большой мощности сигнала, т.е. на высоком уровне мощности (потери запирания Lзап
велики).
В используемом диапазоне частот в силу особенностей несимметричных полосковых волноводов [9] наиболее перспективно использование согласующих цепей на микрополосковых линиях. Основными характеристиками микрополосковой линии, сечение которой показано на ( рис.5.1.1, б) являются: волновое сопротивление и эффективная диэлектрическая проницаемость, которые зависят от толщины подложки Н, ширины микрополосковой линии Е, толщины металлизированного слоя t и относительной диэлектрической проницаемости e. Из соображений технологичности широкое применение в качестве полосовых фильтров (ПФ) находит связанная система из резонансных полуволновых разомкнутых резонаторов [3]:
рис.5.1.1
Такой ПФ (рис.5.1.1,а) образован рядом одинаковых параллельно связанных линий (длина участка связи равна L0
/4), и является наиболее употребительным из-за отсутствия особо критичных размеров.
Основными исходными данными для проектирования такого полосового фильтра являются:
частота сигнала, полоса пропускания приёмника, затухание в полосе пропускания Lп
, обычно принимаемое за 3 дБ, полоса заграждения Пз
, определемая в нашем случае как Пз
=4fпч
=120 МГц, затухание на границах полосы заграждения Lз
=26 дБ, волновые сопротивления подводящих линий W0
=75 Ом.
При использовании для аппроксимации частотной характеристики фильтра максимально плоских функций Баттерворта можем посчитать число элементов n по формуле:
 
 n=lg (Lз
-1)/(Lп
-1) / lg(Пз
/Ппр
)

 n=lg (20-1) / (1,4-1) / lg(120/1,03) = 0,81
Округляем в большую сторону и получаем, что проектируемый ПФ должен состоять из (n+1)=2 элементов.
Электрическая длинна li
отрезков связанных линий всех звеньев фильтра одинакова: li
=L0
/4,
где L0
- длина волны в линии на частоте fс
: L0
=f0
/2e,
e - эффективная диэлектрическая проницаемость среды в линии, равная для симметричной полосковой линии относительной диэлектрической проницаемости диэлектрика линии.
Для найденного значения n и заданного Lп
=1,4 и Пп
/f0
=0,2 определяем (n+1) коэффициент qi
(табл. 3.4) [9], которые представляют собой перепады характеристических сопротивлений ступенчатого перехода:
q1
=q3
=833,56 q2
=374123
Затем определяем величину переходных затуханий связанных звеньев (дБ):
Сi
=10lg(qi
+1)
q1
=q3
=833,56 q2
=374123
C1
=C3
=29,2 дБ C2
=55,7 дБ
Теперь по таблице 3.5 [ 9 ] определяем для каждого звена bi
/d и Si
/d
b1
/d=b3
/d=0,993
S1
/d=S3
/d=3,08
Схема преобразователя частоты на полевом транзисторе
с внешним гетеродином ([4]):

В преобразователе частоты на двухзатворном ПТШ АП 328-2 напряжения сигнала и гетеродина подаются на разные затворы, что позволяет добиться лучшей развязки между сигнальной и гетеродинной цепью по сравнению со смесителем на однозатворном ПТ ([3]). Преобразование частоты обеспечивается за счет изменения крутизны сток - затворной характеристики по сигнальному затвору под воздействием переменного напряжения на гетеродинном затворе.
Рис.3
Основные параметры транзистора берём из справочника [ 5 ] .
Uси
=2 В .
Rи
=200 Ом .
Iс о
=5 мА .
Uзи о
=0,5 В .
Sнач
=6 мА/В
Пользуясь характеристиками ПТ (рис.3), выбираем напряжение смещения:
Eсм
=UЗИотс
/2=0,5/2=0,25 В
Сумма амплитуд сигнала и гетеродина не должна превышать Eсм
.
Полагаем,что для ПТ крутизна при UЗИ
=0: Sнач
=6 мА/В,
при UЗИ
=UЗИотс
/2: Sнач
/2=1,5 мА/В
Зависимость тока стока от напряжения затвор-исток UЗИ
имеет вид:
IС
=0,5×Sнач
×(1+ UЗИ
/ UЗИотс
)2
При подаче на вход смесителя напряжений сигнала uc
=Uс
coswc
t
и гетеродина uг
=Uг
coswг
t
получаем амплитуду тока частоты wп
=wг
-wс
:
Iп
=0,5×Sнач
×Uñ
×Ur
/ UЗИотс
Крутизна преобразования:
Sпр
=1/2×Sм1
=1/2×( Sмакс
- Sмин
)/2=(6-1,5)/4=1,12 мА/В
Зададимся L1
= L2
= 1 мкГн;
Ñ3
=С4
=1/((2×f0
)2
×L)=1/((2×3,14×3×107
)2
×10-6
)=
=28×10-12
=28 пФ
Характеристическое сопротивление контуров:
 rк
= ÖLк
/Ñк
= Ö10-6
/28×10-12
=1,9×102
По таблице 6.1 [3] находим отношение полосы пропускания двухконтурного резонансного каскада к полосе приёмника:
Y(n)=1,56
Полоса пропускания одного каскада УПЧ по уровню -3 дБ:
Пiупч
=П×Y(n)=6×1,56=9,3 МГц
Эквивалентное затухание контуров:
 dэ
= Пiупч
/Ö2×f0
=9,3/Ö2×1,3×109
=0,05
Полагаем коэффициент включения транзистора в
резонансный контур m1
=1;
dэ
/rк
= d0
+ m1
2
× gвых.ПТ
+ m2
2
× gвх.УПЧ
Исходя из условий [3] зададимся собственными затуханиями:
d0
@0,006..0,01. Принимаем: d0
= 0,006; gвыхПТ
@ 0.
Коэффициент подключения m2
:

Коэффициенты передачи смесителя:
по напряжению:
Кu
= m1
×m2
×Sпр
× rк
/2×dэ
=1×0,8×1,12×10-3
×1,9×102
/2×0,05=1,7
по мощности:
Кр
= Кu
2
×Rа
/ RвхУПЧ
=1,7×75/1×102
= 2,2
Для расчета коэффициента шума смесителя на ПТШ необходимы матрицы S-параметров транзистора АП328А2, которые, как правило, определяются экспериментально (в справочной литературе не обнаружены). Поэтому оценим коэффициент шума транзистора в режиме преобразования частоты :
ШПЧ
=(2..3)×Штр
=(2..3)×1,5 @ 3 дБ
Расчёт смесителя по постоянному току :
Напряжение смещения:
Есм
=Uси0
= Ic о
×R2
=0,25 В
R2
=0,25/5×10-3
=50 Ом
Напряжение источника питания:
Еп
=Uси0
+Ic о
×Rи
=0,25+5×10-3
×0,2×103
=1,25 В
Так как необходимо согласовать ВЦ и вход смесителя с волновым сопротивлением антенно-фидерного тракта 75 Ом, то взяв R1
=Róò
=75 Oм получим входное сопротивление смесителя Rвх
=75 Ом (т.к. входное сопротивление ПТШ достаточно велико).
Усилители с широким динамическим диапазоном могут быть построены по схеме усилителя-ограничителя (УО) или усилителя с логарифмической амплитудной характеристикой (ЛАХ). У последних между входным и выходным сигналом существует вполне определенная функциональная зависимость вида :

УО такой зависимостью не характеризуются.
Логарифмические усилители могут быть выполнены по параллельной и последовательной и схеме. В первой используется параллельное включение каскадов усилителя с различным коэффициентом усиления. Для защиты от перегрузок и повышения стабильности на выходе каждого каскада ставится двусторонний усилитель-ограничитель, и с выхода каждого канала сигналы суммируются. Однако увеличение массогабаритных показателей, связанное с необходимостью использования значительного числа каналов, обусловило большее распространение усилителей с ЛАХ, построенных по методу последовательного усиления и суммирования:

Рис.5.5.1.
Такой усилитель (рис.5.5.1) представляет собой последовательное соединение нескольких каскадов, каждый из которых, в общем случае, содержит линейный усилитель и двусторонний ограничитель. Выходы всех каскадов объединены сумматором через буферные каскады (БК), способствующие увеличению развязки между каскадами и повышению устойчивости усилителя. Для получения амплитудной характеристики, достаточно хорошо приближающейся к логарифмической, все каскады должны быть идентичны. В зависимости от особенностей реализации и назначения логарифмического усилителя, в обобщенную схему могут вноситься изменения. Так, возможно совмещение функций линейного усиления и двустороннего ограничения, например в ИМС; сумматор может быть выполнен в виде резистора, усилительного каскада или линии задержки; буферные каскады могут использоваться также и для коррекции частотной и фазовой характеристик усилителя.
Амплитудная характеристика логарифмических усилителей описывается системой уравнений:
 
где К0
– коэффициент усиления в линейном режиме; Uâõ.í
– ïîðîãîâûé óðîâåíü âõîäíîãî ñèãíàëà, íà÷èíàÿ ñ êîòîðîãî àìïëèòóäíàÿ õàðàêòåðèñòèêà ñòàíîâèòñÿ ëîãàðèôìè÷åñêîé; b – коэффициент, определяющий наклон ЛАХ.
Основные показатели логарифмического усилителя могут быть определены из соотношений [11]:

где КОС
- коэффициент усиления одного каскада на ИМС;
Dвх
= Uâõ.макс
/ Uâõ.í
- логарифмический динамический диапазон усилителя, определяемый протяженностью логарифмического участка амплитудной характеристики и равный динамическому диапазону изменения уровня входных сигналов;
Uâõ.макс
- максимальный уровень входного напряжения, соответствующий концу логарифмического участка амплитудной характеристики;
Uâõ.í
- напряжение на входе ИМС, при котором начинается амплитудное ограничение;
n - число каскадов усилителя;
K0n
- к-т усиления всего усилителя в линейном режиме;
d - ошибка, связанная с отклонением АХ от логарифмической.
Данные к расчету:
· частота сигнала ПЧ: fпч
= 30 МГц;
· избирательность по соседнему каналу: Seск
= 10 дБ;
· коэффициент усиления УПЧ: K0n
=13440;
· искажения переднего фронта импульса: Dtи
=0,15 мкс;
· динамический диапазон входных сигналов Dвх
=60 дБ;
· динамический диапазон выходных сигналов Dвых
=<10 дБ;
· порог логарифмирования АХ: Uâõ.í
=1×10-4
В.
Принципиальная схема УПЧ [11] приведена на рис.5.5.2

Рис.5.5.2 Принципиальная схема УПЧ
Расчет УПЧ на ЭВМ
Ввиду ограниченности выбора ИМС, обладающих соответствующими паспортными данными, а так же трудности аналитического решения системы, расчет УПЧ будем производить методом последовательных приближений с использованием ЭВМ и программы Micro Cup V. Расчет логарифмической амплитудной характеристики УПЧ выполним по программе собственной разработки WinЛАХ. Ниже приведены результаты расчета, а листинг программы WinЛАХ дан в приложении.


5.6. Расчёт детектора
Для детектирования радиоимпульсов , т.е. для преобразования их в видеоимпульсы, используем последовательные диодные детекторы, выполненные по схеме (рис.5.5.1).

рис.5.5.1Последовательный диодный детектор
Видеоимпульсы с выхода детектора поступают на видеоусилитель.
Данные для расчёта:
Частота сигнала ПЧ fпч
= 30 МГц;
Параметры входного контура Lк
=50 нГн; Ск
= 2 пФ;
Допустимые искажения импульса :
Время нарастания импульса tу
=0,2 мкс;
Время спада импульса tсп
= (0,3...0,5)×tу
= (0,3...0,5)×0,2 = 0,1 мкс;
UвхДет
= 0,5 В;
Kд
~ 0,8 _ 0,9.
Крутизна ВАХ диода:
Sд
= Diд
/ Duд
= 1/Riд
= 1/ 10 = 0,1
Ёмкость в нагрузке:
Cн
= 15×Cд
- Cм
= 15×2 пФ - 8 пФ = 22 пФ
Rн~
=tсп
/(2,3×CН
)=0,1мкс/(2,3×22пФ)=5.1кОм -параллельное сопротивление Rн
и Rвх
=1кОм ( в случае использования ВУ на ИМС К175УВ2)
Сопротивление нагрузки детектора
Rн
= (Rн~
×Rвх ву
)/( Rн~
+ Rвх ву
) = (5,1к×1к)/( 5,1к + 1к) = 1,2 кОм
Проверка правильности выбранных параметров детектора:
Rн~
×(Cн
+ CвхвУ
+ Cм
) È (1..2)/fпр
5,1 кОм×(22 пФ + 50 пФ + 8 пФ) È (1..2)/30 МГц
4×10-6
> 0,067×10-6
Þ параметры детектора выбраны правильно.
Коэффициент передачи детектора Кд
:
Кд
= cosQ @ 0,8...0,9
 где Q = Ö3p / (Sд×Rн) = Ö 3p / 0,1×1,2к = 0,428
отсюда Кд = 0,9
Входное сопротивление детектора Rвх
Rвх = Rн /2 = 1,2к / 2 = 0,6 кОм
Определим время установления фронта tуд
tуд
= Rн
×Cн
×(2×Riэ
+ Rэ
) /(0,5×Rн
+ 2,5×Riз
+ Rэ
)=
=1,2×103
×22×10-12
×(2×10 + 1,9×103
) /( 0,5×1,2×103
+ 2,5×10 + 1,9×103
)=0,2 мкс
Коэффициент подключения mд
Lк
= 50 нГн и Cк
= 2 пФ - параметры выходного каскада УПЧ;
rк
= ÖLк
/Cк
= 158 Ом - характеристическое сопротивление контура
d0
= 0,006 [справочник Петрова] Þ П 0,7 упч
= d0
×fпр
= 5 МГц
dвн д
= П 0,7 упч
/ 2×fпр
= 5 МГц / 1270 МГц = 0,004 - зквивалентное затухание, вносимое детектором
mд
= dвн д
×Rн /2×rк
= 0,004×1200/2×158 = 0,15
Полный коэффициент усиления детектора
Кд
` = Кд
×mд
= 0,9×0,15 = 0,135
Расчет емкости разделительного сонденсатора Ср
D% <= 1...3 % - спад плоской вершины
Ср
= (tи
×100%)/((Rн
+ Rвх ву
) ×D%) =
= 0,66×10-6
×100% / ((1,2×103
+ 1000) ×2%) = 15 нФ
Определим нужно ли ставить дроссель для фильтрации пульсаций импульса fпр
Если Кф
< 0,01-0,02 ,то дросель можно не ставить
Кф
=( Свх ву
/ (Cн
+ Свх ву)
) × 1/(2p × fпр
× Сн
× Rн
+ 1) =
= (50 пФ/(22пФ + 50пФ)) ×1/( 2×p × 30 МГц × 22пФ × 1,2кОм + 1) = 0,14
Условие не выполняется, значит дроссель нужен.
Резонансная частота fдр
паразитного контура Сдр
Lдр
:
Сдр
@ 3...5пФ, принимаем Сдр
= 2пФ
fдр
@ 0,7fпр
= 0,7× 30 МГц = 21 МГц
Lдр
= 1/((2p)2
×fдр
2
×Сдр
) = 1/((2p)2
×21 МГц2
×2пФ) = 28,7 мкГн
Кф
`при наличии дроселя
Кф
` = Сдр
/(Сдр +
Свх ву
) = 2пФ / (2пФ + 50пФ) = 0,04
5.7. Проверочный расчёт
Проверим, соответствует ли спроектированный приёмник требованиям технического задания.
Данные к рассчету:
Кр.ф.
=×0,8
Швц
=1,5 Квц
=0,8
Шпч
=3 Кпч
=1,25
Шупч
=10 Купч
=6×103
Ш=(Швц
+(Шпч
-1)/Квц
+(Шупч
-1)/(Квц
×Кпч
))/Кр.ф.
=
= (1,5 + (3-1)/0,8 + (10-1)/(0,8×1,25))/0,8 = 12,5/0,8 = 15,6 < Шдоп
= 21
При таком коэффициенте шума чувствительность приёмника:
РА
= [Ш/Кр.ф
+ (tА
- 1)] ×(Pc
/Pш
) к×Т0
×ПШ
= [15,6/0,8 + (0,48 - 1)] ×1,4×1,38×10-23
×290К×6,93×106
=0,73×10-12
< Ра(ТЗ)
= 1×10-12
Следовательно, спроектированный приёмник отвечает всем требованиям ТЗ.


6.Технико-экономическое обоснование
В УПЧ целесообразно применение отечественных ИМС серии К175. Серия ИМС 175 представляет собой комплект интегральных микросхем, предназначенных для применения в трактах промежуточной частоты радиолокационной и связной техники, а так же в других узлах РЭА.
Табл.6.1 Цена различных ИМС 175 серии [14]
| Наименование ИМС
|
Цена, руб.
|
| 175ув1 а
|
9.60
|
| 175ув 1б
|
9.80
|
| 175ув2 а
|
14.40
|
| 175ув 2б
|
10.80
|
| 175ув 3а
|
13.80
|
| 175ув 3б
|
13.20
|
| 175ув 4а
|
13.40
|
| 175ув 4б
|
8.20
|
Исходя из необходимости обеспечения таких параметров УПЧ, как
· низкий коэффициент шума;
· малые искажения переднего фронта радиоимпульсов;
· заданный коэффициента усиления при минимальном числе каскадов
· минимальную себестоимость
По данным табл. 6.1, для использования в УПЧ выбираем [7] ИМС К175 УВ 4.
Расчет себестоимости изготовления изделия
Себестоимость изделия представляет собой совокупность всех затрат на производство и реализацию продукции.
Табл.6.2Стоимость комплектующих деталей для разработанной схемы блока ПЧ
| наименование комплектующих
|
кол-во
|
стоимость, руб.
|
| единицы
|
общая
|
| ИМС К175УВ4
|
5
|
10
|
50
|
| Резисторы МЛТ-0,125
|
17
|
0,05
|
0,85
|
| Конденсаторы К-50-11
|
18
|
0,2
|
3,6
|
| Катушка индуктивности
|
1
|
1
|
1
|
| Транзистор КП302А
|
1
|
1
|
1
|
| Стоимость схемы Ссхемы
|
56,35
|
| Транспортные расходы Ртрансп
= Ссхемы
×5%
|
2,82
|
| Итого стоимость комплектующих Скомпл
|
59,17
|
Расчет себестоимости изготовления печатной платы блока ПЧ:
Необходимо учесть стоимость полуфабрикатов, идущих на изготовление печатной платы блока ПЧ. В качестве материала выбираем двусторонний фольгированный гетинакс, стоимостью 50 руб. за 1 м2
. Для разрабатываемого изделия необходима одна печатная плата площадью 60 см2
. Стоимость материала для изготовления печатной платы составляет:
Цмат.печ.пл.
=(60/10000) ×50=0,3 (руб.)
Заработная плата основным рабочим за изготовление печатной платы:
З печ.пл
= 56,95 ×0,1 = 5,6 руб.
Накладные расходы: Н=200%
Себестоимость изготовления печатной платы:
Спеч.пл.
= Цмат.печ.пл
+ З печ.пл
×(1+Н)=
= 0,6 +5,6×(1+2) = 17,4 руб.
Расчет зарплаты основным рабочим
Табл.6.3 Заработная плата основным рабочим за изготовление блока ПЧ
| №
|
вид работ
|
разряд
|
время выполне-ния, час
|
часовая ставка, руб/час
|
зарплата, руб
|
| 1
|
подготовка выводов элементов
к установке
|
II
|
0,4
|
2,60
|
1,04
|
| 2
|
установка элементов
|
III
|
0,48
|
2,88
|
1,38
|
| 3
|
пайка выводов
«волной»
|
III
|
0,002
|
2,88
|
0,01
|
| 4
|
проверка и настройка
|
IV
|
1
|
3,58
|
3,58
|
| 5
|
лакировка
|
II
|
0,4
|
2,60
|
1,04
|
| Итого заработная плата З:
|
4,62
|
Стоимость вспомогательных материалов (припой, флюс): М = 0,6 руб.
Полная себестоимость рассчитывается по формуле:
Сполн
= [Скомпл
+Спеч.пл
+ М + З×(1+aцр
+aзр
)]×(1+b),
где aцр
-цеховые накладные расходы (90%),
aцр
-общезаводские накладные расходы (120%),
с учетом отчислений на социальные нужды;
b - коэффициент, учитывающий внепроизводственные расходы (1,5 %).
Сполн
=[59,2+17,4 + 0,6 +4,62×(1+0,9+1,2)]×(1+0,015) @ 93 руб.
Расчет массогабаритных показателей
Габариты и масса блока определяются количеством корпусов ИМС, количеством дискретных элементов, а так же конструкцией печатной платы.
Табл.6.4 Масса блока ПЧ
| наименование
комплектующих
|
кол-во
|
масса, гр.
|
| единицы
|
общая
|
| ИМС К175УВ4
|
5
|
5
|
25
|
| Резисторы МЛТ-0,125
|
17
|
0,5
|
8,5
|
| Конденсаторы К-50-11
|
18
|
0,5
|
9
|
| Катушка индуктивности
|
1
|
1
|
1
|
| Транзистор КП302А
|
1
|
1
|
1
|
| Печатная плата
|
1
|
25
|
25
|
| Всего:
|
69,5
|
Габариты Г печатной платы: 60 Х 100 мм.
Расчет показателей надежности
Надежностью называется свойство объекта, системы, изделия, устройства или их частей выполнять заданные функции, сохраняя во времени значения установленных эксплуатационных показателей в заданных пределах, соответствующих заданным режимам и условиям эксплуатации, технического обслуживания, хранения и транспортировки.
Расчет надежности основывается на следующих допущениях:
1. Все элементы данного типа равнонадежны, т. е. интенсивность отказов li
для этих элементов одинакова;
2. Все элементы работают в нормальных технических условиях;
3. Интенсивность отказов всех элементов не зависит от времени (срока службы);
4. Отказы элементов являются событиями случайными и независимыми;
5. Все элементы работают одновременно;
6. Отказ любого элемента приводит к отказу всей системы;
При расчете надежности блока ПЧ радиолокационного приемника необходимо определить вероятность безотказной работы устройства в произвольном интервале времени t, которая определяется выражением:
, т. е. p(t) изменяется по экспоненциальному закону.
Здесь l – интенсивность отказов устройства;
t – время, за которое определяется вероятность безотказной работы.
Если устройство состоит из N элементов с соответствующими интенсивностями отказов l1
,l2
,l3
...ln-1
,ln
и повреждение одного из них приводит к нарушению работы всего устройства, то интенсивность отказов устройства, состоящего из элементов различных типов:

где li
– интенсивность отказов элементов i
-го типа;
n
– количество элементов i
-го типа;
lп
– интенсивность отказов паяных соединений;
m
– количество паяных соединений;
Интенсивность отказов li
зависит от свойств радиодеталей, режима их работы и условий эксплуатации. Значение li
для любого
класса аппаратуры определяется статистическими методами в ходе
эксплуатации.
Интенсивность отказов паяных соединений зависит от культуры производства и составляет lпаек
@(10-7
...10-9
). Возьмем lпаек
=10-8
.
Табл.6.5 Интенсивность отказов блока ПЧ
| Наименование
элементов
|
Кол-во, штук
|
Интенсивность отказов
|
| одного эл-та
|
всех эл-тов
|
| ИМС К175УВ4
|
5
|
0,6×10-6
|
3×10-6
|
| Резисторы МЛТ-0,125
|
17
|
0,03×10-6
|
0,51×10-6
|
| Конденсаторы К-50-11
|
18
|
0,04×10-6
|
0,72×10-6
|
| Катушка индуктивности
|
1
|
0,03×10-6
|
0,03×10-6
|
| Транзистор КП302А
|
1
|
0,4×10-6
|
0,15×10-6
|
| Паяное соединение
|
144
|
1×10-8
|
1,44×10-6
|
| Расчетная интенсивность отказов lрасч
:
|
3,35×10-6
|
Интенсивность отказов l = Кl
× lрасч
,
где Кl
@ 17 - коэффициент, учитывающий работу в реальных условиях. Отсюда l =17×3,35×10-6
=5,7×10-5
Зададимся временем работы tð
=8ч. Тогда вероятность безотказной работы блока ПЧ в течение 8ч составит:

Зададимся временем работы tð
= 1год = 24×365 = 8760ч. Тогда вероятность безотказной работы блока ПЧ в течение 1г составит:

Для оценки надежности аппаратуры многократного использования используется параметр Кг
- коэффициент готовности
, представляющий собой вероятность того, что в произвольный момент времени аппаратура будет находиться в состоянии готовности (окажется работоспособной). Коэффициент готовности определяется отношением суммарного времени безотказной работы (наработки) Тн
к сумме наработки и времени восстановления, взятых за период эксплуатации:
Среднее время безотказной работы устройства:
Тн
= 1/l = 1/5,7×10-5
= 1754 час.
Примем общее время восстановления Тв
= 2 час. Тогда коэффициент готовности:
Табл.6.6 Технико - экономические показатели блока ПЧ
проектируемого РПрУ
| №
|
технико-экономические показатели
|
обозна-чение
|
ед-ца изм-я
|
аналог
|
разработка
|
| 1
|
Коэффициент усиления по напряжению
|
Кu
|
-
|
7 ×103
|
6 ×103
|
| 2
|
Динамический диапазон:
· на входе
· на выходе
|
Dвх
Dвых
|
дБ
|
60
10
|
70
10
|
| 3
|
Коэффициент шума
|
Ш
|
-
|
15
|
10
|
| 4
|
Вероятность безотказной работы
· в течение 8 ч.
· в течение 1 г.
|
р
|
-
|
0,9972
|
0,99954
0,607
|
| 5
|
Коэффициент готовности
|
Кг
|
-
|
0,9965
|
0,99886
|
| 6
|
Себестоимость
|
Сполн
|
руб
|
98
|
93
|
| 7
|
Масса
|
m
|
г
|
139
|
70
|
| 8
|
Габариты
|
Г
|
мм
|
80Х140
|
60Х100
|
Выводы
В соответствии с техническим заданием произведено ТЭО выбора элементной базы и проведен расчет технико-экономических показателей блока ПЧ проектируемого РПрУ. Расчет показал, что разработанный блок ПЧ практически по всем параметрам превосходит аналог, кроме коэффициента усиления (см. табл. 6.7). Проектирование УПЧ на интегральных микросхемах привело к увеличению надежности и снижению себестоимости блока, а так же улучшению массогабаритных показателей. Однако, следует отметить, что разработка отечественной промышленностью аналоговой микросхемы, целиком включающей в себя весь УПЧ, привела бы к еще большему увеличению экономической эффективности применения ИМС в приемнике РЛС.
7.Охрана труда при работе с радиолокационной станцией
Радиолокационная станция - объект повышенной опасности. Наличие опасных и вредных производственных факторов при работе на РЛС обусловлено спецификой труда. Задача охраны труда заключается в обеспечении работающему таких условий труда, чтобы при максимальной производительности утомляемость его была минимальной. В частности, охрана труда рассматривает наличие опасных и вредных факторов при работе на РЛС, предусматривает меры и мероприятия по предупреждению несчастных случаев и профессиональных заболеваний. Согласно ГОСТ 12.003-74 ( ст. СЭВ 780-77 ) ССБТ опасные и вредные производственные факторы делятся по природе действия на следующие группы:
n физические
n химические
n психофизиологические
Одним из источником опасного воздействия на человека является радиолокационная станция. Согласно ГОСТ 120.003-74 ССБТ при работе с РЛС на судоводителя действуют группы физических и психофизиологических факторов. К физическим в случае работы с РЛС относятся:
n повышенный уровень электромагнитных излучений
n повышенное значение напряженности в электромагнитной цепи, замыкание которой может произойти через человека
Психофизическая группа факторов подразделяется на:
а) физические перегрузки
б) нервно-психические перегрузки
При работе с РЛС выделяются нервно-психические перегрузки, выражаемые в умственном перенапряжении.
Итак, в случае работы с РЛС учитываются следующие опасные и вредные производственные факторы:
1. повышенный уровень электромагнитных излучений
2. повышенное значение напряженности в электрической цепи, замыкание которое может произойти через тело человека
3. умственное перенапряжение
7.1. Биологическое действие СВЧ - излучения на организм человека
Воздействие мощных электромагнитных полей на человека приводит к определенным сдвигам в нервно-психической и физиологической деятельности, однако как предполагают, «многоступенчатая» система защиты организма от вредных сигналов, осуществляемая на всех уровнях от молекулярного до системного, в значительной степени снижает вредность действия «случайных» для организма потоков информации. Поэтому, видимо, если и наблюдается определенная реакция на эти поля, то здесь нужно говорить скорее о, физиологическом в общем смысле, чем о патологическом аспекте воздействия электромагнитной энергии. Несмотря на то, что нетепловые, или специфические эффекты воздействия радиоволн открыты относительно давно, определяющим для нормирования опасности работы в условиях воздействия ЭМП во многих странах пока принята степень их теплового воздействия.
Для выяснения биофизики теплового действия СВЧ на живые организмы рассмотрим кратко факторы, определяющие нагрев тканей при облучении их ЭМП.
1. Существование потерь на токи проводимости и смещения в тканях организма приводит к образованию тепла при облучении. Количество тепла выделяемое в единицу времени веществом со среднем удельным сопротивлением (Ом/см) при воздействии на него раздельно электрической (Е) и магнитной (Н) составляющих на частоте f (Гц) определяются следующими зависимостями:
Qe
= 8,4×10×f×E ( Дж/мин )
Qп
= 8,4×10×f×H ( Дж/мин )
Доля потерь в общей величине поглощенной теплом энергии возрастает с частотой.
2. Наличие отражения на границе «воздух-ткань» приводит к уменьшению теплового эффекта на всех частотах приблизительно одинаково.
Табл.7.1 Коэффициент отражения Ко от границ между тканями при различных частотах.
| Частота, МГц
|
| Границы раздела
|
100
|
200
|
400
|
1000
|
3000
|
10000
|
24500
|
| воздух -кожа
|
0.758
|
0.684
|
0.623
|
0.57
|
0.55
|
0.53
|
0.47
|
| кожа -
жир
|
0.340
|
0.227
|
-
|
0.231
|
0.190
|
0.230
|
0.22
|
| жир - мышцы
|
0.355
|
0.351
|
0.33
|
0.26
|
-
|
-
|
-
|
С учетом Ко плотность мощности, поглощаемая телом, будет равна:
Ппогл
= П×( 1- Ко ),
где П - плотность потока мощности.
3. Глубина проникновения энергии СВЧ вглубь тканей зависит от резисторных и диэлектрических свойств ткани и от частоты.
Табл.7.2 Глубина проникновения энергии СВЧ в различные ткани при изменении поля в е раз в долях длины волн.
| l, см.
|
| Ткань
|
300
|
150
|
75
|
30
|
10
|
3
|
1.25
|
0.86
|
| Головной мозг
|
0.012
|
0.028
|
0.028
|
0.064
|
0.048
|
0.053
|
0.059
|
0.043
|
| Хрусталик глаза
|
0.029
|
0.030
|
0.056
|
0.098
|
0.050
|
0.057
|
0.055
|
0.043
|
| Стекловидное тело
|
0.007
|
0.011
|
0.019
|
0.042
|
0.054
|
0.063
|
0.036
|
0.036
|
| Жир
|
0.068
|
0.083
|
0.120
|
0.210
|
0.240
|
0.370
|
0.270
|
-
|
| Мышцы
|
0.011
|
0.015
|
0.025
|
0.050
|
-
|
0.100
|
-
|
-
|
| Кожа
|
0.012
|
0.018
|
0.029
|
0.056
|
0.066
|
0.063
|
0.058
|
-
|
4. Соизмеримость размеров тела с длинной волны приводит к появлению существенной частотной зависимости взаимодействия поля с телом. Эффект облучения тела человека сильно зависит от поляризации и ракурса освещения его радиоволн CВЧ.
5. Существование между различными слоями тела слоев с малой диэлектрической проницаемостью приводит к возникновению резонансов - стоячих волн большой амплитуды, которые приводят к так называемым микронагревам.
6. Перераспределение тепловой энергии между соседними тканями через кровь наряду с конвенционной отдачей энергии теплоиспусканием в окружающее пространство во многом определяет температуру нагреваемых участков тела. Именно из-за ухудшенной системы отвода тепла от некоторых сред ( глаза и ткани семенников - в них очень мало кровеносных сосудов). Эти органы тела наиболее уязвимы для облучения. Критическим для глаз считается повышение температуры на 10 град. С. Высокая чувствительность семенников к облучению связана с известным фактом, что при нагревании их всего на 1 град. С. Возникает частичная или полная временная стерилизация.
Кроме теплового действия радиоволн СВЧ на живой организм, оказывает влияние и специфическое их действие.
Наиболее общим эффектом действия радиоволн на организм человека (электромагнитных излучений малых уровней) является дезадонтация - нарушение функций механизма, регулирующих приспособительные реакции организма к изменениям условий внешней среды ( к теплу, холоду, шуму, психологических травм т. п. ) т. е. СВЧ поле является типичным стрессом.
К специфическим эффектом воздействия поля также относятся:
·Кумуляция - приводит к тому, что при воздействии прерывистого облучения суммарных эффект накапливается и зависит от величены эффекта с самого начала воздействия.
·Сенсибилизация - заключается в повышении чувствительности организма после слабого радиооблучения к последующим воздействиям.
·Стимуляция - улучшение под влиянием поля общего состояния организма или чувствительности его органов.
В России проводятся широкие исследования, направленные на выяснения профессиональной вредности СВЧ радиоволн. Исследования позволили выявить у лиц, подвергающихся хроническому СВЧ воздействию, определенные изменения со стороны нервной и сердечно-сосудистой систем, эндокринных желез, крови и лимфы, хотя в подавляющем большинстве случаев эти изменения носят обратимый характер. При хроническом действии СВЧ поля были обнаружены также случаи помутнения хрусталика и снижения обонятельной чувствительности человека.
При плотности мощности СВЧ поглощаемой телом ( П ) больше 5-10 мВт/cм, и хроническом действии полей меньшей интенсивности, наблюдается, как правило, отрицательное влияние облучения, появляется повышенная утомляемость, слабость, вялость, разбитость, раздражительность, головокружение. Иногда наблюдается приливы к голове, чувство жара, половая слабость, приступы тошноты, потемнения в глазах. Изучаются генетические последствия воздействия радиоволн.
7.2. Защита обслуживающего персонала от СВЧ излучений
Радиолокационная станция включает в себя мощные СВЧ устройства, в которых генераторы высокочастотной энергии имеют мощность около сотен киловатт в импульсном режиме. Даже если небольшая часть этой мощности просачивается в окружающее установку пространство, это может представлять опасность для окружающих: воздействие достаточно мощного СВЧ излучения на зрение, нервную систему и другие органы человека может вызвать серьезные болезненные явления. Поэтому при работе с мощными источниками СВЧ энергии необходимо неукоснительно соблюдать требования техники безопасности.
В нашей стране установлена безопасная норма СВЧ излучения, т.е. так называемая санитарная норма — 10 мкВт/см
. Она означает, что в месте нахождения обслуживающего персонала мощность потока СВЧ энергии не должна превышать 10 мкВт
на каждый квадратный сантиметр поверхности. Эта норма взята с многократным запасом. Так, например, в США в 60-е
годы была норма в 1000
раз большая — 10 мВт/см
.
Следует отметить, что по мере удаления от мест излучения СВЧ мощности — от резонаторных камер или волноводных систем, где производится обработка с помощью СВЧ энергии, — поток излученной энергии быстро ослабевает (обратно пропорционально квадрату расстояния). Поэтому можно установить безопасную границу, где уровень излучения ниже нормы, и выполнить её в виде ограждения, за которое нельзя заходить во время выполнения технологического процесса. При этом защитные устройства получаются достаточно простыми и недорогими.
В настоящее время существует несколько видов как твердых, тик и мягких (типа резины) поглощающих материалов, которые уже при толщине в несколько миллиметров обеспечивают практически полное поглощение просачивающейся СВЧ энергии.
Поглощающий материал закладывается в щели между теми металлическими деталями резонаторных камер или волноводных структур, которые не могут быть соединены сваркой или пайкой.
Предотвращение излучения через отверстие для наблюдения или подачи воздуха осуществляется применением металлических трубок достаточно малого внутреннего диаметра и необходимой длины. Такие трубки являются запредельными волноводами и практически не пропускают СВЧ энергию. Необходимо, чтобы внутренний радиус R
был в 10...15 раз меньше рабочей длины волны. В этом случае погонное затухание (в децибелах на сантиметр) на низшем типе волны H11
может быть приблизительно определено по формуле L=16/R
, а общее затухание при длине трубки l
становится равным 16l/R дБ
.
Рассмотрим численный пример. Пусть рабочая длина волны l=23 см
. Возьмем трубку с внутренним радиусом R=1,5 см
. Пользуясь формулой для L
, определим, что на каждом сантиметре длины трубки погонное затухание L=16/1,5=10,8 дБ/см
. Если мощность СВЧ колебаний резонатора составляет 1 кВт
, а вне трубки будем считать допустимой мощность 1 мкВт
, то на длине трубки l
должно быть ослабление 1кВт/1мкВт=1/10
=10
раз, или 60 дБ
. Длина трубки будет l=60/L=60/10,8=5,17 см
.
Окончательно длину трубки с внутренним диаметром 15 мм
можно принять равной 5 см
. Как видим, безопасный уровень излучения может быть получен при не очень длинных трубках и при достаточно больших диаметрах.
Для промышленных установок СВЧ характерна необходимость многоразового открывания и закрывания люков загрузки, и т.д. От этих операций защитные устройства, в особенности контактные, постепенно изнашиваются. Кроме того, с течением времени контактные поверхности окисляются. В результате излучение может возрасти в несколько раз и даже на один-два порядка. Поэтому необходимы систематическое наблюдение за состоянием защитных устройств, проведение периодических замеров уровня излучения. Отсюда и жесткие требования к надежности защитных устройств. Чтобы в эксплуатации нормы облучения не были превышены, заводские сдаточные нормы на излучение делают более жесткими. Так, в Японии допускается увеличение излучения от заводских норм до эксплуатационных при количестве открываний более 100 тыс
. раз. Собственно, при таких условиях и проводятся периодические заводские испытания защитных устройств.
Список литературы :
1. Проектирование СВЧ устройств радиолокационных приёмников - М.: Советское радио, 1973.
2. Разработка структурной схемы радиоприёмного устройства : Учебное пособие по курсовому проектированию. Сидоров В. М. -М.: типография ВЗЭИС, 1988.
3. Проектирование радиоприёмных устройств: Учебное пособие для вузов под редакцией А.П. Сиверса - М.: Советское радио, 1976 .
4. Радиоприёмные устройства: Учебник для вузов под редакцией
Н.Н.Фомина - М.: Радио и связь, 1996.
5. Радиоприемные устройства: О.В.Головин - М.: Высшая Школа, 1997
6. Новые транзисторы: Справочник, часть 1. -М.: Солон, Микротех,1996.
7. Диоды : Справочник, О.П. Григорьев и др. - М.: Радио и связь, 1990 . ( МРБ, Вып. 1158).
8. Аналоговые интегральные микросхемы для бытовой аппаратуры : Справочник, В.И. Атаев , В.А. Болотников.- М.: Издательство МЭИ , 1992 .
9. Конструирование и расчёт полосковых устройств: Учебное пособие для вузов под редакцией И.С. Ковалёва - М.: Советское радио , 1974 .
10.Резисторы : Справочник , В.В. Дубровский и др.; Под ред .
Четверткова и В.М. Терехова . – 2-е изд., перераб. и дополн.
- М.: Радио и связь, 1991.
11.Усилители с широким динамическим диапазоном на микросхемах: А.П.Лукошкин и др. - М.: Радио и связь, 1981
12. Руководство по технико-экономическому обоснованию дипломных проектов – М.: ВЗЭИС, 1974.
13.Расчет технико–экономических показателей радиотехнических устройств – методические указания к курсовому и дипломному проектированию – М.: ВЗЭИС, 1982.
14. Прайс-лист на отечественные и импортные электронные компоненты НПО "Симметрон" (от 8 мая 1998г, цены указаны с учетом НДС) - получен из Интернет с сервера www.symmetron.ru
|