Министерство общего и профессионального образования РФ
Брянский государственный
технический университет
Кафедра “Электротехника и
промышленная электроника”
РАСЧЁТНО-ГРАФИЧЕСКАЯ
РАБОТА №3
Несимметричные и несинусоидальные режимы
в трехфазных цепях
Студент группы 94-АТП
А. Е. Захаров
Преподаватель
Л. А. Потапов
|
Брянск 1997
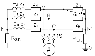
Исходные данные:

Фазная Э.Д.С. генератора ЕА
= 230 В;
Сопротивления генератора:
Ом; Ом; 
Rзг
= 3 Ом; Rзн
= 8 Ом; R = 5 Ом;
Сопротивление линии: 
Сопротивления двигателя:  
 
Решение:
I. Расчет трехфазной электрической цепи со статической нагрузкой (в исходной схеме включатель 1S разомкнут)
1. Рассчитать токи и напряжение UN’’O
(напряжение прикосновения) при симметричной нагрузке (в схеме отсутствует короткое замыкание).
Схема замещения:

Т. к. нагрузка симметричная, применим расчет на одну фазу: фазу А:

Напряжение прикосновения UN’’O
будет равно нулю, т. к. нагрузка симметричная.
2. Рассматривая электрическую цепь относительно выводов, которые замыкаются в результате короткого замыкания как активный двухполюсник, найти параметры активного двухполюсника.

Найдем эквивалентное сопротивление относительно точек а и b:

Окончательно

Получили
 3. Рассчитать ток короткого замыкания
 4. Найти все токи и сравнить с результатом расчета п. 3. Найти отношения токов в ветвях с источниками к соответствующим токам симметричного режима.
 

5. Определить активную мощность, потребляемую всеми приемниками в симметричном и несимметричном режимах работы.
При симметричной нагрузке:

В несимметричном режиме:

P = 114,4 * 45,6 * cos(400
- 450
) + 286,4 * 17,13 * cos(-1540
+ 190,70
) + 374,8 * 22,4 *
* cos(133,40
- 96,70
) + 160,3 * 53,4 * cos 00
= 5196,8 + 3933,5 + 6731,3 + 8560 = 24421,6 Вт;
II. Расчет трехфазной несимметричной
электрической цепи с двигательной нагрузкой
(в исходной схеме выключатель 1S замкнут)

1. Составляем эквивалентные схемы для каждой последовательности:
 Прямая последовательность:



Обратная последовательность:


Нулевая последовательность:


2. Сформировать систему шести линейных уравнений относительно неизвестных симметричных составляющих токов и напряжений на несимметричном участке линии.

3. С помощью ЭВМ найти неизвестные симметричные составляющие токов и напряжений.
Решая данную систему с помощью ЭВМ, получим:

4. По найденным в п. 3 симметричным составляющим рассчитать токи во всех ветвях. Проверить соответствие 1-го закона Кирхгофа для токов в узлах N’ и N’’.

5. Найти линейные напряжения на двигателе.

Токи в двигателе и линии при прямой последовательности:



Закон Кирхгофа выполняется, расчеты правильные.
III. Расчет несинусоидального режима
в трехфазной электрической цепи

Значение емкости находится из выражения:
С = Со
* (1 + 0,1N) = 70 * (1 + 0,6) = 112 мкФ;
где N – номер варианта;


Для 3-й гармоники имеем нулевую последовательность:

Для 5-ой гармоники соответствует обратная последовательность



Мгновенные гначения фазных токов будут:

Дуйствующие значения фазных токов:

Мгновенное значение тока в емкости будет равномгновенному значению тока в фазе С.
Для нахождения показания ваттметра найдем ток в нейтральном проводе:

|