Данные методические указания издаются в соответствии с учебным планом. Рассмотрены и одобрены кафедрой ИУ-6 21,12.87г.-методической комиссией факультета ИУ 23.12.87 г. и учебно-мето-дическим управлением 08.01.88 г.
Рецензент к.т.н. доц. Меньков А.В.
Московское высшее техническое училище имена Н.Э.Баумана
Цель лабораторного практикума - изучение режимов работы диодов и транзисторов в электронных схемах, установление связи между параметрами указанных приборов и параметрами электронных схем, в которых они работают.
Содержание
СОДЕРЖАНИЕ ОТЧЕТА ПО ЛАБОРАТОРНОЙ РАБОТЕ....................................... 2
Работа №1.
ДИОДЫ В ИСТОЧНИКАХ ПИТАНИЯ.................................................... 2
Работа № 2. ТРИ Схемы ВКлючения ТРАНзистора....................................... 8
Работа № 3. ключевой РЕжим РАБОТЫ ТРАНЗИСТОРА................................ 14
Работа №4. УНИПОЛЯРНЫЙ ТРАНЗИСТОР В ШИРОКОПОЛОСНОМ УСИЛИТЕЛЬНОМ КАСКАДЕ С RC –СВЯЗЯМИ................................................................................................... 18
Редактор Н.Г.Ковалевская Корректор Л.И.Малютина
СОДЕРЖАНИЕ ОТЧЕТА ПО ЛАБОРАТОРНОЙ РАБОТЕ
Отчеты по проведенным лабораторным работам должны включать:
1. Наименование работы.
2. Чертеж принципиальной схемы макета лабораторной работы.
3. Дня каждого этапа выполняемой работы – наименование этапа и результаты (в форме таблиц, графиков, зарисовок осциллограмм).
4. Краткие выводы по рабе те в целом.
Работа №1.
ДИОДЫ В ИСТОЧНИКАХ ПИТАНИЯ
Цель работы
- исследование характеристик и параметроввыпрямительныхсхем и стабилизаторов напряжения. Продолжительность работы - 3,5 часа.
Теоретическая часть
Электронные приборы и устройства требуют для своего питания стабильного напряжения постоянного тока. В большинстве практических случаев такое напряжение получают из переменного напряжения сети с помощью вторичных источников питания, включающих выпрямитель сетевого напряжения, сглаживающий фильтр и стабилизатор напряжения (рис. I).
Рис.1 Структурная схема вторичного источника питания
В состав выпрямителя обычно входят:
силовой трансформатор, предназначен для получения необходимых величин переменного напряженияиз напряжения сети, а также для гальванической развязки с сетью;
вентильная группа (чаще всего полупроводниковые диоды), преобразующая напряжение переменного тока в пульсирующее напряжение постоянного тока;
емкостная нагрузка вентильной группы, представляющая собой конденсатор относительно большой емкости, который можно также рассматривать как простой емкостный сглаживающий фильтр. Сглаживающий фильтр, подключаемый к выходу выпрямителя, уменьшает пульсации выходного напряжения.
Если к выходному напряжению предъявляются высокие требования по стабильности при колебаниях напряжения сети и тока нагрузки, то в источник питания вводится стабилизатор напряжения.
На рис. 2а представлена схема однополупериодного выпрямителя с полупроводниковым выпрямительным диодом V
.
Как известно, вольтамперная характеристика (BAX) выпрямительного диода имеет вид, представленный на рис. 3. Для упрощения практических расчетов ее часто представляют на основе кусочно-линейной аппроксимации двумя .участками прямых АВ
и ВС
,
причем АВ
идет по оси абсцисс, а наклон ВС
определяется средним, прямым сопротивлением диода . С целью дальнейшего упрощения иногда принимают UgH
» 0
и тогда точка В смещается в начало координат. Как следуетиз такой аппроксимация ВАX, диод представляют элементом с односторонней проводимостью, его внутреннее сопротивление на участке ВА
стремится к бесконечности, а на участке ВС
сравнительно мало.

Рис. 2. Схемы выпрямителей: а - однополупериодного, б – двухполупериодного (мостового)
На рис. 4 приведены временные диаграммы напряжений и токов в выпрямителе, работающем на емкостную нагрузку. В интервале времени t2
– t1
, соответствующем изменению фазового угла wt2
– wt1
,
диод открыт и через него протекают токи нагрузки и заряда конденсатора С
.
Постоянная времени заряда tзар
= С(RH
||Rпот
)
,
где сопротивление потерь
Rпот
= Rпр.ср.+Rтр
(Rтр
- активное сопротивление потерь трансформатора). Практически всегда Rпот
£ RH
и tзар
@ С(RH
||Rпот
.
В остальную часть периода диод закрыт. В течение этого времени конденсатор разряжается tразр
» С(RH
||Rобр
+Rтр
)).
Поскольку у правильно выбранных диодов их обратное сопротивление Rобр
³Rтр
+RH
,
постоянная времени разряда tразр
» СRH
и t разр
<<tзар
-т.е. процессы заряда и разряда конденсатора С
идут с разной скоростью. Следовательно, появляется постоянная составляющая напряжения Uc
,
на диоде обратное напряжение .может достигать величины Uобр
=2U2m
. Поэтому диод выбирают с Uобр.макс
>2U2m
.
Фазовый угол, в течение которого диод открыт, обозначается 2q=wt2
-wt1
, где q
-
угол отсечка. Чем меньше q
. тем больше U0
и меньше пульсации. Поэтому q
желательно уменьшать.
В установившемся режиме площади под кривыми тока заряда конденсатора Jсз
и тока разряда Jcр
одинаковы. Основные расчетные параметры выпрямителя являются функциями коэффициента , где m=1
для однополупериодного и m = 2
для двухполупериодного выпрямителей.
С помощью этого параметра определяют необходимые значения:
Jm
- максимального импульса тока через диод;
J2
- действующего значения тока вторичной обмотки трансформатора;
E2
-
действующего значения ЭДС вторичной обмотки.
С помощью коэффициента A(q)
при расчетах определяюти коэффициент пульсаций, равный отношению напряжения первой гармоники к постоянной составляющей выпрямленного напряжения U0
'
.
Выходное сопротивление , где DU0
и DJ0
,находят по нагрузочной характеристике источника U0
=f(J0
); U0
и J0
- напряжение и ток нагрузки.
На рис. 26 приведена схема двухполупериодного мостовоговыпрямителя. Ее особенностью является то, что за период через диоды протекают два импульса тока. В одном полупериоде ток течет через диода V2
и V3
(пунктирные стрелки), в другом – через диоды V1
и V4
. Частота пульсаций выше в два раза, а величина их меньше. Обратное напряжение на диодах ниже в две раза Uобр.макс
>2U2m
по сравнению с однополупериодной схемой. Еще одной особенностью этой схемы является отсутствие в трансформаторе постоянного подмагничивания, так как ток вторичной обмотки в полупериодах протекает в противоположных направлениях.
Для уменьшения пульсации выходного напряжения между выпрямителем и нагрузкой часто включают сглаживающий фильтр. Качество сглаживания определяется коэффициентом сглаживания, равным отношению коэффициента пульсации на входе фильтра к коэффициенту пульсации на его выходе

Например, простой LC
-фильтр, представляющий собой последовательно о нагрузкой включенный дроссель и параллельно c нагрузкой включенный конденсатор, существенно уменьшает пульсации, поскольку для постоянной составляющей U0
сопротивление дросселя близко к 0, а конденсатора - к бесконечности, для пульсирующей - наоборот, поэтому постоянная составляющая проходит через фильтр практически без изменений, а пульсирующая существенно уменьшается.
Использование электронного стабилизатора позволяет значительно уменьшить кп
, Rвых
, а также зависимость U0
от колебаний напряжения сети и тока нагрузки. Качество стабилизации оценивается коэффициентом стабилизации при постоянном токе нагрузки

где DUвых
- приращение U0
при изменении Uвх
на величину DUвх
;
Uвх.ном
; Uвых.ном
- номинальные значения напряжений.

Рис. 5. Параметрический стабилизатор (а) и вольт-амперная характеристика стабилитрона (б)
Простейшим электронным стабилизатором является параметрический стабилизатор (рис. 5а), состоящий из балластного сопротивления Rб
и стабилитрона. Он устанавливается в источнике питания между нагрузкой и выпрямителем со сглаживающим фильтром, если таковой имеется. В этой схеме используется свойство обратно смещенного стабилитрона сохранять напряжение в области пробоя практически неизменным при значительных избиениях протекающего через него тока (рис. 56, обратная ветвь ВДХ стабилитрона в области Uст
). При отклонении Uвх
от номинального значения почти все приращение входного напряжения падает на Rб
,
а выходное напряжение практически не меняется. При изменении тока нагрузки J2
(Uвх
– const)
перераспределение тока между стабилитроном и нагрузкой (изменяется Jcт
) почти без изменения общего тока J1
. Следовательно, напряжение на нагрузке остается практически постоянным. Коэффициент стабилизации параметрического стабилизатора определяется по формуле

где rg
- динамическое сопротивление стабилитрона.
Выходное сопротивление стабилизатора Rвых
=Rб
||rg
»rg
так как rg
<<Rб
.
Описание макета
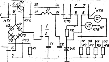
Макет, схема которого представленана рис. 6, включает:
- выпрямитель, который в зависимости от положения переключателя BI может работать по однополупериодной или мостовой схеме;
- LC –фильтр /L1,C2
/;
- параметрический стабилизатор /R2,V6/
;'
-
контрольно-измерительные приборы (I1, V2);
-
дискретно изменяющуюся нагрузку (R3,R4,R5,R6);
- емкостную нагрузку (CI
).

Риc.6. Схема макета лабораторной работы №1
Задание
1. Исследовать работу однополупериодной и двухполупериодной схем выпрямителя для случаев:
активной нагрузки;
емкостной нагрузки;
зарисовать форму выходного напряжения, а также форму тока, протекающего через диод.
2. Определить с помощью осциллографа угол отсечки q
и коэффициент пульсаций кп
для одно- и двухполупериодной схем.
3. Исследовать сглаживающее действие фильтра LC при одно- и двухполупериодном выпрямлении. Определить коэффициенты сглаживания.
4. Отснять нагрузочные характеристики выпрямителя и определить его выходное сопротивление.
5. Подключить к выпрямителю параметрический стабилизатор, снять нагрузочную характеристику стабилизатора и определить по ней его выходное сопротивление, определить коэффициент стабилизации (схема выпрямителя мостовая, фильтр LC отключен).
kонтрольные вопросы
1. Как работают однополупериодный и двухполупериодныймостовой выпрямители?'
2. Каковы основные параметры выпрямителей?
3. На чем основана работа LC -фильтра и что такое коэффициент сглаживания?
4. Как определяется коэффициент стабилизации стабилизатора?
5. Что такое угол отсечки и как его измерить?
6. Что такое нагрузочная характеристика, как она снимается и какие параметры можно по ней определить?
7. Объясните работу параметрического стабилизатора.
8. В чем отличие работы диода в однополупериодной и двух-полупериодной мостовой схемах?
9. Чему равен угол отсечки при коротком замыкании нагрузки и при холостом ходе?
Литература
1.Иванов-Цаганов А.И. Электротехнические устройства радио-систем: Учеб. для студентов радиотехн. спец. вузов. - 3-е изд., перераб. и доп. - М.: Высшая школа, 1984.- 280 о., илл.
2. Вересов Г.П. Электропитание бытовой радиоэлектронной аппаратуры. -М.:
Радио и связь, 1983. - 128 с., ил.
Работа № 2. ТРИ Схемы ВКлючения ТРАНзистора
Цель работы
- изучить, как влияют различные способы включения биполярного транзистора и величина сопротивления нагрузки на свойства усилительного каскада,
Продолжительность работы - 3,5 часа.
Теоретическая часть
В транзисторных схемах источник сигнала может включаться в цепь базы или эмиттера, нагрузка - в цепь коллектора или эмиттера, а третий электрод транзистора оказывается общим для входной и выходной цепи. В зависимости от того, какой электрод транзистора оказывается общим, различают схемы ОЭ (о общим эмиттером), ОБ (с общей базой) и ОК (с общим коллектором), показанные на рис. 7.
В этих схемах конденсаторы С1
и С2
служат для связи каскада с источником сигнала и нагрузкой на переменном токе и исключают в то же время влияние источника сигнала и нагрузки на режим работы каскада по постоянному току. Резисторы R1, R2, Rк
и Rэ
обеспечивают выбранный режим работы транзистора в активной области, т.е. выбранное положение рабочей точки на вольт-амперных характеристиках транзистора. Конденсатор СЗ
выполняет роль блокировочного конденсатора, исключая из работы на переменном токе резистор Rэ
(каскад ОЭ) или делитель напряжения в цепи базы R1, R2
(каскад ОБ), и тем самым обеспечивает присоединение эмиттера(базы) к общей точке схемы.

Для анализа транзисторных схем важно знать,как связаны электродные тока и напряжения между выводами транзистора, т.е. знать вольт-амперные характеристики.
Прианализе каскада ОЭ удобно пользоваться зависимостями Iб
=f1
(Uбэ
, Uкэ
)
и Iк
=f2
(Uкэ
,Iб
).
Первые из них называются семейством входных, а вторые - семейством выходных характеристик. Их типичный вид приведен на рис. 8. Здесь же приведена построенная нагрузочная прямая по постоянному току и выбранная на ней рабочая точка транзистора А с координатами IкА,
UкэА
, Iб
, которая отображена также на семействе входных характеристик и имеет координаторы IбА,
(UбэА
, IкэА
).
Для построенной нагрузочной прямой Iк
=(Ек
-Uкэ
)/(Rк
+Rэ
)
(рис.8а) транзистop будет работать в активном режиме при токах базы в диапазоне Iк0
- IбН
.
В усилительных схемах транзистор работает в активном режиме когда эмиттерный переход смещен прямо (для р-п-р-транзистора Uбэ
>0
), а коллекторный - обратно (Uбк
>0)
. При этом транзистор обладает усилительными свойствами и токи его электродов связаны между собой через статические коэффициенты передачи по току транзистора В
и a
В= Iк
/Iб
, В+1= Iэ
/Iб,
a= Iк
/Iэ
откуда следует, что В=a/(1-a), a=В/В+1
.

Рис. 8 . Статические вольт-амперные характеристики транзистора: а) выходные, б) входные.

Для оценки параметров усилителя его принципиальную схему преобразуют в эквивалентную, в которой транзистор замещается своей малосигнальной эквивалентной схемой рис. 9.
Нас интересуют формулы для кu
, кi,
кp,
Rвх
и Rвых
в диапазоне средних частот. На этих частотах можно не учитывать частотную зависимость коэффициента передачи по току и емкость Скэ
(она отбрасывается). Емкости конденсаторов CI, C2
и СЗ
выбирают настолько большими, чтобы на средних частотахих сопротивление было пренебрежимо малым по сравнению с суммарным сопротивлением окружающих их резисторов. Поэтому в эквивалентной схеме на рис.10 они представлены коротко- замкнутыми ветвями. То же относится и к источнику питания Ек
, так как схема на рис.10 справедлива только для переменных составляющих токов и напряжений. С учетом сказанного резисторы R1
и R2
,
так же как и резисторы Rк
и RH
(RH
- нагрузка, подключается к выходным клеммам усилителя), оказываются соединенными параллельно. Поэтому в эквивалентной схеме фигурируют Rб
= R1
||R2
и RkH
= Rk
||RH
.
Аналогично можно получить эквивалентные схемы для каскадов ОБ и ОК. Применяя к эквивалентным схемам каскадов известные методы анализа электрических цепей (например, метод контурных токов), можно получить приближенные формулы для оценки основных параметров усилительных каскадов, представленные в таблице. В этих формулах
RЭH
= RЭ
||RH
Rвх троэ
= rf
+ rЭ
(B+1),
где rЭ
=26 мВ/IЭА
, R'=Rr
Rб
/( Rr
+Rб
),
а Rr
-
внутреннее сопротивление источника сигнала. Для всех схем кр
=кu
кi
.

Верхняя граничная частота полосы пропускания (на этой частоте Uвых
в раз меньше, чем на средней частоте) транзисторного каскада зависит от параметров транзистора fh21б
, B, Cк
, rб
и rэ
, нагрузки RH
,CH
,
внутреннего сопротивления источника сигнала Rr
и схемы включения транзистора. Дkя любого усилительного каскада fв
=(2ptв
)-1
где tв
=G
(tв
+Cкэ
RкH
)
+CH
RкH
.
В последней формуле tв
=(B+1)/ 2p fh21б
, Cкэ=Cк
(B+1)
,
а коэффициент G
для каждой схемы включения транзистора вычисляют по формулам таблицы.
Описание макета
Исследуемая в работе схема представлена на рис. II. С помощью переключателей, расположенных на передней панели лабораторной установки, можно путем соответствующей коммутации эмиттерной, базовой и коллекторной цепей транзистора собрать любой из трех усилительных каскадов (ОЭ, ОБ или ОК).
Для оценки входного тока усилителя служат измерительные резисторы R1
(ОЭ, ОК) и R6
(ОБ). При этом iвх
=(Uг
-Uвх
)/Rизм
,
где Uг
. -
напряжение на клеммах генератора, Uвх
напряжение на входе усилителя (за измерительным резистором).
При опенке выходного сопротивления усилителя
Rвых
=Uвых xx
/iвых кз
будем считать, что холостой ход на выходе усилителя возникает, если установить RH
=RHмакс
, а режим короткого замыкания – при RH
=RHмин
,
так как других возможностей данная лабораторная установка не предоставляет.

Рис. II. Схема макета лабораторной работы № 2
Питание усилительного каскада осуществляется от источника G1, напряжение на выходе которого устанавливают 10 В.
В исследуемой схеме стоит маломощный низкочастотный транзистор МП42А ( fh21б
= 1¸3 мГц, В= 30¸50, rб
=
200 Ом, Ск
= 30 пФ, Ркмакс
=200 мВт). Резисторы и конденсаторы имеют следующие номиналы: R1
=1 кОм, R2
=11 кОм, R3
=5.1 кОм, R4
=R5
=R9
=3.6 кОм, R6
=470 Ом, R7
=20 Ом, R8
=510 Ом, R10
=10 кОм, С1
=С2
=С3
=20 мкф.
Задание
Подготовить к работе генератор стандартных сигналов (ГСС) и милливольтметр переменного тока с большим входным сопротивлением. Ознакомившись с назначением органов управления лабораторной установки и присоединив к ней измерительные приборы, подключить установку к сети переменного тока.
1. Подавая на вход схемы синусоидальный сигнал с частотой fc=2кГц (средняя частота для усилителя) и напряжением Uг = 35 мВ, для каждого из усилительных каскадов ОЭ, ОБ, ОК провести экспериментальную оценку малосигнальных параметров каскада Rвх
,
кi
, кu
, кр
, Rвых
различных сопротивлениях нагрузки RН
. Построить зависимости параметров усилителя от RН
.
2. Используя формулы таблицы, оценить те же параметры усилителя и вычислить относительное расхождение между экспериментальными и аналитическими результатами.
3. Пользуясь экспериментальными данными определить, какой каскад и при каких RН
обладает наибольшим усилением по мощности. Объясните почему?
4. Дать заключение, как соотносятся между собой у различных каскадов кi
, кu
, Rвх
, Rвых.
Объясните полученные результаты.
5. Экспериментально определить верхнюю граничную частоту для каждогоиз каскадов ОЭ, ОБ и ОК при RН
=
R10
.
Напряжение на выходе ГСС поддерживать неизменным на всех частотах и равным 35 мВ.
6. Рассчитать fв для каждого каскада и сопоставить расчетные и экспериментально полученные значения между собой.
Контрольные вопросы
1. Какова малосигнальная эквивалентнаясхема транзистора, транзисторных каскадов ОЭ, ОБ, ОК?
2. Чем отличаются между собой усилительные каскады ОЭ, ОБ, ОК (схемные различия, различия в параметрах и характеристиках)?
3. Как измерить входное и выходное сопротивления усилителя, усиление по напряжению, току, мощности?
4. Объясните, почему возникают искажения в транзисторных каскадах? Какова природа возникающих искажений?
5. Дайте определение граничной частоты усилителя.
Литература
1. В.Г.Гусев, Ю.М.Гусев. Электроника. -
М.: Высшая школа,1982. - С. I62-I78.
2. Е.И.Манаев. Основы радиоэлектроники. - М.: Радио и связь, 1985. - С. 95-100, I30-I32.
Работа № 3.
ключевой РЕжим РАБОТЫ ТРАНЗИСТОРА
Цель работы
- исследовать статические режимы и переходные процессы в схеме простого транзисторного ключа. Продолжительность работы - 3,5 часа.
Теоретическая часть
Транзисторные ключи (ТК) являются основой логических элементов ЭВМ. Дня отображения двоичных символов используются статические состояния ТК, в которых транзистор работает в режимах отсечки или насыщения. Во время переходных процессов при переключениииз одного статического состояния в другое транзистор работает в нормальном и инверсном активных режимах.
Основными параметрами статических состояний ТК являются напряжение насыщения Uкэн и обратный ток Jко. Режим отсечки ТК (рис. 12) характеризуется низким уровнем напряжения
Uвых
=-Ек+JкоRк»-Ек.
В режиме насыщения через ТК протекает ток
Uвых
=Uкэ
»0.
Основными параметрами переходных процессов являются: при включении ТК tз
-
время задержки и tф
-
длительность фронта, а при выключении tрас
- время рассасывания накопленного в базе заряда и tc
- длительность среза.
На рис. 13 представлены временные диаграммы, иллюстрирующие переходные процессы в ТK. Время задержки , где tвх
=Rб
Свх
; Uб0
- начальное напряжение на Свх
.
Длительность фронта определяется по формуле

Рис. 13. Временные диаграммы работы транзисторного ключа
Для удобства измерения фронта его часто определяют как время нарастания тока от уровня 0.1Jкн
до уровня 0.9Jкн
; . В этих формулах (fв
-верхняя граничная частота каскада ОЭ),а
- коэффициент насыщения. Ток базы, соответствующий границе насыщения,
Время рассасывания заряда в базе , где tu
- время жизни неосновных носителей в базе в режиме насыщения.
Время рассасывания характеризуется интервалом времени от момента подачи запирающего входного напряжения +Еб2
до момента, когда заряд в базе уменьшается до граничного значения Qгр
=Jбн
tu
,
при котором транзистор переходит из насыщенного состояния в активный режим. Если коллекторный переход запирается раньше эмиттерного (tк
<tэ
)
то транзистор переходит в нормальный активный режим, если наоборот (tэ
u
<
tк
u
),
то в инверсный активный режим. В последнем случае на графике Jk
и Uк
появляется характерный выброс (рис. 13, штриховые линии).
Заканчивается переходный процесс при выключении транзистора срезом выходного напряжения (задним фронтом). Длительность tc можно оценить, считая, что процесс формирования заднего фронта заканчивается при Q»0. Тогда .
Однако в реальных схемах большая часть среза выходного напряжения происходит, когда транзистор находится в режимаотсечки.
Поэтому длительность среза определяется постоянной времени tк
=Rк
Ск
или tк
=Rк(Ск+Сн)
с учетом емкости нагрузки Сн.
Конденсатор С
в схеме ТК (рис. 12. пунктир) является форсирующим. Он позволяет увеличить токи базы Jб1
и Jб2
нa короткий промежуток времени, в то время как стационарные токи базы практически не меняются, это приводит к повышению быстродействия ТК. Другим способом увеличения быстродействия ТК является введение нелинейной обратной связи. Диод с малым временем восстановления (диод Шоттки), включенный между коллектором и базой, предотвращает глубокое насыщение ТК, фиксируя потенциал коллектора относительно потенциала базы. Такие ТК называют ненасыщенными.
Описание макета
Макет, схема которого показана на рис. 14, позволяет исследовать статические состояния ключа и переходные процессы в нем. В первом случае с помощью переключателя BI возможна подача в цепь базы низкого уровня напряжения от источника G1 с сопротивлением в его -цепи R1. Для измерения постоянных токов и напряжений в цепях ключа используется прибор, установленный на панели лабораторного стенда о пределами измерения тока J1=20 мА,
J2=
200 мкА, U1=20В, U2=0,2 В.

Рис. 14. Схема макета лабораторной работы и 3
При исследовании переходных процессов на вход схемы подаются импульсы отрицательной полярности амплитудой не более 15 В от генератора прямоугольных импульсов. В схеме макета предусмотрена возможность установки в коллекторной и базовой цепях транзистора различных деталей (резисторов и конденсаторов) с целью исследования влиянияих параметров на свойства исследуемого ключа. Так, возможна смена резисторов в коллекторной цепи (переключатель В4),подключение к схеме ускоряющего конденсатора С2 (переключательВ2), подключение к выходу ключа нагрузочного конденсатора СЗ (переключатель ВЗ). В схеме установлен маломощный низкочастотный транзистор МП42А ( fa = I...3 мГц, Вст = 30...60, Ск= 30 пф, Ркмакс=200мвт). Резисторы и конденсаторы имеют следующие номиналы:
| R1=75 кОм, |
R6=5,1 кОм |
| R2=3 кОм |
R7=10 кОм |
| R3=,130 Ом. |
R8=75 кОм |
| R4=910 Ом, |
C1=10,0 мкф |
| R5=30 кОм |
C2=1000 пФ |
| C3=470 пф. |
Напряжение источника G1 следует установить равным 10 В.
Задание
1. Измерить статический коэффициент усиления по току транзистора, установленного в
ключе.
2. Исследовать статические состояния ТК при различных Rк.
Определить величину сопротивления Rк
,
соответствующую границе насыщения.
3. Исследовать характеристики ТК в динамическом режиме. Выявить зависимости основных параметров переходных процессов tф
,tрас
,tc
от амплитуда входного напряжения. Построить соответствующие графики. Для одногоиз значений входного напряжения рассчитать- tф
,tрас
,tc
по приведенным формулам. Оценить расхождение расчетных величин и измеренных.
4. Исследовать влияние форсирующего конденсаторана основные параметры переходных процессов.
5. Определить, на какие параметры ТК оказывает влияние конденсатор нагрузочной цепи.
6. Определить, прикаких параметрах коммутируемых элементов схемы ТК макета возникает инверсное запирание.
Контрольные вопросы
1. Каково назначение ключевой схемы?
2.
Какими основными параметрами характеризуется ключ?
3. Как зависят параметры переходных процессов от глубины насыщения?
4. Что такое инверсное запирание ТК?
5. В чем смысл введения форсирующего конденсатора?
6. Как влияет емкость нагрузки на длительность переходных процессов?
7. Как влияет амплитуда входного сигнала на параметры ТК?
8. Поясните процессы в ТК по временной диаграмме.
Литература
Гусев В.Г., Гусев Ю.М. Электроника. - U.: Высшая школа,1982. - 495 с., ил.
Работа №4. УНИПОЛЯРНЫЙ ТРАНЗИСТОР В ШИРОКОПОЛОСНОМ УСИЛИТЕЛЬНОМ КАСКАДЕ С
RC –СВЯЗЯМИ.
Цель работы
- установить связь между параметрами униполярного транзистора и других деталей схемы и параметрами ШУ, изучить способы расширения полосы пропускания ШУ.
Продолжительность работы - 3,5 часа.
Теоретическая часть
На рис.15 приведена принципиальная схема усилительного каскада с RC-связями на униполярном транзисторе. Конденсаторы Cp1, Cp2 .разделяют каскада по постоянному току, резистор R3 обеспечивает утечку тока в цеgи затвора.
При анализе работы усилителей на первом этапе рассматривают работу схемы на постоянном токе, т.е. определяют положение рабочей точки транзистора ( Ic, Ucн, Uзн), а
также токи и напряжения для остальных ветвей схемы. Это часто и наиболее просто осуществляется графоаналитическим методом, предполагающим построение нагрузочной прямой Ic=(Ec-Uсн)/Rc
и динамической стоко-затворной характеристики транзистора Ic=f1
(Uзн)
при Rc=const
, на которых намечают положение рабочей точки. В свою очередь, нагрузочная прямая и динамическая стоко-затворная характеристика предварительно строятся на семействах статических стоковых Ic=f1
(Uсн)
при Uзн =const
и стоко-затворных Ic=f2
(Uзн)
при Uсн =const
характеристик. На рис. 16 приведен примерный вид таких характеристик для униполярного транзистора.
От положения рабочей точки транзистора усилительного каскада зависят параметры транзистора, а следовательно, и параметры усилителя, такие, например, как коэффициент усиления по напряжению кu0
,
допустимая величина входного напряжения Uвхмакс
превышение которой ведет к искажению выходного сигнала, коэффициент полезного действия и т.д. При заданных Ес и Rc изменить положение рабочей точки транзистора можно только за счет изменения напряжения источника Есм (см.рис.15).

Рис.16. Статические вольт-амперные характеристики униполярного транзистора : а) стоковые, б) стоко-затворные
Рабочая точка транзистора обычно выбирается близко к середине линейного участка динамической стоко-затворной характеристики (класс А). При этом будет обеспечена наибольшая величина допустимого входного напряжения Uвхмакс при двуполярном (в частном случае синусоидальном) входном сигнале.
При анализе работы схем на униполярных транзисторах по переменному току используется малосигнальная эквивалентная схема транзистора, изображенная на рис. 17а. Здесь Ri
–
внутреннее дифференциальное сопротивление транзистора (сопротивление канала), S
- крутизна стоко-затворной характеристики в рабочей точке, Сзн, Сзс и Ccн
- межэлектродные емкости транзистора, называемые соответственно входной, проходной и выходной. Этусхемуможно преобразовать в эквивалентную ей (рис. 17б), в которой фигурирует входная динамическая емкость транзистора Свхдин
,
определяемая соотношением Свхдин=Сзн+Сзс(1+К),
где К
- коэффициент усиления каскада по напряжению. На рис. 17в-д показаны эквивалентные схемы усилительного каскада отдельно для средних, высоких и низких частот. На средних частотах, когда реактивные компоненты схемы можно не учитывать, нетрудно получить формулу для коэффициента усиления по напряжению кu0
=S(Ri||Rc||Rн).
Учитывая, что в большинстве случаев Ri>>Rc
и Rн>>Rc, кu0
@SRс.

На высоких частотах нельзя пренебрегать емкостями, шунтирующими нагрузку. К ним относятся: выходная емкость рассматриваемого каскада, входная динамическая емкость транзистора следующего каскада (или емкость нагрузки) и паразитная монтажная емкость. Эти емкости включены между собой параллельно, поэтому в эквивалентной схеме рис. 17г емкость С0
равна их сумме.
Постоянная времени tв
перезаряда заряда емкости С0
равна: tв
=С0(Ri||Rc||Rн).
Соответственно высшая граничная частота fв полосы пропускания усилителя определяется как fв =(2ptв
)-1
. Расширить полосу пропускания усилителя в условиях, когда уже заданы Rн
и тип транзистора, можно только за счет уменьшения Rc
. Однако при этом уменьшается кu0
.
На низких частотах становится заметным сопротивление разделительного конденсатора Ср. Постоянная времени tн
перезаряда Ср как видно из эквивалентной схема рис. 17д, равна tн
=ср
(Ri
||Rc+Rн),
и если в качестве Rн
выступает Rз
последующего каскада, то Rн>>Rc
, и тогда tн
@Ср
Rн
. Низшая граничная частота fн
полосы пропускания связана с tн
следующим образом: fн=(2ptн
)-1
.
Поэтому для расширения полосы пропускания усилителя в сторону низших частот нужно увеличивать Ср и Rн
.
Амплитудные характеристики усилителя Uвх=f(Uвх
) по которым определяют кu0
и Uвхмакс
,
обычно снимаются на средней или близкoйк ней частоте. На этой частотесдвиг по фазе между выходным и входным сигналами отсутствует, а влиянием реактивных компонентов на работу схемы можно пренебречь.
При усилении импульсных сигналов усилитель с ограниченной полосой пропускания (в пределах fв -fн
) искажаетих форму. Если подать на вход усилителя идеальный прямоугольный импульс, тона выходе получится сигнал с длительностью фронта tф
=2,2tв
и относительным спадом вершины dU=DU/Um
=tи
/tн
где DU -
абсолютный спад вершины импульса, а U
m и tи
. –
соответственно амплитуда и длительность выходного импульса.
Одним из путей расширения полосы пропускания усилителя, а следовательно, уменьшения искажения усиливаемых импульсных сигналов является дополнение усилителя специальными корректирующими цепями. Такие цепи представлены на принципиальной схема усилителя рис. 18а. Здесь Rф
и Сф
обеспечивают улучшение низкочастотных свойств усилителя, а Lк - высокочастотных. Действие этих цепей основано на увеличении сопротивления нагрузки в выходной (стоковой) цепи транзистора на тех частотах, где в некорректированном усилителе наблюдался спад усиления.

Рис.18. Принципиальная схема широкополосного усилителя с цепями коррекции а) и его эквивалентные схемы на низких б) и высоких в) частотах
В области низких частот эквивалентную схему выходной цепи усилителя можно представить как на рис. 186. Она построена (с целью упрощения анализа) в предположении, что Ri и Rф значительно больше Rс.
Из рассмотрения этой эквивалентной схемы вытекает, что выходное напряжение, определяемое формулой

не будет зависеть от частоты, если обеспечить равенство произведений RсСф и RнСр
. Если же допустить, что RсСф < RнСр
,
то с уменьшением частоты будет наблюдаться не спад. а рост выходного напряжения (перекоррекция). Усилитель будет недокорректирован, когда RсСф >RнСр
.
Добавление дросселя Lк (элемент высокочастотной коррекции в стоковой цепи транзистора) позволяет получить в выходной цепи усилителя параллельный колебательный контур (рис. 18в). резонирующий на частоте ,
которая выбирается возле верхней граничной частоты некорректированного усилителя. Поскольку на резонансной частоте и возле нее сопротивление параллельного резонансного контура, близкое к где
оказывается больше модуля сопротивления zc
,
стоящего в выходной цепи транзистора у некорректированного усилителя то и выходное напряжение корректированного усилителя возле wрез
больше. Дня получения наилучшей форме переходной, амплитудно-частотной и фазочастотной характеристик добротность колебательного контура Q
выбирается небольшой, т.е. чтобы коэффициент коррекции m=Q2
находился в пределах 0,322...0,414.
Описание макета
Исследуемая схема представленана рис.19. Схема позволяет выполнять следующие эксперименты:
- снимать статические и динамические стоко-затворные характеристики транзистора о целью правильного выбора положения рабочей точки транзистора. При этом изменяется напряжение источника G2
и регистрируется ток стока с помощью миллиамперметра I1;
- изменять сопротивления резисторов и емкости конденсаторов в выходной цепи транзистора с помощью переключателей, расположенных на передней панели макета;
- связывать специальные клеммы, к которым подключены регистрирующие в приборы (милливольтметр и осциллограф) с любой контрольной точкой схемы с помощью специальных клавиш.
Исследование работы усилителя проводить при Ес, равном 10 В. В макете установлен маломощный транзистор КП103М с параметрами S³1,3 мА/В; Uпср =
4,0 В; Сзн =
20 пФ;Сзс =
8 пФ; Рмакс=120мВт. Остальные детали имеют следующие параметры:
R1= 1,00 кОм; R2= I кОм; R3=
2 кОм; R4=
100 кОм;
R5=910 кОм; R6= 100 кОм; С1 = 2200 пф; С2= 20 мкф;
C3= 0,1 мкф; С4= 750 пф; С5= 4700 пф; С6 = 1200 пф
С7= 300 пф, Lк = 5500 мкГн.

Рис. 19. Схема макета лабораторной работы № 4
Подготовить к работе генератор стандартных сигналов, милливольтметр переменного тока, осциллограф и генератор прямоугольных импульсов. Ознакомившись с назначением органов управления лабораторной установки и присоединив к ней измерительные приборы, подключить установку к сети.
1. Обеспечить работу усилителя в классе А.
2. Экспериментально определить коэффициент усиления усилителя по напряжению, и динамический диапазон усилителя Uвхмакс при различных Rс. Дать заключение, как влияет сопротивление Rc
на кu0
и Uвхмакс
;
3. Собрать схему усилителя, имеющего наименьшую полосупропускания. Снять и построить в полулогарифмическом масштабе АЧХ. Определить нижний и верхнюю граничные частоты.
4. Повторить п. 3 дня усилителя, имеющего наиболее широкую полосу пропускания (без цепей коррекции),
5. Дать заключение о влиянии параметров транзистора и деталей схемы на граничные частота полосы пропускания усилителя.
6. Расширить полосу пропускания усилителя (по сравнению с п.4) за счет применения цепей коррекции. Снять и построить АЧХ и оценить, на сколько при этом изменились граничные частоты.
7. Исследовать прохождение импульсного сигнала с параметрами tн
= 10 мкс и f = 10 кГц через линейный усилитель для вариантов схемы п.3, п.4 и п.6. Оценить искажения формы прямоугольного импульса в каждом случае и найти по искажениям граничные частоты усилителя.
8. Рассчитать кu0,
fв , fн
для рассматриваемых вариантов усилителя и оценить относительную разность между вычисленными и экспериментально найденными значениями параметров.
Контрольные вопросы
1. Чем различаются между собой статические и динамические ВАХ униполярного транзистора?
2. Каковы источники НЧ и ВЧ искажений в усилителе?
3. Как расширить полосу пропускания усилителя?
4. Какие детали определяют коэффициент усиления по напряжению усилителя и его динамический диапазон?
5. Какова связь между граничными частотами полосы пропускания усилителя и искажениями формы прямоугольного импульса, усиливаемого им?
Литература
Манаеа Е.И. Основы радиоэлектроники. - М.: Радио и связь,1985. - С. I59-I62, 209-216.
|