| МОСКОВСКАЯ ГОСУДАРСТВЕННАЯ АКАДЕМИЯ ПРИБОРОСТРОЕНИЯ И ИНФОРМАТИКИ
Кафедра ПР-1
«Точные приборы и измерительные системы»
РАСЧЕТНО-ГРАФИЧЕСКАЯ РАБОТА
на тему
«
Разработка аппарата измерения торцевого биения»
Дисциплина «Компьютеризация измерительных устройств»
Студент: Осипов С. А.
5й курс
Группа ПР-1
Преподаватель: Канаев С. А.
Москва 2005 г.
СОДЕРЖАНИЕ
1. Введение
.
2. Техническое задание.
3. Разработка функциональной схемы прибора.
4. Разработка автомата управления.
4.1 Разработка структурной схемы АУ.
4.2 Разработка функциональной схемы.
4.3.Описание работы схемы АУ.
4.4 Микросхема ПЛИС.
5. Разработка принципиальной электрической схемы.
6. Перечень элементов.
1. ВВЕДЕНИЕ
В данной расчетно-графической работе требуется разработать схему сопряжения с персональным компьютером (ПК) фотоэлектрического прибора с зарядовой связью матрицы (ЛПЗС), который способен измерять величину торцевого биения детали. Данное сопряжение требуется осуществить с помощью порта COM . Прибор применяется в качестве системы контролирующей качество детали.
2. ТЕХНИЧЕСКОЕ ЗАДАНИЕ
Разработать устройство сопряжения прибора для измерения биения вала с использованием линейного прибора с зарядовой связью (ЛПЗС). Интерфейс с ПК RS232.
Технические характеристики разрабатываемого устройства представлены в Таблице №1. Временная диаграмма сигнала управления для линейки представлена на рис 1.
Таблица №1
| Вар. №
|
Amax Максимальное биение детали (мкм)
|
Погрешность
Δ (%)
|
Кол-во импульсов сдвига
|
Частота опроса
(кГц)
|
Амплитуда выходного сигнала с ЛПЗС (В)
|
Сигналы для управления
|
| n1
|
n2
|
| 28
|
150
|
2
|
1024
|
100
|
0.08
|
10
|
4
|
Импульс экспонирования
  
  Импульс переноса
Импульс сдвига
        Импульс сброса АУ
Рис.1
3. РАЗРАБОТКА ФУНКЦИОНАЛЬНОЙ СХЕМЫ ПРИБОРА
 
Рис.2
Описание элементов функциональной схемы прибора, рис.2:
ЛПЗС - линейный фоточувствительный прибор с зарядовой связью
АУ – автомат управления
МК – микроконтроллер
БО – буфер обмена данными
ПК – персональный компьютер
К – компаратор
Г1,Г2 – микрогенераторы
ССВ – схема супервизора
СП – схема питания устройства
Принцип работы прибора по функциональной схеме:
С приходом сигнала пуск с ПК, микроконтроллер подает сигнал на УУ выполненного на ПЛИС, а тот в свою очередь формирует сигналы для управления ЧЭ (ЛПЗС), ЛПЗС выдает данные, которые, проходя через компаратор и попадают на МК. МК обрабатывает данные и передает их через БО на ПК.
4. РАЗРАБОТКА АУ.
4. 1
РАЗРАБОТКА СТРУКТУРНОЙ СХЕМЫ АУ.

Рис.3
На рис.3 представлена структурная схема, которая предназначена для формирования управляющих сигналов для ЛПЗС.
Используемые входные сигналы:
1.
RESET
– по этому сигналу происходит запуск схемы ПЛИС
2.
CLK
– сигнал тактовых импульсов, задающих работу ПЛИС
Выходные сигналы:
n1,
n2,
N – сигналы, которые выработала ПЛИС для управления ЛПЗС.
4. 2 РАЗРАБОТКА ФУНКЦИОНАЛЬНОЙ СХЕМЫ.

Рис. 4
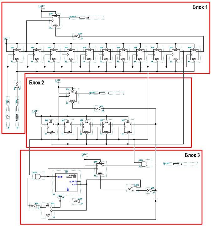
Данная схема (рис.4) отображает внутреннюю структуру АУ, построенную на 20-и D триггерах, отмеряющих количество импульсов, для управляющих сигналов, 1-ом счетчике, 5-ти инверторах, задающих логический уровень, фронт или срез, и элементах логическое «И» и «ИЛИ-НЕ».
4. 3 ОПИСАНИЕ РАБОТЫ СХЕМЫ АУ.
АУ формирует управляющие сигналы за счет тактовых импульсов поступающих с генератора на вход CLK, и сигнала сброса АУ – RESET. Схему можно разбить на три, схожим по функциям, блока, каждый из которых формирует свой выходной сигнал, в строгой последовательности. Первый блок формирует сигнал «n1», равный 10t, где t – период одного тактового импульса, второй - формирует сигнал «n2», равный 4t, третий блок формирует сигнал «N» - это 1024 импульса, предназначенных для вывода данных с ЛПЗС.
Первый блок (Блок1) состоит из 12 (двенадцати) D-триггеров. Инверторы в схеме АУ служат для формирования требуемого сигнала (среза или фронта, высокого уровня либо низкого). С появлением низкого логического уровня на входе RESET, разрешаем работу D – триггеров. С приходом первого тактового импульса, первый триггер установится в единицу. Единица установится на входе 2 (второго) и 12 (двенадцатого) D-триггеров, сигнал «n1» будет сформирован 12 (двенадцатым) триггером, путем установки его в единицу с приходом второго тактового импульса, и сбросом его с приходом 11 (одинадцатого) импульса. Сброс формируется за счет линии задержки выполненной на 10 (десяти) D – триггерах.
Сигнал «сброс» для второго блока (Блок2) берется с выхода Q предпоследнего триггера линии задержки блока (Блок1) (для совпадения среза сигнала с первого блока (Блок1), и фронта, сигнала со второго блока (Блок2)). Сигнал «n2» формируется с 6 (шестого) триггера Блока (Блок2) аналогично формированию сигнала «n1». Линия задержки сформирована на четырех D – триггерах.
Срез сигнала «n2» служит разрешающим, по средством триггера в третьем блоке (Блок3), работу одиннадцати разрядного счетчика и разрешает проход тактовых импульсов, по средством элемента логическое «И». Счетчик отсчитывает 1024 импульса и сбрасывает D – триггер, тем самым, пропустив 1024 импульса на выходе элемента логическое «И» установится логический ноль. Это и составляет управляющий сигнал для ЛПЗС – «N».
Временная диаграмма представлена на рис.5а и 5б.
Рис.5а (в начальный момент времени)

Рис.5б (в конечный момент времени)
4. 4 МИКРОСХЕМА ПЛИС.
Расположение выводов ПЛИС после компиляции (в программе MAX+plus II 9.23 Baseline) представлено на рис. 6

Рис. 6
Данная программируемая интегральная логическая схема (ПЛИС) состоит из 68 выводов.
VCC = Вывод питания
GND = подключается на «землю» GND
RESERVED = Неиспользованный вывод, который должен быть оставленным не подключенным.
5. РАЗРАБОТКА ПРИНЦИПИАЛЬНОЙ ЭЛЕКТРИЧЕСКОЙ СХЕМЫ.
1. Роль чувствительного элемента выполняет линейный фоточувствительный прибор с зарядовой связью (ЛПЗС), микросхема серии К1200 ЦЛ1. На принципиальной электрической схеме, в рамках данной курсовой работы, представлен в виде разъема Х1 (Х1,Х2 – разъемы серии 301-02-1-1-1).
2. Устройство управления выполнено на СБИСПЛ, DD1 (серия ЕРМ 7032 LC 44 - 6) и схеме микрогенератора, DD2 (SG-10) с рабочей частотой 100кГц.
Задача данного устройства управления подать сигналы, задающие работу ЛПЗС, и позволяющие снять данные о величине биения детали, по сигналу от микроконтроллера (элемент DD3-микроконтроллер, МК, серии AT90S2313).
3. DA2 – микросхема серии LM311 – компаратор. Служит для формирования логических уровней(«0» и «1») на входе МК, а также для отсечки сигнала несущего частичный заряд с ЛПЗС.
4. DD4 – микрогенератор SG-11, с рабочей частотой 4МГц.
5. DD5 – микросхема серии КР1171СП42 – супервизор.
6. DD6 - микросхема серии ADM202 – буфер обмена, служит для обмена информацией с персональным компьютером (ПК) через СОМ – порт (на схеме ХР3).
7. Схема питания прибора выполнена на микросхеме серии КР142ЕН5А (DA1) – стабилизатор напряжения положительной полярности, на выходе которой вырабатывается стабилизированное напряжение +5В, и конденсаторах С1-С3, С5-С11, С1,С2-С16 конденсаторы с емкостью 0,1мкФ.
8. Делитель напряжения, выполненный на резисторах R1,R2, служит для формирования напряжения, по которому отсекается сигнал несущий частичный заряд с ЛПЗС, это напряжение составляет 50мВ.
6. Перечень элементов
| Формат
|
Зона
|
Поз.
|
Обозначение
|
Наименование
|
Кол-во
|
Примечание
|
| |
| Микросхемы
|
| Буфер обмена
|
| DD6
|
ADM 202
|
1
|
| Компаратор
|
| DA2
|
LM 311
|
1
|
| Микрогенератор
|
| DD2
|
SG-10
|
1
|
| DD4
|
SG-11
|
1
|
| Микроконтроллер
|
| DD3
|
AT90S2313
|
1
|
| ПЛИС
|
| DD1
|
EP 1810 LC 20
|
1
|
| Стабилизатор
|
| DA1
|
КР142ЕН5А
|
1
|
| Супервизор
|
| DD5
|
КР1171СП42
|
1
|
| Конденсаторы
|
| C1-C16
|
К10-17Б
|
16
|
| Разъёмы
|
| X1,X2
|
301-02-1-1-1
|
2
|
| XP3
|
DB-9M
|
1
|
| Резисторы
|
| R1
|
С2-29В-0, 125-1к-0.1%
|
1
|
| R2
|
С2-29В-0, 125-99к-0.1%
|
1
|
| R3
|
С2-29В-0, 125-10к-0.1%
|
1
|
| |
|
|
|
|
РАСЧЕТНО-ГРАФИЧЕСКАЯ РАБОТА
|
|
|
|
|
|
|
| Изм.
|
Лист
|
№ докум.
|
Подп.
|
Дата
|
| Разраб.
|
Осипов
|
|
|
Спецификация
|
Лит.
|
Лист
|
Листов
|
| Пров.
|
Канаев
|
|
|
|
|
|
1
|
1
|
|
|
|
|
|
|
|
|
|
|
|
| |
|
|
|
|