Тема:
Раздел: Металлургия
Назначение: Курсовая работа
Формат: WinWord 8
Автор:Синявин Д.А.
Использование:
Год сдачи: 2000г.
Где сдавался: ВолгГТУ
Кому: Ласенко
Оценка: отлично
                                
По месту
Щит
КИП
1-8
3-8
2-12
2-12
2-12
1-8
2-13
2-13
2-13
3-1
1-9
1-9
1-9
3-9
Министерство
общего и профессионального
образования
Российской
Федерации
Волгоградский
государственный
технический
университет
Кафедра''
Технологии
материалов''
Курсовая
работа
По дисциплине:
'' Автоматизация
металлургических
процессов''
Тема
работы: '' Разработать
схему автоматического
регулирования
и контроля
параметров
управления
методической
печи ''
Выполнил:
Студент гр.
М-434
Синявин Д.А.
Проверил:
Доцент
Ласенко В.В.
Волгоград
2000
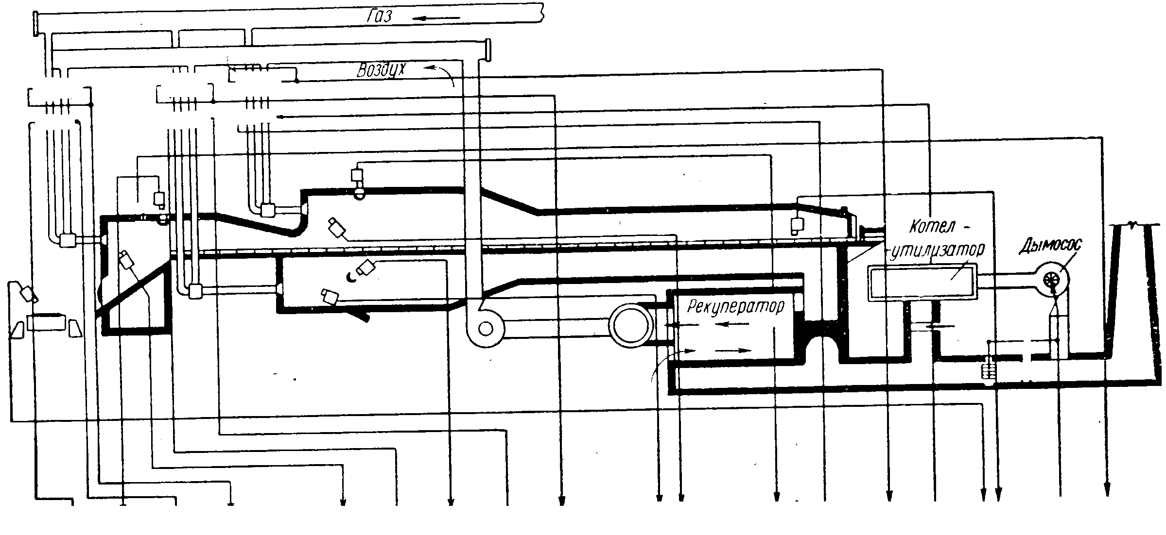
Автоматизация
управления
методическими
печами
Для
нагрева металла
перед прокаткой
на сортовых
и листопрокатных
станах широко
распространены
методические
печи.
Продвижение
заготовок,
размеры которых
составляют:
толщина 0,06—0,4,
ширина 0,06—1,85 и
длина 1,0—12,0 м,
осуществляется
с помощью толкателей.
Металл в своем
движении
последовательно
проходит зоны
печи: методическую
(зону предварительного
подогрева),
сварочные
(нагревательные)
и томильную
(зону выдержки).
Продукты сгорания
движутся навстречу
металлу. Количество
зон определяется
заданным
температурным
режимом нагрева.
В сварочной
зоне происходит
сжигание топлива,
температура
в ней постоянна
по длине. В
методической
зоне происходит
утилизация
тепла уходящих
газов, и ее
температура
снижается к
окну посада.
Задачей нагрева
является получение
допустимого
перепада
температур
по сечению
заготовки при
заданной конечной
температуре
поверхности.
Для уменьшения
величины перепада
необходимо
приближать
температуру
сварочной зоны
к конечной
температуре
поверхности,
а для увеличения
интенсивности
нагрева необходимо
стремиться
к увеличению
температуры
этой зоны. Это
противоречие
разрешается
при трехзонном
режиме, где
появляется
специальная
томильная зона,
в которой
поддерживают
постоянную
температуру,
более низкую,
чем в сварочной
зоне: на 30—50° С
выше необходимой
температуры
металла, и в
которой происходит
выравнивание
температур
по сечению. В
ряде случаев
при нагреве
массивных
заготовок на
печах предусматриваются
нижние сварочные
зоны, которые
позволяют
интенсифицировать
процесс за счет
двустороннего
нагрева металла.
Методические
печи являются
агрегатом
непрерывного
действия с
распределенными
по длине и
постоянными
во времени
температурным
и тепловым
режимами (при
определенной
производительности).
Отопление
печей осуществляется
смешанным газом
с теплотой
сгорания 5—8
МДж/м3
(1200--2400 ккал/м3),
природным газом
или мазутом.
Тепловая мощность
современных
крупных методических
печей достигает
150 МВт (150 млн. ккал/ч),
производительность
100 т/ч и выше.
Температура
нагрева металла
зависит от
марки металла
и составляет
для рядовых
марок стали
1200—1250° С. Для более
глубокой
утилизации
тепла на печах
устанавливают
рекуператоры:
керамические
и металлические
— для подогрева
воздуха, металлические
— для подогрева
низкокалорийного
газа.
Прокатный
стан обслуживается
несколькими
печами, из которых
нагретый металл
через окно
выдачи поступает
на общий рольганг
и подается к
стану. Методические
печи работают
в условиях
переменной
производительности
стана, изменяющихся
параметров
загружаемого
металла: температуры,
размеров, марки.
Задача управления
процессом
нагрева металла
в методических
печах заключается
в выборе и
поддержании
режима работы,
обеспечивающего
получение
металла заданного
качества с
минимально
возможным
удельным расходом
топлива в условиях
переменной
производительности
агрегата. Температура
в зонах печи
измеряется
термопарами
1-1, работающими
в комплекте
с потенциометрами
1-2.
Напряжение
выходных
ферродинамических
преобразователей
потенциометров
суммируется
с напряжением,
снимаемым с
ферро-динамического
дистанционного
задатчика
ДЗФМ-1 1-3,
которым устанавливается
заданная величина
температуры.
Алгебраическая
сумма напряжений
поступает на
вход И-регулятора
1-4. При
несоответствии
между заданным
и фактическим
значением
температуры
от регулятора
исполнительному
механизму 1-8 ,
через усилитель
(1-7) поступает
сигнал на открытие
или закрытие
регулирующей
заслонки 1-9 на
зональном
подводе газа.
Управление
системой
осуществляется
ключами (1-5,1-6).Система
регулирования
соотношения
газ—воздух
по зонам печи
.Расходы
газа и воздуха
в томильной
зоне контролируют
диафрагмами
(2-1,2-2) и дифманометрами
(2-3,2-4) и вторичными
самопишущими
приборами
ВФСМ-10 (2-5,2-6).
Заданное значение
величины соотношения
устанавливается
задатчиком
ДЗФМ-5 2-7.
Разность между
текущим и заданными
значением
соотношения
поступает на
вход регулятора
2-8,
который через
усилитель 2-11
воздействует
на исполнительный
механизм 2-12,
связанный с
регулирующей
заслонкой
ДГ-550 2-13 на воздухопроводе.
Для сварочных
зон схемы
регулирования
соотношения
выполнены
аналогично.
Давление
контролируется
отборным устройством
3-1, манометром
3-2 и вторичным
самопишущим
прибором 3-3.
Заданное значение
этого давления
устанавливается
задатчиком
ДЗФМ-4 3-4.
Разность между
текущей и заданной
величинами
давления на
вход регулятора
3-5,
который воздействует
на исполнительный
механизм 3-9 дымового
шибера 3-10. Величина
давления фиксируется
на вторичном
самопишущем
приборе -ВФСМ-10
3-3.
Качество
регулирования
давления в печи
хорошее.
Приборы
для измерения
температуры
Т   ермопара

Термопара
представляет
собой два электрода
с диаметром
0,5мм для благородных
металлов. Эти
электроды
скручены и
сварены на
рабочем конце
1, который находится
в изоляционном
фарфоровом
наконечнике
2. Электроды 3
изолированы
друг от друга
одноканальными
или двухканальными
фарфоровыми
бусами 4. Для
защиты от
механических
воздействий
термопара
помещается
в защитный
чехол 5. Чехлы
изготавливают
из фарфора или
карбокорундовых
материалов.
В головке термопары
6 помещается
пластмассовая
панель 7, к которой
прикреплены
клеммы 8. На одной
из них указана
положительная
полярность.
Для защиты
клеммы термопары
от пыли и влаги
головка ее
закрывается
крышкой 9, а
соединительные
провода выводятся
через штуцер
с асбестовым
уплотнением.
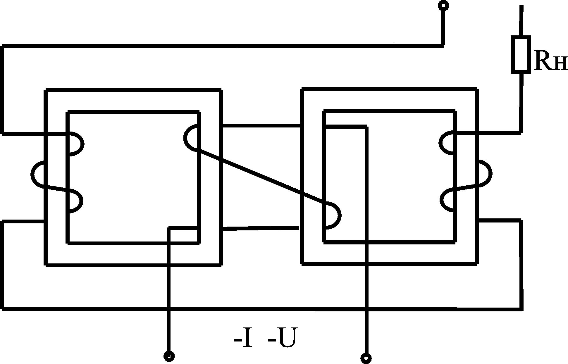
Потенциометр
Автоматические
потенциометры
исключают
участие человека
в проведении
операций компенсации
входного сигнала
и поэтому нашли
широкое распространение
для измерения,
регистрации,
сигнализации
и автоматического
регулирования
температуры
в металлургических
агрегатах.
Н а
рисунке приведена
упрощенная
схема устройства
автоматического
потенциометра.
Сигнал сравнивается
с компенсирующим
напряжением
Uk,
снимаемым с
диагонали
неуравновешенного
измерительного
моста ИМ. Мостовая
измерительная
схема является
более совершенной
и позволяет
непрерывно
вводить коррекцию
на изменяющуюся
температуру
свободных
концов термоэлектрического
термометра.
Е  сли
сигнал
Uk, то на вход
вибропреобразователя
ВП подается
сигнал дисбаланса
ΔU. Происходит
преобразование
напряжения
постоянного
тока в электрический
сигнал переменного
тока, который
затем усиливается
в усилителе
и подается на
реверсивный
двигатель РД.
Последний
одновременно
перемещает
движок реохорда
Rp и стрелку
относительно
шкалы прибора.
Изменение
положения
движка Rp приводит
к такому изменению
Uk,
которое влечет
за собой уравновешивание
измеряемой
т. э. д. с. компенсирующим
напряжением.
При этом ΔU
=0
и двигатель
останавливается.
Таким образом,
любые изменения
т. э. д. с. приводят
к перемещению
РД, т. е. прибор
непрерывно
автоматически
компенсирует
измеряемый
сигнал известным
напряжением.
Автоматические
потенциометры
выпускаются
различных
модификаций:
показывающие,
самопишущие
(ленточная или
круглая диаграмма);
одно- и многоточечные
(2; 3; 6; 12 каналов);
миниатюрные,
малогабаритные,
нормальных
размеров;
регулирующие,
с выходными
устройствами
дистанционной
передачи показаний
с различным
временем пробега
стрелкой всей
шкалы.
Задатчик
расхода и количества.
Ферродинамический
датчик может
быть применен
как дистанционный
задатчик.
Дистанционный
ферродинамический
задатчик типа
ДЗФМ является
бесконтактным
устройством,
вырабатывающим
ЭДС переменного
тока, пропорционально
углу поворота
стрелки задатчика.
Он применяется
в схемах регулирования
в комплекте
с регуляторами
и первичными
приборами,
снабженными
входящими
ферродинамическими
датчиками.
Основным
узлом дистанционного
задатчика ДЗФМ
является
ферродинамический
датчик ПФ рамка
которого
кинематически
через сектор
1 и шестерню 2
соединена с
рукояткой 3 и
стрелкой задатчика
4. Задатчик снабжен
шкалой градуированной
в единицах
заданной величин ы.
Напряжение
рамки датчика
(Д), зависящее
от угла поворота
служит входным
напряжением
задатчика (3).
Питание его
осуществляется
от приборов
работающих
в комплекте
с ним.
Задатчики
ДЗФМ выпускаются
шести модификаций
(ДЗФМ-1—ДЗФМ-6)
в зависимости
от модификации
встраиваемого
преобразователя
ПФ. Задатчики
всех типов
предназначены
для утопленного
монтажа на
щитах или пультах.
Задатчики ДЗФМ
имеют габаритные
размеры диаметром
(155 Х 105)
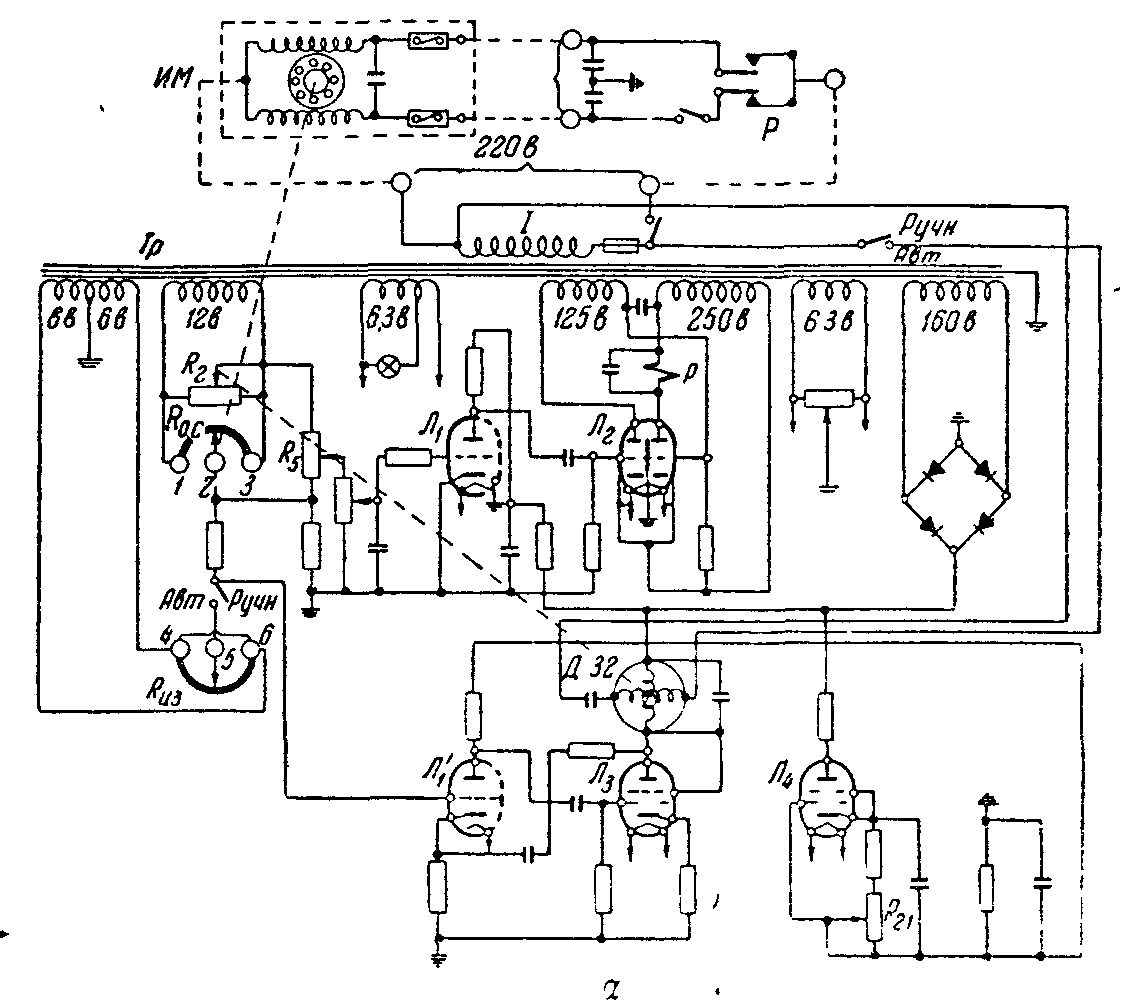
Регулятор.
ПИ-регулятор
(см. рис.) предназначен
для работы с
измерительными
приборами,
снабженными
реостатными
датчиками
сопротивлением
120 ом.
И змерительная
схема регулятора
состоит из двух
электрических
мостов: в один
мост входят
обмотка трансформатора
и датчика
измерительного
прибора Rиз,
в другой — реостат
обратной связи
Ro.с, исполнительный
механизм ИМ
и переменное
сопротивление
R2.
Напряжение
рассогласования
Uc между заданным
и действительным
значениями
регулируемой
величины в
диагонали
первого моста
складывается
с напряжением
Uo.с
в диагонали
второго моста
(моста обратной
связи).
Напряжение
Uc поступает
на вход И-части
регулятора,
а разность
напряжений
(Uc—Uo.
с) подается на
вход П-части
регулятора,
причем соотношение
между напряжениями
Uc и Uo
с определяется
положением
движка переменного
сопротивления
R5
с помощью которого
настраивают
коэффициент
передачи
регулятора.
П-часть регулятора
состоит из
каскада предварительного
усиления напряжения,
выполненного
на правой половине
двойного триода
Л1
и электронного
нуль-реле,
выполненного
на двойном
триоде Л2.
При появлении
напряжения
рассогласования
одна из пар
контактов реле
замыкается
и включает
исполнительный
механизм, который
перемещает
регулирующий
орган и одновременно
движок реостата
Ro.c до тех
пор, пока разность
Uc — Uo.с не
станет равна
нулю.
И-часть
регулятора
представляет
собой двухкаскадный
усилитель,
состоящий
из каскада
усиления напряжения
(левая половина
лампы Л1),
и каскада усиления
мощности (лампа
Л3).
Анодной нагрузкой
лампы Л3
является управляющая
обмотка асинхронного
конденсаторного
двигателя Д-32.
Выходной вал
двигателя
перемещает
движок реостата
R2,
благодаря чему
измерительная
схема регулятора
будет разбалансирована
и исполнительный
механизм
переместится
в ту же сторону,
что и при работе
П-части.
Для настройки
И-части, т. е. для
того чтобы
получать разные
средние скорости
двигателя при
одинаковых
сигналах на
входе, каскад
усиления напряжения
И-части питают
импульсным
напряжением
от генератора
импульсов,
собранного
на тиратроне
(лампа Л4).
Постоянную
времени генератора
можно изменять,
перемещая
движок сопротивления
Р21,
служащего для
настройки
времени удвоения.
ПИ- регулятор
действует по
следующему
закону регулирования:

где kp-
коэффициент
передачи
пропорциональной
части регулятора;
kр.и
– коэффициент
передачи интегральной
части;
Ти
– время удвоения,
равное

У   ниверсальные
ключи
Н                       азывают
аппараты которые
служат для
одновременных
переключений
в нескольких
независимых
электрических
цепях управления.
Эти аппараты
могут быть
использованы
для переключения
цепей как постоянного
так и переменного
тока. Универсальные
переключатели
состоят из
набора контактных
секций изолированных
друг от друга
пластмассовыми
перегородками;
через все секции
проходит центральный
валик, на одном
конце которого
укреплена
пластмассовая
рукоятка управления.
В схемах автоматического
регулирования
они нашли применение
при переключении
схемы на автоматическое
регулирование,
а при неисправности
последнего
– на ручное
управление
для выбора
соответствующего
режима работы.
Магнитный
усилитель

Магнитный
усилитель
представляет
собой электромагнитный
аппарат для
управления
относительно
большой мощностью
переменного
тока посредством
малой мощности
постоянного
тока или переменного
тока другой
частоты. Простейший
магнитный
усилитель
представляет
собой дроссель
с двумя обмотками:
управляющей
ω1, подключенной
к источнику
постоянного
напряжения,
и управляемой,
или выходной,
ω2 , подключенной
к источнику
переменного
напряжения.
Нагрузка Rн
управляющей
обмотки является
выходом сигнала.
Работа магнитного
усилителя
заключается
в следующем.
При отсутствии
тока в управляющей
обмотке ω1
индуктивное
сопротивление
рабочих обмоток
весьма велико,
при этом протекающий
через них ток
мал и так же
мало напряжение
у входа Uвых
на нагрузке.
При подключении
первичной
обмотки к источнику
постоянного
тока в сердечнике
появится магнитный
поток, осуществляющий
насыщение
сердечника.
С увеличением
насыщения
уменьшается
индуктивность
вторичных
обмоток, а
следовательно,
и полное сопротивление.
Уменьшение
полного сопротивления
увеличивает
напряжение
на нагрузке.
При помощи
подмагничивания
постоянным
током можно
изменять в
широких пределах
индуктивность
вторичных
обмоток и ,
следовательно,
ток во вторичной
цепи. Если в
цепь вторичных
обмоток последовательно
включить нагрузку
Rн
(двигатель) ,
то мощность
постоянного
тока, расходуемого
в цепи первичных
обмоток, будет
значительно
меньше мощности,
выделяемой
на нагрузке
Rн.
Поэтому такое
устройство
называется
усилителем.
Исполнительный
механизм.
И сполнительным
механизмом
называется
устройство,
которое
за счет внешнего
источника
энергии производит
работу перемещения
РО в соответствии
с сигналом,
поступающим
на регулируемое
или управляющее
устройство.
Электрический
исполнительный
механизм состоит
из привода,
редуктора, узла
обратной связи
по положению
выходного вала
и кольцевых
выключателей.
Выходной вал
исполнительного
механизма
соединяется
системой тяг
и рычагов с
регулируемым
органом.
Время полного
оборота вокруг
вала составляет
120 с, а номинальный
момент развиваемый
на валу равен
3 кг.м.
Одна из
обмоток двигателя
1 или 2 при помощи
контактов реле
управляющего
устройства
включается
в сеть переменного
тока, а др. обмотка
при этом включается
через конденсатор
С. Включение
конденсатора
создает сдвиг
фаз между токами,
протекающими
через обмотки
двигателя. На
выходном валу
исполнительного
устройства
устанавливается
два кулачка,
которые управляют
кольцевыми
включателями
КВ-1 и КВ-2, с их
помощью можно
ограничить
ход входного
вала исполнительного
механизма в
пределах 120°.
Обратная связь
по положению
осуществляется
реостатом
Кобр.с, движение
которого связано
с выходным
валом механизма.
Напряжение,
снимаемое с
реостата, зависит
от положения
регулируемого
органа. Направление
вращения двигателя
зависит от
того, верхний
или нижний
контакт Р замкнут,
а последний
зависит от
знака сигнала
поступающего
на реле. Направление
вращения двигателя
исполнительного
механизма
зависит от того
в какую сторону
отклонилась
регулируемая
величина от
заданного
значения; при
этом двигатель
перемещает
регулируемый
орган в сторону
уменьшения
отклонения.
Исполнительный
механизм можно
использовать
как при автоматическом
управлении
регулирующим
органом, так
и при ручном.
В этом случае
вместо командных
контактов
регулятора
включаются
контакты ключей
или кнопок
управления,
а реостат обратной
связи можно
использовать
для присоединения
указателя
положения
регулирующего
органа.
Регулирующая
заслонка

Регулирующие
заслонки получили
широкое распространение
в термических
цехах для
регулирования
потока газа,
пара, воздуха
при небольшом
избыточном
давлении 1000 мм
вод. ст. Это
объясняется
их конструктивной
простотой
достаточно
хорошими
регулировочными
свойствами
и небольшими
потерями давления.
Для регулирования
газовых потоков
в трубопроводах
большого диаметра
применяются
поворотные
многолопастные
заслонки. В
зависимости
от расположения
и конструкции
газопровода
заслонки можно
устанавливать
с вертикальными
и горизонтальным
расположением
осей.
Приборы
для регулирования
соотношения
топливо
- воздух
Диафрагма
Измерение
перепада давления
в сужающем
устройстве
производится
через отдельные
цилиндрические
отверстия или
через две кольцевые
камеры, каждая
из которых
соединяется
с внутренней
полостью трубопровода
кольцевой щелью
(сплошной или
прерывистой)
или группой
равномерно
распределенных
по окружности
отверстий. При
измерении
перепада давления
в бескамерном
сужающем устройстве
через отдельные
отверстия
наилучшие
резуль-
таты обеспечивает
установка
сужающего
устройства
непосредственно
между фланцами,
а в промежуточной
обойме. Кольцевые
камеры обеспечивают
выравнивай
давления (что
позволяет более
точно измерять
пеpeпад давления
при коротких
прямых участках
трубопровода
правильный
монтаж и надежную
эксплуатацию
сужающее устройства.
Кольцевая
камера выполняется
либо непосредственно
в сужающем
устройстве,
либо в каждом
из фланцев,
между которыми
оно зажимается,
либо в специальной
промежуточной
детали — корпусе.
При малых давлениях
в трубопроводах
диаметром свыше
400 мм кольцевая
камера может
быть образована
полостью трубки,
с гнутой вокруг
трубопровода
в кольцо или
прямоугольна.
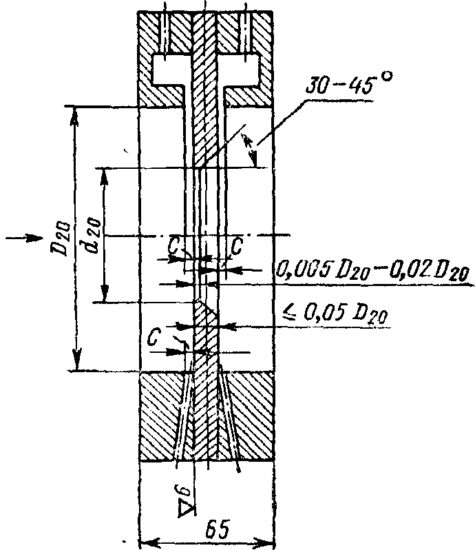
Стандартная
диафрагма
представляет
собой сужающее
устройство,
выполненное
в виде плоского
диска с центрическим
отверстием
для истечения
жидкости. Она
может применяться
в трубопроводах
диаметром не
менее 50 мм при
условии 0,05
-s; m*s-
0,7, где т —
модуль
сужающего
устройства,
равный отношению
площадей отверстий
сужающего
устройства
и трубопровода
при рабочей
температуре,
т. е. т =
(d/D)*.
Схематичное
изображение
диафрагмы
приведено
на рис. Выше
оси показано
измерение
перепада давления
через кольцевые
камеры, ниже
оси — через
отдельные
отверстия. На
рисунке приняты
следующие
обозначения:
D2o — внутренний
диаметр трубопровода
пер» сужающим
устройством
при температуре
20° С; d20
- внутренний
диаметр диафрагмы
при той же
температур;
С — диаметр
отдельного
отверстия,
диаметр отверстия
или ширина
кольцевой щели,
соединяющей
камеры с трубопроводом.
Работа
устройства
основана на
зависимости
перепада давления
создаваемого
неподвижным
сужающим устройством,
которое устанавливается
в трубопроводе,
от расхода
окружающей
среды.
При
протекании
потока вещества
через суженное
отверстие
увеличивается
его скорость,
а значит растет
кинетическая
энергия и уменьшается
потенциальная,
а значит снижается
статическое
давление.
Зная
перепад давления(p1-p2)
можно определить
расход


где Q
– объемный
расход в мі/сек
G
– массовый
расход в кГ/сек
F0
– площадь
сужающего
устройства
в мІ
α – коэффициент
расхода
ε – поправочный
коэффициент,
учитывающий
расширение
среды
р1 –
абсолютное
давление до
сужающего
устройства
в кГ/мІ
р2 -
абсолютное
давление после
сужающего
устройства
в кГ/мІ
Коэффициент
расхода

где


где D
– диаметр
трубопровода,
м
d – диаметр
сужающего
устройства,
м
Дифманометр
Мембранный
типа ДМИ-Р.
мембранные
дифманометры
типа предназначены
для измерения
расхода неагрессивных
жидкостей и
газов. Дифманометры
типа ДМИ-Р являются
бесшкальными
приборами, в
которых для
дистанционной
передачи показаний
установлен
индукционный
датчик. С помощью
датчика дифманометры
преобразуют
измеряемую
разность давлений
в пропорциональный
ей электрический
сигнал. Чувствительным
элементом
дифманометра
служит эластичная
мембрана 4. При
изменении
разности давлений,
действующей
на мембрану,
мембрана и
жестко связанный
с ней плунжер
1 индукционного
датчика 3 перемещаются,
занимая положение,
при котором
усилие, развиваемое
приложенной
к мембране
разностью
давлений,
уравновешивается
силой пружины
2. Перемещение
плунжера 1
преобразуется
индукционным
датчиком в
э.д.с., пропорциональную
по величине
измеряемой
разности давлений.
Дистанционная
передача
электрического
сигнала осуществляется
компенсационным
методом. Рассчитаны
на давление
от 63 до 10000 кГ/мІ
Приборы
для измерения
давления
Дистанционный
манометр.
И змерительный
комплект такого
дистанционного
манометра
показан на рис.
Первичный
преобразователь
7 выполнен
в корпусе
бесшкального
манометра.
Чувствительным
элементом
является одновитковая
трубчатая
пружина 9 во
внутреннюю
полость, которой
импульсной
трубой
подводится
измеряемое
давление р. К
свободному
концу пружины
присоединен
сердечник,
помещенный
внутри обмоток
дифференциально
- трансформаторной
катушки 8 Измерительный
прибор 5, показанный
на рисунке
условно, выполняют
нескольких
типов отличающихся
размерами
Первичный
преобразователь
7 измерительный
прибор 5 соединяются
методу собой
четырехжильным
кабелем так,
что обмотки
возбуждения
соединены
последовательно
и питаются
переменным
током
28 В,
50 Гц. Вторичные
обмотки катушек
включены встречно
через электронный
усилитель 2.
Индуктируемая
в преобразователе
ЭДС равна
,
но так как
при среднем
состоянии
сердечника
обе величины
равны и противоположны
по знаку, то
.
В измерительном
приборе при
таком положении
сердечника
.
В результате
на вход электронного
усилителя
будет поступать
и измерительная
система усилителя
будет в состояние
покоя.
При
каждом изменении
величины измеряемого
давления
чувствительный
элемент 9 перемещает
сердечник; в
этом случае
,
и на вход усилителя
будет подаваться
разность потенциалов.
Последняя
усиливается
до величины
достаточной
для вращения
реверсивного
двигателя
1. Двигатель,
вращаясь с
помощью кулачкового
диска 3 прибора
будет перемещать
сердечник
катушки измерительного
прибора 6 до
тех пор пока
разность
индуктируемых
напряжений
не приблизятся
к нулевому
значению.
В
момент, когда
дельта у станет
равной нулю,
двигатель
остановится.
С валом двигателя
жестко связана
стрелка, перемещающаяся
по шкале
4 прибора
5, которая
будет показывать
значения измеряемого
давления.
Одновременно
с валом двигателя
связаны дополнительные
устройства
прибора ДУ,
которые, срабатывая
- будут подавать
сигналы к
подключенным
к ним средствам
регулирования,
сигнализации
или на ЭВМ.
Основная
допустимая
погрешность
показаний при
длине линии
до 250
м составляет
± 1%,
при линии
протяженностью
до 1500
м прибор будет
иметь дополнительную
погрешность
±l%..:
Измерительным
приборам присваивают
индекс, обозначающий
их типы, например,
КСД-1,КСД-2, КСД-3
и КСД-4 (компенсатор
самопишущий
дифференциальный)
Регулятор
Для
дистанционного
управления
потоком природного
газа низкого
давления применяется
вентиль с
электромагнитным
приводом. Тип
вентиля – проходной,
мембранный,
бессальниковый
с разгрузочным
золотником.
Вентиль устанавливают
на горизонтальном
газопроводе
электромагнитом
вверх. Вентиль
состоит из
корпуса 1, запорного
механизма с
мембраной,
электромагнитного
привода и ручного
дублера. Запорный
механизм состоит
из основного
золотника 2,
разгрузочного
золотника 5 с
уплотнительными
вкладышами
3, фильтрующей
шайбы 4, мембраны
6 и тарелки 7,
скрепленных
накидной гайкой
8. Электромагнитный
привод состоит
из катушки 12,
кожуха 11, сердечника
13, уплотнительного
кольца 9 и трубки
14, к которой
приварен упор
10. Полость катушки
герметизирована
от рабочей
среды уплотнительным
кольцом 9, находящимся
в замке между
трубкой 14 и крышкой
15. Электромагнит
соединен с
корпусом 1
посредством
чугунной крышки
и уплотнительных
прокладок.
Ручной дублер
состоит из
аварийного
винта 18, помещенного
с сальниковым
устройством
в штуцере 19,
ввернутом в
корпус, и защитного
колпачка 17. В
основном золотнике
2 имеется разгрузочное
отверстие 16.
В
исходном положении,
когда электромагнит
не включен в
сеть, разгрузочное
отверстие 16
основного
золотника 2
перекрыто
резиновым
вкладышем,
завулканизированным
в разгрузочном
золотнике 5.
Основной проход
вентиля закрыт.
Рабочая среда,
подаваемая
на основной
золотник, прижимает
его резиновыми
уплотнительным
вкладышем 3 к
седлу корпуса,
обеспечивая
герметичность
затвора вентиля.
При этом через
кольцевую щель
между золотником
2 и шайбой 4 и дальше
через отверстие
в золотнике
и накидной
гайке 8 газ попадает
в надмембранную
полость. В таком
положение с
обеих сторон,
т.е. мембрана
разгружена.
При включении
тока сердечник
13, а затем и разгрузочный
золотник 5
перемещаются
вверх. Поднимаясь,
разгрузочный
золотник открывает
разгрузочное
отверстие 16 в
основном золотнике
и уменьшает
перепад давлений
на основном
золотнике 2,
т.е. разгружает
его, а затем
подхватывает
и поднимает
основной золотник,
открывая вентиль
для прохода
газа. При выключении
тока сердечник
электромагнита,
основной и
разгрузочный
золотники
опускаются
вниз. Надмембранная
полость заполняется
газом, и основной
золотник плотно
прижимается
к седлу корпуса,
обеспечивая
герметичность
затвора вентиля.
Ш
1
2
ибер
Ш        ибером
называют устройство
в котором
регулирующее
полотно 1 перемещается
перпендикулярно
движущему
потоку и , создавая
при этом большее
или меньшее
местное сопротивление,
изменяет количество
протекающих
продуктов
горения. Шиберы
работающие
при высокой
температуре,
снабжаются
водяной рубашкой
для их охлаждения.
Шиберы
устанавливаются
в дымоходе 2(
борове) термической
печи для регулирования
давления в
рабочем пространстве
печи.
С    пецификация
КИП
| Позиция
обозначения |
Наименование
прибора |
Тип
|
Кол |
Примечания |
|
1-1
1-2
1-3
1-4
1-5
1-6
1-7
1-8
1-9
|
Термопара
Потенциометр
Задатчик
Регулятор
Ключ
Ключ
Усилитель
Исполнительный
механизм
Регулирующая
заслонка
|
ТПР-571
КСП
ДЗФМ-1
ПЭГ
ПЭД-250
ПЭД-250
МУ
ИМ-2/120
ДЗВ
|
|
|
|
2-1
2-2
2-3
2-4
2-5
2-6
2-7
2-8
2-9
2-10
2-11
2-12
2-13
|
Диафрагма
Диафрагма
Дифманометр
Дифманометр
Вторичный
самопишущий
прибор
Вторичный
самопишущий
прибор
Задатчик
Регулятор
Ключ
Ключ
Усилитель
Исполнительный
механизм
Регулирующая
заслонка
|
ДК6-50
ДК6-50
ДПИ-Р
ДПИ-Р
ВФСМ-10
ВФСМ-10
ДЗФМ-5
ПЭГ
ПЭД-250
ПЭД-250
МУ
ИМ-2/120
ДЗВ
|
|
|
|
4-1
4-2
4-3
4-4
4-5
4-6
4-7
4-8
4-9
4-10
|
Отборное
устройство
Манометр
Вторичный
самопишущий
прибор
Задатчик
Регулятор
Ключ
Ключ
Усилитель
Исполнительный
механизм
Шибер
|
МСП
ВФСМ-10
ДЗФМ-4
ПЭГ
ПЭД-250
ПЭД-250
МУ
ИМ-2/120
КП-5,5
|
|
|
Список
используемой
литературы
Дорофеев
К.П. Основы
автоматизации
производства
и термических
цехов и КИП.
М. Энергоиздат,
1987.
Кликовский
К.Л.,Купер В.Я.
Методы и средства
измерений. М.:
Энергоатомиздат
1986.-448с.
Каганов В.Ю.,
Блинов О.М.
Автоматизация
управления
металлургическими
процессами.
М.: Металлургия,
1974.-416с.
Титов Н.Д.
Основы автоматизации
литейного
производства
и вычислительная
техника
Беленький
А.М. Технология
измерения и
КИП
Климовицкий
М.Д. Автоматический
контроль и
регулирование
в черной металлургии
Продаю диплом
по проектированию
литейных цехов
защищен на
отлично
С чертежами
цеха серийного
производства
сталелитейного
цеха.
[email protected] |