Банк рефератов содержит более 364 тысяч рефератов, курсовых и дипломных работ, шпаргалок и докладов по различным дисциплинам: истории, психологии, экономике, менеджменту, философии, праву, экологии. А также изложения, сочинения по литературе, отчеты по практике, топики по английскому.
Полнотекстовый поиск
Всего работ:
364139
Теги названий
Разделы
Авиация и космонавтика (304)
Административное право (123)
Арбитражный процесс (23)
Архитектура (113)
Астрология (4)
Астрономия (4814)
Банковское дело (5227)
Безопасность жизнедеятельности (2616)
Биографии (3423)
Биология (4214)
Биология и химия (1518)
Биржевое дело (68)
Ботаника и сельское хоз-во (2836)
Бухгалтерский учет и аудит (8269)
Валютные отношения (50)
Ветеринария (50)
Военная кафедра (762)
ГДЗ (2)
География (5275)
Геодезия (30)
Геология (1222)
Геополитика (43)
Государство и право (20403)
Гражданское право и процесс (465)
Делопроизводство (19)
Деньги и кредит (108)
ЕГЭ (173)
Естествознание (96)
Журналистика (899)
ЗНО (54)
Зоология (34)
Издательское дело и полиграфия (476)
Инвестиции (106)
Иностранный язык (62791)
Информатика (3562)
Информатика, программирование (6444)
Исторические личности (2165)
История (21319)
История техники (766)
Кибернетика (64)
Коммуникации и связь (3145)
Компьютерные науки (60)
Косметология (17)
Краеведение и этнография (588)
Краткое содержание произведений (1000)
Криминалистика (106)
Криминология (48)
Криптология (3)
Кулинария (1167)
Культура и искусство (8485)
Культурология (537)
Литература : зарубежная (2044)
Литература и русский язык (11657)
Логика (532)
Логистика (21)
Маркетинг (7985)
Математика (3721)
Медицина, здоровье (10549)
Медицинские науки (88)
Международное публичное право (58)
Международное частное право (36)
Международные отношения (2257)
Менеджмент (12491)
Металлургия (91)
Москвоведение (797)
Музыка (1338)
Муниципальное право (24)
Налоги, налогообложение (214)
Наука и техника (1141)
Начертательная геометрия (3)
Оккультизм и уфология (8)
Остальные рефераты (21692)
Педагогика (7850)
Политология (3801)
Право (682)
Право, юриспруденция (2881)
Предпринимательство (475)
Прикладные науки (1)
Промышленность, производство (7100)
Психология (8692)
психология, педагогика (4121)
Радиоэлектроника (443)
Реклама (952)
Религия и мифология (2967)
Риторика (23)
Сексология (748)
Социология (4876)
Статистика (95)
Страхование (107)
Строительные науки (7)
Строительство (2004)
Схемотехника (15)
Таможенная система (663)
Теория государства и права (240)
Теория организации (39)
Теплотехника (25)
Технология (624)
Товароведение (16)
Транспорт (2652)
Трудовое право (136)
Туризм (90)
Уголовное право и процесс (406)
Управление (95)
Управленческие науки (24)
Физика (3462)
Физкультура и спорт (4482)
Философия (7216)
Финансовые науки (4592)
Финансы (5386)
Фотография (3)
Химия (2244)
Хозяйственное право (23)
Цифровые устройства (29)
Экологическое право (35)
Экология (4517)
Экономика (20644)
Экономико-математическое моделирование (666)
Экономическая география (119)
Экономическая теория (2573)
Этика (889)
Юриспруденция (288)
Языковедение (148)
Языкознание, филология (1140)

Реферат: Проектирование фундамента 4-хэтажного администратиного здания маслоперерабатывающего завода в пос. Ахтырский Абинского района

Название: Проектирование фундамента 4-хэтажного администратиного здания маслоперерабатывающего завода в пос. Ахтырский Абинского района
Раздел: Рефераты по кулинарии
Тип: реферат Добавлен 08:52:17 13 августа 2005 Похожие работы
Просмотров: 979 Комментариев: 18 Оценило: 5 человек Средний балл: 5 Оценка: неизвестно     Скачать

Кубанский государственный аграрный университет

Кафедра оснований и фундаментов

Курсовой проект

На тему:

“Проектирование фундамента 4-хэтажного административного здания масло перерабатывающего завода в пос. Ахтырский Абинского района”

Выполнила : Озерная В.Е

СТ-41

Проверил : Горелик М. З.

Краснодар 2000г.

Содержание

Введение................................................................................................................................................ 3

1. Инженерно–геологические условия для строительства................................................ 4

2. Сбор нагрузок, действующих на основание в расчетных сечениях........................... 6

3. Выбор рациональной конструкции фундамента........................................................... 10

3.1. Проектирование ф-та на естественном основании............................................................. 10

3.1.1 Выбор глубины заложения фундамента........................................................................... 10

3.1.2 Подбор размеров подошвы фундамента.......................................................................... 10

3.1.3 Проверка прочности подстилающего слабого слоя........................................................ 13

3.1.4 Определение конечных осадок основания....................................................................... 15

3.1.5 Проектирование котлована............................................................................................... 18

3.2. Расчет и конструирование свайных фундаментов.............................................................. 18

3.2.1 Выбор типа и размеров свай............................................................................................. 18

3.2.2 Расчет несущей способности одиночной сваи................................................................. 19

3.2.3 Определение к-ва свай, размещение их в плане и конструирование ростверка............. 20

3.2.4 Размещение свай в кусте и конструирование ростверка................................................. 21

3.2.5 Определение конечных осадок основания свайного фундамента. Окончательный выбор свайного фундамента...................................................................................................................... 22

3.2.6 Проектирование котлована............................................................................................... 26

3.3. Технико-экономическое сравнение вариантов.................................................................... 26

4. Расчет стены подвала.............................................................................................................. 29

4.1. Расчет ленточного фундамента под стену подвала............................................................. 29

4.2. Проверка выбранного фундамента....................................................................................... 30

4.2.1 Проверка условий по подошве фундамента по оси А-А..................................................... 30

4.2.2 Проверка условий по подошве фундамента по оси 3-3................................................... 32

4.2.3 Проверка условий по подошве фундамента от совместного действия моментов........ 33

4.3. Определение конечных деформаций основания................................................................. 33

5. Расчет подпорной стены......................................................................................................... 35

5.1. Исходные данные.................................................................................................................... 35

5.2. Расчет вспомогательных данных........................................................................................... 35

5.3. Расчет устойчивости стенки.................................................................................................. 37

6. Список испльзованной литературы................................................................................... 38

Введение

1. На основании технического задания на проведение инженерно-строительных изысканий предприятием «Кубанькомплекссистема» были выполнены топографические и инженерно-геологические работы на объекте: «Завод по производству масел в пос. Ахтырский-2».

2. Топографическая съемка была выполнена в октябре 1997 года

3. Исследованная территория находится в Абинском районе Краснодарского края, на западной окраине поселка Ахтырский-2 по ул. Шоссейной. Площадка частично свободная от застройки, частично занята старыми, находящимися в эксплуатации, и строящимися зданиями производственного назначения. По южной границе площадки растут деревья.

4. Геоморфологическое положение: вторая левая надпойменная терраса реки Кубань.

1. И нженерно–геологические условия строительства

1.1. В геологическом строении исследуемой территории принимают участие аллювиальные и делювиальные отложения, перекрытые с поверхности почвами и насыпными грунтами.

1.2. На основании полевых и лабораторных исследований по типам, видам и разновидностям, согласно ГОСТ 25100-95, выделено 6 инженерно-геологических элементов (ИГЭ).

ИГЭ-1. Насыпные грунты не слежавшиеся, представлены почвами со строительным и бытовым мусором, насыпями щебенисто-насыпных дорог, навалами грунта (на площадке идут строительные работы, отрыта траншея). Мощность насыпных грунтов не велика, их физико-механические свойства не изучались.

ИГЭ-2. Почва темно-бурая суглинистая, твердая и полутвердая, высокопористая, влажная, кислая, с корне- и червеходами, сохранилась на незатронутой строительством части территории и под насыпными грунтами. Содержание гумуса в почвах изменяется от 0,7-0,8% (под насыпными грунтами) до 5,4% (на не затронутых строительством участках).

ИГЭ-3. Глина желтовато-коричневая, коричневато-серая, полутвердая, влажная.

ИГЭ-4. Суглинок коричневато-желтый, твердый, влажный и водонасыщенный, легкий, пылеватый с включением карбонатов. В подошве слоя карбонатные включения составляют 10-20% по массе крена.

ИГЭ-5. Суглинок коричневато серый, полутвердый, водонасыщенный, легкий.

ИГЭ-6. Песок желтовато-серый, гравелистый, водонасыщенный, плотного сложения, с тонкими прослоями суглинка легкого, мягкопластичного.

1.3. Грунты, на изученной территории, набухающими свойствами не обладают.

1.4. Грунты ИГЭ-2,3 обладают сильной степенью агрессивного воздействия на бетонные и железобетонные конструкции на портландцементе по ГОСТ 10178-76 по содержанию сульфатов в перерасчете на SO4 2- .

Грунты ИГЭ-4,5 обладают слабой степенью агрессивного воздействия для бетонов на портландцементе, шлакопортландцементе по ГОСТ 10178-76 и сульфатостойких цементах по ГОСТ 22266-76 по содержанию хлоридов в перерасчете на CI- .

1.5. Литологические особенности грунтов обуславливают формирование в периоды интенсивных осадков временного горизонта грунтовых вод типа «верховодка» на глубине0,5-1,2м. Таким образом, сооружение и эксплуатация подвалов без надежной гидроизоляции не рекомендуется. Во избежании режима подземных вод и подтопления участка грунтовыми водами типа «верховодка» или техногенными водами следует предусмотреть организацию поверхностного стока, а также мероприятия по снижению утечек из водонесущих коммуникаций.

1.6. Подземные воды обладают слабой степенью агрессивного воздействия на арматуру ж/б конструкций при периодическом смачивании по содержанию хлоридов в перерасчете на CI- . Подземные воды обладают средней степенью агрессивного воздействия на металлические конструкции по суммарному содержанию сульфатов и хлоридов и водородному показателю рН.

Инженерно–геологические условия

Сводная таблица физико-механических характеристик грунтов

Табл. 2.1.

№№ п/п Полное наименование грунта Мощность, м Удельное сцепление с , кПа Угол внутреннего трения j , град Модуль общей деформации E , МПа Табличное значение расчетного сопротивления грунта R0 , кПа
1 Растительный слой 0,90
2 Почва суглинистая твердая 0,80 47 10 5 200
3 Глина полутвердая 1,20 45 16 15 300
4 Суглинок твердый 3,50 36 21 18 200
5 Суглинок полутвердый 4,50 37 21 20 250
Песок гравелистый 1,40 1 40 40 500

2. Сбор нагрузок, действующих на основание в расчетных сечениях

Здание запроектировано с продольными несущими стенами из кирпича. Наружные стены толщиной 51 см, внутренняя несущая стена толщиной 38 см, перегородки между квартирами (соседними помещениями) – 250мм, Внутренние перегородки толщиной 12 см из кирпича. Окна двойного остекленения размером 150 см по длине и 180см по высоте. Кровля – металлочерепица по обрешетке по стропилам с утеплителем – минераловатные плиты. Перекрытия – сборные ж/б панели, в том числе и пола 1-го этажа. Цоколь высотой 70 см с отделкой темным цветом из кирпича. Между осями А; Б и 1;2 предусмотрен технический подвал ( для расчета стены подвала это приняли условно) высотой (глубиной) 2м. Лестничный марш ж/б шириной 1,35м, ступени размером 15х30 см. Высота этажа – 3м, высота мансардной части стены (до крыши) – 2м.

Сбор нормативных постоянных нагрузок на покрытие (кровля).

Табл. 2.2.

Вид нагрузки Нормативная нагрузка, NII , кПа Коэффициент надежности по нагрузке g f Расчетная нагрузка, NI , кПа
1 Металлочерепица, вес 1м2 горизонтальной проекции 80 кг/м2 =0,8 кПа 0,8 1,3 1,04
2 Сплошной деревянный настил d=16 мм по стропилам 0,5 1,3 0,65
3 Минераловатные плиты g=125 кг/м3 ; d=50мм; 1,25х0,05=0,0625 0,0625 1,2 0,075
4 Пароизоляция – 1 слой рубероида 0,04 1,2 0,048
5 Деревянная обрешетка (настил) d=16мм, g=5 кН/м3 ; 5х0,016=0,08 кПа 0,08 1,2 0,096
6 Гипсокартон d=10мм; r=1200кН/м3 ; 12х0,01=0,12 кПа 0,12 1,1 0,132
Итого: покрытие 1,6 - 2,04

Сбор нормативных нагрузок на перекрытие

Табл.2.3.

Вид нагрузки Нормативная нагрузка, NII , кН Коэффициент надежности по нагрузке g f Расчетная нагрузка, NI , кН
1 Покрытие линолеум ПВХ на тканевой основе d= 2,5мм

0,1

1,2

0,12

2 Прослойка из быстротвердеющей мастики – 10 мм
3 Стяжка из легкого бетона М75 r=1300 кг/м3 ; d=20мм; 13х0,02=0,26 0,26 1,3 0,338
4 Теплоизоляционный слой ДВП d=25мм; r=200кг/м3 ; 2х0,025=0,05 кПа 0,05 1,3 0,0645
5 Ж/б плита перекрытия приведенной толщины hпр =8см; 25х0,08=2кПа 2 1,1 2,2
Итого: перекрытие 2,41 - 2,723

Кладка наружных стен из кирпича g=18кН/м3 , внутренних - g=14кН/м3 ; перегородок – тот же кирпич. Вес 1м2 горизонтальной проекции лестничного марша – 3,6 кПа, лестничной площадки – 3кПа. Временные нагрузки на перекрытия – 1,5 кПа, на лестничный марш – 3кПа. Коэф-т снижения временной нагрузки для здания из 4-х этажей на перекрытия y=0,8. Намечаем для сбора нагрузок три сечения:

Сечение 1-1 под наружную стену под лестничный ф-т (без подвала) на длине между оконными проемами – 2,34м;

Сечение 2-2 также под наружную стену (для здания с подвальным помещением) на длине 2,34м. Между серединами оконных проемов и сечения 2-2 на 1м длины внутренней стены. (Все эти сечения показаны на плане 1-го этажа).

Сечение 3-3 под наружную стену под лестничный ф-т (без подвала) на длине между оконными проемами – 2,34м;

А13 =2,24х2,34=5,24м2 ;

А2 =2,24х2=4,48м.

Сбор нагрузок для сечения 1-1 А1 =5,24м2

Табл. 2.4.

Вид нагрузки Нормативная нагрузка, NII , кН Коэффициент надежности по нагрузке g f Расчетная нагрузка, NI , кН
1. Постоянная

Покрытие (кровля) NII = 1.6х5,24=8,38 кН

NI = 2,04х5,24=10,7 кН

8,38 - 10,7

Перекрытие на 4-х этажах (включая и мансарду) NII =4х2,41х5,24=50,52кН

NI = 4х2,723х5,24=57,1кН

50,52 - 57,1

Вес стены от пола 1-го этажа высотой 9,9м+2м мансарды g=18кН/м3 d=51см на длине 2,34м за вычетом веса оконных проемов размером 1,05х1,8см + вес цоколя высотой 1м

18х[(9.9+2)2.24-1,05х1,8]0,51+18х0,51х2,34х1=

=259,75кН

259,75 1,1 285,7
Итого: постоянная нагрузка 318,65 - 353,5
2. Временная
Снеговая нагрузка (1-й район) 0,5х5,24=2,62 2,62 1,4 3,67

Полезная на перекрытие на 4-х этажах при коэф-те снижения yп = 0,8

4х0,8х1,5х5,24 = 25,16кН

25,16 1,2 30,19
Итого: временная нагрузка 27,78 - 33,86

При учете двух и более временных нагрузок они принимаются с коэф-м сочетаний и расчете на основное сочетание: j1 =0,95 – для длительных нагрузок и j2 =0,9 – для кратковременных. При расчете на основное сочетание нормативная нагрузка (по II группе) на 1мдлины стены для сеч. 1-1 составит:

NII = кН/м

Сбор нагрузок для сечения 2-2 А2 =4,48м2

Табл. 2.5.

Вид нагрузки Нормативная нагрузка, NII , кН Коэффициент надежности по нагрузке g f Расчетная нагрузка, NI , кН
1. Постоянная

Покрытие (кровля) NII = 1.6х4,48=7,27кН

NI = 2,04х4,48=9,14кН

7,17 - 9,14

Перекрытие на 4-х этажах (включая и мансарду) NII =4х2,41х4,48=43,19кН

NI = 4х2,723х4,48=48,79кН

43,19 - 48,79

Вес внутренней стены g=14кН/м3 ; d=38см; высотой 9,9м

14х0,38х9,9=52,67

52,67 1,1 57,93
Итого: постоянная нагрузка 103,03 - 115,87
2. Временная
Снеговая нагрузка 0,5х4,48=2,24кН/м 2,24 1,4 3,14

Полезная на перекрытие на 4-х этажах при коэф-те снижения yп = 0,8

4х0,8х1,5х4,48=91,5кН/м

21,5 1,2 25,8
Итого: временная нагрузка 23,74 - 28,94

Нормативная нагрузка на основное сочетание по сеч.2-2

NII = 103.03+2,24х0,9+21,5х0,95=125,46кН/м

Сбор нагрузок по сечению 3-3 А3 =5,24м2 (с подвалом)

Табл. 2.6.

Вид нагрузки Нормативная нагрузка, NII , кН Коэффициент надежности по нагрузке g f Расчетная нагрузка, NI , кН
1. Постоянная

Покрытие (кровля) NII = 1.6х5,24=8,38 кН

NI = 2,04х5,24=10,7 кН

8,38 - 10,7

Перекрытие на 4-х этажах

NII =4х2,41х5,24=50,52кН

NI = 4х2,723х5,24=57,1кН

50,52 - 57,1

Вес стены от пола 1-го этажа высотой 10,5м+2м мансарды g=18кН/м3 d=51см на длине 2,34м за вычетом веса оконных проемов размером 1,05х1,8см + вес цоколя высотой 1м

18х[(10,5+2)2.24-1.05x1.8]0.51+18х0,51х2,34=

=229,68кН

229,68 1,1 252,65

Вес стены с теплоизоляцией высотой 1,7-9,9=2,8м в один кирпич g= 14кН/м3 , толщиной d= 120 мм на длине 2,34м

NII =14х2,8х0,12х2,34=11кН

11 1,1 12,1
Итого: постоянная нагрузка 299,58 - 332,55
2. Временная
Снеговая нагрузка 0,5х5,24=2,62 2,62 1,4 3,67

Полезная на перекрытие на 4-х этажах при коэф-те снижения yп = 0,8

4х0,8х1,5х5,24 = 25,16кН

25,16 1,2 30,19
Итого: временная нагрузка 23,74 - 28,94

Нормативная нагрузка на 1м длины стены по сеч. 3-3

NII =кН/м

3. Выбор рациональной конструкции фундамента

3.1. Проектирование фундамента на естественном основании

3.1.1. Выбор глубины заложения фундамента

Глубину с учетом толщины почвы 0,8м примем равной d1 =1,2м.

3.1.2. Подбор размеров подошвы фундамента

Рис.3.1. К определению глубины заложения фундаментов

В соответствии со СНиП 2.02.01–83 условием проведения расчетов по деформациям (второму предельному состоянию) является ограничение среднего по подошве фундамента давления p величиной расчетного сопротивления R :

,

где p – среднее давление под подошвой фундамента, кПа ;

R – расчетное сопротивление грунта основания, кПа .

Предварительная площадь фундамента:

,

где NII – сумма нагрузок для расчетов по второй группе предельных состояний, кПа

R0 – табличное значение расчетного сопротивления грунта, в котором располагается подошва фундамента, кПа;

g с р – осредненное значение удельного веса тела фундамента и грунтов, залегающих на обрезах его подошвы, g с р = 20 кН /м 3 ;

d1 – глубина заложения фундаментов безподвальных сооружений или приведенная глубина заложения наружных и внутренних фундаментов от пола подвала.

,

где hS – толщина слоя грунта выше подошвы фундамента со стороны подвала, м ;

hcf – толщина конструкции пола подвала, м ;

g cf – расчетное сопротивление удельного веса конструкции пола подвала, кН /м 3 .

.

Для ленточного ф-та b=А/ =0,55м; принимаем b=0,6м с укладкой стеновых блоков на бетонную подготовку толщиной 10см.

Рис.3.2. Ленточный фундамент

Определяем расчетное сопротивление грунта основания R для здания без подвала:

,

где gс1 и gс2 – коэффициенты условий работы, учитывающие особенности работы разных грунтов в основании фундаментов, gс1 = 1,1и gс2 = 1,2;

k – коэффициент, принимаемый k = 1,1, т. к. прочностные характеристики грунта приняты по таблицам СНиП.

kz – коэффициент, принимаемый k = 1 (b <10м);

b – ширина подошвы фундамента, м ;

g II и g II – усредненные расчетные значения удельного веса грунтов, залегающих соответственно ниже подошвы фундамента и выше подошвы фундамента;

с II – расчетное значение удельного сцепления грунта, залегающего непосредственно под подошвой фундамента, кПа;

db – глубина подвала – расстояние от уровня планировки до пола подвала;

Mr , Mq , Mc – безразмерные коэффициенты;

Mr = 0,32; Mq = 2,29; Mc = 4,85

d1 – глубина заложения фундаментов безподвальных сооружений или приведенная глубина заложения наружных и внутренних фундаментов от пола подвала.

gII =g/ II =18,8 кН/м3 – ниже и выше подошвы один и тот же грунт;

b=0,6м;

d1 =1,2м

Фактические напряжения под подошвой фундамента (фундамент центрально нагружен):

,

где NII – нормативная вертикальная нагрузка на уровне обреза фундамента, кН ;

GfII и GgII – вес фундамента и грунта на его уступах;

A – площадь подошвы фундамента, м 2 .

GfII = 24х0,6х1,2=17,3кН/м – 1м длины;

GgII = 0 – вес грунта на обрезах;

<R=283.2кПа

Условие выполняется, недогруз фундамента составляет 3,1%, следовательно, размер b=0,6м принимаем окончательным.

3.1.3. Проверка прочности подстилающего слабого слоя

Рис. 3.3. К проверке прочности подстилающего слоя

Подстилающий слой – суглинок твердый, имеет Rо =200кПа<Rо =300кПа предыдущего слоя, следовательно, требуется проверка его прочности. Проверка проводится из условия , чтобы полное давление на кровлю слабого слоя не превышало расчетной на этой глубине:

sg(z+d) +szp £ Rz+d , где

sg(z+d) – природное давление на кровлю слабого слоя;

szp - дополнительное давление на кровлю слабого слоя от нагрузки на фундамент;

sg(z+d) =18,8х2=37,6 кПа

szpо =18,8х1,2=22,6 кПа – природное давление под подошвой ф-та;

szp =aро

ро =р-szpо =274,5-22,6=251,9 кПа – дополнительное вертикальное давление на основание;

a - коэф-т рассеивания определяется в зависимости от относительной глубины.

x==

a=;

szp =0,439х251,9=110,6 кПа

Находим ширину условного ф-та bусл из условия:

Аусл = bусл =, где

NII +GII – нормативная нагрузка на подшву фундамента;

szp – дополнительное напряжение на кровлю слабого слоя;

NII +GII =147,4+17,3=164,7 кН/м

bусл =м;

Расчетное сопротивление на глубине z+d=2м.

, где

gс1 =1,25

gс2 =1

k=1,1

kz =1

gII =19.3 кН/м – ниже подошвы (для суглинка) условного ф-та;

gII / =18,8 кН/м – выше подошвы;

сII =30 кПа – для суглинков;

by =1.49 м;

d+z=2м;

при j=20о ;

кПа,

т.к условие:

sg(z+d) +szp =37,6+110,6=148,2 кПа£ Rz+d =340,4 кПа,

то прочность этого слоя обеспечена.

3.1.4. Определение конечных осадок основания

Расчет основания по деформациям производим исходя из условия:

,

где S – совместная деформация основания и сооружения, определяемая расчетом;

Su – предельное значение совместной деформации основания и сооружения,

Для определения осадок используем метод послойного суммирования осадок. Для этого, построим эпюры вертикальных напряжений от собственного веса грунта (эпюру s zg ) и дополнительных вертикальных напряжений (эпюра s zp ).

Вертикальные напряжения от собственного веса грунта:

,

где g ‘– удельный вес грунта, расположенного выше подошвы фундамента;

dn – глубина заложения фундамента;

g i , hi – соответственно удельный вес и толщина i –го слоя;

Удельный вес грунтов, залегающих ниже уровня подземных вод, но выше водоупора:

Дополнительные вертикальные напряжения на глубине z от подошвы фундамента:

,

где a – коэффициент, принимаемый по таблицам СНиП в зависимости от формы подошвы фундамента, соотношения его сторон и относительной глубины, равной x = 2z /b ;

p0 = ps zg0 – дополнительное вертикальное давление на основание;

p – среднее давление под подошвой фундамента;

szg0 – вертикальное напряжение от собственного веса грунта на уровне подошвы фундамента.

Разбиваем грунт на слои толщиной hi =0.46=0.4х0,6=0,24м,

Ро =251,9 кПа – найдено в предыдущем пункте расчета,

szg0 = 22,6 кПа,

Расчет осадок проводим по формуле:

,

где b – безразмерный коэффициент, b = 0,8;

s zp,i – среднее значение дополнительного вертикального напряжения в i – том слое;

hi ,Ei – соответственно толщина и модуль деформации i –того слоя грунта.

Расчет ведем до тех пор пока szp £0.2szg

Расчет осадки ленточного фундамента

Табл. 3.1.

Z x = 2Z/b a s zp , кПа s zg , кПа 0,26 zg, кПа Е, МПа Si (см)
0 0 1 251,9 22,6 4,5 15 -
0,24 0,8 0,881 222 27,0 5,4 15 0,38
0,48 1,6 0,642 161,7 31,6 6,3 15 0,31
0,72 2,4 0,477 120,2 36,1 7,2 15 0,225
0,96 3,2 0,374 94,2 10,6 8,1 18 0,143
1,2 4,0 0,306 77,1 45,3 9,0 18 0,114
1,44 4,8 0,258 65 50,10 10,0 18 0,095
1,68 5,6 0,233 58,7 54,6 10,9 18 0,082
1,92 6,4 0,196 49,4 59,2 11,8 18 0,072
2,16 7,2 0,175 44,1 63,9 12,8 18 0,062
2,4 8,0 0,158 39,8 68,5 13,7 18 0,056
2,64 8,8 0,143 36 73,1 14,6 18 0,05
2,88 9,6 0,132 33,2 77,7 15,5 18 0,046
3,12 10,4 0,122 30,7 82,4 16,5 18 0,043
3,36 11,2 0,113 28,4 87,0 17,4 18 0,04
3,6 12,0 0,106 26,7 91,6 18,3 18 0,036
åSi = 1.75см

Из табл. Следует, что граница нижней сжимающей толщи не достигается, но даже в этом случае S=båSi =0,8х1,75=1,4см<Sп =10см – для зданий с кирпичными несущими стенами.

Рис 3.4. Схема распределения вертикальных напряжений в линейно–деформируемом полупространстве

3.1.5. Проектирование котлована

Размеры котлована в плане определяются расстояниями между наружными осями сооружения, расстояниями от этих осей до крайних уступов фундаментов, размерами дополнительных конструкций, устраиваемых около фундаментов с наружных сторон, и минимальной шириной зазора, позволяющего возводить подземные части здания, между дополнительной конструкцией и стенкой котлована (принимаем 1 м ). Величину откоса стенок котлована принимаем 1:0,67.

3.2. Расчет и конструирование свайных фундаментов

3.2.1 Выбор типа и размеров свай

В курсовом проекте необходимо запроектировать свайный фундамент из забивных висячих, квадратного сечения железобетонных свай. Размеры свай и глубину их забивки назначаем исходя из следующих факторов:

– геологических условий;

– действующих нагрузок;

– типа ростверка.

Глубину заложения ростверка назначаем, исходя из конструктивной схемы здания. А также принимая во внимание те же условия, которые мы учитывали, назначая глубину заложения фундамента на естественном основании:

– для безподвальной части здания – df = 0,2 м ;

Сопряжение сваи с ростверком назначаем свободным. Длину сваи назначаем исходя из геологических условий (Рис. 6) – l = 3,0 м .

Рис. 3.5. Расчетная схема к определению несущей способности одиночной сваи

3.2.2. Расчет несущей способности одиночной сваи

Несущую способность Fd (кН ) висячей забивной сваи, работающей на сжимающую нагрузку, определяем по формуле:

,

где gс = 1 – коэффициент условий работы сваи в грунте;

R – расчетное сопротивление грунта под нижним концом сваи, определяемое из табл. 6.21 [1];

А – площадь опирания на грунт сваи, принимаемая по площади поперечного сечения сваи брутто;

u – периметр поперечного сечения сваи, м ;

fi – расчетное сопротивление i –того слоя грунта основания на боковой поверхности сваи, определяемое по табл. 6.20[1];

hi – толщина i –того слоя грунта, соприкасающегося с боковой поверхностью, м ;

gсК и gс f – коэффициент условий работы грунта соответственно под нижним концом и на боковой поверхности сваи, учитывающие влияние способы погружения на расчетные сопротивления грунта, принимаемые независимо друг от друга (табл. 6.22 [1]).

R=8300 кПа;

А=d2 -0.22 =0,04 м2 ;

u=4d=4х0,2=0,8м;

Разбиваем толщу на слои hi =2м и находим:

h1 =2м h2 =2м
z1 =1.5м z2 =3м
J 1 <0 J 2 <0
f1 =38.5 кПа f2 =48 кПа

;

Допустимая нагрузка на сваю N= кН

3.2.3. Определение количества свай, размещение их в плане
и конструирование ростверка

Рис. 3.6. Расположение свай в плане под стенами

Число свай в кусте определяем по формуле:

,

где gk – коэффициент надежности, назначаемый в зависимости от способа определения несущей способности сваи;

NI – расчетная нагрузка, действующая по обрезу фундамента, кН ;

GfI – ориентировочный вес ростверка и грунта на его обрезах, кН ;

Fd – несущая способность одиночной сваи, кН ;

Шаг свай :

а=

Шаг свай должен находится в пределах:

d=3х0,2=0,6м<а<6d=1,2м,

Т.к. шаг свай большой, т.е. а>6d, то необходимо либо уменьшить длину сваи, либо выбрать сваи меньшего сечения, т.к. сваи очень мощные, но этого сделать нельзя, т.к. нет свай меньшей длины и меньшего сечения, поэтому примем шаг свай а=6d=1,2м.

3.2.4. Размещение свай в кусте и конструирование ростверка

Шаг свай по расчету - а=1,2м (принят) . Сваи располагаются в один ряд, расстояние от оси сваи до края ростверка ³0,2м , а т.к. ширина стены равна 51см, то ширину ростверка примем bp =3d=0.6м . Ростверк проектируем жесткий, монолитный высота ростверка hp =ho +0.25м , где величина заделки головы сваи в ростверк, принимается при жесткой заделке ho =0,3м . Тогда hp =0,3+0.25=0,55 м , примем hp =0,6м.

3.2.5. Определение конечных деформаций основания свайного фундамента. Окончательный выбор параметров свайного фундамента .

Расчет осадок выполняется по II группе предельных состояний. Расчет по деформациям выполняем как для условного массивного ф-та на естественном основании. Границы условного ф-та:

- сверху – уровнем планировки «а-б»;

- снизу – поверхностью «г-в» в уровне нижних концов свай условного ф-та;

- сбоку – вертакальными полосками «а-б» и «б-в».

Средневзвешенное значение угла внутреннего трения грунтов:

,

где hi – глубина i -того слоя;

j i – угол внутреннего трения i -того слоя;

a=;

Ширина подошвы условного ф-та:

By =d+2ltga=0,2+2х3хtg4.6o =0.68м.

Среднее давление по подошве условного фундамента:

,

где NII – нормативная нагрузка по обрезу фундамента, кН ;

Gуф – вес ростверка, свай и грунта в пределах объема условного фундамента, за вычетом объема свай, кН ;

lуф , bуф – ширина и длина подошвы условного фундамента, м .

Аусл =bусл =0,68 – для ленточного ф-та – площадь подошвы;

Gуф =Gp +Gсв +Gгр =24х0,36=8,64 кН/м – 1м длины

Объем ростверка:

Vр =1х0,62 =0,36 м3

Вес 1 м сваи 0,22т=2,2кН/м, сваи длиной l =3м,

Gсв =2,2х3=6,6 кН,

Учитывая, что на 1 м длины находится 1/а=1/1,2 сваи, находим вес сваи, приходящейся на 1м длины

Gсв =кН/м.

Вес грунта в объеме условного ф-та за вычетом объема ростверка:

Gгр =0,68(18,8х2+19,3х2)-18,8х0,36=45,1 кН/м

Gуф =8,64+5,5+45,1=59,24 кН/м

Рис 3.7. Схема условного фундамента для расчета по второй группе предельных состояний

- ниже подошвы;

- выше подошвы, при

j=20о ;

Мg =0,51;

Мg =3.06;

Мc =5.66;

кПа

<R=465,5 кПа – условие выполняется.

Выполняем расчет осадок свайного ф-та. Разбиваем на слои hi =0,4bусл =0,4х68=0,27м;

Природное давление под подошвой:

szgo =18.8х2+18,3х2=76,2 кПа;

роII -szgo =303.5-76.2=227.3 rGf$

szp =a ро;

Расчет ведем в таблице 3.2.:

Расчет осадки свайного фундамента

Табл. 3.2.

Z x = 2Z/b a s zp , кПа s zg , кПа 0,26 zg, кПа Е, МПа Si (см)
0 0 1 227,3 76,20 15,2 18 -
0,27 0,8 0,881 200,0 81,40 16,3 18 0,320
0,54 1,6 0,642 146,0 86,60 17,3 18 0,260
0,81 2,4 0,477 108,4 91,80 18,4 18 0,190
1,08 3,2 0,374 85,00 97,00 19,4 18 0,145
1,35 4,0 0,306 69,50 102,2 20,4 18 0,115
1,62 4,8 0,258 58,60 106,5 21,5 18 0,096
1,89 5,6 0,233 53,00 109,2 21,8 20 0,075
2,16 6,4 0,196 44,50 112,0 22,4 20 0,065
2,43 7,2 0,175 39,80 114,9 23,0 20 0,056
2,70 8,0 0,158 35,90 117,7 23,5 20 0,051
2,97 8,8 0,143 32,50 120,5 24,1 20 0,046
3,24 9,6 0,132 30,00 123,4 24,7 20 0,042
3,51 10,4 0,122 27,70 126,2 25,2 20 0,038
3,78 11,2 0,113 25,70 129,0 25,8 20 0,036
åSi = 1,50 см

Из табл.8 видно, что при z=3.78м от подошвы ф-та

szp =25,8 кПа<0,2szg =25.8 кПа;

Осадка свайного ф-та:

S=båSi =0.81х1,5=1,2 см <Su =10см.

При расчете природного давления для третьего слоя – суглинка полутвердого, лежащего ниже уровня УГВ и ниже водоупорного слоя – суглинка твердого, определяется удельный вес грунта этого слоя с учетом действия воды:

gsbз = кН/м3 ;

Окончательно принимаем сваи С3-20

Рис 3.8. Схема распределения вертикальных напряжений в линейно–деформируемом полупространстве

3.2.6. Проектирование котлована

Размеры котлована в плане определяются расстояниями между наружными осями сооружения, расстояниями от этих осей до крайних уступов фундаментов, размерами дополнительных конструкций, устраиваемых около фундаментов с наружных сторон, и минимальной шириной зазора, позволяющего возводить подземные части здания, между дополнительной конструкцией и стенкой котлована (принимаем 1 м ). Величину откоса стенок котлована принимаем 1:0,67.

3.3. Технико-экономическое сравнение вариантов

При проектировании оснований и фундаментов зданий и сооружений приходится учитывать много факторов, влияющих на выбор проектного решения и разрабатывать несколько вариантов. Выполнение оценок целесообразности того или иного типа фундамента следует производить для здания (сооружения) в целом. Однако, только в рамках курсового проекта, для предварительной оценки технико-экономических показателей запроектированных фундаментов (рис 10, 11) выполняем расчеты, приведенные в табл.

Рис. 3.9. Схема фундамента на естественном основании.

Рис. 3.10. Схема свайного фундамента.

Определение технико-экономических показателей фундамента на естественном основании

Табл. 3.3.

№№ п/п Наименование работ Количество Стоимость, руб. Трудоемкость, чел-дн
на единицу всего на единицу Всего
1. Разработка влажных песчаных грунтов, м3 10,75 2,3 24,73 0,32 3,44
2. Устройство бетонной подготовки под фундаменты, м3 0,14 23,7 3,41 0,58 0,08
3. Устройство монолитного ф-та 1 59,2 59,2 0,55 0,55
Итого 87,34 4,07

Определение технико-экономических показателей свайного фундамента

Табл. 3.4.

№№ п/п Наименование работ Количество Стоимость, руб. Трудоемкость, чел-дн
на единицу всего на единицу всего
1. Разработка влажных песчаных грунтов, м3 10,75 2,3 24,73 0,32 3,44
2. Устройство монолитных железобетонных фундаментов и ростверков из бетона марки В15, столбчатых, м3 1,58 29,6 46,8 0,72 1,14
3. Погружение железобетонных свай из бетона марки В25, длиной до 12 м в грунты I группы, шт 3 85,2 255,6 1,05 3,15
Итого 327,13 7,73

Вывод : Устройство фундамента на естественном основании для данного здания и при данных инженерно-геологических условиях представляется более рациональным, чем устройство свайного фундамента. В связи с этим предлагаем в данном здании использовать фундамент на естественном основании из сборных железобетонных фундаментов.

4. Расчет стены подвала

4.1. Расчет ленточного ф-та под стену подвала

Рис.3.11. Схема ленточного фундамента с подвалом

Приведенная глубина заложения ф-та для зданий с подвалом:

d1 =hs +hcf

;

Определяем площадь подошвы ф-та:

А / = , где

NII нормативная нагрузка на сечении 3-3;

Rо – расчетное сопротивление грунта основания;

,

b=А/ =0,45м,

Т.к. стена толщиной 0,51м, то примем b=0,6м с опиранием блоков на бетонную подготовку толщиной 10см.

Вес фундамента:

Gф =24х0,6х2,4=34,56 кН/м;

Вес грунта на обрезах:

Gгр =0;

Расчетное сопротивление грунта основания R :

,

Mr = 0,51; Mq =3,06; Mc = 5,66;

- ниже подошвы;

- выше подошвы;

Фактические напряжения под подошвой фундамента (фундамент центрально нагружен):

,

=290,7кПа

Условие выполняется, недогруз фундамента составляет 0,3%. Следовательнопринимаем b=0.6м.

4.2. Проверка выбранного фундамента

4.2.1 Проверка условий по подошве фундамента по оси А-А

а) давление от собственного веса грунта:

,

где g - расчетное значение удельного веса грунта;

l a – коэффициент активного давления грунта;

,

где j - угол внутреннего трения 2го слоя.

б) давление от полезной нагрузки на прилегающей к подвалу территории:

,

где q - полезная нагрузка на прилегающей к подвалу территории, q = 10 кПа ;

,

где

- Проверка условия по контакту “подошва-грунт”:

4.2.2 Проверка условий по подошве фундамента по оси 3-3

,

где

- Проверка условия по контакту “подошва-грунт”:

4.2.3 Проверка условий по подошве фундамента
от совместного действия моментов

4.3. Определение конечных деформаций основания

Вертикальные напряжения от собственного веса грунта см. Табл. 8.

Дополнительные вертикальные напряжения на глубине z от подошвы фундамента:

,

p0 = ps zg0 = 116,54 – 70,80 = 45,74

Расчет дополнительных вертикальных напряжений

Табл. 4.1.

Z x = 2 z /b a s z p
0 0 1 45,74
0,72 0,8 0,800 36,59
1,44 1,6 0,449 20,54
2,16 2,4 0,257 11,76
2,88 3,2 0,160 7,32
3,60 4,0 0,108 4,94
4,32 4,8 0,077 3,52
5,04 5,6 0,058 2,65
5,76 6,4 0,045 2,06
6,48 7,2 0,036 1,65
7,20 8,0 0,029 1,33

Рис 13. Схема распределения вертикальных напряжений в линейно–деформируемом полупространстве

,

Следовательно, фундамент запроектирован верно.

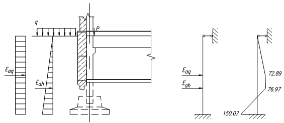
5. Расчет подпорной стены

5.1. Исходные данные

H = 2,3 м ;

h = 0,5 м ;

j = 22°;

e 1 = 0°;

e 2 = 3°;

q = 15 кПа ;

b = 5°;

gст = 21

g = 19,3

с = 0,5 кПа .

5.2. Расчет вспомогательных данных

Эквивалентная высота грунтового слоя:

Вес призмы грунта BAa1 (BAa2 … BAa10 ):

Величины сил, действующих на стенку:

5.3. Расчет устойчивости стенки

Коэффициент устойчивости k1 :

Коэффициент устойчивости k2 :

Следовательно, подпорная стена неустойчива и будет сдвигаться.

6. Список использованной литературы

1. “Основания и фундаменты. Методические указания”, Шадунц К. Ш., Краснодар, 1998

2. “Механика грунтов, основания и фундаменты”, Б. И. Долматов, С.-П., Стройиздат, 1988

3. “Механика грунтов, основания и фундаменты”, C. Б. Ухов, М., АСВ, 1994

4. “Справочник. Основания и фундаменты”, под. ред. Г. И. Швецова, М, ВШ, 1991

5. “Технология строительного производства”, Б. Ф. Драченко, М, “Агропромиздат”, 1990

Оценить/Добавить комментарий
Имя
Оценка
Комментарии:
Срочная помощь учащимся в написании различных работ. Бесплатные корректировки! Круглосуточная поддержка! Узнай стоимость твоей работы на сайте 64362.ru
17:40:14 10 сентября 2021
Привет студентам) если возникают трудности с любой работой (от реферата и контрольных до диплома), можете обратиться на FAST-REFERAT.RU , я там обычно заказываю, все качественно и в срок) в любом случае попробуйте, за спрос денег не берут)
Olya11:36:36 24 августа 2019
.
.11:36:35 24 августа 2019
.
.11:36:34 24 августа 2019
.
.11:36:33 24 августа 2019

Смотреть все комментарии (18)
Работы, похожие на Реферат: Проектирование фундамента 4-хэтажного администратиного здания маслоперерабатывающего завода в пос. Ахтырский Абинского района

Назад
Меню
Главная
Рефераты
Благодарности
Опрос
Станете ли вы заказывать работу за деньги, если не найдете ее в Интернете?

Да, в любом случае.
Да, но только в случае крайней необходимости.
Возможно, в зависимости от цены.
Нет, напишу его сам.
Нет, забью.



Результаты(286363)
Комментарии (4153)
Copyright © 2005-2021 HEKIMA.RU [email protected] реклама на сайте