| Методические указания
к проведению практических занятий
по курсу
“Железобетонные конструкции” Министерство образования Российской Федерации
Сибирская государственная автомобильно – дорожная академия
Инженерно строительный институт (ИСИ СибАДИ)
Кафедра “Строительные конструкции”
Методические указания
к проведению практических занятий
по курсу “Железобетонные конструкции”
(IV ПГС)
Составители: Саунин В. М.
Тютнева В. Г.
Омск - 2003
Практические занятия по ж/б
конструкциям
III
ПГС,
IV
семестр
1. Отдельная тетрадь, предъявляется при зачете с подписью проверяющего практические занятия. Обязателен СНиП.
2. Рассматривается ж/б конструкция.

3.
Тема
: Прямоугольное сечение с одиночной арматурой
(см. лекции).
Рассчитывается консольный свес:
Конструктивная схема:

Расчетная схема:

кН/м – расчетная нагрузка
Определяем усилия:

Расчетное сечение:

Предварительно см (см. п. 5.5; п. 5.6)
тогда см
Исходные данные:
Бетон В20: (п.2.11) МПа, если 
(тяжелый) МПа, если 
Арматура: (п.2.27) А-III Ø 6-8 МПа
Вр-I Ø 3 МПа
Ø 4 МПа
Ø 5 МПа
Расчет сечений, нормальных к продольной оси элемента, следует произ-
водить в зависимости от соотношения между значением относительной высоты сжатой зоны бетона и значением граничной высоты сжа -
той зоны бетона ;
- по арматуре
- по бетону и арматуре
; (см. п. 3.12)

МПа
МПа ( )




;
на 1 м
или
на 1 м
Должно соблюдаться условие 
(см. п. 5.16)

Принимаем Æ 6 А-III с мм с 
Распределительную арматуру принимаем
Æ 3 Вр – I c мм (см. п.5.22)
Проверка прочности нормального сечения:
(см. п. 3.15)
Уточняем рабочую высоту сечения:

Определяем высоту сжатой зоны бетона:

Прочность обеспечена
Тема:
Прямоугольное сечение с двойной арматурой
(см. лекции)

При - двойное армирование
Конструктивная схема:

Расчетная схема:

q1
=7.75 кН/м (на 1 м ширины)
ℓ0
=5.3 м

Расчетное сечение:


Исходные данные:
те же с добавлением
для А – III Æ 

требуется сжатая продольная арматура с 
-
(у нас Ø 6А-III из предыдущего расчета)
У нас есть Ø 6А-III с c , принимаем это, и 




Принимаем Æ 14 A – III с мм с 
Распределительную Æ 4 Вр – I с мм
Уточняем по 3.15 – см
см
Проверка прочности:

Прочность обеспечена.
Есть смысл увеличить шаг, но в учебных целях оставим так.
5. Тема:
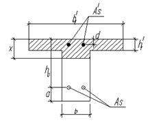
Тавровое сечение
5.а. Контрольная часть (опорное сечение), отрицательный момент.
Конструктивная схема:

Расчетная схема:


Расчетное сечение:

Исходные данные: (см. ранее) 


Принимаем 2 Æ 16 A – III с Аs
3
=4.02 см2
(в расчете на 2 каркаса п.5.22)
Если установить их под арматурой (см.п.3)

 
а по п. 5.5

Проверка прочности опорного сечения:

Прочность обеспечена
5.б. Пролетная часть, момент положительный
Конструктивная схема:

Расчетная схема:


Расчетное нормальное сечение:

Назначение (п. 3.16): между продольными ребрами (свесы)
а) 
б)


2) консольные свесы – при 
(студентам читать самим)

Назначаем, а=5 см (в ожидании двухрядного расположения арматуры).

Определение положения границы сжатой зоны бетона:
Границы сжатой зоны в полке,

 
Принимаем 4 Æ 32 A – III с Аs
=32.17 см2
Размещение арматуры:

Принимаем 40 мм
Проверка прочности нормального сечения:

Определение положения границы сжатой зоны:

Граница сжатой зоны в полке


Прочность обеспечена, при недостатке желательно сблизить или поставить рядом стержни.
6. Тема:
Расчет прочности наклонных сечений
(см. лекции)

Расчетная схема наклонного сечения:

По изгибающему моменту расчет не проводится, т.к. подбором верхней арматуры 2Æ16 A-III обеспечена прочность как нормальных, так и наклон -
ных сечений из-за гарантии анкеровки этой арматуры. Поэтому расчет на поперечную силу.

– проекция опасного наклонного сечения
Необходимость расчета хомутов при невыполнении (п.3.32) условия (84):

Расчетное наклонное сечение:


Левая часть условия (84) равна:

что не меньше 
Условие (84) не выполняется – необходима поперечная арматура – нанесем ее на расчетную схему и сечение.
Из условия (83) определим 

где (нет полок в сжатой зоне)

из п. 5.27 
(81) арматура А - III
Æ 6 – 8 Мпа
Æ 10 Мпа
К Æ 32 продольной арматуры можно как минимум приваривать
Æ 8 А – III – см
2 – число каркасов

Мпа - см. примечание табл. 22
(80) 




Прочность наклонного сечения обеспечена.
Хомуты Æ 8 А - III на шаг 200 мм, а на остальной части
(см.п.5.27) Принимаем 400 мм.
7. Тема:
Конструирование арматурных элементов

С - 1
Расстояние между крайними рабочими Æ 6 A - III поперечными стерж -
нями п.5.9 и 
Целым числом шагов 200 набирается:
;
Остается два шага по
Длина стержней Æ 6 A - III : 
Расстояние между крайними распределительными стержнями Æ 3 Вр - I

Целым шагом 600 набирается: 
Остается два шага по 
Длина Æ 3 Вр – I: 
С - 1

С – 2
Расстояние между крайними рабочими Æ 14 A – III поперечными стержнями:

Целым числом шагов 120 набирается 
Остается два шага по 
Длина стержней Æ 14 A – III - 5450 мм

Расстояние между крайними распределительными продольными стержнями Æ 4 Вр – I:

Целым шагом 600 набирается:

Длина Æ 4 Вр – I - 
С - 2

Сетка С-1 и С-2 могут набираться из отдельных частей, получаемых расчленением по распределительной арматуре с учетом стыкования в нерабочем направлении п.5.41.
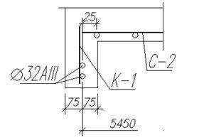
К-1
Расстояние между рабочими продольными стержнями Æ16 и Æ 32 А III (см. схему и расчеты)

Расстояния между Æ16 и Æ 32 (верхним): 
Расстояния между Æ16 и Æ 32 (нижним): 
Принимаем технологически удобные размеры 440 и 520, оставляя 28 (базовым).
Длина стержней Æ16 и Æ 32 (п.5.9.): 
Расстояние между крайними поперечными стержнями:

Оно набирается шагом 200 (от половины вылета консоли и 1/4 пролета – (от опор) и 400 в оставшихся частях.
Зона 1500/2 + 9000/4 = 3000 набирается шагом , остав -
шаяся средняя часть пролета 9000/2=4500 мм набирается целым шагом
400х10=4000 мм и переходными шагами 250х2=500 мм.
Оставшиеся части консолей:

Набирается одним шагом 400 и одним переходным 310 мм.
Длина поперечных стержней: 
К - 1

Расход основной рабочей арматуры на плиту

где 6,31 кг/м-масса 1 пог. метра Æ 32
8.Тема:
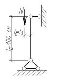
Расчет внецентренно-сжатых элементов прямоугольного сечения.
Конструктивная схема:
 
Расчетная схема:


; (см. п. 1.21)
; ; 
а) Симметричное армирование:
Расчетное сечение
; 

Материалы:
Бетон В20;
(c )
Арматура класса А- III;
( )
по п. 5.17 
Задаемся в учебных целях 
;
;

Целесообразно симметричное армирование
, т.к. случайный эксцентриси -
тет в любую сторону; из (37) п.3.20
;

(определение см. пример выше).
Значит (с учетом знака ).
Из (36) 
для и ; и 



Из (38), (39)
;
Для , 
Для , , , наносим характер зависимости – по третьей точке
Для (ближе к ожидаемому пересечению)
наносим по пересечению получаем
Принимаем 2 Æ 22 AIII
Проверка прочности
Оставим ; ;
(см. выше); ;
Из (38), (39) уточняем ; ;
Из (39) что меньше и по абсолютной величине 
Из (36)
Прочность обеспечена
б) Несимметричное армирование:
Допустим, что наш эксцентриситет только в одну сторону и Из проведенных выше расчетов из (36) имеем:
при

при (max)

Имеет смысл взять наименьшую, тем более, что она больше
(2 16 A - III)см.пособие по ненапряженному железобетону п.5.56
Не подбирая стержни, с этой , и соответственно из (38) из (39):

Принимаем сжатую арматуру 2 22 A - III с , растянутую или менее сжатую 2 16 A - III (конструктивно) с 
Размещение оставим то же (по , ), но можно и уточнить:

Рис. 27

Проверка прочности:
Из (37) 
значит, ; уточняем из (38) и (39);

при этом из (39)
;
;
Из (36): 
Что больше
Прочность обеспечена.
в) Конструирование арматурных элементов.
Ствол колонны армируется пространственными каркасами: в случае симметричного армирования КП-1 и несимметричного КП-2, армирования
КП-1 (4 22
A
-
III
)
Расстояние между осями продольных стержней .
Длина продольных стержней . (п.5.9)
Минимальный диаметр поперечной арматуры по свариваемости с 22 - 6мм
Принимаем 6 A - III
Шаг поперечных стержней (п.5.22)

Принимаем (технологически удобный размер).
Расстояние между крайними поперечными стержнями , набирается Длина поперечных стержней 
КП-1

Рис. 28
КП-2
К изложенному выше в КП-1 изменения только в шаге , в части (16 – min )
Принимаем 300 мм и 3930 набираем 
КП-2

Рис. 29
9. Предварительно-напряженные конструкции
9.1. Расчет прочности по нормальным сечениям изгибаемых элементов.
Расчетное сечение (см.п.5.б ) среднее

Рис. 30

Задаемся напряженной арматурой А - VI; 
Граница сжатой зоны в полке (см. п.5.б), там же 
Определяем (см. п. 3.12 по СНиПу), (см. п. 3)
- предварительно принимаем так

п. 3.13 , 
принимаем 
итак, граница сжатой зоны в полке, из (28)

Принимаем 4 Æ 20 А - VI с 
Размещение арматуры (п.5.5, 5.6, 5.12)

Рис. 31
- с учетом охватывающей арматуры из Æ 4 Вр – I (конструктивно)
Проверка прочности

Определение границы сжатой зоны:
-она в полке

Прочность обеспечена
Расход 1Æ 16 + 2 Æ (Аsp
)
9.2. Конструирование арматурных элементов для преднапряженной конструкции
По сравнению с предыдущим каркас К-1 должен быть изменен. Вместо
2 Ø 32 A - III ставится конструктивно монтажный, стержень принимается
Ø 16 A - III и ставится на место нижнего Ø 32 A – III с опусканием. Итак:


Рис. 32
Для конструирования арматурных элементов, связанных с предваритель -
ным напряжением следует задаться значением начального предваритель -
ного напряжения арматуры и определить величину предварительного нап -
ряжения перед передачей напряжения с упоров на затвердевший бетон п.1.23, механический способ натяжения на упоры стенда (п.2.25) для А - VI
Из (1) 
Принимаем 
П.1.24 табл. 5
Первые потери:
1) релаксация 
2) температурный перепад 
длина натягиваемых стержневых заготовок 
3) деформация анкеров
(п. 2.30,т. 29)

- нет огибающих приспособлений
- натяжение группы в 2 стержня
- это уже больше 100МПа
Усилие обжатия бетона при передаче напряжения с упоров

п.5.58 – Дополнительная ненапрягаемая поперечная арматура на всю высоту торцевого сечения: 
Принимаем 4 Ø 14 A - III c
Нижние концы стержней привариваются к пластине, которая кроме этого служит для выполнения требований п.5.7, а.
Толщина пластины (приложение 4):


Рис. 33
Гнутый каркас Кр-2
Из условия свободного надевания на анкера закладной детали, а также п.5.61 и п.2.29

Принимаем 280 мм;

максимум из и 
принимаем 
принимаем Ø 4 Вр – I для Кр – 2; Кр – 3
вид сбоку

126 – по осям охватывающей арматуры
 
Рис. 33
На оставшейся по длине части
12000-295х2=11410 мм
ставится Кр-3 того же поперечного сечения, что и Кр-2, но с шагом согласно п.5.22-150х2=300мм.
Чертежи Кр-2 и Кр-3 можно совместить (см. рисунок выше). Расход основной рабочей арматуры
Æ 20 А – VI - (см. п.7)
9.3. Определение момента трещинообразования (стадия
I
НДС-
II
группа предельных состояний)
9.3.1. Геометрические характеристики приведенного сечения (п.1.28)

Рис. 34
- табл. 18. Бетон подвергается тепловой обработке при атмосферном давлении.
(А III) – табл. 29
(А VI)
Коэффициенты приведения: 
Площадь приведенного сечения:

Статический момент относительно нижней грани:

Расстояние от центра тяжести нижней грани:

Момент инерции относительно центра тяжести:

Упругий момент сопротивления относительно нижней грани –

относительно верхней грани –

относительно центра тяжести напрягаемой арматуры –

Упругопластический момент сопротивления относительно нижней грани допускается определять ( для таврового с полкой в сжатой зоне):

9.3.2. Определение полных потерь в напрягаемой арматуре.
Расчет ведется для стадии передачи напряжения на бетон: изготовление конструкции на месте ее расположения.
Нормативный изгибающий момент от собственной массы конструкции:

Потери напряжений от быстронатекающей ползучести бетона в момент передачи напряжений на него определяются по п.6 табл. 5 в зависимости от

Потери от усадки бетона – (п.8, табл. 5)
Потери от ползучести бетона –

(п. 1.28) 
(п. 9 табл. 5)


Сумма всех потерь и усилие обжатия с учетом этого:


9.3.3. Определение – момент трещинообразования (п.4.5.)
К исходным данным: ; 
Примем нормативное значение изгибающего момента в среднем сечении 80% от расчетного

Определим для формулы (135)

(135) ; ;
Радиус ядра сечения (ядровая точка - верхняя)

(без учета ненапрягаемой арматуры)
Доля момента трещинообразования, определенная усилием обжатия
(129) 
Момент трещинообразования:
(125) 
Поскольку 
Условие (124) выполняется и трещин нормальных к продольной оси не будет.
9.4.4. Определение прогибов при отсутствии трещин в растянутой зоне.
(п.4.23 а и последний абзац; п.4.24)
Прогибы определяются по средней кривизне без учета разгружающего влияния консолей, т.е. заведомо получается завышенный прогиб из-за нулевого момента на опоре.
Примем разделение полного нормативного момента на кратковременную –

и длительную –
; части



Для формул (159)
;
;
Для определения :
В стадии передачи напряжений на бетон –

Поскольку в верхней грани растяжение 

значит 
(если , то и определять – см.выше)
Итак, 

;

что больше 
поэтому 
Полная кривизна:
;
Для балки загруженной равномерно распределенной нагрузкой : 
Прогиб 
По дополнению, раздел 10к СНиП для 
(высота помещений до 6м) 
для 
Для по интерполяции: 
В нашем случае жесткость обеспечена, что и следовало ожидать из-за отсутствия трещин в растянутой зоне.
|