Банк рефератов содержит более 364 тысяч рефератов, курсовых и дипломных работ, шпаргалок и докладов по различным дисциплинам: истории, психологии, экономике, менеджменту, философии, праву, экологии. А также изложения, сочинения по литературе, отчеты по практике, топики по английскому.
Полнотекстовый поиск
Всего работ:
364139
Теги названий
Разделы
Авиация и космонавтика (304)
Административное право (123)
Арбитражный процесс (23)
Архитектура (113)
Астрология (4)
Астрономия (4814)
Банковское дело (5227)
Безопасность жизнедеятельности (2616)
Биографии (3423)
Биология (4214)
Биология и химия (1518)
Биржевое дело (68)
Ботаника и сельское хоз-во (2836)
Бухгалтерский учет и аудит (8269)
Валютные отношения (50)
Ветеринария (50)
Военная кафедра (762)
ГДЗ (2)
География (5275)
Геодезия (30)
Геология (1222)
Геополитика (43)
Государство и право (20403)
Гражданское право и процесс (465)
Делопроизводство (19)
Деньги и кредит (108)
ЕГЭ (173)
Естествознание (96)
Журналистика (899)
ЗНО (54)
Зоология (34)
Издательское дело и полиграфия (476)
Инвестиции (106)
Иностранный язык (62791)
Информатика (3562)
Информатика, программирование (6444)
Исторические личности (2165)
История (21319)
История техники (766)
Кибернетика (64)
Коммуникации и связь (3145)
Компьютерные науки (60)
Косметология (17)
Краеведение и этнография (588)
Краткое содержание произведений (1000)
Криминалистика (106)
Криминология (48)
Криптология (3)
Кулинария (1167)
Культура и искусство (8485)
Культурология (537)
Литература : зарубежная (2044)
Литература и русский язык (11657)
Логика (532)
Логистика (21)
Маркетинг (7985)
Математика (3721)
Медицина, здоровье (10549)
Медицинские науки (88)
Международное публичное право (58)
Международное частное право (36)
Международные отношения (2257)
Менеджмент (12491)
Металлургия (91)
Москвоведение (797)
Музыка (1338)
Муниципальное право (24)
Налоги, налогообложение (214)
Наука и техника (1141)
Начертательная геометрия (3)
Оккультизм и уфология (8)
Остальные рефераты (21692)
Педагогика (7850)
Политология (3801)
Право (682)
Право, юриспруденция (2881)
Предпринимательство (475)
Прикладные науки (1)
Промышленность, производство (7100)
Психология (8692)
психология, педагогика (4121)
Радиоэлектроника (443)
Реклама (952)
Религия и мифология (2967)
Риторика (23)
Сексология (748)
Социология (4876)
Статистика (95)
Страхование (107)
Строительные науки (7)
Строительство (2004)
Схемотехника (15)
Таможенная система (663)
Теория государства и права (240)
Теория организации (39)
Теплотехника (25)
Технология (624)
Товароведение (16)
Транспорт (2652)
Трудовое право (136)
Туризм (90)
Уголовное право и процесс (406)
Управление (95)
Управленческие науки (24)
Физика (3462)
Физкультура и спорт (4482)
Философия (7216)
Финансовые науки (4592)
Финансы (5386)
Фотография (3)
Химия (2244)
Хозяйственное право (23)
Цифровые устройства (29)
Экологическое право (35)
Экология (4517)
Экономика (20644)
Экономико-математическое моделирование (666)
Экономическая география (119)
Экономическая теория (2573)
Этика (889)
Юриспруденция (288)
Языковедение (148)
Языкознание, филология (1140)

Учебное пособие: Методические указания Томск 2007 удк 621. 38

Название: Методические указания Томск 2007 удк 621. 38
Раздел: Остальные рефераты
Тип: учебное пособие Добавлен 00:55:49 30 августа 2011 Похожие работы
Просмотров: 133 Комментариев: 12 Оценило: 0 человек Средний балл: 0 Оценка: неизвестно     Скачать

федеральное агентстВО по ОБРАЗОВАНИю РОССИЙСКОЙ ФЕДЕРАЦИИ

Государственное образовательное учреждение высшего профессионального образования

ТОМСКИЙ ПОЛИТЕХНИЧЕСКИЙ УНИВЕРСИТЕТ

Лабораторные

работы

по

аналоговой

электронике

Э.И. Цимбалист

Лабораторные работы модуля 1.2.

«Исследование характеристик и параметров

типовых активных элементов аналоговой

электроники и простых схем

по их применению»

Методические указания

Томск 2007


УДК 621.38

Лабораторные работы по аналоговой электронике:

Методические указания к лабораторному циклу; в 9 кн. Кн. 3.

Цимбалист Э.И. Лабораторные работы модуля 1.2. «Исследование характеристик и параметров типовых активных элементов аналоговой электроники и простых схем по их применению». Методические указания. - Томск: Изд. ТПУ, 2007. – 60 с.

Печатается по постановлению Редакционно-издательского Совета Томского политехнического университета.

Темплан 2007

© Томский политехнический университет, 2007



Перечень лабораторных работ модуля элементов 1.2.

«Исследование характеристик и параметров

типовых активных элементов аналоговой электроники

и простых схем по их применению»

1.2.1. Выпрямительные диоды. Исследование схем выпрямителей и ограничителей.

1.2.2. Стабилитрон. Исследование параметрического стабилизатора напряжения постоянного тока.

1.2.3. Биполярный транзистор. Анализ режимов (усилительного, отсечки, насыщения).

1.2.4. Полевой транзистор (ПТ) как усилительный элемент, «ключ», генератор тока.

1.2.5. Оптоэлектронная пара (светодиод-фотодиод). Анализ фотодиодного и вентильного режимов.

Лабораторная работа 1.2.1.

Выпрямительные диоды

Исследование схем выпрямителей и ограничителей

1. Цель работы:

- овладеть методикой снятия вольт-амперных характеристик (ВАХ) нелинейного элемента – выпрямительного диода;

- освоить методику расчета основных параметров диода, характеризующего его как нелинейный элемент с вентильными свойствами;

- получить навыки аппроксимации экспериментальной ВАХ диода;

- понимать процессы в диодных выпрямителях и ограничителях.


2. Краткие сведения по подготовке к лабораторной работе

Отличительным свойством выпрямительных диодов является их вентильное свойство, т.е. способность проводить ток при прямом включении и практически не проводить в обратном включении. Так как в макете № 1 установлены маломощные кремниевые диоды, у которых при обратных напряжениях в десятки вольт обратный ток не достигает разрешающей способности по току мультиметра М-832 на его самом чувствительном пределе, то ВАХ диода снимается только при прямом включении диода.

Как известно, ВАХ диода нелинейная, поэтому в любой точке ВАХ имеют место свои значения статического и дифференциального сопротивлений: , RСТ > RД , .

Вентильные свойства выпрямительных диодов широко используются в схемах выпрямителей и ограничителей напряжения. В лабораторной работе исследуются схемы однополупериодного выпрямителя, работающего на активную или емкостную нагрузку, и схемы последовательного и параллельного ограничителя.

Для понимания работы схем можно воспользоваться нелинейными или линеаризованными моделями (схемами замещения диода), полученными из экспериментальных данных при снятии его ВАХ. Можно также воспользоваться графическими построениями на ВАХ диода с изображением на ней нагрузочной прямой.

Пусть прямое включение диода реализовано в схеме, изображенной на рисунке 1. В соответствии с алгоритмом построения нагрузочной прямой, ее уравнение имеет вид: . Тогда она расположится на ВАХ диода следующим образом (рисунок 2) и будет перемещаться параллельно самой себе при изменениях Е1. Абсцисса рабочих точек показывает значение напряжения U, падающего на диоде.

Если на рисунке 1 вместо источника напряжения постоянного тока включить источник гармонического напряжения, то напряжение UR будет повторять форму тока I(t) (рисунок 2), причем амплитуда UR в первом приближении будет отличаться от Em на значение порядка Е0 (рисунок 3), а угол отсечки Q тока I и напряжения UR Е10 ® Е0 . Е1 0 , а угол отсечки тока I и напряжения будет меньше 90°.


Приняв в качестве модели диода схему замещения при кусочно-линейной аппроксимации ВАХ, для входного гармонического сигнала получим расчетную схему (рисунок 3). Тогда для положительной полуволны Е~

, UR = IR »

» E(t) – E0 при R >> R д .

Итак, в указанном режиме работы диода – в режиме большого сигнала, нелинейность и вентильные свойства диода проявляются в отсечке тока, когда ток в цепи практически отсутствует на отрицательной полуволне входного гармонического сигнала и на части его положительной полуволны.


Может сложиться впечатление, что в цепи с диодами форма тока и напряжения на резисторе R всегда несинусоидальная при синусоидальном входном воздействии. Однако это не так в случае работы диода в режиме малого сигнала. Такой режим имеет место тогда, когда, например, с помощью источника напряжения постоянного тока рабочая точка выведена на линейный участок, а источник напряжения переменного тока изменяет токи и напряжения в окрестностях рабочей точки (рисунок 4). В этом случае любая нелинейность может быть линеаризована как касательная к ВАХ в рабочей точке. Форма же переменных составляющих тока и напряжений в схеме практически гармоническая, несмотря на нелинейность ВАХ и вентильные свойства диода.

Как известно, в режиме малого сигнала при низкочастотном воздействии моделью диода является его дифференциальное сопротивление в рабочей точке. Тогда расчетная схема для переменного сигнала принимает вид (рисунок 5).

Увеличение частоты вход-ного сигнала требует использования ВЧ моделей диода, когда в схемах замещения диодов сопротивления (прямое или обратное) шунтируются емкостями диода – барьерной при обратном включении и диффузной – при прямом. Этим можно учесть инерционные свойства диода, ухудшающие его вентильные свойства, что целесообразно просмотреть при исследовании схем диодных выпрямителей или ограничителей, когда диоды работают в режиме большего сигнала.

3. Порядок работы

1. Проверьте, что макет № 1 подключен к источнику питания через разъем ДВ-9.

Рисунок 6

2. Соберите схему для снятия ВАХ диода при его прямом включении (рисунок 6)[1] . При сборке схемы обратите внимание на правильный выбор пределов измерения мультиметров М-832. Экспериментальные данные занесите в таблицу 1.

Таблица 1

Е1, В

1,3

2,0

3,0

4,0

5,0

6,0

7,0

8,0

9,0

10,0

11,0

12,0

13,0

14,0

15,0

U, В

I, мА

3. Поменяйте полярность источника Е1 на обратную перемычками 71-31 и 72-1). Установите самый чувствительный предел токового М-832 и убедитесь в отсутствии обратного тока при максимальном Е1. Загрубите предел мультиметра.

4. Соберите схему однополупериодного выпрямителя, работающего на активную нагрузку (рисунок 7). В качестве источника переменного напряжения используйте генератор, например, Г3-36. Установите на генераторе Е~ = Uвх ~ = 4 В по его встроенному вольтметру и частоту f = 1 кГц. Пронаблюдайте и зарисуйте временные диаграммы сигналов на выходе (65) и на входе (59) выпрямителя. Измерьте осциллографом амплитуды сигналов и определите период входного напряжения и временной интервал ненулевого выходного напряжения. Данные зафиксируйте для их дальнейшей обработки. Определите угол отсечки тока Q.

5. Изменяйте частоту гармонического напряжения с генератора (рисунок 7) и наблюдайте на частотах в сотни килогерц проявление инерционных свойств диода. Зарисуйте временные диаграммы входного и выходного напряжений.

6. Измените схему (рисунок 7): выключите осциллограф, включите на входе вольтметр переменного тока В3-38 (гнезда 59,35), а на выходе (64, 34) мультиметр М-832 на пределах ДСV. При установке предела измерения на В3-38 учтите, что напряжение с генератора будет изменяться от 1 В до 5 В. Определите и установите предел ДСV мультиметра так, чтобы при максимальном входном напряжении среднее за период выпрямленное напряжение не приводило к перегрузке М-832.

Рисунок 7

7. Установите f = 1 кГц и снимите зависимость Uвых= = f(Uвх ~ ), Данные занесите в таблицу 2.

Таблица 2

f = 1 кГц

Uвх ~ , В

1,0

1,5

2,0

2,5

3,0

3,5

4,0

4,5

5,0

Uвых= , В

8. Установите f = 200 кГц, повторите исследования. Данные занесите в таблицу 3.

Таблица 3

f = 200 кГц

Uвх ~ , В

1,0

1,5

2,0

2,5

3,0

3,5

4,0

4,5

5,0

Uвых= , В

9. Восстановите схему (рисунок 7), подключите параллельно RH =R14 конденсатор фильтра С5 (62, 34), получив при этом однополупериодный выпрямитель, работающий на активно-емкостную нагрузку. Просмотрите на осциллографе и зарисуйте форму выходного напряжения, если Uвх ~ = 4 В, а частота изменяется в пределах, когда амплитуда пульсаций существенно изменяется относительно выходной постоянной составляющей.

10[2] . Исследуйте работу схемы последовательного ограничителя (рисунок 8), построив и изучив временные диаграммы сигналов на входе (4) и выходе (65) при различных значениях подпирающего напряжения Е2. Значение Е~ установить равным 5 В по шкале встроенного в генератор Г3-36 вольтметра.

Рисунок 8

112 . Исследуйте схему параллельного ограничителя напряжения (рисунок 9), построив и изучив временные диаграммы сигналов на входе (6) и выходе (65) при различных значениях и полярности источника Е2. Значение Е~ установить равным 5 В по шкале встроенного в генератор Г3-36 вольтметра.

12[3] . Исследуйте работу выпрямительного диода в режиме малого и большого сигналов по схеме на рисунке 10.

12.1. Режим малого сигнала.

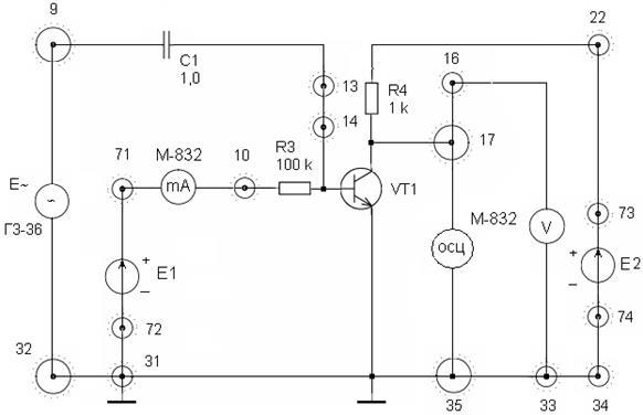
Выведите регулировку выхода генератора в крайнее левое положение и, изменяя значений Е1, установите рабочую точку (I=7 мА). Установите на генераторе f = 1 кГц, Е~ = 4 В (по вольтметру генератора). Убедитесь, что форма входного (57) и выходного (65) сигналов гармоническая. С помощью Е1 изменяйте координату рабочей точки. Зафиксируйте временные диаграммы выходного сигнала при закрытом входе осциллографа. Почему с изменением координаты рабочей точки меняется его амплитуда, а затем и форма? Увеличьте частоту f до 200 кГц. Убедитесь в малой инерционности диода, когда форма выходного напряжения гармоническая.

Рисунок 9

Рисунок 10

12.2. Режим большого сигнала.

Установите минимальное значение Е1. Установите f = 1 кГц, Е~ = 4 В. Пронаблюдайте с помощью осциллографа входной сигнал (57), а затем и выходной (65). Зарисуйте сигналы и сделайте выводы. Почему при изменении Е~ изменяется координата рабочей точки ВАХ диода?

4. Контрольные вопросы

1. Как по ВАХ диода определить значения Е0 и Rд схемы замещения диода при кусочно-линейной аппроксимации (рисунок 3)?

2. Определите Rст и Rд в выбранной Вами рабочей точке по ВАХ диода.

3. Изобразите ожидаемую зависимость Rст = f(I).

4. Изобразите ожидаемую зависимость Rд = F(I).

5. Что такое режим малого сигнала?

6. Почему в режиме малого сигнала формы входного и выходного сигналов практически совпадают?

7. Приведите алгоритм аппроксимации ВАХ диода, представленной данными эксперимента.

5. Требования к отчету

Отчет должен содержать схемы и результаты эксперимента, обработанные в соответствии с целями работы.


Лабораторная работа 1.2.2

Стабилитрон. Исследование параметрического стабилизатора

напряжения постоянного тока

1. Цель работы:

- овладеть методикой снятия вольт-амперных характеристик (ВАХ) стабилитрона;

- определить его основные параметры;

- получить практические навыки исследования параметров схем параметрических стабилизаторов напряжения.

2. Краткие сведения для подготовки к лабораторной работе

Стабилитрон – широко используемый элемент, разработанный для стабилизации напряжения постоянного тока. Чтобы осуществить такую стабилизацию, на ВАХ элемента должен находиться участок, на котором при значительных изменениях тока изменения напряжения были бы незначительными. Такими свойствами (малого дифференциального сопротивления) обладают участки ВАХ кремниевых диодов, где при обратном включении развивается тот или иной вид пробоя p-n-перехода с током, ограниченным внешним резистором.

Простейший аналоговый стабилизатор напряжения постоянного тока – параметрический стабилизатор (рисунок 1).


Суть процесса стабилизации заключается в том, что любое изменение входного напряжения Е1 и/или сопротивления нагрузки RН приводят к изменениям общего тока и перераспределению токов между диодом и нагрузкой. При этом UН = UСТ практически не изменяется, благодаря работе стабилитрона на участке ВАХ с малым дифференциальным сопротивлением и изменением падения напряжения на резисторе R.

Такой тип стабилизатора обычно используют для стабилизации напряжения при мощности нагрузок меньше 200 мВт.

Среди параметров, характерных для стабилизаторов напряжения, наиболее распространенными являются:

- нестабильность выходного напряжения по сети (line regulation) - процентное изменение выходного напряжения в ответ на изменение входного напряжения

,

где использованы сокращения:

o – out,

hi – high,

lo – low,

in – input,

т.е. речь идет об изменении выходного напряжения при высоком и низком уровнях входного, отнесенного к выходному напряжению при номинальном входном;

- нестабильность выходного напряжения по нагрузке (load regulation) - процентное изменение выходного напряжения в ответ на изменение тока в нагрузке от половины до полного номинального значения

,

где - номинальное выходное напряжение на холостом ходу при номинальном ;

- общий КПД (overall efficiency), показывающий разработчику, сколько тепла будет выделяться внутри изделия и потребуется ли в физической конструкции какой-либо теплоотвод

КПД=.

При определении указанных параметров стабилизатора на макете находим соответствие: входные напряжения изменяются Е1 источника питания, выходное напряжение UСТ = UП = .

3. Порядок выполнения работы

1. Проверьте, что макет № 1 подключен к источнику питания через разъем ДВ-9.

Рисунок 2

2. Соберите схему для снятия ВАХ стабилитрона VD2 при его обратном включении (рисунок 2). При сборке схемы обратите внимание на правильный выбор пределов измерения тока и напряжения мультиметров М-832 (4 В £ U £ 5 В). Изменяйте значения Е1 и определите U и I. Экспериментальные данные занесите в таблицу 1.

Таблица 1

Е1, В

15

14

13

12

11

10

9

8

7

6

5

U, В

I, мА

3. Рассчитать по данным таблицы 1 нестабильность выходного напряжения Line Reg параметрического стабилизатора в режиме холостого хода, считая, что номинальное выходное напряжение имеет место при Е1 = 12 В, а максимальное и минимальное значения фиксируются при Е1 = 15 В и Е1 = 10 В соответственно,

4. Определите в рабочих точках (таблица 1) значения статического и дифференциального сопротивлений и постройте зависимости Rст = f(I). Rд = F(I).

5. Соберите схему параметрического стабилизатора с нагрузкой RH = R14 = 2,2 кОм (рисунок 3). Изменяйте Е1 и определите U и I. Экспериментальные данные занесите в таблицу 2, аналогичную таблице 1.

Рисунок 3

6. Повторите для схемы (рисунок 3) п. 3 и сравните нестабильности выходных напряжений от вариаций Е1 в режимах холостого хода и под нагрузкой.

7. Установите номинальное входное напряжение Е1 = 12 В и замерьте выходное напряжение параметрического стабилизатора на холостом ходу (U1) и под нагрузкой (U2). Рассчитайте Rвых стабилизатора, замещая всю схему кроме RH = R14 = 2,2 кОм эквивалентным генератором с ЭДС Ег = U1 и выходным сопротивлением Rвых .

8. Отсоединить R14 и подсоедините вместо RH сопротивление R13, используя перемычки (34-69) и (29-54). Зафиксируйте значение выходного напряжения как . Считая, что в предыдущем пункте получены значения на холостом ходу и половинной нагрузке, найдите значение нестабильности выходного напряжения на нагрузке

9. Соберите схему (рисунок 4)[4] , обеспечивающую лучшие параметры стабилизатора за счет использования динамического балластного сопротивления в виде схемы на VT5.

10. Установите входное напряжение Е1=15 В. Сопротивлением R15 установите значение выходного напряжения U, как в таблице № 1. Данные при изменении Е1 от 15 до 10 В занесите в таблицу № 3. Е1 = 12 В считать номинальным входным напряжением.

Таблица 3

Е1, В

15

14

13

12

11

10

U, В

I, мА

Рисунок 4

11. По данным таблицы 3 рассчитайте коэффициент нестабильности выходного напряжения и сравните его с ранее полученным значением (п. 6).

12. По данным эксперимента при Е1 = 12 В рассчитайте статическое и дифференциальное сопротивления части схемы на VT5, выполняющего функции балластного сопротивления R (схема 1). Поясните с этих позиций улучшение параметров стабилизатора. Сделайте выводы.

4. Контрольные вопросы

1. Какая ветвь ВАХ стабилизатора обычно используется с целью стабилизации напряжения?

2. Почему для стабилизации напряжения используется область пробоя p-n-перехода стабилитрона?

3. Как в заявленной рабочей точке определить статическое и дифференциальное сопротивления стабилитрона?

4. Приведите графические построения на ВАХ стабилитрона для схемы (рисунок 1), поясняющие работу стабилизатора при изменениях Е1, когда RН = const.

5. Приведите графические построения на ВАХ стабилитрона для схемы (рисунок 1), поясняющие работу стабилизатора при изменениях RН , когда Е1= const.

6. Почему при использовании динамического балластного сопротивления на VT5 уменьшается нестабильность выходного напряжения ?

7. Выведите формулу для расчета Rвых параметрического стабилизатора по методике п. 7.

5. Требования к отчету

Отчет должен содержать схемы и результаты их исследования, обработанные в соответствии с объявленными целями работы.


Лабораторная работа 1.2.3

Биполярный транзистор.

Анализ режимов (усилительного, отсечки, насыщения)

1. Цель работы:

- овладеть методикой снятия вольт-амперных характеристик (ВАХ) биполярного транзистора и определить его основные параметры в заданной рабочей точке;

- получить практические навыки схемного введения транзистора в заданный режим и определить основные свойства режимов.

2. Краткие сведения для подготовки к лабораторной работе

Плоскостной транзистор (полупроводниковый триод) имеет два взаимодействующих p-n-перехода и три внешних вывода. В таком транзисторе p-n-переходы создаются у поверхностей соприкосновения полупроводниковых слоев. В зависимости от типа проводимости центрального слоя различают p-n-p и n-p-n транзисторы. В данной работе будет исследоваться n-p-n транзистор.

В электрическую цепь транзистор включают таким образом, что один из его выводов (электродов) является входным второй – выходным, а третий – общим для входной и выходной цепей. В зависимости от того, какой электрод является общим, различают три схемы включения транзисторов: с общей базой ОБ, с общим эмиттером ОЭ и общим коллектором ОК.

2.1. Биполярный транзистор в усилительном режиме

Следует помнить, что в усилительном режиме работы транзистора его эмиттерный переход смещен в прямом направлении, а коллекторный - в обратном, независимо от схемы включения (рисунок 1).



Рисунок 1


На рисунке 2 приведены вольт-амперные характеристики для схем включения с ОБ и ОЭ.

Рисунок 2

Cтатические ВАХ снимаются при отсутствии сопротивления нагрузки в выходной цепи.

При наличии этого сопротивления говорят о динамическом режиме работы транзистора. В таком режиме изменения коллекторного тока при EК = const и RК = const зависят не только от изменений базового тока, но и от изменений напряжения на коллекторе. Т.о. имеем уравнение динамического режима

| UКЭ | = | EК | - | IК RК |.

Характеристики, определяющие связь между токами и напряжениями транзистора при наличии сопротивления нагрузки, называются динамическими. Они строятся на семействе статических ВАХ при заданных значениях EК и RК . Для построения динамической выходной характеристики схемы с ОЭ использовано уравнение динамического режима, которое представляет собой уравнение прямой .

Точка пересечения динамической характеристики (нагрузочной прямой) с одной из статических ВАХ называется рабочей точкой транзистора. Изменяя IБ , можно перемещать ее по нагрузочной прямой.

При анализе транзисторных схем в области нижних частот или больших времен можно представить транзистор в виде эквивалентной низкочастотной схемы. Элементы, образующие эквивалентную схему, рассматриваются как параметры транзистора. Измеряют параметры транзистора в режимах малых сигналов, которые на его криволинейных характеристиках укладываются на участках, которые можно принять за отрезки прямых линий.

На рисунке 3 изображены упрощенные схемы замещения транзистора в схемах включения ОБ и ОЭ.

Каждому элементу, например схемы ОБ, можно придать физический смысл: rЭ – дифференциальное (динамическое) сопротивление эмиттерного перехода, включенного в прямом направлении; rБ – сопротивление базы для переменного тока примерно равно сопротивлению базы для постоянного тока; rК – динамическое сопротивление коллекторного перехода, смещенного в обратном направлении.

, .

Также можно отметить дифференциальный коэффициент передачи эмиттерного тока a и коэффициент обратной связи по напряжению m.

, .

В схеме с ОЭ коэффициент передачи по току , а сопротивление коллекторного перехода .


Нужно знать порядок величин дифференциальных параметров маломощных транзисторов: rЭ - единицы, десятки Ом; rК - единицы МОм – сотни кОм; - сотни кОм; b – 20 – 100; a – 0.95 – 0.99.

Рисунок 3

Достоинство физических параметров заключается в том, что они принадлежат транзистору как таковому и не зависят от способа его включения в схему. Недостаток – некоторые из них нельзя непосредственно измерить. На практике часто пользуются вторичными (внешними) параметрами транзистора, характеризующими его как активный линейный четырехполюсник.

Расчет параметров по конечным приращениям токов и напряжений вблизи рабочей точки транзистора для схемы ОЭ проводится следующим образом.

; ; ; .

Параметры h11Э и h12Э схемы с ОЭ на семействе входных характеристик в рабочей точке А находят по формулам в соответствии со следующими графическими построениями (рисунок 3):

;

.

В рабочей точке А на выходных характеристиках, например, так определяют параметры h21Э и h22Э :

;


.

Рисунок 3

При исследовании биполярного транзистора в усилительном режиме следует уяснить, что это управляемый нелинейный элемент, у которого изменение входного тока (базы) приводит к изменениям выходного тока (коллектора или эмиттера). Кроме того, биполярный транзистор является усилительным элементом, т.е. мощность, выделяемая в выходной цепи существенно больше мощности во входной цепи. Это происходит за счет энергии источников питания.

2.2. Биполярный транзистор в режиме ключа

Транзисторные ключи (ТК) являются одним из наиболее распространенных элементов импульсных и цифровых устройств. Главное назначение транзистора, работающего в ключевом режиме - замыкание и размыкание цепи, его усилительные свойства в этом режиме отсутствуют. Разомкнутому состоянию ключа соответствует режим отсечки транзистора (транзистор заперт), а замкнутому - режим насыщения (транзистор открыт).

Ключевой каскад содержит источник питающего напряжения, нагрузочный (в простейшем случае резистор R) и ключевые элементы. При одном состоянии ключевого элемента ток в цепи нагрузки минимален, при другом принимает максимальное значение. Электронный ключ можно считать известной аналогией механического ключа (рисунок 4).

Рисунок 4. Рисунок 5.

Ключ К замыкается и размыкается под действием внешней силы Р. Сопротивление идеального ключа в замкнутом состоянии равно нулю, а в разомкнутом - бесконечности, то есть его вольт-амперная характеристика (ВАХ) совпадает с осями координат (рисунок 5). В действительности даже механический ключ (рубильник, выключатель) является неидеальным. Он имеет сопротивление r во включенном и конечное сопротивление утечки R в выключенном состоянии. ВАХ такого ключа уже не совпадает с осями координат, а имеет угол наклона к осям (рисунок 6). Существенным отличием электронных ключей является смещение их ВАХ относительно начала координат на величину IР и UЗ соответственно, где IР - ток разомкнутого ключа (остаточный ток), а UЗ падение напряжения (остаточное напряжение) в замкнутом состоянии ключа (рисунок 7).

Рисунок 6 Рисунок 7

Принципиальная схема транзисторного ключа ОЭ изображена на рисунке 8. Здесь входной управляющий сигнал EБ , задающий базовый ток транзистора, играет ту же роль, что и сила P в схеме на рисунке 4, а сам транзистор VТ1 играет роль ключевого элемента К. Управляемой является коллекторная цепь с источником питания ЕК и нагрузкой в виде RК . Транзистор n-p-n - типа включен по схеме с общим эмиттером. При действии отрицательного сигнала транзистор запирается, а при действии положительного может входить в режим насыщения, если оба перехода транзистора будут находиться в прямом включении.

Рисунок 8

На выходной характеристике транзистора (рисунок 9) запертое состояние транзистора (режим отсечки) отмечен зоной РО, а режим насыщения зоной РН. Между ними находится зона усилительного режима.

Рисунок 9

Рассмотрим сначала режим отсечки транзистора в схеме простейшего ТК (рисунок 8). В этом режиме оба перехода смещены в обратном направлении и, как уже отмечалось ранее, для его запертого состояния необходимо подать отрицательный сигнал. Мы получим режим глубокой отсечки.

Эквивалентная схема ТК для данного режима представлена на рисунке 10. Ток транзистора (как входной, так и выходной) мал и равен IКо . Этот ток является остаточным током и протекает от источника EК через сопротивление RК , коллекторный переход запертого транзистора, сопротивление RБ к источнику сигнала EБ . Протекание через нагрузку теплового тока IКо связано с тем, что транзистор в закрытом состоянии не обеспечивает полного отключения нагрузочного резистора RК от источника питания.

Условие запирания транзистора в этой схеме имеет вид UБЭ £0. Из рисунка 10 видно:

UБЭ = EБ - IКо RБ £ 0 (из второго закона Кирхгофа),

отсюда

RБ EБ / IКо max ,

т.к. условие UБЭ £0 должно выполняться на максимальной температуре, когда IКо = I Ко max .

Рисунок 10

Это условие надежного запирания транзистора. Используя схему замещения (рисунок 10), можно найти токи транзистора и напряжения:

IБ = - IК0 ; U БЭ = - EБ + IК0 RБ ;

IК = IК0 ; U КЭ = EК - IК0 RК ;

I Э = 0.

Как видно из рисунка 9, режим глубокой отсечки отображен рабочей точкой 1 на характеристиках транзистора. Режим отсечки сохраняется также, когда UБЭ = 0 и заканчивается в рабочей точке 2, когда при изменении полярности ЕБ на обратную (ЕБ > 0), UБЭ >0, но IБ = 0. Далее транзистор входит в усилительный режим и по мере увеличения EБ получаются все большие токи IБ1 , IБ3 , IБ4 . Эти токи обуславливают координаты рабочих точек усилительного режима в семействах характеристик транзисторов.

На выходных характеристиках транзистора нанесена также зависимость IЭ » IК = . Пересечение данной входной характеристики с нагрузочной прямой (точка 3) показывает, что при IБ5 значения UКЭ и UБЭ равны. Последнее означает, что коллекторный переход открывается при увеличении IБ по сравнению с IБ5 , т.е. транзистор входит в режим насыщения. Таким образом, IБ5 =IБН , а условием формирования РН является IБ ³ IБН .

В точке 3 при токе базы Iб5 , напряжения UКЭ и UБЭ становятся равными UКН ; инжекция коллектора начинает препятствовать дальнейшему увеличению коллекторного тока и этот ток остается далее практически неизменным. Такой максимальный ток коллектора называют током насыщения и обозначают IКН .

Как видно из рисунка 8:

IКН = (EК - UКН )/RК ,

где UКН - остаточное напряжение на транзисторе в открытом состоянии. Остаточное напряжение UКН , являющееся существенным параметром транзистора в импульсном режиме работы, должно быть минимальным. Ввиду относительно малого остаточного напряжения по сравнению с EК расчет тока IКН открытого транзистора проводится по формуле:

IКН = EК / RК .

Эквивалентная схема каскада в режиме насыщения показана на рисунке 11.

Рисунок 11

Для нее принято допущение – падение напряжения на переходах транзистора практически равны 0, т.е. транзистор стянут в точку. Так как условием насыщения является неравенство

IБ ³ IБН . = IКН / b, а IБ = ЕК / RБ , IКН = ЕК / RК ,

то можно получить

и .

3. Порядок выполнения работы

3.1. Снятие вольт-амперных характеристик транзистора

1. Соберите схему (рисунок 12) для снятия входных ВАХ транзистора. Получение зависимостей проводите для двух режимов:

- UКЭ = 0, тогда используйте перемычку (16-33) и

- UКЭ = +5 В, тогда используйте перемычку (17-28), (29-73), мультиметр М-832 подключите к гнездам 16 и 33.

Значение U КЭ = +5 В не превышать! Максимальный ток базы не должен быть больше 100 мкА. Поэтому перед включением источника питания ручки потенциометров источника питания должны быть в крайнем левом положении.

Экспериментальные данные занесите в таблицу 1.

Таблица 1

IБ , мкА

10

20

30

40

50

60

70

80

90

100

Примечание

UБЭ , В

UКЭ =0

UКЭ , В

UКЭ =+5 В

2. Переберите входную цепь по схеме (рисунок 13) и снимите часть входной характеристики . Убедитесь, что IБ =0 при UБЭ >0.

Экспериментальные данные занесите в таблицу 2.

Таблица 2

IБ , мкА

0

1

2

3

4

5

6

7

8

Примечание

UБЭ , В

UКЭ = +5 В

Рисунок 12

Рисунок 13

3. Соберите схему (рисунок 14) для снятия семейства выходных характеристик транзистора . Получение характеристик проводите при условии РК = IК × UКЭ ≤ 100 мВт.

Рисунок 14

Экспериментальные данные занесите в таблицу 3.

Таблица 3

UКЭ , В

1,3

2,0

4,0

6,0

10,0

12,0

14,0

15,0

Примечание

IК , мА

IБ =20 мкА

IК , мА

IБ =40 мкА

IК , мА

IБ =60 мкА

IК , мА

IБ =80 мкА

IК , мА

IБ =100 мкА

Следите, чтобы РК = IК × UКЭ ≤ 100 мВт было в любой клетке таблицы!

4. Переберите выходную цепь по схеме (рисунок 15) и снимите часть выходных характеристик при UКЭ <1,2 В. Экспериментальные данные занесите в таблицу 4 (возьмите 5 значений UКЭ в пределах от UКЭ min до UКэ max проведенного исследования).

Таблица 4

UКЭ , В

UКЭ min

UКЭ max

Примечание

IК , мА

IБ =20 мкА

IК , мА

IБ =40 мкА

IК , мА

IБ =60 мкА

IК , мА

IБ =80 мкА

IК , мА

IБ =100 мкА

Рисунок 15

5. Переберите выходную цепь по схеме (рисунок 16).

Рисунок 16

Изменяя ток базы в тех же значениях, что и ранее, определите соответствующие значения тока коллектора IК и убедитесь, что ток коллектора сменил знак. Это означает, что выходное семейство ВАХ не проходит через начало координат. Экспериментальные данные занесите в таблицу 5. Полученные экспериментальные данные по п.п. 1-5 используйте для грамотного построения семейств ВАХ биполярного транзистора по схеме ОЭ.

Таблица 5

IБ , мкА

20

40

60

80

100

Примечание

IК , мкА

UКЭ = 0

3.2. Исследование транзистора, работающего

в усилительном режиме

1.[5] Соберите схему (рисунок 17), обеспечивающую введение транзистора в усилительный режим.

Рисунок 17

2. Включите источник питания и установите с помощью вольтметра источника питания Е2=12 В. Изменением Е1 установите рабочую точку на ВАХ транзистора с координатой UКЭ = 6 В и зафиксируйте значение IБ .

3. Изменяя Е1, получите значения

IБ1 = IБ – 10 мкА, IБ2 = IБ + 10 мкА

и соответствующие им значения UКЭ1 и UКЭ2 . Используя данные таблицы 1 (при UКЭ = + 5В), определите значения UБЭ1 и UБЭ2 . Найдите значения UR 4 1 и UR 4 2 , рассчитайте Р~вх и Р~вых и коэффициент усиления по мощности КР = Р~вых / Р~вх .

4. Верните в схеме значение UКЭ = 6 В, на генераторе Г3-36 установите частоту f = 1 кГц, выход с генератор возьмите с выхода 0,01 его аттенюатора (делителя напряжения).

5. Включите осциллограф в режиме открытого входа (), проверьте, что потенциометр, регулирующий чувствительность осциллографа, зафиксирован в крайнем правом положении, а переключателем установите чувствительность 2 В/дел. Включите осциллограф и, кратковременно перемкнув его входы, переместите луч на 3 деления вниз от центральной линии. Включите снова потенциальный конец кабеля осциллографа в гнездо 17 и проверьте, что развертка расположилась на центральной линии, которая соответствует UКЭ = +6 В.

6. Включите генератор Г3-36, и регулировкой его выхода постепенно увеличивайте входной сигнал нашей схемы. Когда отрицательная полуволна напряжения стала приближаться к нулевому напряжению, на переменном сигнале происходит отсечка «снизу». Зафиксируйте начало такой отсечки, регулируя UВЫХ генератора. Отсечку «снизу» уберите, уменьшая ток базы по сравнению с ранее установленным значением IБ . Разберитесь, почему это происходит.

7. Ручкой регулировки выхода обеспечьте нулевое напряжение с генератора. Изменяя Е1, установите рабочую точку с координатой UКЭ » 8 В. Подавая и увеличивая напряжение генератора, убедитесь, что происходит искажение формы положительных полуволн. Поясните, за счет чего.

8. Необходимо прийти к пониманию, что рабочая точка усилительного режима транзистора в режиме покоя (при отсутствии входного сигнала) должна быть задана так, чтобы на выходе был сигнал максимальной амплитуды и с малыми искажениями формы. Попробуйте сформулировать требования, связывающие параметры рабочей точки транзистора с амплитудой выходного гармонического сигнала.


3.3. Ключевой режим работы транзистора. Статика

1. Соберите схему (рисунок 18), реализующую режим отсечки ключа. Установите Е2 = + 15 В. Включите источник питания и убедитесь, что UКЭ » Е2 и не зависит от напряжения Е1. Определите Е2, UКЭ и IК0 . Отсоедините перемычку (72, 10), установите (10, 31) и убедитесь, что при Е1 = 0 (в режиме неглубокой отсечки) ток коллектора практически не изменялся и равен IК0 , т.е. транзистор потерял свои усилительные свойства.

2. Установите минимальное значение Е1. Переключить полярность включения Е1 в схему (рисунок 18) с помощью перемычки (72, 31). Включите между гнездами (71,10) миллиамперметр М-832, поставьте Е2 = 10 В и, переключая вольтметр (В7-16 или В7-21, или тестер) в гнезда 14 и 16, изменением Е1 (плавно) добейтесь UБЭ » UКЭ . Зафиксируйте значение IБН .

3. Установите Е2 = 5 В, повторите п. 2 и убедитесь, что ток IБН определяется IКН и b транзистора.

Рисунок 18

4. Снимите зависимость UКЭ н = f (IБ ) при разных степенях насыщения транзистора S = IБ / IБН . Убедитесь, что в режиме насыщения при IБ > IБН значительные изменения тока базы приводят к незначительным изменениям UКЭ , т.е. в этом режиме транзистор потерял свои усилительные свойства.

4. Контрольные вопросы

1. Изобразите схемы, с помощью которых можно снять ВАХ транзистора в режимах ОБ и ОЭ.

2. Как определить значения дифференциальных h-па-раметров транзистора в окрестностях рабочей точки?

3. Какие области можно выделить на выходной ВАХ транзистора в схеме ОЭ?

4. При каких напряжениях на переходах транзистора реализуется усилительный режим? Чем он характеризуется?

5. Докажите, что в усилительном режиме транзистор обеспечивает усиление по мощности.

6. Как может выглядеть схема простого усилительного каскада на транзисторе?

7. Что называется режимом покоя и рабочей точкой транзистора?

8. Какими соотношениями связаны между собой токи для усилительного режима транзистора?

9. Чем надо руководствоваться при выборе рабочей точки режима покоя в каскаде для усиления гармонического сигнала?

10. Как ввести биполярный транзистор в режим отсечки?

11. Как доказать, что в режиме отсечки транзистор потерял свои усилительные свойства?

12. Какой схемой замещения можно воспользоваться, если транзистор введен в режим отсечки? Почему?

13. Как ввести транзистор в режим насыщения?

14. Какое соотношение входных токов необходимо реализовать для насыщения транзистора?

15. Как доказать, что насыщенный транзистор также теряет свои усилительные свойства?

5. Требования к отчету

Отчет должен содержать:

- цель работы,

- исследуемые электрические схемы,

- таблицы с результатами измерений, графиками и необходимыми графическими построениями на них,

- расчеты и значения величин, полученных при обработке экспериментальных данных,

- выводы.

Лабораторная работа 1.2.4.

Полевой транзистор (ПТ) как усилительный элемент,

«ключ», генератор тока.

1. Цель работы:

- овладеть методикой снятия семейств ВАХ нелинейного элемента – полевого транзистора (ПТ) и определить основные его параметры;

- сформировать умения монтажа и анализа схем, использующих ПТ в различных его применениях;

- освоить навыки представления и обработки результатов эксперимента.

2. Краткие сведения по подготовке к лабораторной работе

Полевые транзисторы - это управляемые элементы, особенностью которых является практически нулевая мощность управления в статическом состоянии. Это означает, что в отличие от биполярных транзисторов ток управления полевых транзисторов мал, и можно считать, что они управляются напряжением (электрическим полем) - отсюда название “полевые”. Технология полевых транзисторов обеспечивает значительно большую плотность элементов в 1 мм3 , что позволяет создавать микросхемы огромной функциональной сложности (однокристальные ЭВМ).

На полевых транзисторах выполняются цифровые устройства, практически не потребляющие энергии в статическом состоянии, то есть схемы с малым потреблением.

На полевых транзисторах, в силу их особенностей, удобно строить ключи переменного тока, в том числе и прецизионные аналоговые коммутаторы.

Мощные полевые транзисторы обладают значительно меньшим сопротивлением в открытом состоянии при работе в ключевом режиме, что обеспечивает более высокие значения КПД преобразователей энергии.

Кроме того, в полевых транзисторах отсутствует эффект диффузионной емкости и связанные с ним ограничения быстродействия, обусловленные эффектом насыщения.

К сожалению, крутизна управления у полевых транзисторов существенно меньше, чем у биполярных (особенно у маломощных приборов), то есть для переключения полевого транзистора требуются большие перепады управляющего напряжения. Это обстоятельство делает быстродействие цифровых ключей на полевых транзисторах существенно меньшим по сравнению с ключами на биполярных транзисторах.

Все это приводит специалистов к необходимости творческих решений проблемы приоритетов между полевыми и биполярными транзисторами в каждом конкретном случае.

По физике работы различают полевые транзисторы с управляемым р-п-переходом и полевые транзисторы с изолированным затвором.

В связи с особенностями обращения и монтажа ПТ с изолированным затвором в лабораторной работе использованы транзисторы с управляемым p-n-переходом и каналом n-типа.

Управление сопротивлением канала, а значит и током стока, осуществляется запирающим p-n-переход напряжением UЗИ . Когда ½UЗИ ½ увеличивается, увеличивается и ширина обедненной области p-n-перехода, уменьшающей ширину проводящего канала. При этом сопротивление увеличивается, а ток стока уменьшается.

На рисунке 1 приведены ВАХ такого ПТ: слева – проходная (сток-затворная) , справа – выходная (стоковая) . Выбрав на ВАХ транзистора рабочую точку, можно определить основные дифференциальные параметры ПТ: крутизну и дифференциальное сопротивление канала .


Рисунок 1

Рисунок 2

Характерной особенностью полевых транзисторов является практически линейная характеристика выходной ВАХ при небольших значениях U си , когда проводящий канал представляет практически линейно - управляемое сопротивление . Это свойство широко используется при построении линейных регуляторов сигнала (рисунок 2).

Использование полевого транзистора с управляющим р-n-переходом в качестве ключа - аналогового коммутатора - предусматривает меры, исключающие открывание управляющего перехода (рисунок 3). Нормальная коммутация обеспечивается при условии

½Uу ½>½Uс ½.

Отсекающий диод при подаче запирающего значения U у запирается, обеспечивая нулевое значение напряжения затвор-исток.


Рисунок 3 Рисунок 4

В усилительном режиме при увеличении U си за счет взаимодействия двух напряжений (U зи , U си ), каждое из которых является для р-п-перехода запирающим, выходные ВАХ приобретают более горизонтальный характер, когда из-за слабой зависимости тока от напряжения прибор обладает относительно большим дифференциальным сопротивлением. Полевой транзистор в этом режиме широко используется в виде задатчика тока для запитки неизменным током различных цепей, в том числе и стабилитронов при создании высокостабильных опорных источников (рисунок 4).

3. Порядок выполнения работы

3.1. Снятие ВАХ полевого транзистора VT 2

1. Убедитесь, что через разъем ДВ-9 макет № 1 подключен к источнику питания.

2. Соберите схему (рисунок 5) для снятия характеристик транзистора. Для получения сток-затворных характеристик устанавливайте два значения UСИ : 6 В и 10 В. При снятии выходных характеристик значения UЗИ равны 0, -0.5, -1.0, -1.5, -2.0, -2.5 В. Для получения UЗИ = 0 В перемычку (2, 19) переместить на гнезда (19, 33). Чтобы получить UЗИ = -1.5 В, -2.0 В, -2.5 В необходимо перемычку (2, 19) переместить на гнезда (2, 1), (72, 19). Для каждого значения UЗИ напряжения UСИ = 0 получать перемещением правого вывода миллиамперметра М-832 из гнезда 73 в гнездо 68. Результаты эксперимента свести в таблицы 1 и 2. По результатам эксперимента определите напряжение отсечки U0 .

Рисунок 5

Таблица 1

UЗИ , В

0

-0.5

-1.0

-1.5

-2.0

-2.5

Примечание

IС , мА

UСИ = + 6 В

IС , мА

UСИ = + 10 В

Таблица 2

UСИ , В

0

1,3

2,0

4,0

6,0

8,0

10,0

12,0

14,0

Примечание

IС , мА

UЗИ = 0 В

IС , мА

UЗИ = - 0,5 В

IС , мА

UЗИ = - 1,0 В

IС , мА

UЗИ = - 1,5 В

IС , мА

UЗИ = - 2,0 В

IС , мА

UЗИ = - 2,5 В

2. Для выбранной Вами рабочей точки с координатами IС А , UСИ А , UЗИ А определите дифференциальные параметры ПТ - статическую крутизну S и внутреннее сопротивление (сопротивление канала) Ri .

3.2. Исследование ПТ как генератора тока

1. Соберите схему эксперимента (рисунок 6) и установите ручку потенциометра R15 в крайнее левое положение. Изменяя Е1, получите зависимость I = f (U). Данные занесите в таблицу 3.

Рисунок 6

Таблица 3

U, В

14

12

10

8

6

4

2

I, мА

По данным таблицы 3 постройте график, подтверждающий признаки генератора тока: малые изменения тока при относительно больших изменениях напряжения.

2. Для рабочей точки U = 10 В определите и сравните значения статического и дифференциального сопротивлений. Рассчитайте эти сопротивления в точках U = 14; 12; 8; 6; 4 В и сделайте выводы. Постройте зависимость Rд = f(U) и определите диапазон наиболее рационального использования схемы как генератора тока.

3.2. Исследование ПТ в режиме электрически

управляемого сопротивления

1. Соберите схему эксперимента (рисунок 7, в цепи затвора ПТ – вольтметр постоянного тока, в цепи стока – милливольтметр переменного тока).

Рисунок 7

2. Установите по вольтметру генератора Г3-36 напряжение UВХ = 0.5 В (выход 0, 1) и частоту f = 1 кГц. Изменяя Е1, снимите зависимость U~ = f (U= ). Данные занесите в таблицу 4.

Таблица 4

U= , В

0,15

0,30

0,45

0,60

0,75

0,90

1,05

1,2

1,35

U~, В

К = U~ / UВХ

RП , кОм

В таблицу внесите также данные расчета коэффициента передачи делителя переменного напряжения, состоящего из сопротивления R5 и сопротивление канала ПТ RП . На основе расчетов постройте зависимости

RП = f (U= ) и К = f (U= ).

2. В схеме (рисунок 7) вместо вольтметра В3-38 подключите осциллограф. Входное напряжение пронаблюдайте с гнезда 17, выходное (с делителя) – с 23. Изменяя Е1, пронаблюдайте изменение U~ и его формы.

3. Переместите выход генератора с гнезда 0,1 в гнездо 1 и, изменяя его напряжение, пронаблюдайте форму выходного напряжения U~. Сделайте выводы.

3.4. Исследование ПТ в ключевом режиме

1. Смените макет № 1 на макет № 2. Соберите схему эксперимента (рисунок 8), где схема на VT3 выполняет функцию ключа, подключающую или отключающую нагрузку R19 от источника сигнала – генератора Г3-36. Установите на генераторе f = 1 кГц и напряжение 1 В (по вольтметру, встроенному в генератор).

Рисунок 8

2. Перемычкой (87, ^ источников питания Е1, Е2) включите ключ и пронаблюдайте осциллографом напряжение на входе (29) и на выходе (77) схемы. Переместите перемычку в положение (87, -Е2) и выполняйте аналогичные действия. Сделайте выводы.

3. Вместо осциллографа в схему включите милливольтметр переменного тока В3-38. Перемычкой снова откройте ключ на VT3 и замерьте вольтметром входное и выходное напряжения. Полученные данные используйте для расчета сопротивления ключа в открытом состоянии.

4. Вновь подключите осциллограф на выход схемы и, увеличивая выходное напряжение с генератора, наблюдайте отсечку положительной полуволны сигнала. Объясните причину искажения формы выходного сигнала.

5.[6] Не разбирая схемы (рисунок 8) при выключенном источнике питания собрать схему (рисунок 9), обеспечивающую генерацию почти прямоугольных импульсов, используемых в дальнейшем в качестве напряжения управления ключа UУ . Включите осциллограф (64, 97), включите питание и пронаблюдайте выходной сигнал с генератора.

Рисунок 9

6.6 Подайте с генератора сигнал управления ключом, соединив гнезда 41 и 87. Пронаблюдайте осциллографом сигналы управления (64), входной (29) и выходной (77). Постройте временные диаграммы работы схемы последовательного ключа. Объясните, почему выходное напряжение генератора Г3-36 также промодулировано.

7.6 Перейдите вновь на ручное управление ключом и замерьте вольтметром В3-38 входное напряжение (29) в режимах закрытого UВХ з и открытого UВХ0 ключа на VT3. Зная R19 и сопротивление открытого ключа, определите выходное сопротивление Г3-36.

4. Контрольные вопросы

1. Какое соотношение между концентрациями основных носителей в слоях затвора и канала ПТ имеет место для транзистора с управляемым p-n-переходом?

2. Как имея выходные характеристики транзистора, построить семейство проходных (сток-затворных) характеристик?

3. Покажите определение дифференциальных параметров S Ri на семействе проходных ВАХ.

4. Покажите определение дифференциальных параметров S Ri на семействе выходных ВАХ.

5. Поясните, когда и почему ПТ может работать как источник тока.

6. Почему ПТ в режиме источника тока широко используется в параметрических стабилизаторах напряжения постоянного тока?

7. Как рассчитать дифференциальное сопротивление ПТ, когда он используется в схеме как источник тока?

8. Поясните условия, при которых полевой транзистор используется как электрически управляемое сопротивление.

9. Поясните методику расчета коэффициента передачи по напряжению и RП ПТ по данным эксперимента.

10.Как работает схема последовательного ключа на полевом транзисторе?

11.Дайте методику расчета сопротивления ключа на ПТ в открытом состоянии по данным эксперимента по рисунку 8.

5. Требования к отчету

Отчет должен содержать:

- цель работы;

- схемы проведенных экспериментов;

- результаты (таблицы, графики, расчеты, временные диаграммы, объяснения и т.д.);

- выводы.

Лабораторная работа 1.2.5.

Оптоэлектронная пара (светодиод-фотодиод)

Анализ фотодиодного и вентильного режимов

1. Цель работы:

- ознакомиться и получить навыки исследования и использования элементов оптоэлектроники – светодиода и фотодиода;

- освоить и получить навыки исследования параметров и характеристик фотодиодного оптрона.

2. Краткие сведения по подготовке к лабораторной работе

В настоящее время оптоэлектроника представляет собой вполне сформировавшуюся отрасль электронной техники. Область её применения - автоматика, телеметрия, связь, измерительная и вычислительная техника и др.

Основными элементами оптоэлектроники являются светодиоды, фотодиоды и оптроны[7] . Их определения в соответствии с ГОСТ 15133-77:

Светоизлучающий диод – полупроводниковый прибор, излучающий энергию в видимой области спектра в результате рекомбинации электронов и дырок.

Диод излучающий инфракрасный - полупроводниковый прибор, излучающий энергию в инфракрасной области спектра в результате рекомбинации электронов и дырок.

Оптопара – оптоэлектронный полупроводниковый прибор, состоящий из излучателя и приемника излучения, между которыми имеется оптическая связь и обеспечена электрическая изоляция.

Диодная оптопара – оптопара с приемником излучения, выполненном на основе фотодиода.

Фотодиод (по ГОСТ 21934-83)– полупроводниковый прибор с p-n-переходом между двумя типами полупроводника или между полупроводником и металлом, в котором поглощение излучения, происходящее в непосредственной близости перехода, вызывает фотогальванический эффект.

2.1. Светодиоды

Принцип работы. Светодиод представляет собой излучающий p-n-переход, свечение в котором возникает вследствие рекомбинаций носителей заряда (электронов и дырок). Оно наблюдается при смещении перехода в прямом направлении. Прохождение тока через p-n-переход в прямом направлении сопровождается рекомбинацией инжектированных неосновных носителей заряда. Состояние полупроводника, которое возникает при инжекции неосновных носителей заряда через p-n-переход и характеризуется наличием в зоне проводимости значительного количества электронов, а в валентной зоне - большого числа дырок, не является достаточно устойчивым, и поэтому наблюдается непрерывный переход электронов из зоны проводимости в валентную зону. Рекомбинация происходит в примыкающих к переходу слоях. Этот процесс в большинстве полупроводников осуществляется через примесные центры, расположенные вблизи середины запрещенной зоны, и является безызлучательным. В процессе каждой рекомбинации выделяется энергия, определяемая разницей энергий между уровнями рекомбинирующих частиц и выделяемая в виде тепловой энергии (фонона). Эта энергия передается атомам решетки при безызлучательной рекомбинации. Однако в ряде случаев процесс рекомбинации сопровождается выделением кванта света- фотона. Это обусловлено тем, что в определенных материалах (GaAs, GaSb, InAs, InSb и т. д) переход из зоны проводимости в валентную зону относится к числу переходов типа зона- зона. При этом примесные центры не играют существенной роли и при рекомбинациях происходит выделение фотонов и возникает некогерентное свечение люминесценции. Фотон, испущенный при переходе электрона, может вызвать индуцированное излучение идентичного фотона, заставив ещё один электрон перейти в валентную зону. Излучение возможно только в узком диапазоне частот, соответствующем энергии запрещенной зоны ΔЕ с шириной спектра, обусловленной этой зоной.

Яркость свечения светодиода примерно пропорциональна числу зарядов, инжектированных p-n-переходом. При этом для получения приемлемых значений необходимо обеспечить значительную плотность тока, протекающего через p-n-переход (не менее 30 А/см2 ). При обычно используемых размерах это приводит к необходимости пропускать через переход ток порядка 5-100 mA, что требует значительных затрат электрической мощности на питание инжекционного диода. При малых токах инжекции (1-2 mA) пропорциональность между током и светом нарушается, так как начинают сказываться конкурирующие безызлучательные рекомбинационные процессы.

Разновидности светодиодов . По спектральному диапазону и, как следствие, по основному функциональному назначению светодиоды подразделяются на две группы:

- светодиоды видимого диапазона спектра (СИД), предназначенные для устройств визуального отображения информации;

- полупроводниковые ИК-излучатели, называемые обычно ИК-светодиодами, предназначенные для работы с физическими приемниками, главным образом в волоконно-оптических линиях связи (ВОЛС), оптопарах, оптических ЗУ.

Параметры и характеристики. Система параметров светодиодов следует из их функционального назначения и из физических принципов работы.

Интенсивность излучения характеризует мощность излучения Pизл (ИК-светодиоды); сила света Iν (СИД). Спектральные свойства излучения определяются длиной волны, соответствующей максимуму спектра излучения λмакс . Для СИД спектральным параметром является цвет свечения.

Быстродействие излучателя обычно определяется импульсными параметрами: временем нарастания (спада) импульса излучения при скачкообразном включении (выключении) импульса накачки tнар(сп) и временем задержки импульса излучения tзд . Эти параметры измеряются, как принято в радиотехнике, по уровням 0.1 и 0.9 фронта и среза. Иногда в качестве параметра быстродействия используется постоянная времени релаксации свечения τрел , определяемая по изменению интенсивности излучения в е раз.

Как элемент электрической цепи светодиод характеризуется падением прямого напряжения Uпр при заданном прямом токе Iпр , а также максимально допустимыми режимами (непрерывными и импульсными) по току, обратному напряжению, мощности рассеивания.

К важнейшим эксплуатационным параметрам относятся крайние значения рабочих температур Тмин и Тмакс и гарантированная долговечность tD , определяемая по 10, 30 или 50%-ному спаду интенсивности излучения.

Основная характеристика инжекционного светодиода- люкс – амперная, показанная на рисунке 1. Она имеет нелинейный начальный участок, характеризуемый низкими выходными яркостями, и практически линейный участок, в пределах которого яркость изменяется в 10-100 раз. Этот участок чаще всего и используется в качестве рабочего.

Вольт – амперная характеристика светодиода аналогична вольт – амперной характеристике кремниевого диода: она имеет круто возрастающую прямую ветвь.

Включение . Инжекционные светодиоды являются токовыми приборами, питать и управлять которыми необходимо с помощью источников тока. На рисунке 2 представлен наиболее простой случай включения светодиода. Также светодиод включают в цепь управляющего транзистора (как биполярного, так и полевого), служащего в этом случае генератором тока.

Применение . Светодиоды используются в качестве источника излучения для управления фотоприемниками в оптронах, для индикации состояния электронных схем, для представления цифро-буквенной информации и пр.

2.2. Фотодиоды

Принцип действия. Фотодиоды (ФД) - полупроводниковые приборы, основанные на внутреннем фотоэффекте, использующие одностороннюю проводимость p-n-перехода, при освещении которого появляется ЭДС (фотогальванический режим) или при наличии питания изменяется обратный ток (фотодиодный режим).

Односторонняя проводимость (вентильный фотоэффект) возникает при освещении одной или обеих областей p-n-перехода. Рассмотрим режимы работы ФД. При работе ФД в фотогальваническом режиме в освещенной n-области образуются новые носители заряда- электроны и дырки (как показано на рисунке 3,а). они диффундируют к p-n-переходу, где неосновные носители- дырки- переходят в р-область (обратный ток неосновных носителей),а электроны, для которых диффузионное поле p-n-перехода будет запирающим, остаются в n-области.


При подключении к контактам ФД нагрузки (на рисунке 3,б) и при отсутствии освещения через p-n-переход и нагрузочное сопротивление потечет темновой ток Iт . Освещение вызывает дополнительный фототок неосновных носителей Iф =SI Ф.

Рисунок 3

Таким образом, ФД в фотогальваническом режиме непосредственно преобразует энергию света в электрическую энергию. В фотодиодном режиме к ФД прикладывают обратное напряжение (как показано на рисунке 3, в), и при отсутствии освещения через p-n-переход и сопротивление нагрузки потечет темновой ток Iт . При освещении же n-области через p-n-переход и сопротивление нагрузки потечет дополнительный дырочный фототок неосновных носителей Iф. Суммарный ток в цепи складывается из темнового тока и фототока неосновных носителей. ВАХ фотодиода показаны на рисунок 3,г. На них проведены нагрузочные прямые для фотогальванического (вентильного) режима: кз(RH = 0), хх(RH = ¥), произвольных нагрузок RH 1 , RH 2 . В режиме холостого хода при изменении светового потока Ф на зажимах «солнечной батареи» напряжение меняется (показано точками). В режиме короткого замыкания внутренним сопротивлением миллиамперметра при изменении Ф изменяется ток (указано крестиками). В фотодиодном режиме при фиксированном Е1 ток и падение напряжения ФД изменяется (показано черточками) при вариациях Ф (рисунок 3,г).

Фотогальванический режим не требует источника питания и обеспечивает существенно меньшие шумы, т.е. большую обнаружительную способность. ФД в фотогальваническом режиме обладают малым внутреннем сопротивлением. ФД в фотодиодном режиме обладают значительным внутренним сопротивлением.

Применение. Основное назначение фотодиодов- рабочие элементы приемных устройств, например систем контроля, дальномеров, оптической связи в видимой и инфракрасных областях, когда необходимо детектировать слабые оптические сигналы. Также фотодиоды могут использоваться как преобразователи солнечной энергии (солнечные батареи), а также в системах фотоэлектрической автоматики и в измерительной технике.

2.3. Оптроны

Оптрон состоит из прибора, излучающего фотоны, фотоприемника и оптически прозрачной среды, объединенных в одном корпусе. Источником фотонов может служить лампа накаливания, неоновая лампа или светодиод. Оптической средой может быть воздух, стекло, пластмасса или волоконно-оптический световод. В качестве фотоприемника используются фоторезистор, фотодиод, фототранзистор, полевой фототранзистор, интегральная структура «фотодиод-усилитель». В зависимости от совокупности характеристик используемой оптронной пары – можно получить разнообразные входные, выходные и передаточные характеристики.

Принцип работы любого оптрона основан на следующем. В излучателе энергия электрического сигнала преобразуется в световую, в фотоприемнике, наоборот, световой сигнал вызывает электрический отклик. Электрический сигнал на излучатель может поступать как от внешнего источника, так и по цепи электрической связи от фотоприемника. Световой сигнал на фотоприемник может поступать также как извне, так и по цепи оптической связи от излучателя. Таким образом, и светоизлучатель и фотоприемник могут выступать в качестве элементов электрической и оптической цепей. Возможность реализации прямых и обратных, положительных и отрицательных связей между этими элементами по цепям обоих видов предопределяет ширину функциональных возможностей оптронов.

Практически распространение получили лишь оптроны, у которых имеется прямая оптическая связь от излучателя к фотоприемнику и, как правило, исключены все виды электрической связи между этими элементами.

Излучатель

При разработке излучателя для оптрона основная трудность заключается в оптимизации его согласования с фотоприемником. К параметрам, подлежащим оптимизации, относятся коэффициент усиления, ширина полосы частот, размеры оптического окна, электрические характеристики. Наиболее распространенными электронными парами, применяемыми в оптронах, являются GaAs-светодиоды и фотоприемники на основе кремния, которые хорошо согласуются между собой по спектральным характеристикам.

Оптическая среда

При выборе оптической среды её изолирующие свойства играют определяющую роль. В качестве передающей среды могут быть использованы газовый промежуток (в том числе воздушный), различные иммерсионные, согласующиеся среды: полимерные органические оптические лаки и клеи, низкотемпературные халькогенидные стекла и, наконец, стекловолоконные линии: жесткие стержни и гибкие жгуты. Оптическая среда выбирается таким образом, чтобы она обеспечивала оптическое согласование обоих элементов и не вносила заметных потерь при передаче света.

Фотоприемник

Кремневые фотоприемники являются хорошими приемниками излучения, однако для получения сигналов требуемого уровня необходимо использовать дополнительные усилители. Повышать коэффициент усиления целесообразнее помещая усилительный элемент внутри корпуса оптрона.

Разновидности оптронов

Основным универсальным видом излучателя, используемым в оптронах, является светодиод, поэтому оптроны получают название от вида фотоприемника. Например, используемый в лабораторной работе диодный оптрон – оптрон, у которого излучателем является светодиод, а приемник выполнен на основе фотодиода.

Достоинства и недостатки оптронов

Достоинства этих приборов базируются на общем оптоэлектронном принципе использования электрически нейтральных фотонов для переноса информации. Основные из них:

· возможность обеспечения идеальной электрической (гальванической) развязки между входом и выходом;

· однонаправленность распространения информации по оптическому каналу, отсутствие обратной реакции приемника на излучатель;

· широкая частотная полоса пропускания оптрона, отсутствие ограничения со стороны низких частот; возможность передачи по оптронной цепи как импульсного, так и постоянной составляющей;

· возможность управления выходным сигналом оптрона путем воздействия на материал оптического канала и вытекающая отсюда возможность создания разнообразных датчиков, а также разнообразных приборов для передачи информации,

Оптронам присущи и определенные недостатки :

· значительная потребляемая мощность, обусловленная необходимостью двойного преобразования энергии и невысокими КПД этих переходов;

· более или менее заметная временная деградация (ухудшение) параметров;

· повышенная чувствительность параметров и характеристик к воздействию повышенной температуры и проникающей ядерной радиации;

· относительно высокий уровень собственных шумов, обусловленный, как и два предыдущих недостатка, особенностями физики светодиодов;

· сложность реализации обратных связей, вызванная электрической разобщенностью входной и выходной цепей.

Параметры и характеристики

Система параметров оптопар формируется из четырех групп параметров и режимов:

1. Входные параметры (характеризуют входную цепь оптрона):

· Входной ток Iвх ;

· Выходной ток Iвых ;

· Выходная емкость Свх .

2. Выходные параметры (характеризуют выходную цепь оптрона):

· Максимальное допустимое обратное выходное напряжение Uвых. обр

· Максимальный допустимый выходной ток Iвых. макс

· Темновой ток на выходе Iт. вых.

· Выходная емкость Cвых.

3. Параметры передаточной характеристики (характеризуют степень воздействия излучателя на фотоприемник):

· Коэффициент передачи тока KI ;

· Граничная частота fгр .

· Время нарастания (спада) tнар(сп) ,время задержки tзд ;

4. Параметры гальванической развязки (показывают, насколько приближается оптрон к идеальному элементу развязки):

· Максимальное допустимое пиковое напряжение между входом и выходом Uразв.

· Максимальное допустимое напряжение между входом и выходом Uразв. макс.

· Сопротивление гальванической развязки Rразв.

· Проходная емкость Cразв.

Входные характеристики диодного оптрона определяются параметрами светодиодом, а выходные – выбранным типом фотодиода.

Основное направление применения оптронов - в качестве элементов гальванической развязки . Другая важнейшая область применения оптронов – оптическое, бесконтактное управление сильноточными и высоковольтными цепями .

Различные оптроны (диодные, резисторные, транзисторные) находят применение и в чисто радиотехнических схемах модуляции, автоматической регулировки, усиления и др.

Уникальность оптронов как элементов гальванической развязки и бесконтактного управления, разнообразие и уникальность многих других функций являются причиной того, что сферами применения этих приборов стали вычислительная техника, автоматика, АСУ, измерительная техника, системы контроля и регулирования, медицинская электроника, устройства визуального отображения информации .

4. Порядок выполнения работы

1. Соберите схему (рисунок 4) для снятия семейства проходных характеристик оптрона при фотогенераторном (вентильном) режиме работы фотодиода для:

а) холостого хода – между 68 и 96 включите вольтметр М-832;

б) короткого замыкания – между 68 и 96 включите миллиамперметр М-832;

в) при нагрузке RН1 = R13 = 56 кОм – осуществите соединения: 68 – миллиамперметр М-832-65-R13-66-96;

г) при нагрузке RН2 = R14 = 5,1 кОм – осуществите смену R13 на R14, подключив перемычку 73-96.

Все характеристики снимите при Е1 = 10 В, IСД =. Регулировку тока светодиода осуществите вращением оси потенциометра R16. Данные занесите в таблицу 1 и таблицу 2.

Таблица 1

IСД , мА

1

2

3

4

1

2

3

4

5

6

Примечание

IФ , мкА

Режим КЗ

IФ , мкА

RН2 =5,1 кОм

IФ , мкА

RН 1 =56 кОм

Таблица 2

IСД , мА

1

2

3

4

1

2

3

4

5

6

Примечание

UФ , мВ

Режим ХХ

Рисунок 4

2. По данным определите области, в которых проходные характеристики оптрона линейны. Сделайте заключения.

3. Измените схему (рисунок 4), с помощью которой можно снять проходные характеристики оптрона IФ = f(IСД ) для фотодиодного режима ФД. Для этого осуществите соединения: 68 - миллиамперметр М-832 – 65 - R13 (или R14) – 66 (или 73)-28- +Е1. Установить Е1 = 10 В. Данные занесите в таблицу 3.

Таблица 3

IСД , мА

1

2

3

4

1

2

3

4

5

6

Примечание

IФ , мкА

R14=5,1 кОм

IФ , мкА

R13=56 кОм

4. По данным таблицы 3 определите области, в которых проходные характеристики оптрона в фотодиодном режиме при разных нагрузках практически линейны. Сделайте выводы. Сравните линейность проходных характеристик оптрона в разных режимах.


4. Контрольные вопросы

1. Поясните физику работы светодиода на p-n-переходе?

2. Как выглядит ВАХ светодиода?

3. Поясните физику работы фотодиода.

4. Укажите на ВАХ фотодиода области его фотогальванического (вентильного) режима работы, области его фотодиодного режима работы.

5. Как выглядят проходные характеристики диодного оптрона для фотогальванического (вентильного) режима для холостого хода, короткого замыкания и разных нагрузок?

6. Приведите проходные характеристики диодного оптрона для фотодиодного режима при разных нагрузках.

7. Поясните достоинства оптронов.

8. Укажите недостатки оптронов.

9. Перечислите и определите основные параметры и характеристики диодного оптрона.

5. Требования к отчету

Отчет должен содержать: цель работы, схемы проведенных экспериментов, результаты (таблицы, графики, заключения), выводы.


Лабораторные работы по аналоговой электронике

Методические указания к лабораторному циклу

Кн. 3.

Цимбалист Эдвард Ильич

Лабораторные работы модуля 1.2.

«Исследование характеристик и параметров

типовых активных элементов аналоговой электроники и простых схем по их применению»

Методические указания

Подписано к печати

Формат 60´84/16. Бумага офсетная.

Печать RISO. Усл.печ.л. . Уч.- изд. л. .

Тираж 100 экз. Заказ № Цена свободная.

Издательство ТПУ. 634050, Томск, 30.



[1] При желании снять ВАХ диода VD6 для последующего ее использования при анализе схем выпрямителей и ограничителей «токовый» М-832 подключается к гнезду 60, а гнездо 64 заземляется на гнездо 34 макета.

[2] По выбору студентов

[3] По выбору студентов – повышенной сложности.

[4] Напоминаем, что в макете № 1 земляные шины не связаны между собой!

[5] По желанию студентов

[6] Для умелых с разрешения преподавателя.

[7] В данной работе используется термин "оптрон". Он не описан в ГОСТе, но широко используется в литературе.

Оценить/Добавить комментарий
Имя
Оценка
Комментарии:
Хватит париться. На сайте FAST-REFERAT.RU вам сделают любой реферат, курсовую или дипломную. Сам пользуюсь, и вам советую!
Никита02:01:56 06 ноября 2021
.
.02:01:54 06 ноября 2021
.
.02:01:53 06 ноября 2021
.
.02:01:51 06 ноября 2021
.
.02:01:49 06 ноября 2021

Смотреть все комментарии (12)
Работы, похожие на Учебное пособие: Методические указания Томск 2007 удк 621. 38

Назад
Меню
Главная
Рефераты
Благодарности
Опрос
Станете ли вы заказывать работу за деньги, если не найдете ее в Интернете?

Да, в любом случае.
Да, но только в случае крайней необходимости.
Возможно, в зависимости от цены.
Нет, напишу его сам.
Нет, забью.



Результаты(294144)
Комментарии (4230)
Copyright © 2005-2022 HEKIMA.RU [email protected] реклама на сайте