| ФЕДЕРАЛЬНОЕ АГЕНТСТВО ПО ОБРАЗОВАНИЮ
Государственное образовательное учреждение высшего профессионального образования
«ТОМСКИЙ ПОЛИТЕХНИЧЕСКИЙ УНИВЕРСИТЕТ»
УТВЕРЖДАЮ
Декан АВТФ
__________С.А.Гайворонский
«____»_____________2009 г.
Лабораторный комплекс для изучения микропроцессорных приборов ДИСК 250М
Казьмин В.П., Седых М.С.
Методические указания к выполнению лабораторной работы по курсу «Технические средства автоматики и управления» для студентов направления 220200 «Автоматизация и управление»
Томск 2009 г.
УДК 681.3
Лабораторный комплекс для изучения микропроцессорных приборов
ДИСК 250М. Методические указания к выполнению лабораторной работы по курсу «
Технические средства автоматики и управления
»
для студентов направления: 220200 «Автоматизация и управление». /Сост. В.П. Казьмин, М.С. Седых. – Томск: ТПУ, 2009 – 23 с.
Методические указания к выполнению лабораторной работы по курсу «Технические средства автоматики и управления» для студентов направления 220200 «Автоматизация и управление» рассмотрены и рекомендованы к изданию методическим семинаром кафедры автоматики и компьютерных систем
« ___ » ____________ 2009 г., протокол № _______
Зав. кафедрой, профессор, д.т.н. Г.П. Цапко
Содержание
1. Цель работы…………………………………………………………………...4
2. Теоретическая часть
2.1 Основные сведения о приборе………………………………………….4
2.2 Конструкция прибора…………………………………………………...4
2.3 Устройство прибор………………………………………………………6
2.4 Назначение функциональных клавиш………………… …………….7
2.5 Режимы работы прибора……………………………………………….8
3. Практическая часть
3.1 Программа работы……………………………………………………..19
3.2 Контрольные вопросы…………………………………………………20
3.3 Содержание отчета………………………………………………… ...21
4. Приложение……………………………………………………………… ..22
1. Цель работы:
изучение назначения, устройства, характеристик микропроцессорного прибора ДИСК 250М, получение основных навыков работы с прибором.
2.1 Основные сведения о приборе
ДИСК 250М – прибор, построенный на микропроцессорной элементной базе предназначен для измерения, регистрации, сигнализации и регулирования параметров технологических процессов, представленных унифицированными сигналами и сигналами от термопар, термопреобразователей сопротивления, дифференциально–трансформаторных датчиков и пирометров.
Прибор предназначен для работы в металлургической, машиностроительной, энергетической, пищевой, промышленности производства строительных материалов и других отраслях экономики.
ДИСК 250М объединяет в одном исполнении всё функциональное разнообразие многочисленных исполнений прибора ДИСК 250. Исключение составляют приборы для измерения температуры жидких металлов (ДИСК 250С) и сигналов тензометрических датчиков (ДИСК 250ТН), для которых нет замены в рамках ДИСК 250М.
Основные технические характеристики прибора:
| Входные сигналы
|
Термопары: L, K, S, B, N, J, A-1;
Термопреобразователи сопротивления:
50М, 100М, 50П, 100П (схема подключения 4-х и 3-х-проводная);
Пирометры: РК-15; РК-20; РС-20;
Унифицированные сигналы:
0…5; 4…20 мА; 0…10; 0…100 мВ; 0…1 В.
Сигналы 0…10 и минус 10…10 мГн в комплекте с преобразователем НП-П10
|
| Выходные функции
|
| Источник питания внешних датчиков
|
Номинальные значения - 36 В, 30 мА, защита от перегрузки - 50 мА
|
| Преобразование результата измерений в токовый сигнал, пропорциональный результату измерения
|
4…20 мА (нагрузка не более 500 Ом)
|
| Сигнализация от 1 до 4 уставок с релейным выходом и с выбором типа уставок «больше» или «меньше»
|
Коммутируемая мощность 220 В, 1 А переменного тока.
|
| Регистрация
|
Фломастером на дисковой диаграммной бумаге, в полярных координатах
|
| Регулирование
|
Законы регулирования:
– ON/OFF (с релейным выходом);
– ПИД-С(с аналоговым выходом);
– ПИД-S (с двумя релейными выходами),
– ПИД-Н/С (с релейным ШИМ-выходом).
Задание - постоянное во времени или представленное кусочно-линейной (до 30 участков) функцией времени (технологической программой).
|
| Характеристики
|
| Предел погрешности измерений
|
0,25 % от диапазона измерений. Погрешность термокомпенсации – 0,5 0
С
|
| Напряжение питания
|
175…245 В
|
| Потребляемая мощность, не более
|
10 ВА
|
| Габаритные размеры
|
322х322х117 (длина × ширина × глубина)
|
| Масса, не более
|
5 кг
|
| Время оборота диаграммного диска
|
Выбирается из ряда: 1; 2; 4; 8; 12; 24; 48; 72; 96; 120; 144; 168; 192 ч.
|
| Тип диаграммной бумаги
|
0…100 %
(реестровый номер 2190 по ГОСТ 7826)
|
| Рабочие условия
|
Рабочая температура от 5 до 50 0
С, относительная влажность:
– для исполнения УХЛ 4.2 - 80 % при температуре 35 0
С без конденсации влаги;
– для исполнения О4.2 – 98 % при температуре 35 0
С без конденсации влаги.
|
| Средняя наработка на отказ
|
25000 ч
|
| Средний срок службы
|
10 лет
|
| Конструктивное исполнение
|
щитовое или настенное
|
Функциональные возможности прибора:
2.2 Конструкция прибора
На рисунках 1 и 2 приведены внешний вид прибора и вид прибора с открытыми крышкой и шасси.
На крышке прибора расположены:
- круглое окно для представления регистрации на диаграммной бумаге измеряемого параметра;
- окно для пятизначного цифрового табло, индицирующего результат измерения;
- окно для барографа, представляющего результат измерения в аналоговом виде;
- окно для четырех светодиодов, индицирующих выход измеряемого параметра за допустимые пределы (срабатывание уставки).

Рисунок 1 – Внешний вид прибора
За открывающейся крышкой прибора расположены:
а) плата с жидкокристаллическим табло, клавиатурой и цифровым табло. Жидкокристаллическое табло и клавиатура предназначены для конфигурирования прибора, цифровое табло – для вывода результатов измерения;
б) поворотное шасси, на котором размещены:
- узел для крепления и вращения диаграммного диска;
- узел перемещения пера;
- барограф и индикаторы состояния сигнализации.
Узел для крепления и вращения диаграммной бумаги включает в себя:
- плату для крепления диаграммной бумаги, держатель диаграммы;
- шаговый двигатель, на оси которого крепится держатель диаграммы. Крепление бумаги осуществляется при помощи прижима. Положение бумаги фиксируется специальным ключом. Управление шаговым двигателем осуществляет центральный процессор прибора. Электрическое соединение двигателя с платой ЦП осуществляется жгутом с разъемом.

Рисунок 2 – Вид прибора с открытыми крышкой и шасси
2.3 Устройство прибора
Структурная схема прибора приведена на рисунке 3. Аналого-цифровой преобразователь (АЦП) преобразует аналоговые сигналы от датчиков в двоичный код. Код передается в центральный процессор, где он обрабатывается и выдается на:
- цифро–аналоговый преобразователь (ЦАП) для преобразования в сигнал 4–20 мА, который может нести информацию, как о значении измеренного сигнала, так и о регулирующем воздействии, если при конфигурировании прибора выбран закона регулирования – ПИД-С;
- устройство управления шаговым двигателем 2, который перемещает перо, в соответствии со значением входного сигнала;
- табло 1, индицирующее результат измерения в цифровом виде;
- барограф, высота светового столба которого пропорциональна измеренному значению сигнала;
- реле состояния. Состояние реле определяется соотношением между значениями входного сигнала и уставки.
Для конфигурирования прибора предназначены табло 2 и клавиатура, сигналы от клавиатуры воспринимает и выдает на табло ЦП.
Вращение диаграммного диска осуществляет шаговый двигатель 1, управляемый ЦП. ЦП формирует в архиве массив сообщений о результатах измерений.
Интерфейс предназначен для связи с персональным компьютером, при помощи которого можно осуществлять настройку и программирование прибора.

Рисунок 3 - Структурная схема прибора
2.4 Назначение функциональных клавиш
Назначение клавиш, располагающихся на клавиатуре, приведено в таблице 1
| Клавиши
|
Функции
|
| ◄ («влево»), ► («вправо»)
|
а) перемещение между пунктами вложенного меню; б) перемещение курсора при редактировании числовых значений
|
| ▲ («вверх»), ▼ («вниз»)
|
а) выбор параметров (числовых и смысловых) из предлагаемого списка. Эти параметры отмечаются мерцанием с периодом 1 с;
б) изменение цифры в разряде при редактировании числовых значений. Клавиша ▲ увеличивает число, клавиша ▼ – уменьшает
|
| Ввод
|
Для подтверждения выбора пункта меню или параметра; для ввода числового значения. Выбор любого параметра или редактирование числа должны всегда заканчиваться нажатием Ввод. В противном случае параметр или число не будут сохранены в памяти прибора
|
| Сброс
|
Для отмены ошибочно введенного числового значения, а также для выхода из текущего пункта меню и возврата к предыдущему
|
2.5 Режимы работы прибора
Прибор имеет два режима: рабочий и служебный.
Служебный режим предназначен для проверки, калибровки, юстировки и конфигурирования прибора.
В рабочем режиме прибор осуществляет:
- измерение параметра, подключенного на вход прибора и выбранного при конфигурировании;
- регистрацию измеренных значений на диаграммном диске;
- сигнализацию выхода параметра за допустимые пределы по уровню или скорости изменения сигнала;
- регулирование;
- архивирование результатов измерений.
Измерение.
Результаты измерений индицируются на обоих табло и на барографе. На ЖКИ – табло индицируется: НСХ выбранного датчика и диапазон измерений, а для унифицированных входных сигналов – диапазон изменения входного сигнала и результат измерений. На светодиодном табло высвечивается только результат измерений.
Результат измерений в аналоговом виде выводится на барограф, состоящий из 20 светодиодов. Полная высота столба соответствует выбранному диапазону измерений. Нижний светодиод барографа светится, когда результат измерения равен нижнему предельному значению выбранного диапазона. Если результат измерения равен верхнему предельному значению, тогда светятся все диоды барографа.
При выходе измеряемого параметра за нижнее граничное значение установленного диапазона на величину, равную пределу допустимой погрешности, нижний светодиод выключается.
При выходе результата измерения за верхний предел диапазона все диоды барографа начинают мигать. Яркость барографа возможно изменять при конфигурировании прибора.
На светодиодном табло при выходе параметра за пределы диапазона остается значение, соответствующее нижнему или верхнему предельному значению, уменьшенному или увеличенному на значение «захода» за диапазон. Каждый диапазон измерений имеет свои значения заходов.
При обрыве датчика на светодиодном табло зажигается надпись «ОБР». Формирование сигнала «ОБР» осуществляется в течение не более 10 мин.
Регистрация.
Результаты измерения регистрируются на диаграммном диске фломастером в виде графика в полярных координатах.
При конфигурировании прибора можно выбрать «Тип диаграммы»: «Нелинейная» или «(0…100) %»
При выборе типа (0…100) % следует использовать диски с 100 % сеткой. Соответствие измеренного значения и линии диаграммы устанавливается формулой 1:

(1)
где Y – цифровое значение линии диаграммы в процентах;
Х – результат измерения, единицы измерения физической величины;
ХВ
, ХН
- верхнее, нижнее предельные значения диапазона измерения, единицы измерения физической величины.
При выборе типа диаграммы «Нелинейная» необходимо использовать диаграммные диски, соответствующие выбранным НСХ и диапазону измерений входного сигнала.
При обрыве датчика пишущий узел идет на начальную отметку диаграммного диска.
Сигнализация.
Прибор может осуществлять контроль выхода результатов измерений за допустимые пределы, уставки. При выходе измеренного значения за заданные пределы включается светодиод на крышке прибора и изменяется состояние реле.
При конфигурировании прибора может быть организовано до четырех устройств сигнализации. Если прибор используется, как регулятор, то в зависимости от того, какой выбран закон регулирования, количество сигнальных устройств может уменьшиться до двух или трех.
При выборе закона регулирования ПИД-С регулирующее воздействие выдается по каналу аналогового сигнала 4…20 мА, тогда можно организовать до четырех устройств сигнализации.
При выборе закона регулирования ON/OFF или ПИД-Н/С регулирующее воздействие выдается на обмотку одного реле – №4, тогда можно организовать до трех сигнальных устройств.
При выборе закона регулирования ПИД-S регулирующее воздействие выдается на обмотки двух реле – №3 и №4, тогда можно организовать до двух сигнальных устройств.
Настройка сигнализации заключается в выборе:
- типа уставки – «Больше» или «Меньше»;
- значений уставки и зоны возврата, которые вводятся в единицах измерения физической величины.
Тип уставки «больше» означает, что изменение состояния контактов реле (срабатывание сигнализации) происходит в случае, если входной сигнал превысит значение уставки. Для типа уставки «Меньше» срабатывание происходит, когда измеренное значение будет меньше значения уставки.
«Отпускание» сигнализации (возвращение реле в исходное состояние) происходит, когда измеренное значение станет меньше или больше уставки на значение зоны возврата.
Кроме этого, вводится «Исходное состояние контакта реле» (замкнутое или разомкнутое), т.е. состояние, когда сигнализация еще не сработала.
Скорость изменения сигнала задается в единицах измерения физической величины/с. Скорость может быть величиной положительной
, если значение входного сигнала непрерывно возрастает
, и отрицательной
– в случае его убывания
.
При обрыве датчика контакты всех реле сигнализации устанавливаются в исходное состояние.
Преобразование.
Прибор может выполнять преобразование результатов измерений в токовый сигнал 4…20 мА. Сигнал преобразования выводится на разъем ХР7. Функция «Iвых = (4…20) мА» включается при конфигурировании прибора. Значение выходного сигнала вычисляется по формуле (1). Таким образом, значение выходного сигнала линейно зависит от результата измерений.
На тот же разъем (ХР7) выводится управляющее воздействие при включении регулирования по закону ПИД-С. Одновременное включение функции преобразования и регулирования ПИД-С невозможно.
При обрыве датчика значение сигнала преобразования устанавливается равным 3,2 мА.
Регулирование.
Прибор может быть использован, как регулятор. Для этого при конфигурировании необходимо: задать закон регулирования, выбрать коэффициенты закона регулирования и задание для регулятора.
Задание для регулятора может быть постоянным во времени или представленным кусочно-линейной функцией времени – программой.
При конфигурировании прибора задание для регулирования необходимо вводить в тех же единицах, что и измеряемую величину.
В памяти прибора может храниться одна программа, которая может состоять из 30 участков (шагов). Для каждого шага задается конечное значение параметра и текущее время (в часах и минутах).
Архивирование.
Результаты измерений периодически усредняются и записываются в энергонезависимую память – архив прибора. Период усреднения и записи данных задается в диапазоне от 1 до 3600 с. Емкость архива составляет 32703 байта, что соответствует 2973 записям. Архив организован по кольцевому принципу. Это означает, что в случае его заполнения новая (последняя) запись будет размещена на месте старой, начиная с первой записи.
Конфигурирование прибора
Структура меню прибора состоит из пяти основных разделов: юстировка, просмотр параметров; установка параметров; калибровка; тестирование.
Вся работа с меню прибора осуществляется при помощи клавиатуры и ЖКИ-табло, расположенных на шасси прибора. Табло расположено в левой нижней части прибора.
Вход в меню и перемещение по разделам осуществляется одновременным нажатием клавиш ▼ и ▲.
Порядок выхода из меню приведен на рисунке 4

Рисунок 4 – Выход из главного меню
Приведем подробное описание каждого пункта меню:
Юстировка ДИСК-250М
предназначена для привязки приводов пера и
диаграммного диска
к реперным точкам. Данная операция производится в случае смены диаграммы, или пишущего узла прибора.
Просмотр параметров
является частью рабочего режима и предназначен для просмотра конфигурации прибора и содержимого архива. При выходе в эту часть меню прибор продолжает измерение, регулирование, сигнализацию, преобразование и регистрацию.
-«Дата, время» - просмотр текущих значений даты и времени.
-«Границы масштабирования» - просмотр значений начала и конца диапазона, если режим «Масштабирование» включен.
-«Просмотр архива» - позволяет просмотреть все записи архива в любом направлении. Первоначально на ЖКИ отображается информация о последней сделанной записи.
Для примера, на ЖКИ выведено:
| 
|
«03/09/04» – дата записи: число/месяц/год;
«16:37:45» – время в момент записи: час/мин/сек;
|
«10.23» – значение параметра измерения. В случае обрыва датчика – запись «Обрыв»;
«мВ» – размерность параметра измерения;
РЗРР – состояние контактов реле 1-4. Контакт реле 1 – разомкнут (Р), реле 2 – замкнут (З), реле 3 - разомкнут, реле 4 – разомкнут.
Установка параметров
- раздел, в котором осуществляется конфигурирование прибора. При выборе этого раздела меню, прибор выходит из рабочего режима. Вход в раздел возможен только при введении пароля.
Прибор при поставке имеет пароль «00000».
Любое изменение числового значения в меню осуществляется поразрядно, нажатием клавиши ▼ или ▲. При этом, значение разряда, расположенного над курсором, уменьшается или увеличивается. Перемещение курсора осуществляется клавишами ◄, ►.Правильно введенный пароль дает возможность конфигурировать прибор.
- «Выбор входного сигнала» -
в этом пункте меню осуществляется выбор типа и НСХ подключаемого датчика, диапазона измерения, включение или отключение корнеизвлечения или масштабирования входного сигнала, схемы подключения термопреобразователя сопротивления.
-«Масштабирование» используется для работы с датчиками, формирующими унифицированный сигнал тока или напряжения. В этом случае диапазону входного сигнала тока или напряжения будет соответствовать введенный диапазон реальной физической величины.
-«Термокомпенсация» -
в этом пункте меню включается или отключается функция компенсации температуры холодного спая при подключении термопары.
-
«Iвых =(4…20 мА)» -
этот пункт меню позволяет включить или выключить преобразование измеренных значений в токовый сигнал 4…20 мА.
1.4.4.4 «Настройка часов и архива» - этот пункт меню включает в себя:
-выбор периода оборота диска. Время оборота диска выбирается из ряда значений, предложенного в пункте меню. Ряд состоит из значений: 1, 2, 4, 8, 12, 24, 48, 72, 96, 120, 144, 168, 192 ч.
- настройку времени. При конфигурировании прибора вводится текущее астрономическое время в последовательности часы/минуты/секунды и нажатие клавиши Ввод;
- период записи данных в архив. Этот пункт меню дает возможность выбора периода усреднения и записи измеряемого параметра в энергонезависимую память – архив.
-«Параметры сигнализации» -
этот пункт меню позволяет сконфигурировать устройства сигнализации. Сюда относится: выбор номера реле (1…4), включение функции «Контроль скорости изменения входного сигнала» (только для одного реле), ввод значения и типа уставки (больше - меньше), исходного состояния контактов реле, значения зоны возврата (гистерезиса).
Алгоритм конфигурирования устройства сигнализации приведен на
рисунке 5.
я
Рисунок 5 –
Алгоритм конфигурирования устройств сигнализации
-«Параметры контура» -
этот пункт меню позволяет включить и настроить контур регулирования. Настройка контура включает в себя:
- выбор закона регулирования (или регулирование выключено);
- установку задания для регулирования;
- ввод параметров объекта управления;
- ввод параметров ограничения управляющего воздействия;
- выбор коэффициентов закона регулирования.
-«Параметры интерфейса» -
в этом пункте меню обеспечивается возможность ввода номера прибора в сети и скорости обмена.
-«Ввод поправок к параметрам» в этом пункте меню можно ввести поправку на температуру внутреннего датчика температуры (поправка №1), что дает возможность корректировать термокомпенсацию при подключении термопары. Поправка №2 дает возможность ввести поправку при отклонении НСХ датчика (термопары, термопреобразователя сопротивления или пирометра) от номинального значения.
-«Заводские настройки».
При выборе этого пункта меню осуществляется ввод заводских настроек прибора. При программном сбое прибора следует установить заводские настройки, что позволит выйти из программного тупика.
-«Изменить пароль». Позволяет изменить на выбор существующие пароли входа в режимы «Установка параметров» и «Калибровка». После выбора соответствующего режима производится запрос старого пароля. После его успешного ввода предоставляется возможность ввести новый пароль.
При установке нового пароля необходимо проявлять особое внимание.
В случае утери нового пароля вход в соответствующие режимы будет недоступен.
При выходе из меню «Установка параметров» на ЖКИ- табло появляется информация о выбранном входном сигнале. После нажатия клавиши ▲ прибор переходит в рабочий режим.
-Тестирование
позволяет проверить работоспособность элементов прибора. Порядок тестирования приведен в таблице 2
| Пункт меню «Тестирование»
|
Необходимые действия и критерии оценки прохождения теста
|
| 1 Тестирование барографа
|
При правильном прохождении теста поочередно включаются все светодиоды барографа, начиная с нижнего, а затем поочередно отключаются, начиная с верхнего. Тот же алгоритм для светодиодов «Реле 1»… «Реле 4»
|
| 2 Тест индикатора
|
У светодиодного табло для всех разрядов, последовательно должны загораться сегменты 1…8
|
| 3 Тест клавиш
|
Поочередно нажимаются клавиши, названия которых выведены на ЖКИ
|
| 4 Тест реле
|
Замыкаются контакты реле, проследить включение и отключение индикаторов Н1…Н4
|
3.1 Программа работы
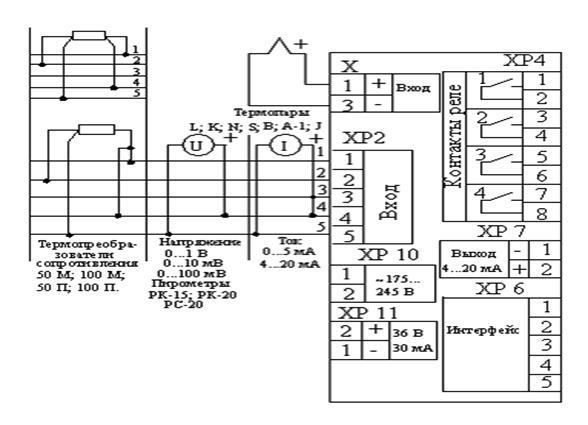
1. Подключить магазин сопротивлений, согласно схеме, приведенной на рисунке 6.

Рисунок 6 –
Схема внешних подключений прибора
2. Произвести тестирование прибора, убедится в нормальном функционировании индикаторов и клавиш управления.
3. В режиме установки параметров выполнить необходимые настройки согласно заданному варианту (Таблица 3).
| Вариант
|
1
|
2
|
3
|
4
|
5
|
6
|
| Тип
Преобразователя
|
50М
|
100М
|
50М
|
100М
|
50М
|
100М
|
| Диапазон
Измерений, С
|
0
100
|
-50
50
|
-50
100
|
0
100
|
-50
50
|
-50
100
|
| Тип уставки реле
|
больше
|
меньше
|
больше
|
меньше
|
больше
|
меньше
|
| Величина
уставки, С
|
50
|
-30
|
40
|
80
|
10
|
-20
|
| Скорость изменения
сигнала
|
0.5
|
1
|
2
|
-0.5
|
-1
|
-2
|
Необходимые справочные данные приведены в приложении.
4. Произвести настройку архива, выбрав период записи данных в пределах 5–20с.
5. В режиме работы произвести изменение входного сигнала в пределах диапазона измерений.
6. По результатам записей в архиве определить время срабатывания устройств сигнализации.
7. Определить погрешность измерения
3.2 Контрольные вопросы
1. Назначение прибора ДИСК 250М
2. Перечислить режимы работы прибора и их предназначение.
3. В каком случае все светодиоды барографа начинают мигать?
4. При каком режиме работы прибора не все устройства сигнализации могут быть задействованы?
3.3 Содержание отчета
1. Цель работы.
2. Структурная схема прибора.
3. Назначение функциональных клавиш.
4. Ответы на контрольные вопросы
5. Выводы по работе
4. Приложение
 


Литература
1. Руководство по эксплуатации ДИСК–250М_2.556.086 РЭ_4.06.2007.
2. Протокол обмена – ДИСК–250М_2.556.086 Д_12.01.2006.
3. Интернет–сайт http://www.rospribor.com/
4. Интернет–сайт http
://
www
.
tpchel
.
ru
.
Казьмин Виктор Павлович
Седых Михаил Сергеевич
Лабораторный комплекс для изучения микропроцессорных приборов ДИСК 250М
Методические указания к выполнению лабораторной работы по курсу «Технические средства автоматики и управления» для студентов направления 220200 «Автоматизация и управление»
Научный редактор
кандидат технических наук,
доцент В.Н. Скороспешкин
Редактор
Верстка Л. А. Егорова
| Подписано к печати Формат 60×84/16.
Бумага «Классика».
Печать RISO. Усл.печ.л. 10,23. Уч.-изд.л. 9,26.
Заказ . Тираж экз.
|
| 
|
Томский политехнический университет
Система менеджмента качества
Томского политехнического университета
сертифицирована
NATIONAL QUALITY ASSURANCE по стандарту ISO 9001:2000
|

|
| . 634050, г. Томск, пр. Ленина, 30.
|
|