| Утверждены
Приказом Председателя Комитета по государственному
энергетическому надзору
Министерства энергетики и
минеральных ресурсов
Республики Казахстан
от «24» декабря 2009 года
№ 109-П
Методические указания
по консервации оборудования стационарных электростанций,
выводимых в резерв
Раздел
I
. Консервация энергетического оборудования
с применением химических реагентов
1. Общие положения
1.1. Консервацию котлов и турбоустановок проводят для предотвращения коррозии металла внутренних поверхностей как при режимных остановах (вывод в резерв, вывод в текущий, средний и капитальный ремонт, аварийный останов), так и при остановах в продолжительный резерв или ремонт (реконструкцию) на срок свыше 6 мес. [3].
1.2. На основе настоящих Методических указаний (далее – Указаний) на каждой электростанции рекомендуется разработка и утверждение технического решение по организации и проведению консервации конкретного оборудования, определяющее способы консервации при различных видах остановов и продолжительности простоя, технологическую схему и вспомогательное оборудование консервации, с привлечением специализированной организации.
1.3. При разработке технологической схемы консервации целесообразно проведение следующих мероприятий:
-максимальное использование штатных установок коррекционной обработки питательной и котловой воды, установок химической очистки оборудования, имеющегося бакового хозяйства.
-выполнение технологической схемы консервации в стационарном варианте, с возможностью надежного отключения от действующих участков тепловой схемы.
-осуществление нейтрализации или обезвреживания сбросных вод, а также возможности повторного использования консервирующих растворов или воды при способе консервации избыточным давлением.
1.4. В соответствии с принятым техническим решением рекомендуется составление инструкции по консервации оборудования с указаниями по подготовительным операциям, технологии консервации и расконсервации, а также по мерам безопасности при проведении консервации.
1.5. Обеспечение соблюдения требований «Правил технической эксплуатации электрических станций и сетей Республики Казахстан РД 34 РК. 20.501-02.» при подготовке и проведении работ по консервации и расконсервации, принятие дополнительных мер безопасности, связанных со свойствами используемых химических реагентов (Приложение 5).
1.6. Краткие характеристики применяемых химических реагентов приведены в Приложении 5.
1.7. Нейтрализация отработанных консервирующих растворов химических реагентов в соответствии с [16].
2. Способы консервации барабанных котлов
2.1. Сухой останов котла
2.1.1. Дренированием котла при давлении выше атмосферного после опорожнения за счет тепла, аккумулированного металлом, обмуровкой и изоляцией, достигается сохранение температуры металла в котле выше температуры насыщения при атмосферном давлении. При этом происходит подсушка внутренних поверхностей барабана, коллекторов и труб.
2.1.2. Сухой останов применим для паровых и водогрейных котлов на любое рабочее давление при отсутствии в них вальцовочных соединений труб с барабаном.
2.1.3. Применение сухого останова котла как варианта консервации или ее части при плановом останове в резерв или ремонт на срок до 30 суток, а также при аварийном останове.
2.1.4. Для предотвращения попадания в котел влаги в период простоя рекомендуется надежное его отключение от трубопроводов воды и пара, находящихся под давлением, за счет плотного закрытия запорной арматуры, установки проглушек, открытия ревизионных вентилей.
2.1.5. После останова котла в процессе его естественного остывания или расхолаживания рекомендованы следующие операции:
-дренирование при избыточном давлении 0,8 - 1,0 МПа.
-обеспаривание на конденсатор промежуточного пароперегревателя котлов сверхкритического давления.
- закрытие всех вентилей и задвижек пароводяной схемы котла, лазов и шиберов топки и газохода после дренирования и подсушки
-открытие ревизионных вентилей, а также демонтаж проглушек.
2.1.6. Периодический контроль попадания воды или пара в котел во весь период консервации после полного остывания предлагается проведением:
-прощупывания участков возможного попадания их в районе запорной арматуры
- кратковременного открытия дренажей нижних точек коллекторов и трубопроводов, вентилей пробоотборных точек
- принятием мер для устранения нарушения в случае обнаружения попадания воды в котел.
-растопкой котла, подъемом в нем давления до 1,5 – 2,0 МПа, выдержкой этого давления в течение нескольких часов, а затем повторным проведением сухого останова.
– проведением растопки котла при невозможности устранения причин попадания влаги.
2.1.7. Вывод котла из консервации в режиме сухого останова снятием установленных проглушек и операциями по растопке в соответствии с инструкцией по эксплуатации котла.
2.2. Поддержание в котле избыточного давления
Основные сведения и рекомендуемые мероприятия при консервации поддержанием избыточного давления таковы:
2.2.1. Предотвращение доступа в котел кислорода воздуха поддержанием в нем давления выше атмосферного.
2.2.2. Поддерживание избыточного давления (ИД) протоком через котел деаэрированной воды.
2.2.3. Применение консервации при поддержании ИД для котлов любых типов и на любое давление.
2.2.4. Способ ИД рекомендован к применению в случаях:
-вывода котла в резерв или ремонт, не связанный с работами на поверхностях нагрева, на срок до 10 суток
-вывода котла с вальцовочными соединениями труб с барабаном на срок до 30 суток.
2.2.5. Использование для поддержания в котле ИД питательной (для паровых котлов) или подпиточной (для водогрейных котлов) воды.
Применение подпиточной воды при значении рН этой воды не ниже 9,0 и содержания кислорода в ней не более чем содержание кислорода в питательной воде консервируемого котла.
2.2.6. Монтаж на блочных электростанциях для подачи питательной или подпиточной воды в котел на период консервации коллектора и трубопроводов к нему от каждого деаэратора на давление 0,6 МПа или коллектора от напорной стороны перекачивающих насосов подпиточной воды, а также трубопроводов от коллектора к напорному трубопроводу питательных насосов каждого блока.
2.2.7. Выполнение на электростанциях с поперечными связями для создания и применения схемы консервации избыточным давлением следующих мероприятий:
- организации подачи питательной воды в котел по существующему или специально смонтированному байпасу питательного узла диаметром 20 – 50 мм (с дроссельной шайбой).
- монтажа перемычки от трубопровода заполнения котлов к питательным трубопроводам перед экономайзером для использования подпиточной воды от перекачивающих насосов.
- использования специального насоса консервации для подачи в котел питательной воды на электростанциях, имеющих такой насос (рисунок 1). Организация при реализации этой схемы поступления воды на вход в водяной экономайзер и к выходным коллекторам пароперегревателя:
- проведение сброса консервирующей воды из котла через дренажи выходных участков пароперегревателя в дренажные баки или при реализации схемы (рисунок 1), через нижние точки котла в деаэратор или нижние баки.
- использование сбрасываемой из котла воды в пароводяном цикле электростанции
- перекачку этой воды на блочных электростанциях на соседние блоки для повторного использования.
- монтаж запорной арматуры, ревизионных вентилей или проглушек на трубопроводах подвода и отвода консервирующей воды для отключения их от котла во время его эксплуатации
- дренирование котловой воды после останова котла и снижения давления в нем до атмосферного
- заполнение котла консервирующей водой и организация ее протока через котел
- контроль заполнения котла по воздушникам
- регулирование давления и протока воды с помощью арматуры на входных и выходных трубопроводах.
- включение при возможности в схему протока и подогревателей высокого давления на блочных электростанциях
- поддержание в период консервации на котле давления 0,5 – 1,5 МПа и протока воды с расходом 10 – 30 м3
/ч.
- ежесменный отбор проб воды из чистого и соленого отсеков для определения содержания кислорода. При возрастании величины содержания кислорода в пробах воды более 30 мкг/кг, увеличивают проток воды через котел при интенсивной продувке всех воздушников.
- использование насоса консервации для поддержания ИД на нескольких котлах одновременно при консервации по схеме рисунка 1.
2.2.8. Снижение уровня в котле до растопочного по окончании консервации и растопка котла в соответствии с инструкцией по пуску.

1 – бак приготовления химических реагентов вместимостью 2 – 10 м3
; 2 – насос консервации подачей 30 – 100 м3
/ч и давлением 0,5 – 0,8 МПа; 3 – реагенты; 4 – подпиточная вода; 5 – в деаэратор (дренажный бак, бак подпиточной воды); 6 – от других котлов; 7 – в барботер; 8 – питательная вода к котлу; 9 – экраны; 10 – деаэратор питательной воды; 11 – на сторону всасывания насоса питательной воды; 12 – трубопровод к другим котлам.
Рисунок 1 – Схема консервации барабанных котлов для проведения
трилонной обработки (ТО), заполнения защитным щелочным (ЗЩ) раствором, фосфатно-аммиачной «выварки» (ФВ)
2.3. Гидразинная обработка поверхностей нагрева котла
при рабочих параметрах
2.3.1. Под воздействием водного раствора, содержащего гидразин, при определенных температурах на поверхности металла создается защитная оксидная пленка. В формировании пленки участвуют сравнительно небольшая часть оксидов железа, находящихся на поверхности металла. Часть имеющихся оксидов железа и меди за счет восстановления до закисных и металлических форм, а также образования комплексных соединений, теряет прочную связь с металлом и удаляется с поверхностей нагрева.
В процессе проведения гидразинной обработки (ГО) экономайзера и экранов поверхности нагрева пароперегревателя заполняются паром, содержащим аммиак, что обеспечивает пассивацию и этих поверхностей и защищает пароперегреватель при конденсации пара после остывания котла
Основные сведения и рекомендуемые мероприятия при консервации проведением гидразинной обработки при рабочих параметрах таковы:
2.3.2. Зависимость концентрации гидразина от температуры среды и продолжительности обработки, значительное превышение эксплуатационной нормы содержания гидразина. Достижение наибольшей эффективности консервации при максимально возможных температурах среды.
Поддержание при обработке котла гидразином при рабочих параметрах (ГРП) в зависимости от предполагаемой продолжительности простоя содержания гидразина в питательной воде 0,3 – 3,0 мг/кг, а продолжительности обработки от 1 – 2 до 24 часов.
В период обработки работа котла в нормальном режиме и несение требуемой нагрузки.
2.3.3. Рационально применение способа ГРП на тех котлах, где осуществляется коррекционная обработка питательной воды гидразином.
2.3.4. Рекомендации при планировании, подготовке и проведении гидразинной обработки при рабочих параметрах котла:
- проведение ГРП перед плановым остановом котла в резерв или ремонт на срок до 30 суток.
- проведение ГРП в сочетании с последующим сухим остановом (ГРП + СО) перед плановым остановом котла в резерв на срок до 60 суток, а также перед остановом в средний или капитальный ремонт.
- дозирование гидразина с помощью штатной гидразинной установки на стороне всасывания питательных насосов на блочных электростанциях
- дозирование гидразина в питательную воду перед экономайзером на электростанциях с поперечными связями.
- использование штатных насосов-дозаторов фосфатов для дозирования гидразина при индивидуально-групповой схеме фосфатирования. Принципиальная схема дозирования гидразина (рисунок 2): бак-мерник гидразина вместимостью 1 – 2 м3
- коллектор раствора гидразина на стороне всасывания фосфатных насосов - фосфатный насос - дозатор - фосфатная линия - перемычка от фосфатной линии к питательному узлу котла.
- монтаж отдельного узла для всех котлов или группы, включающего бак-мерник гидразина и два насоса-дозатора (типа фосфатных) для подачи гидразина к питательному узлу каждого котла при индивидуальной схеме фосфатирования и расположении фосфатных узлов на значительном расстоянии друг от друга
- врезка трубопровода гидразина в какой-либо байпасный или дренажный трубопровод питательного узла.
- подвод к баку-мернику крепкого раствора гидразина от гидразинного хозяйства и подпиточной воды.
- приготовление непосредственно перед обработкой раствора требуемой концентрации с учетом производительности насоса–дозатора, необходимого содержания гидразина в питательной воде и предполагаемой нагрузки котла.

1 – бак приготовления химических реагентов вместимостью, равной водяному объему котла с пароперегревателем; 2 – насос заполнения котла раствором химических реагентов подачей 50 – 100 м3
/ч, давлением 0,5 – 0,8 МПа; 3 – бак-мерник гидразина вместимостью 1 – 2 м3
; 4 – штатные насосы–дозаторы фосфатов; 5 – бак рабочего раствора фосфата; 6 – гидразин; 7 – аммиак; 8 – подпиточная вода; 9 – к котлу № 2; 10 – к фосфатным насосам других котлов; 11 – на узел нейтрализации; 12 – к дренажным коллекторам других котлов; 13 – подпиточная вода; 14 – химические реагенты; 15 – питательная вода к котлу; 16 – экраны; 17 – в барботер.
Рисунок 2 – Схема консервации барабанных котлов для проведения
ГРП, ГРО, ГВ, ТО, ЗЩ, ФВ.
2.3.5. Гидразинную обработку рекомендуется выполнять следующими мероприятиями:
- проведением обработки непосредственно перед плановым остановом котла;
- прекращением дозирования в котел фосфатов за 1 – 2 ч до начала обработки;
- определением продолжительности обработки и содержания гидразина в питательной воде перед котлом в соответствии с таблицей 1
- контроль содержания гидразина анализом пробы воды из пробоотборной точки на линии питательной воды перед котлом в процессе обработки
- останов котла по окончании заданного времени обработки, возможность не дренирования котла при останове в резерв на срок до 10 суток
- выполнение после ГРП сухого останова в случае ожидаемого простоя, продолжительностью более 30 суток
- возможность заполнения котла водой на срок не более 1 суток с последующим дренированием воды при необходимости проведения опрессовки котла в процессе простоя.
Таблица 1 – Продолжительность обработки и содержание гидразина в
питательной воде перед котлом в зависимости от планируемой
продолжительности простоя котла
| Простой, сут.
|
Продолжительность обработки, ч
|
Содержание гидразина, мг/кг
|
| До 5
|
1 – 2
|
2 – 3
|
| 5 – 10
|
3 – 6
|
1 – 1,5
|
| 10 – 15
|
6 – 12
|
0,5 – 1
|
| Свыше 15
|
12 – 24
|
0,3 – 0,5
|
2.4. Гидразинная обработка поверхностей нагрева котла
при пониженных параметрах
2.4.1. Обработка поверхностей нагрева гидразином с аммиаком в режиме останова котла
2.4.1.1. Осуществление формирования защитной пленки на поверхности металла под воздействием водного раствора гидразина. В условиях более низких по сравнению с ГРП температур для прочного связывания защитной оксидной пленки с металлом значение pH консервирующего раствора повышается за счет аммиака.
2.4.1.2. Обработку поверхностей нагрева котла при пониженных параметрах рекомендуется выполнять при поддержании следующих параметров:
- проведение обработки на отключенном от турбины котле при давлении не более 10 МПа.
-поддержание значения pH консервирующего раствора 10,5 – 11, содержания гидразина в чистом отсеке барабана – 10 – 60 мг/кг в зависимости от продолжительности простоя.
- продолжительность обработки - не менее 3 ч.
- применение обработки гидразином с аммиаком в режиме останова (ГРО) на котлах, использующих гидразин для коррекционной обработки питательной воды.
- проведение обработки ГРО при выводе котла в резерв на срок до 60 суток или выводе в средний или капитальный ремонт
- проведение обработки ГРО при выводе котла в резерв или ремонт на срок до 30 суток, в случае длительной безостановочной кампании (более 3 – 4 мес.) работы котла в предыдущий период или при серьезных отклонениях норм качества питательной воды по содержанию железа.
- проведение обработки ГРО как непосредственно в процессе останова, так и после специальной растопки ранее остановленного котла.
2.4.1.3. Для создания схемы консервации поверхностей нагрева для проведения обработки ГРО рекомендуется выполнение следующих мероприятий:
на блочных электростанциях:
- дозирование гидразина и аммиака штатными насосами-дозаторами фосфатов в барабан
- приготовление рабочего раствора реагентов в баке-мернике фосфатов, либо в специально установленном баке-мернике
- подвод трубопроводов гидразина и аммиака, подпиточной воды к баку-мернику
на электростанциях с поперечными связями:
- дозирование гидразина и аммиака совместно в барабан
- организация дозирования в соответствии со схемой (рисунок 2).
- приготовление рабочего раствора реагентов в баке-мернике из расчета одной обработки с некоторым запасом.
- выбор концентрации гидразина в рабочем растворе в диапазоне 5 – 20%, а аммиака - 1 – 5 % для быстрейшего достижения в котле необходимых концентраций реагентов с учетом водяного объема котла и производительности насосов-дозаторов.
- учет потребности 20 %-ного гидразина и 25 %-ного аммиака для одной обработки в зависимости от загрязненности поверхностей нагрева котла, частоты проведения обработки (обычно расход менее 1 л гидразина на 1 м3
аммиака менее 0,5 л на 1 м3
водяного объема котла)
-монтаж трубопровода от нижнего дренажного коллектора котла в бак реагентов (рисунок 2) или какой-либо дренажный бак, бак слива из котла, бак низких точек, приямок для последующей перекачки насосом на узел нейтрализации для сброса использованного консервирующего раствора после обработки
2.4.1.4. Для проведения обработки ГРО при консервации поверхностей нагрева на блоке с барабанным котлом рекомендуется выполнение следующих мероприятий:
- разгрузка блока до минимально допустимой нагрузки и параллельное снижение температуры перегретого пара
- перевод котла на растопочный расход топлива
- открытие быстродействующей редукционно-охладительной установки (БРОУ), (пуско-сбросной быстродействующей установки - ПСБУ)
- отключение турбины при расходе топлива не выше 30 % номинального
- обеспаривание промежуточного пароперегревателя на конденсатор
- понижение температуры свежего пара до 350 – 400°С уменьшением расхода топлива
- постепенное открытие сброса пара в атмосферу из главных паропроводов или из трубопровода за редукционно-охладительной установкой (РОУ)
- закрытие БРОУ (ПСБУ), поддержание в котле давления около 10 МПа.
- подпитка котла водой до уровня +100 мм выше верхнего допустимого уровня
- закрытие непрерывной продувки и начало дозировки реагентов в барабан.
- включение линии рециркуляции котловой воды из барабана на вход водяного экономайзера.
- отключение линии рециркуляции на период проведения подпиток котла водой
- начало обработки определено при достижении в чистом отсеке значения pH ³ 10,5 и содержания гидразина по таблице 2:
- ввод в котел дополнительного количества реагентов, если концентрация гидразина в первый час обработки уменьшается по сравнению с исходной на 25 – 30 %
- окончание обработки при снижении содержания гидразина в воде соленого отсека в 1,5 – 3 раза по сравнению с исходным
- продолжительность обработки не менее 3 ч
- контроль pH, содержания гидразина в чистом и соленом отсеках в процессе обработки
- останов котла по окончании обработки и
- опорожнение котла при выводе его в ремонт после снижения давления в нем до атмосферного, с направлением раствора на нейтрализацию
- возможность сохранения консервирующего раствора в поверхностях нагрева при выводе котла в резерв до начала растопки котла.
Таблица 2 – Зависимость содержания гидразина от планируемой
продолжительности простоя
| Простой, суток
|
Содержание гидразина, мг/кг
|
| До 15
|
10 – 30
|
| До 45
|
30 – 50
|
| До 60
|
40 – 60
|
2.4.1.5. Для проведения обработки ГРО при консервации поверхностей нагрева на электростанциях с поперечными связями рекомендуется выполнение следующих мероприятий:
- разгрузка котла до минимальной нагрузки
- открытие запорной арматуры на линии сброса пара в атмосферу
- закрытие задвижек на паропроводах к общестанционной магистрали
- перевод котла на растопочное топливо,
- обеспечение температуры перегретого пара 350 – 400°С при рабочем давлении за котлом (но не выше 10 МПа) изменением расхода топлива
- подпитка котла водой до уровня +100 мм выше верхнего допустимого уровня, закрытие непрерывной продувки
- начало дозирования реагентов в барабан
- включение линии рециркуляции котловой воды из барабана на вход экономайзера
- отключение линии рециркуляции только на период подпиток котла водой.
- начало обработки определено при достижении в чистом отсеке значения pH ³ 10,5 и содержания гидразина по таблице 2:
- ввод в котел дополнительного количества реагентов, если концентрация гидразина в первый час обработки уменьшается по сравнению с исходной на 25 – 30 %
- окончание обработки при снижении содержания гидразина в воде соленого отсека в 1,5 – 3 раза по сравнению с исходным
- продолжительность обработки не менее 3 ч
- контроль pH, содержания гидразина в чистом и соленом отсеках в процессе обработки
- останов котла по окончании обработки
- опорожнение котла при выводе его в ремонт после снижения давления в нем до атмосферного, с направлением раствора на нейтрализацию
- сохранение консервирующего раствора в поверхностях нагрева при выводе котла в резерв до начала растопки котла.
2.4.1.6. Возможность проведения обработки ГРО на ранее остановленном котле растопкой в соответствии с эксплуатационной инструкцией, подъемом параметров и выполнением запланированной обработки, с последующим выводом котла в резерв или ремонт.
2.4.1.7. В случае необходимости опрессовки котла в период простоя возможно заполнение его водой на срок не более 1 суток с последующим дренированием воды.
2.4.1.8. Возможность проведения растопки котла без специальных водных отмывок поверхностей нагрева.
2.4.2. Гидразинная «выварка» поверхностей нагрева котла
2.4.2.1. При гидразинной «выварке» (ГВ) защитная пленка на поверхности металла формируется в условиях более низкой температуры среды по сравнению с ГРО.
2.4.2.2. Гидразинную выварку рекомендуется выполнять при поддержании следующих параметров и условий:
- давления в котле около 1,5 МПа
- поддержании в чистом отсеке барабана содержания гидразина 150 – 200 мг/кг и значения pH более 10,5 (за счет дозирования аммиака)
- продолжительность режима 20 – 24 ч.
- применение ГВ на котлах, использующих гидразин для коррекционной обработки питательной воды, вместо ГРО, если шум от сброса пара в атмосферу при проведении ГРО мешает окружающему населению.
- проведение ГВ как непосредственно в процессе останова, так и при специальной растопке консервируемого котла.
- выполнение схемы приготовления и дозирования гидразина и аммиака аналогично проведению ГРО.
- потребность 20 %-ного гидразина обычно не превышает 1,5 л гидразина, а 25 %-ного аммиака 0,5 л на 1 м3
водяного объема котла (без пароперегревателя).
2.4.2.3. Для проведения ГВ при консервации поверхностей нагрева на блочных электростанциях рекомендуется выполнение следующих мероприятий:
- снижение давления в котле с допустимой скоростью после останова блока сбросом пара через БРОУ (ПСБУ) в конденсатор
- обеспаривание пароперегревателя на конденсатор
- включение 2 – 3 форсунок после снижения давления в котле до 1,5 МПа
- открытие задвижки на линии сброса пара в атмосферу и закрытие БРОУ (ПСБУ)
- поддержание давления в котле в пределах 1,5 – 2,0 МПа периодическим открытием запорной арматуру на линии сброса пара в атмосферу
- подпитка котла водой до уровня +100 мм выше верхнего допустимого уровня, закрытие непрерывной продувки и начало дозировки реагентов в барабан
- включение линии рециркуляции котловой воды на вход экономайзера, отключение ее только на период подпитки котла водой.
- поддержание концентрации гидразина в чистом отсеке барабана не менее 150 – 200 мг/кг, значения рН > 10,5
- продолжительность режима 20 – 24 ч.
- контроль в процессе обработки значения pH, содержания гидразина в чистом отсеке
- останов котла по окончании обработки
- опорожнение котла при выводе его в ремонт после снижения давления до атмосферного с отправкой раствора на нейтрализацию
- сохранение консервирующего раствора в поверхностях нагрева при выводе котла в резерв до начала растопки котла.
2.4.2.4. Для проведения ГВ при консервации поверхностей нагрева на электростанциях с поперечными связями рекомендуется выполнение следующих мероприятий:
- открытие запорной арматуры на линии сброса пара в атмосферу после останова котла и отключения его от общестанционной магистрали
- включение 2 – 3 форсунок после снижения давления в котле до 1,5 МПа для поддержания давления 1,5 – 2,0 МПа, с периодическим открытием арматуры на линии сброса пара в атмосферу.
- проведение ГВ, величина pH, концентрация гидразина в чистом отсеке, продолжительность обработки, объем химического контроля, а также операции по окончании обработки идентичны операциям, рассмотренным для блочных электростанций.
2.4.2.5. Для выполнения обработки на ранее остановленном котле рекомендуется его растопка в соответствии с эксплуатационной инструкцией, подъем параметров и выполнение обработки с последующим выводом котла в резерв или ремонт.
2.4.2.6. В случае необходимости опрессовки котла в период простоя возможно заполнение его водой на срок не более 1 суток с последующим дренированием воды
2.4.2.7. Возможность начала растопки котла без проведения специальных водных отмывок поверхностей нагрева.
2.5. Трилонная обработка поверхностей нагрева котла
2.5.1. Пассивация поверхностей нагрева раствором трилона Б основана на термическом разложении предварительно образованных комплексонатов железа.
На первом этапе обработки при температуре среды около 150°С происходит подготовка поверхностей нагрева водяного экономайзера и экранов к созданию на них защитной пленки за счет комплексования железа из отложений и перевода его в раствор. На втором этапе при температуре среды более 250°С происходит термолиз части комплексонатов железа с образованием защитной пленки на поверхности металла.
В процессе разложения комплексонатов железа выделяются газообразные продукты, в том числе водород и аммиак, которые удаляются с паром и пассивируют пароперегреватель.
Технология трилонной обработки (ТО) регламентирована [17].
Основные сведения и рекомендуемые мероприятия при консервации проведением трилонной обработки таковы:
2.5.2. Совмещение пассивации поверхностей нагрева трилоном Б с растопкой котла.
Достижение расчетной концентрации трилона Б в воде, заполняющей котел перед растопкой 300 – 500 мг/кг.
На первом этапе обработки поддерживание в течение 1,5 – 2 ч в котле давления 0,5 – 1,0 МПа, осуществление второго этапа в процессе дальнейшей растопки по эксплуатационной инструкции.
2.5.3. Трилонную обработку рекомендуется выполнять при соблюдении следующих параметров и условий:
- обработка трилоном Б применима для всех типов барабанных котлов давлением выше 3,9 МПа независимо от режимов коррекционной обработки питательной воды (гидразинно-аммиачной или аммиачной) и котловой воды (фосфатной или комплексонной).
- проведение ТО после химической очистки (предпусковой и эксплуатационной) на котлах, где предусмотрена коррекционная обработка питательной воды гидразином до капитального ремонта и после него, проведение ТО перед выводом котла в резерв или ремонт на срок до 60 суток. В этих случаях ТО замещает ГРО, ГВ, ГРП.
- проведение ТО на электростанциях, где гидразин не применяется по условиям снабжения паром потребителей, помимо указанных случаев еще и не менее одного раза в год, например, после осенне-зимнего максимума
- планирование не ранее, чем за одну-две недели до останова перед выводом в резерв или ремонт, проведение специальной растопки котла с выходом на рабочие параметры д
ля проведения ТО.
- при проведении ТО непосредственно перед выводом котла в резерв или ремонт, целесообразно при останове выполнение СО.
- подготовка бака для приготовления рабочего раствора трилона Б, насоса подачи раствора в котлы и трубопроводы для заполнения котлов через нижние точки экранов и дренажи экономайзера (рисунок 2).
- подвод к баку трубопровода подпиточной воды.
- использование баков и насосов кислотной промывки и трубопроводов заполнения котлов водой для приготовления рабочего раствора трилона Б
- ориентировочная потребность трилона Б для одной обработки котла - 0,5 – 1,0 кг товарного продукта на 1 м3
водяного объема (без объема пароперегревателя) котла.
- приготовление раствора трилона Б концентрацией 300 – 500 мг/кг в количестве, достаточном для заполнения котла до растопочного уровня.
- увеличение концентрации раствора с учетом того, чтобы после подпитки котла до растопочного уровня концентрация трилона Б в котловой воде была в нужных пределах в случаях, когда вместимость бака недостаточна для заполнения котла до растопочного уровня.
- проведение засыпки товарного продукта в бак порциями через сетчатую корзину, смывая реагент водой из шланга, при циркуляции воды по схеме «бак-насос-бак».
- растопка котла после заполнения через нижние точки экранов и дренажи экономайзера
- отключение непрерывной продувки на весь период растопки котла
- включение линии рециркуляции котловой воды на вход экономайзера, отключение ее только на период подпитки котла водой
- выдержка в течение 1,5 – 2,0 ч при достижении в котле давления 0,5 – 1,0 МПа.
- отбор проб воды в процессе выдержки каждые 20 – 30 мин из чистого и солевого отсеков для определения концентраций свободного трилона.
- прекращение растопки, при наличии взвеси, если пробы воды мутные или содержание свободного трилона менее 30 мг/кг, с дренированием раствор из котла. Заполнение котла свежим раствором трилона Б концентрацией более 30 мг/кг и начало растопки.
- проведение растопки по эксплуатационной инструкции для подключения котла к турбине после окончания выдержки при давлении 0,5 – 1,0 МПа или после заполнения котла свежим раствором.
2.6. Фосфатно-аммиачная «выварка» котла
2.6.1. Фосфатно-аммиачная «выварка» (ФВ) при повышенных содержаниях фосфатов в котловой воде по сравнению с эксплуатационными и давлении в котле 0,8 – 1,0 МПа способствует фосфатной пассивации металла внутренних поверхностей нагрева экранов и удалению части рыхлых отложений.
При этом пароперегреватель заполняется паром, содержащим аммиак, что способствует пассивации металла пароперегревателя и защищает его при конденсации пара после останова котла.
2.6.2. Фосфатно-аммиачную «выварку» рекомендуется выполнять при соблюдении следующих параметров и условий:
- проведение ФВ в режиме растопки котла при давлении около 1,0 МПа, начальной концентрации фосфатов в котловой воде 400 – 500 мг/кг и аммиака около 1 г/кг.
- продолжительность обработки около 8 ч.
- применение ФВ на котлах давлением 3,9 и 9,8 МПа, подпитываемых умягченной водой.
- проведение ФВ при выводе котла в резерв на срок до 60 суток или выводе в средний или капитальный ремонт.
- создание схемы в соответствии с рисунком 1 или рисунком 2 для приготовления растворов, подачи их в котел, а также сбора отработанных растворов с последующей откачкой на установку нейтрализации
- ориентировочная потребность для одной обработки – 1 – 1,5 кг товарного тринатрийфосфата и 3 – 3,5 л 25%-ного аммиака на 1 м3
водяного объема котла.
- приготовление раствора реагентов с концентрацией фосфатов около 500 мг/кг и аммиака концентрацией около 1 г/кг в баке (рисунок 1 и 2) в количестве, достаточном для заполнения котла до растопочного уровня.
- увеличение концентрации раствора с учетом того, чтобы после подпитки котла до растопочного уровня концентрация фосфата и аммиака в котловой воде была в нужных пределах в случаях, когда вместимость бака недостаточна для заполнения котла до растопочного уровня.
- проведение засыпки тринатрийфосфата в бак аналогично операциям с трилоном Б.
- растопка котла после его заполнения через нижние точки
- отключение непрерывной продувки на весь период обработки
- поддержание в котле давления 1,0 МПа
- продолжительность фосфатной выварки 8 ч.
- проведение каждые 1 – 2 ч продувки нижних точек экранов, начиная с панелей солевых отсеков. Продолжительность открытия каждого из вентилей периодической продувки 30 с.
-останов котла по окончании ФВ, дренирование после снижения давления до атмосферного, отправка раствора на нейтрализацию.
-возможность растопки котла без проведения специальных водных отмывок поверхностей нагрева.
2.7. Заполнение поверхностей нагрева котла
защитными щелочными растворами
2.7.1. При заполнении поверхностей нагрева котла защитным щелочным (ЗЩ) раствором обеспечивается устойчивость ранее образованной на поверхностях металла защитной пленки в течение длительного времени даже при попадании в котел кислорода.
В качестве щелочных растворов используется раствор аммиака или раствор едкого натра с тринатрийфосфатом.
2.7.2. Консервацию поверхностей нагрева котла заполнением щелочными растворами рекомендуется выполнять при соблюдении следующих параметров, условий и мероприятий:
- заполнение котла полностью (за исключением промежуточного пароперегревателя) щелочным раствором на весь период останова
- поддержание при использовании аммиачного раствора значения его pH 10,5 – 11 (содержание аммиака 0,5 – 1,0 г/кг), а фосфатно-щелочного раствора - 0,3 – 1 г/кг едкого натра и 0,1 – 0,2 г/кг тринатрийфосфата.
- обеспечение возможности подкачки раствора в случае утечки части его из котла в период консервации.
- применение заполнения раствором аммиака для котлов любых давлений
- применение заполнения раствором едкого натра с тринатрийфосфатом для котлов, подпитываемых умягченной водой, а также при условии возможности полного дренирования всех поверхностей нагрева пароперегревателя.
- проведение ЗЩ при выводе котла в резерв на срок до 4 мес.
- вывод котла в резерв на срок до 6 мес, если перед заполнением щелочным раствором провести обработку ГО (ГРО или ГВ) или ТО (ГРО+ЗЩ; ТО+ЗЩ)
- возможность отмывки пароперегревателя от консервирующего раствора (рисунок 1) в случае применения раствора едкого натра с тринатрийфосфатом
- организация циркуляции раствора в котле при относительно малой вместимости бака для приготовления раствора
- обеспечение соответствующей вместимости бака - не менее полного объема наибольшего котла (водяной объем и объем пароперегревателя) при использовании схемы, приведенной на рисунке 2
- сбор отработанных растворов с последующей откачкой их на установку нейтрализации
- ориентировочная потребность реагентов для заполнения котла в расчете на 1 м3
водяного объема обычно не более 4 л 25 %-ного аммиака при приготовлении аммиачного раствора, а при использовании едкого натра с тринатрийфосфатом не более 2 л 40 %-ной щелочи и 1 кг товарного тринатрийфосфата
- подготовка к использованию реагентов для приготовления раствора необходимой концентрации в объеме, достаточном для заполнения котла по схеме, приведенной на рисунке 2
- увеличение концентрации реагентов с таким расчетом, чтобы после подпитки котла водой и перемешивания раствора путем циркуляции по схеме «бак-котел-бак» концентрация достигла необходимой при использовании схемы, приведенной на рисунке 1.
- заполнение выведенного в резерв и опорожненного котла консервирующим раствором через нижние точки экранов и дренажи водяного экономайзера
- контроль заполнения котла с помощью воздушников
- определение окончания по выравниванию концентрации раствора в пробоотборных точках по пароводяному тракту при перемешивании раствора в котле путем циркуляции (рисунок 1)
- закрытие запорной арматуры пароводяного тракта после заполнения котла
- проверка плотности закрытия вентилей и задвижек, своевременное устранение протечек и неплотности сальников в период консервации котла
- подпитка котла свежим раствором реагентов при частичном опорожнении
- дренирование по окончании консервации раствора из котла в бак реагентов, с заполнением при необходимости другого консервируемого котла или отправкой на установку нейтрализации.
- проведение перед растопкой водной отмывки пароперегревателя в течение 30 – 60 мин со сбросом воды через нижние точки котла после консервации раствором едкого натра с тринатрийфосфатом
- возможность надежного отключения трубопровода схемы промывки пароперегревателя от действующих трубопроводов.
2.8. Заполнение поверхностей нагрева котла азотом
2.8.1. Заполнение внутренних поверхностей нагрева химически инертным азотом с последующим поддержанием в котле его избыточного давления предотвращает доступ кислорода, что обеспечивает устойчивость ранее образованной защитной пленки на металле в течение длительного времени.
2.8.2. Консервацию поверхностей нагрева котла заполнением азотом рекомендуется выполнять при соблюдении следующих параметров, условий и мероприятий:
- заполнение котла азотом при избыточном давлении в поверхностях нагрева
- обеспечение небольшого избыточного давления в котле в процессе консервации расходом азота
- применение консервации азотом на котлах любых давлений на электростанциях, имеющих азот от собственных установок.
- применение азота исходной концентрацией не ниже 99 %.
- проведение заполнения азотом при выводе котла в резерв на срок до одного года.
- подвод азота к выходным коллекторам пароперегревателей и в барабан через воздушники по схеме консервации
- врезка трубок с арматурой высокого давления для подвода к воздушникам
- объединение отводов от воздушников в общий коллектор, соединенный с трубопроводом подвода азота.
- надежное отключение коллектор, объединяющего отводы от воздушников, от азотного трубопровода путем установки арматуры высокого давления.
- установка на этом коллекторе ревизионного вентиля, открытого во время эксплуатации котла
- разработка местной схемы трубопроводов азота с учетом возможностей по выработке азота и типов установленных котлов для каждого энергообъекта.
- проведение консервации азотом без слива воды из поверхностей нагрева при останове котла на срок до 10 суток.
- открытие вентилей на линиях подвода азота к пароперегревателю и в барабан после останова котла и снижения давления в барабане до 0,2 – 0,5 МПа
- дренирование котла при необходимости, с закрытием дренажей после него
- поддержание в процессе консервации давления газа в котле на уровне 5 – 10 кПа.
- принятие мер к установлению возможных утечек газа и их устранению в период консервации
- возможность кратковременного прекращения подачи газа в котел при проведении небольших ремонтных работ в период консервации.
2.9. Консервация котла контактным ингибитором
2.9.1 Контактный ингибитор М-1 является солью циклогексиламина и синтетических жирных кислот.
В виде водного раствора контактный ингибитор (КИ) защищает от коррозии чугун и стали различных марок. Его защитные свойства обусловлены наличием в ингибиторе аминогрупп в гидрофобной части молекулы. При контакте с поверхностью металла ингибитор адсорбируется по аминогруппе, оставляя во внешней среде гидрофобную часть молекулы. Такое строение адсорбционного слоя препятствует проникновению влаги или электролита к металлу. Дополнительным препятствием являются вышележащие слои молекул ингибитора, усиливающие адсорбционный слой. Проникающие вглубь этого слоя молекулы воды и газов (SO2
, СО2
и др.) приводят к гидролизу части молекулы ингибитора. При этом освобождаются циклогексиламины и жирные кислоты. Циклогексиламины связывают кислые газы, а кислоты, адсорбируясь, поддерживают гидрофобность поверхности металла.
Контактный ингибитор создает на металле защитную пленку, сохраняющуюся и после слива консервирующего раствора.
2.9.2. Консервацию поверхностей нагрева котла заполнением КИ рекомендуется выполнять при соблюдении следующих параметров, условий и мероприятий:
- заполнение поверхностей нагрева котла водным раствором ингибитора концентрацией 0,5 – 1,5 % в зависимости от продолжительности простоя, состава и количества отложений
- определение требуемой концентрации раствора ингибитора после проведения химического анализа состава отложений
- применение консервации КИ для любых типов котлов независимо от применяемых режимов коррекционной обработки питательной и котловой воды.
- проведение консервации ингибитором М-1 при выводе котла в резерв или ремонт на срок от 1 мес. до 2 лет.
- монтаж специальной отдельной схемы приготовления водного раствора ингибитора и подачи его в котел (рисунок 3) для осуществления консервации
- включение в схему консервации бака хранения и приготовления раствора вместимостью не менее полного водяного объема котла и насоса для перемешивания раствора и подачи его в котел.
- подвод к баку конденсата или обессоленной воды
- заполнение котла раствором ингибитора по трубопроводу от напорной стороны насоса к нижнему дренажному коллектору котла. По этому же трубопроводу сброс консервирующего раствора из котла в бак хранения при расконсервации оборудования.
- предварительный разогрев фляг с товарным ингибитором опусканием их в ванну с водой, нагретой до 70°С для приготовления рабочего раствора Ориентировочное время разогрева – 8 – 10 ч.
- заливка разогретого товарного ингибитора в бак консервирующего раствора при циркуляции воды по схеме «бак-насос-бак». Температура циркулирующей воды около 60°С. Время циркуляции раствора 1 ч.
- определение концентрации ингибитора в рабочем растворе в соответствии с методикой Приложения 1.
- заполнение предварительно опорожненного котла приготовленным раствором ингибитора при температуре металла барабана не выше 60°С через дренажи нижних точек экранов и экономайзера при открытых воздушниках котла.
- заполнение барабана котла полностью, затем через него пароперегревателя, с закрытием воздушников по тракту котла по мере его заполнения после появления сплошной струи раствора.
- сохранение при простое в резерве котла заполненным консервирующим раствором, при плотном закрытии всей запорной арматуры на котле.
- выдержка консервирующего раствора в котле не менее 24 ч при выводе в ремонт для образования на металле защитной пленки
- слив раствора в бак хранения
- слив раствора сначала из других ступеней, откуда раствор может попасть в указанную несливаемую ступень при необходимости резки труб несливаемой ступени пароперегревателя
- обеспечение сбора сливаемого раствора при резке труб несливаемой ступени
- принятие мер предосторожности, предусмотренных при работе с токсичными веществами
- исключение попадания в котел воды или пара в период простоя на консервации, немедленное устранение выявленных дефектов
- слив раствора ингибитора из котла в бак хранения раствора для расконсервации котла после простоя в резерве
- проведение растопки в соответствии с инструкцией по пуску котла без проведения специальной отмывки, поскольку при повышении температуры идет разложение ингибитора, не давая потенциально кислых продуктов
- использование слитого из котла раствора для последующих консерваций котлов, поскольку контактный ингибитор М-1 многократного действия
- проверка концентрации раствора и добавление соответствующего количества товарного ингибитора при последующем использовании

1 – бак приготовления ингибитора вместимостью, равной водяному объему котла с пароперегревателем; 2 – насос заполнения котла раствором ингибитора; 3 – барабанный котел; 4 – питательная вода к котлу; 5 – экраны; 6 – подпиточная вода; 7 – ингибитор; 8 – насос дренажного бака; 9 – дренажный бак; 10 – дренажи котла, питательного тракта; 11 – деаэратор; 12 – поверхность нагрева до экономайзера; 13 – прямоточный котел; 14 – от ПНД.
Рисунок 3 – Схема консервации энергетических котлов КИ.
2.10. Консервация с применением пленкообразующих аминов
2.10.1 . Метод консервации с применением пленкообразующих аминов (ПОА) используется для защиты металла от стояночной коррозии оборудования энергетических, водогрейных котлов и вспомогательного оборудования при выводе их в средний или капитальный ремонт либо в длительный резерв (более 6 месяцев) наряду с другими известными способами.
2.10.2. 3ащитный эффект достигается за счет создания на внутренних поверхностях оборудования молекулярной адсорбционной пленки консерванта, предохраняющей металл от воздействия кислорода, углекислоты, других коррозионно-агрессивных примесей и существенно снижающей скорость коррозионных процессов.
2.10.3. Планирование консервацию с применением пленкообразующих аминов предварительным проведением:
- выбора параметров процесса консервации (временные характеристики, концентрации консерванта и т.д.) на основе анализа состояния теплоэнергетического оборудования (удельной загрязненности поверхностей, состава отложений, проводимого водного химического режима и т.д.).
- проведения при консервации сопутствующей частичной отмывки пароводяных трактов оборудования от железо- и медьсодержащих отложений и коррозионно-активных примесей.
2.10.4. Преимущества технологии консервации ПОА:
- создание надежной защиты оборудования и трубопроводов, в том числе в труднодоступных местах и застойных зонах, от протекания стояночной коррозии в течение длительного промежутка времени (на срок не менее 1 года);
- обеспечение возможности осуществления защиты от коррозии не только конкретного оборудования по отдельности, но и всей совокупности этого оборудования, т.е. энергетического блока в целом;
- сохранение коррозионно-защитного эффекта после дренирования и вскрытия оборудования, а также и под слоем воды;
- возможность проведения ремонтных и регламентных работ со вскрытием оборудования;
- отсутствие токсичных консервантов
2.10.5. Учет технологией консервации ПОА большого количества факторов: тип металла, удельную загрязненность поверхностей и состав отложений, используемый водный химический режим, скорости потока при консервации, состояние среды (вода, перегретый или влажный пар), температура, значение pH и т.д.
2.10.6. Консервацию теплоэнергетического оборудования с использованием пленкообразующих аминов рекомендуется выполнять при соблюдении следующих параметров, условий и мероприятий:
- адаптацией для каждого объекта технологии консервации по месту дозирования октадециламина (ОДА), его концентрации, продолжительности проведения работы, гидродинамическим и термодинамическим условиям.
- варьирование исходной концентрации консерванта в рабочей среде в диапазонах 1 – 5 мг/л до 30 – 100 мг/л при продолжительности консервации от 30 часов до 10 – 15 часов соответственно.
- контроль процесса консервации по показаниям данных водно-химического режима (содержанию ОДА, Fe, Сu, Сl, pH, SiO2
, и т.д.).
- временное прекращение процесса дозирования ОДА при необходимости или, наоборот, увеличение вводимого количества ОДА
- определение окончания процесса консервации по относительной стабилизации концентрации ОДА в контуре консервации.
- поддержание при дренировании температуры воды, содержащей ОДА, не ниже 60°С во избежание затвердевания ОДА с образованием дигидрата в виде парафиновой пленки
- направление дренируемого раствора на шламоотвал или в канализацию с соблюдением норм предельно-допустимой концентрации.
- периодический контроль концентрации консерванта в контуре по штатным пробоотборникам в процессе консервации.
- проведение анализов в дополнительном объеме по определению содержания в теплоносителе Fe, Cu, Cl, Na, SiО2
для оценки сопутствующего эффекта (отмывки от железо-окисных отложений хлоридов и проч.)
- выполнение химического контроля в обычном объеме.
2.10.7. Методы оценки качества защитной пленки на поверхности металла следующие:
- органолептический метод -
включающий в себя визуальный осмотр обработанной поверхности и оценки степени ее гидрофобности путем набрызгивания на металлическую поверхность воды и определения краевого угла смачивания (для гидрофобных поверхностей эта величина > 90°);
- химико-аналитический метод –
состоящий в определении удельной адсорбции ПОА на законсервированной поверхности металла, которая составляет от 0,3 мкг/см2
и более при успешном проведении консервации.
2.10.8. Методика определения концентрации октадециламина в воде по Приложению 2.
2.11. Консервация барабанных котлов с применением
пленкообразующих аминов
2.11.1. Консервацию барабанных котлов с использованием пленкообразующих аминов рекомендуется проводить выполнением следующих организационных и технических мероприятий:
- принятие решения о проведении консервации с использованием ПОА
- вырезка и анализ образцов труб для оценки состояния внутренней поверхности и выбора параметров процесса.
- выбор параметров процесса консервации (временные характеристики, концентрации консерванта на различных этапах), исходя из предварительного анализа состояния котла, включая определение величины удельной загрязненности и химического состава отложений внутренних поверхностей нагрева котла.
- ревизия оборудования, трубопроводов и арматуры, контрольно–измерительных приборов, используемых в процессе консервации перед началом работ
- выбор варианта установок приготовления и дозирования реагентов (Приложение 3).
- подготовка схемы для проведения консервации, включающей котел, систему дозирования реагента, вспомогательное оборудование, соединительные трубопроводы.
- проведение гидравлической опрессовки системы консервации.
- подготовка химических реактивов, требуемых для проведения анализов, посуды и приборов в соответствии с методиками проведения анализов.
- контроль с регистрацией каждый час следующих параметров в процессе консервации:
- температуры питательной воды;
- температуры котловой воды;
- при включении горелок – температуры и давления в котле.
- регистрация времени начала и окончания ввода и расход консерванта.
2.11.2. Рекомендуется проведение консервации ПОА котла из «холодного» состояния выполнением следующих мероприятий:
- заполнением котла питательной водой с температурой не ниже 80°С через коллектор нижних точек с одновременным дозированием консерванта до растопочного уровня.
- растопкой котла для создания необходимой температуры консервирующего раствора в диапазоне от 100°С до 150°С.
- достижением в контуре расчетной концентрации консерванта.
- проведением периодического дозирования консерванта либо в нижние точки экранов, либо в нижний пакет водяного экономайзера в зависимости от результатов анализов
-удалением шлама, образовавшегося в процессе консервации оборудования вследствие частичной отмывки проведением периодической продувки котла через дренажи нижних точек.
- прекращением дозирования консерванта на время проведения периодической продувки
- подпиткой котла после проведения продувки
- поддержанием в рабочем контуре ведущих параметров консервации (температура, давление) периодической растопкой котла или регулировкой количества включенных горелок.
- переводом котла в режим естественного расхолаживания отключением горелок, кратковременной вентиляцией газовоздушного тракта, остановом тягодутьевых механизмов, закрытием шиберов, отключением системы дозирования консерванта по окончании консервации
- дренированием котла при средней температуре воды в котле 60 – 70°С в систему гидрозолоудаления или при соблюдении норм ПДК - в циркводовод.
- прекращением процесса консервации при нарушении технологических параметров и возобновлением консервации после восстановления необходимых параметров работы котла.
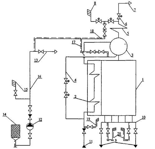
2.11.3. Проведение консервации ПОА котла в режиме останова рекомендуется выполнением следующих технических мероприятий:
- прекращением дозировки фосфатов, гидразина и аммиака за 10 – 12 часов до начала проведения консервации
- удалением периодической продувкой шлама через нижние коллекторы 7 (рисунок 4) экранных поверхностей нагрева непосредственно перед отключением котла от паросборного коллектора
- прекращением непрерывной продувки котла за 15–20 минут до отключения котла от общего паросборного коллектора.
- включением линии рециркуляции котловой воды из барабана котла на вход экономайзера и подача консерванта в питательную воду по линии 9 перед экономайзером и по линии 10 в линию фосфатирования и барабан котла после отключения котла от паросборного коллектора (рисунок 4)
- открытием арматуры продувки котла перед окончанием консервации по режимной карте останова
- проведением продувки с минимальными расходами, для сохранения высокой температуры и достижения максимальной эффективности консервации.
- сопутствием процессу пассивации частичной отмывки поверхностей нагрева котла от рыхлых отложений, переходящих в шлам, удаляемый проведением продувок
- закрытием непрерывной продувки в период консервации
- проведением первой продувки через нижние коллекторы через 3 – 4 часа после начала дозирования, начиная с панелей соленых отсеков.
- продувкой котла в атмосферу через воздушник 12 при давлении в барабане котла на уровне 1,0 – 1,2 МПа. При этом пар с высоким содержанием консерванта проходя через пароперегреватель, обеспечивает его более эффективную консервацию.
- завершением консервации при охлаждении поверхностей нагрева до 75°С.
- дренированием котла по окончании расхолаживания в систему ГЗУ или при соблюдении норм ПДК - в циркводовод

1, 2 – система дозирования консерванта; 3 – экономайзер; 4 – выносной циклон (соленый отсек); 5 – барабан котла (чистый отсек); 6 – экран (соленый отсек); 7 – линия периодической продувки; 8 – опускные трубы; 9 – трубопровод подачи водной эмульсии консерванта на вход экономайзера котла; 10 – трубопровод подачи водной эмульсии консерванта в барабан котла; 11 – пароперегреватель; 12 – воздушник пароперегревателя; 13 – линия фосфатирования.
Рисунок 4 – Схема консервации барабанного котла в режиме его останова.
3. Способы консервации прямоточных котлов
3.1. Сухой останов котла
3.1.1. Сухой останов применим на всех прямоточных котлах независимо от принятого водно-химического режима
3.1.2. Возможность применения сухого останова котла как варианта консервации или ее части при плановом останове в резерв или ремонт на срок до 30 суток, а также при аварийном останове для сохранения поверхностей нагрева котлов.
3.1.3. После останова котла СО в процессе его естественного остывания или расхолаживания рекомендованы к выполнению следующие операции:
- закрытие запорной арматуры на питательных трубопроводах после отключения котла от турбины и погашения топки
- частичный выпуск пара из котла через БРОУ (ПСБУ) в конденсатор для снижения давления в котле до 3 – 4 МПа в течение 20 – 30 мин., при этом встроенные задвижки открыты
- открытие дренажей входных коллекторов нижней радиационной части и экономайзера для вытеснения воды из котла собственным паром, с закрытием ПСБУ (БРОУ)
- проведение в течение 30 мин вакуумной сушки поверхностей нагрева после снижения давления в котле до нуля, с открытием ПСБУ (БРОУ).
- закрытие запорной арматуры на паропроводах и на всех линиях, соединяющих котел с конденсатором
- обеспаривание промежуточного пароперегревателя на конденсатор, открытием запорной арматуры на сбросных линиях из горячих паропроводов.
- поддержание вакуума в системе в течение не менее 15 мин
- проведение вентиляции газовоздушного тракта при выводе в резерв в соответствии с ПТЭ котла, а при останове в ремонт – до охлаждения поверхностей нагрева
3.2. Гидразинная обработка поверхностей нагрева
при рабочих параметрах котла
3.2.1. Под воздействием среды, содержащей гидразин, при высоких температурах на поверхности металла создается защитная оксидная пленка, надежно предохраняющая металл от коррозии в течение длительного времени.
Концентрация гидразина при обработке значительно превышает эксплуатационную норму и зависит от продолжительности обработки.
3.2.2. Обработку гидразином при рабочих параметрах рекомендуется выполнять проведением следующих мероприятий:
- в зависимости от продолжительности простоя содержание гидразина в питательной воде - 0,3 – 3 мг/кг, а продолжительность обработки – от 1 – 2 до 24 ч.
- применением гидразинной обработки на котлах при ведении гидразинно-аммиачного или гидразинного режима
- проведением ГО в сочетании с СО при выводе котла в резерв на срок до 3 мес. или выводе в средний или капитальный ремонт.
- работой котла в период обработки в нормальном режиме и несением требуемой нагрузки.
- дозированием гидразина с помощью штатной гидразинной установки на стороне всасывания питательных насосов или в основной конденсат за блочной обессоливающей установкой (БОУ).
- приготовлением раствора требуемой концентрации непосредственно перед обработкой в баке-мернике установки с учетом производительности насоса–дозатора и предполагаемой нагрузки котла.
- проведением гидразинной обработки непосредственно перед плановым остановом.
- определением продолжительности обработки и содержания гидразина в питательной воде по таблице 3
- контролем содержания гидразина пробы воды из пробоотборной точки на линии питательной воды перед котлом в процессе обработки
- выполнением СО по окончании ГО
- поддержанием в питательной воде содержания гидразина 1 – 3 мг/кг при последующем после консервации пуске котла в течение 24 ч до стабилизации качества питательной воды на нормируемом уровне
Таблица 3 – Ориентировочная продолжительность обработки и содержание
гидразина в зависимости от времени простоя
| Продолжительность простоя,
сут.
|
Продолжительность
обработки, ч
|
Содержание гидразина, мг/кг
|
| До 5
|
1 – 2
|
2 – 3
|
| 5 – 10
|
3 – 6
|
1 – 1,5
|
| 10 – 15
|
6 – 12
|
0,5 – 1
|
| Свыше 15
|
12 – 24
|
0,3 – 0,5
|
3.3. Кислородная обработка поверхностей нагрева
при рабочих параметрах котла
3.3.1. Обработку проводят для восстановления нарушенных защитных пленок за счет повышенных, по сравнению с эксплуатационными, дозировок кислорода.
3.3.2. При проведении кислородной обработки при рабочих параметрах котла рекомендованы к выполнению следующие операции:
- применение кислородной обработки на котлах при ведении различных модификаций кислородного водного режима
- увеличение содержания кислорода в питательной воде до 1 – 2 мг/кг за несколько часов до останова котла.
- проведение кислородной обработки в сочетании с СО при выводе котла в резерв на срок до 3 мес или при выводе в средний или капитальный ремонт.
- работа котла в период обработки в нормальном режиме и несение требуемой нагрузки.
- проведение обработку с использованием штатных установок дозирования кислорода или воздуха.
- увеличение в период обработки перед плановым остановом котла содержания кислорода в питательной воде до 1 – 2 мг/кг за 8 – 10 ч до останова.
- контроль содержания кислорода в питательной воде перед котлом в процессе обработки
- выполнение СО по окончании заданного времени обработки
- поддержанием при пусках котла после консервации в течение 30 – 40 ч в питательной воде содержания кислорода 1 мг/кг до стабилизации качества питательной воды на нормируемом значении.
3.4. Заполнение поверхностей нагрева котла азотом
3.4.1. Проведение заполнения котла СКД азотом при избыточном давлении в поверхностях нагрева. В процессе консервации обеспечение небольшого избыточного давления в котле расходом азота.
3.4.2. Для организации и проведения консервации азотом рекомендованы к выполнению следующие мероприятия:
- применение метода на котлах любых давлений на электростанциях, имеющих азот от собственных установок
- использование азота при его концентрации не ниже 99 %.
- заполнение азотом при выводе котла в резерв на срок до одного года.
- подвод азота в трубопровод отвода пара из расширителя на давление 2,0 МПа и к холодным линиям промежуточного перегрева.
3.4.3. Для проведения консервации азотом рекомендованы к выполнению следующие технические мероприятия:
- открытие вентилей на линиях подвода азота к расширителю после останова котла и снижения давления в нем до 0,2 – 0,5 МПа.
- выполнение вакуумной сушки промежуточного пароперегревателя перед заполнением азотом
- поддержание давления в котле на уровне 5 – 10 кПа после расхолаживания
- постоянная продувка азотом с часовым расходом, равным 10 % объема продуваемого контура при наличии неотключаемого промежуточного пароперегревателя
- принятие мер к установлению возможных утечек газа в период консервации и их устранению
- кратковременное прекращение подачи газа в котел для проведения небольших ремонтных работ.
3.5. Консервация котла контактным ингибитором
3.5.1. Контактный ингибитор М-1 создает на металле защитную пленку, сохраняющуюся и после слива консервирующего раствора (Приложение 5).
3.5.2. Для проведения консервации контактным ингибитором рекомендованы к выполнению следующие организационные и технические мероприятия:
- заполнение водным раствором ингибитора концентрацией 0,5 – 1,5 % в зависимости от продолжительности простоя, состава и количества отложений на поверхностях нагрева для консервации
- определение концентрации раствора ингибитора после химического анализа состава отложений для каждого оборудования индивидуально.
- применение консервации КИ для любых типов котлов независимо от применяемого водно-химического режима
- проведение консервации ингибитором М-1 при выводе котла в резерв или ремонт на срок от 1 мес. до 2 лет
- приготовление консервирующего раствора в соответствии со схемой (рисунок 3)
- подача раствора ингибитора из бака приготовления в деаэратор
- обеспечение слива раствора из питательных магистралей и котла после консервации в бак хранения с использованием для этой цели дренажных баков
- дренирование деаэратора, питательных трубопроводов, подогревателей высокого давления по водяной стороне и самого котла перед консервацией
- заполнение котла, питательных магистралей и ПВД бустерным насосом, контролируя заполнение с помощью воздушников
- закрытие воздушников при появлении из них по ходу среды сплошной струи
- сохранение консервирующего раствора в котле при простое в резерве, с плотным закрытием всей запорной арматуры на котле
- выдержка консервирующего раствора для образования защитной пленки на металле в котле не менее 24 ч, после чего возможен слив раствора в бак хранения
- слив консервирующего раствора из питательных магистралей, ПВД и котла в бак хранения для последующего использования для расконсервации котла после простоя в резерве
- проведение растопки в соответствии с инструкцией по пуску котла без проведения специальной отмывки после расконсервации.
3.6. Консервация прямоточных котлов с
применением пленкообразующих аминов
3.6.1. Общие сведения и свойства ПОА указаны в Приложении 5.
3.6.2. Для проведения консервации с применением ПОА рекомендованы к выполнению следующие мероприятия:
- подготовка схемы консервации котла (рисунок 5)
- организация контура циркуляции: «деаэратор - питательный и бустерные насосы - собственно котел - БРОУ - конденсатор - конденсатный насос-подогреватель низкого давления и ПВД» (БОУ байпасируется)
- подготовка установок приготовления и дозирования реагентов (Варианты приведены в Приложении 3)
- проведение сброса через СПП-1,2 в период прокачки консерванта через пароперегреватели обоих корпусов двухкорпусного котла.
- подключение дозирующей установки на всас бустерного насоса (БЭН).
- заполнение контура циркуляции
- включение в работу БЭН
- разогрев рабочей среды до температуры 150 – 200 °С путем периодического включения горелок
- дозирование консерванта на всас БЭН
- поддержание заданного диапазона температур циркулирующей среды путем периодического включения горелок
- прекращение подачи пара в деаэратор после завершения процесса консервации
- дренирование пароводяного тракта при температуре не ниже 60 – 70°С
- вакуумная сушка консервируемых элементов и т.д.

Рисунок 5 – Схема консервации прямоточного котла СКД с
применением пленкообразующих аминов.
3.7. Консервация теплоэнергетических блоков с
применением пленкообразующих аминов
3.7.1. Консервацию поверхностей нагрева энергоблоков с применением ПОА рекомендуется проводить поддержанием следующих параметров и выполнением предлагаемых мероприятий:
- разгрузка блока до минимально возможной мощности согласно штатной инструкции по эксплуатации
- поддержание температуры конденсата в конденсатосборниках не ниже 45°С
- вывод БОУ (если она есть) из работы (байпасирование)
- корректировка режима проведения периодической продувки в зависимости от результатов анализов при консервации блоков с барабанными котлами
- прекращение дозировки фосфатов, гидразина и аммиака за 10 – 12 часов до начала проведения консервации
- опрессовка системы дозирования консерванта перед началом консервации. Варианты установок приготовления и дозирования консерванта приведены в Приложении 3.
- подключение системы дозирования на всас бустерных или питательных насосов
- подготовка химических реактивов, требуемых для проведения анализов, посуды и приборов в соответствии с методиками проведения анализов.
- контроль и регистрация каждый час следующих параметров в процессе консервации:
- электрическую мощность блока
- температуру питательной воды
- расход питательной воды
- температуру пара
- температуру конденсата
- температуру пара по всем отборам турбины
- дозирование консерванта на всас БЭН или ПЭН.
- определение требуемых концентраций консерванта и время консервации энергоблока в зависимости от его параметров, типов котлов, турбины и удельной загрязненности внутренних поверхностей.
- корректировка основных технологических параметров консервации (концентрация консерванта и продолжительность дозирования) по результатам химконтроля
- удаление примесей из тракта проведением продувки, размыканием контура при существенном повышении концентраций примесей в рабочем теле
- прекращение процесса консервации при нарушении технологических параметров и возобновлением консервации после восстановления необходимых параметров работы энергоблока
- вывод в ремонт (резерв) оборудования в соответствии с инструкцией по эксплуатации после окончании консервации.
- дренирование рабочего тела при достижении температуры воды в полостях оборудования не ниже 60°С со сбросом на шламоотвал или в систему ГЗУ при соблюдении ПДК.
4. Выбор способов консервации энергетических котлов
в зависимости от вида и продолжительности простоя
4.1. Выбор способа консервации барабанных котлов в соответствии с таблицей 4.
Допустимо для меньших сроков простоя применение способов, предлагаемых для любого большего срока.
Рассмотрение для каждого котла не только способа или способов, предохраняющих при консервации ранее образованную защитную пленку на поверхности металла (СО, ИД, ЗЩ, КИ, А), но и способа или способов, образующих и восстанавливающих эту пленку (ГРО или ГВ, ТО, ФВ, ПОА).
Целесообразно проведение гидразинной обработки при рабочих параметрах не только перед остановом, но и в соответствии с ПТЭ при любом пуске котла, если не запланировано выполнение ТО.
4.2. На прямоточных котлах рекомендуется выполнение СО при остановах на срок до 30 дней. Проведение гидразинной или кислородной обработкой в сочетании с СО при выводе котла в резерв на срок до 3 мес. или ремонт на срок до 5 – 6 мес.
Применение в случаях более продолжительных сроков резерва или ремонта для консервации котлов КИ, ПОА или азота.
Заполнение при выводе прямоточного котла в резерв или ремонт на срок более 1 мес., конденсатного тракта и деаэратора раствором аммиака, дозированием аммиака в конденсат за БОУ штатным насосом за 0,5 – 1 ч до останова для достижения значения pH за деаэратором не менее 9,2.
4.3. Организация режима работы электростанции соответствующим образом для сокращения простоя каждого котла (энергоблока) в резерве не более 3 мес., включением в работу и остановом в резерв другого котла (энергоблока) при достижении этого срока или ранее.
4.4. При выводе любых видов теплоэнергетического оборудования в ремонт или резерв на срок до 1 года и более предпочтительны варианты проведения консервации с применением контактного ингибитора или пленкообразующих аминов.
4.5. Осуществление, при выводе котла в резерв на неопределенный срок, выбора способа консервации с ориентиром на максимальный срок резерва, характерный для практики эксплуатации данной электростанции.
Понятие «неопределенный срок» подразумевает останов в резерв на какой-то, чаще непродолжительный, срок с последующим, возможно и неоднократным, продлением срока.
4.6. Разработка при выводе котла в резерв или ремонт (реконструкцию) на срок свыше 5 – 6 мес специального технического решения с учетом местных условий (типа котла, вида и продолжительности простоя, имеющегося оборудования для консервации, загрязненности внутренних поверхностей нагрева), а также рассмотрение вопроса о целесообразности проведения перед консервацией химической очистки котла.
Таблица 4 – Способы консервации барабанных котлов
| Продолжительность останова
|
Вид останова
|
Способы консервации
|
| Котлы на давление 3,9 МПа
|
Котлы на давление 9,8 МПа
|
Котлы на давление 13,8 МПа
|
| Без обработки питательной воды гидразином
|
Обработка питательной воды гидразином
|
Без обработки питательной воды гидразином
|
Обработка питательной воды гидразином
|
| Рекомендуемый способ
|
Возможная
замена
|
Рекомендуемый способ
|
Возможная
замена
|
Рекомендуемый способ
|
Возможная
замена
|
Рекомендуемый способ
|
Возможная
замена
|
Рекомендуемый способ
|
Возможная
замена
|
| 1
|
2
|
3
|
4
|
5
|
6
|
7
|
8
|
9
|
10
|
11
|
12
|
| Плановый останов
|
| До 10 сут.
|
Резерв
|
СО
|
ИД
|
СО
|
ИД
|
ГРП
|
СО, ИД
|
СО
|
ИД
|
ГРП
|
СО, ИД
|
| Ремонт
|
СО
|
–
|
СО
|
–
|
ГРП
|
СО
|
СО
|
–
|
ГРП
|
СО
|
| До 30 сут.
|
Резерв
|
ЗЩ
|
СО
|
ЗЩ
|
СО
|
ГРП+СО, ГО
|
ГРП, СО
|
ЗЩ
|
СО
|
ГРП+СО, ГО
|
ГРП, СО
|
| Ремонт
|
СО
|
–
|
СО
|
–
|
ГРП+СО, ГО
|
ГРП, СО
|
СО
|
–
|
ГРП+СО, ГО
|
ГРП, СО
|
| До 60 сут.
|
Резерв
|
ЗЩ, КИ, А
|
ФВ
|
ЗЩ, КИ, А
|
ТО
|
ГО КИ, А
|
ГРП+СО, ТО, ЗЩ
|
ЗЩ, КИ, А
|
ТО
|
ГО, КИ, А
|
ГРП+СО, ТО, ЗЩ
|
| Ремонт
|
ФВ, КИ
|
–
|
ТО, КИ
|
ФВ
|
ГО, КИ
|
ГРП+СО, ТО
|
ТО, КИ
|
–
|
ГО, КИ
|
ГРП+СО, ТО
|
| До 4 мес.
|
Резерв
|
КИ,А
|
ЗЩ
|
КИ, А
|
ЗЩ
|
КИ.А
|
ЗЩ
|
КИ, А
|
ЗЩ
|
КИ, А
|
ЗЩ
|
| Ремонт
|
КИ
|
ФВ
|
до –ТО+КИ, после – ТО
|
ТО до и после
|
до – ТО+КИ, после – ТО
|
ТО до и после;
до – ГО, ГРП+СО, после – ТО
|
до – ТО+КИ, после – ТО
|
ТО до и после
|
до – ТО+КИ, после – ТО
|
ТО до и после;
до – ГО, ГРП+СО, после – ТО
|
| До 6 мес
|
Резерв
|
КИ, А
|
ФВ+ЗЩ
|
КИ, А
|
ТО+ЗЩ
|
КИ, А
|
ТО+ЗЩ, ГО+ЗЩ
|
КИ, А
|
ТО+ЗЩ
|
КИ, А
|
ТО+ЗЩ, ГО+ЗЩ
|
| Ремонт
|
КИ
|
–
|
до – ТО+КИ, после – ТО
|
ТО до и после
|
до – ТО, после – КИ+ТО
|
ТО до и после
|
до – ТО, после – КИ+ТО
|
ТО до и после
|
до –ТО+КИ, после – ТО
|
ТО до и после
|
| Св.6 мес
|
Резерв
|
КИ, А
|
–
|
КИ, А
|
–
|
КИ, А
|
–
|
КИ, А
|
–
|
КИ, А
|
–
|
| Ремонт
|
КИ
|
до – ТО+КИ, после –ТО
|
–
|
до – ТО+КИ, после – ТО
|
–
|
до –ТО+КИ, после – ТО
|
–
|
до – ТО+КИ, после – ТО
|
–
|
| Аварийный останов
|
| СО
|
–
|
СО
|
–
|
СО
|
–
|
СО
|
–
|
СО
|
_______________
СО – первый этап, дальнейшая консервация зависит от последующего срока ремонта, резерва
Примечания:
1. На котлах давлением 9,8 и 13,8 МПа без обработки питательной воды гидразином рекомендуется проведение ТО не реже одного раза в год.
2. А – заполнение поверхностей нагрева котла азотом.
3. ГРП+СО – гидразинная обработка при рабочих параметрах котла с последующим сухим остановом; ГО+ЗЩ, ТО+ЗЩ, ФВ+ЗЩ – заполнение котла щелочным раствором с предшествующей реагентной обработкой;
4. ТО+КИ – консервация контактным ингибитором с предшествующей трилонной обработкой;
5. «До», «после» – до ремонта и после него.
5. Способы консервации водогрейных котлов
5.1. Консервация раствором гидроксида кальция
5.1.1. Способ консервации раствором гидроксида кальция основан на высокоэффективных ингибирующих способностях раствора гидроксида кальция Ca(ОН)2
. Защитная концентрация гидроксида кальция составляет 0,7 г/кг и выше.
Данный способ регламентирован [18].
5.1.2. При проведении консервации поверхностей нагрева водогрейных котлов заполнением раствором гидроксида кальция выполнением предлагаемых мероприятий достигается следующий эффект:
- формирование устойчивой защитной пленки при контакте с металлом раствора гидроксида кальция в течение 3 – 4 недель
- сохранение в течение 2 – 3 мес защитного действия пленок при опорожнении котла от раствора после контакта в течение 3 – 4 недель или более.
- полное заполнение водогрейного котла раствором гидроксида кальция при осуществлении консервации
- возможность дренирования раствора для проведения ремонтных работ после выдержки в котле в течение 3 – 4 недель
- применение способа для консервации водогрейных котлов любых типов на электростанциях, имеющих водоподготовительные установки с известковым хозяйством.
- проведение консервации раствором гидроксида кальция при выводе котла в резерв на срок до 6 мес. или выводе в ремонт на срок до 3 мес.
5.1.3. Консервацию поверхностей нагрева водогрейных котлов с заполнением раствором гидроксида кальция рекомендуется проводить выполнением предлагаемых мероприятий, поддержанием следующих параметров и максимальной реализацией возможностей схемы:
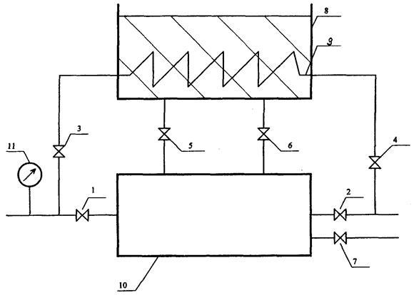
- приготовления раствора гидроксида кальция в ячейках мокрого хранения извести с плавающим устройством всасывания (рисунок 4)
- отстаивания известкового молока в течение 10 – 12 ч до полного осветления раствора после засыпки извести (пушонки, строительной извести, отходов гашения карбида кальция) в ячейки и перемешивания
- сохранения концентрации гидроксида кальция в растворе не более 1,4 г/кг вследствие малой его растворимости при температуре 10 – 25°С
- контролем положения плавающего устройства всасывания при откачке раствора из ячейки, не допуская захвата отложений со дна ячейки
- возможности использования для заполнения котлов раствором схемы кислотной промывки водогрейных котлов, приведенной на рисунке 6
- возможности использования существующих бака с насосом для консервации энергетических котлов (рисунок 2)
- дренированием воды из котла перед заполнением его консервирующим раствором
- перекачиванием раствора гидроксида кальция из ячеек извести в бак приготовления реагентов
- промывкой трубопровода водой перед перекачкой во избежание попадания в бак известкового молока, подаваемого по этому трубопроводу на предварительную очистку водоподготовительной установки
- заполнением котла при циркуляции раствора по контуру «бак- насос- трубопровод подачи раствора- котел- трубопровод сброса раствора- бак»
- определением количества приготавливаемого известкового раствора, исходя из обеспечения заполнения консервируемого котла и схемы циркуляции, включая бак. При заполнении котла насосом из бака без организации циркуляции через котел, объем приготовленного известкового молока зависит только от водяного объема котла. Водяной объем котлов ПТВМ-50, ПТВМ-100, ПТВМ-180 составляет соответственно 16, 35 и 60 м3
- сохранением консервирующего раствора в котле на все время простоя в резерве, с плотным закрытием всей запорной арматуры на котле

1 – бак приготовления химических реагентов;
2 – насос заполнения котла раствором химических реагентов;
3 – подпиточная вода; 4 – химические реагенты;
5 – известковое молоко в мешалки предочистки;
6 – ячейки известкового молока; 7 – водогрейные котлы;
8 – к другим водогрейным котлам; 9 – от других водогрейных котлов.
Рисунок 6 – Схема консервации водогрейных котлов.
- возможности дренирования раствора при необходимости проведения ремонтных работ после выдержки в котле в течение не менее 3 – 4 недель с расчетом включения котла в работу после окончания ремонта.
- проверкой не реже одного раза в две недели значения pH раствора при сохранении на время простоя консервирующего раствора в котле
- организацией циркуляции раствора через котел для отбора контрольных анализов
- отбором пробы из воздушников при проведении циркуляции
- дренированием раствора из всего контура, если значение pH ³ 8,3 и заполнение свежим раствором гидроксида кальция
- проведением дренирования консервирующего раствора из котла небольшим расходом с разбавлением его водой до значения pH < 8,5
- дренированием и промывкой котла сетевой водой до жесткости промывочной воды перед пуском, если котел был заполнен консервирующим раствором.
5.2. Консервация раствором силиката натрия
5.2.1. Силикат натрия (жидкое натриевое стекло) образует на поверхности металла прочную, плотную защитную пленку в виде соединений Fe3
O4
·FeSiO3
. Эта пленка экранирует металл от воздействия коррозионных агентов (СО2
и О2
).
5.2.2. Формирование защитной пленки происходит при выдержке консервирующего раствора в котле в течение нескольких суток или при циркуляции раствора через котел в течение нескольких часов.
5.2.3. Консервацию поверхностей нагрева водогрейных котлов силикатом натрия рекомендуется проводить поддержанием следующих концентраций и выполнением предлагаемых организационных и технических мероприятий:
- полное заполнение водогрейного котла раствором силиката натрия с концентрацией SiO2
в консервирующем растворе не менее 1,5 г/кг
- применение силиката натрия для консервации водогрейных котлов любых типов
- проведение консервации силикатом натрия при выводе котла в резерв на срок до 6 мес. или в ремонт на срок до 2 мес.
- использование для заполнения котлов раствором схемы кислотной промывки водогрейных котлов, приведенной на рисунке 6
- возможности использования существующих бака с насосом для консервации энергетических котлов (рисунок 2)
- приготовление раствора силиката натрия на умягченной воде, так как использование воды с жесткостью выше 3 мг·экв/кг может привести к выпадению из раствора хлопьев силиката натрия
- приготовление консервирующего раствора силиката натрия в баке при циркуляции воды по схеме «бак– насос– бак» с вливанием жидкого стекла в бак через люк
- определение ориентировочного расхода жидкого товарного силиката натрия из расчета не более 6 л на 1 м3
объема консервирующего раствора
- дренирование воды из котла перед заполнением его консервирующим раствором
- установление рабочей концентрации SiO2
в консервирующем растворе на уровне 1,5 – 2 г/кг
- определение количества приготавливаемого раствора, исходя из обеспечения заполнения консервируемого котла и схемы циркуляции, включая бак. При заполнении котла насосом из бака без организации циркуляции через котел, объем приготовленного известкового молока зависит только от водяного объема котла. При заполнении котла без организации циркуляции, объем приготовленного раствора зависит только от объема котла.
- сохранение консервирующего раствора в котле на все время простоя в резерве
- возможность дренирования раствора при необходимости проведения ремонтных работ после выдержки в котле в течение не менее 4 – 6 суток с расчетом включения котла в работу после окончания ремонта.
- дренирование раствор из котла для проведения ремонта после циркуляции раствора через котел в течение 8 – 10 ч при скорости 0,5 – 1 м/с
- поддержание избыточного давления 0,01 – 0,02 МПа сетевой водой открытием задвижки на байпасе на входе в котел при сохранении консервирующего раствора в нем на все время простоя
- отбор пробы из воздушников в период консервации один раз в неделю для контроля концентрации SiO2
в растворе
- добавление необходимого количества жидкого силиката натрия и организация циркуляции раствора через котел в бак до достижения требуемой концентрации при снижении концентрации SiO2
менее 1,5 г/кг
- вытеснение консервирующего раствора в трубопроводы сетевой воды небольшими порциями (путем частичного открытия задвижки на выходе из котла) по 5 м3
/ч в течение 5 – 6 ч для котла ПТВМ-100 и 10 – 12 ч для котла ПТВМ-180 при расконсервации водогрейного котла перед его растопкой.
- контроль ПДК SiO2
2=40 мг/кг в сетевой воде при вытеснении консервирующего раствора из котла при открытых системах теплоснабжения для соответствия нормам [31].
5.3. Консервация с применением пленкообразующих аминов
5.3.1. Общие сведения и свойства ПОА приведены в Приложении 5.
5.3.2. Консервацию водогрейных котлов с использованием пленкообразующих аминов рекомендуется проводить выполнением следующих организационных и технических мероприятий:
- принятие решения о проведении консервации с использованием ПОА
- вырезка и анализ образцов труб для оценки состояния внутренней поверхности и выбора параметров процесса.
- выбор параметров процесса консервации (временные характеристики, концентрации консерванта на различных этапах), исходя из предварительного анализа состояния котла, включая определение величины удельной загрязненности и химического состава отложений внутренних поверхностей нагрева котла.
- ревизия оборудования, трубопроводов и арматуры, контрольно–измерительных приборов, используемых в процессе консервации перед началом работ
- выбор варианта установок приготовления и дозирования реагентов (Приложение 3).
- подготовка схемы для проведения консервации, включающей котел, систему дозирования реагента, вспомогательное оборудование, соединительные трубопроводы, возможно использование схемы кислотной промывки котла
- подготовка химических реактивов, требуемых для проведения анализов, посуды и приборов в соответствии с методиками проведения анализов.
- контроль с регистрацией каждый час следующих параметров в процессе консервации:
- температуры котловой воды;
- при включении горелок – температуры и давления в котле.
- регистрация времени начала и окончания ввода и расход консерванта
- организация циркуляции в контуре котел-НКП-котел с использованием насоса кислотной промывки
- разогрев консервирующего раствора в котле до температуры 110 - 150°С
- начало дозирования консерванта
- установление в контуре расчетной концентрации консерванта
- проведение периодического дозирование консерванта в зависимости от результатов анализов
- проведение периодической продувки котла (через 2 - 3 часа) через дренажи нижних точек для удаления шлама, образовавшегося в процессе консервации оборудования
- прекращение дозирования во время проведения продувки
- поддержание в рабочем контуре требуемых для консервации параметров (температура, давление) периодической растопкой котла
- отключение системы дозирования после окончания консервации, оставление насоса рециркуляции в работе в течение еще 3 - 4 часов
- останов насоса рециркуляции, перевод котла в режим естественного расхолаживания
- дренирование котла при температуре раствора не ниже 60 - 70°С
- прекращение процесса консервации при нарушении технологических параметров и возобновлением консервации после восстановления необходимых параметров работы котла.
.
6. Способы консервации турбоустановок
6.1. Консервация азотом
6.1.1. При заполнении внутренних полостей турбоустановки азотом и поддержании в дальнейшем небольшого его избыточного давления предотвращается попадание влажного воздуха и протекание коррозионных процессов. Особенно опасно попадание влаги на поверхности проточной части турбины при наличии на них отложений соединений натрия.
6.1.2. Для организации и проведения консервации азотом рекомендованы к выполнению следующие мероприятия:
- применение метода для всех турбоустановок на электростанциях, имеющих азот от собственных установок
- использование азота при его концентрации не ниже 99 %.
- заполнение азотом при выводе турбоустановки в резерв на 7 суток и более
- возможность использования передвижных вентиляторов с калорифером для подачи подогретого воздуха в турбоустановку при отсутствии на электростанции консервационной установки
- организация подачи воздуха, как на всю турбоустановку, так и хотя бы в отдельные ее части (цилиндр среднего давления, цилиндр низкого давления, бойлеры, в верхнюю или нижнюю часть конденсатора или в среднюю часть турбины)
- установка впускного клапана для присоединения передвижного вентилятора
- использование для расчета вентилятора и впускного клапана рекомендаций [19]
- проведение дренирования, вакуумной сушки и других методов при использовании передвижных вентиляторов в соответствии [19].
- герметизация проточной части турбины и обеспечение давления азота в диапазоне 5 – 10 кПа
- подача азота в турбину после останова турбины и окончания вакуумной сушки промежуточного пароперегревателя
- возможность применения консервации азотом и для паровых пространств бойлеров и подогревателей.
6.2. Консервация летучими ингибиторами коррозии
6.2.1. Летучие ингибиторы коррозии типа ИФХАН защищают стали, медь, латунь, адсорбируясь на поверхности металла. Этот адсорбированный слой значительно снижает скорость электрохимических реакций, обусловливающих коррозионный процесс.
6.2.2. Для организации и проведения консервации летучими ингибиторами коррозии рекомендованы к выполнению следующие организационные и технические мероприятия:
- проведение консервации летучим ингибитором при выводе оборудования в резерв на срок более 7 суток
- просасывание через турбину воздуха, насыщенного ингибитором с помощью эжектора уплотнений или пускового эжектора.
- насыщение воздуха ингибитором при контакте его с силикагелем, пропитанным ингибитором, так называемым линасилем.
- выполнение пропитки линасиля на заводе-изготовителе
- организация прохождения воздуха через чистый силикагель на выходе из турбоустановки для поглощения избытка ингибитора
- подключение патрона с линасилем для заполнения турбины ингибированным воздухом на входе в нее, например, к трубопроводу подачи пара на переднее уплотнение цилиндра высокого давления, (рисунок 7)
- установка на выходе из оборудования патронов с чистым силикагелем, объем которого в 2 раза больше объема линасиля на входе для поглощения избытка ингибитора
- возможность дальнейшего использования силикагеля при следующей консервации после дополнительной пропитки ингибитором и установки на входе в оборудование
- использование штатного оборудования для заполнения турбины ингибированным воздухом– эжектора уплотнений или пускового эжектора
- определение необходимого для консервации количества ингибитора из расчета потребности не менее 300 г линасиля 1 м3
объема для достижения защитной концентрации ингибитора в воздухе 0,015 г/дм3
.
- размещение линасиля в патроны, представляющие собой отрезки труб, с приваренными к обоим концам фланцами
- затягивание обоих концов трубы с фланцами сеткой с величиной ячеек, не допускающей высыпания линасиля, но не мешающей проходу воздуха
- определение длины и диаметра труб в соответствии с количеством линасиля для консервации
- выполнение загрузки линасиля в патроны лопаткой или руками в перчатках
- дренирование, обеспаривание турбины и ее вспомогательного оборудования, отключение от всех трубопроводов (дренажей, отборов пара, подачи пара на уплотнения и др.) перед началом консервации для исключения возможного скопления конденсата в турбине, трубопроводах и их клапанах
- сушка турбины воздухом для удаления возможного скопления конденсата в недренируемых участках
- организация просасывания эжектором воздуха по контуру «патрон – ЦВД – ЦСД – ЦНД – коллектор отсоса паровоздушной смеси из уплотнений – эжектор – атмосфера» с установкой на входе патрона с прокаленным силикагелем
- герметизация турбины набивкой асбеста, пропитанного герметиком, на входе воздуха из машинного зала в камеру отсоса паровоздушной смеси концевых уплотнений после остывания металла турбины приблизительно до 50°С
- установка после сушки турбины на вход патронов с линасилем, а на выход патронов с чистым силикагелем
- включение эжектора и просасывание воздуха по контуру «патрон-трубопровод подачи пара на уплотнение - ЦВД - коллектор отсоса паровоздушной смеси- патроны с силикагелем - эжектор - атмосфера».
- прекращение консервации при достижении защитной концентрации ингибитора, равной 0,015 г/дм3
, отключением эжектора, установкой заглушек на входе воздуха в патрон с линасилем и на входе ингибированного воздуха в патроны с силикагелем;

1 – главная паровая задвижка; 2 – стопорный клапан высокого давления; 3 – регулирующий клапан высокого давления; 4 – защитный клапан среднего давления; 5 – регулирующий клапан среднего давления; 6 – камеры отсоса паровоздушной смеси из концевых уплотнений цилиндров; 7 – камера уплотняющего пара; 8 – трубопровод уплотняющего пара; 9 – существующие задвижки; 10 – коллектор паровоздушной смеси на уплотнения; 11 – коллектор отсоса паровоздушной смеси; 12 – трубопровод подвода ингибитора; 13 – патрон с линасилем; 14 – вновь монтируемые задвижки; 15 – эжектор уплотнений; 16 – выхлоп в атмосферу; 17 – патроны с чистым силикагелем для поглощения ингибитора; 18 – трубопровод отсоса паровоздушной смеси из камер; 19 – промежуточный пароперегреватель; 20 – отбор пробы воздуха; 21 – фланец; 22 – задвижка.
Рисунок 7 – Консервация турбин летучим ингибитором.
- проведение ежемесячного определения концентрации ингибитора в период нахождения турбины в резерве (Приложение 4)
- переконсервация со свежим линасилем при падении концентрации ингибитора ниже 0,01 г/дм3
- расконсервация турбины снятием патронов с линасилем, заглушек на входе ингибированного воздуха в патроны с силикагелем, включением эжектора, протягиванием ингибированного воздуха через силикагель для поглощения оставшегося ингибитора в течение того же времени, которое потребовалось на консервацию турбины.
- отсутствие каких–либо стоков или выбросов в атмосферу ввиду проведения консервации по замкнутой схеме.
6.2.3. Краткие характеристики применяемых химических реагентов в Приложении 5.
6.3. Консервация
с применением пленкообразующих аминов
6.3.1. Общие сведения и свойства ПОА указаны в Приложении 5.
Установки для приготовления и дозирования реагентов в Приложении 3.
6.3.2. Консервацию турбоустановок с использованием пленкообразующих аминов рекомендуется проводить выбором выполнения технических мероприятий по вариантам:
6.3.2.1. Вариант 1.
- совмещение штатного режима влажно-паровой промывки проточной части турбины (где это предусмотрено) с одновременным дозированием в пар консерванта или путем дозирования водной эмульсии консерванта в слабо–перегретый пар перед турбиной со сбросом конденсата (по разомкнутой схеме) как наиболее благоприятные условия проведения консервации турбины
- определение объемных пропусков пара условиями поддержания пониженных оборотов ротора турбины (с учетом критических частот)
- поддержанием температуры пара в выхлопном патрубке турбины не ниже 60 – 70°С
6.3.2.2. Вариант 2.
- возможность выполнения консервации турбины отдельно от котла с использованием пара собственных нужд (Р = 10 – 13 кг/см2
, t = 220–250° С) с раскруткой ротора турбины с частотой в диапазоне 800 – 1200 об/мин (в зависимости от критических частот)
- подача пара, насыщенного консервантом, в линию обеспаривания перед стопорным клапаном, прохождение пара проточной части турбины, конденсация в конденсаторе, сброс конденсата через линию аварийного слива за ПНД, адсорбция консерванта на поверхностях проточной части турбины, трубопроводов, арматуры и вспомогательного оборудования
- поддержание на протяжении всего времени консервации турбины следующего температурного режима:
- поддержанием в зоне паровпуска в начале консервации температуры 165 – 170 °С;
- понижением в зоне паровпуска к моменту окончания консервации температуры до 150 °С;
- поддержанием температуры в конденсаторе на уровне максимально возможной в пределах, определяемых инструкцией завода-изготовителя.
6.3.2.3. Вариант 3.
- осуществление консервации турбины после останова при остывании корпуса за счет заполнения парового пространства конденсатора и турбины консервирующей смесью (конденсат + консервант)
- проведение заполнения парового пространства конденсатора и турбины водой с консервантом при достижении в процессе расхолаживания температуры металла корпуса ЦВД примерно 150°С и ЦНД 70 – 80°С
- включение валоповоротного устройства турбины одновременно с выполнением процедур по заполнению парового пространства конденсатора и турбины водой с консервантом
- заполнение парового пространства ЦНД и конденсатора через конденсатор, а парового пространства ЦВД и ЦСД – через дренажные линии
- проведение заполнения турбины в зависимости от ее конструкции и специфических условий конкретной станции до уровня, расположенного ниже горизонтального разъема турбины примерно на 200 – 300 мм
- поддержание в период консервации постоянной температуры консерванта и металла турбоустановки за счет барботажа через консервант пара низкого давления, поступающего от постороннего источника (например, от соседней работающей турбины или общестанционного паропровода и т.п.); подведение пара в конденсатор и расширители дренажей ЦВД и ЦСД
- проведение циркуляции для выравнивания температуры и концентрации консерванта в конденсаторе с помощью конденсатного насоса по линии рециркуляции на весь период консервации.
Раздел
II
. Консервация теплоэнергетического оборудования воздухом
1. Общие положения
1.1. В настоящее время накоплен опыт консервации различного теплоэнергетического оборудования воздухом, разработаны и опробованы в промышленных условиях установки по производству осушенного воздуха, обеспечивающие наиболее эффективную воздушную консервацию.
1.2. Применение воздуха в качестве консервирующего агента позволяет во многих случаях частично или полностью отказаться от использования химических реагентов при консервации, в результате чего не требуется специальная подготовка оборудования к пуску после простоя и уменьшается сброс сточных вод электростанции в водные объекты.
1.3. На основе настоящих Указаний на электростанциях рекомендуется с учетом местных условий, видов и продолжительности простоев оборудования осуществление оценки возможности и целесообразности применения воздуха для консервации или сочетания его применения с другими способами, проведение технико-экономическое обоснования применения воздуха, анализ опыта его использования на других электростанциях.
1.4. Соблюдение при подготовке и проведении консервации и расконсервации требований Правил технической эксплуатации электрических станций и сетей Республики Казахстан, а также требований по безопасности изготовителей установок по выработке воздуха.
2. Условия консервации теплоэнергетического оборудования воздухом
2.1. Одним из способов защиты металла внутренних поверхностей опорожненного оборудования на время простоя является поддержание в нем оптимального значения относительной влажности воздуха, обеспечивающей минимальную скорость коррозии.
Согласно [1] коррозия металла при простое протекает в условиях, соответствующих условиям атмосферной коррозии, т.е. при одновременном наличии влаги и кислорода. Наиболее интенсивно коррозия протекает при наличии на поверхности металла остатков влаги или при относительной влажности воздуха около 100 %.
2.2. В большинстве случаев в реальных условиях простоя опорожненного оборудования при относительной влажности воздуха не более 60 % обеспечивается минимальная скорость коррозии металла, мало зависящая от значения относительной влажности. При повышении относительной влажности воздуха до 65 % (критическая влажность) и выше скорость коррозии металла резко возрастает [1, 2].
Наличие на поверхности металла солевых отложений или рыхлых продуктов коррозии чаще всего ускоряет процесс стояночной коррозии.
Присутствие в металле легирующих элементов, наличие на поверхности металла продуктов коррозии, образовавших окисную защитную пленку (например, магнетит на поверхности стали), тормозят процесс коррозии.
2.3. Залог успешной консервации воздухом – эффективное дренирование оборудования и трубопроводов в процессе подготовки к консервации.
2.4. Понижение относительной влажности воздуха во внутреннем объеме консервируемого оборудования и поддержание ее ниже 60 % на весь период простоя достигается путем постоянной или периодической вентиляции внутренних поверхностей осушенным или подогретым атмосферным воздухом производственного помещения.
Влажность воздуха в производственных помещениях зависит от климатических условий, культуры эксплуатации и практически постоянно (даже в течение суток) меняется в широких пределах от 30 до 90 %. Очень часто наблюдается изменение относительной влажности воздуха по высоте помещения.
2.5. Для получения осушенного воздуха созданы специальные воздухоосушительные установки (ВОУ), осушающие атмосферный воздух по принципу сорбции или вымораживания влаги до относительной влажности 25 – 40 % (или ниже).
Воздухоосушительные установки, понижая абсолютное влагосодержание воздуха, практически не изменяют температуру осушенного воздуха по сравнению с атмосферным. Сведения о ВОУ приведены в Приложении 6.
2.6. Осуществление подогрева атмосферного воздуха в воздухонагревательных установках (ВНУ), с нагревом воздуха с помощью калориферов или за счет внутренних потерь при сжатии. Сведения о ВНУ приведены в Приложении 6.
Подогрев воздуха понижает его относительную влажность, но абсолютное его влагосодержание остается постоянным. Величина нагрева для получения заданной относительной влажности определяется исходными параметрами (температура и влажность) воздуха в точке забора, а также условиями теплообмена на различных участках консервируемого оборудования.
Продувка консервируемого оборудования подогретым воздухом повышает температуру металла по сравнению с окружающей средой, что препятствует выпадению влаги и на наружных поверхностях оборудования и предохраняет их от коррозии.
2.7. При консервации оборудования воздухом рекомендуется выполнение предлагаемых мероприятий:
- поддержание в консервируемом объеме относительной влажности воздуха в пределах 40 – 60 % в обычном случае;
- поддержание в консервируемом объеме относительной влажности воздуха в пределах 35 – 45 % в случае присутствия на консервируемых поверхностях солевых отложений или рыхлых продуктов коррозии;
- объединение в замкнутый или разомкнутый контур консервации консервируемого оборудования и ВОУ (или ВНУ) с помощью штатных и временных трубопроводов и воздухопроводов для продувки воздухом;
- обеспечение подачи воздуха во все участки консервируемого оборудования по схеме консервации;
- обеспечение заданного значения относительной влажности воздуха на выходе контуров консервации как критерия надежности консервации подогретым воздухом;
- создание разомкнутого контура консервации при использовании осушенного воздуха для вытеснения влажного воздуха из объема консервируемого оборудования на первом этапе;
- замыкание выхода из контура консервации на ВОУ после понижения значения влажности на выходе до необходимого;
- создание разомкнутого контура консервации при использовании подогретого воздуха
- проведение осушки воздуха во внутреннем объеме оборудования в схемах консервации с применением эжекторной установки, где рабочей средой для эжектора является пар.
- обеспечение работой эжекторной установки принудительного движения воздуха во внутреннем объеме консервируемого оборудования за счет создания в нем разрежения.
- организация подвода атмосферного осушенного воздуха во внутренние полости через корпус фильтра-осушителя, загруженного влагопоглотителем (силикагель);
- осуществление осушки воздуха во внутреннем объеме поверхностей нагрева водогрейного котла возможно за счет тепла горячей сетевой воды, автономно поступающей в несколько специально выделенных и отглушенных от конвективной части полупакетов.
- налаживание продувки воздухом внутреннего объема котла, а также циркуляцию воздуха газового тракта котла с помощью вспомогательных вентиляторов.
3. Области применения воздуха для консервации
теплоэнергетического оборудования
Вне зависимости от типа консервируемого оборудования целесообразно применение подогретого воздуха в случае продолжительности простоев до 6 мес., а осушенного воздуха – при продолжительности простоев свыше 6 мес.
В некоторых случаях (простой продолжительностью 1 год и более при опасности коррозии наружных поверхностей оборудования) предпочтительно использование осушенного подогретого воздуха.
3.1. Энергетические котлы
Рассмотрение для каждого котла как способов консервации, образующих и восстанавливающих защитную окисную пленку на поверхностях нагрева (гидразинная или трилонная обработка, фосфатная выварка, кислородная обработка), так и способов, предохраняющих ранее образованную защитную пленку (заполнение котла щелочными растворами, азотом, обработка контактным ингибитором или октадециламином).
Способ консервации энергетических котлов воздухом отнесен к способам, предохраняющим защитную пленку.
Консервация воздухом рекомендована к применению в случаях:
- вывода котлов в резерв или ремонт, не связанный с заменой поверхностей нагрева, на срок свыше двух месяцев;
- предварительного проведения на котле гидразинной или трилонной обработки, фосфатно-аммиачной выварки, а на прямоточном котле, работающем при кислородном водном режиме, кислородной обработки с последующим сухим остановом при планируемом простое котла на срок свыше четырех месяцев;
- проведения реагентных обработок в период не позднее двух недель до останова котла и выполнения сухого останова в этом случае непосредственно перед выводом котла на консервацию.
- совместной консервации воздухом котлов с турбоустановкой на блочных ТЭС.
3.2. Турбоустановки
Консервация воздухом рекомендована к применению в случаях:
- выбора способа консервации турбоустановок воздухом при сравнительной его оценке со способами, описанными в разделе I настоящих Указаний и в [3, 4];
- выводе турбоустановки в резерв на срок 7 суток и более;
- создания условий для продувки воздухом ЦВД, ЦСД, ЦНД, подогревателей или др., если при выводе турбоустановки в ремонт не запланировано вскрытие этих узлов установки.
3.3. Энергоблоки
Воздух для консервации одновременно турбоустановки и котла рекомендован к применению при выводе энергоблока в резерв или ремонт на срок свыше 2 мес. при выполнении рекомендаций для энергетических котлов.
3.4. Водогрейные котлы
Консервация воздухом рекомендована к применению в случаях:
- выбора способа консервации водогрейных котлов воздухом при сравнительной его оценке со способами, описанными в разделе I настоящих Указаний и в [3];
- выводе водогрейного котла в резерв на срок более одного месяца.
4.
Установки осушки и подогрева воздуха
Краткие сведения об установках осушки и подогрева воздуха приведены в Приложении 6.
5. Рекомендации по организации схем консервации
теплоэнергетического оборудования воздухом
5.1. Обеспечение всех участков консервируемого оборудования штатными системами для наиболее полного опорожнения водяного объема или обеспаривания. Применение в некоторых случаях парового разогрева поверхностей оборудования (например, водогрейных котлов сторонним паром) для повышения эффективности удаления влаги.
5.2. Отключение консервируемого оборудования от действующих трубопроводов воды или пара плотным закрытием запорной арматуры, установкой дополнительных проглушек или запорной арматуры с ревизией.
5.3. Применение подогретого воздуха предполагает строгий контроль влажности воздуха на выходе из контура консервации, связано с повышенными энергетическими затратами, сопряжено с опасностью выпадения влаги на некоторых поверхностях, где возможно охлаждение воздуха.
5.4. Зависимость выбора технологии консервации (осушенный или подогретый воздух) и соответственно типа источника воздуха (ВОУ, ВНУ, эжекторная установка) от возможностей электростанции по приобретению готовых установок или изготовлению их собственными силами (наличие вентиляторов, калориферов, турбовоздуходувок, эжекторов).
Оснащение электрокалорифером для поддержания в контуре консервации температуры воздуха на 5 – 10°С выше температуры окружающей среды при выборе консервации оборудования осушенным подогретым воздухом ВОУ.
5.5. Выявление в цехе мест с наименьшей относительной влажностью атмосферного воздуха, например, в районе отопительных радиаторов при выборе места установки ВОУ или ВНУ. Обычно, чем выше отметка помещения, тем ниже влажность воздуха.
5.6. Планирование как одного контура консервации турбоустановки (турбина, конденсатор, система подогревателей), котла, энергоблока (котел и турбоустановка) с единым источником воздуха соответствующей производительности и напора, так и нескольких контуров с раздельными источниками воздуха для различных узлов турбоустановки или энергоблока.
5.7. Организация консервации оборудования с помощью ВОУ по схеме, как с разомкнутым, так и с замкнутым контурами.
5.8. Оснащение источников воздуха заводского изготовления воздухопроводами для подключения к консервируемому оборудованию.
Выполнение антикоррозийной защиты при изготовлении своими силами подводящих воздухопроводов, опор и подвесок на несущих конструкциях цеха, а также тепловую изоляцию, если температура их поверхности может превышать 45°С. Оборудование концов воздухопроводов цилиндрическими участками для присоединения к соответствующим фланцам впускных штуцеров.
5.9. Использование штатных трубопроводов и арматуры для подвода воздуха от источников воздуха к консервируемому оборудованию, перетока его от одной части оборудования к другой.
Монтаж впускных штуцеров (временных или постоянных) непосредственно в местах впуска воздуха в оборудование.
5.10. Обеспечение выпуска воздуха для эффективной вентиляции консервируемых объемов оборудования в конце консервируемых участков. Использование для этого штатных дренажей, открывающихся в воронку, воздушников, люков конденсатосборников конденсаторов и бойлеров, линий опорожнения или аварийного слива, трубопроводов отсоса воздуха, концевых уплотнений или специально устанавливаемых вентиляционных штуцеров D
у
40 – 100 мм с запорной арматурой. Определение количества и расположения линий выпуска воздуха местной схемой консервации и составом консервируемого оборудования.
5.11. Расчет постоянных впускных и вентиляционных штуцеров, запорной арматуры или заглушек к ним на рабочие параметры оборудования.
5.12. Оснащение схемы консервации следующими контрольно-измерительными приборами и органами управления:
- ключами управления электродвигателями;
- амперметрами для измерения тока электродвигателя вентиляторов;
- дифференциальными манометрами на стороне нагнетания источника воздуха (предел измерений 0 – 4 кПа);
- дифференциальными манометрами для измерения давления в контуре консервации (предел измерений 0 – 2,5 кПа);
- термопарами или термометрами для измерения температуры воздуха и металла оборудования;
- термогигрометром для измерения температуры и относительной влажности воздуха (переносной и стационарный);
- системой автоматического включения и отключения установок осушки и подогрева воздуха по сигналу от термогигрометра.
5.13. Выполнение аэродинамического и теплового расчетов схемы консервации (параметры источника воздуха или эжекторной установки, сечения воздухопроводов, впускных и выпускных штуцеров), исходя из условий обеспечения в контуре консервации объемной часовой кратности циркуляции воздуха не менее 7 и давления – не менее 0,6 кПа.
Проведение расчетов на основе рекомендаций разработчиков установок по выработке воздуха, с использованием данных из [5 – 12, 19].
Подбор или проектирование на основании выполненных расчетов источника воздуха или эжекторной установки соответствующих параметров, разработка рабочих чертежей схемы консервации.
5.14. Проведение контроля качества процесса в период внедрения способа на объекте с помощью индикаторов коррозии при проектировании схем консервации. Корректировка при внедрении принятой технологии расчетных технологических параметров консервации (значения относительной влажности воздуха в контуре, температуры нагрева воздуха, периодичности включения и отключения источников воздуха и т.п.) для повышения эффективности процесса.
Контроль эффективности процесса консервации путем определения скорости общей коррозии (по потере в массе) плоских контрольных образцов (индикаторы коррозии). Выполнение контрольных пластин (индикаторов коррозии) прямоугольными (40×20×2 мм) или круглыми (60×2 мм), из стали марки Ст.3 или Ст.20. Помещение образцов во внутренний объем контура консервации с помощью специальных устройств – контейнеров. Рекомендуемое количество устанавливаемых пластин – не менее трех.
Срок выдержки образцов в контуре – не менее 500 ч, достаточных для стабилизации процесса коррозии. В соответствии с [1] допустимая скорость коррозии металла – не более 30 мг/(м2
·ч) [обычно до 10 мг/(м2
·ч)].
Методика подготовки контрольных пластин (шлифовка, обезжиривание, сушка), устройство контейнеров, способ определения значения скорости общей коррозии описаны в [13, 14].
6. Консервация турбоустановок воздухом
6.1. Организация схемы консервации
Руководство при организации схем консервации положениями [5, 19].
Возможен ввод в состав консервируемого оборудования помимо собственно турбины с конденсатором и неотключаемыми подогревателями еще и ПВД и ПНД, сетевых подогревателей и других теплообменников, соединенных с внутренним объемом турбины. Учет возможности принудительного подъема клапана обратного соленоидного (КОС), в противном случае организацию либо подвода воздуха в трубопровод между КОС и подогревателем, либо разборку и выемку запорного органа КОС. Потребность существенно большего времени стабилизации при консервации паровой стороны подогревателей, чем остального объема турбоустановки, особенно при наличии недренируемого трубного пучка.
Установка индикаторов коррозии для контроля скорости общей коррозии предпочтительна в паровом пространстве конденсатора на уровне оси ротора ЦНД, в конденсатосборнике конденсатора и горизонтальном подогревателе сетевой воды.
6.2. Ввод в консервацию
Рекомендации по вводу в консервацию
6.2.1. Выполнение влажно-паровой промывки проточной части, с использованием соответствующих технологий при разгружении турбины перед вводом ее в длительную (свыше 30 дней) консервацию.
6.2.2. Дренирование турбоустановки в процессе остывания непосредственно после отключения турбогенератора от сети, затем вакуумная сушка оборудования, поддержание вакуума в объеме, подлежащем дренированию, с помощью рабочих эжекторов.
6.2.3. Проверка после остывания турбины и отключения валоповоротного устройства надежности отключения турбоустановки от действующей части тепловой схемы, проведение повторного дренирования консервируемых объемов и опорожнения емкостей (ПВД, ПНД, конденсатосборников и т.п.). Отключение турбины от промежуточного пароперегревателя (по возможности). Взвод и постановка на упоры стопорных и регулирующих клапанов, поворотных диафрагмы, КОС.
6.2.4. Проведение подключения установки по осушке или подогреву воздуха к турбоустановке снятием заглушек с впускных штуцеров.
Открытие арматуры впускных и вентиляционных штуцеров, дренажей и воздушников для вентиляции консервируемого объема.
6.2.5. Выполнение герметизации телескопического соединения между выхлопным патрубком и конденсатором, применяя мягкую резину и клей (по возможности).
6.2.6. Начало консервации турбоустановки (по возможности) при температуре металла ЦВД в зоне регулирующей ступени не ниже 150°С, особенно при консервации подогретым воздухом.
6.3. Консервация осушенным воздухом
Рекомендации по проведению консервации осушенным воздухом
6.3.1. Включение в работу ВОУ для выполнения осушки турбины по разомкнутой схеме с целью уменьшения относительной влажности во внутреннем объеме. Вытеснение в этом режиме влажного воздуха в атмосферу через концевые уплотнения, линию обеспаривания между главной паровой задвижкой и стопорными клапанами, вентиляционные штуцера на трубопроводах отсоса эжекторов и т.п.
Контроль хода сушки один раз в смену по показаниям переносного измерителя влажности (термогигрометр), установкой зонда в поток воздуха на выходе из различных участков схемы.
6.3.2. Замыкание выпуска воздуха из линии обеспаривания, трубопроводов отсоса паровоздушной смеси из эжекторов на сторону всасывания ВОУ после снижения относительной влажности на выпусках воздуха до 60 % .
6.3.3. Поддержание в турбине при консервации по замкнутой схеме значения относительной влажности в диапазоне 40 – 60 %, давления - не менее 0,6 – 1 кПа.
Автоматизация режима работы по замкнутому контуру включением ВОУ в работу по сигналу от датчика-регулятора влажности при повышении относительной влажности до 55 – 60 %.

1 – фильтр обеспыливания воздуха; 2 – теплообменник–испаритель; 3 – электрокалорифер; 4 – вентилятор; 5 – датчик–регулятор влажности.
Рисунок 8 – Схема консервации турбины Т–100–130 осушенным воздухом
6.4. Консервация подогретым воздухом
Рекомендации по проведению консервации подогретым воздухом
6.4.1. Включение в работу ВНУ, регулирование подогрева воздуха в калорифере до требуемой температуры. Настройка устойчивого выхода воздуха из вентиляционных штуцеров и концевых уплотнений турбины. Регулирование выхода воздуха прикрытием соответствующей арматуры.
6.4.2. Регистрация во время стабилизации режима консервации каждые 4 часа показаний контрольно-измерительных приборов.
Переход на режим периодического включения ВНУ при достижении давления воздуха в контуре 0,6 – 1 кПа и относительной влажности на выходах из контура менее 60 %.
6.4.3. Определение периодичность включения и продолжительности работы ВНУ опытным путем. Как показывает практика, целесообразно включение ВНУ в ночное время суток любого времени года, при снижении температуры окружающего воздуха и соответственно повышении его относительной влажности.
6.4.4. Периодическое проведение визуального осмотра состояния лопаток и дисков последних ступеней -один раз в месяц и чаще, через люки выхлопного патрубка.
6.4.5. Ведение контроля режима по показаниям приборов ежесуточно на весь период консервации. Регулирование температуры подогретого воздуха в зависимости от температуры окружающего воздуха.

1 – фильтр обеспыливания воздуха; 2 – вентилятор; 3 – злектрокалорифер;
4 – датчик контроля относительной влажности воздуха
Рисунок 9 – Схема консервации турбины Т-100-130 подогретым воздухом

1 – ЦВД; 2 – ЦНД; 3 – стопорный клапан; 4 – ГПЗ; 5 – генератор; 6 –конденсатор; 7, 8, 9 – ПВД– 5, 6, 7; 10, 11, 12 – ПНД–4, 3, 2; 13 – БО–90; 14 – ПС–50; 15 – пусковой эжектор; 16 – основной эжектор; 17 –турбовоздуходувки ТВ–80–1,8; 18 – фильтр обеспыливания воздуха; 19 – разгрузка; 20 – сброс воздуха в атмосферу через люк конденсатосборника; 21 – сброс воздуха через аварийный срыв вакуума; 22, 23, 24 – сброс воздуха из парового пространства соответственно ПНД, БО–90, ПС–50 через линии каскадного слива конденсата; 25, 26 – сброс воздуха в атмосферу через выхлопы пускового и основных эжекторов;
27 – сброс воздуха через линию обеспаривания; 28, 29 – дополнительно монтируемые трубопроводы подвода воздуха на консервацию; 30 – сброс воздуха из парового пространства ПВД;
31 – датчик контроля относительной влажности воздуха.
Рисунок 10 – Схема консервации турбоустановки ПТ-60/75-130/13 подогретым воздухом.
6.5. Вывод из консервации
Рекомендации по выводу из консервации воздухом
6.5.1. Проведение отключения установки осушки или подогрева воздуха, закрытия арматуры на вентиляционных штуцерах, установки заглушек (или закрытие арматуры) на впускных штуцерах, отсоединения подводящих воздухопроводов для вывода турбоустановки из консервации.
6.5.2. После включения насосов системы регулирования взвод стопорных и регулирующих клапанов, удаление упоров, закрытие клапанов. Удаление упоров КОС.
6.5.3. Проведение дальнейшей подготовки турбоустановки к пуску в соответствии с инструкцией по эксплуатации.
7. Консервация барабанных котлов
В настоящих Указаниях в качестве примера приведены схемы и основные этапы технологии консервации воздухом барабанных котлов ТГМ-96 и БКЗ-210-140 с применением турбовоздуходувки и котла Е-160-3,9-440ГМ с применением эжекторной установки.
Индикаторы коррозии для контроля скорости общей коррозии размещены в центре барабана котла или на одном из выпускных трубопроводов воздуха (или на специальной байпасной линии этого трубопровода) [13].
7.1. Организация схем консервации с применением турбовоздуходувки
Организация схем консервации с применением турбовоздуходувки рекомендуется проведением нижеуказанных мероприятий:
7.1.1. Проведение подачи воздуха от турбовоздуходувки к воздушным штуцерам по трубопроводу D
у
100 – 150 мм.
7.1.2. Возможность поступления воздуха непосредственно в котел по трубопроводам аварийного слива барабана или продувки пароперегревателя, если условный диаметр этих трубопроводов не менее 100 мм.
Возможность подачи воздуха в котел через две точки:
- трубопровод D
у
65 мм продувки пароперегревателя между двумя последовательно установленными запорными вентилями;
- трубопровод D
у
65 мм рециркуляции «барабан – водяной экономайзер» со стороны барабана.
7.1.3. Проведение вентиляцию котла (сброс воздуха в атмосферу) через:
- штатную продувку пароперегревателя;
- дополнительные врезки D
у
65 мм на дренажном кольце нижних точек испарительной системы;
- дополнительную врезку D
у
65 мм за обратным клапаном на трубопроводе питательной воды.

1 – котел; 2 – водяной экономайзер; 3 – барабан; 4 – линия аварийного слива из барабана; 5 – пароперегреватель; 6 – ГПЗ; 7 – пар к турбине; 8 – продувка пароперегревателя; 9 – опорожнение испарительной системы; 10 – дренажное кольцо нижних точек испарительной системы; 11 – от ПЭН; 12–турбовоздуходувка ТВ–80–1,8; 13 – к системе дробеочистки конвективных поверхностей нагрева котла; 14 – фильтр обеспыливания воздуха; 15 – линия разгрузки; 16 – в расширитель слива из котла; 17 – вход воздуха через аварийный слив из барабана; 18 – сброс воздуха в атмосферу после водяного экономайзера; 19 – сброс воздуха после испарительной системы; 20 – сброс воздуха через продувку пароперегревателя.
Рисунок 11 – Схема консервации барабанного котла ТГМ–96
подогретым воздухом.

1 – котел; 2 – водяной экономайзер; 3 – барабан; 4 – линия рециркуляции «барабан –водяной экономайзер»; 5 – пароперегреватель; 6 – ГПЗ; 7 – пар к турбине; 8 – продувка пароперегревателя; 9 – опорожнение испарительной системы; 10 – дренажное кольцо нижних точек испарительной системы; 11 – от ПЭН; 12 – турбовоздуходувка ТВ–80–1,8; 13 – к системе дробеочистки конвективных поверхностей нагрева котла; 14 – фильтр обеспыливания воздуха; 15 – линия разгрузки; 16 – существующие трубопроводы системы дробеочистки; 17 – вход воздуха через линию рециркуляции «барабан–водяной экономайзер»; 18 – вход воздуха через продувку пароперегревателя; 19 – сброс воздуха в атмосферу после водяного экономайзера; 20 – сброс воздуха после испарительной системы.
Рисунок 12 – Схема консервации котла БКЗ–210–140 подогретым воздухом.
7.2. Организация схем консервации с применением эжекторной установки
Рекомендуемые мероприятия для создания схем консервации с применением эжекторной установки:
7.2.1. Организация подвода воздуха во внутренний объем пароводяного тракта котла через корпус фильтра-осушителя по трубопроводу D
у
100 мм в главный паропровод.
7.2.2. Отсос воздуха из котла через дополнительные врезки D
у
65 мм в дренажном коллекторе нижних точек испарительной системы, питательном трубопроводе до водяного экономайзера, в коллекторах экономайзера. Условный диаметр трубопровода на стороне всасывания эжектора – 100 мм.
7.2.3. Установка арматуры с электроприводом на трубопроводах подвода воздуха и пара перед эжектором, а в общий трубопровод отсоса воздуха перед эжектором датчика с выходом на регистрирующий прибор контроля относительной влажности воздуха для автоматизации поддержания относительной влажности воздуха в требуемом диапазоне.

1 – котел; 2 – водяной экономайзер; 3 – барабан; 4 – пароперегреватель; 5 – продувка пароперегревателя; 6 – ГПЗ; 7 – пар к турбине; 8 – дренажное кольцо нижних точек испарительной системы; 9 – опорожнение испарительной системы; 10 – от ПЭН; 11 – паровой эжектор; 12 – отсос воздуха из испарительной системы; 13, 14 – отсос воздуха из водяного экономайзера; 15 –рабочий пар к эжектору; 16 – в атмосферный расширитель; 17 – фильтр–осушитель; 18 – датчик контроля относительной влажности воздуха.
Рисунок 13 – Схема консервации барабанного котла Е-160-3,9-440ГМ
осушенным воздухом.
7.3. Консервация подогретым воздухом
Рекомендуемые мероприятия для создания схем подогретым воздухом
7.3.1. Подключение трубопровода подачи воздуха к впускным штуцерам непосредственно после снижения давления в котле в процессе сухого останова до атмосферного.
7.3.2. Закрытие дренажей и воздушников котла и открытие соответствующих вентилей на трубопроводах пароводяного тракта котла и впускных и выпускных штуцерах для обеспечения вентиляции воздуха.
7.3.3. Включение в работу ВНУ для осуществления вентиляции объема котла подогретым воздухом до снижения относительной влажности воздуха на выходе из контура ниже 60 % , с последующим переходом на режим периодического включения установки.
7.3.4. Определение периодичности включения и продолжительности работы ВНУ (или турбовоздуходувки) опытным путем.
7.4. Консервация осушенным воздухом с применением
эжекторной установки
Рекомендуемые мероприятия для создания схем осушенным воздухом с применением эжекторной установки
7.4.1. Подключение фильтра-осушителя и трубопровода на стороне всасывания эжектора к впускным и выпускным штуцерам непосредственно после снижения давления в котле в процессе сухого останова до атмосферного.
7.4.2. Обеспечение закрытием арматуры дренажей, воздушников и открытием соответствующих вентилей на трубопроводе продувки пароперегревателя и впускных и выпускных вентилей входа и выхода воздуха.
7.4.3. Проведение вентиляции внутреннего объема котла до понижения относительной влажности воздуха на стороне всасывания эжектора до значения влажности окружающего воздуха, включение в работу эжектора, после чего закрытие задвижки на стороне всасывания эжектора и установка кассеты с влагопоглотителем в фильтр-осушитель и датчика контроля относительной влажности перед эжектором.
7.4.4. Продолжение вентиляции внутреннего объема котла до понижения относительной влажности менее 60 % повторным открытием задвижки на стороне всасывания эжектора, с последующим отключением эжектора по пару и включением в работу при повышении влажности до 55 – 60 %.
7.4.5. Определение периодичности включения и продолжительности работы эжектора, периодичность смены кассет с влагопоглотителем опытным путем.
7.5. Консервация оборудования блока с барабанным котлом
7.5.1. На рисунке 14 приведена схема консервации подогретым воздухом оборудования блока с барабанным котлом с применением турбовоздуходувки.
При выполнении данной схемы консервации руководствуются указаниями по консервации турбоустановок и барабанных котлов.
7.5.2. Рекомендуемые мероприятия для создания схем осушенным воздухом с применением эжекторной установки
- Осуществление подвода воздуха как минимум в две точки консервируемого контура из-за различного темпа естественного остывания змеевиков котла и цилиндров турбины.
- Подвод воздуха в трубопровод аварийного слива барабана, а для консервации всего оборудования блока – в перемычку трубопроводов холодного промперегрева для вентиляции внутреннего объема пароводяного тракта после сухого останова котла.
- Подача воздуха на охлаждение фланцев и шпилек цилиндров турбины для возможности проведения ускоренного расхолаживания турбины.

1 – котел Т–образной компоновки; 2 – барабан; 3 – пароперегреватель; 4 – промежуточный пароперегреватель; 5 – водяной экономайзер; 6 – дренажное кольцо нижних точек испарительной системы; 7 – продувка пароперегревателя; 8 – перемычка холодного промперегрева; 9 –пускосбросное БРОУ; 10 – ГПЗ; 11 – СК ЦВД; 12 – ЦВД; 13 – СК ЦСД; 14 – ЦСД; 15 – ЦНД; 16–генератор; 17 – конденсатор; 18 – конденсатосборник конденсата; 19 – аварийный слив из барабана; 20 – от ПЭН; 21 – опорожнение водяного объема испарительной системы; 22 – турбовоздуходувка ТВ–80–1,8; 23 – разгрузка; 24 – фильтр обеспыливания; 25 – воздух в систему дробеочистки; 26 – воздух на консервацию пароводяного тракта высокого давления; 27 – воздух на консервацию пароводяного тракта низкого давления; 28 – дренаж для опорожнения водяного экономайзера; 29 – сброс воздуха в атмосферу из внутреннего объема испарительной системы и водяного экономайзера; 30 – сброс воздуха через люк конденсатосборника конденсатора.
Рисунок 14 – Схема консервации подогретым воздухом оборудования блока с барабанным котлом.
7.6. Вывод котла из консервации
7.6.1. Отключение турбовоздуходувки или эжекторной установки для вывода котла из консервации, закрытие арматуры на впускных и выпускных штуцерах, отсоединение трубопроводов подвода и отвода воздуха.
7.6.2. Возможность начала растопки котла в соответствии с инструкцией по эксплуатации после выполнения указанных операций.
8. Консервация энергоблоков
сверхкритического давления
8.1. В данном разделе приведены схемы и технологии консервации воздухом котла и турбоустановки с помощью турбовоздуходувки и эжекторной установки (рисунки 15, 16, 17).
Аналогичным образом могут быть реализованы схемы и технология консервации энергоблоков с помощью ВОУ или ВНУ соответствующих параметров.
8.2. Рекомендуемые мероприятия для создания схем консервации энергоблоков сверхкритического давления:
8.2.1. Возможность начала консервации турбины воздухом при температуре металла ЦВД в зоне регулирующей ступени значительно выше 150°С при осуществлении ускоренного расхолаживания оборудования блока.
8.2.3. Организация подачи воздуха на охлаждение фланцев и шпилек ЦВД и ЦСД–1.
8.2.4. Сокращение продолжительности простоя при выводе турбины в ремонт при использовании схемы воздушного расхолаживания. Длительность естественного остывания ЦВД турбины Т-250/300-240 до температуры металла в зоне регулирующей ступени 150°С равна 180 ч. Сокращение продолжительности процесса до 36 ч при ускоренном расхолаживании и использовании в качестве источника воздуха турбовоздуходувки.

1 – от насоса питательной воды (ПЭН); 2 – регулятор питания котла (РПК); 3 – дренажный коллектор высокого давления; 4 – в расширитель слива из котла; 5 – прямоточный котел СКД; 6 – встроенная задвижка (ВЗ); 7 – ГПЗ; 8 – ЦВД; 9 – ЦСД-1; 10 – ЦСД-2; 11 – ЦНД; 12 – генератор; 13 – конденсатор; 14 – конденсатосборник конденсатора; 15 – перемычка горячего пароперегревателя; 16 – перемычка холодного пароперегревателя; 17 – подогреватель сальниковых уплотнений (ПС) БРОУ; 18 – турбокомпрессор; 19 – разгрузка турбовоздуходувки; 20 – фильтр обеспыливания воздуха; 21 – воздух в систему дробеочистки; 22 –дополнительно монтируемый трубопровод с арматурой подачи воздуха в перемычку ХПП; 23 –ревизия; 24 – отсос воздуха на эжекторы; 25 – выхлоп в атмосферу из эжекторов; 26 – выхлоп в атмосферу из конденсатосборника конденсатора.
Рисунок 15 – Схема ускоренного воздушного расхолаживания турбины
Т–250/300–240 с применением турбовоздуходувки ТВ–80–1,8.
Поток А: трубопроводы ХПП - ЦВД – дренажи ЦВД и перепускных труб ЦВД – конденсатор – эжектор – шумоглушитель.
Поток Б: трубопроводы ХПП – промежуточный пароперегреватель – ГПП – ЦСД–1 – ЦСД–2 – ЦНД – конденсатор – эжектор – шумоглушитель.
Периодическое включение в работу эжектора при понижении влажности на выходе из контуров ниже 60%. Определение опытным путем периодичности и продолжительности работы эжектора.

1 – от ПЭН; 2 – РПК; 3 – дренажный коллектор высокого давления; 4 – в расширитель слива из котла; 5 – прямоточный котел СКД; 6 – ВЗ; 7 – ГПЗ; 8 – ЦВД; 9 – ЦСД–1; 10 – ЦСД-2; 11 – ЦНД; 12 – генератор; 13 – конденсатор; 14 – конденсатосборник конденсатора; 15 – перемычка ГПП; 16– перемычка ХПП; 17 – ПС БУ; 18 – турбовоздуходувка; 19 – разгрузка турбовоздуходувки; 20– фильтр обеспыливания воздуха; 21 – дополнительно монтируемый трубопровод с арматурой подачи воздуха в перемычку ХПП; 22 – ревизия; 23 – дополнительно монтируемый трубопровод с арматурой подачи воздуха в дренажный коллектор опорожнения котла; 24 – датчик контроля относительной влажности воздуха; 25 – выхлоп в атмосферу через люк конденсаторасборника конденсатора
Рисунок 16 – Схема ускоренного расхолаживания и консервации
оборудования блока подогретым воздухом с применением турбовоздуходувки
8.3. Установка на трубопроводе отсоса воздуха на основные эжекторы датчика с выходом на регистрирующий прибор контроля относительной влажности и электрификация запорной арматуры на трубопроводе отсоса воздуха и паропроводе к эжектору для автоматизации процесса консервации. Поддержание относительной влажности в диапазоне 40 – 60%.
8.4. Выполнение подвода воздуха во внутренний объем блока в следующие точки при использовании турбовоздуходувки:
- дренажный коллектор опорожнения водяного объема котла;
- перемычка трубопроводов ХПП.

1 – от ПЭН; 2 – РПК; 3 – дренажный коллектор высокого давления; 4 – в расширитель слива из котла; 5 – прямоточный котел СКД; 6 – ВЗ; 7 – ГПЗ; 8 – ЦВД; 9 – ЦСД–1; 10 –ЦСД–2; 11 – ЦНД; 12– генератор; 13 – конденсатор; 14 – конденсатосборник конденсатора; 15 – перемычка ГПП; 16– перемычка ХПП; 17 – ПС БУ; 8 – эжектор парового расхолаживания (ЭПР); 19 – подвод пара к ЭПР; 20 – шумоглушитель; 21 – дренаж шумоглушителя; 22 – отсос воздуха из эжектора; 23 – фильтр обеспыливания воздуха на входе в ХПП; 24 – дополнительно монтируемый трубопровод с арматурой подвода воздуха в ХПП; 25 – ревизия; 26 –фильтр обеспыливания воздуха на входе в дренажный коллектор; 27 – дополнительно монтируемый трубопровод с арматурой подвода воздуха в дренажный коллектор; 28 – датчик контроля относительной влажности воздуха
Рисунок 17 – Схема ускоренного расхолаживания и консервации
оборудования блока осушенным воздухом с применением ЭПР
8.5. Основные этапы технологии консервации с применением турбовоздуходувки ТВ-80-1,8 следующие:
- расхолаживание блока на скользящих параметрах;
- отключение генератора от сети, выбег, включение ВПУ;
- сухой останов котла;
- вентиляция пароводяного тракта котла высокого давления подогретым воздухом от ТВ по следующему контуру: ТВ – дренажный коллектор опорожнения водяного объема котла D
у
125 мм – дренажи водяного объема котла – пароводяной тракт котла высокого давления – главные паропроводы – ПСБУ – конденсатор – трубопроводы отсоса воздуха на эжекторе – трубопроводы аварийного срыва вакуума;
- подача воздуха на охлаждение фланцев и шпилек ЦВД и ЦСД-1;
- ускоренное расхолаживание цилиндров турбины со следующей схемой движения воздуха: ТВ – перемычка ХПП – трубопроводы ХПП, далее два потока А и Б.
Поток А: трубопроводы ХПП обратным ходом – ЦВД – регулирующий клапан (РК) – стопорный клапан (СК) – линия обеспаривания.
Поток Б: трубопроводы ХПП – верхний пароперегреватель (ВПП) – главный пароперегреватель (ГПП) – ЦСД-1 –ЦСД-2 – ЦНД – конденсатор – люк конденсатосборника конденсатора;
- периодическая вентиляция внутреннего объема блока подогретым воздухом.
- установка датчика контроля влажности в точке выпуска воздуха для автоматизации процесса поддержания относительной влажности воздуха в диапазоне 40 – 60 % . Выполнение при этом следующих блокировок:
- включение ТВ при повышении относительной влажности воздуха до 55 – 60 %;
- отключение ТВ при понижении относительной влажности воздуха до 40 % с выдержкой по времени.
9. Консервация водогрейных котлов
9.1. Общие положения
9.1.1. Для консервации могут быть использованы ВОУ, ВНУ, турбовоздуходувка, автономный контур горячей сетевой воды.
Приводятся примеры вариантов схем консервации котлов ПТВМ-180, ПТВМ-100, КВГМ-180.
Схема консервации котла ПТВМ-180 подогретым воздухом от турбовоздуходувки (рисунок 18);

1 – турбовоздуходувка; 2 – фильтр обеспыливания воздуха; 3 – гильза под ртутный термометр; 4 – штуцер под U–образный манометр; 5 – дополнительно монтируемый трубопровод подачи воздуха; 6 – эксплуатационные фланцевые заглушки D
у
250 мм; 7 – дополнительно монтируемый трубопровод сброса воздуха в атмосферу; 8 – входной трубопровод сетевой воды; 9 – выходной трубопровод сетевой воды; 10 – ремонтные фланцевые заглушки D
у
700 мм; 11 – фланцевая камера D
у
100 мм под индикаторы коррозии; 12 – датчик контроля относительной влажности воздуха; 13 – выхлоп в атмосферу; 14 – запорная арматура сетевых трубопроводов; 15– подвод пара давлением 13 атм.
Рисунок 18 – Схема консервации водогрейного котла ПТВМ–180
подогретым воздухом с применением ТВ.
Консервация котла ПТВМ–100 подогретым воздухом и осушенным подогретым воздухом с использованием силикагелевой кассеты и ВНУ (рисунок 19, 20);

1 – вентилятор; 2 – электрокалорифер; 3 – фильтр обеспыливания воздуха; 4 – гильза под ртутный термометр; 5 – штуцер под U-образный манометр; 6 – датчик контроля относительной влажности; 7 – фланцевая камера Dy
100 мм под индикаторы коррозии; 8 – фланцевые заглушки Dy
600 мм; 9 – напорный воздуховод; 10 – сбросной воздуховод; 11 – выхлоп в атмосферу; 12 – входной сетевой трубопровод; 13 – выходной сетевой трубопровод; 14 – подвод пара давлением 13 атм.
Рисунок 19 – Схема консервации котла ПТВМ–100 подогретым
воздухом с использованием ВНУ

1 – ВОУ; 2 – электрокалорифер; 3 – фильтр обеспыливания воздуха; 4 – гильза под ртутный термометр; 5 – штуцер под U–образный манометр; 6 – датчик контроля относительной влажности воздуха; 7 – фланцевая камера D
у
100 мм под индикаторы коррозии; 8 – фланцевые заглушки D
у
600 мм; 9 – выхлоп в атмосферу; 10 – воздушные заслонки; 11 – отводящий воздуховод; 12 – подающий воздуховод; 13 – входной сетевой трубопровод D
у
600 мм; 14 – выходной сетевой трубопровод D
у
600 мм; 15 – силикагелевый патрон; 16 – подвод пара.
Рисунок 20 – Схема консервации котла ПТВМ–100 осушенным подогретым воздухом с использованием ВОУ.
Консервация котла КВГМ – 180 подогретым воздухом при использовании тепла автономного контура (рисунок 21).

1 – ремонтные фланцевые заглушки; 2 – эксплуатационные фланцевые заглушки; 3 – выхлоп в атмосферу; 4 – место установки силикагеля; 5 – забор воздуха; 6 – вентилятор; 7 – точки измерения температуры и давления сетевой воды автономных пакетов; 8 – дополнительно монтируемые трубопроводы; 9 – автономные конвективные пакеты; 10 – запорная арматура сетевых трубопроводов; 11 – съемная быстромонтируемая перемычка водяного тракта
Рисунок 21 – Схема консервации водогрейного котла КВГМ–180
с помощью автономного контура
9.1.2. Рекомендуемые мероприятия для создания схем консервации водогрейных котлов:
- выполнение на период консервации надежного уплотнения топки и газоходов котла с помощью утеплителей, съемных шиберов (шандор);
- монтаж штуцеров для установки дифференциальных манометров, устройств крепления датчиков контроля относительной влажности на впускном и выпускном воздухопроводах;
- оснащение схемы консервации системой автоматического управления процессом с регистрацией показателя влажности в консервируемом объеме;
- автоматизация включения и отключения источника воздуха по сигналу от датчика влажности.
9.1.3. При проведении первой на электростанции консервации рекомендованы следующие методы контроля эффективности процесса:
- вырезка контрольных участков конвективной части с целью визуального определения степени удаления воды из котла после дренирования или паровом разогреве;
- определение относительной влажности воздуха в контрольных точках тракта котла в различные периоды консервации путем установки датчиков влажности или устройств для отбора проб воздуха на влажность;
- установка индикаторов коррозии в контрольных точках схемы [13].
9.2. Организация схемы консервации котлов ПТВМ-100 и ПТВМ-180
осушенным и подогретым воздухом
9.2.1. Рекомендуемые мероприятия для создания схем консервации водогрейных котлов осушенным и подогретым воздухом:
- проведение парового разогрева (продувки) конвективной части котла для выпаривания остатков сетевой воды перед подачей воздуха в котел;
- подвод паропровода с арматурой на вход в конвективную часть для проведения парового разогрева котла. Диаметр паропровода D
у
100 – 150 мм, давление пара 13 атм;
- отвод сбросного пара из котла в атмосферу;
- установка заглушек на входных и выходных трубопроводах и их дренажах для отключения котла по сетевой воде во время консервации;
- проведение подачи воздуха в котел от источника по воздухопроводу Dy
250 – 400 мм;
- приварка впускного штуцера на входном трубопроводе котла и выпускного штуцера – на выходном;
- соответствие диаметров впускного и выпускного штуцеров диаметру воздухопровода;
- выполнение впускного и выпускного штуцеров с фланцевыми соединениями для установки запорных задвижек или заглушек с целью создания стационарной схемы с возможностью отключения на период работы котла;
- монтаж выхлопа в атмосферу от выпускного штуцера по трубопроводу Dy
250 – 400 мм;
- возможность создания разомкнутого и замкнутого контуров при использовании осушенного воздуха монтажом необходимых для схемы трубопроводов с арматурой.
9.3. Организация схемы консервации котла КВГМ-180
при использовании тепла автономного контура
9.3.1. Рекомендуемые мероприятия для создания схемы консервации водогрейных котлов КВГМ-180 при использовании тепла автономного контура:
- отглушка по 2 последовательно соединенных полупакета в правой и левой конвективных шахтах на котле, имеющем в конвективной части 96 штатных полупакетов, от верхнего раздающего и нижних сборных коллекторов.
- замыкание автономного контура с помощью трубопроводов D
у
100 мм с задвижками на входной и выходной трубопроводы котла;
- монтаж штуцеров для подключения этих трубопроводов на участках входного и выходного трубопроводов между входной (выходной) задвижкой и заглушкой;
- установка заглушек по сетевой воде на входных и выходных трубопроводах котла, а также их дренажах на время консервации;
- монтаж впускного штуцера D
у
150 мм на входном трубопроводе сетевой воды (после заглушки по ходу воды) для подачи воздуха во внутренний объем котла;
- монтаж выпускного штуцера D
у
150 мм на выходном трубопроводе сетевой воды (до заглушки по ходу воды) для прохода воздуха;
- установка дополнительных четырех воздушников D
у
100 мм на верхних коллекторах потолочных экранов котла для выпуска воздуха в атмосферу;
- монтаж воздухопроводов для забора воздуха из нижней части топки и подачи его в газоход до съемного шибера (заглушки) для организации циркуляции воздуха по газовому тракту котла для правой и левой конвективных шахт;
- проведение вентиляции воздуха в водяном объеме котла с помощью вентилятора ВЦ 14 – 46.31501А – 0,2, Q
= 3500 м3
/ч, N
= 1,5 кВт;
- возможность проведения вентиляции водяного объема котла по разомкнутому контуру (выброс воздуха в атмосферу через воздушники и выпускной штуцер на выходном трубопроводе) и замкнутому контуру, с направлением воздуха из выпускного штуцера на сторону всасывания вентилятора;
Для повышения эффективности консервации целесообразно оснащение вентилятора электрокалорифером или использование ВНУ, или применение ВОУ вместо обычного вентилятора.
- использование вентилятора типа (ВЦ 14 – 46.31501А – 0,2, Q
= 3500 м3
/ч, N
= 1,5 кВт, без калорифера) для циркуляции воздуха по газовому тракту
- температурный контроль трубопроводов входа и выхода автономного контура ведут в периоды работы и консервации котла.
9.4. Консервация котла ПТВМ-100 осушенным подогретым воздухом
9.4.1. Рекомендуемые мероприятия для создания схемы и проведения консервации водогрейного котла ПТВМ-100 осушенным подогретым воздухом:
- уплотнение топки со стороны дымовой трубы и дутьевых вентиляторов после останова котла и дренирования его по штатной схеме, установки заглушек на трубопроводах сетевой воды;
- подключение воздухопроводов к впускному и выпускному штуцерам, подготовка к включению ВОУ;
- проведение парового разогрева металла котла до температуры 150°С путем подачи в котел пара после открытия задвижки на выпускном штуцере;
- определение продолжительности разогрева опытным путем;
- вентиляция внутреннего объема котла открытием задвижки на впускном штуцере и включением в работу ВОУ после разогрева котла и прекращения продувки паром;
- проведение вентиляции с выбросом воздуха в атмосферу (разомкнутый контур);
- окончание вентиляции котла при понижении относительной влажности воздуха на выходе из котла до 60 % (с определением влажности переносным прибором);
- переход по окончании вентиляции котла на замкнутый контур открытием задвижки на стороне всасывания ВОУ и закрытием – на выхлопе в атмосферу;
- установка датчика влажности и индикаторов коррозии после перехода на замкнутый контур;
- отключение ВОУ при понижении влажности воздуха на выходе из котла до 40 %, следующее включение ВОУ при повышении влажности в контрольной точке тракта котла до 60 % или по времени;
- определение продолжительности простоя ВОУ опытным путем при контроле влажности в тракте котла в период проведении первой консервации.
- осуществление контроля процесса при длительной консервации, помимо измерения влажности, путем оценки один раз в месяц состояния индикаторов коррозии [13];
- выставление уставок на отключение ВОУ - при достижении влажности 40 %, а на включение ВОУ – при повышении влажности до 60 % или по времени при автоматизации процесса консервации.
9.5. Консервация котлов ПТВМ-100 и ПТВМ-180 подогретым воздухом
9.5.1. Консервацию котлов ПТВМ-100 и ПТВМ-180 подогретым воздухом
рекомендуется выполнять следующими мероприятиями:
- установкой датчика влажности и индикаторов коррозии после понижения влажности воздуха на выходе из котла до 60%
- отключением ВНУ при понижении влажности воздуха на выходе из котла ниже 60% и следующим включением ВНУ при повышении влажности в контрольной точке тракта котла до 60% или по времени.
- контролем процесса консервации измерением влажности и путем оценки один раз в месяц состояния индикаторов коррозии.
- выставлением уставок на отключение ВОУ - при достижении влажности 40 %, а на включение ВОУ – при повышении влажности до 60 % или по времени при автоматизации процесса консервации
9.6. Консервация котла КВГМ-180 при использовании
автономного контура сетевой воды
9.6.1. Консервацию котлов КВГМ-180 при использовании автономного контура сетевой воды рекомендуется выполнять следующими мероприятиями:
- проведением останова котла вручную ключом «аварийный останов котла» без предварительного снижения нагрузки и расхолаживания с целью использования тепла, аккумулированного во время работы котла в металле поверхностей нагрева, элементах конструкции и обмуровке, для гарантированного осушения горизонтальных труб конвективных полупакетов;
- максимальным увеличением тепловой нагрузки котла для прогрева тепловой изоляции до 38 – 40°С не менее чем за 4 ч до останова для повышения эффективности осушки поверхностей нагрева котла;
- отключением ДС, ДВ, закрытием их направляющих аппаратов, клапанов и шиберов по газовому тракту, а также воздушных шиберов, лючков и гляделок после вентиляции топки в течение не менее 10 мин;
- закрытием входных и выходных задвижек котла, их байпасов и открытием дренажных задвижек котла и автономного контура;
- открытием при понижении давления в водяном тракте до 2 – 3 атм воздушников автономного контура и 4 дополнительных воздушников D
у
100 мм на верхних коллекторах потолочных экранов для выхлопа пара, образовавшегося в результате вскипания остаточной воды, открытием дренажей на перепускных трубах нижних коллекторов боковых экранов;
- подачей воздуха в водяной тракт после подключения вентилятора к входному трубопроводу котла, вентиляторов к топке и газоходу;
- закрытием проемов в газоходах котла, ДС, а также вентиляторов для циркуляции воздуха в топке;
- сохранением открытыми шиберов центрального и периферийного воздуха перед горелками и клапанов на линии напора ДРГ, открытием на 15 – 20 % направляющего аппарата ДРГ;
- закрытием дренажей котла и автономного контура через 3 ч после их открытия;
- установкой заглушек на входном и выходном трубопроводах котла, с выполнением после этого, примерно через 10 ч после отключения котла, следующих операций:
- заполнением автономного контура до появления сплошных струй воды из воздушников контура при закрытых дренажах сетевых трубопроводов от заглушек до входной и выходной задвижек путем открытия байпасов этих задвижек и задвижки автономного контура;
- заполнением участков трубопроводов до заглушек для заполнения и обеспечения необходимого расхода сетевой воды через автономный контур и открытия входной и выходной задвижек котла;
- осушение водяного тракта со сбросом воздуха через воздушники D
у
-100 мм (разомкнутый контур) в течение 2 – 3 суток после подключения автономного контура, с последующим закрытием воздушников и выхлопом воздуха через выпускной штуцер на выходном трубопроводе котла;
- подсоединение воздухопровода выпускного штуцера при достижении относительной влажности воздуха за выпускным штуцером 30 – 40 % на сторону всасывания вентилятора для вентиляции воздуха по замкнутому контуру;
- уточнение опытным путем в процессе первой консервации оптимального времени дренирования котла, требуемых расходов и температуры сетевой воды в автономном контуре, продолжительность осушки котла по разомкнутому контуру в случае повышения относительной влажности воздуха на выходе из котла, режим работы вентиляторов в контуре циркуляции воздуха в топке.
9.7. Вывод водогрейных котлов из консервации
9.7.1. Для вывода котлов ПТВМ-100 и ПТВМ-180 из консервации осушенным или подогретым воздухом рекомендуется выполнение следующих операций:
- отключение ВОУ или ВНУ;
- закрытие арматуры на впускных и выпускных штуцерах;
- отсоединение трубопроводов подвода и отвода воздуха от котла;
- снятие заглушек на входном и выходном трубопроводах;
- начало растопки котла в соответствии с инструкцией по эксплуатации.
9.7.2. Для вывода котла КВГМ-180 из консервации при использовании автономного контура операции следующие:
- отключение вентиляторов;
- закрытие арматуры (установка заглушек) на впускных и выпускных штуцерах;
- отсоединение воздухопроводов от котла;
- снятие заглушек на входном и выходном трубопроводах;
- заполнение котла водой согласно инструкции по эксплуатации;
- заполнение автономного контура водой открытием воздушников контура, закрытием дренажей, приоткрыванием задвижки к контуру от входного и выходного трубопроводов котла;
- полное открытие задвижки питания контура после его заполнения;
- растопка котла согласно инструкции по эксплуатации;
- регулировка температуры и давления воды в автономном контуре на различных нагрузках котла в соответствии с температурой и давлением в сетевых трубопроводах.
Раздел
III
. Консервация турбогенераторов при нахождении
их в резерве или длительном простое
Раздел III настоящих Указаний распространяется на турбогенераторы всех типов, а также на сочлененные с ними возбудители и вспомогательные системы.
Указания разработаны для персонала электростанций и устанавливают объем и порядок работ, рекомендуемых при выполнении текущего технического обслуживания турбогенераторов при простоях в резерве в течение 30 суток и более, а также при подготовке и проведении консервации турбогенераторов при выводе их из работы на длительный период.
Объем выполняемых работ в зависимости от продолжительности простоев в резерве может отличаться от рекомендуемого и приниматься с учетом местных условий работы оборудования станции.
1. Общие положения
1.1. В практике эксплуатации оборудования электростанций возникает необходимость останова части турбоагрегатов в резерв. Длительность простоя энергоблоков в зависимости от режимов работы энергосистемы может составлять от нескольких суток до полугода и более. В этих условиях при неправильном обслуживании оборудования ухудшается его техническое состояние, что в последующем может повлечь серьезные повреждения и необходимость отключения турбогенератора от сети сразу после пуска или задержку включения в сеть и вывод в ремонт.
Наиболее характерные повреждения узлов и систем турбогенератора, обусловленные длительными простоями, приведены в таблице 5.
Таблица 5 – Влияние длительных простоев на техническое состояние
турбогенераторов
| Узлы турбогенератора, наиболее подверженные влиянию длительных простоев
|
Характер повреждения в
результате простоев
|
Сопутствующие факторы
|
| 1
|
2
|
3
|
| Статор
|
| Изоляция обмотки статора
|
Увлажнение изоляции
|
Длительные простои, увеличение влажности газа, прекращение работы системы осушки, конденсация влаги
|
| Узлы турбогенератора, наиболее подверженные влиянию длительных простоев
|
Характер повреждения в
результате простоев
|
Сопутствующие факторы
|
| Обмотка статора турбогенераторов с водяным охлаждением
|
Течи воды в обмотке статора, закупорка элементарных проводников
|
Повышенное содержание О2
в дистилляте, коррозионные процессы меди
|
| Щиты, вывода
|
Нарушение газоплотности
|
Сезонные колебания температуры в машинном зале, неравномерное линейное расширение элементов конструкции. Ухудшение свойств уплотняющей резины
|
| Ротор
|
| Изоляция обмотки ротора
|
Увлажнение изоляции
|
Длительные простои, увеличение влажности газа, прекращение работы системы осушки, конденсация влаги
|
| Бандажные кольца
|
Растрескивание, коррозионные повреждения
|
То же
|
| Вал
|
Коррозия шейки вала
|
Обводнение масла
|
| Уплотнения вала
|
Срабатывание баббита вкладыша
|
Длительная работа на валоповороте, обводнение масла, коррозия металла, накопление шлама в демпферном баке
|
| Газоохладители
|
Засорение, образование воздушных пробок, коррозия
|
Длительные простои, оста– нов насосов охлаждения, прекращение циркуляции охлаждающей воды
|
| Контактные кольца турбогенератора, щеточно-контактный аппарат
|
Перегрев щеток, искрение (после пуска)
|
Изменение свойств политуры, коррозия контактных колец
|
| Опорные подшипники, изоляция вала
|
Коррозия шеек вала, ухудшение изоляции
|
Обводнение масла, загрязнение изоляции
|
1.2. Назначение специальных профилактических мер - предотвращения повреждений, возникающих в результате простоев от 4 – 7 до 30 суток и более. При простоях энергоблоков от 3 мес. до года и более выполняют консервацию турбогенераторов и их вспомогательных систем.
1.3. Рекомендуемые ниже мероприятия зависят от особенностей конструкции турбогенератора, а также от того, на какой срок он выводится из работы, какова степень его готовности к повторному пуску, в каких температурных условиях он будет находиться в зимнее время и др.
1.4. При подготовке и проведении консервации и расконсервации соблюдаются требования [22, 23 – 30].
2. Обслуживание турбогенераторов при простоях в резерве
2.1. Работы, выполняемые при простоях турбогенераторов
в резерве до 30 суток
При простоях в резерве до 30 суток рекомендуется детальное изучение сведений по консервации, с последующими подготовкой и выполнением для достижения наибольшего эффекта следующих мероприятий:
2.1.1. Выполнением всех работ по обслуживанию турбогенераторов в соответствии с действующей документацией [20], заводскими и местными инструкциями по эксплуатации турбогенераторов и их вспомогательных систем.
2.1.2. Поддержанием высокой степени готовности к пуску и включению в сеть турбогенераторов при нахождении их в этот период в резерве.
2.1.3. Возможностью сохранения турбогенераторов с водородным охлаждением заполненными водородом с нормально работающими системами маслоснабжения подшипников и уплотнений вала, регуляторами, контрольно–измерительными приборами, без проведения ремонтных работ, связанных со вскрытием корпуса или подшипников.
Снижением избыточного давления водорода в корпусе статора до величины, обеспечивающей надежную работу масляных уплотнений.
2.1.4. Поддержанием относительной влажности водорода (азота или воздуха, если турбогенератор переведен на воздух) в корпусе генератора в период простоя на уровне не более 50 % при температуре 30°С и ниже без конденсации влаги для предотвращения увлажнения изоляции обмоток. Выдержкой температуры точки росы газа ниже температуры воды в газоохладителях и цепях охлаждения генератора не менее чем на 5°С.
2.1.5. Поддержанием низкой относительной влажности охлаждающего газа в корпусе работающего турбогенератора системой осушки, работающей на принципе вымораживания (конденсации) влаги, содержащейся в охлаждающем газе.
Проведением подпитки генератора сухим водородом, прошедшим осушку в агрегатах осушки водорода электролизерных установок, для ограничения поступления влаги с водородом, используемым для восполнения естественных утечек и поддержания необходимого давления в корпусе.
Масло, сливающееся в сторону водорода при работе масляных уплотнений – другой источник попадания влаги в корпус турбогенератора. Зависимость количества выделяющейся из масла влаги от влагосодержания масла и интенсивности испарения из него воды. Сокращение количества масла, сливающегося в сторону водорода за счет уменьшения перепада давлений «уплотняющее масло – водород» - одна из задач по снижению влажности в корпусе остановленного генератора и обводнения масла.
2.1.6. Подогревом газа в корпусе статора, особенно в зимний период, при снижении температуры в машинном зале ниже точки росы газа, находящегося в корпусе остановленного турбогенератора, для предотвращения конденсации влаги на холодных частях турбогенератора.
Подогревом газа на турбогенераторах с водородно-водяным охлаждением (ТВВ, ТГВ-2М и др.), находящихся под давлением водорода или азота, циркуляцией через обмотку статора дистиллята с температурой 50 - 60°С.
Установкой нагревательного элемента (подогревателя) в существующую штатную систему осушки газа турбогенератора для подогрева газа, а также его осушки в статорах остановленных в резерв турбогенераторов с водородным и водородно-водяным охлаждением (ТВ, ТВФ, ТВВ, ТГВ) (Приложение 7).
Осуществлением при предлагаемом способе циркуляции газа по контуру «трубопровод системы осушки - корпус статора» за счет нагрева газа нагревательным элементом.
Выбором тепловой мощности электрических нагревателей из обеспечения прохождения всего объема газа в турбогенераторе через осушитель за 3 - 4 ч.
2.1.7. Подогревом воздуха циркуляцией через обмотку и сердечник статора дистиллята с температурой 50 - 60°С, а также включением в работу системы вентиляции на остановленных в резерв турбогенераторах с полным водяным охлаждением (ТЗВ).
Отсутствием конденсации влаги и увлажнения изоляции обмоток статора и ротора на весь период простоя.
2.1.8. Принятием всех мер для поддержания влажности воздуха в корпусе статора ниже нормируемой величины на турбогенераторах с воздушным охлаждением после останова в резерв: включением предусмотренных для этой цели электроподогревателей и периодическим включением в работу системы наддува (осушки).
2.1.9. Ведением контроля влажности, чистоты и давления газа в корпусе статора остановленного в резерв генератора в том же объеме, с той же периодичностью и с тех же мест отбора, что и работающих турбогенераторов. Продувкой трубопроводов отбора газа перед замером влажности (точки росы).
2.1.10. Оставлением в работе насосов, обеспечивающих циркуляцию дистиллята через обмотку статора после останова турбогенераторов с водородно-водяным охлаждением (серий ТВВ, ТГВ) при простое до 30 суток.
Планированием мероприятий с учетом практической невозможности обеспечения при неработающей системе охлаждения обмотки статора нормируемых показателей качества дистиллята (содержание кислорода, меди). В связи с прекращением циркуляции дистиллята через обмотку при останове насосов системы охлаждения статорной обмотки во время простоя турбогенератора создаются благоприятные условия для развития коррозионных процессов меди, образования отложений, язв и нарушения целостности элементарных проводников стержней обмотки статора
Обеспечением положительного перепада давления между избыточным давлением водорода в корпусе генератора и давлением воды в обмотке статора на весь период останова, для контроля гидроплотности и увлажнения по этой причине изоляции с помощью газовой ловушки.
2.1.11. Остановом насосов системы водяного охлаждения обмотки статора (НОС) только после отключения генератора от сети, снятия возбуждения и выбега ротора при переводе генератора на воздух для выполнения ремонтных работ на насосах газоохладителей, теплообменниках дистиллята (для генераторов с водяным охлаждением).
Сохранением газоохладителей, контуров насосов газоохладителей и теплообменников заполненными водой.
Включением системы подачи воды в работу: зимой при низкой температуре в машинном зале насосы подачи воды в газоохладители и теплообменники дистиллята в работе непрерывно для предотвращения образования воздушных пробок (завоздушивания), зарастания ракушкой в летний период и своевременного выявления течей 1 раз в неделю.
2.1.12 . Оставлением в работе насосов, обеспечивающих циркуляцию масла в системе охлаждения статора, и насосов технической воды маслоохладителей турбогенераторов с масляным охлаждением серии ТВМ при отключении в резерв до 4 - 7 суток, с остановом указанных насосов при более длительном простое.
Остановом в первую очередь насосов технической воды маслоохладителей для предотвращения попадания воды в маслосистему
2.1.13. Работой системы охлаждения ротора, бандажных колец и уплотнений цилиндра турбогенераторов серии ТВМ с уменьшением расхода охлаждающей воды в теплообменнике и поддержанием температуры конденсата в пределах 40 - 60°С после снятия нагрузки и отключения турбогенератора от сети.
Установлением расхода конденсата через ротор в соответствии с инструкцией по эксплуатации турбогенератора.
2.1.14. Проведением осмотров и обслуживания турбогенераторов в период простоя в резерве с той же периодичностью и в том же объеме, что и работающих турбогенераторов.
2.1.15. Выполнением предпусковых регламентных работ по продувке, шлифовке и регулировке щеточно-контактного аппарата перед пуском после простоя в резерве более 7 суток при повышенной запыленности и влажности воздуха в машинном зале [22].
2.1.16. Проведением пуска турбогенератора после его простоя в резерве менее 30 суток и при условии выполнения указанных выше мероприятий в обычном порядке, предусмотренном инструкцией по эксплуатации турбогенератора.
2.2. Работы, выполняемые при простоях турбогенераторов
в резерве более 30 суток
При простоях в резерве более 30 суток рекомендуется выполнение следующих мероприятий:
2.2.1. Перевод турбогенераторов на воздух. Предварительный останов насосов системы водяного охлаждения обмотки статора для генераторов с водородно-водяным охлаждением. Снижение давления водорода в корпусе статора до величины не более 0,1 МПа (1 кгс/см2
) для перевода на воздух; Полное удаление водорода в соответствии с [21].
2.2.2. Проведение консервации статора турбогенератора подогревом газа или установкой нагревательных элементов, при планируемой продолжительности простоя турбогенератора 3 мес и более.
Останов насосов системы масляных уплотнений генератора после перевода системы охлаждения генератора на воздух.
2.2.3. Выполнение работ по удалению дистиллята из обмотки с ее последующей осушкой методом продувки горячим воздухом от источника с расходом воздуха через обмотку не менее 1500 м3
/ч при давлении 0,1 – 0,2 МПа (1 – 2 кгс/см2
) в течение не менее 0,5 ч для предотвращения развития процессов коррозии полых проводников обмотки статора турбогенераторов, охлаждаемых водой (серий ТВВ, ТЗВ, ТГВ), после останова НОС и перевода турбогенераторов на воздух.
Выполнение работ по удалению дистиллята из контуров системы водяного охлаждения сердечника статора турбогенераторов серии ТЗВ и их осушка при останове системы, так же, как и для обмотки статора. Возможность сохранения в работе системы водяного охлаждения сердечника статора турбогенераторов серии ТЗВ. Работа системы вентиляции при циркуляции дистиллята и ее отключение не ранее, чем через 1 ч после прекращения циркуляции дистиллята.
2.2.4. Останов центробежных насосов, обеспечивающих циркуляцию дистиллята через ротор при простоях турбогенераторов серий ТВМ и ТГВ-500 (с водяным охлаждением обмотки ротора) свыше 30 суток. Удаление воды, оставшейся в роторе после слива при прекращении циркуляции дистиллята более чем на 2 суток, путем сушки под вакуумом.
2.2.5. Выполнение остальных работ при простоях турбогенератора в резерве более 30 суток в соответствии с рекомендациями п.п. 2.1.4, 2.1.6 – 2.1.8, 2.1.11, 2.1.12, 2.1.15 данного раздела.
2.2.6. Осмотры и обслуживание турбогенераторов в период простоя в резерве более 30 суток выполняют 1 – 2 раза в неделю в том же объеме, что и работающих турбогенераторов.
Возможность уменьшения периодичности контроля влажности газа в корпусе статора и проведение анализа 2 – 3 раза в месяц. Отбор пробы газа для контроля влажности (точки росы) из трубы перед испарителем системы осушки водорода. Включение в работу перед взятием пробы на 10 – 15 мин подогревателя, введенного в существующую штатную систему осушки газа турбогенератора для поступления газа из корпуса статора в трубопровод перед испарителем. (Приложение 7)
2.3. Работы, выполняемые при простоях турбогенераторов
в резерве свыше 3 месяцев
2.3.1. Проведение консервации турбогенераторов серий ТВ, ТВФ, ТВВ, ТЗВ, ТГВ при простоях свыше 3 мес. одним из способов, приведенных в п.п. 3.4 – 3.10. Выполнение консервации вспомогательных систем указанных турбогенераторов в соответствии с рекомендациями п.п. 3.11 – 3.15.
2.3.2. Оставление корпуса статора турбогенераторов серии ТВМ заполненным маслом на весь период консервационного хранения. Периодическое проведение дегазации масла в процессе консервационного хранения по показаниям процентного содержания воздуха в масле.
2.3.3. Выполнение консервации ЩКА и контактных колец, предусматривающие их защиту от пыли и коррозии.
2.3.4. Удаление воды из газоохладителей и трубных систем; при простоях свыше 3 мес. выполнение их консервации в соответствии с рекомендациями раздела III п. 3.9.
3. Консервация турбогенератора и его узлов
3.1. Основные способы консервации
Выполнение консервации составных частей турбогенераторов в зависимости от конструктивных особенностей (типов машин), сроков и условий консервации, подготовку металлических поверхностей, подлежащих консервации, а также требования к консервационным материалам и контроль консервации по [23, 24, 25].
Учет при выборе варианта защиты ее сроков, требований к сохранению эксплуатационных параметров, расконсервации, экономической целесообразности, а также требований по техническому обслуживанию в процессе хранения.
Для консервации турбогенератора рекомендованы следующие основные способы консервации: ВЗ-1, ВЗ-4, ВЗ-10, ВЗ-16 [24].
1) ВЗ-1 – защита консервационными маслами. Предназначение этого варианта защиты для подшипников генератора и возбудителя, оборудования и трубопроводов системы маслоснабжения уплотнений вала генератора, части оборудования системы водяного охлаждения обмотки статора.
2) ВЗ-4 – защита консервационными смазками. Например, шеек валов роторов генератора и возбудителя.
3) ВЗ-10 – защита с помощью статического осушения воздуха внутри консервируемого объекта с помощью влагопоглотителей или электронагревателей. Этот вариант защиты может рекомендоваться для ротора, находящегося вне расточки статора генератора, возбудителя, электродвигателей.
4) ВЗ-16 – защита изделий с помощью инертной атмосферы. Применение этого варианта защиты инертным газом – азотом – для внутренних поверхностей корпуса генератора, обмотки и сердечника статора, нажимных колец сердечника статора, ротора генератора, находящегося внутри расточки статора.
Использование при выполнении консервации также специальных вариантов защиты, предписываемых заводами-поставщиками комплектующего оборудования, в частности, контрольно–измерительной и регулирующей аппаратуры вспомогательных систем.
Возможно также применение альтернативных вариантов защиты для некоторых узлов турбогенератора. Например, применение защиты по варианту ВЗ-2 [24] (защита рабочее-консервационными маслами) для опорных подшипников турбины и системы смазки, по желанию возможно и для подшипников генератора и возбудителя и системы маслоснабжения уплотнений вала генератора.
3.2. Общие требования консервации
3.2.1. Содержание участков машинного зала с намеченным к консервации станционным оборудованием в чистоте и не загроможденными посторонним оборудованием.
3.2.2. Проведение консервации демонтируемых узлов и деталей или изделий на оборудованных участках или в помещениях, позволяющих соблюдение технологического процесса и требования безопасности. Расположение участков консервации с учетом ограничения или исключения проникновения агрессивных газов и пыли. Поддержание температуры воздуха в помещении не ниже 15°С и относительной влажности не более 70 %. Допустимо увеличение влажности до 80 % в то время, когда перепады температур в помещении менее 5°С.
3.2.3. Предварительное проведение освобождения от коррозионных поражений металла и металлических покрытий, очистки от загрязнений, сушки изделий или участков, подлежащих консервации. Материалы, используемые при консервации см. в Приложении 3.
3.2.4. Применение чистых хлопчатобумажных перчаток при работе с поверхностями изделий после проведения обезжиривания.
3.2.5. Сокращение до 2ч промежутка времени между стадиями консервации поверхностей (подготовкой и непосредственно нанесением консервационного материала).
3.2.6. Возможность повреждения слоя изоляции при попадании консистентных смазок на различные детали или их части, изготовленные из электроизоляционных материалов.
Назначение основных смазок, масел и ингибитированных покрытий, применяющихся при консервации, см. в Приложении 9.
3.2.7. Внесение в перечень непокрываемых смазкой деталей и узлов:
- внутренних деталей электрооборудования;
- проволочных элементы реостатов и другой пускорегулирующей аппаратуры;
- деталей и узлов, имеющих лакокрасочные покрытия;
- деталей, изготовленных из пластмассы, миканита, текстолита и пр.
3.2.8. Проведение нанесения жидких консервационных масел на наружные поверхности изделий окунанием, распылением, кистью, тампоном. Применение для консервации труднодоступных мест масленок. Нанесение масла при температуре не ниже 15°С. Обеспечение возможности стекания избытка масла после нанесения масел на поверхность. Создание сплошного слоя масла после правильного нанесения, без воздушных пузырей и инородных включений.
3.2.9. Нанесение пластичных консервационных смазок, например ПВК, на поверхность в расплавленном состоянии при температуре 80 – 100 °С погружением или кистью, тампоном. Нанесение консервационных смазок АМС-3 без нагревания шпателем, тампоном. Выполнение слоя смазки равномерным нанесением без подтеков, воздушных пузырей, инородных включений. Устранение дефектов повторным нанесением смазки. Создание слоя смазки толщиной не менее 3 мм.
3.2.10. Очистка от коррозии, промывка в бензине, сушка, покрытие консервационным маслом К-17 и размещение на хранение в складские помещения всего крепежа, снятого с турбогенератора.
3.2.11 . Применение штатных прокладок и крепежа из рабочего комплекта турбогенератора и его частей для уплотнения заглушаемых отверстий.
3.2.12. Покрытие консервационным маслом К-17 всех резьбовых отверстий, табличек, резьбовых поверхностей и штепсельных разъемов.
3.2.13. Полное удаление воды из газо- и воздухоохладителей на время хранения, высушивание внутренней поверхности продувкой сухим теплым воздухом.
3.2.14 . Хранение демонтируемых измерительных приборы технологического контроля, технических средств технологических защит и сигнализации в законсервированном состоянии на складе.
3.2.15. Подтверждение консервации изделий записью в свидетельстве о консервации, с указанием даты консервации, условий хранения и срока защиты без переконсервации для каждого законсервированного изделия.
Форма свидетельства о консервации см. в Приложении 11.
3.2.16. Необходимость проверки рабочей комиссией электростанции по консервации завершения консервации и готовности турбогенератора и его систем к режиму эксплуатационной сохранности. Оформление результатов проверки соответствующим актом.
Форма акта о произведенной консервации см. в Приложении 12.
3.3. Подготовительные работы
3.3.1. Соединение генератора с турбиной, возбудителя с генератором, содержание турбогенератора, возбудителя и вспомогательных систем содержат в собранном и исправном состоянии. Условия хранения 1Л [25].
3.3.2. Подготовка специально оборудованных помещений или участков, позволяющих соблюдение технологического процесса, чистоты и требований безопасности при консервации.
3.3.3. Заблаговременная организация материально-технического снабжения материалами и изделиями (Приложения 8, 9) технологического процесса консервационных работ в соответствии с принятым проектом консервации турбогенератора, а также приготовление следующих изделий:
- специального статического уплотнения вала генератора по чертежам, для конкретных типов машин и мощностей в количестве 2 шт.;
- крышек к люкам (лазам) с установленными электронагревателями для генератора в количестве 2–4 комплекта в зависимости от типа и мощности машины;
- панелей с электронагревателями для возбудителя;
- заглушек на фланцы газоохладителей по соответствующим чертежам;
- заглушек на уплотнение вала и наружные щиты;
- заглушек к системам охлаждения.
Разработка чертежей статических уплотнений вала, крышек и панелей с электронагревателями для генератора и возбудителя, заглушек фланцев газоохладителей, заглушек на уплотнение вала и наружных щитов для конкретных типов турбогенераторов с привлечением специализированных организаций, заводов-изготовителей по заказу электростанций.
3.3.4. Обеспечение условий хранения 1Л [25]: температура +5+40°С, относительная влажность до 80 % при подготовке складских помещений и площадок для хранения демонтированных штатных динамических масляных уплотнений вала (крышек, вкладышей, камер, маслоуловителей и крышек лазов, контрольно–измерительной аппаратуры, деталей и запасных частей).
3.3.5. Проверка сопротивления изоляции обмоток статора и ротора турбогенератора и возбудителя непосредственно перед выполнением работ по консервации. Обеспечение сопротивлений изоляции не ниже значений, предписываемых эксплуатационной документацией [28, 27]. Выяснение причин при сопротивлении изоляции ниже эксплуатационных норм и доведение значений до нормы.
3.4. Консервация статора
Осуществление консервации сердечника и обмотки статора, ротора, газоохладителей, заключенных в корпусе статора, по способу защиты ВЗ-16 [24] заполнением корпуса инертным газом – азотом. Установка специальных статических уплотнений на валу генератора для герметизации азота в корпусе турбогенератора на время консервационного хранения. Возможно также использование варианта герметизации азота с помощью штатных уплотнений вала при непрерывной работе маслосистемы с упрощенной (модернизированной) схемой маслоснабжения водородных уплотнений вала ротора и использованием одного маслонасоса.
3.4.1. Установка статических уплотнений вала.
Замена статическими уплотнениями штатных динамических масляных уплотнений вала с целью освобождения от необходимости содержать газо-масляную систему в рабочем состоянии в течение всего срока хранения с постоянно действующими насосами, маслоохладителями, фильтрами, регуляторами давления и т.д. и, следовательно, освобождения от необходимости постоянного дежурства обслуживающего персонала и экономии электроэнергии. Отсоединение системы маслоснабжения уплотнений вала от турбогенератора и установка на ответные фланцы заглушек. Выполнение установки статических уплотнений по чертежам проектов.
Предварительное, перед установкой статических уплотнений, покрытие консервационной смазкой К-17 участков вала в месте расположения уплотнений, от корпуса уплотнения и до опорного подшипника.
Удаление с поверхности вала продуктов коррозии, зачистка мест, подвергшихся коррозии, шлифовальной шкуркой смоченной жидким индустриальным маслом, затем протирка тряпкой, смоченной в бензине марки Б-70 или «Калоша», и сухими салфетками досуха перед нанесением консервационного масла.
Сохранение системы газоснабжения подсоединенной для консервации азотом вместе с генератором.
3.4.2. Установка электронагревателей.
Рекомендация установки электронагревателей внутри статора для подогрева внутренней полости статора и предупреждения увлажнения изоляции обмоток статора и ротора в процессе хранения. Установка проектом консервации турбогенератора от 2 до 8 комплектов электронагревателей зависимости от типа и мощности генератора. Включение в каждый комплект по 2 параллельно соединенных трубчатых U
-образных электронагревателей типа ТЭН мощностью по 200Вт каждый с питанием от сети переменного тока напряжением 36В, и возможное достижение суммарной мощности электронагревателей, установленных в статоре генератора 800 – 3200 Вт.
Планирование установки электронагревателей на внутренней стороне крышек лазов (люков), имеющихся внизу корпуса статора для уменьшения объема работ. Возможность монтирования электронагревателей в соответствии с разрабатываемыми чертежами либо на специально изготовленных панелях, выполненных аналогично крышкам лазов, либо непосредственно на штатных (входящих в комплект статора) крышках. Консервация штатных крышек маслом К-17, оборачивание парафинированной бумагой и отправка на склад для хранения в первом случае. Во втором случае выполнение только демонтажа осей, обеспечивающих вращение крышек.
Выполнение уплотнений крышек (панелей) со смонтированными на них электронагревателями с помощью штатных резиновых прокладок и штатных крепежных деталей.
Возможность сохранения установленных электронагревателей на эксплуатационный период после консервации для предотвращения увлажнения изоляции статора и ротора во время остановов в резерв от 30 суток до 3 мес.
3.4.3. Заполнение генератора азотом.
Применение азота газообразного технического с точкой росы не выше минус 45°С и объемной долей кислорода не более 0,05 % при отсутствии механических примесей и масла для проведения консервации инертным газом. Осуществление подачи азота и поддержание заданного давления с помощью штатной системы газоснабжения генератора и штатного поста газового управления.
Проведение заполнения генератора в последовательности:
- проверка генератора на герметичность после установки статических уплотнений вала и крышек (панелей) с электронагревателями;
- выполнение проверки созданием давления воздуха в корпусе 0,15 МПа (1,5 кгс/см2
) и обмазкой мыльным раствором всех возможных мест утечки (сопряжений, сварных швов) с контролем изменения уровня давления;
- уплотнение обнаруженных мест утечек;
- выполнение проверки на утечку после опрессовки. Проведение проверки на утечку при давлении (1 кгс/см2
) в течение 24 ч. Сохранение на все время проверки при отсутствии дефектов давления в корпусе постоянным без проведения подпитки;
- заполнение корпуса генератора азотом со штатного поста управления в соответствии с инструкцией по эксплуатации газовой системы генератора.
3.4.4. Режимы хранения.
Заполнение генератора азотом до давления 0,15 – 0,3 кгс/см2
, после испытания на утечку, поддержание этого давления с допуском ±0,05 кгс/см2
в течение всего периода консервационного хранения.
Соответствие содержания азота в корпусе генератора в процессе хранения не менее 98 % по химическому анализу.
Проведение контроля давления азота в статоре не реже 1 раза в неделю. Осуществление контроля давления в корпусе генератора с помощью манометров со шкалой 0,5 и (или) 1 кгс/см2
, установленных на газовом посту, и показывающих приборов на блочном щите управления (БЩУ).
Выполнение подпитки азотом до давления 0,3 кгс/см2
при падении давления до 0,1 кгс/см2
.
Поддержание температуры азота при консервационном хранении статора в диапазоне от 5 до 40°С. Поддержание заданной температуры включением электронагревателей, контроль – с помощью установки централизованного контроля технологических параметров генератора типа А701-03, штатных измерительных мостов или логометров, размещенных на БЩУ.
3.5. Консервация обмотки статора
3.5.1. Специальной консервации обмотки статора генераторов с косвенным и непосредственным водородным охлаждением не проводится, так как эти обмотки размещены в среде азота, которым заполнен корпус.
Рекомендованы к выполнению следующие мероприятия по консервации обмотки статора:
3.5.2. Осуществление консервации обмотки статора генераторов, имеющих непосредственное водяное охлаждение (ТВВ, ТЗВ, ТГВ-2М, ТГВ-500), путем заполнения ее внутренней полости азотом. Требования к качеству азота те же. Устранение перед заполнением обмотки азотом всех течей и проведение испытания обмотки на герметичность согласно инструкции по эксплуатации генератора.
3.5.3. Принятие мер по максимальному удалению влаги из обмотки статора при хранении турбогенератора в неотапливаемом машинном зале при возможных колебаниях температуры окружающей среды от минус 20 до плюс 35°С., промывкой обмоток техническим спиртом. Проведение заполнения обмотки 96 %-ным спиртом при открытых дренажных трубках коллекторов (в газовой ловушке). Временное отключение системы водяного охлаждения при заполнении спиртом. Указание объема обмотки для заполнения спиртом без системы есть в чертежах на конкретный тип генератора. Определение достаточности промывки при содержании спирта не менее 70 %.
3.5.4. Выполнение продувания обмотки сухим сжатым азотом до полного удаления раствора спирта с помощью так называемой «хлопушки» (ручной или механической – с помощью предохранительного клапана) после промывки обмотки спиртом.
3.5.5. Заполнение обмотки азотом до давления 0,5 кгс/см2
после удаления спирта. Заполнение азотом и нажимных колец сердечника статора (для турбогенераторов с водоохлаждаемыми нажимными кольцами).
3.5.6. Последовательность выполнения операций по заполнению обмотки и нажимных колец азотом в соответствии п. 3.15.1.
3.5.7. Контроль давления азота выполняют по манометру, установленному на трубопроводе подачи дистиллята в обмотку. Давление поддерживают на уровне 0,3 – 0,5 кгс/см2
.
3.6
. Консервация корпуса статора
3.6.1. Покрытие наружных неокрашенных деталей корпуса статора тонким слоем масла К-17.
3.6.2. Зачистка, протирка уайт-спиритом и закрашивание мест с нарушенной окраской.
3.7
. Консервация ротора генератора
3.7.1. Обеспечение консервационного хранения ротора одновременным сочетанием нескольких вариантов защиты.
3.7.2. Консервация части ротора с обмоткой, заключенная в пределах статора, совместно со статором инертным газом – азотом – и созданием внутри корпуса более высокой температуры по сравнению с температурой воздуха окружающей среды. Обеспечение герметичности ротора, отсутствия утечек азота.
3.7.3. Удаление воды, оставшейся в роторе после слива, путем сушки под вакуумом в соответствии с заводской инструкцией по эксплуатации для консервации обмоток роторов, охлаждаемых водой (турбогенераторы серий ТВМ, TГB-500). Проведение осушки до полного удаления влаги из внутренних полостей обмоток.
3.7.4. Консервация маслом К-17 наружных частей ротора, включая шейки и сопряжения роторов генератора и возбудителя.
3.7.5. Разворачивание ротора для вертикального расположения осей больших зубцов (осей полюсов) в целях предотвращения возможности появления остаточного прогиба ротора в период консервационного хранения. Поворачиванием ротора на 1/2 оборота с помощью валоповоротного устройства либо крана периодически, не реже 1 раза в месяц. Изменение периодичности поворота ротора в зависимости от рекомендаций завода–изготовителя для конкретного типа генератора и требований турбины.
3.7.6. Нанесение краской меток, соответствующих вертикальному положению осей (больших зубцов) для исключения ошибки в выполнении поворотов на участках ротора, доступных визуальному контролю. Выполнение меток, относящихся к различным полюсам, различными цветами.
3.7.7. Ведение обслуживающим персоналом журнала учета положений ротора и поворотов в течение всего периода консервационного хранения.
3.8. Консервация контактных колец и щеточной траверсы
3.8.1. Съем угольных щеток из обойм щеткодержателей, оборачивание каждой щетку, а затем пакета из объединенных по четыре щетки парафинированной бумагой. Обвязка каждого пакета стеклочулком и закрепление.
3.8.2. Протирка контактных колец генератора обтирочной ветошью, смоченной этиловым техническим спиртом, уайт-спиритом или бензином. Протирка консервируемых поверхностей насухо чистой ветошью, с последующим нанесением тонкопленочного снимаемого покрытия XII-1 или ХС-596, ЛСП, НГ-216 (для коллекторов возбудителей - покрытие слоем коллекторного воска или парафина толщиной 0,2–0,5 мм).
3.8.3.Обертывание сухой кабельной бумагой и обвязка киперной лентой для предотвращения запыления колец и их коллекторов.
3.9
. Консервация газоохладителей
3.9.1. Первоначальное нахождение газоохладителей внутри корпуса в собранном генераторе и, следовательно, постоянно в среде инертного газа – азота.
3.9.2. Отключение газоохладителей от магистрали охлаждающей воды, слив из них воды, после чего подвод сжатого воздуха для продувки при консервации внутренней части газоохладителей (водяного тракта).
3.9.3.Проведение продувки до полного удаления влаги из внутренних полостей охладителей. Промазывание по окончании сушки фланцев маслом К-17 и отглушка.
3.9.4. Заполнение объема азотом с избыточным давлением 5 кПа (0,05 кгс/см2
) для консервации системы совместно с газоохладителями (газовый способ).
Использование дренажных трубок из газоохладителей с крышками для выпуска воздуха.
Обеспечение создания защитной среды азотом поддержанием внутри газоохладителя азотной атмосферы с содержанием кислорода не более 2 % и точкой росы не выше минус 35°С при давлении 0,05 кгс/см2
.
3.10. Особенности консервации турбогенератора ТЗВ
3.10.1. Осуществление защиты от увлажнения сердечника и обмотки статора, ротора, заключенных в корпусе статора, по способу ВЗ-10 с помощью установки электронагревателей, создания внутри корпуса более высокой температуры воздуха по сравнению с температурой воздуха окружающей среды и предотвращения, таким образом, конденсации влаги внутри генератора, особенно на поверхности изоляции токоведущих частей.
Проведение установки электронагревателей аналогично п.3.4.2 в соответствии с проектом консервации турбогенератора.
3.10.2 . Проведение консервации обмотки статора генераторов серии ТЗВ, имеющих непосредственное водяное охлаждение, путем заполнения их внутренней полости азотом. Последовательность выполнения операций по заполнению обмотки и нажимных колец азотом в п. 3.15.
3.10.3. Обеспечение консервационного хранения ротора созданием внутри корпуса статора более высокой температуры воздуха по сравнению с температурой воздуха окружающей среды и предотвращения, таким образом, конденсации влаги на элементах ротора. Подвод линии сжатого воздуха для консервации обмоток ротора (водяного тракта). Проведение продувки до полного удаления влаги из внутренних полостей обмоток.
3.10.4 . Выполнение работ по удалению дистиллята из контуров системы и их осушка для консервации системы водяного охлаждения сердечника статора турбогенераторов серии ТЗВ , как и для обмотки статора.
3.10.5 . Проведение консервации корпуса статора, контактных колец и щеточной траверсы в соответствии с рекомендациями п.п. 3.6, 3.8.
3.11. Консервация подшипников генератора и возбудителя
3.11.1 . Вариант защиты с помощью консервационного масла
- Применение масла К-17 качестве консервационного масла.
- Снятие крышек подшипников и верхних половин вкладышей
- Нанесение на поверхности вала, нижней половины вкладышей, на внутреннюю поверхность картеров подшипников консервационного масла. Удаление продуктов коррозии при их обнаружении, промывка бензином марки Б-70 или «Калоша» и протирка сухой чистой тканью.
- Проворачивание валов от валоповоротного устройства турбины для обеспечения более полного покрытия шейки вала консервационным маслом.
- Установка верхних половин вкладышей и крышек подшипников на место, с предварительным промазыванием их консервационным маслом: вкладыша со всех сторон, а крышку изнутри и сверху.
- Временный демонтаж баков аварийной смазки и труб, установленных в баке, сливных и нагнетательных патрубков, покрытие изнутри (а труб в баке изнутри и снаружи) маслом К-17 и установка обратно на место.
- Наружная обмазка консервационным маслом поверхности подшипников и маслоуловителей, не имеющих лакокрасочного покрытия. Покрытие внутренних поверхностей консервационным маслом одновременно с покрытием стояков и крышек.
3.11.2. Вариант защиты с помощью рабочего масла.
- Выполнение консервации подшипников генератора и возбудителя в случае заполнения системы смазки турбинным маслом аналогично консервации подшипников турбины и системы смазки в соответствии с указаниями [23].
- Применение в качестве консервационного материала однородной смеси турбинного масла Т-22 с 10 %-ной присадкой ингибитора АКОР-1 (Приложения 8, 9).
- Возможность использования смеси в качестве универсального рабоче-консервационного масла, пригодного как для смазки оборудования в процессе эксплуатации, так и для его консервации.
- Применение для приготовления рабоче-консервационного масла бака-смесителя или бака-мешалки, имеющихся в маслохозяйстве ТЭС.
- Выполнение консервации системы маслоснабжения подшипников генератора и возбудителя путем заполнения и работы маслосистемы по проектной схеме. Достаточное условие - работа системы в течение 10 – 12 мин при рабочей температуре масла. Установка подпорных шайб для надежного нанесения защитной пленки на сливных трубопроводах, где не все сечение заполняется маслом.
- Слив масла, герметизация системы (закрытие заглушками), если нет необходимости в работе системы после нанесения защитной пленки масла на поверхности маслопроводов и оборудования маслосистемы
- Срок защитного действия ингибитированного масла 2 – 2,5 года.
- Повторная смазка ингибитированным маслом, с предварительным удалением продуктов коррозии при более длительном простое оборудования в резерве или в случае появления коррозии на внутренних поверхностях узлов системы маслоснабжения.
- Выполнение консервации согласно п. 3.11.1. В случае если система смазки не заполнена маслом.
3.12. Консервация возбудителя
3.12.1. Вариант защиты с помощью нагревателей.
- Осуществление консервации возбудителя созданием внутри него более высокой температуры воздуха по сравнению с температурой воздуха окружающей среды и предотвращением, таким образом, конденсации влаги внутри возбудителя, особенно на поверхности изоляции токоведущих частей.
- Установка электронагревателей типа ТЭН мощностью по 200 Вт каждый, напряжением 36 В, суммарной мощностью 800 – 2000 Вт в опорных плитах-подставках (рамах) возбудителя. Определение количества электронагревателей и методов их установки по чертежам на конкретный тип возбудителя.
- Изменение интенсивности выделения тепла электронагревателями в различное время года в зависимости от температуры окружающего воздуха в машинном зале энергоблока в процессе хранения (от 5°С до 40°С). Выполнение подключения электронагревателей, обеспечивающее деление их на 2 группы (4 – 6 шт.), и раздельное включение в зависимости от окружающей температуры и сезона.
- Контроль температуры воздуха внутри возбудителя во всех случаях. Использование в качестве средств контроля штатных термопреобразователей сопротивления, заложенных в возбудителе, подключенных к штатной системе температурного контроля, для проведения контроля температуры на блочном щите управления (БЩУ).
- Поддержание температуры воздуха внутри возбудителя на 5 – 10°С выше температуры окружающей среды, а по абсолютному значению не ниже 6 – 10°С. Максимально допустимая температура +40 °С.
- Установка над возбудителем шумозащитного кожуха (при его наличии) в целях сохранения тепла в возбудителе, особенно в зимнее время. Закрытие для повышения эффективности теплоизоляции окон в стенах и крыше кожуха матами из теплоизолирующего материала, и всего кожуха чехлом из парусины.
- Осуществление продувки подогретого воздуха, получаемого в ВНУ, через шумозащитный кожух в зависимости от возможностей электростанции. Закрытие при этом всех окон, кроме подачи и выпуска воздуха.
Непрерывная работа ВНУ для недопущения конденсации атмосферной влаги из–за суточных или сезонных изменений температуры.
3.12.2 . Вариант защиты с помощью влагопоглотителей.
Консервация по этому способу основана на постоянном поддержании низкой относительной влажности воздуха (не более 50 %) в диапазоне температур от + 5 до +40°С внутри возбудителя, обеспеченным с помощью влагопоглотителя. Как правило, с использованием силикагеля.
- Расфасовка силикагеля перед загрузкой в пакеты массой не более чем по 200 – 250 г и укладывание внутрь статора из расчета 2,5 г на 1 дм3
объема. Укладывание пакетов с силикагелем под пылевлагозащитным чехлом для электромашинных возбудителей небольшой мощности. Обращение при этом способе особого внимания уплотнению чехлов у вала и фундамента возбудителя.
- Проведение контроля влажности воздуха и состояния силикагеля внутри возбудителя силикагель-индикатором, загружаемым вместе с рабочим силикагелем и извлекаемым для осмотра без вскрытия корпуса.
- Изготовление силикагель-индикатора из сетки в виде цилиндрического патрона, заполненного силикагелем. Проведение замены влагопоглотителя в процессе хранения при изменении окраски силикагель-индикатора с синей на светло-розовую.
Закрытие возбудителя вместе с подвозбудителем для предотвращения запыления пыленепроницаемым чехлом из перкали или ткани 500.
3.13. Консервация оборудования маслопроводов
системы маслоснабжения уплотнений вала
рабочим маслом с маслорастворимым ингибитором
3.13.1. Выполнение консервации оборудования маслопроводов системы маслоснабжения уплотнений вала генератора аналогично проведению консервации системы смазки подшипников генератора и возбудителя.
3.13.2. Применение однородной смеси турбинного масла Т-22 с 10 %-ной присадкой ингибитора АКОР-1 (Приложения 8, 9) в качестве консервационного материала.
- Возможность использования смеси в качестве универсального рабоче-консервационного масла, пригодного как для смазки оборудования в процессе эксплуатации, так и для его консервации.
3.13.3 . Порядок проведения консервации с помощью рабочего масла
- Использование для приготовления рабоче-консервационного масла бака-смесителя или бака-мешалки, имеющихся в маслохозяйстве ТЭС.
- Выполнение консервации системы маслоснабжения уплотнений вала путем заполнения и работы по проектной схеме.
- Достаточное условие - работа системы в течение 10 – 12 мин при рабочей температуре масла. Отсоединение от уплотнений вала нагнетательного и сливных маслопроводов, и соединением их между собой перемычками, как при промывке во время монтажных работ турбогенератора.
- Слив масла и герметизация системы после нанесения защитной пленки масла на поверхности маслопроводов и оборудования маслосистемы, если нет необходимости в ее работе.
- Консервация рабоче-консервационным маслом либо маслом К-17 внутренних поверхностей оборудования, не участвовавшего в прокачке системы, нанесением консервационного масла через люки на доступные участки с помощью масленки, шприца, пульверизатора.
3.13.4. Консервация электронасосного оборудования
- Учет масляных насосов, задействованных в схеме прокачки, как законсервированных. Условие хранения насосов – сухое закрытое помещение.
- Выполнение консервацию двигателей электронасосных агрегатов по варианту защиты ВЗ-1 [24].
- Применение в качестве консервирующей смазки масла К-17, нанесением его на свободный конец вала и полумуфту электродвигателя и насоса.
- Накрывание электродвигателей пылевлагозащитным чехлом (например, из полиэтилена) с размещением в нем силикагеля. Условия хранения электродвигателей – машинный зал (температура хранения от 5 до 40°С).
3.13.5 . Консервация крепежных изделий
Проведение консервации крепежных изделий по п. 3.2.10.
3.14. Консервация системы водородного охлаждения
3.14.1 . Консервация системы.
- Выполнение консервации системы водородного охлаждения азотом вместе с генератором.
- Проведение заполнения корпуса статора и системы водородного охлаждения и поддержание заданного давления по проектной схеме.
- Проведение перед заполнением корпуса турбогенератора азотом консервации запорной арматуры, не задействованной в схеме заполнения генератора азотом - снятием вентилей с трубопроводов; протиркой сухой ветошью и просушкой наружных и внутренних поверхностей вентилей; консервацией крепежных изделий согласно п. 3.2.10; нанесением тонким слоем консервационного масла К-17 на неокрашенные поверхности фланцев, вентилей и трубопроводов; установкой после выполненной консервации вентилей на место.
- Организация подачи азота в корпус генератора через осушитель водорода, заполненный силикагелем.
3.14.2 . Проведение консервации оборудования и аппаратов системы водородного охлаждения и маслоснабжения уплотнений вала в соответствии требованиям нормативно–технической документации заводов–изготовителей.
3.14.2.1.Консервирование автоматических газоанализаторов для контроля чистоты и содержания водорода в картерах подшипников, комплектных экранированных токопроводах (марок ТП 1120, ТП 1116 У4,ТП 5501-1).
Выполнение следующих операций по консервации газоанализаторов:
- Демонтаж каждого газоанализатора;
- Протирка сухой ветошью всех поверхностей газоанализатора;
- Смазка тонким слоем масла К-17 всех наружных неокрашенных поверхностей;
- Оборачивание газоанализатора в парафинированную бумагу, перевязка или скрепление другим способом;
- Хранение на стеллажах в сухом помещении с температурой воздуха от 5 до 40°С и относительной влажностью не более 80 %.
- Очищение воздуха от примесей, вызывающих коррозию.
3.14.2.2. Манометр бесшкальный МЭД.
Демонтаж манометр с поста газового управления, упаковка в парафинированную бумагу (Приложение 8) и хранение на стеллажах в сухом отапливаемом помещении при температуре от 5 до 40°С.
3.14.2.3. Манометры, манометры электроконтактные и мановакуумметры (МП-4У, ЭКМ, МВП4-У и др.).
Снятие манометров с трубопроводов после прокачки системы маслоснабжения консервационным маслом, протирка сухой чистой ветошью и хранение на стеллажах в сухом отапливаемом помещении при температуре от 5 до 40°С. Установка на штуцера пробок-заглушек, изготовленных на электростанции.
3.14.2.4. Холодильные агрегаты (ФАК-0,7, ФАК-1,1, ФАК-1,5).
Выполнение консервации агрегата рекомендовано в следующей последовательности:
- Закрытие вентиля на ресивере агрегата вращением шпинделя по часовой стрелке до отказа.
- Установка на тройник всасывающего вентиля манометра, с последующим переводом шпинделей всасывающего и нагнетательного вентилей в среднее положение.
- Включение агрегата и наблюдение за давлением. Отключение агрегата при достижении давления 0,01 – 0,02 МПа (0,1 – 0,2 кгс/см2
), снятие манометра и закрытие вентилей на систему вращением по часовой стрелке до отказа. Сохранение небольшого избыточного давления в испарителе для недопущения попадания воздуха в систему, в целях предохранения частей компрессора от коррозии.
- Отключение рубильника и автоматического выключателя, принятие мер, препятствующих случайному включению компрессора [40].
- Нанесение на открытые поверхности консервационной смазки К-17.
- Ослабление натяжения клиновидного ремня на электродвигателе при длительной консервации.
3.14.2.5. Вентиль терморегулирующий ТРВ.
Снятие вентиля ТРВ, а также остальных вентилей, оборачивание в промасленную бумагу и хранение на стеллажах в сухом отапливаемом помещении.
3.14.2.6. Термопреобразователи сопротивления ТСМ 0879-01.
Снятие термопреобразователей снимают, оборачивание в промасленную бумагу и хранение на стеллажах в сухом отапливаемом помещении при температуре от 5 до 40°С.
3.15. Консервация системы водяного охлаждения обмотки статора
турбогенераторов серий ТВВ, ТЗВ, ТГВ-2М, ТГВ-500
3.15.1. Осуществление консервации трубопроводов, арматуры и проточных частей оборудования и аппаратуры системы водяного охлаждения, имеющих непосредственный контакт с дистиллятом и изготовленных из нержавеющей стали, тщательным дренированием системы с последующей продувкой теплым воздухом.
3.15.2. Консервирование обмотки статора генератора инертным газом – азотом.
3.15.3. Проведение консервации аппаратов, изготовленных из углеродистых сталей, имеющих контакт с циркуляционной водой, по отдельным программам.
3.15.4. Отделение для заполнения азотом обмотки статора генератора системы водяного охлаждения от обмотки статора генератора заглушками.
3.15.5. Включение в консервацию системы охлаждения обмотки статора следующих стадий:
- вытеснение воздуха из обмотки статора и заполнение ее азотом;
- консервацию аппаратов из углеродистых сталей;
- консервацию приборов и насосов.
- удаление из системы охлаждения обмотки статора дистиллята перед началом операций по вытеснению воздуха и подачи азота.
- закрытие вентиля на линии подпитки бака дистиллята, открытие всех вентилей и задвижек в системе, в т.ч. дренажных вентилей.
- удаление воды из обмотки статора продуванием через нее сухого и теплого воздуха при давлении до 3 кгс/см2
с применением либо технологического предохранительного клапана, либо так называемой «хлопушки», обеспечивающих резкое выбрасывание воздуха из обмотки по мере его накопления, для обеспечения наиболее полное удаление влаги (см. п. 2.2.3). Осуществление полного удаления остатков воды в аппаратах системы охлаждения или в трубопроводах и арматуре с проверкой в каждом аппарате.
-продувка турбогенераторов с водяным охлаждением нажимных колец теплым воздухом отдельно от системы при давлении 1,0 – 1,5 кгс/см2
в течение 0,5 ч для более полного удаления воды из нажимных колец.
- выгрузка ионита в соответствии с инструкцией на фильтры в ионообменных фильтрах.
3.15.6. Вытеснение воздуха из обмотки статора и заполнение ее азотом.
Выполнение следующих процедур для вытеснения воздуха из обмотки статора и заполнения ее азотом:
- отделение внешнего контура охлаждения от обмотки статора генератора установкой заглушек между фланцами задвижек и соответствующими трубопроводами подачи и слива дистиллята из обмотки.
-установку заглушки перед дренажным вентилем на трубопроводе дистиллята перед статором и заглушек между фланцами на корпусе статора и трубками к газовой ловушке.
-присоединение к дренажному вентилю на трубопроводе дистиллята магистрали подачи азота и уплотнение его сальника.
-продувка обмотки чистым азотом до получения в ней концентрации азота не менее 98 %. Организация контроля чистоты азота с помощью химического анализа проб, взятых из трехходового крана, установленного на трубопроводе подачи дистиллята в обмотку статора.
- установка давления в обмотке до 0,5 кгс/см2
при достижении чистоты азота 98 %.
- поддержка давления азота в обмотке статора 0,3 – 0,5 кгс/см2
в течение всего периода консервационного хранения. Контроль давления по электроконтактному манометру ЭКМ-1У со шкалой 0 – 1 кгс/см2
, установленному на трубопроводе подачи дистиллята в обмотку вместо манометра МЭД.
- поддержка чистоты азота не менее 98 % при давлении 0,3 – 0,5 кгс/см2
в процессе консервационного хранения.
3.15.7 . Консервация аппаратов из углеродистых сталей, имеющих непосредственный контакт с технической водой.
Консервация с помощью консервационных масел теплообменников и задвижек на трубопроводах циркуляционной воды.
Выполнение подготовки и консервации изделия рекомендуется следующим образом:
- демонтаж верхней и нижней крышек теплообменников;
- протирка поверхности крышек хлопчатобумажными салфетками, сухой бязью или ветошью, смоченной бензином марки Б-70 или «Калоша» и просушка на воздухе;
- удаление очагов коррозии (при их наличии) зачисткой шлифовальной шкуркой (Приложение 8), смоченной индустриальным маслом.
-нанесение на подготовленные внутренние поверхности крышек консервационного масла К-17 и установка крышек обратно на теплообменники.
Выполнение консервации задвижек на трубопроводах циркуляционной воды теплообменников способом, принятым для консервации аналогичного турбинного оборудования. Закрытие и пломбирование задвижек по окончании консервационных работ.
3.15.3. Консервация приборов и насосов.
Снятие приборов перед консервацией с мест их установки, заглушка пробками мест установки.
3.15.3.1. Сигнализатор уровня двухпредельный.
Нанесение консервационного масла К-17 на неокрашенные поверхности (в том числе поверхности с гальваническим покрытием). Обертывание всего комплекта прибора вместе с соединительными выводами, собранными в пакет, парафинированной бумагой и обвязка киперной лентой (Приложение 8).
Хранение сигнализаторов в закрытом помещении при температуре окружающего воздуха от 5 до 40°С относительной влажностью до 80 %. Очищение воздуха помещения от примесей, вызывающих коррозию узлов и деталей сигнализатора.
Выдержка сигнализатора до включения в работу в распакованном виде внутри помещения в течение 24 ч для выравнивания температуры сигнализатора с температурой помещения после расконсервации, во избежание действия на прибор последствий резкого перепада температур (например, в зимнее время).
3.15.3.2. Дифманометры, мановакуумметры, манометры, термометры сопротивления, манометры электроконтактные, прибор для измерения удельного электрического сопротивления воды
Обертывание парафинированной бумагой и обвязка киперной лентой, хранение в отапливаемом помещении при температуре окружающего воздуха от 5 до 40°С относительной влажностью до 80 % каждого из указанных приборов после демонтажа.
3.15.3.3. Насосы водяные
Проведение консервации насосов непосредственно на своих штатных местах установки нанесение консервационного масла К-17 на обратные поверхности опорных кронштейнов и посадочные отверстия соединительной муфты. Выполнение консервации электродвигателей электронасосных агрегатов па варианту защиты ВЗ-1 [24]. Срок защиты без переконсервации для условий хранения 1Л [25] - 2 – 2,5 года.
3.16. Консервация запасных частей
Для хранения запасных частей турбогенератора руководство [25, 28] и инструкцией, входящей в комплект эксплуатационной документации, поставляемой с каждым турбогенератором.
Дополнительными рекомендациями по консервации и хранению запасных частей являются следующие
3.16.1. Консервирование маслом К-17 металлических деталей или их частей, не имеющих лакокрасочных покрытий. Обертывание парафинированной бумагой при необходимости и возможности.
3.16.2. Укладывание запасных частей из изолирующих материалов (миканитов, стеклотекстолитов и т.д.) специальным образом для исключения деформации изделия в результате длительного хранения.
3.16.3 . Сохранение в помещении при температуре от 0 до 25°С уплотнительных деталей из резин (прокладки, шнуры, втулки, кольца, шайбы). Возможность хранения резиновых деталей при температуре ниже 0°С с последующей выдержкой их перед установкой на генератор в течение суток при температуре от 0 до 25°С.
Покрытие тальком деталей из резин. Хранение деталей из листовой резины в расправленном состоянии, исключающем их деформирование и трещинообразование.
Расположение места для хранения резиновых деталей на расстоянии не менее 1 м от теплоизлучающих приборов. Защита деталей от воздействия прямых солнечных, тепловых и радиоактивных лучей, от попадания на них масла, бензина, керосина и действия их паров, а также кислот, щелочей, газов и других веществ, разрушающих резину.
3.17. Расконсервация
3.17.1 . Проведение расконсервации оборудования и изделий в следующих случаях:
- частично или полностью при периодическом осмотре с целью проверки состояния поверхностей на отсутствие коррозии;
- частично или полностью при переконсервации по истечении срока действия консервации;
- полностью при приведении турбогенератора в рабочее состояние после периода длительного бездействия (хранения).
3.17.2 . Проведение расконсервации генератора, обмотки статора генератора, системы газового и водяного снабжения путем вытеснения азота воздухом и последующей продувки всех элементов теплым воздухом.
3.17.3 . Удаление жидких консервационных масел с легкодоступных поверхностей чистой тканью, смоченной бензином или уайт-спиритом и промывкой (прокачкой) горячим рабочим маслом.
3.17.4. Сушка поверхности после обработки бензином или уайтспиритом на воздухе при комнатной температуре (18 – 25 °С).
3.17.5 . Удаление тонкопленочного ингибитированного покрытия механическим способом: надрезанием и съемом покрытия; с использованием в случае присыхания металлический шпатель.
3.17.6 . Удаление с помощью растворителя 646 тонкопленочного смываемого покрытия (лак НЦ-134 с красителем).
3.18. Переконсервация
3.18.1. Проведение переконсервацию в следующих случаях:
- по истечении срока действия консервации;
- при периодических осмотрах с целью восстановления поврежденных консервационных покрытий.
3.18.2 . Осмотр изделий после расконсервации для убеждения в отсутствии коррозии на их металлических поверхностях.
3.18.3. В случае обнаружения коррозии:
- зачистка поверхности шлифовальной шкуркой, смоченной жидким индустриальным маслом;
- обезжиривание бензином или уайт-спиритом очищенных от коррозии поверхностей, а затем протирка чистой сухой тканью или ветошью;
- повторное покрытие подготовленных поверхностей консервационным маслом.
3.19
. Техника безопасности
3.19.1 . Соблюдение всех действующих правил по технике безопасности при эксплуатации тепломеханического оборудования электростанций, электроустановок персоналом, производящим консервацию и обслуживающим оборудование, находящееся в законсервированном состоянии.
3.19.2 . Осведомление персонала о степени ядовитости применяемых при консервации веществ и о способах оказания первой помощи при несчастных случаях в соответствии [41].
3.19.3. Проведение всех работ, связанных с промывкой бензином, консервацией маслами и смазками, окраской с соблюдением правил по технике безопасности, противопожарной безопасности и промышленной санитарии [29].
3.19.4. Обеспечение специальной одеждой и средствами индивидуальной защиты всего персонала, непосредственно участвующего в работах по консервации.
3.19.5. Проведение операций приготовления растворов для обезжиривания, подготовки поверхности и нанесения средств противокоррозийной защиты при работающей принудительной вентиляции (местной и общей приточно-вытяжной).
3.19.6 . Использование для освещения (стационарного и переносного) только специальных взрывобезопасных светильников.
3.19.7. Допуск персонала к самостоятельной работе после проведения инструктажа, проверки знаний правил безопасности труда и пожарной безопасности.
3.19.8. Использование при работе в атмосфере азота изолирующего кислородного прибора или шлангового противогаза. Обеспечение содержания кислорода в воздухе рабочей зоны при нормальных условиях не менее 19 % объема.
____________________________________________________________________
Приложение 1
к «Методическим указаниям по консервации оборудования стационарных электростанций,
выводимых в резерв»
Методика определения
концентрации контактных ингибиторов в рабочем растворе
При растворении ингибитора в чистом конденсате щелочность раствора обусловлена только циклогексиламином. Незначительные количества аммиака, часто присутствующие в конденсатах, можно не принимать во внимание, так как содержание аммиака обычно не превышает 0,5 – 0,8 мг/кг (щелочность от 0,003 до 0,047 мг-экв/кг). Вследствие этого щелочность может быть просто оттитрована в присутствии метилового красного.
Отмеренную порцию раствора 100 см3
в конической колбе титруют с 3 – 5 каплями индикатора раствором серной кислоты с молярной концентрацией эквивалента 0,1 моль/дм3
до изменения окраски жидкости от желтой к красной.
Содержание циклогексиламина С
1
(г/кг) вычисляют по формуле [34]:
С
1
= А
·k
·0,0099·10, (1)
где: А
– расход кислоты на титрование, см3
;
k
– поправочный коэффициент кислоты к точно децинормальной концентрации;
0,0099 – коэффициент пересчета циклогексиламина;
10 – пересчет концентрации гексиламина к дм3
.
Пересчет содержания циклогексиламина к содержанию ингибитора в растворе С
2
(%) выполняется по формуле
, (2)
где: 0,32 – содержание циклогексиламина в ингибиторе (по паспортным данным);
0,1 – пересчет граммов в дециметре в массовые проценты.
Приложение 2
к «Методическим указаниям по консервации оборудования стационарных электростанций,
выводимых в резерв»
Методика определенная октадециламина
Ход анализа следующий: аликвотную пробу исследуемой водной эмульсии октадециламина доводят водой до 100 мл и помещают в делительную воронку, добавляют 4 мл ацетатного буферного раствора с pH = 3,5, 2 мл 0,05 %-го водного раствора индикатора метилового оранжевого, 20 мл хлороформа и встряхивают в течение 3 мин. Затем добавляют еще 50 мл хлороформа, встряхивают 1 мин, после чего дают смеси отстояться. После расслоения хлороформный экстракт фотометрируют на фотоколориметре в кювете 1 см со светофильтром, имеющим максимум светопропускания при 430 нм. Калибровочный график для определения октадециламина в воде приведен на рисунке 22.
Реакция образования окрашенного комплекса весьма специфична. Определению не мешает присутствие солей аммония, железа и меди, а также гидразина. Чувствительность методики 0,1 мг/л. Закон Бугера-Ламберта-Бэра соблюдается вплоть до концентрации 4 мг/л [34].

Рисунок 22 – Калибровочный график для определения
концентрации октадециламина.
Приложение 3
к «Методическим указаниям по консервации оборудования стационарных электростанций,
выводимых в резерв»
Системы дозирования
консерванта для проведения консервации
с применением пленкообразующих аминов
Вариант 1.
Для выполнения консервации энергетического оборудования проводят подготовительные операции по приготовлению высококонцентрированной водной эмульсии октадециламина и по транспортировке ее в контур [4].
Подготовка эмульсии осуществляется в баке-смесителе дозировочного узла, в который подается обессоленная деаэрированная вода и реагент в определенной пропорции. В баке-смесителе производится интенсивное перемешивание реагента с водой до получения эмульсии, после чего готовая эмульсия с помощью насоса подается в контур.
Принципиальная схема дозировочного узла представлена на рисунке 23. Основными элементами дозировочного узла являются бак-смеситель для приготовления водной эмульсии ОДА и группа электронасосов для подачи эмульсии в тракт теплоносителя и на рециркуляцию.

Рисунок 23 – Принципиальная схема дозировочного узла.
К баку-смесителю присоединяют:
- линию обессоленной деаэрированной воды;
- линию греющего пара для разогрева, перемешивания и поддержания необходимой температуры воды;
- линию отвода конденсата от бака в дренажную канализацию;
- линию подачи эмульсии в тракт теплоносителя и на рециркуляцию;
- линию дренирования воды из бака.
Для быстрого и качественного приготовления эмульсии ОДА используют интенсивное перемешивание в баке-смесителе. Перемешивание эмульсии обеспечивается центробежным насосом (ЦН) за счет подачи эмульсии на перфорированное душирующее кольцо в верхней части бака (вентиль 8), путем подачи эмульсии в расположенные тангенциально к образующим бака соплам (вентили 6 и 7), а также барботированием пара через перфорированное барботажное кольцо, расположенное в нижней части бака (вентиль 13). Для разогрева и поддержания температуры воды (эмульсии) 80 – 90°С, кроме барботирования, предусмотрена подача пара на змеевик (вентиль 11). Для сброса конденсата после обогрева предусмотрен вентиль 12.
На всасе и нагнетании ЦН установлены задвижки 3 и 4. Подача эмульсии в контур теплоносителя обеспечивается плунжерными насосами (ПН), на всасе и нагнетании которых имеются задвижки 1 и 2 , или центробежным насосом. На линии подачи эмульсии устанавливают обратный клапан 15.
Давление в трубопроводе подачи эмульсии в контур и на линии рециркуляции контролируется с помощью манометра. Температура эмульсии ОДА контролируется с помощью термометра, установленного в обечайке бака.
Для перепуска избыточного пара, образующегося в баке в процессе разогрева водной эмульсии ОДА, предусмотрена вестовая труба (выпар).
Исходная концентрация эмульсии ОДА контролируется с помощью химического анализа пробы, отбираемой через пробоотборник на напорном трубопроводе ЦН. Для отбора пробы предусмотрен вентиль 9. Уровень эмульсии в баке–смесителе определяется уровнемером поплавкового типа.
В случае переполнения бака дозировочного узла имеется переливная труба. Дренирование бака осуществляется открытием вентиля 14.
Бак-смеситель, водо- и паропроводы покрываются теплоизоляцией. Дозировочный узел компонуется на общей раме, что дает возможность его перемещения.
Для удобства эксплуатации дозировочный узел снабжен монтажными площадками и лестничным маршем. Для разборки-сборки электрической схемы питания электродвигателей насосов на раме монтируется электрощит. Вокруг дозировочного узла предусматривают проходы не менее 1 м., а также достаточное электроосвещение.
Вариант 2.
Для приготовления и дозирования консерванта используется компактная система дозирования, схема которой представлена на рисунке 24.

1 – бак; 2 – насос; 3 – линия циркуляции; 4 – подогреватель; 5 – электропривод с редуктором; 6 – патрубки; 7 – пробоотборник; 8 – кран сливной.
Рисунок 24 – Схема дозировочной установки.
В бак 1, где установлен теплообменник 4, загружается консервант. Путем обогрева бака питательной водой (Т = 100 °С) получают расплав консерванта, который насосом 2 подается в линию 9 на всас питательного насоса ПЭН.
В качестве дозирующего насоса можно использовать насосы типа НШ-6, НШ-3 или НШ-1.
Линия 6 соединяется с напорным трубопроводом насоса ПЭН.
Давление в линии циркуляции контролируется манометром.
Температура в баке 1 не должна снижаться ниже 70°С.
Установка проста в эксплуатации и надежна. Компактная система дозирования занимает мало места, до 1,5 м2
и легко перемонтируется с одного объекта на другой.
Вариант 3
(по методу выдавливания).
На рисунке 25 приведена принципиальная схема установки дозирования, основанной на принципе выдавливания.

Рисунок 25 – Принципиальная схема дозирования консерванта по
методу выдавливания.
Указанная установка может использоваться при консервации и отмывке водогрейных котлов по замкнутому контуру циркуляции.
Установка подключается байпасом к насосу рециркуляции.
Расчетное количество консерванта загружается в емкость 8 с уровнемером и теплом рабочего тела (котловая вода, питательная вода), консервант расплавляется до жидкого состояния.
Расход рабочего тела через теплообменник 9 регулируют задвижками 3 и 4.
Необходимое количество расплава консерванта через задвижку 5 перепускается в дозировочную емкость 10 и далее задвижками 1 и 2 регулируется необходимый расход и скорость движения рабочего тела через дозировочную емкость.
Поток рабочего тела, проходя через расплав консерванта, захватывает последний в контур циркуляции котла.
Давление на входе контролируется манометром 11.
Для выпуска воздуха из дозировочной емкости при заполнении и дренировании служат задвижки 6 и 7. Для лучшего перемешивания расплава в дозировочную емкость монтируется диффузор.
Приложение 4
к «Методическим указаниям по консервации оборудования стационарных электростанций,
выводимых в резерв»
Определение концентрации летучего ингибитора в воздухе
1. Применяемые реактивы:
- солянокислая кислота, х.ч. концентрацией 0,01 моль/кг;
- гидроокись натрия, х.ч. концентрацией 0,01 моль/кг;
- индикатор смешанный.
2. Определение концентрации
Через склянку, содержащую 0,1 кг раствора соляной кислоты концентрацией 0,01 моль/кг, с помощью аспиратора медленно пропускают 5 кг воздуха, содержащего ингибитор; который и поглощается раствором кислоты, после чего отбирают 10 см3
раствора кислоты и титруют гидроокисью натрия со смешанным индикатором.
Содержание ингибитора (С, мг/кг воздуха) рассчитывают по формуле [34]
, (3)
где: V – объем пропущенного воздуха, дм3
;
k1
, k2
– соответственно поправочные коэффициенты для растворов кислоты и щелочи, имеющих молярную концентрацию эквивалентов точно 0,01 моль/дм3
;
а – расход раствора щелочи с молярной концентрацией эквивалента 0,01 моль/дм3
на титрование оставшейся кислоты, см3
;
M – молекулярная (эквивалентная) масса ингибитора, равная для ИФХАН-1-157; для ИФХАН-100-172.
Приложение 5
к «Методическим указаниям по консервации оборудования стационарных электростанций,
выводимых в резерв»
Краткие характеристики
применяемых химических реагентов
и меры предосторожности при работе с ними
1. Водный раствор гидразингидрата
N
2
Н4
·Н2
О
Раствор гидразингидрата – бесцветная жидкость, легко поглощающая из воздуха воду, углекислоту и кислород. Гидразингидрат является сильным восстановителем.
Водные растворы гидразина концентрацией до 30 % неогнеопасны, перевозить и хранить их можно в сосудах из углеродистой стали.
При работе с растворами гидразингидрата исключают попадание в них пористых веществ, органических соединений.
К местам приготовления и хранения растворов гидразина подводят шланги для смыва водой пролитого раствора с пола и оборудования. Для нейтрализации и обезвреживания приготавливают заранее хлорную известь.
Перед проведением ремонта оборудования, используемого для приготовления и дозирования гидразина, следует тщательно промыть водой все поверхности, бывшие в контакте с гидразином.
Попавший на пол раствор гидразина рекомендуется засыпать хлорной известью и смывать большим количеством воды.
Водные растворы гидразина могут вызывать дерматит кожи, пары его раздражают дыхательные пути и глаза. Соединения гидразина, попадая в организм, вызывают изменения в печени и крови.
При работе с растворами гидразина применяют защитные очки, резиновые перчатки, резиновые передники и противогазы марки КД [35].
Попавшие на кожу и в глаза капли раствора гидразина смывают большим количеством воды.
2. Водный раствор аммиака
N
Н4
(ОН)
Водный раствор аммиака (аммиачная вода) – бесцветная жидкость с резким специфическим запахом. При комнатной температуре и, особенно при нагревании, обильно выделяет аммиак. Предельно допустимая концентрация аммиака в воздухе 0,02 мг/дм3
. Раствор аммиака обладает щелочной реакцией.
Раствор аммиака хранят в баке с герметичной крышкой.
Пролитый раствор аммиака смывают большим количеством воды.
При необходимости ремонта оборудования, используемого для приготовления и дозирования аммиака, его следует тщательно промыть водой.
Водный раствор и пары аммиака вызывают раздражение глаз, дыхательных путей, тошноту и головную боль. Особенно опасно попадание аммиака в глаза.
При работе с раствором аммиака используют защитные очки.
Попавший на кожу и в глаза аммиак смывают большим количеством воды.
3. Трилон Б
Товарный трилон Б – порошкообразное вещество белого цвета.
Раствор трилона стоек, не разлагается при длительном кипячении. Растворимость трилона Б при температуре 20 – 40°С – 108 – 137 г/кг. Значение pH растворов трилона Б составляет около 5,5.
Товарный трилон Б поставляется в бумажных мешках с полиэтиленовым вкладышем. Хранят реагент в закрытом сухом помещении.
Заметного физиологического воздействия на организм человека трилон Б не оказывает.
При работе с товарным трилоном применяют респиратор, рукавицы и защитные очки.
4. Тринатрийфосфат
Na
3
PO
4
·12 Н2
О
Тринатрийфосфат – белое кристаллическое вещество, хорошо растворимое в воде.
В кристаллическом виде специфического действия на организм не оказывает.
В пылевидном состоянии, попадая в дыхательные пути или глаза, раздражает слизистые оболочки.
Горячие растворы фосфата опасны при попадании брызг в глаза.
При проведении работ, сопровождающихся пылением, применяют респиратор и защитные очки. При работе с горячим раствором фосфата применяют защитные очки.
При попадании тринатрийфосфатов на кожу или в глаза смывают большим количеством воды.
5. Едкий натр
NaOH
Едкий натр – белое, твердое, очень гигроскопичное вещество, хорошо растворимое в воде (при температуре 20°С растворяется 1070 г/кг).
Раствор едкого натра – бесцветная жидкость тяжелее воды. Температура замерзания 6 %-ного раствора минус 5°С, 41,8 %-ного – 0°С.
Едкий натр в твердом кристаллическом виде перевозится и хранится в стальных барабанах, а жидкая щелочь – в стальных емкостях.
Попавший на пол едкий натр (кристаллический или жидкий) смывают водой.
При необходимости ремонта оборудования, используемого для приготовления и дозирования щелочи, его промывают водой.
Твердый едкий натр и его растворы вызывают сильные ожоги, особенно при попадании в глаза.
При работе с едким натром предусматривают аптечку, содержащую вату, 3 %-ный раствор уксусной кислоты и 2 %-ный раствор борной кислоты.
Индивидуальные средства защиты при работе с едким натром: хлопчатобумажный костюм, защитные очки, прорезиненный фартук, резиновые сапоги, резиновые перчатки.
При попадании щелочи на кожу ее удаляют ватой, промывают пораженное место уксусной кислотой. При попадании щелочи в глаза промывают их струей воды, а затем раствором борной кислоты и обращаются в медпункт.
6. Силикат натрия (жидкое стекло натриевое)
Товарное жидкое стекло представляет собой густой раствор желтого или серого цвета, содержание SiO2
в нем 31 – 33 %.
Поступает в стальных бочках или цистернах. Жидкое стекло хранят в сухих закрытых помещениях при температуре не ниже плюс 5°С.
Силикат натрия щелочной продукт, хорошо растворяется в воде при температуре 20 – 40°С.
При попадании на кожу раствора жидкого стекла его смывают водой.
7. Гидроксид кальция (известковый раствор) Са(ОН)2
Известковый раствор – прозрачная жидкость без цвета и запаха, нетоксична и обладает слабой щелочной реакцией.
Раствор гидроксида кальция получается при отстаивании известкового молока. Растворимость гидроксида кальция мала –
не более 1,4 г/кг при 25°С.
При работе с известковым раствором людям с чувствительной кожей рекомендуется работать в резиновых перчатках.
При попадании раствора на кожу или в глаза, смывают его водой.
8. Контактный ингибитор
Ингибитор М-1 является солью циклогексиламина [33] и синтетических жирных кислот фракции С10–13
. В товарном виде представляет собой пастообразное или твердое вещество от темно-желтого до коричневого цвета. Температура плавления ингибитора выше 30°С; массовая доля циклогексиламина – 31 – 34 %, pH спиртоводного раствора с массовой долей основного вещества 1 % – 7,5 – 8,5; плотность водного раствора 3 %-ного при температуре 20°С – 0,995 – 0,996 г/см3
.
Ингибитор М-1 поставляется в стальных барабанах, металлических флягах, стальных бочках. На каждом грузовом месте выполняется маркировка со следующими данными, наименование предприятия–изготовителя, наименование ингибитора, номер партии, дата изготовления, масса нетто, брутто.
Товарный ингибитор относится к горючим веществам и хранится на складе в соответствии с правилами хранения горючих веществ. Водный раствор ингибитора неогнеопасен.
Попавший на пол раствор ингибитора смывают большим количеством воды.
При необходимости ремонта оборудования, используемого для хранения и приготовления раствора ингибитора, его тщательно промывают водой.
Ингибитор М-1 относится к третьему классу (вещества умеренно опасные). ПДК в воздухе рабочей зоны для ингибитора – 10 мг/м3
[32].
Ингибитор химически устойчив, не образует токсичных соединений в воздухе и сточных водах в присутствии других веществ или факторов производственной сферы.
Лица, занятые на работах с ингибитором, применяют хлопчатобумажный костюм или халат, рукавицы, головной убор.
По окончании работ с ингибитором вымыть руки теплой водой с мылом.
9. Летучие ингибиторы
9.1. Летучий ингибитор атмосферной коррозии ИФХАН-1 (1-диэтиламино-2-метилбутанон) представляет собой прозрачную жидкость желтоватого цвета с резким специфическим запахом.
Жидкий ингибитор ИФХАН-1 по степени воздействия относится к высокоопасным веществам, ПДК паров ингибитора в воздухе рабочей зоны – 0,1 мг/м3
. Ингибитор ИФХАН-1 в высоких дозах вызывает возбуждение центральной нервной системы, раздражающее действие на слизистые оболочки глаз, верхних дыхательных путей. Длительное воздействие ингибитора на незащищенную кожу может вызвать дерматит.
Ингибитор ИФХАН-1 химически устойчив и не образует токсичных соединений в воздухе и сточных водах в присутствии других веществ.
Жидкий ингибитор ИФХАН-1 относится к легковоспламеняющимся жидкостям. Температура воспламенения жидкого ингибитора 47°С, температура самовоспламенения 315°С. При загорании применяются средства пожаротушения: кошма, пенные огнетушители, огнетушители ОУ
Уборка помещений проводится влажным способом.
При работе с ингибитором ИФХАН-1 применяют средства индивидуальной защиты – костюм из хлопчатобумажной ткани (халат), резиновые перчатки.
9.2. Ингибитор ИФХАН-100, также являющийся производным аминов, менее токсичен. Относительно безопасный уровень воздействия – 10 мг/м3
; температура воспламенения – 114°С, самовоспламенения – 241°С.
Меры безопасности при работе с ингибитором ИФХАН-100 те же, что и при работе с ингибитором ИФХАН-1.
Работы внутри оборудования до его расконсервации не производят.
При высоких концентрациях ингибитора в воздухе или при необходимости работы внутри оборудования после его расконсервации применяют противогаз марки А с коробкой фильтрующей марки А [35]. Предварительно оборудование вентилируют. Работы внутри оборудования после расконсервации проводит звено в составе не менее двух человек.
После окончания работы с ингибитором промыть руки с мылом.
В случае попадания жидкого ингибитора на кожу надо смыть его водой с мылом, при попадании в глаза – промыть их обильной струей воды.
10. Флотамин
10.1. Для проведения консервации по методу пленкообразующих аминов используется выпускаемый отечественной промышленностью консервант флотамин (октадециламин стеариновый технический), являющийся одним из высших пленкообразующих алифатических аминов. Это нетоксичное воскообразное вещество белого цвета, основные свойства которого приведены в [36]. Наряду с отечественным консервантом может быть использован зарубежный аналог ОДАСОN (ОДА кондиционный) повышенной степени очистки, соответствующий европейскому стандарту DIN EN ISO 9001:1994 со следующими основными параметрами:
Таблица 6 – Основные параметры европейского стандарта
DIN EN ISO 9001:1994
| Массовая доля первичных аминов (С16
+ С18
– 95,3%)
|
не менее 99,7 %
|
| Массовая доля вторичных аминов
|
не более 0,3 %
|
| Йодное число (г йода/100 г продуктов характеризует количество непредельных углеводородов)
|
не более 1,5
|
| Массовая доля амидов
|
отсутствуют
|
| Массовая доля нитрилов
|
отсутствуют
|
| Точка затвердевания
|
44,2 °С
|
10.2. Отбор проб консерванта и правила его приемки приводят в соответствие с [36].
10.3. Предельно допустимая концентрация флотамина (ОДА) в воздухе рабочей зоны составляет 1 мг/м3
и менее [32].
10.4. В соответствии с [31], предельно допустимая концентрация ОДА (ОДАСОN) в воде для санитарно-гигиенического использования составляет 0,03 мг/л и менее, в воде рыбохозяйственных водоемов составляет 0,01 мг/л и менее.
10.5. Молекулы консерванта адсорбируются на поверхности всех металлов, используемых в теплоэнергетике. Количество адсорбированного на поверхности металла консерванта зависит от его исходной концентрации, продолжительности процесса консервации, типа металла, температуры среды, ее скорости движения, от того, в какой среде происходит процесс адсорбции (вода, влажный или перегретый пар), а также от степени загрязненности консервируемых поверхностей металла.
10.6. Пленкообразующий амин (октадециламин, ОДА) – воскообразное вещество со специфическим запахом. Плотность ОДА 0,83 г/см 3
, температура плавления 54 – 55 °С, температура кипения 349°С. При температуре выше 350°С без доступа воздуха ОДА разлагается с образованием низкомолекулярных углеводородов и аммиака. ОДА не растворяется в холодной и горячей воде, но при температуре выше 75°С образует с водой эмульсию, растворяется в спиртах, уксусной кислоте, эфирах и других органических растворителях.
Октадециламин относится к реагентам, применение которых одобрено и разрешено к использованию FDA|USDA и международной организацией World Association of Nuclear Operation (WANO).
Водная эмульсия октадециламина нетоксична даже при концентрации 200 мг/кг, что значительно превышает концентрации октадециламина в водных эмульсиях, которые используются для защиты металла энергетического оборудования от стояночной коррозии.
ПДК алифатических аминов с числом атомов углерода в молекуле 16 – 20 (октадециламин имеет 18 атомов углерода в молекуле) в воде водоемов санитарно-бытового использования составляет 0,03 мг/л, в воздухе рабочей зоны – 1 мг/м3
[32], в атмосферном воздухе – 0,003 мг/м3
[32].
10.7. Октадециламин для человека практически безвреден, однако лучше избегать прямого контакта с ним, так как в зависимости от индивидуальной восприимчивости иногда отмечается покраснение кожи, зуд, которые обычно через несколько дней после прекращения контакта с реагентом исчезают.
При осмотре дозировочного узла (при открытии крышки бака) остерегаются прямого контакта с горячими парами ОДА. После окончания работ с ОДА рабочие, имевшим контакт с ним, принимают горячий душ. Работники химических лабораторий при работе с пробами, содержащими ОДА, выполняют анализы при включенном вытяжном устройстве, после окончания работы тщательно вымыть руки с мылом. Вода, содержащая ОДА, не используется для питьевых и бытовых целей.
При работе с пленкообразующими аминами строгое соблюдение правил личной гигиены, использование резиновых перчаток, фартука, защитных очков, при длительном контакте применять респиратор типа «лепесток».
При попадании эмульсии октадециламина на кожу промыть ее чистой водой и 5 %-ным раствором уксусной кислоты.
При проведении ремонтных работ с использованием огневого нагрева на поверхностях оборудования, законсервированного ОДА, организуют вентиляцию рабочей зоны.
10.8. При использовании октадециламина для консервации оборудования ТЭС отработанный консервант, загрязненный продуктами коррозии конструкционных материалов и другими перешедшими из отложений примесями, рекомендуется сбрасывать в отстойник (шламоотвал, золоотвал, пруд–охладитель и т.п.), Благодаря способности октадециламина к биологическому расщеплению с течением времени нагрузка на отстойник по октадециламину при периодических консервациях энергетического оборудования на ТЭС незначительна.
После завершения консервации консервант из защищаемого оборудования в зависимости от имеющихся на ТЭС возможностей может быть сброшен: на шламоотвал; в систему золошлакоудаления; в циркводовод с разбавлением до ПДК.
При сбросе ПОА в воду поверхностных водоемов не превышать ПДК = 0,03 мг/кг – для водоемов санитарно–бытового назначения и 0,01 мг/кг – для водоемов рыбохозяйственного назначения. [31]
Приложение 6
к «Методическим указаниям по консервации оборудования стационарных электростанций,
выводимых в резерв»
Краткие сведения
об установках осушки и подогрева воздуха
Воздухоосушительные установки (ВОУ)
Установка для консервации оборудования ТЭС – УКМ-1 (установка консервационная мобильная) работает по принципу сорбции влаги. В качестве адсорбента используется цеолит, применяющийся в энергетике для осушки масел.
Установка имеет достаточно высокий напор, чтобы преодолевать аэродинамическое сопротивление разветвленных трактов энергоустановок, испытана на турбоагрегате К-300-240.
На установке не используется компрессор, она проста в эксплуатации, автоматизирована.
Таблица 7 – Техническая характеристика УКМ-1
| Осушительная способность, кг/ч, не менее
|
12
|
| Производительность по осушенному воздуху, м3
/ч
|
800 – 2500
|
| Относительная влажность осушенного воздуха1
, %, не более
|
30
|
| Полный напор воздуха, Па, не менее
|
3000
|
| Установленная мощность, кВт, не более
|
50
|
| Среднечасовое потребление электроэнергии, кВт·ч, не более
|
23
|
| Габаритные размеры, мм
|
3870×1960×2070
|
| Масса, кг
|
3500
|
| Масса сорбента (цеолит Na–A), кг, не более
|
240
|
| Срок службы, лет
|
10
|
| Ресурс до капитального ремонта, ч, не менее
|
28800
|
__________________
1
Устанавливается в зависимости от влагосодержания воздуха на входе.
Подключение УКМ-1 к блокам консервируемого оборудования осуществляется с помощью эластичных рукавов (воздуховодов) D
у
200 мм при минимальных затратах и переделках тепловой схемы.
Установка подключается к сети переменного тока напряжением 380/220 В, частота 50 Гц.
Воздухоосушительные установки ВОК-120, НОУР-1200 производительностью по осушенному воздуху до 1200 м3
/ч и напором – от 850 мм вод.ст. до 6 кгс/см2
нашли широкое применение на теплоэнергетическом оборудовании.
Воздухоосушительная установка, использующая принцип вымораживания влаги, может работать в двух режимах: вентиляции или осушения.
В режиме осушения атмосферный воздух поступает в теплообменник–испаритель, где охлаждается до 7°С, при этом влага, содержащаяся в воздухе, конденсируется на поверхности трубок теплообменника. Осушенный воздух поступает в электрокалорифер, где подогревается и затем нагнетается вентилятором в оборудование.
В режиме вентиляции холодильная машина и электрокалорифер не работают. Атмосферный воздух поступает на сторону всасывания вентилятора и далее в консервируемое оборудование.
Выбор режима вентиляции и осушения производится изменением настройки датчика-регулятора влажности. В процессе работы при переходе влажности через порог настройки датчика изменение режимов работы происходит автоматически.
Таблица 8 – Техническая характеристика ВОУ
| Напряжение питающей сети, В
|
380
|
| Частота питающей сети, Гц
|
50
|
| Потребляемая мощность, кВт
|
10
|
| Расход осушаемого воздуха, м3
/ч
|
700
|
| Напор воздуха на выходе ВОУ, мм вод.ст
|
160
|
| Температура воздуха на выходе ВОУ, °С
|
25
|
| Относительная влажность, %:
|
| на входе
|
70
|
| на выходе
|
30 – 35
|
| Габаритные размеры, мм
|
2000×1400×815
|
| Масса, кг
|
300
|
Техническая характеристика ВОУ (по принципу вымораживания влаги) и опыт ее применения при консервации турбин Т-100-130, Р-50-130, ПТ-60-130 приведены в [37].
При проведении консервации оборудования осушенным воздухом с помощью эжекторных установок расчетные параметры эжектора (создаваемое разрежение, расход отсасываемого воздуха, расход пара) зависят от внутреннего объема консервируемого оборудования.
Для консервации оборудования энергоблока с турбиной Т-250/300-240 и прямоточным котлом применяется эжектор ЭПР-0,9-4800-1.
Таблица 9 – Техническая характеристика ЭПР-0,9-4800-1
| Создаваемое разрежение на стороне всасывания, кгс/см2
|
0,9
|
| Расход отсасываемого воздуха, кг/ч
|
4800
|
| Рабочее давление пара, МПа
|
0,4
|
| Температура пара, °С
|
160
|
| Расход пара, кг/ч
|
192
|
Фильтр-осушитель атмосферного воздуха изготавливается на месте.
Воздухонагревательные установки (ВНУ)
Энергопредприятия могут своими силами спроектировать и изготовить ВНУ, состоящую из вентиляционной и калориферной установок, а также системы воздухопроводов. Для подогрева воздуха используют электрические калориферы.
В качестве источника подогретого воздуха опробовано применение турбовоздуходувки типа ТВ-80-1,8 системы дробеочистки конвективных поверхностей нагрева котлов. Атмосферный воздух может быть нагрет в ТВ до 60 – 70°С.
Турбовоздуходувка, обладая большой производительностью по воздуху (до 6 000 м3
/ч) и высоким напором (до 8 000 мм вод. ст), позволяет осуществлять консервацию всего оборудования турбоустановок (турбина, ПВД, ПНД, конденсатор, бойлер и т.п.) или энергоблока (котел и турбоустановка) от одного источника воздуха.
При выборе или проектировании ВОУ и ВНУ учитывают, что для защиты от попадания загрязнений и пыли во внутренние полости консервируемого оборудования, всасывающие патрубки установок или фильтров–осушителей оснащают фильтрами.
Защитный фильтр может быть изготовлен своими силами в соответствии с рекомендациями [19].
Приложение 7
к «Методическим указаниям по консервации оборудования стационарных электростанций,
выводимых в резерв»
Система осушки и подогрева газа генератора
с установкой подогревателя в контур штатного осушителя
Циркуляция газа по контуру «трубопровод системы осушки – корпус статора» осуществляется за счет нагрева газа нагревательным элементом (рисунок 22). Тепловая мощность электрических нагревателей должна выбираться такой, чтобы обеспечить прохождение всего объема газа в турбогенераторе через осушитель за 3 – 4 ч.

1 – нагревательный элемент; 2 – фреоновый компрессор; 3 – испаритель; 4 – термометр.
Рисунок 22 – Схема системы осушки и подогрева.
Приложение 8
к «Методическим указаниям по консервации оборудования стационарных электростанций,
выводимых в резерв»
Перечень материалов и изделий,
рекомендуемых при консервации
Таблица 10 – Перечень материалов и изделий, рекомендуемых при консервации
| Наименование
|
ГОСТ, ТУ
|
Применение
|
| 1
|
2
|
3
|
| 1 Бензин авиационный марки Б–70
|
ГОСТ 1012–72
|
Очистка поверхностей
|
| 2 Бензин «Калоша»
|
ГОСТ 443–76
|
То же
|
| 3 Бензин–растворитель (уайт–спирит)
|
ГОСТ 3134–78
|
––
|
| 4 Бумага парафинированная марки БП–6
|
ГОСТ 9569–79
|
Обертка изделия
|
| 5 Картон электроизоляционный толщиной 0,3 мм
|
ГОСТ 2824–86
|
| 6 Пленка полиэтиленовая 0,15–0,2 мм
|
ГОСТ 10354–82
|
Упаковка изделий
|
| 7 Лента поливинилхлоридная
|
ГОСТ 16214–86
|
| 8 Шпагат полипропиленовый из пленочной нити
|
ТУ 17–05–009–80
|
Увязка
|
| 9 Лента киперная
|
ГОСТ 4514–78
|
Увязка
|
| 10 Бумага упаковочная антикоррозионная
|
ГОСТ 16295–93
|
Упаковка, обертка изделий
|
| 11 Бумага кабельная
|
ГОСТ 645–89
|
То же
|
| 12 Пластина резиновая ОМБ
|
ГОСТ 7338–90
|
Амортизатор, уплотнение
|
| 13 Тальк молотый
|
ГОСТ 19729–74
|
Защита резино–техн. изделий
|
| 14 Шкурка шлифовальная бумажная
|
ГОСТ 6456–82
|
Удаление коррозии
|
| 15 Шкурка шлифовальная тканевая
|
ГОСТ 8692–88
|
То же
|
| 16.Силикагель марок ШСМ и КСМ
|
ГОСТ 3956–76
|
Влагопоглотитель
|
| 17 Силикагель–индикатор
|
ГОСТ 8984–75
|
Контроль состояния силикагеля
|
| 18 Бязь отбеленная арт. 42
|
ГОСТ 29298–92
|
Мешочки для силикагеля
|
| 19 Масло индустриальное общего назначения
|
ГОСТ 20799–88
|
Удаление коррозии
|
| 20 Масло консервационное К–17
|
ГОСТ 10877–76
|
Для наружной и внутренней консервации
|
| 21 Азот газообразный технический
|
ГОСТ 9293–74
|
Для внутренней консервации
|
| 22 Ингибитор АКОР–1
|
ГОСТ 15171–78
|
Для приготовления рабоче-консервационного масла
|
| 23 Смазка пластичная ПВК
|
ГОСТ 19537–74
|
Консервация шейки вала, участков под уплотнения
|
| 24 Смазка АМС–3
|
ГОСТ 2712–75
|
| 25 Трубчатый электрический нагреватель ТЭН 32Л13/0.2 С 3643
Изготовитель: Завод «Электроаппарат», г. Миасс, Челябинская обл.
|
ТУ 16–531.690–90
|
| 26 Парафин
|
ГОСТ 23683–89
|
Консервация коллекторов
|
| 27 Пиломатериалы
|
| 28 Ветошь обтирочная
|
ТУ 63–178–77–82
|
| 29 Спирт этиловый технический или этиловый питьевой
|
ГОСТ 17299–78
ГОСТ 5963–67
|
Промывка обмотки статора при консервационном хранении в неотапливаемом помещении (–20...+35°С)
|
| 30 Мыло хозяйственное
|
ГОСТ 790–89
|
Приложение 9
к «Методическим указаниям по консервации оборудования стационарных электростанций,
выводимых в резерв»
Назначение некоторых масел, смазок
ингибитированных покрытий, применяемых
при консервации турбогенератора
1. Масло консервационное К-17 [38] применяется для долговременной защиты от атмосферной коррозии изделий и механизмов, хранящихся в помещениях или под укрытиями. Защищает от коррозии все металлы и сплавы.
2. Консервационное масло К-17 наносится в не нагретом или нагретом до 50 – 60°С состоянии. Подогрев смазки при низких температурах окружающего воздуха производится в банках (бидонах), опущенных в ванну (бак) с водой, веретенным или другим маслом, нагретым до 70 – 90°С. Открытый огонь для разогрева масла не используют.
3. При консервации внутренних поверхностей оборудования способом прокачивания количество смазки К-17 превышает количество рабочего масла, оставшегося в системе после спуска, не менее чем в 4 раза, так как опытами установлено, что предельно допустимое количество примеси рабочего масла в смазке, при которой она еще остается пригодной для консервации, составляет 20 %.
4. Внутренние поверхности составных частей оборудования перед консервацией не подвергаются какой-либо специальной обработке, кроме прокачивания рабочего масла.
5. Толщина слоя смазки на консервируемых поверхностях устанавливается самопроизвольно, излишнее масло стекает, остается только ее тонкая защитная пленка. Наличие смазки на поверхности металла визуально определяется с трудом, для этого требуется навык, поэтому нанесение смазки производят особенно тщательно. При осмотрах рекомендуется освещать осматриваемую поверхность переносной лампой.
6. Консервационное масло К-17 предохраняет оборудование от коррозии в течение 5 лет при отсутствии непосредственного воздействия атмосферных осадков и нарушения слоя смазки.
7. При расконсервации удаление смазки с внутренних поверхностей оборудования производится путем прокачивания через масляные системы рабочего масла. С наружных поверхностей смазка удаляется протиркой ветошью (Приложение 8).
8. Смазка пластичная ПВК применяется для защиты от коррозии поверхностей металлических изделий при длительном хранении и для смазывания узлов трения механизмов, работающих при плюсовых температурах, небольших нагрузках и малых скоростях. Защищает от коррозии все металлы и сплавы. Наносится на защищаемые поверхности в нагретом до 80 – 110°С состоянии. Появление пены на поверхности нагретой смазки указывает на наличие в ней воды. Пена снимается чистым совком, а смазка прогревается до тех пор, пока не прекратится появление пены.
9. Смазка рабочее-консервационная АМС-3 применяется для смазывания механизмов, работающих в воде или соприкасающихся с водой, с целью обеспечения их работы и защиты от коррозии. Температурный диапазон от 0 до плюс 40°С. Наносится в нагретом состоянии масленками (Приложение 8).
10. Ингибитированное пленочное покрытие ХС-596 (Приложение 10) наносится кистью при вязкости 120 – 150 с в 2 слоя, с общей толщиной покрытия не менее 100 мкм. В качестве растворителя применяют ксилол. Сушка каждого слоя 1,5 – 2 ч на воздухе при температуре 18 – 25°С. Аналогично наносятся и другие тонкопленочные покрытия.
11. Однородная смесь турбинного масла с присадкой-ингибитором АКОР-1 (10 %) может быть использована в качестве универсального рабоче-консервационного масла, пригодного как для смазки оборудования в процессе эксплуатации, так и для его консервации (Приложение 10). После вывода оборудования из консервации залитое в него рабоче-консервационное масло используется в качестве эксплуатационного масла до первой его замены.
Количество рабоче-консервационного масла определяется числом агрегатов, подлежащих консервации, и объемом их маслосистем.
Для приготовления рабоче-консервационного масла проводят:
- отмер требуемого количества турбинного масла при температуре 15 – 20°С;
- отмер требуемого количества присадки АКОР-1 из расчета 10 % приготавливаемого количества рабоче-консервационного масла;
- добавку к турбинному маслу подогретую до температуры 60 – 70°С (для обезвоживания масла) присадки АКОР-1 при интенсивном перемешивании масла мешалкой до получения однородной массы.
В процессе приготовления смеси следят за тем, чтобы все отмеренное количество присадки было залито в масло.
Не рекомендуется заливать присадку АКОР-1 непосредственно в маслосистему, картер агрегата или масляный бак, так как в этом случае нельзя добиться полного перемешивания присадки с маслом.
Приложение 10
к «Методическим указаниям по консервации оборудования стационарных электростанций,
выводимых в резерв»
Консервационные покрытия контактных колец по
вариантам защиты ВЗ-7, ВЗ-8 при ингибитированных
полимерных покрытий
Таблица 11 – Консервационные покрытия контактных колец
| Наименование
|
ГОСТ, ТУ
|
Растворитель
|
Расконсервация
|
Примечание (внешний вид)
|
| XII-I
(состав)*
|
ТУ 6-10-11-138-28-76
|
Ксилол
ГОСТ 9949-76
ГОСТ 9410-78
|
Механическая
|
Пленка белого цвета
|
| ХС–596
(лак ингибитированный снимающийся)
|
ТУ 10-1098-75
|
То же
|
То же
|
––
|
| ЛСП (состав: красно-коричневая эмаль ХВ-114-92%, присадка АКОР-1-8%)
|
ТУ 6-10-747-74, ГОСТ 15171-78
|
Ацетон
ГОСТ 2603-79,
Р4
ГОСТ 7827-74
|
––
|
Твердая глянцевая непрозрачная пленка
|
| НГ-216 (маплин),
НГ-222А
|
ТУ 38-101-427-76
|
Уайт-спирит
ГОСТ 3134–78
|
––
|
Прозрачная пленка от желтого до светло-коричневого цвета
|
________________
* – Ингибитированный состав XII-I представляет собой суспензию пигмента в растворе полимеризационной хлорсодержащей смолы с добавками антиадгезина и ингибитора коррозии.
Приложение 11
к «Методическим указаниям по консервации оборудования стационарных электростанций,
выводимых в резерв»
Форма
свидетельства о консервации изделий
Свидетельство о консервации
____________________________________________________________________
(наименование изделия)
___________________________________ ______________________________
(обозначение, тип оборудования)
(заводской номер)
Подвергнут (а) консервации согласно требованиям Раздела III Настоящих методических указаний и проекту консервации.
Дата консервации «__» __________ 20__ год.
Срок консервации «__» __________ 20__ год.
Консервацию произвел ________ ___________________ ______
(должность) (Ф.И.О.) (подпись)
Изделие после консервации принял
________ ___________________ ______
(должность) (Ф.И.О.) (подпись)
Приложение 12
к «Методическим указаниям по консервации оборудования стационарных электростанций,
выводимых в резерв»
Форма акта
о произведенной консервации оборудования
| ____________________________
____________________________
(энергопредприятие)
____________________________
|
УТВЕРЖДАЮ:
Главный инженер ТЭЦ–_____
__________________________
(Ф. И. О)
«___» ______________ 20 __ г.
|
АКТ № ___
Комиссия в составе:
председателя ______________________________________ (должность, предприятие, Ф.И.О.)
и членов комиссии ______________________________________ (должность, предприятие, Ф.И.О.)
составили настоящий акт в том, что:
«3
» июля
2009
г. произведена консервация турбогенератора
ст. № 25
(наименование оборудования)
по способу защиты ВЗ–16, условия хранения 1Л
Перед консервацией произведены следующие предусмотренные проектом консервации подготовительные работы:
1. Очищены поверхности оборудования от загрязнений.
2. Установлены со стороны турбины и со стороны возбудителя специальные статические уплотнения вала.
3. Проверено сопротивление изоляции обмоток статора и ротора турбогенератора. Rизоляции
в норме
4. Установлены панели с электронагревателями в количестве 2 комплекта.
Турбогенератор подвергнут консервации согласно требованиям руководства и проекту консервации.
Составлен график осмотров (вскрытий) оборудования, находящегося в консервации.
Председатель комиссии _______________________________
(Ф.И.О.)
Члены комиссии _______________________________
(Ф.И.О.)
Приложение 13
к «Методическим указаниям по консервации оборудования стационарных электростанций,
выводимых в резерв»
Принятые сокращения
| А
|
Азот
|
| АРВ
|
Автоматическое регулирование возбуждения
|
| БО
|
Бойлер охладитель
|
| БОУ
|
Блочная обессоливающая установка
|
| БРОУ
|
Быстродействующая редукционно-охладительная установка
|
| БЩУ
|
Блочный щит управления
|
| БЭН
|
Бустерный насос
|
| ВЗ
|
Встроенная задвижка
|
| ВНУ
|
Воздухонагнетательная установка
|
| ВОУ
|
Воздухоосушительная установка
|
| ВПУ
|
Валоповоротное устройство
|
| Г
|
Генератор
|
| ГВ
|
Гидразинная «выварка»
|
| ГЗУ
|
Гидрозолоудаление
|
| ГО
|
Гидразинная обработка
|
| ГПЗ
|
Главная паровая задвижка
|
| ГПП
|
Горячий пароперегреватель
|
| ГРО
|
Гидразинная обработка в режиме останова
|
| ГРП
|
Обработка гидразином при рабочих параметрах
|
| Д
|
Деаэратор
|
| D
у
|
Диаметр условного прохода
|
| ЗЩ
|
Заполнение защитным щелочным раствором
|
| ИД
|
Избыточное давление
|
| КИ
|
Контактный ингибитор
|
| КОС
|
Клапан обратный соленоидный
|
| КЭН
|
Конденсатный насос
|
| мес.
|
Месяц
|
| НКП
|
Насос кислотной промывки
|
| НОС
|
Насос охлаждения обмотки статора
|
| НТД
|
Нормативно-технические документы
|
| ОДА
|
Октадециламин
|
| ПВД, ПНД
|
Подогреватель высокого, низкого давления
|
| ПВС
|
Пароводяная смесь
|
| ПДК
|
Предельно допустимая концентрация
|
| ПОА
|
Пленкообразующие амины
|
| ПП
|
Пароперегреватель
|
| ППП
|
Промежуточный пароперегреватель
|
| ПС
|
Подогреватель сальниковых уплотнений
|
| ПСБУ
|
Пуско-сбросная быстродействующая установка
|
| ПСГ
|
Подогреватель сетевой воды, горизонтальный
|
| ПТО
|
Производственно-технический отдел
|
| ПТЭ
|
Правила технической эксплуатации
|
| ПЭН
|
Насос питательной воды
|
| РВ
|
Регулятор впрыска
|
| РК
|
Регулирующий клапан
|
| РОУ
|
Редукционно-охладительная установка
|
| РПК
|
Регулятор питания котла
|
| РПКА
|
Регулятор питания котла автоматический
|
| СК
|
Стопорный клапан
|
| СКД
|
Сверхкритическое давление
|
| СО
|
Сухой останов
|
| СПП
|
Секционная задвижка пароперегревателя
|
| ТВ
|
Турбовоздуходувка
|
| ТО
|
Трилонная обработка
|
| ТЭП
|
Технико-экономические показатели
|
| ТЭС
|
Тепловые электрические станции
|
| ФВ
|
Фосфатно-аммиачная «выварка»
|
| ХПП
|
Холодный промежуточный пароперегреватель
|
| ЦВД, ЦСД, ЦНД
|
Цилиндр высокого, среднего и низкого давления
|
| ЦН
|
Центробежный насос
|
| ЦФ
|
Центрифуга (для очистки масла)
|
| ЩКА
|
Щеточно-контактный аппарат
|
| Э
|
Экономайзер
|
| ЭПР
|
Эжектор парового расхолаживания
|
____________________________________________________________________ Список использованной литературы
1. Глазырин А.Н., Кострикина Е.Ю. Консервация энергетического оборудования. – М.: Энергоатомиздат, 1987.
2. Жук Н.П. Курс теории коррозии и защиты металла. – М.: Металлургия, 1976.
3. Методические указания по консервации теплоэнергетического оборудования: РД 34.20.591-97. – М.: СПО ОРГРЭС, 1997.
4. Методические указания по консервации теплоэнергетического оборудования с применением пленкообразующих аминов: Дополнение к РД 34.20.591-97. – М,: МЭИ, ВНИИАМ, 1998.
5. Методические указания по организации консервации теплоэнергетического оборудования воздухом. РД 153-34.1-30.-502-00. –М. СПО ОРГРЭС, 2000.
6. Методические указания по консервации оборудования стационарных электростанций, выводимых в резерв: МУ 34-70-106-85.– М.: СПО Союзтехэнерго, 1986.
7. Михеев А.И., Михеева И.М. Основы теплопередачи. – М.: Энергия, 1977.
8. Справочник по теплопередаче. – Л.: ГЭИ, 1959.
9. Тепло- и массообмен. Теплотехнический эксперимент. Справочник. – М.:Энергоатомиздат, 1982.
10. Теплофизические свойства веществ. Справочник. – М.: ГЭИ, 1956.
11. Аэродинамический расчет котельных установок. – Л.: Энергия, 1977.
12. Справочник по гидравлическим сопротивлениям. – М.: Машиностроение, 1975.
13. Способы защиты оборудования от коррозии. Справочное руководство. – Л.: Химия, 1987.
14. Методика исследований новых водно-химических режимов и оценка их эффективности в условиях эксплуатации энергоблоков СКД: РД 34.09.307-90, – М.: Ротапринт ВТИ, 1990.
15. Правила технической эксплуатации электрических станций и сетей Республики Казахстан РД 34 РК. 20.501-02. Астана.- 2002
16. Типовая инструкция по эксплуатации установок для очистки производственных сточных вод тепловых электростанций: ТИ 34-70-043-85 М.: СПО Союзтехэнерго, 1985.
17. Методические указания по комплексной обработке воды барабанных котлов давлением 3,9–9,8 МПа. РД 34.37.514-91. М: СПО ОРГРЭС, 1993.
18. Методические указания по применению гидроксида кальция для консервации теплоэнергетического и другого промышленного оборудования на объектах Минэнерго: РД 34.20.593-89. М.: СПО Союзтехэнерго, 1989.
19. Методические указания по консервации паротурбинного оборудования ТЭС и АЭС подогретым воздухом: МУ 34-70-078-84. – М.: СПО Союзтехэнерго, 1984
20. Типовая инструкция по эксплуатации генераторов на электростанциях: СО 153-34.45.501-88.– М.: СПО Союзтехэнерго, 1989.
21. Типовая инструкция по эксплуатации газомасляной системы водородного охлаждения генераторов: СО 153-34-45.512-97.– М.: СПО ОРГРЭС 1998.
22. Типовая инструкция по эксплуатации и ремонту узла контактных колец и щеточного аппарата турбогенераторов мощностью 63 МВт и выше: СО 34-45.510-98.– М.: СПО ОРГРЭС, 2000. Изм. №1, 2001.
23. ГОСТ 23216-78. Изделия электротехнические. Общие требования к хранению, транспортированию, временной противокоррозионной защите и упаковке.
24. ГОСТ 9.014-78. Единая система защиты от коррозии и старения. Временная противокоррозионная защита изделий. Общие требования. (с изм. 04.03.92 г. и 05.02.98 г.).
25. Машины, приборы и другие технические изделия. Исполнения для различных климатических районов. Категории, условия эксплуатации, хранения и транспортирования в части воздействия климатических факторов внешней среды: ГОСТ 15150-69.
26. Объем и нормы испытаний электрооборудования: РД 34.45-51.300-97.– М: ЭНАС, 2001.
27. Сушка крупных электрических машин переменного и постоянного тока. Инструкция: ОБС.919.056.
28. Инструкция по транспортированию и хранению электрических машин и аппаратов. ОБС.458.000.
29. ГОСТ 12.3.005-75 ССБТ. Работы окрасочные. Общие требования безопасности.
30. ГОСТ 6732-93. Красители органические, продукты промежуточные для красителей, вещества текстильно–вспомогательные.
31. Санитарные правила и нормы № 4630-98 от 04.07.98
32. ГОСТ 12.01.005-88 ССБТ. Общие санитарно–гигиенические требования к воздуху рабочей зоны.
33. Циклогексиламин цимат. цинк азотнокислый 6-водный: ТУ 113-03-13-10-86.
34. Воюцкий С.С. Курс коллоидной химии. 2–е издание, переработанное и дополненное. – М.: издательство «Химия», 1976.
35. Противогазы промышленные фильтрующие: ГОСТ 12.4.121-83 ССБТ.
36. ГОСТ 23717-79. Флотамин (октадециламин стеариновый технический).
37. Масло консервационное К-17. Технические условия: ГОСТ 10877-76.
38. ГОСТ 8692-88. Диски шлифовальные фибровые. Технические условия.
39. РД 34 РК. 03202-04. Правила техники безопасности при эксплуатации электроустановок РК, Алматы.- 2004.
40. «Инструкция по оказанию первой помощи пострадавшим в связи с несчастными случаями при обслуживании энергетического оборудования».- М.: Энергоатомиздат,1987.
____________________________________________________________________
Содержание
| Раздел I Консервация теплоэнергетического оборудования с применением химических реагентов
|
1
|
| 1
|
Общие положения
|
1
|
| 2
|
Способы консервации барабанных котлов
|
2
|
| 3
|
Способы консервации прямоточных котлов
|
24
|
| 4
|
Выбор способов консервации энергетических котлов в зависимости от вида и продолжительности простоя
|
31
|
| 5
|
Способы консервации водогрейных котлов
|
33
|
| 6
|
Способы консервации турбоустановок
|
38
|
| Раздел II Консервация теплоэнергетического оборудования воздухом
|
43
|
| 1
|
Общие положения
|
43
|
| 2
|
Условия консервации теплоэнергетического оборудования воздухом
|
45
|
| 3
|
Области применения воздуха для консервации теплоэнергетического оборудования
|
45
|
| 4
|
Установки осушки и подогрева воздуха
|
47
|
| 5
|
Рекомендации по организации схем консервации оборудования воздухом
|
47
|
| 6
|
Консервация турбоустановок воздухом
|
49
|
| 7
|
Консервация барабанных котлов
|
55
|
| 8
|
Консервация энергоблоков сверхкритического давления
|
61
|
| 9
|
Консервация водогрейных котлов
|
65
|
| Раздел III Консервация турбогенераторов при нахождении их в резерве или длительном простое
|
76
|
| 1
|
Общие положения
|
76
|
| 2
|
Обслуживание турбогенераторов при простоях в резерве
|
78
|
| 3
|
Консервация турбогенератора и его узлов
|
82
|
| Приложение 1
|
Методика определения концентрации контактных ингибиторов в рабочем растворе
|
103
|
| Приложение 2
|
Определение концентрации летучего ингибитора в воздухе
|
104
|
| Приложение 3
|
Системы дозирования консерванта для проведения консервации с применением пленкообразующих аминов
|
105
|
| Приложение 4
|
Определение концентрации летучего ингибитора коррозии в воздухе
|
110
|
| Приложение 5
|
Краткие характеристики применяемых химических реагентов и меры предосторожности при работе с ними
|
111
|
| Приложение 6
|
Краткие сведения об установках осушки и подогрева воздуха
|
118
|
| Приложение 7
|
Система осушки и подогрева газа генератора с установкой подогревателя в контур штатного осушителя
|
121
|
| Приложение 8
|
Перечень материалов и изделий, рекомендуемых при консервации
|
122
|
| Приложение 9
|
Назначение некоторых масел, смазок, ингибитированных покрытий, применяющихся при консервации турбогенератора
|
124
|
| Приложение 10
|
Консервационные покрытия контактных колец по вариантам защиты ВЗ-7, ВЗ-8 при помощи ингибитированных полимерных покрытий
|
126
|
| Приложение 11
|
Форма свидетельства о консервации изделий
|
127
|
| Приложение 12
|
Форма акта о произведенной консервации оборудования
|
128
|
| Приложение 13
|
Принятые сокращения
|
130
|
| Список использованной литературы
|
132
|
|