|
Лабораторная работа №1
Исследование цепей постоянного тока
Цель: Провести анализ цепей постоянного тока. Проанализировать влияние вида резисторов на параметры режима электрической цепи. Проверить выполнение законов Кирхгофа и баланса мощностей.
Ход работы
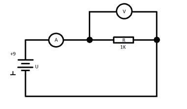
1. Проверка закона Ома.

| |
Измерения
|
Расчет
|
| Параметр
|
U
|
I
|
R
|
Рген
|
Рпотр
|
| Размерность
|
В
|
mA
|
Ом
|
Вт
|
Вт
|
| Величина
|
8,73
|
8,95
|
975
|
0,078
|
0,078
|
1) Ом
2) Вт
3) 78100* Вт
2. Последовательное соединение резисторов.

| |
Измерения
|
Расчет
|
| Параметр
|
I
|
U
|
U1
|
U2
|
U3
|
R1
|
R2
|
R3
|
Pген
|
Pпотр
|
| Размерность
|
mA
|
B
|
B
|
B
|
B
|
Ом
|
Ом
|
Ом
|
Вт
|
Вт
|
| Величина
|
3,78
|
17,62
|
3,35
|
3,38
|
10,58
|
886
|
973
|
2796
|
0,066
|
0,066
|
1) м
2) Ом
3) м
4) 
5) Вт
6) Вт
7) Вт
8) Вт
9) Ом
10) Ом
3.Паралельное соединение резисторов.

| |
Измерения
|
Расчет
|
| Параметр
|
U
|
U1
|
U2
|
I
|
I1
|
I2
|
R1
|
R2
|
Pген
|
Pпотр
|
| Размерность
|
B
|
B
|
B
|
mA
|
mA
|
mA
|
Ом
|
Ом
|
Вт
|
Вт
|
| Величина
|
8,76
|
7,96
|
7,99
|
11
|
8,16
|
2,84
|
975
|
2813
|
0,096
|
0,087
|
1) 
mA
2) Ом
3) Ом
4) Вт
5) Вт
4. Смешанное соединение резисторов.

| |
Измерения
|
Расчет
|
| Параметр
|
I1
|
I2
|
U
|
U1
|
U2
|
U3
|
I3
|
R1
|
R2
|
R3
|
Рген
|
Рпотр
|
| Размерность
|
mA
|
mA
|
B
|
B
|
B
|
B
|
mA
|
Ом
|
Ом
|
Ом
|
Ом
|
Ом
|
| Величина
|
10,73
|
8,06
|
17,6
|
9,6
|
7,9
|
8,0
|
2,67
|
894
|
980
|
2996
|
0,188
|
0,187
|
1) 
mA
2) Ом
3) Ом
4) Ом
5) Вт
6) Вт
|