| Содержание
Введение
1. Разработка главной схемы электрических соединений электростанции
1.1 Обработка заданных графиков нагрузок
1.2 Разработка вариантов главной схемы первичных соединений электростанции
1.3 Выбор трансформаторов
1.4 Технико-экономическое сравнение вариантов
2. Выбор токоведущих частей и аппаратов для главной схемы станции
2.1 Расчёт токов трёхфазных коротких замыканий
2.2 Выбор выключателей и разъединителей
2.3 Выбор шин и изоляторов
3. Собственные нужды, измерения, управление и сигнализация на станции
3.1 Разработка схемы собственных нужд
3.2 Выбор измерительных приборов для всех электрических цепей станции
3.3 Выбор и проверка класса точности трансформатора тока в цепи ЛЭП-110 кВ
3.4 Выбор и проверка класса точности трансформатора напряжения на сборных шинах 110 кВ
3.5 Выбор схемы управления и сигнализации выключателем
4. Разработка конструкции распределительных устройств
Заключение
Список использованной литературы
Введение
Теплофикационные электростанции (ТЭЦ) предназначены для снабжения промышленных предприятий и городов электроэнергией и теплом. При комбинированной выработке тепла и электроэнергии достигается значительная экономия топлива по сравнению с раздельным электроснабжением , то есть выработкой электроэнергии на конденсационных электрических станциях и получение тепла от местных котельных. Поэтому ТЭЦ получили широкое распространение в районах (городах) с достаточно большим потреблением тепла и электроэнергии. В целом на ТЭЦ производится около 10 % всей электроэнергии, вырабатываемой в республике Молдова.
Специфика электрической части ТЭЦ определяется расположением электростанций в близи центров электрических нагрузок. В этих условиях часть мощности может выдаваться в местную сеть непосредственно на генераторном напряжении. С этой целью на электростанции создаётся генераторное распределительное устройство (ГРУ). Для ГРУ предусматривается специальное здание, размещённое вдоль стены машинного зала. Избыток мощности выдаётся в энергосистему на повышенном напряжении.
Существенной особенностью ТЭЦ является также повышенная мощность теплового оборудования по сравнению с электрической электростанцией. Это и определяет большой относительный расход электроэнергии на собственные нужды (5 – 14 % от установленной мощности генераторов ТЭЦ).
1. Разработка главной схемы электрических соединений электростанции
1.1 Обработка графиков нагрузок
Обработка графиков нагрузок заключается в определении максимальных нагрузок на всех шинах электростанции, а также коэффициентов заполнения и годовой продолжительности использования максимальной нагрузки.
Заданные графики нагрузок

ВН





Выработки активной энергии:
 



Средняя нагрузка:
 
Коэффициент заполнения графика нагрузки:
  
Время использования максимальной нагрузки:

 
Коэффициент использования установленной мощности:

Коэффициент резерва:
 
Продолжительность использования установленной мощности:

Время максимальных потерь:

СН

 
 

Выработки активной энергии:



Средняя нагрузка:
 
Коэффициент заполнения графика нагрузки:
 
Время использования максимальной нагрузки:
 
Коэффициент использования установленной мощности:

Коэффициент резерва:

Продолжительность использования установленной мощности:

Время максимальных потерь:

ВН+СН

 
 

Выработки активной энергии:



Средняя нагрузка:
 
Коэффициент заполнения графика нагрузки:
 
Время использования максимальной нагрузки:
 
Коэффициент использования установленной мощности:

Коэффициент резерва:

Продолжительность использования установленной мощности:

Время максимальных потерь:

1.2 Разработка вариантов главной (структурной) схемы первичных соединений электрической станции
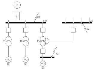
В этом разделе для проектируемой станции намечаем три конкурентно способных варианта главной схемы электрических соединений.
Структурная схема ТЭЦ зависит от единичной и суммарной мощности агрегатов и от соотношения мощности станции и минимальной мощности местной нагрузки. Учитываем, что современные ТЭЦ сооружают вне черты города или промышленного предприятия.
Вариант 1

Вариант 2

Вариант 3

1.3 Выбор трансформаторов
Выбор трансформаторов включает в себя определение числа, типа и номинальной мощности трансформаторов структурной схемы проектируемой электроустановки.
По табл. 5.2 [1], выбираем нагрузки, расход электроэнергии и коэффициент спроса установок СН:
  
 


Передаваемая через трансформатор мощность изменяется в зависимости от режима работы генераторов и графика нагрузки потребителей. Эту мощность можно определить на основании суточного графика выработки мощности генераторами и графиков нагрузки потребителей и собственных нужд ТЭЦ. При отсутствии таких графиков определяют мощность, передаваемую через трансформатор в трёх режимах:
1) - режим максимальных нагрузок (Pн.
max
, Qн.
max
) ;
2) - режим минимальных нагрузок (Pн.
min
, Qн.
min
) ;
3) – аварийный режим при отключении самого мощного генератора.



Вариант 1
Т1
, Т2
и Т3
- 
Выбираем трансформаторы следующего типа [1]:
Т1
, Т2
– ТДН-16000/110 ;
Т3
– ТДТН-16000/110 ;
Вариант 2
Т1
, Т2
и Т3
- 
Т1
– ТДН-16000/110 ;
Т2
, Т3
– ТДТН-16000/110 ;
Вариант 3
Т1
, Т2
и Т4
- 
Т1
, Т2
– ТДН-16000/110 ;
Т4
– ТДНС-16000/35 ;
Т3
- 







Т3
– ТДТН-40000/110 ;
Таблица 1 Основные параметры выбранных трансформаторов
| Тип
Тр-ра
|
Sном
,
МВА
|
Напряжение обмотки, кВ
|
Потери,
кВт
|
Uk
, %
|
Ix
,%
|
Цена, тыс. усл. ед.
|
| ВН
|
СН
|
НН
|
Рх
|
Рк
|
ВН-СН
|
ВН-НН
|
СН-НН
|
| ТДН-16000/110
|
16
|
115
|
-
|
11
|
18
|
85
|
-
|
10,5
|
-
|
0,7
|
67
|
| ТДТН-16000/110
|
16
|
115
|
34,5
|
11
|
21
|
100
|
10,5
|
17,5
|
6,5
|
0,8
|
81
|
| ТДТН-40000/110
|
40
|
115
|
38,5
|
11
|
39
|
200
|
10,5
|
17,5
|
6,5
|
0,6
|
129
|
| ТДНС-16000/35
|
16
|
36,75
|
-
|
10,5
|
17
|
85
|
-
|
10
|
-
|
0,7
|
57,4
|
Таблица 2 Расчёт капиталовложений
| оборудование
|
Стоимость единицы тыс.усл.ед
|
Варианты
|
| I
|
II
|
III
|
| Кол-во единиц
|
Общая стоимость
|
Кол-во единиц
|
Общая стоимость
|
Кол-во единиц
|
Общая стоимость
|
| ТДН-16000/110
|
67
|
2
|
134
|
1
|
67
|
2
|
134
|
| ТДТН-16000/110
|
81
|
1
|
81
|
2
|
162
|
-
|
-
|
| ТДТН-40000/110
|
129
|
-
|
-
|
-
|
-
|
1
|
129
|
| ТДНС-16000/35
|
57,4
|
-
|
-
|
-
|
-
|
1
|
57,4
|
| Ячейка РУ с выключателем
110 кВ
35 кВ
|
30
10
|
3
1
|
90
10
|
3
2
|
90
20
|
3
2
|
90
20
|
| генераторный выключатель МГ-10
|
15
|
1
|
15
|
2
|
30
|
-
|
-
|
| Итого
|
|
|
330
|
|
369
|
|
430,4
|
1.4 Технико-экономическое сравнение вариантов и выбор оптимального варианта
Вариант 1
Определяем потери электроэнергии в блочных трансформаторах Т1
и Т2
:



Определяем потери электроэнергии в трёхобмоточном трансформаторе Т3
:






Вариант 2
Определяем потери электроэнергии в блочном трансформаторе Т1
:



Определяем потери электроэнергии в трёхобмоточных трансформаторах Т2
и Т3
:






Вариант 3
Определяем потери электроэнергии в блочных трансформаторах Т1
и Т2
:



Определяем потери электроэнергии в блочном трансформаторе Т4
:



Определяем потери электроэнергии в трёхобмоточном трансформаторе Т3
:




Суммарные годовые потери в первом варианте:

Суммарные годовые потери во втором варианте:

Суммарные годовые потери в третьем варианте:

Годовые эксплуатационные издержки


Расчёт капиталовложений приведён в таблице 2.



Приведённые затраты без учёта ущерба




Таблица 3 выбор варианта по величине затрат
| Составляющие годовых эксплуатационных расходов
|
I вариант
|
II вариант
|
III вариант
|
| Отчисления на амортизацию и обслуживание, , тыс.у.е/год
|
31,02
|
34,686
|
40,458
|
| Стоимость потерь энергии Ипот
, тыс.у.е/год
|
41,837
|
34,914
|
21,735
|
| Итого , тыс.у.е/год
|
72,857
|
69,6
|
62,193
|
| Приведённые затраты, тыс.у.е/год
|
122,875
|
124,95
|
126,75
|
| 
|
0
|
1,69
|
3,15
|
Выбираем первый вариант, так как он экономичнее второго на 1,69 %, а третьего на 3,15 %.
2. Выбор токоведущих частей и аппаратов для главной схемы станции
2.1 Расчёт токов коротких замыканий
Для выбора аппаратов, шин, кабелей, токоограничивающих реакторов необходимо знать значения токов коротких замыканий. При этом достаточно определить токи трёхфазного к.з. в месте повреждения.
Для рассматриваемой установки составляем расчётную схему :

По расчётной схеме составляем электрическую схему замещения:

Расчёт проводим в относительных единицах. Определяем сопротивления схемы при
Sб
=100 МВА:
Сопротивление генератора:

Сопротивление линии:
 
Сопротивления трансформаторов:








Сопротивление системы:

Короткое замыкание в точке К1 (шина 110 кВ)
Путём постепенного преобразования приводим схему замещения к простому виду:
 





Начальное значение периодической составляющей тока к.з:

где Iб
– базисный ток;

Ветвь энергосистемы:

Ветвь генераторов:

Суммарный ток к.з. в точке К1:

Ударный ток:

где kу
– ударный коэффициент, зависящий от постоянной времени затухания апериодической составляющей тока к.з. kу
находится по таблице 3.8 [1].
Для ветви энергосистемы:
kу
=1,608 ;Та
=0,02 с ;
Для турбогенераторов мощностью 12-60 МВт:
kу
=1,94 ;Та
=0,16 с
Ветвь энергосистемы:

Ветвь генераторов:

Суммарный ударный ток в точке К1:

Принимаем tсв
=0,06 с, следовательно

Номинальный ток

Ветвь генератора: Отношение начального значения периодической составляющей тока к.з. от генераторов при к.з. в точке К1 к номинальному току по рис.3.26 [1]:


Апериодическая составляющая тока к.з.

Ветвь энергосистемы:

Периодическая составляющая тока к.з. от энергосистемы считается неизменной во времени.
Апериодическая составляющая тока к.з.

Суммарное значение апериодической составляющей:

Короткое замыкание в точке К2 (шина 35 кВ)
 





 



Начальное значение периодической составляющей тока к.з:

где Iб
– базисный ток;

Ветвь энергосистемы:

Ветвь генераторов:

Суммарный ток к.з. в точке К1:

Ударный ток:

Ветвь энергосистемы:

Ветвь генераторов:

Суммарный ударный ток в точке К1:

Принимаем tсв
=0,05 с, следовательно

Номинальный ток

Ветвь генератора:
Отношение начального значения периодической составляющей тока к.з. от генераторов при к.з. в точке К1 к номинальному току по рис.3.26 [1]:


Апериодическая составляющая тока к.з.

Ветвь энергосистемы:

Апериодическая составляющая тока к.з.

Суммарное значение апериодической составляющей:

Короткое замыкание в точке К3 (шина 10 кВ (зажимы генератора))
 




  


Начальное значение периодической составляющей тока к.з:

где Iб
– базисный ток;

Ветвь энергосистемы:

Ветвь генераторов:

Суммарный ток к.з. в точке К1:

Ударный ток:

Ветвь энергосистемы:

Ветвь генераторов:

Суммарный ударный ток в точке К1:

Принимаем tсв
=0,12 с, следовательно

Номинальный ток

Ветвь генератора:


Апериодическая составляющая тока к.з.

Ветвь энергосистемы

Апериодическая составляющая тока к.з.

Суммарное значение апериодической составляющей:

Полученные результаты расчётов токов к.з. приведены в таблице 4.
Таблица 4 результаты расчётов токов к.з.
| Точка к.з.
|
Источник
|
IП.О
, кА
|
iу
, кА
|
IП.τ
, кА
|
ia.τ
, кА
|
| K1
|
Генераторы
Энергосистема
Сумма
|
1,05
8,66
9,71
|
2,88
19,69
22,57
|
0,851
8,66
9,51
|
1,04
1,22
2,26
|
| K2
|
Генераторы
Энергосистема
Сумма
|
1,58
1,99
3,57
|
4,33
4,53
8,86
|
1,5
1,99
3,49
|
1,54
0,084
1,624
|
| K3
|
Генераторы
Энергосистема
Сумма
|
8,07
4,44
12,51
|
22,14
10,1
32,24
|
7,02
4,44
11,46
|
4,68
0,063
4,743
|
2.2 Выбор выключателей и разъединителей
Выбор выключателей и разъединителей на 110 кВ
 
Полный импульс квадратичного тока к.з. определяется из выражения:

Для энергосистемы по рис 3.58 [1];

Для цепи генераторов по рис 3.58 [1];

Суммарное значение:
Расчётные токи к.з. принимаем по таблице 4:

Выбираем по [3] выключатель масляный баковый МКП-110-630-20 для наружной установки. Привод к выключателю ШПЭ-33. Выбираем разъединитель РЛНДЗ-1-110/600. Привод к разъединителю ПРН-220М.
Расчётные и каталожные данные заносим в таблицу 5.
Таблица 5 данные выключателя и разъединителя на 110 кВ
| Расчётные данные
|
Каталожные данные
|
| МКП-110-630-20
|
РЛНДЗ-1-110/600
|
| 
|

|

|
| 
|

|

|
| 
|

|
-
|
| 
|

|
-
|
| 
|

|
-
|
| 
|

|

|
| 
|

|

|
Выбор выключателей и разъединителей на 35 кВ
 
Полный импульс квадратичного тока к.з. определяется из выражения:

Для энергосистемы по рис 3.58 [1];

Для цепи генераторов по рис 3.58 [1];

Суммарное значение:

Расчётные токи к.з. принимаем по таблице 4:

Выбираем по [3] выключатель масляный ВП-35-400-5 для наружной установки. Привод к выключателю ПП-67. Выбираем разъединитель РНДЗ-1-35/630. Привод к разъединителю ПРН-220М.
Расчётные и каталожные данные заносим в таблицу 6.
Таблица 6 данные выключателя и разъединителя на 35 кВ
| Расчётные данные
|
Каталожные данные
|
| ВП-35-400-5
|
РНДЗ-1-35/630
|
| 
|

|

|
| 
|

|

|
| 
|

|
-
|
| 
|

|
-
|
| 
|

|
-
|
| 
|

|

|
| 
|

|

|
Выбор выключателей и разъединителей на 10 кВ
 
Для энергосистемы по рис 3.58 [1];

Для цепи генераторов по рис 3.58 [1];

Суммарное значение:

Расчётные токи к.з. принимаем по таблице 4:

Выбираем по [3] выключатель масляный ВМП-10-1000-20 для наружной установки. Привод к выключателю ПЭ-11. Выбираем разъединитель РВ-10/1000. Привод к разъединителю ПР-11.
Расчётные и каталожные данные заносим в таблицу 7.
Таблица 7 данные выключателя и разъединителя на 10 кВ
| Расчётные данные
|
Каталожные данные
|
| ВМП-10-1000-20
|
РВ-10/1000
|
| 
|

|

|
| 
|

|

|
| 
|

|
-
|
| 
|

|
-
|
| 
|

|
-
|
| 
|

|

|
| 
|

|

|
2.3 Выбор шин и изоляторов
Выбор шин и токоведущих частей 110 кВ
Шины выбирают по условиям нормального режима и проверяют на термическую и электродинамическую устойчивость току к.з. В РУ 35 кВ и выше применяются гибкие шины, выполняемые проводами АС.
Так как сборные шины по экономической плотности тока не выбираются, принимаем сечение по допустимому току при максимальной нагрузке на шинах.
 
По табл. П3.3 [1] принимаем АС 70/11
q=70 мм2
;d=11 мм2
;Iдоп
=265 А .
1) проверка сечения на нагрев (по допустимому току):

2) Проверка шин на схлёстывание не проводится т.к 
3) Проверка шин на термическое действие тока к.з. не производится, т.к. шины выполнены голым проводом на открытом воздухе.
4) Проверку по условиям коронирования в данном случае можно не производить, т.к. согласно ПУЭ минимальное сечение для воздушных линий 110 кВ – 70 мм2
. Учитывая, что на ОРУ 110 кВ расстояние между проводами меньше чем на ВЛ, проведём проверочный расчёт.
По 4.31 [1] начальная критическая напряжённость

Напряжённость вокруг провода

Фазы расположены горизонтально с расстояниями между фазами 300 см.
Условие проверки:
1,07Е ≤ 0,9Е0
1,07·27,45 < 0,9·34,863
29,37 < 31,38
Таким образом провод АС 70/11 по условиям короны подходит.
Токоведущие части от выводов 110 кВ блочного трансформатора до сборных шин выполняем гибкими проводами.
Сечение выбираем по экономической плотности тока Jэ
=1 А/мм2
.

Принимаем провод АС 95/16 , сечение провода 95 мм2
, наружный диаметр 13,5 мм, допустимый ток 330 А.
Проверяем провода по допустимому току: 
Проверку на термическое действие тока не производим, т.к. токоведущие части выполнены голым проводом на открытом воздухе.
Выбор шин и токоведущих частей 35 кВ
Так как сборные шины по экономической плотности тока не выбираются, принимаем сечение по допустимому току при максимальной нагрузке на шинах.
 
По табл. П3.3 [1] принимаем АС 300/48
q=300 мм2
;d=24,1 мм2
;Iдоп
=690 А .
1) проверка сечения на нагрев (по допустимому току):

2) Проверка шин на схлёстывание не проводится т.к

3) Проверка шин на термическое действие тока к.з. не производится, т.к. шины выполнены голым проводом на открытом воздухе.
Токоведущие части от выводов 35 кВ блочного трансформатора до сборных шин выполняем гибкими проводами.
Сечение выбираем по экономической плотности тока Jэ
=1 А/мм2
.

Принимаем провод АС 240/39 , сечение провода 240 мм2
, наружный диаметр 21,6 мм, допустимый ток 610 А.
Проверяем провода по допустимому току: 
Проверку на термическое действие тока не производим, т.к. токоведущие части выполнены голым проводом на открытом воздухе.
Выбор токоведущих частей 10 кВ
Токоведущие части от выводов генераторов до выводов НН трансформаторов выполняем однополосными алюминиевыми шинами прямоугольного сечения, окрашенные по таблице П3.4 [1].
  


Сечение выбираем по экономической плотности тока

Выбираем однополосные шины алюминиевые прямоугольного сечения, окрашенные по таблице П3.4 [1].
Сечение полосы q=960 мм2
; размеры шины h×b=120×8 мм ;
допустимый ток Iдоп
=1900 А.
1) проверка по допустимому току:

2) проверка шин на термическую стойкость при к.з. проводится по условию:

Для голых токоведущих частей 
Температура окружающей среды 
Допустимая температура нагрева шин при к.з. 

Минимальное сечение по термической стойкости

С – функция, определённая по таблице 3.14 [1] C=91 
3) проверка шин на электродинамическую стойкость.
Механический расчёт однополосных шин:
Наибольшее удельное усилие
a принимаем 0.8 м.
Изгибающий момент

где l – длина пролёта между опорными изоляторами l=1.5 м.
Напряжение в материале шины, возникающее при воздействии изгибающего момента

где W – момент сопротивления шины относительно оси перпендикулярной действию усилии
я

Выбор изоляторов
Выбираем опорные изоляторы ОФ-10-2000 УЗ ; Fразр
=20000 Н, высота изолятора Н=134 мм.
Проверяем изоляторы на механическую прочность.
Максимальная сила, действующая на изгиб:


3. Собственные нужды, измерения, управление и сигнализация на станции
3.1 Разработка схемы собственных нужд станции

Рабочие трансформаторы с.н. блочных ТЭС присоединяются отпайкой от энергоблока. Число секций с.н. выбирается равным числу котлов. Мощность рабочих ТСН выбираем по условию: где SCH
– мощность с.н. блочной части ТЭС ;n – число секций 6 кВ блочной части ТЭС.

Принимаем три трансформатора типа ТМ-1000-10/6.
Резервирование 6 кВ собственных нужд осуществляем от шин 110 кВ трансформатором, мощность которого в полтора раза больше рабочего трансформатора собственных нужд. По [4. табл. 3.4.] выбираем трансформатор ТМН 2500/110. Мощность собственных нужд 0,4 кВ ТЭЦ принимаем равной 15% общей мощности СН:
.
Мощность трансформатора 6/0,4 кВ принимаем:
,
гдеn – число трансформаторов СН 0,4 кВ, n = 3;
.
По [5. табл. 6.51.] принимаем трансформатор типа ТМ 160/6.
3.2 Выбор измерительных приборов для всех электрических цепей станции
Выбор измерительных приборов в цепи генераторов. По [1. табл. 4.11.] выбираем количество и тип контрольно-измерительных приборов в цепи блочного генератораТ2-12-2.
В цепи статора устанавливаем амперметр в каждой фазе, вольтметр, ваттметр, счётчик активной энергии, датчики активной и реактивной мощности.
Регистрирующие приборы: ваттметр.
В цепи ротора: амперметр, вольтметр. Так же устанавливаем вольтметр в цепи основного и резервного возбудителей.
В цепи блочного трансформатора: на стороне ВН – амперметр.
Выбор измерительных приборов в цепи трансформатора связи РУ разных напряжений. По [1.табл. 4.11.] устанавливаем на сторону НН амперметр, ваттметр и варметр с двусторонней шкалой; СН амперметр, ваттметр и варметр с двусторонней шкалой; ВН – амперметр.
Выбор измерительных приборов для трансформатора собственных нужд. По [1.табл. 4.11.] на одну секцию ТСН устанавливаем со стороны питания амперметр, ваттметр, счётчик активной энергии.
Выбор измерительных приборов шин 6 кВ СН. По [1.табл. 4.11.] устанавливаем вольтметр для измерения междуфазного напряжения и вольтметр с переключением для измерения трёх фазных напряжений.
Выбор измерительных приборов в цепи шиносоединительного и секционного выключателей. По [1.табл. 4.11.] устанавливаем амперметр.
Выбор измерительных приборов в цепи электродвигателей. По [1.табл. 4.11.] устанавливаем в цепи статора амперметр.
Выбор измерительных приборов в цепи линий 35 кВ. По [1.табл. 4.11.] устанавливаем амперметр, расчётные счётчики активной и реактивной энергии.
Выбор измерительных приборов в цепи линий 110 кВ. По [1.табл. 4.11.] устанавливаем амперметр, ваттметр, варметр, фиксирующий прибор, используемый для определения места КЗ, расчётные счётчики активной и реактивной энергии.
Выбор измерительных приборов на сборных шинах 35 и 110 кВ. По [1.табл. 4.11.] устанавливаем вольтметр с переключением трёх междуфазных напряжений, регистрирующие приборы – частотомер, приборы синхронизации – два частотомера, два вольтметра, синхроноскоп и осциллограф.
3.3 Выбор и проверка класса точности трансформатора тока в цепи ЛЭП-110 кВ
Трансформатор тока выбираем по:
- напряжению установки ;
-току ;
- конструкции и классу точности;
- электродинамической стойкости ; ,
гдекэд
– кратность электродинамической стойкости;
I1ном
– номинальный первичный ток трансформатора тока;
iдин
– ток электродинамической стойкости;
- термической стойкости ; ,
гдекТ
– кратность термической стойкости;
- вторичной нагрузке ,
гдеz2
– вторичная нагрузка трансформатора тока;
- номинальная допустимая нагрузка трансформатора тока в выбранном классе точности.
Определим расчётные данные
Номинальный ток в линии
,
гдеn – количество линий высшего напряжения;
.
Максимальный ток в линии при снижении напряжения на 5%
.
Ударный ток
.
Тепловой импульс
.
Вторичная нагрузка
Индуктивное сопротивление токовых шин невелико, поэтому z2
≈ r2
. Вторичная нагрузка состоит из сопротивлений приборов, соединительных проводов и переходного сопротивления контактов:
.
Сопротивление приборов определяем по формуле:
,
гдеSприб
– мощность потребляемая приборами;
I2
– вторичный номинальный ток прибора.
Для определения нагрузки трансформатора тока составим таблицу, в которой указаны все приборы подключённые ко вторичной обмотке трансформатора тока.
Наименование прибора
|
тип
|
Класс точности
|
Потребляемая мощность В∙А
|
| Амперметр
|
Э-350
|
1,5
|
0,5
|
| Счётчик активной энергии
|
САЗ-И681
|
1,0
|
2,5
|
| Счётчик реактивной энергии
|
СРЧ-И676
|
1,5
|
2,5
|
| Ваттметр
|
Д-335
|
1,5
|
2
|
| Варметр
|
Д-335
|
1,5
|
2
|
| Суммарное значение
|
-
|
-
|
9,5
|
.
Сопротивление контактов принимаем 0,05 Ом.
Сопротивление соединительных проводов зависит от их длины и сечения
;
;
.
Зная rпр
можно определить сечение соединительных проводов:
,
где ρ – удельное сопротивление материала провода; во вторичной цепи
принимаем провода с алюминиевыми жилами (ρ = 0,0283);
lрасч
– расчётная длина, зависящая от схемы соединения трансформатора тока.
Длину соединительных проводов от трансформатора тока до приборов (в один конец) принимаем по [1. стр. 375] приблизительно равной 75 м для линий 110 кВ.
.
По условию прочности, для алюминиевых жил, сечение не должно быть меньше 4 мм2
. Принимаем q = 5,74 мм2
.
.
В цепи ЛЭП-110 кВ принимаем трансформатор тока ТФЗМ110-У1.
Сравнение расчётных и каталожных данных сведём таблицу.
| Расчётные данные
|
Каталожные данные
|
Условие выбора
|
| Трансформатор тока ТФЗМ110-У1
|
| Uуст
= 110 кВ
|
Uном
= 110 кВ
|
Uуст
≤ Uном
|
| Imax
= 88,26 А
|
Iном
= 300 А
|
Imax
≤ Iном
|
| iy
= 22,56 кА
|

|

|
| 
|

|

|
| iy
= 22,56 кА
|
iдин
= 60 кА
|
iy
≤ iдин
|
| z2
= 1,17 Ом
|

|

|
3.4 Выбор и проверка класса точности трансформатора напряжения на сборных шинах 110 кВ
Трансформаторы напряжения выбираются:
- по напряжению установки Uуст
≤ Uном
;
- по конструкции и схеме соединения обмоток;
- по классу точности;
- по вторичной нагрузке ,
где - нагрузка всех измерительных приборов и реле;
- номинальная мощность в выбранном классе точности.
Определим расчётные данные:

Определим нагрузку всех измерительных приборов, присоединённых ко вторичной обмотке трансформатора напряжения.
| Прибор
|
Тип
|
Потребляемая мощность В∙А
|
| Вольтметр
Частотомер
Синхроноскоп
2 вольтметра
2 частотомера
|
Э-335
Э-362
Э-327
Н-394
Н-397
|
2
1
10
10
7
|
| Итого
|
-
|
30
|
По [1. табл. П. 4.6.] принимаем трансформатор напряжения типа НКФ-100-57.
Класс точности трансформатора 0,5.
| Расчётные данные
|
Каталожные данные
|
Условие выбора
|
| ТН НКФ-100-57
|
| Uуст
= 110 кВ
|
Uном
= 110 кВ
|
Uуст
≤ Uном
|
| 
|

|
S2
å
≤ S2
ном
|
3.5 Выбор схемы управления и сигнализации выключателем
Для выключателя ВМП-10 с электромагнитным приводом принимаем схему управления и сигнализации изображённую на рис ниже.
Управление выключателем производится через реле команд КСС и КСТ. В обеих цепях управления предусмотрен подхват командами контактами реле КВ4 и КВ3, обеспечивающий завершение команды. На случай невыполнения команды управления предусмотрена блокировка с помощью реле КВ1 и КВ2. Так, при включении выключателя шунтируется обмотка реле КQT и его контакты с замедлением на возврат замыкают цепь реле КВ1 (вспомогательный контакт SQ замкнут). С выдержкой времени замыкаются контакты КВ1 в цепи реле КВ2. Если за это время выключатель не отключился (вспомогательные контакты SQ остались замкнутыми), разомкнутся контакты КВ2 и обесточиться цепь контактора КМ и соответственно электромагнита YAC. Блокировка от многократных включений на КЗ выполнена по распространённой для этого класса выключателей схеме, использующей вспомогательные контакты электромагнита отключения YAT. При длительной команде включения на КЗ после первого отключения выключателя электромагнит отключения YAT остаётся под напряжением по цепочке: плюс – KCC (автоматика) – КВ4 – замыкающие вспомогательные контакты YAT – R. Размыкающие вспомогательные контакты YAT разрывают цепь включения. Резистор R ограничивает ток YAT. Для контроля цепей управления использованы 2 промежуточных реле: реле положения включено RQC, контролирующее цепь отключения, и реле положения отключено KQT, контролирующее цепь включения. Цепь запуска звуковой сигнализации обрыва образуется через последовательно включённые размыкающие контакты КQC и KQT обоих реле. При исправном состоянии оперативных цепей обмотка одного реле обтекается оком, а другого обесточена (цепь звукового сигнала разомкнута). В случае обрыва цепи последующеё операции обмотки обоих реле оказываются обесточенными и появляется звуковой сигнал. Резисторы в цепях реле KQS и KQT предотвращают срабатывание выключателя при случайном закорачивания обмотки реле во время работы во вторичных цепях.

3.6 Разработка конструкции распределительных устройств
На ТЭС применены схемы с блочными агрегатами и с выдачей мощности в сети высокого напряжения. В схеме использованы простые блоки в которых к каждому генератору присоединён соответствующий повышающий трансформатор. РУ на напряжения 35 и 110 кВ выполнены открытыми. В качестве схемы РУ 110 кВ принимаем схему с двумя рабочими и обходной системами шин, с одним выключателем на цепь. В схеме применяется фиксированное распределение присоединений, шиносоединительный и обходной выключатель. Установка этих выключателей обеспечивает большую оперативную гибкость.
К достоинствам этой схемы следует отнести:
- возможность ремонта любой системы шин без отключения потребителей и источников;
- при к.з. на одной системе шин, потребитель теряет питание только на время переключения на другую систему шин;
- схема является гибкой и достаточно надёжной.
Недостатки:
- отказ одного выключателя при аварии приводит к отключению всех источников и линий, присоединённых к данной системе шин, а если в работе находится одна СШ, то отключаются все присоединения. Ликвидация аварий затягивается т.к. все операции по переходу с одной СШ на другую производятся разъединителями;
- повреждение шиносоединительного выключателя равнозначно к.з. на обеих системах шин, т.е. приводит к отключению всех присоединений;
- большое количество операций с разъединителями при выводе в ремонт выключателей усложняет эксплуатацию РУ.
РУ 35 кВ повторяет конструкцию РУ 110 кВ со всеми её преимуществами и недостатками.
Заключение
В ходе проделанного курсового проекта была спроектирована теплоэлектроцентраль мощностью 36 МВт. На первой стадии проекта был произведён технико-экономический расчёт возможных электрических схем станции и был выбран оптимальный вариант. На второй стадии проекта был произведен выбор токоведущих частей и аппаратов для главной схемы станции, для чего были рассчитаны токаи трёхфазных коротких замыканий на сборных шинах 10, 35 и 110 кВ. была выбрана схема собственных нужд станции и измерительные приборы для всех электрических цепей станции и. в результате разработки конструкции распределительных устройств на среднем напряжении35 кВ и высоком напряжении 110 кВ, в качестве ОРУ была принята двойная система сборных шин с обходной системой шин.
Список использованной литературы
1. Рожкова Л.Д., Козулин В.С. Электрооборудование станций и подстанций: Учебник для техникумов. Изд. 3-е – М.: Энергоатомиздат, 1987 – 684 с.
2. Справочник по проектированию электроэнергетических систем / Ершевич В.В., Зейлигер А.Н., Илларионов Г.А. и др.; под редакцией Рокотяна С.С. и Шапиро И.М. – 3-е изд., переработанное и дополненное – М. Энергоатомиздат, 1985 – 352 с.
3. Правила устройства электроустановок / Минэнерго СССР – 6-е издание, переработанное и дополненное – М. Энергоатомиздат, 1985 – 640 с.
4. Неклипаев Б.Н., Кручков И.П. Электрическая часть станций и подстанций : справочные материалы для курсового и дипломного проектирования; учебное пособие для вузов – 4-е издание М.: Энергоатомиздат, 1989 – 608 с.
5. Пособие по курсовому и дипломному проектированию для электроэнергетических специальностей вузов: учебное пособие для студентов электроэнергетических специальностей – 2-е издание, переработанное и дополненное Блок В.М., Обушев Г.К., и др.4 под ред. Блок В.М. – М.: Высшая школа, 1990 – 383 с.
|