| Министерство связи и массовых коммуникаций РФ
Федеральное агентство связи
ГОУ ВПО «Сибирский государственный университет телекоммуникаций и информатики»
Уральский технический институт связи и информатики (филиал)
КУРСОВОЙ ПРОЕКТ
по дисциплине: «Основы теории цепей»
ТЕМА: «РАСЧЕТ ЭЛЕМЕНТОВ УЗЛОВ АППАРАТУРЫ СВЯЗИ»
| Выполнила:
|
| Дрокина М.Ю., группа АЕ-81с
|
| Проверил:
|
| Ковалев Е.И.
|
Екатеринбург, 2009
Отзыв руководителя
Техническое задание
| Исходные данные
|
Обозначения
|
| Технические требования к автогенератору
|
| Тип автогенератора
|
схема рисунок 3.1,б
|
| Тип активного элемента (тип транзистора)
|
КТ301
|
| Частота генерации
|
f г
= 3*103
Гц
|
| Сопротивление в коллекторной цепи биполярного транзистора
Напряжение питания
|
Rк
= 3кОм
Uпит.авт
= 18В
|
| Технические требования к нелинейному преобразователю
|
| Тип операционного усилителя
|
схема рисунок 3.2,б
|
| Тип нелинейного элемента
|
КП305Е
|
| Напряжение питания нелинейного элемента
|
Uп. нел.
= 5B
|
| Напряжение смещения нелинейного элемента
Амплитуда напряжения на входе нелинейного элемента
|
U0
= 0В
Uм
= 0,8В
|
| Технические требования к электрическим фильтрам
|
| Номер гармоники автогенератора, выделяемой фильтром
|
n = 2
|
| Амплитуда выходного напряжения
|
Um
вых
= 12В
|
| Ослабление полезных гармоник (неравномерность ослабления в полосе пропускания)
|
DА = 0,2дБ
|
| Степень подавления мешающих гармоник (ослабление в полосе непропускания)
|
Аmin
= 15дБ
|
| Напряжение питания фильтра
|
Uпит.ф.
= 15В
|
Содержание
Введение …………………………………………………………………………..3
1 Расчет автогенератора…………………………………………………………..5
2 Расчет спектра сигнала на выходе нелинейного преобразователя…………13
3 Расчет электрических фильтров………………………………………………19
4 Расчет выходного усилителя………………………………………………….27
Заключение……………………………………………………………………….28
Список литературы………………………………………………………………29
Введение
В процессе данной работы необходимо разработать генератор сетки частот, то есть генератор, вырабатывающий несколько гармонических колебаний. Подобное устройство состоит из автогенератора, вырабатывающего колебание заданной частоты и нелинейного преобразователя, формирующего из него импульсы тока, состоящие из суммы гармоник исходного колебания. Для выделения заданной гармоники далее рассчитываются активные RC-фильтры. Согласование функциональных элементов по входным и выходным сопротивлениям, а также обеспечение заданных уровней напряжения на их входах и выходах обеспечиваются масштабирующими усилителями также входящими в состав проектируемого устройства.
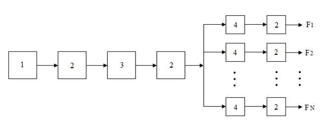
Функциональная схема проектируемого устройства изображена на рисунке 1

Рисунок 1 – Функциональная схема устройства
Цифрами обозначены следующие устройства:
1) автогенератор;
2) развязывающее (усилительное) устройство;
3) нелинейный преобразователь;
4) электрические фильтры.
В качестве задающего автогенератора в работе используются схемы на биполярных транзисторах с пассивной лестничной RC - цепью обратной связи. Нелинейный преобразователь строится на основе биполярных, полевых транзисторов или полупроводниковых диодов. Развязывающие (усилительные) устройства представляют собой масштабирующие усилители на интегральных операционных усилителях. Электрические фильтры – активные RC – фильтры на операционных усилителях.
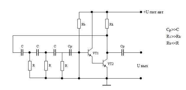
1 Расчет автогенератора
В качестве задающего генератора в работе используются схема на биполярном транзисторе с пассивной RC-цепью обратной связи. Автогенератор собран на составном транзисторе VT
1
-
VT
2
для увеличения входного сопротивления транзистора по цепи базы. При расчете RС - генератора учитываем, что сопротивление нагрузки выбирается так, чтобы выполнялось условие: R
к
<<
R
(по меньшей мере на порядок, т.е. в 10 раз) и R
б
>>
R
. Емкости конденсаторов С цепи обратной связи обычно выбирают в пределах 100 пФ ¸ 1 мкФ, а величину емкости разделительного конденсатора Ср
-
из условия: Ср
>>С
.
Рисунок 2 – Схема автогенератора
Рассчитываем RC – генератор, выполненный по схеме, представленной на рисунке 2, на биполярном транзисторе КТ301. Частота генерации fг
= 3*103
Гц, напряжение питания Uпит.авт.
= 18В, сопротивление нагрузки в коллекторной цепи Rк
=3кОм.
В стационарном режиме работы автогенератора на частоте генерации w
г
=2
p
f
г
, то должны выполнятся условия баланса амплитуд и фаз:
где Нус
(
w
г
)
, Нос
(
w
г
)
– модули передаточных функций Нус
(
j
w
)
(усилительного элемента), Нос
(
j
w
)
(цепи обратной связи), соответственно;
j
ус
(
w
г
),
j
ос
(
w
г
)
– аргументы этих передаточных функций. Для заданной схемы: Из этой формулы видно, что φус
(ωг
)=π, значит для выполнения условия баланса фаз необходимо, чтобы цепь обратной связи вносила сдвиг фаз, равный π. Это будет выполняться при равенстве нулю мнимой части знаменателя выражения Нос
(jω):
Получаем выражение для частоты генерации:

и коэффициента передачи цепи обратной связи на частоте генерации:
.
Найдём значения сопротивлений R
н
и R
, входящих в формулы для расчёта w
г
и Нос
(
w
г
)
.
Входное сопротивление R
н
составного транзистора:
R
н
=
b
R
бэ2
где b
- коэффициент усиления транзистора по току (для VT1);
R
бэ2
– входное сопротивление транзистора VT2.
Для определения b
и R
бэ2
нужно выбрать рабочую точку транзистора. Для этого строим проходную характеристику транзистора I
к
=
F
(
U
бэ
)
– зависимость действующего значения тока в выходной цепи от входного напряжения U
бэ
.
В свою очередь, исходными для построения проходной характеристики являются:
· входная характеристика транзистора I
б
=
F
(
U
бэ
)
(рисунок 3);
· выходная характеристика транзистора I
k
=
F
(
U
кэ
)
(рисунок 4).
Рисунок 3 – Входная характеристика транзистора КТ301

Рисунок 4 – Выходная характеристика транзистора КТ301 (ΔIБ
=25 мкА)
На семействе выходных характеристик используемого транзистора проводится нагрузочная прямая через точки с координатами: (0,18) и (6,0), (рисунок 4).
По точкам пересечения нагрузочной прямой с выходными характеристиками строим промежуточную характеристику I
k
=
F
(
I
б
).
Для этого составляем таблицу:
| Iб
, мА
|
0,025
|
0,05
|
0,075
|
0,1
|
0,125
|
| Iк
, мА
|
1,1
|
2,1
|
3,2
|
4,2
|
5,0
|

Рисунок 5 –Промежуточная характеристика Ik
=F(Iб
)
Затем, используя полученную зависимость (рисунок 5) и входную характеристику I
б
=
F
(
U
бэ
)
(рисунок 3), определяем требуемую зависимость: IK
=
F
(
U
бэ
)
(рисунок 6).
Все данные, необходимые для построения характеристики, сведены в таблицу:
| Uбэ
, В
|
0,4
|
0,5
|
0,6
|
0,7
|
0,8
|
0,9
|
| Iб
, мА
|
0,025
|
0,05
|
0,10
|
0,18
|
0,30
|
0,5
|
| Iк
, мА
|
1,2
|
2,2
|
4,2
|
5,8
|
6,0
|
6,1
|

Рисунок 6 –Проходная характеристика IK
=F(UБЭ
)
По проходной характеристике определяют положение рабочей точки. Задаем значение U
бэ0
= 0,55 В
– это середина линейного участка проходной ВАХ.
Тогда по входной ВАХ транзистора определяют в рабочей точке:

Коэффициент усиления транзистора по току:

Зная R
бэ2
и b
, можно рассчитать сопротивление R
н
составного транзистора:
R
н
=
b
·
R
бэ2
= 44,1*1,5 = 66,2 кОм
Определим амплитуду стационарного колебания на выходе генератора. Для этого построим колебательную характеристику S
ср
=
F
(
U
бэ
)
(рисунок 7).
Значение средней крутизны для разных значений U
бэ
можно определить по методу 3-х ординат по формуле:

Представим расчеты в виде таблицы:
| U1(
бэ
)
, В
|
0,1
|
0,15
|
0,2
|
0,3
|
0,4
|
| Ik max
, мА
|
5
|
5,8
|
5,8
|
6,0
|
6,2
|
| Ik min
, мА
|
1,5
|
1
|
0,5
|
0
|
0
|
| Scp
, мА/В
|
17,5
|
16
|
13,2
|
8,5
|
7,1
|

Рисунок 7 – Колебательная характеристика S
ср
=
F
(
U
бэ
)
Для того чтобы по колебательной характеристике определить стационарное действующее значение U
бэ
необходимо предварительно рассчитать значение средней крутизны в стационарном режиме S*ср
. Известно, что Нус
(
w
Г
)=
S*ср
R
к
. С другой стороны из баланса амплитуд Нус
(
w
Г
) = 1/Нос
(
w
Г
)
. Отсюда
.
Определим значение Нос
(
w
Г
)
для рассчитанных значений R
н
и R
.
Для этого расчетного значения Нос
(ωг
) средняя стационарная крутизна S*
ср
=16,2 мА/В (обозначена на рисунке 7).
Используя колебательную характеристику и зная значение средней крутизны в стационарном режиме S*
ср
=16,2 мА/В, легко найти стационарное действующее значение U
бэ
. Оно равно: U
бэ
=U
вх
= 0,14 В. Тогда напряжение на выходе генератора в стационарном режиме можно найти из соотношения: U
вых
=
U
вх
∙
Нус
(
w
Г
)
= 0,14 ∙ 43,5 = 6,2 В
Определим значение емкости в цепи обратной связи. Из выражения для частоты w
Г
найдем:
;
Емкость СР
разделительного конденсатора выбирается из условия СР
>>С
. Возьмем СР
= 0,5 мкФ.
Определяем значение сопротивления R
Б
, задающего рабочую точку U
бэ0
,
I
бэ0
. Рассчитаем его по формуле: Выбираем резистор с номиналом Rб
=12 кОм.
Расчет RC – генератора на этом можно считать законченным, ниже приведена схема RC – генератора с найденными значениями элементов (Рисунок 8).
Рисунок 8 –Схема RC – генератора с найденными значениями элементов 
2 Расчет спектра сигнала на выходе нелинейного преобразователя
Чтобы получить гармоники колебания, вырабатываемого RC- генератором, это колебание следует подать на нелинейный преобразователь. Таким образом, каскадно с генератором включается нелинейный преобразователь. Его цель - исказить гармонический сигнал так, чтобы в составе его спектра появились гармоники с достаточно большими амплитудами. Для этого нужно выбрать соответствующее напряжение смещения U
0
,
подаваемое на нелинейный элемент.
Анализ работы нелинейного преобразователя обычно проводится во временной и частотной областях. При анализе во временной области графически строится зависимость тока I
вых
(
t
)
напряжения U
вых
(
t
)
на выходе нелинейной цепи от напряжения U
вх
(
t
)
на входе, используя проходную ВАХ нелинейного элемента. При анализе в частотной области рассчитывается спектр тока и напряжения на выходе нелинейной цепи. Для этого выполняется аппроксимация характеристики нелинейного элемента, определяются амплитуды спектральных составляющих тока и напряжения, строится спектр амплитуд тока |
I
вых
| = F1
(
w
)
и напряжения |
I
вых
| = F2
(
w
).
В качестве резистивных нелинейных элементов используются биполярные, полевые транзисторы и диоды. В схемах транзисторных нелинейных преобразователей конденсаторы C
р1
и C
р2
(емкостью в несколько десятков микрофарад) служат для разделения по постоянному току автогенератора, нелинейного преобразователя и фильтров.
В нелинейном преобразователе с полевым транзистором напряжение смещения подается на затвор транзистора от отдельного источника напряжения U
0
через сопротивление R1
.
При подключении нелинейного преобразователя к автогенератору необходимо обеспечить развязку этих устройств. Это означает, что входное сопротивление нелинейного преобразователя должно быть намного больше
выходного сопротивления генератора. Однако может случиться так, что амплитуда напряжения на выходе, генератора не совпадает с заданной амплитудой напряжения на входе нелинейного преобразователя. Тогда между ним и генератором следует включить масштабный усилитель, усиление которого выбирается из условия согласования указанных напряжений. При расчете нелинейного преобразователя необходимо провести аппроксимацию ВАХ нелинейного элемента и рассчитать спектр сигнала на его выходе до третьей гармоники включительно.
Исходные данные для расчета нелинейного преобразователя: транзистор КП305Е; Uп нел
= 5В – напряжение питания нелинейного элемента; U0
= 0В – напряжение смещения нелинейного элемента; Uм
=0,8В – амплитуда напряжения на входе нелинейного преобразователя.
Требуется рассчитать спектр тока и напряжения на выходе нелинейного преобразователя. 
Рисунок 9 – Схема нелинейного преобразователя
Амплитуда напряжения на выходе автогенератора больше амплитуды напряжения, которое следует подать на вход нелинейного преобразователя, поэтому сигнал генератора нужно ослабить.
Для этого используем схем у усилителя (рисунок 10), которую включают между генератором и нелинейным преобразователем.

Рисунок 10 –Схема усилителя
Передаточная функция такой схемы: Н(
j
ω) =
U
вых
(
j
ω)/
U
вх
(
j
ω) = -
R
2
/
R
1
Поскольку Uм
= 0,8 В, Uм вых ген
= 6,2 В, то R2
/R1
= 0,8/6,2=0,13
Задавая R1
= 10 кОм, получаем R2
= 0,13*10=1,3 кОм.
Напряжение, подаваемое на вход нелинейного преобразователя, имеет вид: u
вх
(
t
) =
U
0
+
Um
cos
ω
t
= 0,8
cos
2π*3*103
*t
, В
.
Используя проходную ВАХ транзистора, графически определим вид тока на выходе нелинейного преобразователя (рисунок 11).
Рисунок 11 –Вид тока на выходе нелинейного преобразователя
Для расчета спектра тока и напряжения на выходе нелинейного преобразователя необходимо сделать аппроксимацию ВАХ. Амплитуда входного сигнала достаточно велика, поэтому выбираем кусочно-линейную аппроксимацию.
По ВАХ определяем Uотс
= 0,25 В.
Для расчета крутизны S выбираем точку на прямой, аппроксимирующей ВАХ, Uзи
= 0,8 В, Ic
= 5 мА, тогда
Рассчитываем угол отсечки:
θ = arccos (Uотс
– U0
)/Um
= arccos (0,25/0,8) = 0,3525 рад.
Затем вычисляем функции Берга:


Постоянная составляющая и амплитуды гармоник спектра тока iвых
рассчитывается по формуле: Imk
= S Um
γk(θ), k = 1, 2, 3...
Ограничившись третьей гармоникой имеем:
I0
= 9*0,8*0,003 = 0,02 мА;
Im1
= 9*0,8*0,010 = 0,07мА;
Im2
= 9*0,8*0,007 = 0,05 мА;
Im3
= 9*0,8*0,006 = 0,04 мА.
Напряжение на выходе нелинейного преобразователя при наличии разделительного конденсатора не пропускающего постоянную составляющую u
вых
=
i
вых
*
R
к
Um
1
= 0,07*3=0,19В
Um
2
= 0,05 *3=0,15В
Um
3
= 0,04 *3=0,12В
Спектры амплитуд тока и напряжения приведены на рисунке 11
Рисунок 11 – Спектр амплитуд тока и напряжения
3 Расчёт электрических фильтров
Для выделения колебаний заданных частот необходимо рассчитать полосовые фильтры, у частотных характеристик которых центры эффективного пропускания совпадали бы с этими частотами.
В качестве полосовых фильтров используются полиномиальные фильтры Чебышева. Каждый фильтр выделяет свою гармонику. Поскольку гармоники сигнала на выходе нелинейного преобразователя достаточно далеко разнесены по частоте, порядок фильтра получается невысоким. Частоты соседних гармоник должны попадать в полосу непропускания фильтра. Характеристика ослабления фильтра должна обладать геометрической симметрией относительно выделяемой гармоники.
Расчет полосового фильтра обычно сводят к расчету НЧ-прототипа.
Технические требования к фильтру: N=3 – номер выделяемой гармоники, Um
вых
=12В – выходное напряжения фильтра, ΔА=0,2дБ – неравномерность ослабления в полосе пропускания (ослабление полезных гармоник), Аmin
=15дБ – ослабление в полосе непропускания (степень подавления мешающих гармоник), Uпит.ф
=15В – напряжение питания операционного усилителя. Частота третьей гармоники при частоте генерируемых колебаний 3 кГц равна 9 кГц, следовательно, f0
=9 кГц.
Для определения нормированной частоты НЧ – прототипа - Ω3
, соответствующей границе полосы эффективного непропускания (в дальнейшем ПЭН), необходимо воспользоваться зависимостями D=F(Аmin
). При этом вначале по заданным значениям ΔА и Аmin
определяем вспомогательную функцию D=20, а затем, задаваясь приемлемым значением порядка фильтра-прототипа n=3, для полученного значения D определяем Ω3
=1,5.
Рассчитаем граничные частоты полосы эффективного пропускания (в дальнейшем ПЭП) и ПЭН.
Зная соотношение для ω0
:
То, задавшись одной из неизвестных частот, например, f3
=12 кГц, то есть ω3
=2πf3
=75360 рад/с, найдем ω′3
:
Учитывая соотношение:
Найдем ширину полосы эффективного пропускания – Δω:
Получаем систему уравнений: Решая данную систему, получаем:
ω2
=68568,5 рад/с
ω′2
=46588,5 рад/с
Таким образом, граничные частоты ПЭП и ПЭН принимают значения:
f
2
= 10,92 кГц (ω2
= 68568,5 рад/с);
f
'2
= 7,42 кГц (ω'2
= 46588,5 рад/с);
f
3
=12 кГц (ω3
= 75360 рад/с);
f
'3
=6,05 кГц (ω'3
= 42390 рад/с).
Находим полосы передаточной функции НЧ – прототипа:
S1,2
= -0,814634; S3,4
= -0,407317±j1,11701
Денормирование и конструирование передаточной функции искомого ПФ осуществляется в два этапа. На первом этапе находим полюсы передаточной функции полосового фильтра по известным полюсам НЧ-прототипа. Для этого воспользуемся соотношением: где Δω/2=10990 рад/с
;
ω0
2
=3,19∙109
(рад/с)2
;
σi
+jΩi
– i-ый полюс передаточной функции НЧ-прототипа.
Учитывая, что одной паре комплексно-сопряженных полюсов передаточной функции НЧ-прототипа соответствует две пары комплексно-сопряженных полюсов передаточной функции полосового фильтра, рассчитаем полюса передаточной функции.
Результаты расчетов полюсов передаточной функции сведем в таблицу:
| Номер полюса
|
Полюсы Н(р) полосового фильтра
|
| -α∙104
|
±jω∙104
|
| 1,2
|
0,8952
|
5,5766
|
| 3,5
|
0,5476
|
4,5349
|
| 4,6
|
0,3476
|
6,4947
|
На втором этапе передаточная функция полосового фильтра может быть представлена в виде произведения трёх сомножителей второго порядка:

где 
Коэффициенты при р в знаменателях сомножителей аi
= 2αi
, а свободные члены а0
i
= αi
2
+ ωi
2
. Их значения сведем в таблицу:
| Номер сомножителя
|
Значения коэффициентов
|
| bi
|
ai
|
a0
i
|
| 1
|
2,3136*104
|
1,7904 *104
|
3,1899*109
|
| 2
|
2,3136*104
|
1,0952 *104
|
2,0865*109
|
| 3
|
2,3136*104
|
0,6952 *104
|
4,2302*109
|
Тогда передаточная функция искомого ПФ запишется:

Для реализации полученной передаточной функции необходимо выбрать тип звеньев, для чего найдем вначале добротности полюсов соответствующих сомножителей, используя соотношение:

В результате расчётов получим Q1
= 3,15; Q2
= 4,17 Q3
= 9,35
По значениям Q
выбираем схему, передаточная функция которой выглядит следующим образом:

Рисунок 12 – Схема для реализации сомножителей
Для расчета элементов звена, соответствующего первому сомножителю Н(р), составим систему уравнений: Зададимся C6
=C7
=C=5*10-9
, тогда R1
=R2
=1/ωп
С, где ωп
– частота полюса, которая определяется по формуле:
 рад/c
Итак, 
Решая систему относительно элементов R3
, R4
, R5
получаем
R5
=11,2 кОм, R3
=12 кОм, R4
=1,1 кОм.
Поступая аналогичным образом, находим элементы второго и третьего звена фильтра. Результаты вычислений сводим в таблицу:
| Элементы 1 – го звена
|
| R1, кОм
|
R2, кОм
|
R3, кОм
|
R4, кОм
|
R5, кОм
|
С6, нФ
|
С7, нФ
|
| 3,5
|
3,5
|
11,8
|
1,1
|
11,2
|
5
|
5
|
| Элементы 2 – го звена
|
| R8, кОм
|
R9, кОм
|
R10, кОм
|
R11, кОм
|
R12, кОм
|
С13, нФ
|
С14, нФ
|
| 4,4
|
4,4
|
3,1
|
5,7
|
18,3
|
5
|
5
|
| Элементы 3 – го звена
|
| R15, кОм
|
R16, кОм
|
R17, кОм
|
R18, кОм
|
R19, кОм
|
С20, нФ
|
С21, нФ
|
| 3,1
|
3,1
|
1,5
|
6,1
|
28,8
|
5
|
5
|

Рисунок 13 – Схема полосового фильтра
Для расчета АЧХ и ослабления фильтра в выражении Н(р) осуществим замену р = jω, тогда

Ослабление фильтра связано с АЧХ выражением: .
Найдем частоты ПЭП, при которых А и АЧХ принимают максимальные и минимальные значения. Для характеристик НЧ-прототипа имеем при n=3: Ωmin
1
= 0; Ωmax
1
= 0,5; Ωmin
2
= 0,866; Ωmax
2
= 1.
Для нахождения соответствующих частот характеристики ПФ воспользуемся соотношениями:


ωmin
1
= 47759 рад/с;
ωmax
1
= 51251,7 рад/с;
ωmin
2
= 66793,6 рад/с;
ωmax
2
= 62241,7 рад/с.
Результаты расчетов АЧХ и ослабления отдельных звеньев и всего фильтра сводим в таблицу:
| ω
|
ω'3
|
ω'2
|
ωmin
1
|
ωmax
1
|
ω0
|
ωmax
2
|
ωmin
2
|
ω2
|
ω3
|
| ω,рад/с
|
42390
|
46588,5
|
47759
|
51251,7
|
56520
|
62241,7
|
66793,6
|
68568,5
|
75360
|
| f
, кГц
|
6,05
|
7,42
|
7,6
|
8,16
|
9
|
9,91
|
10,64
|
10,92
|
12
|
| Н(jω)1
|
0,618
|
0,819
|
0,885
|
1,101
|
1,292
|
1,101
|
0,885
|
0,819
|
0,618
|
| Н(jω)2
|
1,792
|
2,085
|
1,98
|
1,522
|
1,031
|
0,753
|
0,622
|
0,583
|
0,473
|
| Н(jω)3
|
0,4
|
0,517
|
0,559
|
0,733
|
1,181
|
2,57
|
2,979
|
2,366
|
1,132
|
| А1
, дБ
|
4,18
|
1,734
|
1,061
|
-0,836
|
-2,225
|
-0,836
|
1,061
|
1,734
|
4,18
|
| А2
, дБ
|
-5,067
|
-6.382
|
-
5,933
|
-3,648
|
0,265
|
2,464
|
4,124
|
4,687
|
6,503
|
| А3
, дБ
|
7.959
|
5,73
|
5,052
|
2,698
|
-1,445
|
-8,199
|
-9,481
|
-7,48
|
-
1,077
|
| Н(jω)пф
|
0,16
|
0,95
|
0,98
|
0,97
|
1
|
0,97
|
0,98
|
0,96
|
0
|
| А фильтр, дБ
|
15
|
1,2
|
0,1
|
1
|
0
|
1,3
|
0
|
1
|
15
|
Полученная частотная зависимость ослабления удовлетворяет заданным нормам ∆А и Аmin
По результатам расчетов построим графики АЧХ (рисунок 14) и зависимость ослабления от частоты полосового фильтра (рисунок 15).
Рисунок 14 – Амплитудно-частотная характеристика

Рисунок 15 – Зависимость ослабления от частоты
4 Расчет выходного усилителя
Пусть требуемое выходное напряжение устройства выделения второй гармоники Uвы
x
треб
= 12 В (амплитудное значение). Из предыдущих расчетов известно, что амплитуда напряжения второй гармоники Um
2
= 0,15 В. Тогда амплитуда напряжения на выходе фильтра будет:

Требуемый коэффициент усиления:
Рисунок 16 – Схема усилителя
Зададимся R1
= 3 кОм, тогда R2
=К* R1
=20,5*3 = 61,5 кОм.
Заключение
В ходе данной работы было разработано устройство, вырабатывающее сетку частот. Был произведен расчет всех элементов разработанной схемы. В ходе выполнения данной работы мною были приобретены навыки по расчету и разработке устройств связи.
Список литературы
1. Баскаков С.И. Радиотехнические цепи и сигналы. – М.: Высшая школа, 2002
2. Гоноровский И.С. Радиотехнические цепи и сигналы. – М.: Радио и связь, 1986
3. Гуляев В.П. Методические указания к курсовой работе «Расчет элементов и узлов аппаратуры связи». – Екатеринбург: УФ СибГАТИ, 1998
|