СОДЕРЖАНИЕ:
1. Компрессионные кольца двигателей…………………………………….3
1.1. Назначение, конструкция и материал………………………………..3
1.2. Правила установки колец в канавки поршня………………………..5
1.3. Технологические мероприятия, повышающие износостойкость колец……………………………………………………………………….6
2. Толкатели ГРМ двигателя ЗМЗ-4021……………………………………..8
2.1. Назначение, конструкция и материал………………………………..8
2.2. Условия работы толкателей…………………………….…………….8
2.3. Как и для каких целей осуществляется проворачивание толкателей вокруг своей оси?.........................................................................................9
3. Ускорительный насос карбюратора К-135…………………………..….10
3.1. Устройство и принцип действия…………………………………….10
3.2. Выполните схему и покажите на ней пути топлива, воздуха и эмульсии…………………………………………………………………...10
4. Смазочная система двигателя КамАЗ-740.10
4.1. Назначение и принцип действия………………………………….…13
4.2. Опишите путь масла к клапанному механизму………………...…..13
4.3. Выполните схему смазки клапанного узла…………………………14
Список использованной литературы…………………………………….16
1.
КОМПРЕССИОННЫЕ КОЛЬЦА ДВИГАТЕЛЕЙ
Поршневые кольца относятся к самым, образно говоря, "влиятельным" деталям автомобиля. От их состояния зависит работоспособность машины – ее разгонная динамика, расход масла и топлива, пусковые свойства двигателя, токсичность выхлопных газов и многие другие эксплуатационные показатели. На поршневые кольца в автомобильном двигателе возложены три основные задачи:
1) Газовое уплотнение камеры сгорания, то есть сведение к минимуму проникновения газов из цилиндра в картер и обратно.
2) Отвод теплоты от нагретого горячими газами поршня в более холодную стенку цилиндра, которая охлаждается жидкостью или потоком воздуха. Плохая теплопередача ведет к перегреву поршня, задирам, прогарам и заклиниванию его в цилиндре.
3) Управление смазыванием сопрягаемых деталей. Его цель в том, чтобы кольца, поршни и цилиндры не испытывали масляного голодания, но поступление масла из картера в камеру сгорания при этом должно быть если не исключено, то, по крайней мере, сильно ограничено.
Все эти функции выполняет комплект из трех поршневых колец: верхнего компрессионного, среднего компрессионно-маслосъемного и нижнего маслосъемного. При этом важно, чтобы кольца полноценно работали при любом скоростном и нагрузочном режиме двигателя. А условия у них очень нелегкие: тут и переменные силы давления и трения, и большие тепловые потоки, и действие агрессивных химических соединений.
1.1. Назначение, конструкция и материал
Компрессионные кольца уменьшают прорыв газов из цилиндра в картер. Особенно тяжело при работе двигателя приходится верхнему компрессионному кольцу. Именно оно воспринимает основную часть давления газа, достигающего при сгорании 5,5-6,0 МПа (в дизелях - до 15 МПа). Высока и температура верхнего кольца (200-250°С), поскольку оно передает от поршня к стенке цилиндра до двух третей той теплоты, что поступает в поршень при сгорании топлива.
Специфика работы верхнего кольца определяет его конструктивные отличия. Чтобы противостоять большим температурным и силовым воздействиям, применяют специальные материалы, чаще всего - легированный никелем, хромом и молибденом высокопрочный чугун с шаровидным графитом. В отличие от обычных серых чугунов он обладает всеми свойствами стали. Его предел прочности 1100-1300 МПа соответствует уровню конструкционной стали, и он не хрупок, то есть при высоких нагрузках пластически деформируется без поломки. Это очень важно в нештатных условиях, когда кольца испытывают пиковые ударные нагрузки (детонация у бензиновых двигателей или "жесткое" сгорание у дизелей).
Высокопрочный чугун превосходит многие марки стали по износостойкости, поскольку содержит во много раз больше углерода. Чтобы добиться тех же противоизносных свойств у стали, ее надо легировать большим количеством хрома, при этом изделия получаются заметно дороже чугунных. Применяются они редко, обычно в наиболее форсированных двигателях.
С ростом форсирования, тепловых и силовых нагрузок, а также с уменьшением высоты колец, что характерно для современных двигателей, стальные кольца используются все более широко, и эта тенденция в будущем сохранится. Однако какое кольцо ни ставить в верхнюю канавку - стальное или чугунное - оно хорошо ведет себя только в канавке поршня в паре с алюминиевым сплавом. Сочетание же с чугунным цилиндром, напротив, оказывается неудачным. Если не применять особых мер, то в современных высокооборотных двигателях ресурс таких колец был бы всего несколько тысяч километров, да и цилиндр получил бы износ не меньше, чем кольцо. Высота кольца выдерживается при изготовлении с большой точностью (до 0,01 мм), иначе невозможно обеспечить требуемый зазор в канавке поршня. Для верхних колец он составляет в среднем 0,05-0,07 мм, для других - на 0,02-0,03 мм меньше. Очень важно также, чтобы торцевые поверхности были гладкими (шероховатость не более 0,63 мкм).
Средние кольца двигателей работают в гораздо менее тяжелых условиях по давлению, температуре и смазке, поэтому они обычно не требуют специальных высокопрочных материалов. Чаще всего для средних колец используют серый легированный чугун с пластинчатым графитом. Серые чугуны, в отличие от высокопрочных, довольно хрупкие, но обладают высокой износостойкостью и без специальных покрытий (хотя покрытия средних колец тоже не редкость).
Средние кольца часто имеют увеличенную, по сравнению с верхними, радиальную ширину и упругость. Требования к эпюре давления на стенку цилиндра здесь менее строгие, поскольку давление и трение меньше. Но повышенное давление у замка, как правило, сохраняется, поэтому в наиболее форсированных двигателях, включая дизели, все-таки приходится применять хромовое или, реже, молибденовое покрытие. Иногда такая необходимость диктуется специфичным материалом гильзы цилиндра. Обо всем этом следует помнить при ремонте, особенно, если появилась идея применения более дешевых колец. При сборке важно не перепутать верх и низ среднего кольца, иначе можно получить увеличенный в несколько раз расход масла.
1.2. Правила установки колец в канавки поршня
При установке колец на поршень их замки размещают в разные стороны, чтобы уменьшить утечку газов в картер. Благодаря фаскам кольца сильнее прижимаются к стенкам цилиндра и быстрее прирабатываются. Именно поэтому при установке кольца в идеально круглый цилиндр никаких просветов в их сопряжении быть не может. Это значит, что в каждой точке окружности кольцо давит на стенку цилиндра с какой-то определенной силой. По мере износа кольца эта сила уменьшается, прежде всего, у замка, причем тем скорее, чем выше давление газов в цилиндре. Приходит время, когда между наружной поверхностью кольца вблизи замка и стенкой цилиндра появляются просветы, из-за чего резко возрастает прорыв газов в картер, падает компрессия, ухудшается теплопередача от поршня.
1.3. Технологические мероприятия, повышающие износостойкость колец
Для улучшения приработки колецна верхние кольца наносят износостойкие покрытия. Больше всего распространено электролитическое хромирование - покрытие слоем твердого хрома толщиной 0,1-0,15 мм. Реже встречаются молибденированные кольца; такое покрытие дороже, хотя молибден превосходит хром по износостойкости и имеет лучшие противозадирные свойства, особенно при первоначальной приработке. Молибденированные верхние кольца чаще применяются на дизелях, но у некоторых видных фирм есть такая традиция и для бензиновых моторов. Существуют также кольца с твердыми покрытиями, наносимыми плазменным напылением, но они пока не получили широкого распространения из-за высокой стоимости.
Покрытие колец для конкретных моделей двигателей тщательно увязывают с материалом самого цилиндра. Поэтому при ремонте нельзя произвольно заменять кольца с покрытиями разного типа - иногда это может привести к отрицательному результату. Чтобы повысить износостойкость колец и цилиндров, особенно в период приработки, верхним кольцам придают специальный бочкообразный профиль наружной поверхности. Смысл в том, чтобы сразу приблизиться к форме уже приработавшейся детали, что многократно сокращает период обкатки, а также уменьшается опасность задиров и прижогов.
2. ТОЛКАТЕЛИ ГРМ ДВИГАТЕЛЯ ЗМЗ-4021
Двигатель ЗМЗ 4021.10 (4021.1000389-100) /АИ-76/ предназначен для установки на легковые автомобили среднего класса типа "Волга", микроавтобусы.Двигатель карбюраторный, бензиновый, с рядным расположением цилиндров и верхним расположением клапанов.
В двигателе применены блок из алюминиевого сплава, отливаемый под давлением, система охлаждения с подводом охлаждающей жидкости в блок по двум напорным каналам, усовершенствованные механизмы газораспределения и детали цилиндропоршневой группы.
2.1. Назначение, конструкция и материал
Толкатели поршневого типа стальные, с наружным диаметром 25 мм. Торец толкателя, работающий по кулачку, наплавлен отбеленным чугуном и обработан по сфере радиусом 750 мм. Внутри толкателя сделано сферическое углубление, в которое упирается нижний наконечник штанги. Вблизи нижнего торца имеются два отверстия для стока масла из внутренней полости толкателя. На двигателях раннего выпуска устанавливался толкатель, изготовленный из двух стальных, спаянных между собой твердым припоем частей - юбки и пяты. В остальном конструкция его полностью соответствовала описанному выше толкателю.Толкатели предназначены для непосредственной передачи движения клапанам или штангам механизма газораспределения. Кулачок соприкасается или непосредственно с головкой толкателя, имеющей плоскую поверхность.
2.2. Условия работы толкателей
В средней горизонтальной перегородке блока цилиндров (с левой стороны) просверлены восемь отверстий для толкателей 15 штанг клапанов. В этой же перегородке в литье выполнены четыре отверстия, соединяющие картерную полость блока с полостью толкателей и полостью крышки коромысел. Через эти отверстия сливается в масляный картер масло из-под крышки коромысел, и отсасываются картерные газы в крышку коромысел и систему вентиляции. Полость толкателей закрыта штампованной крышкой из листовой стали.При вращении распределительного вала кулачок набегает на толкатель и поднимает его вместе со штангой. Верхний конец штанги надавливает на регулировочный винт, установленный во внутреннем плече коромысла. Коромысло, проворачиваясь на своей оси, наружным плечом нажимает на стержень клапана и открывает отверстие впускного или выпускного клапана в головке цилиндров строго в соответствии с фазами газораспределения и порядком работы цилиндров.Толкатель и штанга как детали, движущиеся с большими ускорениями, должны иметь меньший вес.
2.3. Как и для каких целей осуществляется проворачивание толкателей вокруг своей оси?
При плоской головке поворот толкателя желателен, так как при этом головка и стержень его изнашиваются более равномерно, и в транспортных двигателях широкое распространение, поэтому, получили толкатели с плоской головкой, более простые по конструкции и дешевые в производстве, чем роликовые.
3. УСКОРИТЕЛЬНЫЙ НАСОС КАРБЮРАТОРА К-135
Карбюратор К-135 – эмульсионный, двухкамерный с падающим потоком, с одновременным открытием дроссельных заслонок и балансированной поплавковой камерой.
3.1. Устройство и принцип действия
Ускорительный насос с механическим приводом состоит из поршня, механизма привода, обратного и нагнетательного клапанов и распылителей в блоке. Распылители выведены в каждую камеру карбюратора и объединены с жиклерами и распылителями экономайзера в отдельный блок. Привод ускорительного насоса и экономайзера совместный. Он осуществляется от оси дроссельных заслонок. Система пуска холодного двигателя состоит из воздушной заслонки с двумя автоматическими клапанами и системы рычагов, соединяющих воздушную и дроссельную заслонки. При резком открытии дросселя в момент увеличения нагрузки смесь обедняется, и двигатель может остановиться. Резкое обеднение смеси объясняется тем, что в этот момент увеличение скорости истечения топлива из жиклеров отстает от возрастающего воздушного потока приемистость двигателя (способность к резкому переходу от меньших нагрузок к большим) ухудшается. Насос ускоритель обеспечивает хорошую приемистость двигателя.
3.2. Выполните схему и покажите на ней пути топлива, воздуха и эмульсии
На рисунке 1 показана схема. В ней имеется главный воздушный канал, включающий в себя малый диффузор (распылитель) 16, установленный в узком сечении основного большого диффузора 15, и смесительная камера с дросселем 14. Дроссель представляет собой пластину, закрепленную на оси, поворачивая которую можно регулировать проходное сечение смесительной камеры, а значит и расход воздуха. Параллельное открытие дросселей означает, что в каждой смесительной камере дроссельные заслонкиустанавливаются на общую ось, привод которой организован от педали "газа". Воздействуя на педаль, мы открываем оба дросселя на одинаковый угол, что обеспечивает равенство воздуха, проходящего по камерам карбюратора.
Главная дозирующая система выполняет основную задачу карбюратора - дозирование топлива пропорционально поступающему в двигатель воздуху. В основе лежит диффузор, который представляет собой местное сужение главного канала. В нем за счет относительного повышения скорости воздуха создается разрежение (давление ниже атмосферного) зависящее от расхода воздуха. Разрежение, образующееся в диффузорах, передается к главному топливному жиклеру 11, расположенному на дне поплавковой камеры.

Рисунок 1. Схема главной дозирующей системы карбюратора К-135: 1 - входной воздушный патрубок;2 - пробка топливного фильтра;3 - крышка поплавковой камеры; 4 -топливный фильтр; 5 - вход топлива от бензонасоса; 6 - клапан поплавковой камеры; 7 - корпус поплавковой камеры; 8 - поплавок; 9 - игла клапана поплавковой камеры; 10 - пробка главного топливного жиклера; 11 - главный топливный жиклер; 12 - главный воздушный жиклер; 13 - эмульсионная трубка; 14 - дроссельная заслонка; 15 - большой диффузор; 16 - малый диффузор; 17 - распылитель экономайзера; 18 - распылитель ускорительного насоса; 19 - вход воздуха
Доступ к ним осуществляется через резьбовые пробки 10, ввернутые в стенке корпуса поплавковой камеры 7. Жиклером называют любое калиброванное отверстие для дозирования топлива, воздуха или эмульсии. Наиболее ответственные из них выполнены в виде отдельных деталей, вставляемых в корпус на резьбе (рис. 7). Для любого жиклера принципиальными являются не только площадь проходного сечения калиброванной части, но еще и соотношение между длиной и диаметром калиброванной части, углы входных и выходных фасок, качество исполнения кромок и даже диаметры некалиброванных частей.
Необходимая пропорция топлива с воздухом обеспечивается соотношением площади сечения топливного жиклера и сечения диффузора. Увеличение жиклера приведёт к обогащению смеси во всем диапазоне режимов. К такому же эффекту можно прийти при уменьшении проходного сечения диффузора. Сечения диффузоров карбюратора подобраны, исходя из двух противоречивых требований: чем больше площадь диффузоров, тем выше мощность может быть достигнута двигателем, и тем хуже качество распыливания топлива в силу более низких скоростей воздуха.
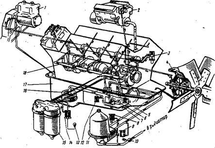
4. СМАЗОЧНАЯ СИСТЕМА ДВИГАТЕЛЯ КАМАЗ-740.10
4.1. Назначение и принцип действия
Смазочная система – комбинированная,с «мокрым» картером. Все детали смазываются разбрызгиванием и масляным туманом. Подшипники шестерен основной коробки передач и делителя, кроме того дополнительно смазываются от маслонагнетающего устройства.
4.2. Опишите путь масла к клапанному механизму
Рисунок 2. Смазочная система. 1- компрессор, 2- топливный насос высокого давления, 3-выключатель гидромуфты, 4-гидромуфта, 5, 12-предохранительные клапаны, 6-клапан смазочной системы, 7-насос масляный, 8-перепускной клапан центробежного фильтра, 9-сливной клапан центробежного фильтра, 10-кран включения масляного радиатора, 11-центробежный фильтр, 13-лампа сигнализатора засоренности фильтра очистки масла, 14-перепускной клапан полнопоточного фильтра, 15-полнопоточный фильтр очистки масла, 16-маслоприемник, 17-картер, 18-главная магистраль.
Из картера 17 масло через маслоприемник 16 поступает в нагнетающую и радиаторную секции масляного насоса 7. Из нагнетающей секции через канал в правой стенке блока цилиндров масло идет в полнопоточный фильтр 15, где оно очищается двумя фильтрующими элементами. Очищенное масло: подается в главную магистраль 18, а оттуда по каналам в блоке и головках цилиндров - к коренным подшипникам коленчатого вала, подшипникам распределительного вала, втулкам коромысел и верхним наконечникам штанг толкателей. От коренных шеек по отверстиям внутри коленчатого вала масло поступает к шатунным подшипникам. Со стенок цилиндра оно снимается маслосъемным кольцом, отводится в поршень и смазывает опоры поршневого пальца в бобышках и втулку верхней головки шатуна. Через каналы в задней стенке блока цилиндров и картера маховика масло под давлением поступает к подшипникам компрессора 1, а через каналы в передней стенке блока – к подшипникам топливного насоса высокого давления 2. Поступающим из главной магистрали маслом смазывается выключатель 3 гидромуфты привода вентилятора. При открытом кране 10 масло поступает из центробежного фильтра в радиатор, после чего сливается в картер 17.
4.3. Выполните схему смазки клапанного узла
По рисунку 2
Остальные детали и механизмы двигателя смазываются разбрызгиванием и масляным туманом. При закрытом кране 10 оно из центробежного фильтра через сливной клапан 9 сливается в картер, минуя радиатор. При работе двигателя масло из радиаторной секции насоса под давлением подается в фильтр, обеспечивая вращение ротора. Под действием центробежных сил механические частицы отбрасываются к стенкам колпака ротора и задерживаются, а очищенное масло через отверстие в оси ротора и трубку поступает в воздушно-масляный радиатор или через сливной клапан в корпусе фильтра, отрегулированный на давление 0,5-0,7 кгс/см2
, в картер двигателя. Перепускной клапан, установленный в корпусе фильтра и отрегулированный на давление 6,0-6,5 кгс/см2
, ограничивает максимальное давление перед центрифугой. Клапан 6 смазочной системы предназначен для ограничения давления в главной магистрали и отрегулирован на давление начала открытия 392-441 кПа (4,0- 4,5 кгс/см2
). Фильтр очистки масла расположен на правой стороне блока цилиндров. В его корпусе установлен перепускной клапан 14 с сигнализатором засоренности фильтрующих элементов, сигнальная лампа 13 которого находится на щитке приборов в кабине. В случае постоянного свечения сигнальной лампы, когда двигатель прогрет, фильтрующие элементы фильтра необходимо немедленно заменить. Кроме того, в корпусе фильтра установлен датчик системы сигнализации о недопустимом (менее 69 кПа или 0,7 кгс/см2
) понижении давления масла в главной магистрали. Клапан перепускает неочищенное масло в главную магистраль при низкой температуре последнего или значительном засорении фильтрующих элементов при перепадах давления на элементах 245-295 кПа (2,5-3,0 кгс/см2
).
СПИСОК ИСПОЛЬЗОВАННОЙ ЛИТЕРАТУРЫ:
1. Техническое обслуживание и ремонт автомобилей: Учебник для средних проф.-техн. училищ / Ю.И. Боровских, В.М.Кленников, В.М.Никифоров, А.А.Собинин. – М.: Высш.школа, 1998. – 148 с., ил. – (Профтехобразование, Автомоб. трансп.);
2. Карагодин В.И., Карагодин Д.В. Устройство, техническое обслуживание и ремонт автомобилей КамАЗ. – М.: Транспорт, 1997. – 310 с.;
3. Чумаченко Ю. Т., Герасименко А. И., Рассанов Б. Б. АВТОСЛЕСАРЬ. Устройство, техническое обслуживание и ремонт автомобилей. М.: Транспорт, 2006 г. – 544 c.;
4. Михайловский Е.В. Серебряков К.Б. Тур Е.Я. Устройство автомобиля М: Машиностроение,1990. – 448 с.
|