министерство образования российской федерации алтайский государственный аграрный университет кафедра электрификации и автоматизации сельского хозяйства
Преобразователи электрической энергии
Пояснительная записка курсовой работы по дисциплине
«Электротехника с основами электроники»
Барнаул 2007
Содержание
Введение
1. Задание по курсовой работе
2. Задание 1. Классификация преобразователей электрической энергии
3. Задание 2. Параметрический стабилизатор напряжения постоянного тока
4. Задание 3. Выпрямители переменного тока
5. Задание 4. Инверторы
6. Задание 5. Системы управления преобразователями электрической энергии
ЗаключениеСписок используемых первоисточников
Введение
Постоянный ток используют в транспорте, в электрохимии, в электроприводах и т.д. Такой вид потребления электрической энергии составляет 25% от мощности потребляемого переменного тока.
В технике всегда возникает необходимость плавного регулирования скорости вращения механических устройств или изменения потребляемой мощности:
- регулирование освещения в помещениях,
- вариация скоростью вращения швейных машин,
- программное изменение скорости вращения металлообрабатывающих центров и т.п.
Выпрямители предназначены для питания электрических устройств, принцип работы которых основан на использовании источников постоянного тока. К таким устройствам относятся все радиотехнические устройства связи промышленного и бытового назначения, электропитание автономных передвижных механизмов, промышленных установок гальваностегии, гальванопластики, электролиза и многое другое.
Кроме выпрямителей в настоящее время существует большой класс инверторов, которые преобразуют источник тока в ток переменной частоты. Хотя ранее эта проблема была связана с накоплением энергии от сети переменного тока в источник хранения энергии постоянного тока, и в часы пиковой нагрузки эта энергия перекачивается в сеть переменного тока. Такие устройства получили название инвертора ведомого сетью.
Использование полупроводниковых приборов позволило:
- уменьшить вес преобразователей в 3..7 раз ( дало возможность обходится без подъемных устройств перемещения или установки преобразователей),
- увеличить КПД в среднем на 10..40%;
- отказаться от сложного водяного или масляного охлаждение вентилей;
- получить большую экономию электроэнергии.
Так внедрение силовых полупроводников в систему управления насосами и компрессорами дало экономию энергии на 30%, в транспорте 20..30%, в приводах производств, производящих бумагу, 14 % и т.д. Полупроводниковая силовая техника позволила:
- создать безинерционные преобразователи,
- увеличила долговечность устройств в несколько раз,
- повысила надежность установок,
- позволила создавать преобразователи для необычайно широкого диапазона преобразователей по мощности. Так в бытовой техники преобразователи имеют мощность от 100 Вт, а в промышленности до нескольких мегаватт.
В настоящее время полупроводниковые преобразователи обслуживают:
- бытовую технику,
- технику сферы обслуживания населения,
- насосные станции водоснабжения и электростанций,
- мельницы по переработки зерна,
- цементные заводы, электротранспорт,
- текстильную промышленность, центры проката металла, где потребляется мощность от 20 до 40 МВт (порядка 3000 электродвигателей),
- уменьшить стоимость преобразователя по сравнению с преобразователями на ртутных вентилях.
Это позволяет сделать вывод ,что за полупроводниковой техникой будущее.
1. Задание по курсовой работе.
Зачётная книжка № 050198.
В курсовой работе имеется пять заданий, посвященных различным электронным устройствам. В задании 1 необходимо привести классификационную структуру преобразователей электрической энергии и по ней объяснить назначение и дать краткую характеристику основных классов преобразователей. В задании 2необходимо привести схему параметрического стабилизатора постоянного напряжения и описать принцип ее работы. В задании 3необходимо описать принципа работы преобразователя малой и большой мощности. В задании 4необходимо объяснить принцип инвертирования тока и напряжения. Показать схему электрическую принципиальную инвертора и диаграммы напряжений, поясняющих принцип его работы. Описать принцип работы данного преобразователя. В задании5необходимо изобразить блок - схему и объяснить принципа работы обобщенной схемы управления преобразователями электрической энергии. Привести схему замещения системы управления преобразователем и объяснить назначение всех ее элементов. Схема электрическая принципиальная узла управления и диаграммы напряжений, поясняющих принцип его работы.
Задание выбираем
по последней цифре 8. Если вариантов больше 10, то по сумме двух последних цифр номера своей зачетной книжки. Мой номер 050198. Сложим цифры 9 + 8=17. Это и есть номер варианта во 2 задании, в остальных №8.
2. Задание 1.
Привести классификационную структуру преобразователей электрической энергии и по ней объяснить назначение и дать краткую характеристику основных классов преобразователей.
Решение
Рисунок 2.1. Структурная схема классификации преобразователей электрической энергии.

- регулируемее величины U, I, f, расположенные в верхней части блоков, расположенных снизу рисунка.
- к способу коммутации относятся параметры, расположенные в нижней части блоков в этой же группе блоков. Эти параметры означают следующее:
U1
- коммутация напряжением питающей сети (преобразователи ведомые сетью),
U2
- коммутация напряжением приемной цепи (преобразователи ведомые напряжением нагрузки),
S - принудительная коммутация от внешнего источника.
Нерегулируемый выпрямитель
не имеет регулируемой величины. Коммутация вентилей осуществляется под действие напряжения сети переменного тока. Собирают выпрямитель на диодах .
Выпрямитель управляемый
полностью повторяет принцип работы неуправляемого выпрямителя этой же конфигурации. Особенность работы только в том, что система управления вентилями позволяет менять время включения тиристоров или транзисторов, используемых в качестве управляемых вентилей. Каждый вентиль включается с запаздыванием по фазе на угол α.Ток в нагрузке всегда прерывистый и несинусоидальный. Вентиль выбирается точно так же, как для неуправляемого выпрямителя, но учитывается прямой скачек напряжения на открывающемся вентиле. Собирают силовую часть выпрямителя, на тиристорах или транзисторах .
Инвертор
это преобразователь постоянного тока в переменный промышленной частоты или иной частоты. Направление передачи энергии от источника или к источнику можно обеспечить, изменив направление напряжения источника питания. Вентильный инвертор
всегда работает с источником постоянного напряжения, который подключается к схеме так, чтобы он на анодах вентилей создавал положительное напряжение. Инвертор в принципе не может работать на неуправляемых вентилях. Вентиль инвертора всегда следует открывать с опережением для того, что он не перешел в режим опрокидывания. Инверторы однофазного тока сильно меняют форму сетевого напряжения. Этот недостаток в меньшей степени проявляется в трехфазных инверторах, ведомых сетью. Отключение напряжения сети от ведомого сетью инвертора недопустимо потому, что он немедля переходит в аварийный режим работы. Ток, поступающий в сеть переменного тока, как и при однофазном инвертировании не синусоидален.
3. Задание 2. Параметрический стабилизатор напряжения постоянного тока
Привести схему параметрического стабилизатора постоянного напряжения и описать принцип ее работы. Из таблицы 1 для варианта 17 находим, Е0
= 18 В; UH
= 8В; Iн
=12мА.
Решение
3.1. Выбираем стабилитрон с учетом следующего. Так как стабилитрон и нагрузка включают параллельно, то по справочнику выбираем стабилитрон 2СМ 180А с напряжением стабилизации 8В ± 5% , минимальный ток стабилизации 3 мА, максимальный ток стабилизации 15 мА. Вычисляем среднее значение напряжения стабилизации Uct=
(7,6 + 8,4)/2 = 8,0 В. Вычисляем средний ток стабилитрона Iст
=
(Iмин + Iмакс)/2 = (3 + 15)/2 = 9 мА. Вычисляем ток, потребляемый от источника питания I = Iн
+ Iст
=
12+ 9 =21 мА.
3.2. Вычисляем величину балластного сопротивления Rб
. Для чего чертим схему параметрического стабилизатора (Рисунок. 3.1) и записываем уравнение по второму закону Кирхгофа
Е0
= I* Rб
+ Uст
→ R
б
=( Е0
- Uст
)/ I =(18-8)/0,021=476 Ом
Вычисляем мощность рассеяния резистора Pн
= I*U6
=21*(18 - 8,0) =0,21Вт. выбираем по справочнику стандартное значение с учетом допустимой мощности рассеяния резистора МЛТ-0,25 470 Ом ±5%.
Масштаб 5мм→1В; 10мм→3мА
.
А- точка покоя стабилитрона( 8в,9мА)
Рисунок. 3.2.
|
|
3.3. Строим вольтамперную характеристику 3.4. Определяем дифференциальное сопротивление стабилитрона и коэффициент стабилизации стабилизатора напряжения
Для правильного определения дифференциального сопротивления стабилитрона нужно через рабочую точку А стабилитрона провести касательную, взят ее отрезок и, как на гипотенузе, построить прямоугольный треугольник. Далее определить катеты этого треугольника и взять отношение катета по напряжению. К катету по току. Это и будет дифференциальное сопротивление стабилитрона. К сожалению, графически для стабилитрона этот метод не приемлем потому, что хорошие стабилитроны имеют очень небольшой наклон рабочего участка стабилитрона. Потому предлагаем использовать справочник [9], где дается дифференциальное сопротивление. Для нашего стабилитрона оно равно Ri = 180 Ом.
Е - постоянное напряжение источника питания; ±Δ Е - абсолютное изменение напряжения источника питания в течение суток; А - точка решения задачи, для которой ток Iо
является решением уравнения составленного по второму закону Кирхгофа; Imin - минимальный ток стабилизации; Imax - максимальный ток стабилизации.
Этот коэффициент показывает, во сколько раз относительные изменения не стабилизированного входного напряжения больше относительного изменения стабилизированного выходного напряжения:
Δ Е= Еmax - Еmin=25-11=14В Δ UCT
=Umax - Umin=8.4-7.6=0.8В
Кст
=(ΔЕ/E)/( Δ UCT
/ UCT
)=(14/8)/(0,8/8)=7,7
4. Задание 3. Выпрямители переменного тока
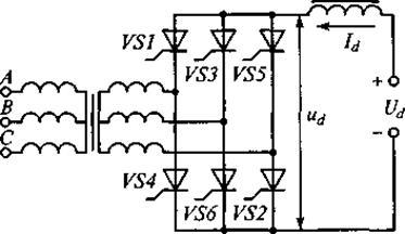
По таблице выбираем для варианта № 8 схему трёхфазного выпрямителя малой мощности, собранной по мостовой схеме.
Решение
4.1. Блок - схема выпрямителя. Рисунок 4.1.
Тр - трансформатор(Tp1). Он понижает или повышает напряжение U1 до величины U2, если это необходимо для практики.
ВП - вентильный преобразователь(VD1-VD6), преобразующий напряжение (ток) переменное U2 в напряжение (ток) однополярное U3.
Ф - фильтр (R1-C1), пропускающий в нагрузку (Rн) постоянную оставляющую тока, и не пропускающий всевозможные гармоники. При этом напряжение в нагрузке U4 становится постоянным с небольшими пульсациями.
4.2. Схема электрическая принципиальная выпрямителя. Рисунок 4.2.
Диаграммы напряжений. Рисунок 4.3.
4.3. Описание принципа работы преобразователя .
Обмотки трансформатора соединены по способу «Звезда». К каждой фазе подключены два диода относительно фазных напряжений включенных встречно. Так диод VD1 подключен к фазе А анодом и, следовательно, будет открываться при положительной полуволне фазы А. Диод VD4 подключен к фазе А катодом и, следовательно, откроется только при отрицательной полуволне фазного напряжения Еа. Таким образом, нечетные диоды представляют собой схему однополупериодного трехфазного выпрямителя, диоды которого открываются при положительном напряжении на их анодах
Четная группа вентилей тоже по конфигурации напоминает схему однополупериодного трехфазного выпрямителя. Однако диоды открываются при наибольшем по величине, но отрицательном по знаку фазном напряжении.
На рис. 4.3. приведена схема последовательности работы вентилей мостового трехфазного выпрямителя.
Каждый диод находится в открытом состояние в течение времени .
В схеме выпрямителя всегда открыты два вентиля, один в анодной и один в катодной группе. Напряжение и ток на выходе выпрямителя непрерывны, но пульсирующие. Число пульсаций за период равно шести.
Выпрямленное напряжение определяется линейным напряжением сети переменного тока.
В Г - образном фильтре рис. 4.3. используются R-C элементы, которые применяют для питания электронных устройств малой мощности. В мощных выпрямителях применяют П - образный L-C фильтр , вместо R1 применяют индуктивность и дополнительную ёмкость С 2 ( на рис. 4.3 обозначена пунктирной линией) .
Для более мощного выпрямителя необходимо увеличить мощность трансформатора, вентилей, фильтра. Принципиальных отличий у него нет. Если особых требований к коэффициенту пульсаций не предъявляется, то L-C фильтр можно исключить.
5. Задание 4. Инверторы
Из таблицы выбираем для варианта № 8 трехфазную мостовую схему инвертора, автономного.
Решение
5.1.Автономный инвертор является преобразователем постоянного тока в переменный ток, и его работа определяется системой управления. Они применяются в том случае, если основным источником питания является солнечная батарея, аккумулятор и т.п.
Рисунок 5.1. Рисунок 5.2.

В схеме, представленной на рис. 5.1 ток протекает по нагрузке с лева направо (если выполняется неравенство Е1>Е2 или существует иная причина). Тогда для схемы справедливы уравнения
E1-E2 = I×R
I(E1-E2) = I2
-R
P1-P2 = I2
-R
Из уравнения (5.1) ясно, что мощность черпается от источника Е1 тогда, когда ток протекает по часовой стрелке. Если ток в цепи будет протекать против часовой стрелке (если Е2>Е1 либо по иной причине), то в сеть энергию будет отдавать генератор Е2: P
2-
P
1 =
I
2
-
R
Таким образом, направление передачи энергии зависит от направления протекания тока в цепи.
Для рис.5.2 тоже очевидно, что при заданном направлении тока энергию в сеть отдает источник Е2, а источник Е1 накапливает энергию (зарядка аккумулятора). Инвертирование в этой схеме можно получить не меняя направления тока, а поменять полярность источника Е1. В этом
случае источник Е1 тоже начнет отдавать энергию в сеть.
Направление передачи энергии источника можно обеспечить, изменяя направление тока цепи относительно напряжения источника (ток и напряжения в противофазе). Направление передачи энергии от источника или к источнику можно обеспечить, изменив направление напряжения источника питания.
5.2. Блок - схема инвертора с системой управления и общее описание работы инвертора рисунок 5.3.
Е- источник постоянного тока.
ВП - вентильный преобразователь, преобразующий постоянный ток в трёхфазное переменное напряжение .
Ф - фильтр, пропускающий в нагрузку трёхфазное переменное напряжение рабочей частоты , и не пропускающий всевозможные гармоники.
Н- нагрузкой трёхфазной может быть трансформатор , двигатель и т.д.
СУ- система управления вентилями.
В автономных инверторах в отличие от зависимых ин- верторов частота и напряжение получаемого переменно- го тока определяются исключительно режимом работы их управляемых вентилей.
Трехфазный мостовой инвертор. На рис. 5.4 представлена схема трехфазного мостового инвертора на тиристорах и диаграммы токов и напряжений на ее элементах.
В этой схеме, так же как и в однофазной, управляющие импульсы подаются на тиристоры с опережением на угол β относительно моментов времени, соответствующих началу коммутации тиристоров при работе схемы в режиме неуправляемого выпрямителя (α= 0). Указанные моменты времени соответствуют прохождению через нуль линейных напряжений вторичных обмоток трансформатора, т. е. пересечению синусоид фазных напряжений Иа, Ив
, и Ис
.
Рис. 5.4. Трехфазный мостовой инвертор .


Рассмотрим работу схемы, считая, что ток iа, как и в выпрямительном режиме, идеально сглажен. На интервале ΰ0
… ΰ1
под воздействием напряжения источника Ud
ток Id
проходит через тиристоры VS1, VS2 и вторичные обмотки трансформатора (фазы a и с). При этом мгновенное значение противо ЭДС инвертора (см. рис. 5.4, ) равно разности напряжений Ис и Иа
.
В момент ΰ1
, определяемый углом опережения β, который задается системой управления инвертора, подается управляющий импульс на тиристор VS3. Этот тиристор включается, в результате чего фазы а
и в
вторичных обмоток трансформатора оказываются замкнутыми накоротко и в них начинает протекать ток короткого замыкания, направленный навстречу току iVS
1
, протекающему через тиристор VS1. Иначе говоря, начинается процесс коммутации, аналогичный процессу коммутации в трехфазной мостовой схеме выпрямителя, длительность которого выражается углом γ. Напряжение ud
на интервале коммутации становится равным напряжению Ис
минус полусумма напряжений Иа
и Ив
. . После окончания процесса коммутации ток будут проводить тиристоры VS1 и VS3, а к тиристору VS1будет приложено обратное напряжение в течение времени, определяемого углом δ β = γ + δ
Далее коммутация тиристоров идет в соответствии с их нумерацией, указанной на рис. 5.4. Длительность проводящего интервала каждого вентиля равна
(2л/3) + γ.
Напряжение источника Ud
0
при холостом ходе инвертора связано с действующим значением фазного напряжения трансформатора соотношением

Инвертор выполнен по мостовой схеме и состоит из шести тиристоров
(рис. 5.4) и шести неуправляемых вентилей ,которые включены встречно-параллельно тиристорам, их ещё называют обратные диоды (на схеме не указаны).
Тиристоры обеспечивают подачу через определенные промежутки времени импуль сов напряжения на фазы А, В и С , т.е. получение на выходе инвертора трехфазной системы напряжений. Благодаря применению вентилей, устраняются перенапряжения на элементах ин вертора и обеспечивается независимое друг от друга включение и выключение тиристоров.
Устройства для искусственной коммутации тиристо- ров могут быть установлены в каждом плече моста (индивидуальная коммутация), каждой фазе (мсждуфазовая коммутация) или же можст быть установлено общее уст ройство для всех тиристоров (общая коммутация).
-
6. Задание 5. Системы управления преобразователями электрической
энергии
Из таблицы 4 выбираем для варианта 8 схему системы управления вертикального типа.
Решение
6.1. Привести блок - схему и объяснить принципа работы обобщенной схемы управления преобразователями электрической энергии
Рисунок 6.1.

На рис. 6.1. приведена обобщенная структура СУ. В структуре выделены некоторые функциональные блоки, характерные для; СУ силовых электронных устройств. Блок датчиков Д содержит датчики регулируемых и контролируемых параметров. Так как обычно регулируются выходные параметры, то часть датчиков непосредственно входит в обратную связь канала регулирования. Сигналы с этих датчиков поступают на регулятор РЕГ, в функции которого входит формирование закона управления элементами силовой части. Блок ФИУ формирует импульсы управления, непосредственно поступающие на силовые элементы. По существу ФИУ является согласующим устройством между входами силовых приборов и выходом регулятора. Сигналы регулятора обычно являются маломощными и не отвечают требованиям, предъявляемым к импульсам управления силовых приборов (тиристоров, транзисторов и др.). Блок ФИУ называют также драйвером.
Узлы выполняются на различной элементной базе: дискретные и интегральные электронные компоненты, электромагнитные реле . Для функционирования этих элементов требуются источники электропитания часто с различными параметрами. В составе структуры имеется блок вторичных источников питания для собственных нужд, называемых также источниками оперативного питания (ИОП). В ИОП используются различные виды преобразователей и регуляторов, согласующих параметры входного (иногда и выходного) напряжения силовых цепей с параметрами, требуемыми для питания элементов СУ. При питании от сети переменного тока, основой ИОП являются маломощные трансформаторы с несколькими вторичными обмотками на разные напряжения. Эти обмотки подключаются к выпрямителям с выходными, обычно емкостными фильтрами.
Для стабилизации уровней выходных напряжений маломощных выпрямителей используют стабилитроны или транзисторные регуляторы в дискретном или интегральном исполнениях.
Система управления силового электронного устройства обычно выполняет следующие функции:
формирование сигналов управления силовыми элементами силовой части;
регулирование выходных параметров силовой части;
включение и отключение по заданному алгоритму основных узлов силовой части;
обмен информацией с внешней средой. Текущий контроль и Диагностика устройства осуществляется блоком УКД, на вход которого поступают сигналы с датчиков контролируемых параметров.
Результаты контроля диагностики поступают на блок обработки информации ИНФ и затем с его выхода — на защитные устройства ЗУ. Блок ИНФ также в общем случае может связывать все устройство со внешней средой. Например, в него могут поступать сигналы команд на включение, выключение, изменения режима работы. Обычно эти сигналы обрабатываются или транслируются непосредственно в блок коммутационной аппаратуры КА. С другой стороны из блока обработки информации могут исходить сигналы о состоянии устройства, режиме его работы, информация о причине отключения или срабатывания защит и др.
Представленная на рисунке структура является обобщенной. В ней отражены характерные укрупненные функциональные блоки. В реальном аппарате значительная часть из них может отсутствовать или находиться в неявном конструктивном или функциональном видах. Обмен с внешней средой может осуществляться с помощью тумблеров или кнопок, а о состоянии аппарата будут давать информацию обыкновенные сигнальные лампы
Соответственно элементная база СУ часто сочетает элементы как цифровой, так и аналоговой техники, которая обрабатывает непрерывные сигналы, например тока или напряжения. Эти сигналы затем снова могут преобразовываться в импульсную форму.
6.2. Привести схему замещения системы управления преобразователем и объяснить назначение всех ее элементов
Структурная схема управления однофазным инвертором представлена на рисунке 6.1.
В этой схеме генератор ЗГ вырабатывает синусоидальное напряжение, частота которого больше, например, частоты сети в четыре раза. Выходное синусоидальное напряжение генератора в формирователе импульсов Ф преобразуется в прямоугольные импульсы, которые являются оптимальными по форме для управления. Эти импульсы поступают в распределительное устройство РИ, где происходит распределение импульсов почетырём каналам для мостовой схемы вентильного преобразователя. Каналы 1.. .4 передают импульсы управления на соответствующие вентили преобразователя.
Замечание. Если частота переключений тиристоров равна fo, то частота fг генератора должна быть больше и равна fг = 4∙fo. При этом сдвиг по фазе для вентилей нужно выдержать равным π/2.
6.3. Схема электрическая принципиальная узла управления и диаграммы напряжений, поясняющих принцип его работы.

Рис. 3.10
Однофазный инвертор напряжения на полностью управляемых элементах
(транзисторах). б -диаграммы тока и напряжения, в-диаграмма управляющих импульсов, г -диаграмма выходногонапряжения инвертора
|
|

На рис. 3.10, б представлены диаграммы, иллюстрирующие работу схемы. Когда открыты транзисторы VТ1 и VТ4, напряжение на нагрузке имеет полярность, указанную (без скобок) на рис. 3.10, б, а ток нагрузки нарастает по экспоненциальному закону. В момент ΰ = π поступают управляющие импульсы, запирающие транзисторы VТ1, VТ4 и отпирающие транзисторы VТ2, VТЗ.
Заключение
В заключении можно отметить , что задания 1…4 выполнены , на мой взгляд, в полном объёме , а неудачный раздел 6.3. 5го
задания. Причина- недостаток используемых новоизданных первоисточников.
Список используемых первоисточников
1. Горбачев Г.Н., Чаплыгин Е.Е. Промышленная электроника: Учебник для вузов.
2. Ю.К. Разанов, ЕМ. Соколов «Электролнные устройства Электромеханических систем» . Москва 2004.
3.Кузьмин Ю.Г. Основы электроники дисциплины «Электротехника с основами электроники» для студентов АГАУ специальности ЭиАСХ. Теоретические основы, общие методические указания и задание по курсовой работе.- Барнаул: 2007.- 146 с.
|