РАЗДЕЛ 1: КОНСТРУКЦИЯ
Консультант:
Смирнов Ю. А.
Введение
Управляемость, то есть способность судна двигаться по заданной траектории, является необходимым эксплуатационным качеством судна. Комплекс средств и механизмов, обеспечивающих это качество, называется рулевым устройством.
Развитие техники в последние десятилетия отразилось и на средствах, обеспечивающих управляемость морских судов. Появились системы автоматизированного управления судами с использованием спутников Земли, подруливающие устройства, различные тормозные системы и так далее. Однако у большинства судов основным средством управления остаются традиционные рули.
Совершенствование рулевого устройства осуществлялось за счет различных конструктивных новшеств, вызванных увеличением размеров и скорости судов. Длинное, тяжелое рулевое весло было заменено лопастью с вертикальной осью вращения, в верхней части которой размещался румпель – рычаг, с его помощью руль поворачивался на нужный угол. С увеличением размеров рулей совершенствовалась и их конструкция, узлы крепления. Появились различные рулевые приводы и передачи, позволившие разместить пост управления движением судна в более удобном месте лучшим образом. Многое изменилось с появлением рулевых машин, сначала паровых, а потом электрических и гидравлических.
Исходные данные:
Общие данные:
Тип судна P_ ts =Навалочник
Признак ограничения района плавания Нет ограничений
Спецификационная скорость хода, уз.Vo =15,0
Группа судов по условиям коррозионного износа G_sh =2
Расчетный срок службы судна, лет T =24
Расчетная плотность воды, т/м3 ρ =1,025
Категория ледовых усилений корпуса Нет усилений
Номинальный крутящий момент рулевой машины Ме
=560 кНм
Основные параметры судна:
Длина корпуса судна максимальная, м L max =178,5
Длина судна расчетная, м L =170
Ширина судна расчетная, м B =27,6
Высота борта расчетная, м D =14,1
Осадка по конструктивную ватерлинию, м dквл =9,94
Осадка по летнюю грузовую ватерлинию, м ds =9,967
Осадка расчетная, м dc =9,967
Отношения:
осадки по КВЛ к высоте борта dквл / D =0,705
осадки по ЛГВЛ к высоте борта ds / D =0,707
длины судна к высоте борта L / D =12,057
ширины судна к высоте борта B / D =1,957
Коэффициент общей полноты при осадке ds,
длине судна L, и ширине B Cb =0,789
Коэффициент общей полноты при осадке dc,
длине судна L, и ширине B Cbc =0,789
Коэффициент полноты мидель-шпангоута См
=0,993
Водоизмещение по летнюю грузовую
ватерлинию, т Δ=37835
Абсцисса Ц.Т. судна, м (от миделя; " + " - в нос) xg =3,5
Ордината Ц.Т. судна, м (от ДП) yg =0,0
Аппликата Ц.Т. судна, м (от ОП) zg =9,87
Размер площади руля
Чтобы достичь оптимальной способности маневрирования, размер подвижной площади руля А, рекомендуется брать не меньше, полученной по формуле:
 
где: с1
=0,9
с2
=0,9 – для балансирных рулей
с3
=1,0 – для профилей руля типа NACA
с4
=1,0 - для рулей, находящихся непосредственно за гребным винтом
Для балансирных рулей 50% расчетной площади кронштейна руля может быть включена в общую площадь руля А.
м2
Примем площадь руля и площадь кронштейна А=24,91 м2
.
Выбор материала
Выбор материала деталей рулевого устройства составляет одну из ответственных задач при его проектировении. Материал для изготовления баллеров рулей характеризуется следующими свойствами:
прочностью, определяемой пределом прочности и пределом текучести;
пластичностью, определяемой относительным сужением, относительным удлинением, а также пробой на изгиб;
сопротивлением усталости, определяемым пределом выносливости при кручении;
однородностью структуры, отсутствием внутренних пороков и остаточных напряжений;
податливостью механической обработке.
При выборе материала для изготовления деталей рулевых устройств учитываются его механические качества, а если они предназначены для морских судов, - дополнительно еще и химический состав.
Для изготовления баллеров рулей широко используют качественную углеродистую сталь, как наиболее дешевую. Стали с высоким пределом прочности применяют только в тех случаях, когда нельзя использовать углеродистые стали. При этом обращается внимание на то, что стали с повышенным пределом прочности более чувствительны ко всякого рода надрезам (шпоночные пазы), переходам от одного диаметра к другому и поверхностным повреждениям. Стали с высокой прочностью требуют особенно тщательной механической обработки, так как только при этом условии могут быть полностью использованы все их преимущества.
Детали рулевого устройства для большинства современных судов могут быть использованы из углеродистых или слаболегированных сталей, соединяющих дешевизну с меньшей склонностью ко внутренним дефектам, то есть с большей надежностью.
Наряду с высокими требованиями к прочностным характеристикам материалов, идущих для изготовления баллеров рулей, выдвигается требование к их противокоррозионной стойкости, если устройство предназначено для морских судов.
В основном успользуются материалы с минимальным пределом текучести Reh равным 200 Н/мм2
и минимальной силой растяжения от 400 до 900 Н/мм2
, которые не могут быть использованы для баллера руля, штока, шпонок и болтов. Требования этой главы рассчитаны на материалы с минимальным пределом текучести Reh 235 Н/мм2
. Если используемые материалы имеют предел текучести Reh отличающиеся от 235 Н/мм2
, то коэффициент кr
для материала может быть вычислен следующим образом:
для Reh > 235 
для Reh ≤ 235 
где: Reh - минимальный предел текучести, в Н/мм2
,
Reh не может быть взят больше чем 0.7*Rm или 450 Н/мм2
,
Rm - используемая сила растяжения материала.
Возьмем для расчета стали с Reh [Н/мм2
] : 235, 315, 345
| REH |
235 |
315 |
345 |
| Kr |
1 |
0,803 |
0,750 |
Баллер руля должен изготавливаться из стали с пределом текучести Reh превышающим 235 Н/мм2
.
Сила, действующая на руль и вращающий момент
Расчет производится исходя из наиболее нагруженного режима работы движительного комплекса судна,то есть при полном водоизмещении.
Расчет обычно ведут раздельно для переднего и заднего хода, раздельно для рулей, расположенных в кормовой и носовой частях судна. При выполнении расчетов прочности деталей рулевого устройства принимают максимальные значения рулевых сил и крутящих моментов на баллерах рулей.
Сила, действующая на руль, может быть вычислена по следующей формуле:
 
где:
v: v0
- скорость переднего хода
vа
- скорость заднего хода; vа
=0,5* v0
k1
- коэффициент зависящий от λ
k1
=(λ+2)/3, где λ не более 2
k2
- коэффициент, зависящий от типа руля и от профиля руля
смотри таблицу 1
Таблица 1
| Профиль / тип руля |
k2
|
| передний ход |
задний ход |
| NACA-00 series Göttinger profiles |
1,1 |
0,8 |
| flat side profiles |
1,1 |
0,9 |
| mixed profiles ( e.g. HSVA) |
1,21 |
0,9 |
| hollow profiles |
1,35 |
0,9 |
| high lift profiles |
1,7 |
можно специально рассчитать;
если не известно, то 1,3
|
| Fish tail |
1,4 |
0,8 |
| Singl plate |
1 |
1 |
k3
- коэффициент, зависящий от расположения руля
=0.8 - для рулей, находящихся вне струе гребного винта;
=1 - в другом месте, включая рули, работающие непосредственно за гребным винтом;
=1.15 - для насадок.
kt
- коэффициент, зависящий от коэффициента упора СTh
=1 – обычно
В специальных случаях для коэффициентов упора СTh
> 1,0 определение kt
может быть выполнено по следующей формуле:

Скорость переднего хода v0
=15 уз.
Скорость заднего хода vа
= v0
*0,5=15*0,5=7,5 уз.
k1
=(λ+2)/3=(1,5+2)/2=1,167
Сила, действующая на руль, на переднем ходу:
Н
Сила, действующая на руль, на заднем ходу:
Н
Результирующая сила каждой из частей руля может быть вычислена как:
Н; Н
где: А1
=12,383 м2
; А2
=6,246 м2
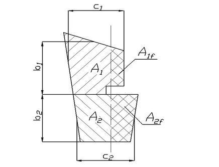
см. рис.1
Результирующая сила на переднем ходу:
Н; Н.
Результирующая сила на заднем ходу:
Н; Н.
Результирующий вращающий момент каждой из частей руля может быть вычислен как:
Нм; Нм
м; м
; 
; 
где: b1
, b2
– средние высоты частей площади пера руля А1
и А2
соответственно. См. рис. 1.
Рисунок 1

Данные для расчета результирующего вращающего момента:
b1
=4 м; b2
=3 м; с1
=3,1 м; с2
=2,08 м; А1f
=2,081 м2
; A2
f
=4,2 м2
α =0,33 для переднего хода
=0,66 для заднего хода
kb
- коэффициент симметрии

=0.08 – для небалансирных рулей
kb
1
=2,081/12,383=0,168; kb
2
=4,2 / 6,246=1,487
r10
=3,1(0,33-0,168) = 0,501 м,
r1а
=3,1(0,66-0,168) = 1,523 м,
r20
=2,081(0,33-0,672) = -2,409 м,
r2а
=2,081(0,66-0,672) = -1,722 м.
QR
10
=3575,59*0,501 = 1792,61 Нм,
QR
1а
=650,11*1,523 = 2746,68 Нм,
QR
20
=1803,53*(-0,713) = -1566,22 Нм,
QR
2а
=327,92*(-0,026) = -564,71 Нм.
Суммарный вращающий момент руля может быть вычислен согласно следующей формуле:
QR
= QR
1
+QR
2
[Нм] или QRMIN
= CR
*r1,2
MIN
[Нм]
r1,2
MIN
= [м] для переднего хода.
QR
0
= QR
10
+QR
20
=1792,61+(-1566,22) = 226,39 Нм,
QR
а
= QR
1а
+QR
2а
=2746,68 +(-564,71) = 2181,97 Нм,
r1,2
MIN
= =0,206 м,
QRMIN
= 7192,76*0,206 = 1482,41 Нм.
Выбираем наибольшее значение вращающего момента и принимаем его в качестве расчетного.
Таким образом расчетное значение вращающего момента QR
=2181,97 Нм.
Размеры баллера руля
Диаметр баллера руля
Диаметр баллера руля, передающий вращающий момент на руль, не может быть больше чем:
 
Зависимость напряжения кручения:
 
Материал для баллера руля возьмем стали с пределом текучести Reh [Н/мм2
] : 315 и 345. Результаты занесем в таблицу 2.
Таблица 2.
| Reh , [Н/мм2
] |
Τt
, [Н/мм2
] |
Dt
, мм |
| 315 |
84,711 |
506,3 |
| 345 |
90,693 |
494,9 |
Уменьшение диаметра баллера руля эквивалентно напряжениям изгиба и кручения и не должно превышать :
 .
Напряжение при изгибе:
 .
где: Mb
- изгибающий момент
Напряжение при кручении:
 .
где: D1
- уменьшенный диаметр баллера руля
Уменьшение диаметра баллера руля может быть найдено по следующей формуле:
[см]
Уменьшенный диаметр баллера руля для стали с пределом текучести Reh=315 Н/мм2
:
на переднем ходу:
см;
на заднем ходу:
см.
Уменьшенный диаметр баллера руля для стали с пределом текучести Reh=345 Н/мм2
:
на переднем ходу:
см;
на заднем ходу:
см.
Окончательно диаметр баллера руля D будет равен:
для стали с пределом текучести Reh=315 Н/мм2
:
на переднем ходу:
D=Df
-D1
=506,3-147,6=358,7 мм
на заднем ходу:
D=Df
-D1
=506,3-71=435,3 мм,
для стали с пределом текучести Reh=345 Н/мм2
:
на переднем ходу:
D=Df
-D1
=494,9-144,3=350,6 мм;
на заднем ходу:
D=Df
-D1
=494,9-69,4=425,5 мм.
В качестве расчетного диаметра баллера руля примем
D=35,87 см., но сначала произведем проверку баллера руля на допустимые напряжения изгиба и кручения:
Н/мм2
;
Н/мм2
;
 

В ходе расчетов произведенных выше можно сделать заключение, что данный диаметр баллера руля удовлетворяет условию допустимых напряжений изгиба и кручения.
Соединение пера руля с баллером
Горизонтально-фланцевое соединение
Соединения обеспечивают прочную и надежную связь руля и баллера.
Диаметр соединительных болтов должен быть не меньше чем:
, мм
где:
D – диаметр баллера руля в мм;
n – количество болтов, но не меньше 6;
е – среднее расстояние от центров болтов до центра фланца в мм, которое принимается равным;
kr
– критерий материала баллера руля;
kb
– критерий материала болтов.
Данные для расчета:
для баллера руля и соединительных болтов будем использовать сталь с пределом текучести REH
=345 Н/мм2
; D=358,7 мм; n=6; e= 408,4 мм; kr
=0,803; kb
=0,803.
мм.
Примем диаметр соединительных болтов db
=90 мм.
Болтовое соединение в этом случае представляет собой ответственный узел, работающий со знакопеременной нагрузкой, вследствие чего все болты выполняют призонными с гайками нормальной высоты, которые после затяжки надежно стопорят с помощью шплинтов. Головки болтов могут быть круглыми или шестигранными нормальной высоты. Болты с круглыми головками снабжают угловой шпонкой или срезают две фаски под ключ.
Толщина фланца должна быть не меньше высчитанной по следующей формуле:
мм;
мм
где:
D – диаметр баллера руля в мм;
n – количество болтов, но не меньше 6;
е – среднее расстояние от центров болтов до центра фланца в мм, которое принимается равным;
kr
– критерий материала баллера руля;
kf
– критерий материала для фланцевого соединения.
Данные для расчета:
для фланцевого соединения будем использовать сталь с пределом текучести REH
=345 Н/мм2
; D=358,7 мм; n=6;
e = 408,4 мм; kr
= 0,803; kb
= 0,803.
мм
мм
Фланец баллера может быть круглым, прямоугольным, овальным, однако во всех случаях отстояние края отверстий для болтов до наружных кромок фланца не должно быть меньше:
, мм
где:
db
– диаметр соединительных болтов.
мм.
Диаметр штырей
Диаметр штырей должен быть не менее определенного по формуле:
, см
где:
В1
– сила поддержания, Н;
kr
– критерий материала штыря.
Данные для расчета:
В1
=3850,64 Н; kr
=0,75
см.
Примем диаметр штырей равным d=19 см.
Толщина втулки или вкладыша должна быть не менее чем:
, см
Данные для расчета:
В1
=3850,64 Н
см
Штырь имеет конусную часть, предназначенную для его закрепления в петле руля или пятке ахтерштевня. Конусность по диаметру не должна превышать 1:12. При установке штыря на место особое внимание обращают на уплотнение его конусной части.
Хвостовик штыря имеет нарезку, наружный диаметр которой принимают:
ds
=0,8dc
, см
где:
dc
– малый диаметр конуса штыря, см;
см.
Наружный диаметр гайки штыря принимают равным 1,5dc
, а высоту ее Н = 0,6dc
. Для предотвращения самоотдачи гайку стопорят при помощи не менее чем двух приварных планок или одной приварной планки и шплинта.
Так как штырь снабжен рубашкой, изготовленной из оловянистой бронзы, то ее толщину определим по формуле:
, см
где:
d – диаметр посадочной шейки штыря, см, d=19 см;
см.
Толщину материала петель руля и ахтерштевня за пределами отверстия для штыря принимают равной 0,5d, где d – диаметр штыря. Высота петли должна быть не меньше 1,2d.
Цилиндрическую часть штыря, вращающую в петле, снабжают износо- и коррозионно-стойкой облицовкой из бронзы БрАМц9-21, латуни ЛМц58-2, нержавеющей стали ОХ18Н10Т или белого металла. Если штырь не имеет облицовки, то в отверстие петли устанавливают бронзовую втулку. Толщина втулки в зависимости от диаметра штыря должна составлять: 10—15% при диаметре штыря до 200 мм и 5 –10% при диаметре штыря более 200 мм (большие значения процентов относятся к меньшим диаметрам). Для вращения штыря во втулке рекомендуется зазор между втулкой и облицовкой 1—1,5% при диаметре штыря до 200 мм и 0,5—1% при диаметре штыря более 200 мм.
Перо руля
Перо руля и ахтерштевень проектируют совместно, чтобы требования обтекаемости и учета влияния работы гребного винта были учтены в конструкции этих деталей. Конфигурация пера руля (проекция пера руля на диаметральную плоскость) находится в зависимости от подъема нижней кромки пера руля, от его защиты в верхней части, от обводов корпуса судна и в большой степени от типа судна, для которого проектируется руль. Подъем нижней кромки пера руля, то есть уклон линии, образующей нижнюю кромку пера от носа в корму, предусматривают, чтобы избежать повреждения руля при касании о твердый грунт. Верхнюю кромку пера руля выполняют горизонтально или параллельно обводам кормы судна, последнее предпочтительней. На судах, предназначенных для плавания в ледовых условиях, прибегают к скашиванию верхней кромки пера руля по направлению в корму, создавая между обшивкой корпуса судна и верхней кромкой пера руля некоторый угол.
Обшивка пера руля
Толщина обшивки пера руля, в мм, может быть высчитана согласно следующей формуле:
,
где:
, в кН/м2
;
а – расстояние между горизонтальными ребрами или вертикальными диафрагмами, смотря по тому, что меньше, м;
k – критерий материала для обшивки пера руля;
Т – осадка судна, м;
А – площадь пера руля, м2
;
Данные для расчета:
Т=9,94 м; СR
=3575,59 Н; А=24,91 м2
; k=1; а=0,66 м
кН/м2
;
мм.
В дальнейшем примем толщину обшивки пера руля tp
=14 мм.
Толщина горизонтальных ребер и вертикальных диафрагм не должна быть меньше 70% толщины обшивки пера руля, но и не менее чем:
, мм;
мм.
Толщина горизонтальных ребер и вертикальных диафрагм:
мм
Примем толщину горизонтальных ребер и вертикальных диафрагм tc
= 10 мм.
Размеры кронштейна руля
Распределение изгибающего момента, поперечной силы и крутящего момента может быть вычислено согласно следующей формуле:
Изгибающий момент:
, Нм
, Нм
Поперечная сила:
, Н
Крутящий момент:
, Нм
Для подтверждения установленных размеров, упругостью
кронштейна руля можно пренебречь и реакция опоры B1
может быть вычислена согласно следующей формуле:
, Н
где: b, c, d, e(
z
)
смотри рисунок 3 и 4.
Рисунок 3

Рисунок 4

Данные для расчета:
b=3,78 м – положение центра тяжести площади руля;
c=3,15 м;
d=2,97 м;
e(z)
=1,1 м;
z=1,26 м;
CR
=3575,59 Н – сила, действующая на руль на переднем ходу.
Реакция опоры: Н.
Изгибающий момент:
Нм;
Нм.
Поперечная сила: Н.
Крутящий момент: Нм.
Момент сопротивления кронштейна руля по оси X любой области может быть не больше чем: , см3
где: k=1 – коэффициент, зависящий от свойств материала
см3
В поперечном сечении кронштейна руля касательное напряжение от действия поперечной силы не должно превышать величины:
, Н/мм2
где: k=1 – коэффициент, зависящий от свойств материала
Н/мм2
Нормальные напряжения кронштейна руля не должны превышать:
, Н/мм2
, Н/мм2
, Н/мм2
где:
АТ
– эффективная площадь кронштейна руля, мм2
;
th
– толщина кронштейна руля, мм2
.
Данные для расчета:
АТ
=3151768 мм2
, th
=215 мм.
Н/мм2
;
Н/мм2
;
, Н/мм2
, Н/мм2
Н/мм2
.
Условие прочности выполнено, поэтому примем расчетные габариты кронштейна руля.
Выбор рулевой машины
Рулевой привод
Все судовые рулевые приводы предназначены Для придания вращения баллеру рули, то есть для поворота рулевого органа (руля, насадки) и установки его в необходимое положение. Основным элементом любого рулевого привода является румпель, насаженный и жестко закрепленный на баллере. Румпель может выполняться в виде рычага, сектора или диска и соединяться с приводным механизмом (рулевой машиной) гибкой или жесткой связью.
Наиболее распространенными типами рулевого привода являются: штуртросовые, валиковые, винтовые, секторно-зубчатые и гидравлические. Комбинация привода с рулевой машиной (ручной, электрической, электрогидравлической и так далее) определяет способ приведения руля в действие.
Основные требования
Рулевое устройство любого судна снабжают двумя независимыми приводам - основным и запасным.
Основной рулевой привод предназначен для маневрирования судна при максимальной скорости лереднего хода с помощью поллостью погруженного руля (поворотной насадки). Правила предписывают, чтобы время перекладки руля основным приводом с 35° одного борта на 30° другого борта не превышало 28 с. В тех случаях, когда по конструктивным соображениям руль судна имеет угол перекладки δ<35°, время перекладки с 6° одного борта на б—5° другого борта пропорционально уменьшается.
К запасному рулевому приводу требования ниже: он предназначен для маневрирования при половинной скорости (но не менее 7 уз — 3,6 м/с) с помощью полностью погруженного руля. Для запасного привода перекладка с 20° одного борта на 20° другого борта осуществляется за 60 с.
В тех случаях, когда на судне установлена рулевая машина, имеющая, два приводных агрегата, действующих независимо один от другого и способных обеспечить за 28 с перекладку руля с 35° одного борта на 30° другого борта, запасной рулевой привод можно не предусматривать. Это допущение полностью применимо к рулевым устройствам пассажирских судов. Для прочих транспортных и промысловых судов запасной привод можно не предусматривать, если устанавливается рулевая машина с двумя независимыми агрегатами, каждый из которых способен переложить руль с 20° одного борта на 20° другого борта за 60 с. Суммарная мощность этих двух aгpeгaтов должна отвечать требованию, предъявляемому к основному рулевому приводу.
При определении степени независимости двух приводных агрегатов рулевой машины или независимости основного и запасного приводов допускается наличие у них некоторых общих частей, например, румпеля, сектора, редуктора, цилиндрового блока и тому подобное.
Основной рулевой привод должен действовать от источника энергии (то есть иметь электрическую, гидравлическую или иную рулевую машину). Однако для небольших судов допускается применение ручного основного привода, если на штурвале достаточна работа одного, человека с усилием 117,5 Н, а частота вращения штурвала не превышает 25 об/мин для того, чтобы переложить руль с 35° одного борта на 30° другого борта.
Основной и запасной рулевой приводы или один из них рекомендуется располагать в месте, находящемся всегда выше самой высокой грузовой ватерлинии судна. Если это оказывается невозможным, то на судне предусматривают аварийный рулевой привод, располагаемый выше палубы переборок, то есть палубы, до которой доведены главные поперечные водонепроницаемые переборки деления судна на отсеки.
Аварийный рулевой привод должен обеспечивать возможность перекладки руля с борта на борт при скорости переднего хода судна не менее 4 уз (2,06 м/с). Требования по времени перекладки к аварийному приводу не предъявляются.
При проектировании производятся уточнение характеристик основных элементов привода, окончательный выбор гидравлического насоса и электродвигателя, а также определение суммарного времени перекладки руля. Осуществляется проверка двигателя на нагрев и допустимое число включений. Выполняется расчет перегрузок электропривода при заклинивании руля.
В электрогидравлических рулевых приводах обычно применяют плунжерные электрогидравлические машины типов Р01 – Р10 с насосом постоянной подачи или типов Р11—Р22 с насосом регулируемой подачи, которые изготовляются двух- или четырехцилиндровыми. Связь плунжера с баллером осуществляется с помощью шарнира, что обеспечивает возможность перемещения плунжера относительно румпеля в вертикальной и горизонтальной плоскостях.
Электрогидравлические машины могут выполняться с параллельным и перпендикулярным относительно диаметральной плоскости судна расположением цилиндров. Установки с параллельным расположением четырех цилиндров применяются на крупных судах и обычно имеют два самостоятельных (резервный и основной) гидравлических насоса, работающих каждый на свою пару цилиндров.
Основные технические характеристики плунжерных электрогидравлических машин типов Р01—Р22 с электроприводом постоянного или переменного тока приведены в таблице 3.
Электрогидравлические плунжерные машины с одним, двумя или четырьмя исполнительными гидроцилиндрами требуют преобразования поступательного движения плунжеров во вращательное движение баллеров, что усложняет конструкцию привода.
Имеются рулевые электрогидравлические машины одинарного и сдвоенного типов РГ и 2РГ с плунжерно-реечным приводом баллера с моментами 2,5—80 кНм. Малые габариты и масса рулевых машин с плунжерно-реечным приводом баллера достигнуты благодаря высокому рабочему давлению в цилиндрах (6,5—8,5 МПа), небольшим размерам румпеля (шестерни) и возможности установки двух и более моментных цилиндров.
В электрогидравлических рулевых приводах применяют также лопастные электрогидравлические машины. Поворот баллера руля в таких приводах производится в самом исполнительном цилиндре. Цилиндр делится перемычками и лопастями на четыре полости. В одну пару полостей жидкость подводится от насоса под давлением, из другой пары полостей вытесняется во всасывающую часть насоса. Лопасти поворачиваются вместе с баллером, производя перекладку руля. Описанный привод представляет собой по существу высокомоментный реверсивный неполноповоротный гидравлический двигатель. Такие двигатели могут быть одно-, двух- и четырехлопастными. Рулевая лопастная электрогидравлическая машина РЭГ-ОВИМУ-7 работает при давлении рабочей жидкости 3,5—5 МПа и развивает вращающий момент на баллере 70—100 кНм.
Исходя из этих рекомендаций, основных технических характеристик рулевых машин (таблица 3) и исходных данных (номинальный крутящий момент рулевой машины Ме
=560 кНм), выберем рулевую плунжерную электрогидравлическую машину типа Р18, которая полностью удовлетворяет условия эксплуатации.
Таблица 3.
| Тип |
Число рулей |
Номинальный крутящий момент, кНм |
Число цилиндров рулевой машины |
Можность электропривода, кВт |
Габариты рулевой машины, мм |
Масса рулевой машины с электрооборудованием без рабочей жидкости, кг |
| перемен-ного тока (220/380 В) |
постоян-ного тока (220 В) |
постоян-ного тока |
перемен-ного тока |
| P01 |
1 |
6,2 |
2 |
0,7 |
0,4 |
970 X 1160 X 885 |
570 |
650 |
| P02 |
2 |
6,2 |
2 |
0,7 |
0,4 |
970 X 880 X 885 |
580 |
660 |
| P03 |
1 |
9,8 |
2 |
0,7 |
0,6 |
870 X 1300 X 885 |
690 |
770 |
| P04 |
2 |
9,8 |
2 |
0,7 |
0,6 |
1950 X 850 X 885 |
710 |
790 |
| P05 |
1 |
15,7 |
2 |
2,2 |
0,75 |
1650 X 1450 X 980 |
850 |
940 |
| P06 |
2 |
15,7 |
2 |
2,2 |
0,75 |
2200 X 985 X 1010 |
800 |
890 |
| P07 |
1 |
24,5 |
2 |
2,2 |
1,4 |
1850 X 1480 X 1010 |
1040 |
1040 |
| P08 |
2 |
24,5 |
2 |
2,2 |
1,4 |
2120 X 1035 X 1010 |
1040 |
1040 |
| P09 |
1 |
39,2 |
2 |
3,2 |
2,2 |
2210 X 1070 X 1030 |
1465 |
1630 |
| P10 |
2 |
39,2 |
2 |
3,2 |
2,2 |
3000 X 1075 X 1080 |
1595 |
1705 |
| P11 |
1 |
61,8 |
2 |
8 |
4,2 |
3240 X 1520 X 915 |
2510 |
2690 |
| P12 |
2 |
61,8 |
2 |
8 |
4,2 |
3800 X 1100 X 915 |
2440 |
2690 |
| P13 |
1 |
98 |
2 |
8 |
4,2 |
3600Х 1700Х 1365 |
3030 |
3230 |
| P14 |
2 |
98 |
2 |
8 |
4,2 |
4400 X 1100 X 950 |
3150 |
3350 |
| P15 |
1 |
157 |
4 |
11 |
7 |
3390 X 2020 X 1427 |
4750 |
5000 |
| P16 |
1 |
245 |
4 |
19 |
8,5 |
3760 X 2190 X 1539 |
6450 |
6750 |
| P17 |
1 |
329 |
4 |
27 |
16 |
4380 X 2550 X 1710 |
11500 |
12100 |
| P18 |
1 |
620 |
4 |
55 |
27 |
5090 X 2855 X 1735 |
13650 |
14250 |
| P21 |
1 |
1220 |
4 |
72 |
- |
6200 X 3680 X 1095 |
- |
25400 |
| P22 |
1 |
1570 |
4 |
95 |
- |
6430 X 4045 X 1095 |
- |
28200 |
Определение эффективности руля
Определение эффективности руля
Эффективность выбранного руля Ер
определяется по формуле:
,
где:
;
W – коэффициент, для руля, расположенного в диаметральной плоскости судна за гребным винтом, W=0,3CHB
;
А2
–площадь подводной части диаметральной плоскости судна при осадке по летнюю грузовую ватерлинию, м2
;
А – площадь пера руля, м2
;
АВ
– часть площади руля, находящаяся в непереложенном положении в струе гребного руля, м2
;
hp
– средняя высота части пера руля, расположенной в корму от оси его вращения, м;
СВ
– коэффициент общей полноты судна при его осадке по летнюю грузовую ватерлинию;
СНВ
– определяется по формуле:

где:
Т – упор винта, кН, при скорости V;
DВ
– диаметр винта, м;
V1
– скорость, уз, определяемая по формуле:
V1
=V(1-W):
W – средний коэффициент попутного потока;

Δ – объемное водоизмещение судна при осадке по летнюю грузовую ватер линию, м3
;
n– число винтов;
V – наибольшая скорость переднего хода, уз, при осадке по летнюю грузовую ватерлинию;
Данные для расчета:
Δ=36897,7 м; n=1; СВ
=0,789; DВ
=4,9 м; V=15 уз., А2
=1708,4 м2
; А=24,91 м2
; АВ
=16,9 м2
; hр
=7,07 м; Т=2938,3 кН.
;
уз.;
;
;

Нормы эффективности рулей
Сумма эффективностей всех установленных на судне рулей должна быть не менее большего из значений эффективностей Е1
, Е2
или Е3
.
Е1
определяется в зависимости (рисунок 5) от Ср
и σк
. Для промежуточных значений Ср
определяется линейной интерполяцией между кривыми для двух ближайших значений Ср
;
где:
Ср
– коэффициент продольной полноты подводной части корпуса судна при осадке по летнюю грузовую ватерлинию, определяемый по формуле: Ср
=Св
/См
=0,789/0,993=0,795;
См
– коэффициент полноты мидель-шпангоута при осадке по летнюю грузовую ватерлинию;
σк
– коэффициент полноты подводной кормовой части диаметральной плоскости судна при осадке по летнюю грузовую ватерлинию. Коэффициент вычисляется по следующей формуле:
;
где:
L1
– длина судна, измеренная на уровне летней грузовой ватерлинии от передней кромки форштевня до крайней кромки кормовой оконечности судна, м;
f – площадь боковой проекции кормового подзора судна, м2
;
f0
– для двухвинтовых судов – площадь боковой поверхности обтекателей гребных винтов, накладываемая на площадь фигуры f, м2
. Во всех остальных случаях в расчетах принимается f0
=0;
d – осадка судна по летнюю грузовую ватерлинию, м.
Данные для расчета:
L1
=173,41 м; f=63.33 м2
; d=9,967 м.

Рисунок 5.

Исходя из данных, что рассчитаны выше, и используя метод линейной интерполяции, найдем Е1
, которое равно 0,025.
Е2
определяется по формуле:
;
где:
А3
– площадь боковой парусности судна при такой минимальной осадке, при которой перо руля полностью погружено в воду (при положении судна без крена и дифферанта), м2
;
А4
– площадь подводной части диаметральной плоскости судна при такой минимальной осадке, при которой перо руля полностью погружено в воду (при положении судна без крена и дифферанта), м2
.
Данные для расчета:
V=15 уз., A3
=1320,5 м2
; А4
=1533,7 м2
; λp
=1,71 м; x0
=23,86 м; L1
=173,41 м.
Для судов длиной 70 м и более Е3
определяется по формуле:
;
где:
А5
– площадь боковой поверхности судна при осадке по летнюю ватерлинию, м2
;
х – горизонтальное расстояние от мидель-шпангоута (середины длины L1
) до цента тяжести площади А5
, м. величина х принимается положительной при расположении центра тяжести в нос от мидель-шпангоута и отрицательной – в корму.
Данные для расчета:
A2
=1698,4 м2
; А5
=1120,5 м2
; λp
=1,71 м; x=25,72 м; L1
=173,41 м.

Из расчетов видно, что эффективность руля обеспечена.
Действие руля
Управляемость включает два свойства судна – устойчивость на курсе и поворотливость. Под устойчивостью на курсе принято понимать способность судна удерживать заданное прямолинейное направление движения, под поворотливостью судна – его способность изменять направление движения и описывать траекторию любой наперед заданной кривизны, что обеспечивается перекладкой руля на тот или иной борт. В результате перекладки руля на некоторый угол траектория движения центра тяжести судна и оконечностей корпуса показывает характер того движения, которое получит судно в случае, если руль при начавшемся смещении будет постоянно переложен на некоторый угол и затем остановлен в этом положении на все время дальнейшего движения судна. Траектория движения цента тяжести судна, полученная при этом, носит название циркуляции. Этот же термин часто обозначает сам процесс поворота судна. Центр тяжести судна в начале маневра перемещается в сторону, противоположную отклонению рулевого органа, а затем в сторону, отклонения рулевого органа, двигаясь по кривой с уменьшающимся до известного предела радиусом кривизны. Одновременно диаметральная плоскость судна, совпадающая первоначально с направлением скорости поступательного движения, сразу начнет отклоняться по направлению к центру кривизны траектории, описываемой центром тяжести судна.
Весь процесс движения судна во время циркуляции обычно делят на три периода:
первый период – маневренный, по времени совпадающий с продолжительностью перекладки руля, то есть от начала поворота руля до отклонения его на предельный угол. Как указывалось выше, этот период характеризуется смещением судна в сторону, противоположную направлению перекладке руля;
второй период – неустановившегося движения на циркуляции, который начинается с момента окончания перекладки руля и заканчивается, когда значение угла дрейфа будет максимальным, а радиус циркуляции – минимальным;
третий период – установившегося движения на циркуляции, он начинается с момента окончания второго периода и длится все время, пока руль находится в переложенном на борт положении. Траекторию движения судна в третий период принято называть установившейся циркуляцией, при котором угла дрейфа и радиус кривизны представляют собой постоянные величины.
Рассчитаем циркуляцию для нашего судна на скоростях хода 7, 10 и 15 узлов. Расчеты выполнены в программе «Синтаксические анализаторы...» производителя Mikhailov SoftWare Co (R).
Условные обозначения:
время (t), с;
курсовой угол (q), град;
координата x (x), м;
координата y (y), м;
скорость (v), уз.;
угол перекладки (α), град.
Исходные данные для расчета циркуляции:
170 м – длина судна по действующую ватерлинию;
27.6 м – ширина судна на миделе;
9.967 м – осадка судна по действующую ватерлинию;
0.789 м – коэффициент общей полноты судна;
0.99 м – коэффициент полноты судна;
9.967 м – осадка носом;
9.967 м – осадка кормой;
63.33 м2
– площадь, дополняющая кормовую часть диаметральной плоскости до прямоугольника при осадке Т=Тк;
33.5 м2
– площадь, дополняющая носовую часть диаметральной плоскости до прямоугольника при осадке Т=Тн;
18 – номер переходного шпангута от U к V образному;
24.91 м2
– площадь руля и рудерпоста по действующую ватерлинию при Т=Тк;
1 – число рулей;
85 м – отстояние баллера руля от центра тяжести судна;
7.64 м – высота руля наибольшая;
4.68 м2
– площадь рудерпоста по действующую ватерлинию при Т=Тн;
15.18 м2
– площадь руля и рудерпоста, попадающая в струю гребного винта;
0.89 м – отстояние верхней кромки руля от действующей ватерлинии при Т=Тк;
0.25 – коэффициент, учитывающий спрямляющее действие корпуса на скос потока у руля от угла дрейфа;
0.67 – коэффициент, учитывающий спрямляющее действие корпуса на скос потока у руля от угловой скорости;
35° -Угол перекладки руля (положительный на правый борт);
7, 10, 15 уз. – скорость судна в момент начала маневра;
15 уз. – максимальная скорость судна, соответствующая Nmax;
4411 кВт – мощность главных механизмов, позволяющая развить скорость Vmax;
1 – число винтов;
0.25 – коэффициент, учитывающий спрямляющее действие корпуса на скос потока у винта от угла дрейфа;
0.67 – коэффициент, учитывающий спрямляющее действие корпуса на скос потока у винта от угловой скорости;
4.9 м – диаметр гребного винта;
0.9 – шаговое отношение для гребного винта;
0.75 – дисковое отношение для гребного винта;
81.86 м – отстояние диска гребного винта от центра тяжести судна;
28 с – время перекладки руля с борта на борт (от 35 градусов до 30 градусов) - нормируется правилами постройки судов;
10 с – шаг изменения размерного времени. Результаты расчета выводятся для моментов размерного времени кратных указанному шагу;
360° – предельное изменение курсового угла при маневрировании – используется для окончания расчета, когда руль перекладывается на правый или левый борт один раз;
1000 с – время окончания маневра - используется для окончания раcчета при многократных перекладках руля.
Расчет циркуляции при скорости хода 7 уз. Результаты занесем в таблицу 3.
Таблица 3.
| t |
q |
x |
y |
v |
a |
| 0,0 |
0,0 |
0,0 |
0,0 |
7,00 |
0,00 |
| 4,9 |
0,0 |
34,0 |
0,0 |
7,00 |
9,02 |
| 9,7 |
0,4 |
68,0 |
-0,1 |
7,01 |
18,04 |
| 14,6 |
1,3 |
102,0 |
-0,2 |
7,02 |
27,04 |
| 19,4 |
3,0 |
136,0 |
-0,2 |
7,04 |
35,00 |
| 24,2 |
5,8 |
170,0 |
0,3 |
7,05 |
35,00 |
| 29,0 |
9,6 |
204,0 |
1,5 |
7,04 |
35,00 |
| 33,9 |
14,3 |
237,9 |
4,1 |
6,98 |
35,00 |
| 38,8 |
19,9 |
271,6 |
8,6 |
6,88 |
35,00 |
| 43,8 |
26,3 |
304,9 |
15,5 |
6,72 |
35,00 |
| 48,9 |
33,3 |
337,4 |
25,2 |
6,50 |
35,00 |
| 54,3 |
40,8 |
368,8 |
38,1 |
6,23 |
35,00 |
| 59,9 |
48,8 |
398,6 |
54,5 |
5,93 |
35,00 |
| 65,8 |
57,0 |
426,2 |
74,3 |
5,60 |
35,00 |
| 72,0 |
65,4 |
451,0 |
97,6 |
5,26 |
35,00 |
| 78,7 |
74,1 |
472,3 |
124,0 |
4,91 |
35,00 |
| 85,9 |
82,8 |
489,8 |
153,2 |
4,57 |
35,00 |
| 93,6 |
91,7 |
502,8 |
184,6 |
4,23 |
35,00 |
| 102,0 |
100,6 |
511,0 |
217,5 |
3,92 |
35,00 |
| 111,0 |
109,6 |
514,1 |
251,4 |
3,62 |
35,00 |
| 120,8 |
118,6 |
512,0 |
285,3 |
3,34 |
35,00 |
| 131,4 |
127,7 |
504,8 |
318,4 |
3,09 |
35,00 |
| 142,9 |
136,7 |
492,4 |
350,1 |
2,85 |
35,00 |
| 155,3 |
145,8 |
475,3 |
379,4 |
2,64 |
35,00 |
| 168,7 |
154,9 |
453,8 |
405,7 |
2,44 |
35,00 |
| 183,1 |
164,1 |
428,4 |
428,3 |
2,27 |
35,00 |
| 198,7 |
173,2 |
399,8 |
446,5 |
2,11 |
35,00 |
| 215,3 |
182,3 |
368,6 |
460,1 |
1,98 |
35,00 |
| 233,1 |
191,5 |
335,7 |
468,5 |
1,86 |
35,00 |
| 252,0 |
200,6 |
301,9 |
471,6 |
1,75 |
35,00 |
| 271,9 |
209,8 |
268,0 |
469,3 |
1,66 |
35,00 |
| 292,8 |
218,9 |
234,9 |
461,7 |
1,59 |
35,00 |
| 314,7 |
228,0 |
203,5 |
448,9 |
1,53 |
35,00 |
| 337,4 |
237,2 |
174,4 |
431,2 |
1,47 |
35,00 |
| 360,8 |
246,4 |
148,6 |
409,2 |
1,43 |
35,00 |
| 384,8 |
255,5 |
126,6 |
383,3 |
1,40 |
35,00 |
| 409,4 |
264,7 |
108,9 |
354,3 |
1,37 |
35,00 |
| 434,4 |
273,8 |
96,2 |
322,8 |
1,35 |
35,00 |
| 459,7 |
283,0 |
88,5 |
289,7 |
1,33 |
35,00 |
| 485,3 |
292,1 |
86,3 |
255,8 |
1,32 |
35,00 |
| 511,2 |
301,3 |
89,4 |
222,0 |
1,31 |
35,00 |
| 537,2 |
310,4 |
97,9 |
189,1 |
1,30 |
35,00 |
| 563,4 |
319,6 |
111,6 |
158,0 |
1,30 |
35,00 |
| 589,7 |
328,7 |
130,0 |
129,5 |
1,29 |
35,00 |
| 616,1 |
337,9 |
152,7 |
104,2 |
1,29 |
35,00 |
| 642,5 |
347,0 |
179,1 |
82,9 |
1,28 |
35,00 |
| 669,0 |
356,2 |
208,6 |
66,1 |
1,28 |
35,00 |
| 695,5 |
365,3 |
240,4 |
54,1 |
1,28 |
35,00 |
Расчет циркуляции при скорости хода 10 уз. Результаты занесем в таблицу 4.
Таблица 4.
| t |
q |
x |
y |
v |
a |
| 0 |
0 |
0 |
0 |
10 |
0 |
| 3,4 |
0 |
34 |
0 |
10 |
6,31 |
| 6,8 |
0,3 |
68 |
-0,1 |
10 |
12,63 |
| 10,2 |
0,9 |
102 |
-0,1 |
10,01 |
18,94 |
| 13,6 |
2,1 |
136 |
-0,1 |
10,03 |
25,24 |
| 17 |
4,1 |
170 |
0,1 |
10,04 |
31,53 |
| 20,4 |
7,1 |
204 |
1 |
10,05 |
35 |
| 23,7 |
11,2 |
237,9 |
2,7 |
10,02 |
35 |
| 27,2 |
16,1 |
271,8 |
6 |
9,92 |
35 |
| 30,6 |
22 |
305,4 |
11,3 |
9,75 |
35 |
| 34,1 |
28,5 |
338,4 |
19,1 |
9,5 |
35 |
| 37,8 |
35,7 |
370,7 |
29,9 |
9,17 |
35 |
| 41,6 |
43,3 |
401,6 |
43,9 |
8,77 |
35 |
| 45,5 |
51,3 |
430,8 |
61,4 |
8,33 |
35 |
| 49,8 |
59,6 |
457,5 |
82,4 |
7,85 |
35 |
| 54,2 |
68,1 |
481,2 |
106,7 |
7,36 |
35 |
| 59 |
76,8 |
501,4 |
134 |
6,86 |
35 |
| 64,2 |
85,6 |
517,5 |
163,9 |
6,38 |
35 |
| 69,7 |
94,5 |
529 |
195,9 |
5,91 |
35 |
| 75,7 |
103,4 |
535,7 |
229,2 |
5,47 |
35 |
| 82,2 |
112,4 |
537,2 |
263,1 |
5,05 |
35 |
| 89,2 |
121,4 |
533,5 |
296,9 |
4,66 |
35 |
| 96,8 |
130,5 |
524,6 |
329,7 |
4,3 |
35 |
| 105 |
139,6 |
510,8 |
360,7 |
3,98 |
35 |
| 113,9 |
148,7 |
492,2 |
389,1 |
3,68 |
35 |
| 123,5 |
157,8 |
469,4 |
414,3 |
3,41 |
35 |
| 133,8 |
166,9 |
443 |
435,6 |
3,17 |
35 |
| 144,9 |
176 |
413,5 |
452,5 |
2,96 |
35 |
| 156,8 |
185,2 |
381,7 |
464,4 |
2,77 |
35 |
| 169,5 |
194,3 |
348,4 |
471,2 |
2,6 |
35 |
| 182,9 |
203,5 |
314,5 |
472,6 |
2,46 |
35 |
| 197,1 |
212,6 |
280,7 |
468,7 |
2,34 |
35 |
| 211,9 |
221,8 |
248,1 |
459,4 |
2,24 |
35 |
| 227,4 |
230,9 |
217,3 |
445 |
2,16 |
35 |
| 243,5 |
240,1 |
189,2 |
426 |
2,09 |
35 |
| 260 |
249,2 |
164,5 |
402,7 |
2,03 |
35 |
| 276,9 |
258,4 |
143,8 |
375,7 |
1,99 |
35 |
| 294,2 |
267,5 |
127,6 |
345,9 |
1,95 |
35 |
| 311,8 |
276,7 |
116,4 |
313,8 |
1,92 |
35 |
| 329,6 |
285,8 |
110,4 |
280,4 |
1,9 |
35 |
| 347,6 |
295 |
109,9 |
246,4 |
1,88 |
35 |
| 365,7 |
304,1 |
114,7 |
212,8 |
1,87 |
35 |
| 384 |
313,3 |
124,8 |
180,4 |
1,86 |
35 |
| 402,3 |
322,4 |
140 |
150 |
1,85 |
35 |
| 420,8 |
331,6 |
159,8 |
122,4 |
1,84 |
35 |
| 439,2 |
340,7 |
183,7 |
98,3 |
1,84 |
35 |
| 457,8 |
349,9 |
211,2 |
78,3 |
1,83 |
35 |
| 476,3 |
359 |
241,5 |
63 |
1,83 |
35 |
| 494,9 |
368,2 |
273,8 |
52,6 |
1,83 |
35 |
Расчет циркуляции при скорости хода 15 уз. Результаты занесем в таблицу 5. Таблица 5.
| q |
x |
y |
v |
a |
| 0 |
0 |
0 |
15 |
0 |
| 0 |
34 |
0 |
15 |
4,21 |
| 0,2 |
68 |
0 |
15 |
8,42 |
| 0,6 |
102 |
-0,1 |
15,01 |
12,63 |
| 1,4 |
136 |
-0,1 |
15,02 |
16,83 |
| 2,8 |
170 |
0,1 |
15,03 |
21,04 |
| 4,8 |
204 |
0,6 |
15,03 |
25,24 |
| 7,7 |
238 |
1,8 |
15,02 |
29,44 |
| 11,5 |
271,9 |
3,9 |
14,96 |
33,65 |
| 16,3 |
305,7 |
7,4 |
14,83 |
35 |
| 21,9 |
339,3 |
12,9 |
14,6 |
35 |
| 28,4 |
372,3 |
20,8 |
14,24 |
35 |
| 35,4 |
404,6 |
31,6 |
13,76 |
35 |
| 43 |
435,5 |
45,5 |
13,19 |
35 |
| 51 |
464,7 |
62,9 |
12,53 |
35 |
| 59,2 |
491,6 |
83,8 |
11,82 |
35 |
| 67,7 |
515,4 |
108 |
11,09 |
35 |
| 76,3 |
535,8 |
135,2 |
10,35 |
35 |
| 85,1 |
552,1 |
165 |
9,62 |
35 |
| 94 |
563,8 |
196,8 |
8,92 |
35 |
| 102,9 |
570,7 |
230,1 |
8,25 |
35 |
| 111,9 |
572,5 |
264 |
7,63 |
35 |
| 120,9 |
569,1 |
297,8 |
7,04 |
35 |
| 130 |
560,5 |
330,7 |
6,5 |
35 |
| 139,1 |
546,9 |
361,8 |
6,01 |
35 |
| 148,2 |
528,6 |
390,4 |
5,56 |
35 |
| 157,3 |
506 |
415,8 |
5,15 |
35 |
| 166,4 |
479,7 |
437,3 |
4,79 |
35 |
| 175,5 |
450,4 |
454,4 |
4,46 |
35 |
| 184,7 |
418,7 |
466,7 |
4,18 |
35 |
| 193,8 |
385,5 |
473,7 |
3,93 |
35 |
| 203 |
351,6 |
475,5 |
3,71 |
35 |
| 212,1 |
317,8 |
471,8 |
3,53 |
35 |
| 221,3 |
285 |
462,8 |
3,37 |
35 |
| 230,4 |
254,1 |
448,7 |
3,24 |
35 |
| 239,6 |
225,9 |
429,9 |
3,14 |
35 |
| 248,7 |
200,9 |
406,8 |
3,05 |
35 |
| 257,9 |
180 |
380,1 |
2,98 |
35 |
| 267 |
163,6 |
350,3 |
2,93 |
35 |
| 276,2 |
152,1 |
318,4 |
2,88 |
35 |
| 285,3 |
145,9 |
285 |
2,85 |
35 |
| 294,5 |
145 |
251 |
2,82 |
35 |
| 303,6 |
149,5 |
217,4 |
2,8 |
35 |
| 312,8 |
159,4 |
184,9 |
2,79 |
35 |
| 321,9 |
174,3 |
154,3 |
2,77 |
35 |
| 331,1 |
193,9 |
126,6 |
2,76 |
35 |
| 340,3 |
217,6 |
102,3 |
2,76 |
35 |
| 349,4 |
244,9 |
82,1 |
2,75 |
35 |
| 358,6 |
275 |
66,4 |
2,75 |
35 |
| 367,7 |
307,3 |
55,8 |
2,74 |
35 |

Циркуляция при скорости хода 7 уз.

Циркуляция при скорости хода 10 уз.

Циркуляция при скорости хода 15 уз.
|