2. Принципиальная схема системы автосопровождения
Блок автосопровождения.
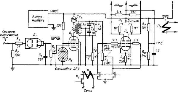
Упрощенная схема блока автосопровождения изображена на рис. 318. Двойной диод Л1является детектором напряжения ошибки, пентод Л2 - резонансным усилителем, а двойной триод Л4 - балансным усилителем напряжения ошибки.
Детектор напряжения ошибки работает, как описано в § 3. На катод лампы Л1
с выхода канала угловых координат приемника поступают отрицательные видеоимпульсы от сопровождаемой цели. Во время действия импульса диод проводит ток и происходит заряд конденсатора С1.
В промежутке между импульсами конденсатор С1
медленно разряжается через сопротивлениеR
1.
На сопротивлении действует пульсирущее напряжение, переменная составляющая которого является напряжением ошибки. Часть напряжения снимается с движка сопротивления R1 на сетку лампы Л2
усилителя. Постоянная составляющая этого напряжения является отрицательным смещением на сетке лампы и используется для автоматической регулировки усиления (АРУ) усилителя. Усиление лампы Л2
изменяется при изменении напряжения смещения, которое в свою очередь зависит от мощности принимаемых сигналов. Чем сильнее принимаемые сигналы, тем меньше усиление лампы Л2,
и наоборот. Вследствие этого амплитуда напряжения ошибки в анодной цепи лампы Л2
не зависит от интенсивности отраженных импульсов, а зависит только от величины отклонения цели от оси антенны.
Момеyтом вращения называется произведение силы на расстояние от оси вращения до точки приложения силы.
Рисунок 318
Усилитель напряжения ошибки называется резонансным, потому что вторичная обмотка трансформатора Тр1, включенного в анодную цепь лампы Л2, образует совместно с конденсаторами С2 и С3 резонансный контур, настроенный на частоту напряжения ошибки (около 30 гц).
Применение резонансного контура позволяет получить на сетках триодов Л4 балансного усилителя синусоидальное напряжение без высокочастотных пульсаций, которые имеются в выходном напряжении детектора. Миллиамперметрm
А
измеряет анодный ток лампы Л2.
Напряжение на экранирующей сетке лампы Л2
стабилизируется стабилитроном Л3.
Балансный усилитель. Напряжения на сетки триодов лампы Л4 балансного усилителя снимаются с потенциометров R5 и R6/ подключённых к противоположным концам вторичной обмотки трансформатора Тр1.
Эти напряжения противофазны, так как средняя точка обмотки трансформатора Тр1
заземлена. Спаренные потенциометры R5 и R6 служат для регулировки сеточных напряжений лампы Л4 и напряжений на выходе блока автосопровождения. Анодное напряжение на триоды Л4 подается через потенциометр R7, который служит для балансировки усилителя. Амплитуды напряжений на анодах триодов при балансе получаются одинаковыми. Полученные противофазные напряжения ошибки с равной амплитудой накладываются на постоянное напряжение +75 в, снимаемое с делителя R9,R
10,
и подаются на коммутаторы в блоке сопровождения по азимуту и углу места.
Реостат R8 в цепи катода лампы Л4 устанавливается так, чтобы на нем получилось падение напряжения 3 в, которое и является напряжением смещения лампы.
В блоке автосопровождения находятся выпрямитель на +300 в
и два реле: реле блокировки Р2 и реле выключения сигнала ошибки Р1.
Выпрямитель служит для питания ламп блоков автосопровождения и сопровождения по азимуту и углу места. Питание подается на блок сопровождения по азимуту и углу места через контакты реле блокировки Р2.
В цепи обмотки этого реле имеется ряд блокировок, которые замыкаются только в том случае, если система управления антенной полностью подготовлена к работе.
Реле Р1 служит для отключения напряжения ошибки с выхода блока автосопровождения. Это необходимо, когда вблизи сопровождаемой цели появляется другая цель и возникает опасность «перехвата» ее антенной. Питание на обмотку реле подается через кнопку К1. Оператор, заметив на индикаторе дальности приближение к импульсу сопровождаемой цели импульса другой цели, нажимает кнопку К1;реле срабатывает, и его контакты замыкают сетки лампы Л4 на корпус; напряжение ошибки выключается с выхода блока автосопровождения, и неуправляемая антенна будет продолжать двигаться по инерции в прежнем направлении, за целью. Если по прошествии нескольких секунд отпустить кнопку K1, антенна может опять «поймать» цель, если за это время мешающая цель удалится за пределы «поля зрения» станции.
Блок сопровождения по азимуту и углу места
состоит из двух одинаковых каналов: канала азимута и канала угла места. Каждый канал состоит из формирующего каскада, коммутатора со сглаживающим фильтром, усилителя постоянного тока, ограничителя момента вращения и схемы демпфирования.
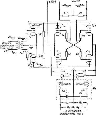
Формирующий каскад. Схема формирующего каскада вместе с коммутатором канала азимута изображена на рис. 319. Формирующий каскад служит для преобразования синусоидального опорного напряжения, поступающего с генератора опорных напряжений (ГОН), в напряжение прямоугольной формы, которое используется для отпирания и запирания ламп коммутатора.
На сетки двойного триода Л3 формирующего каскада со вторичной обмотки повышающего трансформатора Тр1
подается азимутальное опорное напряжение. Первичная обмотка трансформатора Тр1
подключена к азимутальной обмотке статора ГОН (рис. 317). Сетки лампы Л3 подключены к противоположным концам вторичной обмотки трансформатора, поэтому когда на сетке одного триода действует положительное напряжение, то на сетке другого - отрицательное, и наоборот.
Амплитуда сеточного напряжения очень большая - около 170 в.
Поэтому тот триод, на сетке которого действует отрицательное напряжение, запирается. На сетке же другого триода в это время напряжение оказывается почти равным нулю, так как в цепи сетки включено большое сопротивление (1 Мом),
на котором за счет сеточного тока получается падение почти всего приложенного напряжения. Через полпериода триоды меняются ролями: второй триод запирается, а на сетке первого триода получается напряжение, равное нулю, и он проводит ток. В результате в анодных цепях триодов создаются противофазные напряжения прямоугольной формы, которые равны 90 в, в то время как триод проводит ток, и 150 в - когда триод заперт (рис. 320).
Коммутатор представляет собой фазочувствительный выпрямитель (детектор); под действием переменных напряжений ошибки и опорного он вырабатывает постоянное управляющее напряжение, величина и полярность которого зависят от сдвига фаз между действующими напряжениями.
Коммутатор состоит из двух двойных триодов Л1 и Л2. Катоды, аноды и сетки всех четырех триодов соединены между собой попарно так, что два триода, имеющие общую анодную цепь, имеют различные сеточные и катодные цепи: триоды, имеющие общую сеточную цепь, имеют различные катодные и анодные цепи; триоды, имеющие общую цепь катода, имеют различные анодные и сеточные цепи. В цепях сеток триодов включены сопротивления по 1 Мом.
Рисунок 319
К сеткам триодов прикладывается выходное напряжение блока автосопровождения, состоящее из постоянного напряжения +75 в
и двух противофазных напряжений ошибки. В общие катодные цепи ламп включены сопротивленияR
\
иR
2
по 20 ком.
Анодные токи ламп Л1
и Л2
создают на этих сопротивлениях напряжения ик1 и ик2. Если напряжения ошибки нет, то на сопротивлениях R1 и R2 получаются одинаковые напряжения, равные 76 в.
Аноды ламп коммутатора соединены с анодами ламп формирующего каскада; поэтому напряжения на анодах триодов изменяются скачками от 90 до 150 в
с частотой опорного напряжения. Когда напряжение на аноде триода равно 90 в, а напряжение на катоде 76 в, анодное напряжение составляет всего 14 в. При таком напряжении на аноде во время отрицательного полупериода напряжения ошибки ток через лампу не проходит; во время положительного полупериода, вследствие того что в цепях сеток включены большие сопротивления,
Рисуно 320
напряжения на сетках остаются почти равными нулю и анодный ток настолько мал, что с ним можно не считаться. Будем считать, что при напряжении на аноде 90 в
лампа заперта независимо от напряжения ошибки. Когда напряжение на аноде триода равно 150 в, триод проводит ток и в то время, когда напряжение ошибки положительно и когда оно отрицательно (если амплитуда этого напряжения невелика).
Анодные токи лампы коммутатора Л1
и Л2 создают на катодных сопротивлениях R1 и R2 падения напряжений соответственно ик1
и ик2.
Пульсации этих напряжений сглаживаются фильтром Ф1.
На выходе фильтра получаются постоянные напряжения и1
и и2.
Управляющее напряжение азимута ив равно разности напряжений на выходе фильтра, т. е. ив=и1-и2. Подобным же образом получается и управляющее напряжение угла места.
Выясним, как зависят управляющие напряжения от отклонения оси антенны от цели.
Если антенна наведена на цель, то напряжение ошибки равно нулю. Триоды А и Б
каждой лампы коммутатора проводят поочередно одинаковый ток при напряжении на аноде 150 в.
На катодных сопротивлениях создаются одинаковые напряжения, и управляющие напряжения азимута и угла места равны нулю.
Пусть ось антенны отклонена от цели только по азимуту, например влево (рис. 321). В этом случае напряжение ошибки будет в фазе с опорным напряжением азимута и со сформированным из него анодным напряжением коммутатора азимута. В течение первого полупериода на анодах триодов Л1
a
и Л2a напряжения равны 150 в
(рис. 321, а)
и эти триоды проводят ток, а на анодах триодов Л1б
и Л2б напряжения равны 90 в
(рис. 321,б) и они заперты. Анодные токи ламп коммутатора и напряжения на катодах этих ламп в это время будут определяться напряжениями на сетках проводящих триодов Л1
a
и Л2a. Так как на сетке триода Л1
a
при этом действует положительное напряжение ошибки (рис. 321, в), анодный ток лампы Л1
и напряжение на катоде ик1 возрастут по сравнению с их величинами при отсутствии напряжения ошибки (рис. 321,5). Напряжение и1 на выходе фильтра тоже увеличится, скажем, до 80 в. Одновременно на сетке триода Л2
a
действует отрицательное напряжение ошибки (рис. 321, г), которое уменьшает анодный ток лампы Л2
и напряжение на катоде ик2 в результате напряжение и2 уменьшится до 72 в.
В течение следующего полупериода на анодах триодов Л1б
и Л2б
напряжения станут равными 150 в, и эти триоды будут проводить ток. В это время на сетке триода Л1б
действует положительное напряжение ошибки, а на сетке триода Л2б
-отрицательное. Анодные токи ламп Л1
и Л2
и напряжения на их катодах будут такими же, как и в предыдущем полупериоде. Следовательно, напряжение на катоде лампы Л1
все время больше напряжения на катоде лампы Л2
и напряжение и1больше и2. Управляющее напряжение ив будет положительным и равным в нашем примере ив= 80-72 =8 в
(рис. 321, ж)
Если ось антенны отклонена от цели по азимуту в противоположном направлении (вправо), то напряжение ошибки будет в противофазе с опорным напряжением азимута. Анодный ток и напряжение на катоде лампы Л1 этом случае возрастут, а анодный ток и напряжение на катоде лампы Л2
уменьшатся по сравнению с их величинами при отсутствии напряжения ошибки. Управляющее напряжение на выходе коммутатора изменит полярность и станет отрицательным.


|