| Задача 1. Ответить на вопросы, приведенные в разделе 4 «Вопросы для самопроверки» к указанным темам курса. Номер тем и вопросов взять из таблицы 13.
| Номер
варианта
(две последние цифры шифра)
|
Номера вопросов
|
| 18
|
5.3.3
|
5.4.7
|
5.4.32
|
5.7.1
|
Примечание 1 – Здесь и далее в таблицах после 20-ого варианта 1-ый считать 21-ым и т.д.
5.3.3 Привести сравнительную таблицу формул для приближенного расчета параметров разных схем однофазных выпрямителей. Указать, по каким параметрам выбираются типы вентилей.
Ответ: Однофазные выпрямители классифицируются по различным признакам: по форме выпрямленного напряжения, по схеме соединения вентилей, по мощности, по напряжению и по частоте выпрямленного тока. Кроме того, различают неуправляемые и управляемые выпрямители, а также на параметры выпрямителя существенно влияют различные типы нагрузок. В соответствии с этим, однофазные выпрямители могут быть построены по многочисленным вариантам схем.
К основным параметрам выпрямителя в первую очередь относятся выходные параметры: средние значения выпрямленного напряжения U0
, тока I0
и допустимый коэффициент пульсации kп.
Выходные параметры совместно с напряжением и частотой сети переменного тока определяют параметры основных элементов выпрямителя.
Рассмотрим варианты однополупериодного
и двухполупериодного
выпрямителей.
| 
Простейшая однополупериодная
схема выпрямителя с активной нагрузкой.
|

двухполупериодная
схема выпрямителя с нулевым выводом.
|
| Величина действующего напряжения вторичной обмотки, при напряжении на нагрузке равным напряжению на вторичной обмотке , где - амплитудное значение напряжения на вторичной обмотке. Т.к. ток протекает только в течении половины периода, получим (1)
Поскольку
можно записать
|
Величина постоянной составляющей выпрямленного напряжения в двухполупериодной схеме вдвое больше, чем в однополупериодной. На основании (1)
можно записать где - амплитудное значение напряжения на одной половине вторичной обмотки. Действующее значение напряжения во вторичной обмотке (3)
|
| Действующее значение тока вторичной обмотки с учётом протекания тока только в течении половины периода Учитывая соотношение получим (2)
Табличный интеграл даёт . Сопоставляя (1)
и (2)
запишем 
|
Если действующее значение напряжения во вторичной обмотке (3)
, тогда (4)
Для каждой из половин вторичной обмотки имеем (см. 2
) (5)
Подставив значение из (4)
в (5)
, получим для действующего значения тока вторичной обмотки 
|
| Коэффициент пульсации – отношение амплитуды переменной составляющей основной частоты к среднему значению выпрямленного напряжения: (6)
На эпюрах однополупериодного
выпрямителя видно, что напряжение на нагрузке достигает максимума один раз за период выпрямленного напряжения. Поэтому частота основной гармоники равна частоте сетевого напряжения. Для определения коэффициента пульсации (6)
нужно найти амплитуду основной гармоники , разложив в ряд несинусоидальную кривую выпрямленного напряжения Коэффициент пульсации здесь 
|
На эпюрах двухполупериодного
выпрямителя видно, что напряжение на нагрузке достигает максимума два раза за период выпрямленного напряжения. Поэтому частота основной гармоники равна удвоенной частоте напряжения. Разлагая в ряд несинусоидальную кривую выпрямленного напряжения, можно найти амплитуду основной гармоники, которая Следовательно, коэффициент пульсации здесь 
|
К вентилям предъявляются следующие основные требования:
1) минимальное сопротивление прямому току;
2) минимальный обратный ток;
3) высокая электрическая прочность, определяемая допустимой величиной обратного напряжения;
4) большой к. п. д.;
5) стабильность параметров вентиля во времени и при изменении внешних условий.
Для вентиля основными параметрами являются среднее, действующее и максимальное значение тока, а также обратное напряжение, приходящееся на вентиль. В современной нормативно-технической документации и справочной литературе предусмотрено несколько предельных значений обратных напряжений и прямых токов, как это условно показано на рисунке.
Вольт-амперная характеристика выпрямительного диода с обозначением основных параметров.
Uобр max соответствует максимально допустимому постоянному напряжению, при котором диод может находиться в течении всего срока службы.
Uобр, и, max – величина максимально допустимого импульсного (амплитудного) повторяющегося напряжения. Этот параметр важен для работы в выпрямителях.
Значение неповторяющегося импульсного обратного напряжения (Uобр, и, нп max) определяет перегрузочную способность вентиля по напряжению.
Каждое из перечисленных значений напряжения устанавливается, как правило, для всего диапазона температур, за исключением некоторых типов приборов.
Для прямого тока в зависимости от условий эксплуатации диодов указывается также несколько его значений. Максимально допустимый прямой постоянный ток (Iпр max) в основном приводится для диодов малой мощности, в настоящее время указывается максимально допустимый средний ток Iпр, ср max , что свойственно применению этих приборов в выпрямителях. Необходимо учитывать, что приводимые в справочниках средние значения токов ( Iпр, ср max ) выпрямительных диодов соответствуют их работе на активную нагрузку. В этом режиме амплитудное значение тока составляет 3,14 Iпр, ср max , а действующее его значение 1,57 Iпр, ср max. При работе диодов в выпрямителях на активно-емкостную нагрузку амплитудное и действующее значения тока могут значительно превышать их нормированное значение, чем при активной нагрузке.
При разработке выпрямителей следует учитывать ток перегрузки вентилей: Iпрг max – максимально допустимый ток перегрузки и Iпр, уд max – ударный ток. Ток перегрузки характерен начальному включению диодов выпрямителя на емкостную нагрузку, когда емкость фильтра выпрямителя не заряжена. Допустимые значения Iпрг max и Iпр, уд max зависят от длительности импульса перегрузки (tи), времени прохождения импульсов (tпер) и температуры.
При выборе типов приборов необходимо учитывать изменение вольт-амперной характеристики при изменении температуры корпуса вентиля и частоты переменного напряжения, при которых они будут работать.
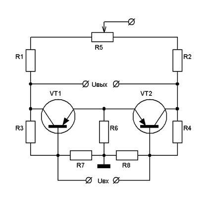
5.4.7 Привести схему и объяснить принцип работы параллельно-балансного (дифференциального) каскада усилителя постоянного тока (УПТ).
Балансная схема усилителя постоянного тока с параллельным соединением транзисторов.
В системах автоматики и в измерительной технике применяют усиление постоянного или медленно меняющегося напряжения. Для этой цели используются усилители постоянного тока (УПТ).
Связь между каскадами УПТ должна быть непосредственной (гальванической), так как ни переходной конденсатор, ни трансформатор не пропускают постоянный или медленно меняющийся ток Рассмотрим выше приведённую схему.
В основе схемы параллельно-балансного УПТ лежит сбалансированный мост постоянного тока, в котором диагонали «развязаны» друг от друга и изменение напряжения или тока в одной из них не влияет на напряжение и ток в другой.
Плечи моста составляют идентичные транзисторы VT1 и VT2 и резисторы R1 и R2. В одну из диагоналей включен источник питания (между движком переменного резистора R5 и корпусом), а с другой снимается выходное напряжение (между коллекторами транзисторов). Резистор R5 включается для точной балансировки (установки нуля) моста. Когда мост сбалансирован, а схема абсолютно симметрична, любое одновременное изменение коллекторного напряжения обоих транзисторов не вызывает появления напряжения на выходных клеммах напряжения. На сопротивлении резистора R6 в общей эмиттерной цепи создаётся напряжение смещения, которое поступает на базы транзисторов через сопротивления утечки (резисторы R7 и R8).
На практике транзисторные УПТ выполняются только по балансным схемам с общим стабилизирующим элементом (резистор R6) в цепи эмиттера. Кремниевые транзисторы лучше подходят для этой цели, так как их характеристики меньше зависят от температуры. Кроме того, необходимо тщательно подбирать транзисторы попарно с близкими температурными характеристиками.
5.4.32 Рассчитать общий коэффициент усиления трехкаскадного усилителя, если K1
=60; K2
=40; K3
=40. Ответ: Kобщ
=96000; KU
(дБ)
=99,65 дБ.
Для многокаскадных усилителей общий коэффициент усиления равен произведению коэффициентов усиления всех отдельных каскадов, поскольку выходной сигнал предыдущего каскада является входным для последующего:
Kобщ
= K1
K2
... Kn
= Uвх
2
/Uвх
1
· Uвх
3
/Uвх
2
... Uвых
n
/Uвх
n
= Uвых
/Uвх
. Следовательно Kобщ
= 60·40·40 = 96000 (в относительных единицах).
На практике чаще значение коэффициент усиления записывается в логарифмических единицах – децибелах:
KU (
дБ
)
= 20lg Uвых
/Uвх
. Таким образом, KU
(дБ)
= 20·lg96000 = 99,65 дБ.
5.7.1 Приведите определение полупроводниковых, пленочных, гибридных и совмещенных ИС.
По технологии изготовления интегральные схемы (ИС) делятся на полупроводниковые и гибридные. В свою очередь каждый из этих больших классов имеет свои подразделения по технологическим принципам изготовления.
Интегральную микросхему (ИС) или сборку можно получить либо в пластине твердого материала, либо на ее поверхности. В первом случае в теле полупроводникового материала создают слои резисторов, структуры транзисторов, диодов и конденсаторов, несущие заданные электронные функции. Такие ИС называются полупроводниковыми
.
Полупроводниковые ИС представляют собой законченные электронные устройства в виде единого блока (пластинки) из кремния (Si), германия (Ge) и других материалов, на котором методами полупроводниковой технологии (преимущественно планарной) образованы зоны, выполняющие функции активных и пассивных элементов (диодов, транзисторов, резисторов, конденсаторов и т. д. Элементы полупроводниковых (твёрдых, монолитных) ИС формируются в объёме и (или) на поверхность полупроводникового материала (подложки). Полупроводниковые ИС в зависимости от применяемых активных элементов подразделяют на микросхемы на основе обычных (биполярных) и униполярных структур (в частности, МОП-транзисторов). В зависимости от технологических методов изоляции элементов они делятся на микросхемы с изоляцией диффузионными p-n переходами и микросхемы с изоляцией диэлектриком.
Элементы гибридной
ИС выполняются в виде пленок, наносимых на поверхность диэлектрического материала (подложки), а некоторые из них имеют самостоятельное конструктивное оформление и крепятся к поверхности подложки. Гибридные ИС в зависимости от толщины пленок и методов их нанесения на поверхность диэлектрической подложки делят на тонкоплёночные и толстоплёночные, а в зависимости от технологии изготовления бескорпусных активных элементов – на микросхемы с гибкими и с жесткими выводами.
Все элементы плёночной
интегральной схемы (кроме активных) наносят на диэлектрическую пластину (подложку) в виде поликристаллических или аморфных слоев (пленок), выполняющих заданные функции пассивных элементов. Полученную ИС при необходимости помещают в корпус с внешними выводами. Активные элементы (диоды и транзисторы) навешивают на пленочную схему, в результате чего получают смешанную (пленочно-дискретную), или совмещённую
ИС, которую и называют гибридной. Гибридная ИС (ГИС) — это гибкий, дешевый, оперативно проектируемый тип ИС, хорошо приспособленный к решению специальных частных задач. Спецификой ГИС могут быть либо высокие номиналы резисторов и конденсаторов, недостижимые в полупроводниковых ИС, либо прецизионность резисторов, обусловленная тем, что их номиналы можно подгонять до завершения технологического цикла и помещения ГИС в корпус, либо, наконец, повышенная функциональная сложность.
7.2 Задача 2
7.2.1 Провести графоаналитическое исследование режима работы в классе А и определить основные параметры транзисторного усилительного каскада в схеме с общим эмиттером, с одним источником питания Ек
и с эмиттерной стабилизацией рабочего режима, т.е. с последовательной отрицательной обратной связью по постоянной составляющей эмиттерного тока, проходящего через RЭ
(см. рисунок 2 и рисунки 3 и 4). Вариант для выполнения задания взять из таблицы 14. Некоторые предельно допустимые параметры рекомендуемых транзисторов можно взять в приложении А или из справочника. Семейство статических входных и выходных вольт-амперных характеристик можно взять из приложения Б или из справочника.
Таблица 14 – К задаче 2 контрольной работы №1
| Номер варианта (по предпоследней цифре шифра)
|
Параметры
|
| Um
вх
|
Um
вых
|
Rн
|
Fн
Fв
|
Мв
= Мн
|
to
окр
|
Ек
|
| мВ
|
В
|
кОм
|
кГц
|
-
|
о
С
|
В
|
| 5
|
70
|
3,7
|
1
|
0,5 20
|
1,18
|
+ 34о
|
24
|
Примечание – В таблице 14 приведены следующие параметры для расчета усилителя:
Um
вх
, мВ – амплитудное значение усиливаемого напряжения;
Um
вых
, В – амплитудное значение напряжения на выходе усилителя;
R
н
,кОм –сопротивление в цепи нагрузки усилителя;
F
н
F
в
,кГц – диапазон усиливаемых частот;
Мв
= Мн
= 1,18 – коэффициент частотных искажений;
to
окр
,о
С – рабочая температура усилителя;
Ек, В – напряжение источника постоянного тока в цепи коллектора.

Рисунок 2 – Схема транзисторного усилительного каскада с эмиттерной стабилизацией рабочего режима
8.2.2.1 Выбрать тип транзистора. Для этого вычислить:
1) – коэффициент передачи тока в схеме ОЭ по формуле:

где – входное сопротивление транзистора, включенного по схеме ОЭ (это параметр , который первоначально можно задать в пределах от 200 Ом до 1кОм);

2) – требуемый коэффициент усиления по напряжению.

3) – требуемую предельную частоту коэффициента передачи тока транзистора по формуле

.
где – верхняя граничная частота по условию задачи, кГц
– коэффициент частотных искажений верхней частоте по условию задачи.
5) По справочнику выбираем наиболее подходящий тип транзистора, у которого параметры и больше или равны значениям, полученным по формулам. Транзистор КТ3102А (аналог 2N3709) вполне подходит. Максимально допустимое значение напряжение этого транзистора больше напряжения источника постоянного тока:

6) Выписываем из справочника следующие параметры выбранного транзистора: - 100…250, - 100 МГц, - 50 В, - 0,1 А, - 0,25 Вт.
2. Произведём выбор режима работы транзистора по постоянному току:
1) Находим амплитуду тока коллектора.
,
где .
Зададим = (3 5) =3000 (в дальнейшем уточняем).
2) Находим постоянную составляющую тока коллектора.
,
где = (0,95 ÷ 0,7) – коэффициент запаса.
3) Рассчитываем значение по формуле
,
где = (1 2 ) В – область нелинейных значений.
4) Графо-аналитическим методом на семействе выходных статистических характеристик строим кривую допустимой мощности, рассеиваемой транзистором . Ниже этой кривой через точки и точку П с координатами провести нагрузочную прямую . Точка пересечения нагрузочной прямой с осью даёт значение тока коллектора в режиме короткого замыкания (КЗ).
5) По графику определяем величины:
– ток базы покоя;
– напряжение база-эмиттер покоя;
и рассчитываем ток эмиттера покоя
,
6) Графо-аналитическим методом определяем h-параметры транзистора в точке покоя (т.П):
– выходное сопротивление транзистора по схеме ОЭ по формуле
при
– коэффициент передачи тока базы транзистора по схеме ОЭ по формуле
при
и в дальнейшем при расчётах используем эти значения.
7) Рассчитываем мощность, рассеиваемую на коллекторе транзистора в точке покоя по формуле
Она меньше, чем мощность , рассеваемая при рабочей температуре, которая рассчитывается по формуле
,
где – максимальная температура, при которой может работать транзистор (справочная величина);
– температура, при которой работает усилитель (таблица 14).
8.2.2.3 Произведём расчет каскада по переменному току:
1) Определить общее сопротивление коллекторной цепи постоянному току
Общее сопротивление коллекторной цепи состоит из резистора в цепи коллектора и сопротивления в цепи эмиттера .
Резистор обеспечивает отрицательную местную обратную связь (ООС) в каскаде. ООС делает каскад термостабильным, т.е. уменьшает зависимость параметров каскада от изменения температуры окружающей среды.
Введение ООС данного типа увеличивает входное сопротивление каскада.
2) Найдём сопротивление , обеспечивающее ООС в каскаде, по формуле
где – коэффициент передачи цепи ОС;
– требуемый коэффициент усиления по напряжению;
– коэффициент усиления каскада без ООС.
3) Уточнить сопротивление в цепи коллектора по формуле
8.2.2.4 Определить сопротивление базового делителя R
б1
и R
б2
. Задаемся током делителя I
делит
≈ (2 ÷ 5) I
б п
.
Тогда 
8.2.2.5. Найти величину эквивалентного сопротивления базовой цепи переменной составляющей входного тока Rб
по формуле


8.2.2.6. Определить величину входного и выходного сопротивления каскада по формуле
8.2.2.7 Определить емкости разделительных конденсаторов Ср1
, Ср2
и емкость шунтирующего конденсатора в цепи эмиттера Сэ
по формулам

8.2.2.8 Определить выходную мощность каскада по формуле
8.2.2.9 Определить полную мощность, расходуемую источником питания по формуле
8.2.2.10 Определить коэффициент полезного действия каскада по формуле

Точность расчётов подтверждается проверкой работоспособности схемы на эмуляторе “Electronics Workbench”. Амплитуда выходного напряжения практически не изменялась от частоты входного сигнала во всём заданном диапазоне.

Литература:
1) Промышленная электроника, А. К. Криштафович,М. « Высшая школа», 1976г.
2) Справочник по полупроводниковым диодам, транзисторам и интегральным микросхемам / Горюнов Н. Н., Клейман А. Ю., Комков Н. Н. и др.; - М.: Энергия, 1979г.
3) В помощь радиолюбителю: Сборник. Вып. 111/В80 Сост. И. Н. Алексеева.- М.: Патриот, 1991.
|