| Министерство образования и науки Украины
Запорожский национальный технический университет
Кафедра защиты информации
ПОЯСНИТЕЛЬНАЯ ЗАПИСКА
К КУРСОВОМУ ПРОЕКТУ ПО ДИСЦИПЛИНЕ
ФИЗИКО-ТЕХНИЧЕСКИЕ МЕТОДЫ ЗАЩИТЫ ИНФОРМАЦИИ
Сетевые фильтры электропитания
Выполнила:
Cт. гр. РП-815
Видишева А.И.
Руководитель:
Дмитренко В.П.
2009
РЕФЕРАТ
ПЗ: 29 с., 9 рисунков, 8 источников.
Обьект исследования – сетевые фильтры электропитания.
Цель работы – углубление знаний по вопросам современых методов построения сетевых фильтров, детальное рассмотрение техники защита от намеренного силового воздействия (НСВ) по цепям питания.
Сетевой фильтр необходим для достаточно дорогостоящих устройств, постоянно включенных в электрическую сеть, таких, как: холодильник, СВЧ-печь, теле-радиоаппаратура с дистанционным управлением, факсы, компьютеры и др., которые чувствительны к перенапряжениям в сети и помехам. Осветительные лампы, нагревательные приборы и некоторые пылесосы менее требовательны к качеству электропитания, и для них сетевой фильтр можно использовать в качестве удлинителя-разветвителя электропитания.
Техногенные помехи, дроссели, резисторы, kонденсаторы, паразитная индуктивность, варисторы, фильтры электропитания, тепловой предохранитель, колебательный контур, монтаж электроснабжения, сети питания, внешние импульсные помехи
СОДЕРЖАНИЕ
Реферат...……..…………………………………………………………................2
Введение.………………….………..…………………………………………......4
1 Oсновные параметры фильтров-удлинителей...………….……………….......6
2 Основные параметры Фильтров кондуктивных электромагнитных и синфазных помех………………………………………………………..………..8
3 Основные параметры сетевых фильтров. Варисторы....…….…….….……..13
4 Защита от намеренного силового воздействия (НСВ) по цепям питания. Использование сетевых фильтров......………….……………………………...19
Выводы...……………………………………….............………………………..27
Список литературы…….…………………………………………………….….28
Введение
Сетевой фильтр необходим для достаточно дорогостоящих устройств, постоянно включенных в электрическую сеть, таких, как: холодильник, СВЧ-печь, теле-радиоаппаратура с дистанционным управлением, факсы, компьютеры и др., которые чувствительны к перенапряжениям в сети и помехам. Осветительные лампы, нагревательные приборы и некоторые пылесосы менее требовательны к качеству электропитания, и для них сетевой фильтр можно использовать в качестве удлинителя-разветвителя электропитания.
Импульсы, возникающие в результате подключения (отключения) большого количества потребителей, работа промышленного оборудования и городского электротранспорта, световая реклама, аварии на подстанциях, выбросы тока – это техногенные помехи. Природные помехи: грозовые разряды и удары молнии вблизи кабелей наружной электросети и линий электропередач. Постоянное воздействие электромагнитных импульсов может привести как к полному выходу аппаратуры из строя, так и к потере накопленной информации. Первым уровнем защиты и являются сетевые фильтры.
Сетевой фильтр способен предотвратить частые ретрейны и обрывы связи связанные с незначительным присутствием высокочастотных помех в сети питания модема или факса в связи, с чем повысить производительность передачи данных, которая так необходима при междугородних звонках.
Причиной помех телевидению во многих случаях является недостаточная высокочастотная развязка выходящих из передатчика проводов и особенно провода сетевого питания. Высокочастотная энергия передатчика, попадая в питающую сеть, подводится через провода этой сети к телевизорам и радиоприемникам, включенным в нее, а также излучается в пространство. Для высокочастотной развязки проводов, выходящих наружу от передатчика, применяют дроссели, резисторы и конденсаторы, образующие цепи, шунтирующие на землю высокочастотные сигналы в проводах или образующие заградительные фильтры для высоких частот. В зависимости от номиналов применяемых деталей и частоты сигнала уровень ослабления меняется. Существенно улучшает развязку на высоких частотах применение проходных конденсаторов вместо обычных или конденсаторов опорного типа, поскольку у проходных конденсаторов паразитная индуктивность сведена к минимуму. При выборе типа проходного конденсатора необходимо учитывать допустимый ток, пропускаемый внутренним проводом конденсатора.
Хорошую блокировку проводов по высокой частоте можно обеспечить, если поместить их в заземленный экран. Экран создает распределенную емкость вдоль провода и таким образом шунтирует провод на высокой частоте по всей длине, Увеличить сопротивление провода на высокой частоте можно путем увеличения его погонной индуктивности. Для этого на провод одевают ферритовые кольца соответствующего типоразмера с магнитной проницаемостью порядка нескольких сот. Если требуется локально увеличить индуктивность провода, его несколько раз продевают сквозь ферритовое кольцо, образуя таким образом тороидальную катушку с необходимой индуктивностью. Осуществляя развязку сетевого провода передатчика, следует помнить, что ток в нем может быть значительной величины. Это накладывает дополнительные требования к катушкам фильтра, индуктивность которых не должна существенно изменяться под действием тока. В противном случае характеристики фильтра будут меняться в зависимости от нагрузки. Это относится к катушкам с сердечниками из магнитных материалов. Для исключения влияния тока подмагничивания катушку наматывают в два провода, в результате чего магнитное поле тока компенсируется.
Но все эти меры защиты являются далеко не идеальными и для того чтобы получить почти идеальное напряжение питания необходимо использовать специальное устройство сетевой фильтр.
1
O
сновные параметры фильтров-удлинителей
Сечение жилы подводящего сетевого провода.
По проектным нормам допускаемая длительная токовая нагрузка в переносных шланговых трёхжильных кабелях при сечении жилы 0,75мм.кв.-14А, 1мм.кв.-16А.
Длина подводящего сетевого провода.
Обычная длина - 1,8 метра. Принято считать наиболее удобной длинну 1,9 метра и 3,1метра.
Величина тока срабатывания теплового предохранителя.
По ТУ на всех фильтрах- удлинителях декларируется максимальный ток 10 А. Величина тока срабатывания предохранителя зависит от величины перегрузки по току и времени воздействия, и часто 10 А предохранитель имеет ток срабатывания 12–16 А.
Количество предохранителей, их тип.
Для большей надёжности некоторые производители, кроме теплового предохранителя в цепи фазы, ставят в цепь фазы предохранитель на основе металлоорганических полупроводников, а в цепь нейтрали плавкий предохранитель.
Степень варисторной защиты.
Она определяется рассеиваемой энергией варисторов, при которой они не разрушаются. В спецификации большинство производителей указывают суммарную энергию разрушения всех варисторов, что неправильно. Оценить энергию варисторов можно по их ТУ или ориентировочно по их размеру, либо по декларируемой энергии на удлинитель и количеству варисторов. Энергия, поглощаемая варисторами, зависит от его геометрических размеров, рабочего напряжения, длительности воздействия импульса. Наиболее широко распространены варисторы, диаметр которых равен 8,10,14,18 мм. При рабочем среднеквадратичном напряжении (СКН) 275 В их энергия соотносится как 12,36,63,104 Дж. Если выбрать рабочее СКН, например,320 В для тех же условий, то энергия изменится до15,44,77,120Дж Длительность воздействия импульса принимается 1000 мксек при фронте 10 мксек.
Дополнительные устройства в цепях защиты.
Предохранители служат для исключения перегорания варисторов при перегрузке. Индикация исправности защиты (светодиод). Если предохранители или провода в цепи варисторов сгорели – светодиод не горит.
Газовые разрядники служат для увеличения степени варисторной защиты. Этот элемент повышает энергию разрушения варисторов фаза-земля, нейтраль-земля, при ударе молнии в фазу и нейтраль, так как в начале срабатывает газовый разрядник, а затем варистор.
Емкостные фильтры.
Емкостные фильтры служат для подавления помех с помощью шунтирования. Чем больше ёмкость фильтрующих конденсаторов (до определённого предела), тем лучше.
Индуктивные фильтры.
Индуктивные фильтры служат для подавления помех последовательным способом (включением большого сопротивления). Основные требования к проводу, как и для сетевого шнура, т.е. плотность тока через провод должна быть менее чем 10А/кв.мм., чем больше размер катушки, тем больше индуктивность, тем лучше. Наличие феррита улучшает свойства индуктивности. Тороидальные ферритовые сердечники предпочтительнее линейных, хотя и более трудоёмкие в изготовлении.
Индикатор правильности подключения фазы.
Это устройство позволяет использовать однополюсный выключатель в фазной цепи. Если используется двухполюсный выключатель тогда особого смысла в этом устройстве нет. Кроме того, это устройство требует трёхконтактную сетевую розетку, а в нашей стране большинство розеток двухконтактные.
Укладчик кабелей, вешалка.
Стоимость накладывает ограничения на наличие укладчика кабелей. Вешалка выполняется в виде отверстий в корпусе.
Розетки. Обычно от 4 до 6.
Традиционно 5 – все евророзетки. Ориентироваться на старый "советский" стандарт бессмысленно, т.к. новые устройcтва с такими вилками не выпускаются.
Выходной фильтр
Выходной фильтр служит фильтром электромагнитных помех и предотвращению их попадания в нагрузку.
Чем хуже характеристики конденсатора входного фильтра, тем больше блок из силовой линии будет забирать энергию ВЧ тока, что приведет к возникновению кондуктивных синфазных электромагнитных помех.
Вторым основным источником шума является контур, который состоит из выходных диодов, конденсатора выходного фильтра и вторичных обмоток трансформатора. Между этими компонентами протекают трапецеидальной формы токи большой амплитуды. Конденсатор выходного фильтра и выпрямитель необходимо размещать как можно ближе к трансформатору; для минимализации излучаемого тока. Этот источник также создает синфазные кондуктивные помехи, главным образом, на выходных каскадах источника питания.
2 Основные параметры Фильтров кондуктивных электромагнитных и синфазных помех
Существует два типа входных силовых шин. Силовые шины постоянного тока – это однопроводные силовые соединения, второе плечо питания которых формирует заземление. Другим типом входного соединения является двух или трехпроводная система питания от сети переменного тока. Проектирование фильтра электромагнитных (далее ЭМ) помех для систем постоянного тока осуществляется в основном в виде простого LC-фильтра. Все помехи между одним силовым проводом и соединением через “землю” называются синфазными. Фильтр постоянного тока, значительно более сложный, поскольку учитывает паразитарные характеристики компонентов.
Входной фильтр кондуктивных ЭМ помех предназначен для удержания ВЧ кондуктивного шума в середине корпуса. Фильтрация линий входа/выхода также важна для защиты от шума внутренних схем (например микропроцессоров, АЦП, ЦАП).
Проектирование фильтра синфазных помех.
Фильтр синфазных помех фильтрует шум, который создается между двумя линиями питания (H1 и H2). Схема такого фильтра приведена ниже на рис.2.1

Рисунок 2.1 - Схема фильтр синфазных помех
В фильтре синфазных помех обмотки катушки индуктивности находятся в фазе, но переменный ток, который протекает через эти обмотки – в противофазе. В итоге, для тех сигналов, которые совпадают или противоположны по фазе на двух линиях электропитания, синфазный поток внутри сердечника уравновешивается.
Проблема проектирования фильтра синфазных помех заключается в том, что при высоких частотах (когда собственно и нужная фильтрация) идеальные характеристики компонентов искажаются через паразитарные элементы. Основным паразитарным элементом является межвитковая емкость самого дросселя. Это небольшая емкость, которая существует между всеми обмотками, где разница напряжений (В/виток) между витками ведет себя подобно конденсатору. Этот конденсатор при высокой частоте действует как шунт вокруг обмотки и позволяет ВЧ переменному току протекать в обход обмоток. Частота, при которой это явление является проблемой, выше частоты авторезонанса обмотки.
Между индуктивностью самой обмотки и этой распределенной межвитковою емкостью формируется колебательный контур. Выше точки авто резонанса влияние емкости становится большим от влияния индуктивности, что снижает уровень затухания при высоких частотах.
Частотная характеристика фильтра изображена на рис. 2.2.


Рисунок 2.2 - Частотная характеристика фильтра
Этот эффект можно уменьшить, использовав Cx большей емкости. Частота авторезонанса является той точкой, в которой проявляется возможность наибольшего затухания для фильтра. Таким образом, путем выбора метода намотки обмоток индуктивности, можно разместить эту точку поверх частоты, которая нужна для наилучшей фильтрации.
Чтобы начать процесс проектирования необходимо измерить спектр не фильтрованного кондуктивного шума или принять по отношению к нему некоторые предположения. Это необходимо для того, чтобы знать, каким должно быть затухание и на каких частотах.
Примем, что нам необходимо 24дБ затухания на частоте переключения преобразователя напряжения.
Определим частоту среза характеристики фильтра:
,
де Gζ – затухания;
,
где: fc – желаемая частота среза характеристики фильтра, fsw- рабочая частота преобразователя напряжения. В нашем случае fsw=100кГц, затухание Gζ= -24дБ.
Выбор коэффициента затухания
Минимальный коэффициент затухания (ζ) не должен быть менее 0,707. Меньшее значение приведет к “резонансу” и не даст меньшее 3дБ затухания на частоте среза характеристики.
Расчет начальных значений компонентов
 ,
где: ζ – коэффициент затухания, ζ=0,707, RL =50 Ом - импеданс линии,
;
Принимаем С≈0,1мкФ 400В.
Принимаем Сх=0,22мкФ 400В. Данные конденсаторы размещены между линиями электропитания и должны выдерживать напряжение 250 В и скачки напряжения.
Величину Су – конденсаторов, которые размещены между каждой фазой и “землей”, и должны выдерживать высокие напряжения ≈2500 В выбирают на несколько порядков меньше Су чем Сх. Это связано с тем, что наибольшая емкость конденсатора, доступная при номинальном напряжении 4 кВ, составляет 0,01 мкФ. Принимаем Су=2,2 нФ.
Поскольку суммарная емкость выбранных конденсаторов больше рассчитанной, то можно допустить, что фильтр будет обеспечивать минимум — 60 дБ затухания при частотах в диапазоне от 500 кГц до 10 Мгц.
Расчетная схема фильтра подходит как для входной, так и для выходной цепи:

Рисунок 2.3 – Схема фильтра расчетная
Входной фильтр электромагнитных помех.
L5=L=450 мкГн
С55=С58=Сх=0,22 мкФ 400 В
С54=С56=Су=3,3 нФ 3 кВ.
Выходной фильтр электромагнитных помех.
L6=L=450 мкГн
С54=С56=Су=3,3 нФ 3 кВ.
С57=С59=Сх=0,22 мкФ 400 В
Обоснование выбора элементов схемы
Источник бесперебойного питания должен обеспечивать круглосуточную работу любого устройства, которое подключено к нему, с сохранением выходных параметров, поэтому к нему выдвигаются жесткие требования, как к конструкции, так и к выбору элементов схемы.
Условно элементы схемы можно разделить на элементы общего применения и специальные.
Элементы общего применения являются изделиями массового производства, поэтому они достаточно широко стандартизированы. Стандартами и нормами установлены технико-экономические и качественные показатели, параметры и размеры элементов. Такие элементы называют типовыми. Выбор типовых элементов проводится по параметрам и характеристикам, которые описывают их свойства, как при нормальных условиях эксплуатации, так и при разных влияниях (климатических, механических и др.).
Основными электрическими параметрами является: номинальное значение величины, характерной для данного элемента (сопротивление резисторов, емкость конденсаторов, индуктивность катушек и т. д.) и границы допустимых отклонений; параметры, которые характеризуют электрическую прочность и способность долгосрочно выдерживать электрическую нагрузку; параметры, которые характеризуют потери, стабильность и надежность.
Основными требованиями, которыми нужно руководствоваться при проектировании радиоэлектронной аппаратуры, являются требования по наименьшей стоимости изделия, его высокой надежности и минимальным малогабаритным показателям. Кроме того, при проектировании важно увеличивать коэффициент повторяемости электрорадиоэлементов. Исходя из перечисленных выше критериев сделаем выбор элементной базы проектируемого устройства.
3 Основные параметры сетевых фильтров.
Варисторы
При выбросе напряжения в сети амплитудой более чем 380 вольт срабатывают варисторы, ограничивая это напряжение. Варистором называют полупроводниковый резистор, основное свойство которого заключается в способности изменять свое сопротивление при изменении приложенного к нему электрического напряжения.
Первоначально варисторы использовали в качестве высоковольтных разрядников, для защиты электрооборудования в высоковольтных пиниях электропередач. Для изготовления варисторов используют порошок, состоящий из кристаллов карбида кремния, скрепленный связующим веществом.
Нелинейность вольт-амперной характеристики варистора связана с процессами, происходящими, на контактах и поверхности кристаллов при протекании тока. Кристаллы имеют разнообразную форму. При малом приложенном напряжении ток протекает через участки соприкосновения кристаллов. С возрастанием напряжения пропорционально увеличивается ток через эти участки и начинает протекать ток через участки с малыми зазорами между кристаллами. Чем выше напряжение; тем с большими зазорами между кристаллами подключаются участки. Новые проводящие цепочки включаются параллельно. В результате эффективное сечение, по которому протекает ток, возрастает, сопротивление уменьшается. Электропроводность такой структуры связана с несколькими механизмами: с замыканием кристаллов карбида кремния, с пробоем оксидных поверхностных пленок на кристаллах и с нагревом контактирующих точек между кристаллами.
Работу варистора в статическом режиме характеризует номинальное сопротивление Rc при определенном значении приложенного напряжения Ux.
Динамический режим работы варистора определяет дифференциальное сопротивление при том же значении приложенного напряжения
Rд
=dU/dI
Важным параметром варисторов является коэффициент нелинейности, определяемый по отношению статического сопротивления к дифференциальному для одной и той же точки вольтамперной характеристики:
β = Rc
/Rд
=U/I • dI/dU
Коэффициент нелинейности может быть определен путем измерения значений токов I1
и I2
протекающих через варистор при двух известных значениях напряжений U1
и U2
:
Β = lg • I 2
/I1
/ lg • U2
/U1
= lgI2
-lgI1
/lgU2
- lgU1
Одним из основных параметров варистора является классификационное напряжение, которое измеряют при заданном классификационном значении тока. Коэффициент нелинейности устанавливается обычно для каждого значения классификационного напряжения.
На практике более удобно пользоваться температурным: коэффициентом, тока TKI — относительным изменением тока варистора при изменении температуры окружающей среды и при неизменном, приложенном, напряжении:
TK I = 1/I • dl/dT
Внешний вид варисторов различных типов - показан на рис.3.1 Наибольшее применение получили варисторы в форме дисков, шайб и стержней.

Рисунок 3.1 – Конструктивное оформление варисторов
Рисунок 3.2 – Управляемые варисторы
Обозначение варисторов состоит: из сокращенного наименования . прибора СН (сопротивление нелинейное); первая цифра означает материал (1 — карбид кремния);. вторая цифра — конструкцию (1 — стержневые, 2 — дисковые); третья цифра - габарит токопроводящего элемента; далее указывается классификационное напряжение и величина его отклонения. А- варисторы стержневого типа, Б- дискового типа. Например, СН1-2-1-56+10%. Можно получить управляемые варисторы. Для этого создают два управляющих электрода. При включении варистора в цепь поле, создаваемое управляющим электродом.
На рис. 3.2. показаны вольтамперные характеристики управляемого варистора при различных напряжениях. Управляемые варисторы используют для решения различных задач. Оригинально применение их при переменном управляющем напряжении и постоянном рабочем и наоборот. Наиболее широко применяют вариаторы в электротехнике и электронике. С помощью варисторов защищают высоковольтные линии: и линии связи от атмосферных перенапряжений, приборы и, элементы аппаратуры от перегрузок по напряжению, а также защищают контакты от разрушения.
Рисунок 3.3 – Схемы включения варисторов для защиты контактов
На рис. 3.3 приведены схемы включения варисторов для защиты контактов.
Реле, контакты которых защищены от перенапряжении, выдерживают значительно большее число срабатываний. В отличие от RC-цепочек варистор не запасает энергию. Энергия, запасенная в конденсаторе, способна вызвать разряд большой мощности при случайном замыкании контактов конденсатора.
Варисторы применяются также для регулирования. Примером может служить нелинейный четырехполюсник.
При увеличении управляющего напряжения токи через варисторы увеличиваются, а нелинейность характеристики уменьшается и при определенном напряжении характеристика становится линейной. В цепях с переменным напряжением нелинейный четырехполюсник может выполнять функции преобразователя частоты, модулятора, фазочувствительного детектора.
Если энергия импульса перенапряжения больше энергии, рассеиваемой варисторами, то варисторы разрушаются, защищая подключенную аппаратуру, при этом дополнительно может срабатывать предохранитель. Если на сетевое напряжение накладываются высокочастотные помехи – их ослабляет фильтр. Если в подключенной аппаратуре произошло короткое замыкание, предохранитель отключает нагрузку от сети. Для восстановления работоспособности фильтра-удлинителя после короткого замыкания необходимо заменить предохранитель.
Сетевой фильтр обладает следующими характеристиками:
· Номинальное входное напряжение - одна фаза, 230 В переменного тока;
· Номинальное входное напряжение - 50Гц;
· Максимальная нагрузка - 2000Вт;
· Номинальное выходное напряжение - 230 В переменного тока, ±5%;
· Защита от помех - Постоянное подавление электромагнитных и эфирных помех, от 100кГц до 10МГц;
· Затухание ВЧ помехи - F > 100 кГц более 70 дБ, F > 1 МГц не измерить;
· Условия эксплуатации - от 0 до 40°C (32-104°F); относительная влажность от 0 до 95%, без конденсации.
Сетевой фильтр состоит из параллельного и последовательного ограничителей уровня помех (интегратора) и заградительных фильтров на входе и на выходе с использованием дросселей. Это обеспечивает высокоэффективную защиту Hi-Fi и Hi-End аппаратуры от помех как производственного, так и бытового характера.
Существует целый класс сетевых фильтров, у которых заземляющий провод не имеет никаких контактов с внутренней схемой, кроме самих евророзеток. Этим достигается очень важное преимущество — при работе от сети с заземлением все розетки фильтра заземлены. Но и в случае отсутствия «земли» в розетке все розетки фильтра объединены между собой по заземляющему контакту. Представим схему подключения различной периферии к компьютеру — типичный случай для подключения принтера, сканера, внешнего звукового усилителя или телевизора для просмотра видео на большом экране. Итак, схема выглядит следующим образом.

Рисунок 3.4 - Схему подключения периферии к компьютеру
Это «идеальная» схема подключения периферии — здесь все подключено к заземленной сети питания, потенциалы (напряжения) корпусов устройств одинаковые — они равны 0, поскольку подключены к «земле». Представим схему соединений в случае использования сети без заземления. Она будет намного проще.

Рисунок 3.5 – Схема соединений в случае использования сети без заземления
При разности потенциалов компьютера и внешнего устройства единственной связью потенциалов корпусов устройств является слаботочный интерфейсный кабель (а точнее его экранирующая оплетка). Это опасная ситуация, поскольку сквозные токи, текущие от большего потенциала к меньшему, могут «легко» выжечь входные и выходные порты соединенных устройств.
Даже при отсутствии связи с реальной «землей» электрические потенциалы всех устройств выровнены, поскольку их корпуса надежно соединены между собой. В этом случае сквозные токи выберут себе более легкий путь через заземляющие контакты евророзеток, и ничего страшного не произойдет.
4 Защита от намеренного силового воздействия (НСВ) по цепям питания. Использование сетевых фильтров
ПЭВМ или другое электронное оборудование автоматизированных систем (АС) имеет два пути значимых для проникновения энергии НСВ по сети питания: кондуктивный путь через источник вторичного электропитания и наводки через паразитные емкостные и индуктивные связи, как внутренние, так и между совместно проложенными кабелями и информационными линиями связи. Для обеспечения безопасности АС от НСВ по цепям питания необходимо реализовать определенные мероприятия организационного и технического характера. Детализация этих мероприятий в большинстве случаев требует привязки к конкретному объекту. Основными принципами защиты от НСВ по цепям питания являются следующие.
1. С привлечением квалифицированных специалистов-электриков необходимо проанализировать схему электроснабжения объекта для выявления возможных каналов для нападения на объект по цепям питания.
2. Схема электроснабжения объекта должна быть разделена на зоны, в которых можно организовать те или иные мероприятия по защите.
3. На все фидеры, которые выходят за пределы зон, должны быть установлены групповые устройства защиты от НСВ. Места для их установки выбираются в зонах защиты информации. Индивидуальная защита должна быть установлена, по меньшей мере, на сеть питания серверов, систем охраны и управления объекта.
4. При монтаже на объекте выделенной сети питания для АС необходимо розетки, щитки питания и прочее оборудование размещать в помещениях с оборудованием АС и в помещениях, находящихся под контролем. Не рекомендуется установка розеток и других устройств выделенной сети, к которым могут быть подключены ТС НСВ, в помещениях для отдыха, раздевалках, складах, буфетах и других слабо контролируемых помещениях. Соответствующими документами должно быть запрещено использование розеток выделенной сети питания для подключения пылесосов и другой бытовой техники, поскольку в такую технику могут встраиваться ТС НСВ.
5. После завершения монтажа электроснабжения снимается своеобразный “портрет” сети с помощью анализатора неоднородности линии. При последующем систематическом контроле сети электроснабжения с помощью анализатора и сравнения результатов текущих измерений с “портретом” сети можно будет выявить несанкционированное подключение. Таким способом весьма точно выявляются ТС НСВ последовательного типа, поскольку они имеют импеданс, существенно отличающийся от волнового сопротивления кабелей.
6. Доступ к щитам питания и другим элементам электрооборудования здания должен быть ограничен соответствующими документами и инструкциями, а также техническими мероприятиями. Текущее обслуживание электрооборудования и ремонтные работы должны проводиться под контролем сотрудников режимной службы. Заметим, что включение последовательных ТС НСВ в разрыв кабеля при доступе к щиту питания легко камуфлируется. Например, кабель от ТС НСВ подключается к клеммам предохранителя в щите питания. Предохранитель вынимается, при этом ТС НСВ оказывается включенным, а электропитание при включении не прерывается, после этого контакты предохранителя изолируются, и он для маскировки устанавливается на свое штатное место. После совершения нападения все восстанавливается в обратном порядке.
7. Все электрооборудование (в том числе и бытового назначения) должно тщательно проверяться. Чаще всего для маскировки ТС НСВ используются пылесосы, кондиционеры, микроволновые печи (в последних уже содержатся высоковольтные конденсаторы, зарядное устройство и другие узлы, позволяющие использовать их в качестве элементов ТС НСВ). Внимание режимных служб должны привлекать оставленные строителями или ремонтниками сварочные трансформаторы и подобное оборудование, особенно если все это оставлено подключенным к сети питания.
8. Желательно организовать на объекте круглосуточный мониторинг сети электропитания с помощью соответствующих регистрирующих приборов и одновременную регистрацию в журнале всех сбоев и повреждений оборудования с обязательной фиксацией времени возникновения сбоев и характера дефектов. Время возникновения сбоев и дефектов накладывается на распечатку параметров напряжения питающей сети. При выявлении скачков напряжения можно своевременно установить факт НСВ по сети питания, в том числе и с помощью ТС с параллельным подключением, которые не выявляются импульсным зондированием сети электропитания. Спектр регистрирующих приборов простирается от простого счетчика импульсов до сложных комплексов на базе ПЭВМ.
9. ТС НСВ с емкостным накопителем имеют демаскирующие акустические признаки — при разрядке конденсаторы генерируют акустический импульс. Это обстоятельство можно использовать для поиска ТС НСВ такого типа. Для простейших ТС, работающих периодично, это возможно, а для ТС со случайным законом генерирования импульсов поиск по акустическим шумам затруднен.
10. При закупках оборудования АС необходимо обращать внимание на степень его защиты от импульсных помех. Необходимо, чтобы оборудование имело класс устойчивости к импульсным перенапряжениям не ниже A по ITTT Standard 587-1980 и аналогичным западным стандартам (помеха — 0,5 мкс, 100 кГц, 6 кВ, 200 А, 1,6 Дж), для наиболее важного оборудования — класс B (помехи 0,5 мкс — 100 кГц, 6 кВ, 500 А, 4 Дж; 1,2/50 мкс — 6 кВ; 8/20 мкс — 3 кА, 80 Дж). Оборудование, подключаемое к витым парам в сети большой протяженности, должно также иметь надлежащую защиту по информационным каналам. Наибольшего внимания заслуживают модемы, работающие на внешние проводные или кабельные линии связи. Следует обращать особое внимание на способность модемов противостоять мощным импульсным помехам. Более половины моделей модемов в варианте поставки “для России” не имеют схем защиты телефонных линий, хотя вся необходимая для установки защитных устройств разводка на печатных платах присутствует. Поэтому не только при НСВ, но и при обычной эксплуатации такие модемы быстро выходят из строя. Более детальное рассмотрение вопросов защиты от НСВ по коммуникационным каналам приведено в следующем подразделе.
Возникновение наводок в сетях питания чаще всего связано с тем, что различные ТСПИ подключены к общим линиям питания. Однофазная система распределения электроэнергии должна осуществляться трансформатором с заземленной средней точкой, трехфазная — высоковольтным понижающим трансформатором. Сетевые фильтры выполняют две защитные функции в цепях питания ТСПИ:
• защита аппаратуры от внешних импульсных помех;
• защита от наводок, создаваемых самой аппаратурой.
Поскольку устранение наводок в цепях аппаратуры ТСПИ чрезвычайно важно, к фильтрам цепей питания предъявляются довольно жесткие требования. Затухание, вносимое в цепи постоянного или переменного тока частотой 50 или 400 Гц, должно быть минимальным и иметь значение в широком диапазоне частот: до 109 или даже 1010 ГГц, в зависимости от конкретных условий.
При выборе фильтров для цепей питания нужно исходить из следующих параметров цепей и фильтров:
• номинальных значений токов и напряжений в цепях питания, а также допустимого значения падения напряжения на фильтре при максимальной для данной цепи нагрузке;
• ограничений, накладываемых на допустимые значения искажений формы напряжения питания при максимальной нагрузке;
• допустимых значений реактивной составляющей тока на основной частоте напряжения питания;
• необходимого затухания фильтра с учетом заданных значений сопротивлений нагрузки и источников питания;
• механических характеристик (размеры, масса, способ установки и тип корпуса фильтра);
• степени экранирования фильтра от различных посторонних полей, обеспечиваемого конструкцией его корпуса.
Рассмотрим влияние этих параметров более подробно.
Напряжение, приложенное к фильтру, должно быть таким, чтобы оно не вызывало пробоя конденсаторов фильтра при различных скачках питающего напряжения, включая скачки, обусловленные переходными процессами в цепях питания. Чтобы при заданных массе и объеме фильтр обеспечивал наилучшее подавление наводок в требуемом диапазоне частот, его конденсаторы должны обладать максимальной емкостью на единицу объема или массы. Кроме того, номинальное значение рабочего напряжения конденсаторов выбирается, исходя из максимальных значений допустимых скачков напряжения цепи питания, но не более их.
Ток через фильтр должен быть таким, чтобы не возникало насыщения сердечников катушек фильтров. Кроме того, следует учитывать, что с увеличением тока через катушку увеличивается реактивное падение напряжения на ней. Это приводит к тому, что:
• ухудшается эквивалентный коэффициент стабилизации напряжения в цепи питания, содержащей фильтр;
• возникает взаимосвязь переходных процессов в различных нагрузках цепи питания.
Наибольшие скачки напряжения при этом возникают во время отключения нагрузок, так как большинство из них имеет индуктивный характер. Затухание, вносимое фильтром, может быть выражено следующим образом:
A(dB) = 20 lg UAUB = 10 lg PAPB , где UB, PB, UA, PA — напряжения и мощность, подводимые к нагрузке, соответственно, до и после включения фильтра.
Фильтры в цепях питания могут быть самой разной конструкции: их объемы составляют от 0,8 см3 до 1,6 м3, а масса — от 0,5 до 90 кг. В общем случае, размеры и масса фильтра будут тем больше, чем:
• больше номинальное напряжение и ток фильтра;
• меньше потери на внутреннем сопротивлении фильтра;
• ниже частота среза;
• больше затухание, обеспечиваемое фильтром вне полосы пропускания (т.е. чем больше число элементов фильтра).
Связь между входом и выходом фильтра зачастую может быть довольно значительной (не хуже 60 дБ), несмотря на разнообразные средства борьбы с ней. Конструкция фильтра должна обеспечивать такую степень ослабления этой связи, которая позволила бы получить затухание, обеспечиваемое собственно фильтром. Поэтому, в частности, фильтры с гарантированным затуханием в 100 дБ и больше выполняют в виде узла с электромагнитным экранированием, который помещается в корпус, изготовленный из материала с высокой магнитной проницаемостью магнитного экрана. Этим существенно уменьшается возможность возникновения внутри корпуса паразитной связи между входом и выходом фильтра из-за магнитных, электрических или электромагнитных полей.
К числу защищаемых устройств относят самую разнообразную аппаратуру: компьютеры, приемники диапазона длинных и средних волн, радиотрансляционные приемники и т.п. Сетевой фильтр включают между сетью и устройством потребления.
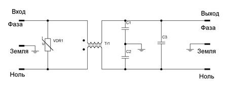
На рис. 4.1 приведена типовая схема сетевого фильтра питания. Промышленные устройства могут отличаться от нее и в сторону упрощения, и в сторону усложнения схемы (например, с включением в нее индикации различных режимов работы и т.д.).

Рисунок 4.1 - Схема электрическая принципиальная сетевого фильтра
Во всех случаях будем иметь в виду трехпроводную (европейскую) сеть питания (фаза — ноль — земля). Итак по схеме: сразу на входе фильтра стоит устройство VDR1 — варистор. Его основная задача — подавить высоковольтные выбросы напряжения сети. При появлении такого выброса электрическое сопротивление варистора резко падает, и он «замыкает» на себя эту помеху, не позволяя ей пройти дальше. Но особенность в том, что варисторы, обычно устанавливаемые в промышленных фильтрах, начинают «работать» с напряжения 275–300 В (среднее значение), 350–385 В (максимальное напряжение срабатывания) (из паспортной характеристики варисторов). А для фильтрации помех в 230 – 300 В обычно используют LC-фильтры, то есть электрические цепи, состоящие из индуктивностей (L) и емкостей (C). На нашей схеме это специальный дроссель Tr1 и емкости С1, С2, С3. Это так называемые реактивные элементы, сопротивление их постоянному току (или току низкой частоты) одно, а току высокой частоты — совершенно другое (отличающееся на порядки). А так как частота импульсной помехи во много раз больше частоты сети питания (50 Гц), то становится ясно, что нужно сделать так, чтобы ток сети питания свободно прошел через фильтр, а вот все высокочастотные добавки (импульсные помехи) были задержаны. Сопротивление LC-фильтра резко возрастает с увеличением частоты тока, и таким образом происходит задержка помехи. Помехи могут возникать не только между сетевыми проводами («фазой» и «нулем») — их «фильтрует» емкость С3, но и между «фазой» и «землей», а также возможны помехи «ноль» — «земля». Для эффективного подавления таких помех и необходимо наличие физического заземления, а в фильтре — наличие фильтрующих емкостей С1 и С2. Они замыкают на себя высокочастотные помехи такого рода и не позволяют им пройти внутрь защищаемого аппарата.
В случае отсутствия заземляющего контакта (или плохого контакта) помехи типа «фаза» — «земля» и «ноль» — «земля» физически задерживаться не могут — это одна сторона медали. А другая — при отсутствии земли общая точка емкостей С1 и С2 «висит» в воздухе, что приводит к созданию ими и дросселем Tr1 паразитного колебательного контура, который начинает излучать высокочастотное электромагнитное поле, становясь источником потенциальной опасности для расположенной рядом радиоаппаратуры, ну и пользователя. Поэтому применение практически любых сетевых фильтров в таких случаях нецелесообразно.
ВЫВОДЫ
Отечественные сети электропитания далеки от идеала, и ждать коренного улучшения не приходится. Спектр помех, распространяющихся по сети электропитания, чрезвычайно широк. Импульсы, возникающие в результате подключения (отключения) большого количества потребителей, работа промышленного оборудования и городского электротранспорта, световая реклама, аварии на подстанциях, выбросы тока – это техногенные помехи. Природные помехи: грозовые разряды и удары молнии вблизи кабелей наружной электросети и линий электропередач. Кратковременные превышения напряжения могут достигать порядка 4-6 тысяч вольт. При работе в таких условиях не приходится рассчитывать на долгую и стабильную работу дорогостоящей и чувствительной электроники. Постоянное воздействие электромагнитных импульсов может привести как к полному выходу аппаратуры из строя, так и к потере накопленной информации. Первым уровнем защиты и являются сетевые фильтры.
Сложность организации связи по линиям электропитания заключается в том, что существующие электросети первоначально не предназначались для передачи данных. Они характеризуются высоким уровнем шумов и быстрым затуханием высокочастотного сигнала, а также тем, что коммуникационные параметры линии, постоянные для традиционных физических сред, существенно меняются во времени в зависимости от текущей нагрузки. Специфической особенностью линий электропитания является и их разветвленная древовидная топология. Кроме того, при организации связи должны быть обеспечены электромагнитная совместимость и экранирование процессов передачи данных от собственно электропотребления.
Список литературы:
1. Mandelbrot В.В. The fractal Geometry of Nature. Freeman, New York, 1983. – 453 p.
2. Фракталы в физике / Пер. с англ. под ред. Л. Пьетронеро, Э. Тозатти. М.: Мир, 1988. – 225 с.
3. Елагин Н.А., Ростов А.В. Конструкции и технологии в помощь любителям электроники. Схемы для домашнего конструирования. – М: СОЛОН-Р, 2001. – 107 с.
4. Нигматуллин P.P. Дробный интеграл и его физическая интерпретация // Теоретическя и математическая физика. 1992. Т. 90. № 3. С. 354 – 367.
5. Самко С.Г., Килбас А.А., Маричсв О.И. Интегралы и производные дробного порядка и некоторые их приложения. Минск: Наука и техника, 1987. – 258 c.
6. Gefen Y., Ahrony A., Alexander S. Anomalous diffusion on percolatung clusters // Phys. Rev. Lett. 1983. P. 24 – 67.
7. Бибермак Л.М., Воробьев B.C., Якубов И.Т. Кинетика неравновесной низкотемпературной плазмы. М.: Наука, 1982. 180 c.
8. Paxson V. and Floud S. Wide Area traffic: The Failure of Poisson Modeling // IEEE/ACM Transactions on Networking. 1995. V. 3. N 3. P. 24 – 46.
|