Банк рефератов содержит более 364 тысяч рефератов, курсовых и дипломных работ, шпаргалок и докладов по различным дисциплинам: истории, психологии, экономике, менеджменту, философии, праву, экологии. А также изложения, сочинения по литературе, отчеты по практике, топики по английскому.
Полнотекстовый поиск
Всего работ:
364139
Теги названий
Разделы
Авиация и космонавтика (304)
Административное право (123)
Арбитражный процесс (23)
Архитектура (113)
Астрология (4)
Астрономия (4814)
Банковское дело (5227)
Безопасность жизнедеятельности (2616)
Биографии (3423)
Биология (4214)
Биология и химия (1518)
Биржевое дело (68)
Ботаника и сельское хоз-во (2836)
Бухгалтерский учет и аудит (8269)
Валютные отношения (50)
Ветеринария (50)
Военная кафедра (762)
ГДЗ (2)
География (5275)
Геодезия (30)
Геология (1222)
Геополитика (43)
Государство и право (20403)
Гражданское право и процесс (465)
Делопроизводство (19)
Деньги и кредит (108)
ЕГЭ (173)
Естествознание (96)
Журналистика (899)
ЗНО (54)
Зоология (34)
Издательское дело и полиграфия (476)
Инвестиции (106)
Иностранный язык (62791)
Информатика (3562)
Информатика, программирование (6444)
Исторические личности (2165)
История (21319)
История техники (766)
Кибернетика (64)
Коммуникации и связь (3145)
Компьютерные науки (60)
Косметология (17)
Краеведение и этнография (588)
Краткое содержание произведений (1000)
Криминалистика (106)
Криминология (48)
Криптология (3)
Кулинария (1167)
Культура и искусство (8485)
Культурология (537)
Литература : зарубежная (2044)
Литература и русский язык (11657)
Логика (532)
Логистика (21)
Маркетинг (7985)
Математика (3721)
Медицина, здоровье (10549)
Медицинские науки (88)
Международное публичное право (58)
Международное частное право (36)
Международные отношения (2257)
Менеджмент (12491)
Металлургия (91)
Москвоведение (797)
Музыка (1338)
Муниципальное право (24)
Налоги, налогообложение (214)
Наука и техника (1141)
Начертательная геометрия (3)
Оккультизм и уфология (8)
Остальные рефераты (21692)
Педагогика (7850)
Политология (3801)
Право (682)
Право, юриспруденция (2881)
Предпринимательство (475)
Прикладные науки (1)
Промышленность, производство (7100)
Психология (8692)
психология, педагогика (4121)
Радиоэлектроника (443)
Реклама (952)
Религия и мифология (2967)
Риторика (23)
Сексология (748)
Социология (4876)
Статистика (95)
Страхование (107)
Строительные науки (7)
Строительство (2004)
Схемотехника (15)
Таможенная система (663)
Теория государства и права (240)
Теория организации (39)
Теплотехника (25)
Технология (624)
Товароведение (16)
Транспорт (2652)
Трудовое право (136)
Туризм (90)
Уголовное право и процесс (406)
Управление (95)
Управленческие науки (24)
Физика (3462)
Физкультура и спорт (4482)
Философия (7216)
Финансовые науки (4592)
Финансы (5386)
Фотография (3)
Химия (2244)
Хозяйственное право (23)
Цифровые устройства (29)
Экологическое право (35)
Экология (4517)
Экономика (20644)
Экономико-математическое моделирование (666)
Экономическая география (119)
Экономическая теория (2573)
Этика (889)
Юриспруденция (288)
Языковедение (148)
Языкознание, филология (1140)

Реферат: Гігієна у фармації з основами екології

Название: Гігієна у фармації з основами екології
Раздел: Рефераты по безопасности жизнедеятельности
Тип: реферат Добавлен 13:26:53 05 сентября 2011 Похожие работы
Просмотров: 88 Комментариев: 14 Оценило: 2 человек Средний балл: 5 Оценка: неизвестно     Скачать

Гігієна у фармації з основами екології

Білет №70

1). Добові витрати енергії. Методи визначення енергетичних витрат організму людини. 2

2). Розрахувати необхідний рівень загальної освітленості зали обслуговування в аптеці (з метою досягнення зорового комфорту працюючих), якщо на робочому місці за столом №1 її рівень повинен складати 500Лк. 6

3). Науково-технічний прогрес і гігієнічні ас пекти його впливу на характер та умови трудовлї діяльності людини. 9

1). Добові витрати енергії. Методи визначення енергетичних витрат організму людини.

Енергетичні витрати складаються з витрат енергії, що регулюються та не регулюються волею людини. До витрат, що не регулюються волею відносять витрату енергії на специфічну динамічну дію та основний обмін. Для людини вагою 70 кг рівень основного обміну складає у середньому 4,19 кДж на 1 кг за годину, або 7117,56 кДж/добу. Він залежить від статі та віку. У чоловіків він на 5-10% вищий, ніж у жінок. З віком основний обмін знижується. Під впливом процесу харчування розхід енергії підвищується, що обумовлено підсиленням окисних процесів. При змішаному харчуванні основний обмін зростає на 10-15% за добу, найбільше його підвищення (на 30-40%) викликає вживання білків, у той час як при вживанні жирів обмін підвищується на 4-14%, вуглеводів – на 4-7%. Регульовані витрати визначаються витратами її на виконання м’язової роботи. Витрати енергії людини на роботу, що виконується протягом доби залежить від характеру виробничої діяльності, режиму праці та відпочинку, об’єму домашньої роботи, особливості використання вільного часу.

В результаті багаточисельних досліджень з участю значної кількості досліджених, визначені середні величини енерговитрат при різних видах фізичної та розумової діяльності.

У сучасній літературі наводяться гігієнічні нормативи добових енерговитрат для осіб різної професійної спрямованості.

І група – робітники розумової праці (керівники підприємств, медики (за виключенням хірургів), педагоги, наукові співробітники, письменники, журналісти, студенти). Добовий раціон для чоловіків складає 2550-2800 ккал, для жінок 2200-2400 ккал, тобто у середньому 40 ккал/кг маси тіла.

ІІ група – робітники легкої фізичної праці (робітники автоматизованих ліній, швачки, агрономи, ветеринари, медсестри, продавці, тренери, інструктора з фізичної культури). Добовий раціон для чоловіків складає 3000-3200 ккал, для жінок 2550-2700 ккал, тобто у середньому 43 ккал/кг маси тіла.

ІІІ група – робітники середньої за тяжкістю праці (водії, хірурги, продавці, робітники водного транспорту). Добовий раціон для чоловіків складає 3200-3650 ккал, для жінок 2600-2800 ккал, тобто у середньому 46 ккал/кг маси тіла.

ІV група – робітники важкої фізичної праці (будівельники, сільськогосподарські робітники, механізатори, металурги, спортсмени). Добовий раціон для чоловіків складає 3700-4250 ккал, для жінок 3150-2900 ккал, тобто у середньому 53 ккал/кг маси тіла.

V група – особи особливо важкої праці (сталевари, лісоруби, шахтарі, вантажники). Добовий раціон для чоловіків складає 3900-4300 ккал, тобто у середньому 61 ккал/кг маси тіла. Для жінок ці витрати не нормуються.

У кожній перерахованій групі необхідно визначати три вікові категорії: 18-29, 30-39, 40-59 років. Для осіб 60-74 років середньодобовий раціон енергії складає 2300 ккал (чол.) та 2100 ккал (жін.); старших 75 років – 2000 ккал (чол.) та 1900 ккал (жін.). Якщо особи пенсійного віку працюють, то витрати енергії у них виростають на 5-10%. Середньодобові енерговитрати, що рекомендуються слід враховувати з поправкою на район проживання.

Енергетичні витрати організму розраховують під час дослідження у галузі фізіології праці, спортивної медицини та клініки.

Для визначення рівня окислювальних процесів та енергетичних витрат, які властиві даному організму, проводіться дослідження у певних стандартних умовах: уранці, натще при температурі комфорту220 С, лежачи, тобто в умовах відносного покою.

Енергетичні витрати організму в таких стандартних умовах називаються основним обміном. Він відображає мінімальний рівень витрат енергії для підтримання життєдіяльності організму.

Як правило, основний обмін у людини обчислюють за допомогою спеціальних таблиць. Встановлено, що існує залежність між показниками ваги, зросту і віку, тому є можливість визначити за цими даними відхилення середньостатистичного рівня основного обміну від норми за допомогою формули Ріда.

Енергометрія - визначення загальної витрати енергії, що витрачається організмом людини в процесі життєдіяльності. Широко використовується в спортивній та інших областях медицини. За допомогою енергометрії виробляють уточнення витрат енергії в різних професійних групах.

Метод прямої енергометрії (калориметрії) дозволяє визначити енерговитрати органiзму на підставі урахування тепла, що видiляється органiзмом у навколишнє середовище в рiзних умовах iснування. Енергiя, що видiляється як певна кількість тепла, визначається шляхом вимiрювання об’єму води, яка циркулює, i ступеня її нагрiвання у процесi дослiдження.

До основних недолiків методу енергометрiї відносять:

· cкладнiсть будови камери;

· неможливiсть вiдтворення видiв трудової дiяльностi людини у зв’язку з розмiрами камери;

· iзоляцiя дослiджуваного вiд факторiв виробничого середовища та побутової сфери;

· неможливiсть вивчення впливу на процеси обмiну речовин i енергiї клiматичних, соцiальних та iнших факторiв середовища .

Все це призводить до достатньо обмеженого використання методу прямої калориметрiї у практиці гігієнічних досліджень.

Метод непрямої або респіраторної енергометрії (калориметрії) заснований на визначеннi хiмiчного складу повітря, що вдихається та видихається.

Тому для оцінки енерговитрат за допомогою методу респiраторної енергометрiї запропоновано багато рiзних приладiв та систем . Складовими частинами цих систем є:

· резервуари для збирання повiтря, що видихається, які з’єднанi шлангами зі спецiальною маскою або загубником;

· прилади для вимiрювання об’єму повiтря, що видихається (газовi годинники);

· газовий аналiзатор. На жаль, метод визначення потреби в енергiї методом непрямої енергометрії також має деякi недолiки, до яких, слід віднести велику трудомiсткiсть дослiджень та недостатню надiйнiсть у ході визначення енерговитрат. Метод аліментарної енергометрії зумовлює точне урахування енергетичної цiнностi їжi, що споживається, та передбачає ретельний контроль за вагою тiла в динамiцi не менш.

Водночас проводиться урахування енергетичної цiнностi їжi, що споживається. У випадку рiвноваги енерговитрат та енергетичної цiнностi їжi маса тiла дорослої людини не змiнюється.

Збiльшення маси тiла у дорослих зумовлене, накопиченням жиру в органiзмi. Тому, знаючи енергетичну ємнiсть жиру, що накопичується в органiзмi за перiод проведення дослiду.

Найбiльш простим та швидким методом орiєнтовного визначення величин енергетичних витрат людини є хронометражно—табличний метод .

У ході методу проводиться хронометраж добового бюджету часу i складається хронограма дiяльностi людини.

Потiм, за допомогою таблиць, розраховують енергетичнi витрати за видами дiяльностi, так i за добу в цiлому.

2). Розрахувати необхідний рівень загальної освітленості зали обслуговування в аптеці (з метою досягнення зорового комфорту працюючих), якщо на робочому місці за столом №1 її рівень повинен складати 500Лк.

У аптеці довжиною a = 12м, висотою h=4 м, і шириною b= 6 м на робочому місці за столом №1 нормоване значення освітленності при системі штучного загального освітлення становить Ен = 500 лк.

Характеристика фону – світлий, контраст розпізначання обєкта з фоном – великий. Приміщення освітлюється за допомогою чотирьохлампових світильників типу ШОД, які розміщені в два ряди і в кожному з них знаходяться люмінісцентні лампи потужністю 40 Вт (Е=1995 лм). Тип лампи – ЛДЦ. Стеля приміщення свіжобілена ρсл = 70%. Стіни мають світлосірий кольор ρст = 50%.

Для розрахунку освітленості приймаємо коефіціент запасу kз= 1,5, а коефіціент нерівномірності z=1,1

Рішення.

1. Розрахуємо індекс приміщення:

і= ab / h ( a + b )=12*6/(4(12+6)=1

2. Визначаємо коефіціент використання світлового потоку

Обираємо світильник «універсаль» без затемнення, тоді =0,45=45%

Зміна коефіцієнта використання світлового потоку залежно від різних показників

Тип світильника

Коефіцієнт відбиття, %

Значення при показнику приміщення,

який дорівнює

стелі

стін

0,5

0,6

0,8

1,0

1,5

2

3

4

5

«Універсаль» без затемнення

0,3

0,5

0,7

0,1

0,3

0,5

0,21

0,24

0,28

0,27

0,3

0,34

0,35

0,38

0,41

0,40

0,42

0,45

0,46

0,48

0,51

0,5

0,52

0,55

0,55

0,57

0,6

0,57

0,59

0,62

0,58

-

-

«Універ-саль» з матовим затемненням

0,3

0,5

0,7

0,1

0,3

0,5

0,14

0,17

0,21

0,19

0,22

0,26

0,26

0,28

0,32

0,3

0,32

0,35

0,35

0,36

0,4

0,39

0,40

0,43

0,43

0,43

0,47

0,45

0,47

0,49

0,46

0,48

0,51

«Люнетта»

0,3

0,5

0,7

0,1

0,3

0,5

0,14

0,16

0,22

0,19

0,21

0,27

0,25

0,26

0,33

0,29

0,31

0,37

0,34

0,37

0,44

0,38

0,410,48

0,44

0,47

0,54

0,46

0,50

0,59

0,48

0,52

0,61

Лампа без відбивача

0,3

0,5

0,7

0,1

0,3

0,5

0,1

0,13

0,21

0,14

0,18

0,26

0,19

0,24

0,32

0,22

0,28

0,37

0,28

0,36

0,45

0,32

0,40

0,51

0,38

0,46

0,59

0,42

0,51

0,64

0,45

0,54

0,67

3. Визначаємо кількість світильників:

о. Що створює у приміщенні задана система штучного загального освітлення:

= (500*6*12*1,5*1,1)/(1995*4*0,45)=16,5

де Fл – світловий потік, лм;

Еф – освітленість фактична, лк;

S – площа підлоги в приміщенні, м2 ;

k – коефіцієнт запасу;

Z – коефіцієнт нерівномірності освітленості;

– коефіцієнт використання світлового потоку;

N - кількість світильників, допускається округлення - 10% + 20%;

n - кількість ламп у світильнику.

Отримуємо 16 світильників. Отже, щоб забезпечити на столі №1 рівень освітленності у 500 лк, необхідно встановити 16 світильників з 4 лампами.

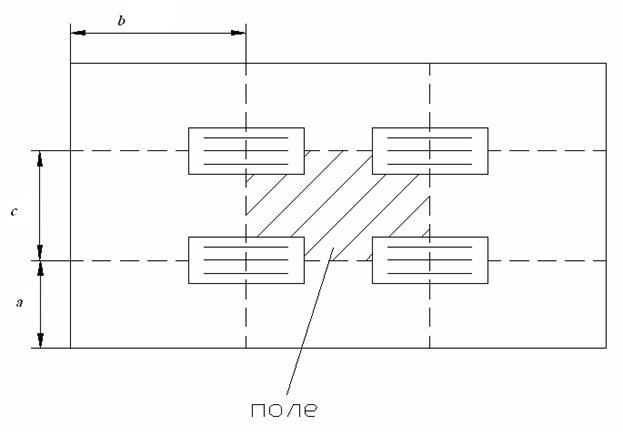
Рисунок 1. - Схема розміщення світильників

3). Науково-технічний прогрес і гігієнічні ас пекти його впливу на характер та умови трудовлї діяльності людини.

З давніх-давен турбота про збереження здоров'я, запобігання різним захворюванням та їх лікування привертають велику увагу як кожної людини окремо, так і суспільства в цілому.

Практична реалізація і втілення цієї уваги зумовили виникнення, розвиток і диференціацію двох головних, тісно пов'язаних між собою напрямків медичної діяльності — лікувального і профілактичного.

Так, один з основоположників сучасної гігієни Ф. Ф. Ерісман (1901) писав, що «гігієна — це наука, яка за допомогою експериментального дослідження застосовує істини, набуті цими шляхами, для поліпшення громадського здоров'я». Творець російського тлумачного словника В. В. Даль (1898) дав таке визначення: «Гігієна — це мистецтво зберігати здоров'я, оберігати його від шкідливостей».

А. А. Летавет (1958) визначав, що «гігієна — це галузь медичної науки, яка вивчає вплив умов життя на здоров'я людини, розробляє заходи щодо запобігання виникненню хвороб та створення умов, котрі забезпечують збереження здоров'я».

У давні часи льодина була погано захищена від впливу несприятливих умов життя: високої та низької температури повітря, стихійних лих, відчувала нестачу їжі, її постійно чатувала небезпека поранень, ушкоджень або укусів отруйних тварин. Пов'язаний із цим спосіб життя сприяв виникненню харчових отруєнь, різноманітних захворювань, травм і навіть ранньої смерті. Життєвий досвід, який накопичувався поколіннями, вже в стародавні часи став основою для зародження емпіричної, народної гігієни. Провідними її елементами стали рекомендації обмежувального характеру, які торкалися проживання в тій чи іншій місцевості, вживання окремих продуктів, використання питної води. Подальший розвиток емпірична гігієна одержала в рабовласницьких країнах Стародавнього Сходу, які мали великий вплив на розвиток світової культури та науки. Устрій життя в цих країнах в основному складався під впливом релігійних приписів, багато з яких містили раціональні вимоги профілактичного характеру. Відображенням цього є численні законодавчі документи та історичні пам'ятки Ассиро-Вавилонської держави, Стародавнього Єгипту, Стародавньої Індії, Стародавнього Китаю. Вони охоплюють багато питань, що стосуються вживання різних харчових продуктів, питної води, планування та санітарного облаштування житлових приміщень, особистої гігієни тощо. Значний розвиток одержали гігієнічні знання та рекомендації в Стародавній Греції та Стародавньому Римі. Розвиткові гігієнічних знань та навичок, елементів санітарного законодавства сприяли загальний розвиток техніки і матеріалістичні погляди багатьох стародавньогрецьких філософів та вчених (зокрема, Демокріта і Арістотеля) на зв'язок між здоров'ям і середовищем існування. У цей період з'явилися перші медичні наукові праці, які дійшли до наших днів і мали суттєвий вплив на розвиток профілактичного мислення в медицині. У трактатах «Про повітря, воду та місцевість», «Про здоровий спосіб життя», написаних видатним лікарем Гіппократом (460—377 pp. до н. е.), містяться різноманітні наукові міркування стосовно здоров'я людини, навколишнього середовища та особливостей зв'язку між ними. У системі гігієнічних заходів, які набули поширення в Стародавній Греції, особливу увагу приділялося фізичній культурі, особистій гігієні, здоровому способу життя. Існували в Стародавній Греції й елементи громадської санітарії — санітарний нагляд за продажем продуктів та напоїв, розміщенням та будівництвом споруд. У містах-державах споруджувалися водопроводи (наприклад, у Мегарі в VII ст. до н. е.) та каналізаційні мережі (зокрема, в Афінах у VI ст. до н. е.), під час забудови міст дотримувалися певних правил планування тощо. Ще значніший розвиток одержали гігієнічні знання в Стародавньому Римі. Видатним пам'ятником будівельної техніки Стародавнього Риму є знамениті римські водопроводи та каналізація. Водопроводи .Риму (їх було понад 30, перший із них побудовано в 614 р. до н. е.) забезпечували місто гірською джерельною водою (в середньому 500—1000 л на одну людину). Стічні води збиралися у великий каналізаційний колектор). Поширеними в Стародавньому Римі були лазні, які використовувались і для санітарних, і для спортивно-оздоровчих цілей. Римські лікарі розглядали гігієну тіла, гімнастику та інші елементи індивідуальної гігієни як важливу умову збереження здоров'я та найшвидшого видужання хворих. Видатний лікар-учений Стародавнього Риму Гален вважав, що гігієна має становити окрему фундаментальну галузь медичної науки. У період раннього середньовіччя центр медичної науки перемістився в країни Сходу. Серед учених цих країн особливо значний внесок у розвиток гігієни зробив видатний узбецький лікар Абу Алі Ібн Сіна (Авіценна, 980—1037 pp.). Він написав трактат «Канон медичної науки», багато розділів якого присвячено питанням гігієни («Про добре повітря», «Про якість води», «Про збереження здоров'я» та ін.).

Разом із тим, у європейських країнах рівень санітарної культури у середні віки, особливо в XII—XV ст., значно знизився. Цьому сприяли безперервні феодальні війни, гніт інквізиції, поширення забобонів, релігійна проповідь аскетизму, скупчення населення у містах, що не мали водопроводу і каналізації, занедбання особистої гігієни. Саме в цей історичний період значного поширення набули величезні епідемії чуми, холери, віспи, інших інфекційних захворювань.

Високою санітарною культурою для свого часу відзначалася Київська Русь. Рукописні та інші джерела, що дійшли до наших днів, у яких описано побут населення Київської Русі, відзначають увагу, яка приділялася питанням гігієни.

Зародження капіталістичного виробництва у Західній Європі, пошук нових ринків, великі географічні відкриття дали поштовх до розвитку медичної науки та гігієнічної культури. А. Левенгук (1632—1723) створює мікроскоп, Д. Фракастро (1478—1553) своєю працею «Про заразу, заразні хвороби та їх лікування» закладає основи науки про поширення інфекційних хвороб та запобігання їм. З'являється твір відомого лікаря та вченого Г. Агріколі про професійні захворювання гірників. Значною віхою в історії гігієни стала праця італійського лікаря Б. Рамацціні (1633—1714) «Про хвороби ремісників», у якій подано опис та оцінку умов праці робітників 52 професій (гірників, рибалок, друкарів, пивоварів та ін.) і характеристики симптомів, які розвиваються внаслідок формування професійної патології. Значно посилилась увага до профілактичних аспектів охорони здоров'я населення і в Російській імперії, до складу якої в ті роки належала і Україна, особливо в період державних перетворень, що здійснювалися Петром І та після епохи його царювання. Великий внесок у цей напрям суспільного життя зробив М. В. Ломоносов (1711—1765), який у відомій доповіді «Про розмноження та збереження російського народу» (1761 р.) та в ряді інших праць порушував широке коло питань громадської та особистої гігієни. Подальший розвиток ідей профілактики знайшов відображення в наукових працях та практичній діяльності таких учених-медиків, як Н. М. Амбодик-Максимович, С. Г. Забєлін, Д. С. Самойлович, М. Я. Мудров та ін.

Наступний розвиток і диференціація гігієни як самостійної науки тісно пов'язані з промисловою революцією кінця XVIII ст., активізацією робітничого руху в Англії та інших країнах Європи, досягненнями науки кінця XVIII — початку XIX ст. Саме в ці роки в економічно розвинутих країнах Європи з'являються лікарі та адміністратори, котрі розуміли значення санітарно-оздоровчих заходів і стали засновниками громадської профілактичної медицини та санітарної статистики. Публікуються перші твори узагальнюючого характеру з гігієни, що дало початок її формування як окремої наукової дисципліни. Для більшості країн Європи середина XIX ст. була періодом утвердження та розвитку промислового капіталізму, інтенсивного будівництва заводів і фабрик, виникнення й розвитку (часто хаотичного) нових промислових міст та селищ. Поряд із цим, усе більшого суспільного визнання одержувало розуміння того, що в цих нових історичних і соціально-економічних умовах вирішальне значення у справі охорони здоров'я населення набуває профілактика захворювань. Цей період і став періодом зародження та наступного бурхливого розвитку науково-експериментальної гігієни. Крім того, виникнення наукової гігієни стало можливим завдяки досягненням у галузі хімії, фізики, біології, мікробіології, математичної статистики, що якісно збагатили арсенал гігієнічних методів дослідження, дозволили проводити не лише описову, але й якісну та кількісну оцінку чинників навколишнього середовища і особливостей їх впливу на здоров'я людини.

Велика роль у формуванні науково-ексериментальної гігієни на цьому етапі належить відомому німецькому вченому М. Петтенкоферу (1818—1901) та його учням. Наукові праці цього вченого, його роль у докорінній реорганізації викладання гігієни та створенні наукової гігієнічної школи по праву дозволяють назвати його засновником сучасної наукової гігієни. Слід згадати й про великі заслуги М. Петтенкофера в підготовці викладачів гігієни для різних країн Європи, зокрема для Київського університету св. Володимира.

Розвиток гігієнічної науки, та санітарної практики в Росії та в Україні тісно пов'язаний з діяльністю медичних факультетів вищих навчальних закладів, у стінах яких сформувалися перші вітчизняні гігієнічні школи. Ініціатива організації першої окремої кафедри гігієни належить медичному факультетові Київського університету св. Володимира. Рішення про створення такої кафедри вчена рада цього факультету прийняла у жовтні 1863 p., але фактичне її відкриття відбулося лише в 1871 р. У цьому ж році, практично одночасно з Києвом, було відкрито кафедру гігієни в Петербурзі. У наступні роки починають працювати кафедри гігієнічного профілю в Харкові, Москві, Казані, Одесі та інших містах.

На той час у Росії ще не було загальнодержавної системи санітарного нагляду. Однак уже в 70—80-ті роки XIX ст. у Петербурзі, Москві, Києві, Пермі, Одесі, Казані й деяких інших губернських містах створюються санітарні комісії, санітарні станції, з'являються перші санітарні лікарі. Серед них були видатні спеціалісти, активні громадські діячі, які зробили вагомий внесок у розвиток вітчизняної гігієни і санітарії.

Плідно розвивалася гігієнічна наука наприкінці XIX — на початку XX ст. в Україні, її видатними представниками були В. А. Субботін, В. Д. Орлов, І. П. Скворцов, А. I. Якобій, О. В. Корчак-Чепурківський та інші. В. А. Субботін (1842—1896) — один із піонерів вітчизняної гігієнічної науки. Субботін — автор першого вітчизняного підручника з гігієни (1886), багатьох наукових праць з різних розділів гігієни, ініціатор створення санітарної комісії в Києві. До когорти видатних громадських діячів та перших санітарних лікарів України належить уродженець Полтавщини О. В. Корчак-Чепурківський (1857—1947), який після закінчення у 1883 р. медичного факультету Харківського університету працював земським дільничним та санітарним лікарем.

На початку 20-х років XX ст. в Радянській Росії створюються підрозділи Державної санітарної служби, закладається законодавча основа їх діяльності. У 1922 р. на з'їзді санітарних лікарів України видатний вітчизняний гігієніст О. М. Марзєєв висловив пропозицію щодо організації санітарно-епідеміологічних станцій (СЕС) на місцях як основної ланки державної санепідемслужби (першу СЕС було створено в 1922 р. в Гомелі). Після прийняття відповідної постанови Ради Народних Комісарів України (1927) в республіці, а невдовзі на всій території Радянської Росії було створено обласні, міські та районні СЕС. Основним змістом діяльності СЕС у 20—30-ті роки була ліквідація важких санітарних наслідків громадянської війни, розробка і застосування рекомендацій з будівництва і реконструкції населених місць, вивчення та оздоровлення умов побуту та праці робітників металургійної, гірничодобувної та інших галузей промисловості, санітарний нагляд за будівництвом і експлуатацією водопровідно-каналізаційних споруд, очисткою населених місць, охороною чистоти повітря тощо. Велика увага приділялася підвищенню гігієнічної освіти та створенню санітарного активу серед населення країни.

У 30-ті роки склалася добре продумана система державного санітарного нагляду, розпочали працювати спеціально підготовані лікарі—гігієністи й епідеміологи, в 1931 р. в Московському, Київському та інших медичних інститутах було створено спеціалізовані санітарно-гігієнічні факультети. Організаційне становлення санітарної служби, формування профілактичного напрямку медичної науки і практики йшло за безпосередньої участі перших керівників охорони здоров'я СРСР М. О. Семашка (1874—1949) та 3. П. Соловйова (1876—1928). Успіхи санітарної служби цього періоду пов'язані з діяльністю вчених-гігієністів, зокрема О. М. Сисіна, О. О. Мінха, А. В. Молькова, Ф. Г. Кроткова та ін.

У період Великої Вітчизняної війни завдяки чіткій роботі СЕС, цивільних і військових санітарних лікарів та епідеміологів (серед них було багато українських учених-гігієністів та лікарів), попри важкі умови та чинники, які могли спричинити захворювання (переміщення великої кількості населення, значне погіршення побутових умов, харчування, водопостачання та ін.), ані в армії, ані серед цивільного населення не було зареєстровано великих епідемій і в цілому зберігалося санітарне благополуччя. Якщо в довоєнні роки в центрі досліджень наукових установ гігієнічного профілю та практичної діяльності санітарних лікарів були окремі прикладні питання охорони здоров'я та оздоровлення навколишнього середовища, то в умовах повоєнних років і передусім у 70—90-ті роки XX ст. та на межі тисячоліть великої актуальності та першочергового значення набуває вивчення та поглиблений аналіз з метою подальшого гігієнічного нормування впливу на стан здоров'я як окремих чинників навколишнього середовища, так і їх стійкого поєднання. Надзвичайно важливими постають питання гігієнічного регламентування вмісту різних речовин природного та антропогенного походження в ґрунті, воді, харчових продуктах, атмосферному повітрі та повітрі житлових приміщень. Значний внесок у розв'язання означених питань зробили видатні українські вчені-гігієністи Л. І. Медведь, Є. Г. Гончарук, Ю. І. Кундієв, Р. Д. Габович, М. П. Воронцов, О. О. Навака-тікян, І. М. Трахтенберг, А. М. Сердюк, В. Д.Ванханен, І. І. Даценко, А. М. Шевченко, В. Г. Бардов та ін.

Останніми роками на перший план як предмет сучасних наукових досліджень у галузі гігієни та санітарії виходять проблеми гігієни житлових та громадських будівель, медичної кліматології, профілактичної токсикології, охорони праці тощо. Розробка, виробництво та запровадження у повсякденну практику різноманітних хімічних речовин та сполук висуває у число пріоритетних завдання з вивчення закономірностей їх кругообігу, транслокації та акумуляції в різних компонентах біосфери і на цій підставі визначення ступеня негативного впливу на організм людини в цілому та окремі органи і системи зокрема.

Наслідки аварії на Чорнобильській АЕС та необхідність їх успішного подолання сприяють невпинному розвитку радіаційної гігієни, головним завданням якої є обґрунтування припустимих рівнів радіаційного забруднення навколишнього середовища, вивчення умов праці й стану здоров'я людей, які мають або мали контакт із джерелами іонізуючого випромінювання, створення комплексу захисних заходів, які б забезпечували безпечні умови життєдіяльності. Зрештою, слід зазначити, що в центрі уваги сьогоднішньої гігієни як науки знаходяться дослідження, що стосуються визначення ступеня екологічного навантаження на кожну конкретну людину в сучасних умовах, питання профілактики цілого розмаїття соціальне значущих захворювань і, отже, вдосконалення адаптаційних процесів, які відбуваються в організмі у зв'язку з необхідністю активного пристосування до умов перебування, проблеми гігієни дітей і підлітків, особистої І гігієни та формування здорового способу життя, психогігієни тощо.

Оценить/Добавить комментарий
Имя
Оценка
Комментарии:
Делаю рефераты, курсовые, контрольные, дипломные на заказ. Звоните или пишите вотсап, телеграмм, вайбер 89675558705 Виктория.
04:24:58 16 октября 2021
Срочная помощь учащимся в написании различных работ. Бесплатные корректировки! Круглосуточная поддержка! Узнай стоимость твоей работы на сайте 64362.ru
19:55:04 12 сентября 2021
Привет студентам) если возникают трудности с любой работой (от реферата и контрольных до диплома), можете обратиться на FAST-REFERAT.RU , я там обычно заказываю, все качественно и в срок) в любом случае попробуйте, за спрос денег не берут)
Olya06:00:33 27 августа 2019
.
.06:00:33 27 августа 2019
.
.06:00:32 27 августа 2019

Смотреть все комментарии (14)
Работы, похожие на Реферат: Гігієна у фармації з основами екології

Назад
Меню
Главная
Рефераты
Благодарности
Опрос
Станете ли вы заказывать работу за деньги, если не найдете ее в Интернете?

Да, в любом случае.
Да, но только в случае крайней необходимости.
Возможно, в зависимости от цены.
Нет, напишу его сам.
Нет, забью.



Результаты(286368)
Комментарии (4153)
Copyright © 2005-2021 HEKIMA.RU [email protected] реклама на сайте