| Дипломная работа
Студента группы 3-104 А
Гордеева Романа
ТЕМА
«Рулевой Привод Автомобиля
ЗИЛ 5301»
Сдержание
1. Введение
2. Техническая часть
3. Графическая часть
4. Экономическая Часть
5. Охрана труда
6. Заключение
7. ВЫВОД
СПИСОК ЛИТЕРАТУРЫ
1. Автомобили семейства ЗИЛ. Устройство, техническое обслуживание и ремонт/ В. П. Митрофанов, Р. А. Меламуд, Д. М. Глуховский и др. М.: Транспорт, 2008
2. Безгаражное хранение автомобилей при низких температурах/Г. В. Кра-маренко, В. А. Николаев, А. И. Шаталов. М.: Транспорт, 2005.
3. Гуревич Л. В., Меламуд Р. А. Пневматический тормозной привод автотранспортных средств. Устройство и эксплуатация. М.: Транспорт,2000.
4. Данов Б. А., Рогачев В. Д. Электронные приборы автомобилей. М.: Транспорт,2007.
5. Окрасочные работы в машиностроении: Справочник/Е. В. Искра, А. М. Лу-ковский, Ю. С. Петров и др. Л.: Машиностроение,2003.
6. Тимофеев Ю. Л., Ильин Н. М. Электрооборудование автомобилей. М.: Транспорт,2004. 256 с
.
1. Введение
История создания автомобиля ЗИЛ
2 августа (20 июля по старому стилю) 1916 г. в Тюфелевой роще состоялись торжественный молебен и закладка автомобильного завода (АМО), который к марту 1917 г. должен был выпустить 150 полуторатонных грузовиков «Ф-15» по лицензии итальянской фирмы "ФИАТ". Завод основан торговым домом «Кузнецов, Рябушинские и К?». Трудности военного времени и слабость станкоинструментальной базы страны сорвали планы строительства завода в намеченные сроки. Тем не менее, Рябушинские закупили в Италии комплекты автомобилей «Ф-15 », что обеспечило сборку 432 грузовиков в 1917 г., 779 - в 1918 г. и 108 автомобилей - в 1919 г. Однако, завод для изготовления и сборки собственных автомобилей достроен не был. Виною тому стали Октябрьская революция и гражданская война. Национализация недостроенного завода (15 августа 1918 г.) зафиксировала экспроприацию собственности акционеров АМО. Недостроенное предприятие по существу превратилось в крупные мастерские, где ремонтировались автомобили и другая техника.
30 апреля 1923 г. заводу АМО было присвоено имя итальянского коммуниста Ферреро, убитого фашистами. В июне 1923 г. Госплан СССР утвердил производственное задание заводу на 1923-1927 гг. Однако только в марте 1924 г. на завод поступило конкретное правительственное задание на изготовление первых советских грузовиков.

1 ноября 1924 г. был собран первый полуторатонный грузовик АМО-Ф-15, а 7ноября десять машин приняли участие в параде. Эту дату принято считать днем рождения советского автомобилестроения.
В 1925 году завод был переименован в 1-й Государственный автомобильный завод (бывший АМО).В 1927 году завод возглавил И.А.Лихачев, с именем которого связано интенсивное развитие предприятия.
В начале 1927г. Автотрест, которому подчинялся завод, принял решение о реконструкции завода. Объектом производства был выбран грузовик американской автосборочной фирмы "Автокар" грузоподъемностью 2,5 т. При этом планировался массовый выпуск грузовиков конвейерным способом.
В 1931 пуск завода после реконструкции и 1 октября этого же года заводу присвоено имя И.В.Сталина (ЗИС). 25 октября 1931 г. был пущен первый отечественный сборочный автомобильный конвейер, с которого сошли первые 27 грузовиков АМО-3.

1октября 1931г заводу присвоено имя И.В.Сталина (ЗИС).
К лету 1933 г. грузовик АМО-3 был модернизирован, его грузоподъемность была повышена до 3 т.
В 1934 г. началось производство автомобилей ЗИС-5 и ЗИС-6.

Грузовик ЗИС-5 стал этапной моделью в истории завода не только потому, что был первым действительно массовым автомобилем и стоял на производстве 15 лет. На базе автомобиля ЗИС-5 было разработано 25 разновидностей и модификаций автомобилей, 19 из которых были поставлены на производство.
21 августа 1933 г. Совнарком СССР принял решение о второй реконструкции завода, которая была направлена на расширение перечня моделей автомобилей.

В 1936 г. (3 ноября) началась конвейерная сборка первого отечественного семиместного лимузина ЗИС-101, основой которого стала конструкция американского легкового автомобиля "Бьюик" по натурному образцу (без покупки у фирмы чертежей).
С 1936 по 1941 гг. завод сосредоточил усилия на увеличение выпуска грузовиков с газогенераторными установками ЗИС-21 и полугусеничных автомобилей ЗИС-22, ЗИС-42, а также автобусов ЗИС-8 и ЗИС-16 (все на базе ЗИС-5).

Наступление немецких войск на Москву осенью 1941 г. вынудило эвакуировать значительное количество людей и оборудования в Ульяновск, Миасс, Челябинск и Шадринск. В октябре 1941 г. завод был подготовлен к уничтожению и не работал. Однако после успешного подмосковного наступления Красной Армии зимой 1941-1942 гг. ЗИС понемногу набирал обороты и с июня 1942 г. с конвейера стали сходить военные грузовики ЗИС-5В (упрощенные), полугусеничные тягачи ЗИС-22, ЗИС-42, выпускалось вооружение для фронта (минометы, автоматы, мины, снаряды и прочее). За годы войны было изготовлено около 100 тысяч грузовиков ЗИС-5В, ЗИС-42, ЗИС-42М, санитарных автобусов ЗИС-16С. Тогда же в июне 1942г. ЗИС был награжден первым орденом Ленина за отличную организацию производства боеприпасов и вооружения. Эвакуированные люди и оборудование стали основой заводов: Ульяновского, Уральского (Миасского) автомобильных, Челябинского кузнечно-прессового и Шадринского автоагрегатного.
В октябре 1944 года завод был награжден Орденом Трудового Красного Знамени.
19 сентября 1942 г. были начаты работы по созданию правительственного лимузина высшего класса ЗИС-110. Верховный заказчик пожелал за образец автомобиля взять лимузин фирмы «Паккард».
В 1946 г. началась третья реконструкция ЗИСа. Она предназначалась для постановки на производство первой послевоенной продукции завода: грузовых автомобилей ЗИС-150 (1947г.) и грузовых автомобилей повышенной проходимости ЗИС-151 (1948г.).


В ноябре 1949 года завод награжден вторым орденом Ленина за заслуги в развитии советского автостроения и в связи с 25-летием советского автомобиля.
В 1949 г. на смену городскому автобусу ЗИС-154 пришел городской автобус ЗИС-155. Автобус был выполнен на базе основных агрегатов автомобиля ЗИС-150 и автобуса ЗИС-154.
С 30 апреля 1950 г. завод начал выпускать холодильники, а с января 1951г. приступил к производству велосипедов, производство которых прекратилось в 1959 г.
В 1950 году завод приступил к производству оборонной техники - бронетранспортеров ЗИС-152 и автомобилей-амфибий ЗИС-485 (1952-1958г.г.)
В начале 1953г. на заводе было создано специальное управление по проектированию первого китайского автозавода. Специалисты ЗИСа в Чанчуне помогли китайцам пустить в производство первый китайский грузовик «Цзефан» (копия ЗИС-150).
В 1954 г. по настоянию маршала СССР Г.К. Жукова на заводе организуется специальное конструкторское бюро для создания особой автомобильной техники, предназначенной для мобильных ракетных систем. Начальником и главным конструктором СКБ был назначен В.А.Грачев.
В 1955 г. на производство был поставлен первый отечественный междугородный автобус ЗИС-127.
В 1956 г. умирает Иван Алексеевич Лихачев и заводу присваивается его имя. В конце того же года были собраны по два первых опытных образца грузовых автомобилей второго послевоенного поколения - ЗИЛ-130 и ЗИЛ-131.
В 1957г. ЗИС-155 сменил более комфортабельный городской автобус ЗИЛ-158.
В 1957г. на производство поставлен автомобиль ЗИЛ-164-ЗИЛ-164А взамен ЗИС-150. На автомобиле был установлен модернизированный двигатель, новый задний мост со штампованной балкой.

В 1958 году вместо автомобиля ЗИЛ-151 стал собираться трехосный полноприводный автомобиль ЗИЛ-157. Автомобиль был оснащен устройством для регулирования давления воздуха в шинах колес и односкатной ошиновкой. Линия легковых машин после автомобиля ЗИС-110 была продолжена в 1958 г. правительственным лимузином ЗИЛ-111.

На международной выставке в Брюсселе автомобиль награжден Почетным дипломом. Последующие легковые автомобили: ЗИЛ-114-117 (1967-1976 г.г.), ЗИЛ-4104-4105 (1976 г.), вплоть до последнего ЗИЛ-41041, расцениваются, как достаточно стильные и современные. Четвертая реконструкция завода, начавшаяся в 1959 г., позволила освоить производство автомобилей ЗИЛ-130 и ЗИЛ-131.

В 1964г. начато массовое производство ЗИЛ-130. Совершенствование конструкции грузовиков ЗИЛ-130 продолжалось до конца 1970 г. и пополнилось такими модификациями как северные, экспортные, тропические, газобаллонные и т.д.

К категории полноприводных автомобилей к третьему поколению относится 3,5-тонный грузовик ЗИЛ-131 (6х6), унифицированный с серией "130" и выпускавшийся с 1967 г. В связи с изменениями в двигателе и ходовой части в 1987 году автомобилю присвоен индекс ЗИЛ-131Н.
В 1967г. были спроектированы и производились (штучно) поисково-эвакуационные установки (ПЭУ-1) для поиска и эвакуации спускаемых космических объектов и космонавтов.
В 1967 г. СССР впервые принял участие в 8 Международной "Неделе автобусов" в г. Ницце, где комфортабельный автобус малого класса «Юность» ЗИЛ-118 завоевал 12 призов. Автобус изготавливался штучно по отдельным заказам. Серийного производства автобуса организовать не удалось.

В 1971 году завод награжден третьим орденом Ленина за успешное выполнение восьмого пятилетнего плана.
13 июля 1971 года ЗИЛ стал Производственным Объединением (ПО ЗИЛ), в состав которого вошли 17 заводов.
В 1974 году на главном конвейере был собран миллионный ЗИЛ-130.
В 1975 году завод награжден Орденом Октябрьской революции за успешное завершение работ по созданию мощностей на выпуск 200 тысяч автомобилей в год.
В 1975 г. на ЗИЛе наладили производство нового поколения 3-х осных автомобилей ЗИЛ-133Г1 (6x4) грузоподъемностью 8 т, к которым с 1977 г. добавилась 10-тонная модель ЗИЛ-133Г2 полной массой 17,2 т. Их оборудовали стандартным 150-сильным двигателем V8, 5-ступенчатой коробкой передач, гипоидной главной передачей и балансирной подвеской задних колес на полуэллиптических рессорах.

С 1979 г. взамен ЗИЛ-133Г2 выпускались грузовики ЗИЛ-133ГЯ на которых устанавливались дизельный двигатель КамАЗ-740 Камского автозавода ( 210 л.с), 10-ступенчатая коробка передач, усиленные передние рессоры.
Большую роль завод сыграл в судьбе КАМАЗа. На ЗИЛе были спроектированы литейный и автосборочный корпуса, а созданные образцы грузовиков легли в основу модельного ряда автомобилей из Набережных Челнов.
Начавшаяся в 1982 году последняя и самая крупная реконструкция завода совпала с кардинальными изменениями в экономике страны.
В 1984г. выпущены первые автомобили ЗИЛ-130 с модернизированным передним приводом. Им был присвоен индекс ЗИЛ-431410.
В1990-е годы производство грузовиков ЗИЛ-130 (ЗИЛ-431410) и ЗИЛ-131Н было переведено на Уральский автомоторный завод (УАМЗ) в Новоуральске под Екатеринбургом.
В начале 90-х гг. ранее засекреченное производство специальных вездеходов было преобразовано в ОАО "Вездеход ГВА". В его название вошли инициалы создателя вездеходной техники В. А. Грачева. Наиболее интересными являются аварийно-спасательные амфибии "Синяя птица". Они предлагались в грузовом и грузопассажирском исполнениях ЗИЛ-4906 и ЗИЛ-49061 (6х6) с бензиновыми или дизельными двигателями мощностью 136-185 л.с, бортовой 10-ступенчатой трансмиссией, независимой торсионной подвеской, дисковыми тормозами, стеклопластиковыми кузовами, оборудованными радионавигационными приборами и средствами спасения.

Полная масса машин - 9,6-11,8 т, максимальная скорость по шоссе - 75-80 км/ч, на плаву - 8-9 км/ч. С 1992 г. в городе Балахне Нижегородской области на Правдинском заводе радиорелейной аппаратуры (ОАО ПЗРА) начата сборка их сухопутных 4,5-тонных 185-сильных вариантов автомобилей высокой проходимости: с крановым манипулятором ЗИЛ-497202 и ЗИЛ-497205; с кузовом-фургоном ЗИЛ-497200; многофункциональных шасси ЗИЛ-390610.

В декабре 1991 г. распался СССР, и порвались многолетние внутрисоюзные связи. Новые условия периода перестройки, потеря важных рынков, сбои в кооперационных связях и фактическое прекращение поступления военных заказов заставили ЗИЛ в корне пересмотреть свою политику и начать приспосабливаться к рыночным принципам ведения хозяйства. В первое время это привело к резкому падению спроса на все серийные грузовые автомобили и поставило завод на грань банкротства. Одновременно начались активные поиски выхода из создавшегося положения, в результате которых вся производственная программа была пересмотрена и расширена. Этому способствовала и конкуренция со стороны иностранных фирм, которую ранее ЗИЛ никогда не испытывал.
23 сентября 1992 г. ПО ЗИЛ было приватизировано первым в отрасли и одним из первых из числа крупнейших предприятий России и преобразовано в Открытое Акционерное Московское Общество "Завод имени И. А. Лихачева" (АМО ЗИЛ) с сохранением торговой марки "ЗИЛ". Общее собрание акционеров избрало новый в истории завода орган управления - Совет директоров. Кроме головного завода, оно включало 30 дочерних предприятий. Одним из его акционеров стало правительство Москвы, которому в настоящее время принадлежит контрольный пакет акций.
Конъюнктура рынка изменилась, нужны были грузовики грузоподъемностью не более трех тонн, рассчитанные на мелких предпринимателей и преимущественное использование в городах для доставки малых партий грузов, и большегрузные грузоподъемностью свыше 10 тонн.
В 1992 году был разработан новый 3-х тонный малотоннажный автомобиль полукапотной компоновки ЗИЛ-5301.
Имя «Бычок» этому автомобилю дал мэр г.Москвы Ю.М.Лужков.
В 1992 г. для участия в соревнованиях Кубка ФИА по шоссейно-кольцевым гонкам на грузовиках было изготовлено несколько седельных тягачей ЗИЛ-4421С (мощность до 900 л.с.) с импортными агрегатами.
30 декабря 1994 г. с конвейера в АСК сошел последний грузовик ЗИЛ-130 (ЗИЛ-431410) и тогда же началось мелкосерийное производство автомобилей семейства ЗИЛ-5301. Его шасси стало базой для цельнометаллического фургона и автобусов вместимостью 15+1, 21+1. На третьей Всероссийской выставке-конкурсе «Лучшие работы года – Дизайн-95», коллектив авторов: К.В.Потехин, В.Г.Мазепа, А.Н.Митрофанов, А.Н.Горчаков, Э.С.Дамьяно, В.И.Бобр и Э.И.Грицай за разработку малотоннажного грузовика удостоен Гран При в номинации «Промышленный дизайн».
Основой семейства в 1996 г. стала серийная сборка автомобилей ЗИЛ-5301. Он оснащен автомобильной модификацией тракторного 4-цилиндрового дизельного двигателя Д-245.12С (108,8 л.с.) и Д-245.9Е2(136 л.с.) Минского моторного завода. На автомобили устанавливается 5-ступенчатая синхронизированная коробка передач, гидроусилитель рулевого управления и 3-местная кабина с некоторыми изменениями кабина ЗИЛ-4331. "Бычок" оснащен гидроприводом сцепления и тормозов, гипоидной главной передачей, передними дисковыми тормозами, 16-дюймовыми колесами с бескамерными шинами, имеет малый радиус поворота (7 м) и небольшую погрузочную высоту. Основные модификации семейства малотоннажных автомобилей производятся с колесными базами 3650 и 4250 мм; с удлиненной кабиной, с двумя спальными местами; с семиместной двухрядной кабиной. На них предлагаются соответствующие бортовые варианты, несколько видов универсальных, изотермических и рефрижераторных фургонов-кузовов. На базе малотоннажных автомобилей создана большая гамма коммунальной, строительной и специальной техники.

Автомобили семейства ЗИЛ-5301, оказавшиеся проще и дешевле иностранных аналогов, вполне удовлетворяют потребности российских покупателей.
В 1999 г. было изготовлено 13745 "бычков", что составило 63,4% общего производства завода.
В 1996 г. был представлен магистральный седельный тягач ЗИЛ-6404 (6x4) с 410-сильным дизелем ЯМЗ-7511 и спальным отсеком, способный буксировать автопоезда полной массой до 40 т со скоростью 105 км/ч.
1998 году на производство был поставлен автомобиль ЗИЛ-432720 (4х4) с колесной базой 3340 мм. Шасси ЗИЛ-432722 предназначается для монтажа специализированных надстроек коммунально -дорожных служб.

Кардинальные реформы в России 90-х гг. существенно отразились на положении ЗИЛа. Первоначальная ставка на тесное сотрудничество в области тяжелых грузовиков и дизелей с фирмами "Кенворт" (Kenworth), "Катерпиллар" (Caterpillar), "Вольво" (Volvo) и "Рено" (Renault) особого успеха не принесла.
С 1999 г. в ыпускались новые 10-тонные грузовики ЗИЛ-6309 (6x4) и самосвал ЗИЛ-6409 с 195-сильным дизельным двигателем ЯМЗ-236А массой до 40 т со скоростью 105 км/ч.
К концу XX века АМО ЗИЛ выпускал автомобили более чем в 120 вариантах и предлагал их с кузовами и надстройками, которые выпускали 100 предприятий России и стран СНГ, а комплектующие для них изготовляли 800 заводов и мастерских. В 1998-2000 гг. ЗИЛ выпускал по 20-22 тыс. грузовиков - это в 10 раз меньше его потенциальных возможностей.
С момента начала своей деятельности на предприятии в период с 1924 по 2000 годы произведено: грузовых автомобилей 7 769 902 шт.; автобусов 38 988 шт; легковых автомобилей высшего класса 11 515 шт.
В 2000 году три полноприводных автомобиля ЗИЛ-433420 совершили уникальный автопробег по маршруту Москва-Якутск-Уэлен-Северная Америка-Западная Европа-Калининград-Москва. Первый этап кругосветной экспедиции длиной 13500 км был пройден за 62 дня и завершился в поселке Уэлен на берегу Берингова пролива (Чукотка). Всего экспедиция преодолела 45 000 км. Автопробег проводился клубом «Приключение» совместно с АМЛ ЗИЛ и правительством Москвы.
В декабре 2002 года произошла смена руководства АМО ЗИЛ. Был назначен новый генеральный директор Константин Викторович Лаптев, который до этого работал в команде "Руспромавто" на посту исполнительного директора ГАЗа. На завод была привлечена группа менеджеров, имеющих практический опыт работы в условиях антикризисного управления. Была разработана программа реструктуризации завода, направленная на работу с дочерними предприятиями по возвращению утерянных ранее активов АМО ЗИЛ, восстановление хозяйственно-производственных связей с сохранившими и возвращаемыми дочерними предприятиями, расширение гаммы выпускаемой продукции и услуг, освоение новых рынков сбыта.
Сегодня завод на базе шасси ЗИЛ совместно с другими заводами выпускает большую гамму специальной техники: коммунальную, дорожно- строительную, мусоровозы, вакуумные, илососные, каналопромывочные, аварийно-ремонтные машины, автоцистерны, автоподъемники.

В 2003 году освоено производство автомобилей ЗИЛ-433180 и ЗИЛ-432930 с дизельными двигателями с повышенными мощностными показателями Минского моторного завода Д-260.11Е2 (180 л.с.) и Д-245.9Е2 (136 л.с.), которые имеют сертификаты соответствия норм Евро-2.

В 2004 году произошла передача функций исполнительного единоличного органа предприятия управляющей компании (МАК). В связи с этим изменилась должность руководителя завода: К.В.Лаптев стал генеральным директором управляющей организации АМО ЗИЛ.
С 2004 года с конвейера стали сходить автомобили ЗИЛ-43272Т (4х4) с дизельным двигателем ММЗ Д-245.9Е2 Евро-2; ЗИЛ-4334В1 (6Х6) с дизельным двигателем ММЗ Д-245.30Е2.

С целью наращивания темпов роста продаж новой техники ЗИЛа на предприятии впервые среди отечественных производителей грузовой и спецтехники организована Акция, стартовавшая 15 марта 2004 года, предназначенная для владельцев отечественных грузовых автомобилей. Суть акции в том, что каждый желающий мог сдать свой подержанный грузовой отечественный автомобиль в зачет стоимости любой новой машины ЗИЛ при ее покупке. При этом старые машины принимались по цене выше рыночной.
В 2005 году Компания «Автофрамос» планирует разместить на АМО ЗИЛ заказ на производство 12 основных кузовных деталей для своего нового Renault Logan . Специалисты АМО ЗИЛ, задействованные в производстве новых деталей, пройдут дополнительную специальную подготовку на предприятиях Renault во Франции.
Кроме автомобилей на заводе была разработана уникальная технология и налажено литье церковных колоколов. 14 колоколов весом то 8 кг до 27 тонн украшают Храм Христа Спасителя в г. Москве.
Юбилейные даты на 2005 год:
10 лет с начала массового производства автомобилей семейства ЗиЛ-433420
75 лет (март месяц) с открытия автомобильного техникума при ЗиЛе
55 лет (апрель месяц) с начала выпуска в стране первого домашнего холодильника ДХ-2
45 лет (май месяц) с открытия Завода - ВТУЗа при ЗиЛе
60 лет (июль месяц) с начала производства легковых автомобилей высшего класса ЗИС-110
75 лет (август месяц) с начала пуска автосборочного корпуса (АСК)
55 лет с начала создания и освоения производства бронетранспортеров ЗИС-152
25 лет с начала вьпуска машин поисково-спасательного комплекса «Синяя птица» ЗиЛ-4906
50 лет (декабрь месяц) с начала создания и производства междугородних автобусов ЗиЛ-0127
35 лет с начала создания и производства комфортабельных автобусов малого класса «Юность» ЗиЛ-118
2. Техническая часть
Устройство
Рулевой механизм
Изменение направления движения автомобиля осуществляют поворотом передних колес при помощи рулевого управления, которое включает в себя рулевой механизм и рулевой привод. Вращение рулевого колеса через рулевой механизм передается на рычаги и тяги рулевого привода, при помощи которых и поворачиваются управляемые колеса.В кабине автомобиля установлена рулевая колонка с рулевым колесом. Рулевая колонка в верхней части закреплена к панели приборов автомобиля хомутом, а в нижней части — к картеру рулевого механизма втулками.Рулевой механизм увеличивает усилие, передаваемое от рулевого колеса к сошке, облегчая этим поворот управляемых колес.Передаточное число рулевого механизма автомобиля ЗИЛ5301—20, автомобиле ЗИЛ-5301 рулевое управление имеет гидроусилитель, предназначенный для уменьшения усилия, затрачиваемого водителем для поворота колес и смягчения толчков от неровностей дороги, передаваемых на рулевое колесо. Гидроусилитель объединен в один агрегат с рулевым механизмом .Рулевой механизм (рис. 160) состоит из картера, винта с гайкой на циркулирующих шариках, рейки, изготовленной вместе с поршнем, гидроусилителя и зубчатого сектора, выполненного как одно целое с валом рулевой сошки. В автомобиле КамАЗ в системе гидроусилителя имеется радиатор для охлаждения масла.Гайка рулевого механизма жестко закреплена внутри поршня-рейки. Зубчатая рейка и зубчатый сектор имеют зубья, толщина которых переменна по их длине. Это позволяет регулировать зазор в зацеплении рейка-сектор регулировочным винтом, ввернутым в боковую крышку картера. Для уменьшения трения между винтом и гайкой в их резьбе циркулируют шарики. На поршне-рейке имеются упругие разрезные чугунные кольца, обеспечивающие плотную его посадку в картере-цилиндре рулевого механизма.Вращение рулевого вала преобразуется в поступательное движение поршня-рейки в результате перемещения гайки по винту. Зубья поршня рейки поворачивают сектор, а вместе с ним и вал с сошкой.Перед картером рулевого механизма установлен клапан управления, Насос гидроусилителя лопастного типа двойного действия (имеет две камеры) с бачком и фильтром закреплен на двигателе и приводится в действие клиновидным ремнем от шкива коленчатого вала (ЗИЛ-5301) или с помощью шестерен (КамАЗ). Нормальный прогиб приводных ремней под действием усилия 40 Н должен составлять 8...14 мм. Насос соединен с клапаном управления двумя шлангами: шлангом высокого давления, по которому подводится масло от насоса, и шлангом низкого давления (слива), по которому масло возвращается к насосу. Во время движения автомобиля по прямой золотник находится в среднем положении и масло из насоса перекачивается в бачок При повороте вправо золотник, перемещаясь, открывает доступ Масла вполость . В результате давления масла на поршень-рейку уменьшается усилие, которое затрачивается на поворот рулевого колеса. При повороте рулевого колеса влево золотник - перемещается и открывает доступ масла в полость Б, в результате чего облегчается поворот колеса влево.Карданная передача рулевого механизма автомобиля ЗИЛ-5301 позволяет уменьшить деформации колебания кабины относительно рамы автомобиля, а также уменьшить размеры системы рулевого управления. Вилки карданов соединены в верхней части с рулевым валом, а в нижней части — с ведущим валом рулевого механизма. В отверстиях вилки на бронзовых втулках установлены крестовины.На автомобиле КамАЗ к картеру рулевого управления прикреплен корпус угловой передачи, состоящей из пары конических шестерен. Ведущая коническая шестерня установлена в корпусе на шариковом и игольчатом подшипниках, а ведомая — на двух шариковых.На рис. 1-2показана схема рулевого Механизма автомобиляЗИЛ 5301. К основным частям его относятся: рулевое колесо, рулевой вал, рулевая колонка, картер рулевого механизма с боковой и нижней крышками, глобоидальный червяк, вал рулевой сошки с трехгребневым роликом и подшипниками, а также и регулировочный винт вала рулевой сошки.В картере рулевого механизма находятся червяк и вал рулевой сошки с роликом. Картер рулевого механизма установлен на раме автомобиля и закреплен к ней болтами.Глобоидальный червяк рулевого механизма автомобиля ЗИЛ 5301 , установлен в картере рулевого механизма на двух конических роликовых подшипниках, которые не имеют внутренней обоймы. Внутреннюю обойму подшипника заменяет беговая дорожка, выполненная на червяке, по которой и происходит качение роликов подшипников, а наружные обоймы установлены в корпусе картера рулевого механизма. В рулевом механизме указанного автомобиля предусмотрена регулировка подшипников, для чего между нижней крышкой и картером рулевого механизма находится несколько тонких прокладок, которые по мере износа вынимают.Соединение рулевого вала с червяком осуществляется запрессовкой его на нижний шлицованный конец.Рулевое колесо установлено на мелких конических шлицах верхнего конца рулевого вала и закреплено гайкой. В верхней части рулевой колонки имеется подшипник для центрирования рулевого вала.Трехгребневый ролик рулевого механизма автомобиляЗИЛ 5301, находящийся в зацеплении с глобоидальным червяком, расположен на оси и двух игольчатых подшипниках в головке вала рулевой сошки, который, в свою очередь, установлен в отверстии картера на бронзовой втулке. Цилиндрический шип вала вставлен в роликовый подшипник. Показан также регулировочный винт с вырезом, в который входит головка шипа. Этот винт ввернут в боковую крышку картера и сверху закрыт колпачковой гайкой со стопорной шайбой. Винтом регулируют зацепление глобоидального червяка и трех-гребневого ролика.
Рулевой привод
Для поворота управляемых колес при изменении направления движения, автомобиля усилие от рулевого механизма необходимо передать к управляемым колесам. Для этой цели служит рулевой привод (рис. 1), состоящий из рулевой сошки, рулевых тяг (продольной и поперечной), верхнего рычага поворотной цапфы и двух поворотных рычагов (левого и правого). Рулевая сошка на выступающей части вала должна быть закреплена так, чтобы исключалось проворачивание ее, для чего на валу и в проушине рулевой сошки выполнены мелкие шлицы.Для правильной установки рулевой сошки на валу имеются метки или несколько пар шлицев, выполненных вместе. Закреплена рулевая сошка гайкой, навернутой на конец вала. В нижнем конце рулевой сошки, имеющем конусное отверстие, при помощи гайки закреплен палец с шаровой головкой.Рулевые тяги выполнены из труб и имеют наконечники, в которые через боковые отверстия с прорезью входят шаровые пальцы сошки и рычагов поворотных цапф. Шаровые пальцы в наконечниках тяг закреплены сухарями ,которые сжимаются пружиной и закреплены пробкой, ввернутой в торцевое отверстие тяги. Ввертывая и вывертывая пробку, регулируют натяжение пружины.Наконечники поперечной тяги навернуты на левую или правую резьбу и закреплены от произвольного отворачивания стяжными болтами. Такое устройство дает возможность изменять длину тяг, а следовательно, и изменять схождение колес. По своей конструкции наконечники тяг автомобиля ЗИЛ-5301 отличаются от конструкции наконечника тяг автомобиля ГАЗ-53А, где сухари наконечников тяг охватывают полусферическую головку пальцев рычагов поворотных цапф, Пружины, установленные в наконечниках, устраняют зазоры по мере выработки деталей сочленения. Сочленения поперечных рулевых тяг имеют самоподжимное устройство, а в автомобилях ЗИЛ 5301 и КамАЗ такое же устройство сочленений имеют и продольные тяги.Для установки рычагов в поворотных цапфах имеются отверстия с канавкой для шпонки. Шаровые пальцы устанавливают в конусные отверстия в рычагах. Рычаги и шаровые пальцы закреплены гайками. Для надежности соединений деталей рулевого привода пробки наконечников продольной рулевой тяги (автомобиль ЗИЛ-5301) и гайки крепления поворотных рычагов и шаровых пальцев зашплинтованы.Все шарнирные соединения рулевого привода для уменьшения износа деталей смазываются через масленки и имеют защитные приспособления от попадания грязи и вытекания смазки.При проверке уровня масла в гидроусилителе передние колеса автомобиля устанавливают в положение, соответствующее движению по прямой и масло доливают при работающем на холостом ходу двигателе до метки «Уровень масла» на боковой стенке бачка насоса.При снятии крышки бачка ее следует очистить и промыть бензином.Для смазки шарнирных сочленений рулевого привода автомобиля ГАЗ-53А применяют смазку ЯНЗ-2, для автомобилей ЗИЛ-5301 и КамАЗ —смазку УСс, либо пресс-солидол УС-1 или С. Смазывают их в соответствии с графиком смазки.При повороте колёс или наезде на препятствие детали рулевого привода перемещаются друг относительно друга как в вертикальной, так и в горизонтальной плоскостях. Для обеспечения свободы этих перемещений, при условии надёжной передачи усилий, соединения продольной тяги, с сошкой и рычагом, а также соединения поперечной тяги с рычагами и осуществляют, в большинстве случаев, шаровыми шарнирами рис. На автомобилях повышенной проходимости иногда соединения поперечной тяги с рычагом поворотных цапф осуществляют с помощью цилиндрических пальцев.Продольную тягу, делают трубчатой с двумя шарнирами по концам. Шарнир включает палец, сухари, пробку, пружину, ограничитель. При затягивании пробки головка пальца зажимается сухарями, а пружина сжимается. Пружина не допускает зазоров, появляющихся в результате износов, и смягчает толчки, передаваемые от колёс на рулевой привод. Ограничитель предотвращает чрезмерное сжатие пружин. Шарниры располагают в тяге относительно пальцев и так, чтобы через пружины передавались усилия, действующие на тягу от сошки 6 и от поворотного рычага. В поперечной рулевой тяге шарниры размещают в наконечниках, навинченных на концы тяги. Резьба на концах тяги обычно имеет разное направление, поэтому, вращением тяги , при неподвижных наконечниках можно регулировать длину тяги при регулировке схождения колёс. Пальцы жёстко крепятся в рычагах поворотных цапф. Шаровой поверхностью палец прижимается предварительно сжатой пружиной через пятку к сухарю. Такое устройство позволяет непосредственно передавать усилие от пальца на тягу и в обратном направлении. Пружина устраняет зазор в соединении при износе деталей. Отличие шарниров в поперечной и продольной тягах заключается в том, что в продольной тяге усилие передаётся через пружину, а в поперечной непосредственно. Это делается во избежание поперечных колебаний колёс. Шарниры смазываются через маслёнки. Иногда смазка закладывается при сборке на заводе и в эксплуатации не возобновляется. Выше рассмотрена конструкция и принцип действия рулевого привода при зависимой подвеске управляемых колёс. При независимой подвеске колёс конструкция рулевого привода иная. На рис представлена конструктивная схема такого привода. Основная особенность заключается в том, что поперечная тяга в такой схеме обычно состоит из трёх частей: средней тяги и шарнирно соединённых с ней двух боковых тяг. Средняя тяга одним концом соединена с сошкой, а другим – с маятниковым рычагом, поворачивающимся вокруг опоры на кузове автомобиля. Шарнир, соединяющий каждую боковую тягу со средней, близко расположен к оси качания колеса. При деформации подвески это исключает самопроизвольный поворот колёс.
Усилители рулевого управления Усилители предназначены для снижения усилия на рулевом колесе и повышения безопасности движения автомобиля при действии со стороны дороги на управляемые колеса неуравновешенных усилий. Усилитель должен обладать следящим действием, высокой чувствительностью и динамической устойчивостью (отсутствие автоколебаний), обеспечивать возможность управления автомобилем в случае выхода усилителя из строя, не допускать включения усилителя при случайных воздействиях со стороны дороги при прямолинейном движении. Кинематическое слежение заключается в повороте управляемых колес в соответствии с поворотом рулевого колеса и его направлением. Силовое слежение обеспечивает пропорциональность усилия на рулевом колесе усилию, необходимому для поворота управляемых колес. Усилители бывают гидравлические и пневматические. В их состав входит источник энергии (гидронасос с аккумулятором или компрессор с ресивером), распределитель, исполнительный механизм и соединительные трубопроводы. Распределитель осуществляет подвод энергии жидкости под давлением или сжатого газа к исполнительному механизму – гидро- (пневмо-) цилиндру. В последнем энергия жидкости (воздуха) преобразуется в усилие, передающееся на управляемые колеса. Источником энергии в системе гидроусилителя, как сказано выше, является гидронасос. Наиболее распространены пластинчатые и шестеренные насосы. Они обеспечивают в автоматическом режиме требуемые расходы и давление, получая вращение от двигателя автомобиля.При повороте рулевого колеса рис, например, вправо, сошка рулевого механизма повернется по ходу часовой стрелки и сместит золотник распределителя назад по отношению к принятому направлению движения автомобиля. В результате жидкость от насоса подается через распределитель в полость А и гидроцилиндр начинает поворачивать управляемые колеса вправо. При этом полость цилиндра соединена со сливной магистралью.После прекращения поворота рулевого колеса управляемые колеса под давлением рабочей жидкости на поршень цилиндра продолжают поворачиваться направо. Под действием рычага и тяги корпус распределителя смещается назад и перекрывает доступ жидкости в полость цилиндра усилителя. Поворот управляемых колес прекращается. Таким образом, управляемые колеса поворачиваются в соответствии с поворотом рулевого колеса. Кинематическое следящее действие придает обратная связь (рычаг и тяга), которой управляемые колеса соединяются с корпусом распределителя. Силовое следящее действие достигается введением реактивных элементов: камер или плунжеров. В приведенной схеме силовое слежение достигается с помощью реактивных камер 6 и, в которые через колиброванные отверстия поступает жидкость из нагнетательной магистрали. Она воздействует на вверхний или нижний торец золотника в зависимости от направления поворота автомобиля. В результате усилие, необходимое для смещения золотника, зависит от давления в нагнетательной магистрали, которое, в свою очередь, определяется моментом сопротивления повороту управляемых колес. Усилитель может вступать в работу не только под действием сил от рулевого колеса, но и от сил, передаваемых от управляемых колес. Предположим, что от толчка управляемое колесо повернулось вправо. Вследствие обратной связи колеса через рычаг и тягу с корпусом распределителя, последний перемещается относительно неподвижного золотника вниз (по рисунку) и жидкость от насоса подастся в полость гидроцилиндра. В результате жидкость под давлением создаст препятствие для поворота колеса вправо. Таким образом, усилитель удерживает колеса в положении, соответствующем положению рулевого колеса. Чтобы исключить включение усилителя при действии незначительных сил со стороны управляемых колес в распределителе в полостях устанавливают центрирующие пружины. И, если сила со стороны колес на распределитель меньше усилия предварительного сжатия пружин, то распределитель не включается в работу, кроме того, самопроизвольному включению усилителя препятствует давление жидкости в реактивных камерах.В зависимости от относительного расположения элементов различают схемы компоновки усилителей (рис.1. И 2).При первой схеме распределитель, гидроцилиндр и рулевой механизм выполнены в едином блоке, рис. 1. Эта схема компактна, имеет минимальное число шлангов, не склонна к автоколебаниям из-за высокой жесткости гидравлических магистралей. Но здесь весь рулевой привод нагружается усилием от гидроцилиндра, приложенным к валу сошки. Во второй схеме, рис.2, гидроусилитель объединен в блок с рулевым механизмом, а гидроцилиндр расположен отдельно. Здесь привод не нагружен усилием от гидроцилиндра. Он имеет малую склонность к автоколебаниям, легко компонуется, гидроцилиндр, расположенный близко к управляемым колесам, воспринимает динамические нагрузки при ударах. При третьей схеме, рис., гидрораспределитель и гидроцилиндр объединены, а рулевой механизм расположен отдельно. В этом случае гидроцилиндр нужно располагать в строгом соответствии с рулевым механизмом, так как шаровой палец сошки должен управлять работой распределителя. В четвертой схеме рулевой механизм, распределитель и силовой цилиндр размещены автономно. Эта схема наиболее гибка с точки зрения компоновки и унификации элементов, но имеет много шлангов и склонна к автоколебаниям. Рассмотрим конструкцию и работу гидроусилителя, встроенного в рулевой механизм на примере рулевого управления автомобиля ЗИЛ 5301.Давление жидкости в системе гидроусилителя создается лопастным насосом, приводимым от двигателя. Винт 4 может незначительно перемещаться в осевом направлении вследствие разности длины золотника и корпуса. Это перемещение равно примерно 1,1 мм. в каждую сторону. На золотнике имеется три пояска, а в корпусе распределителя три окна в виде кольцевых канавок. Золотником в корпусе образовано две камеры В и Г.Жидкость от насоса поступает по шлангу в среднее окно, а отводится от распределителя из двух крайних окон через другой шланг. В корпусе распределителя имеется шесть каналов, в каждом из которых установлено между промежуточной и верхней крышками по два реактивных плунжера. Каждая пара плунжеров разжимается центрирующей пружиной. Предварительное сжатие пружин осуществляется при завертывании гайки. Внутренние полости каналов между парами плунжеров соединяются со средним окном корпуса. В корпусе распределителя имеется шариковый клапан, соединяющий напорную магистраль со сливной, когда насос усилителя не работает. Картер рулевого механизма служит гидроцилиндром. Поршень 3 делит гидроцилиндр на две полости, каждая из которых соединена с соответствующими камерами распределителя. При прямолинейном движении автомобиля реактивные плунжеры, находящиеся под действием сжатых пружин и давления масла, заставляют золотник занять в корпусе среднее положение. В этом случае между большими кольцами упорных подшипников и торцами корпуса распределителя будут, примерно, одинаковые зазоры. Масло от насоса проходя через камеры В и Г распределителя поступает в сливную магистраль. При повороте, например, вправо винт, вывертывается из гайки и перемещается вместе с золотником до упора большого кольца подшипника в торец корпуса. Усилие центрирующих пружин на реактивные плунжеры будет передаваться на рулевое колесо. Зазор между подшипником и торцом корпуса будет максимальным, равным. Камера будет отсоединена от сливной магистрали, а камера от насоса и жидкость от насоса поступит в полость цилиндра. Давление в ней возрастет и начнет вместе с силой, передающейся на поршень от рулевого колеса, перемещать поршень, и управляемые колеса повернутся. Вместе с поршнем в осевом направлении будут перемещаться и винт с золотником (обратная связь) до тех пор, пока золотник не займет в корпусе нейтральное положение. Аналогично работает усилитель и при повороте влево. Давление жидкости, действующее на реактивные плунжеры, повышается по мере увеличения сопротивления повороту колес, вследствие этого увеличивается и сила на рулевом колесе. При неработающем усилителе управление становится более тяжелым, так как водитель должен вручную преодолевать кроме усилия сопротивления колес еще и усилие на вытеснение жидкости из одной полости гидроцилиндра в другую через шариковый клапан.
Техническое обслуживание
Техническое обслуживание рулевого управления выполняется в сроки и объемах, оговоренных руководством по эксплуатации. Особенно тщательной проверке при ежедневном обслуживании (ЕО) подлежат внешнее состояние гидроусилителя, насоса высокого давления гидроусилителя и масломагистрали на предмет отсутствия течи масла. При наличии течи, а также при появлении отклонений в работе механизмов не следует ждать наступления-планового срока очередного технического обслуживания, а немедленно устранить подтекание и неисправность.Важное значение имеет состояние деталей крепления всех агрегатов, проверяемое ежедневно и при всех видах технического обслуживания; картера рулевого механизма к раме; рулевой колонки к кабине, рулевого колеса на рулевом валу; сошки на валу рулевого механизма, шарнирных соединений рулевых тяг, болта соединения сошки с шаровым пальцем.Нормальная работа насоса высокого давления гидроусилителя существенно зависит от натяжения приводных ремней (на автомобилях ЗИЛ моделей 5301 и 131Н) — прогиб ремня должен быть в пределах 8... 14 мм под нагрузкой 40 Н.Уровень масла в бачке насоса надо проверять после нагрева масла и при положении управляемых колес для движения прямо. Для доливки следует применять только такое масло, которое залито в систему в данный момент. Смешивание масла значительно ухудшает его свойства. Применение заменителя допускается из числа рекомендованных заводом. Работа на смешанном составе масла допускается ограниченное время, после чего необходимо промыть систему и залить масло одного наименования.Масло надо доливать при работе двигателя в режиме холостого хода до появления его под сеткой заливного фильтра, причем полного покрытия сетки фильтра не требуется (на автомобилях ЗИЛ моделей 5301и 131Н). На автомобиле ЗИЛ-5301ГЯ уровень масла определяется по щупу — нормальный уровень располагается между метками. Особую осторожность следует проявлять при закреплении крышки бачка гидронасоса. Закручивать гайку-барашек можно только от руки во избежание прогиба коллектора. На автомобиле ЗИЛ-5301ГЯ, где вместо барашка применена гайка, усилие затяжки гайки ключом должно быть незначительным.При исправной работе системы гидроусилителя и его привода с наступлением срока проведения СО особое внимание следует обратить на необходимость замены масла в гидроусилителе и смазочного материала в узлах рулевого управления.В шлицевом соединении карданного вала 1 раз в год необходимо заменить смазочный материал: промыть шлицы, смазать их тонким слоем смазки 1-13, ЯНЗ-2 или Литол-24. Внутрь шлицевой втулки надо заложить не более 20 г этого же смазочного материала. Большее количество смазочного материала ограничивает осевое перемещение одной части в шлицах карданного вала относительно другой. При сборке карданного вала следует проявлять осторожность в обращении со всеми уплотнениями, избегая их повреждения. Собирать обе половины карданного вала надо таким образом, чтобы отверстия под клинья были расположены параллельно между собой, а вход в каждое был по обе стороны оси вала.Замена масла в системе гидроусилителя 2 раза в. год (осенью и весной) проводится только в том случае, когда в системе вместо основного масла МГ-22-В («Р») применялось масло из рекомендованных заводом заменителей. В качестве заменителей можно употреблять масла, применяемые (по сезону) для двигателя на автомобиле.Перед сливом масла следует прогреть его для лучшей очистки внутренних полостей-гидросистемы.Для смены масла нужно отсоединить продольную тягу от сошки, снять крышку бачка насоса, провернуть рулевое колесо влево до упора (для доступа к сливной пробке и установки тары под сливаемое масло) и вывернуть пробку из картера рулевого механизма. Масло сливают до полного прекращения течи из сливного отверстия, обеспечивая полный слив его поворачиванием рулевого колеса 2—3 раза до упора в обе стороны. После прекращения течи масла из сливного отверстия необходимо чистой салфеткой протереть стенки бачка насоса (предварительно вынув оттуда фильтры)1, промыть крышку бачка, уплотнительные и крепежные детали, сетки фильтров насоса, сливную пробку гидроусилителя и установить фильтры насоса на место.Для промывки гидросистемы надо залить 1 л свежего масла в бачок,и, поворачивая рулевое колесо 3—4 раза до упора в обе стороны, слить масло. ;Закрыв сливное отверстие в гидроусилителе, можно приступить к заливке свежего масла. Масло заливают в бачок из мерной кружки до появления его над сеткой заливного фильтра на автомобилях ЗИЛ моделей 431410 и Г31Н и по меткам на щупе на автомобиле ЗИЛ-5301ГЯ. Вращая рулевое колесо в обе стороны без приложения усилия в крайних положениях, надо довести объем залитого масла до 2,5 л. Пустив двигатель без нагрузки, надо вращать рулевое колесо в обе стороны до упора, но теперь уже с усилием около 1 Н в течение 2...3 с, доливая масло в систему до уровня. Прекращение выхода пузырьков воздуха через масло в бачке насоса свидетельствует о полном удалении воздуха из системы. : После этого можно закрыть бачок насоса.
Присоединив продольную рулевую тягу к сошке масла, смазать через пресс-масленку шарниры рулевых тяг до появления свежего смазочного материала из-под уплотнителей. Выступивший смазочный материал удалить во избежание скапливания на нем грязи.
Возможные неисправности
Важнейшим условием надежной работы гидроагрегатов рулевого управления грузовых автомобилей ЗИЛ 5301 является содержание в чистоте всей гидросистемы.При сборке автомобиля на заводе в гидросистему заливается всесезонное масло МГ-22-В («Р»), имеющее низкую температуру застывания и содержащее противоизносную, антиокислительную и другие улучшающие качества присадки. В процессе эксплуатации автомобиля масло надо доливать только при необходимости (в случае утечки), а смену масла производить только в связи с ремонтом агрегатов.Допускается применение заменителей масла из числа рекомендованных заводом, но при этом следует иметь в виду, что долговечность работы агрегатов снижается и масло следует менять 2 раза в год (при СО).В процессе эксплуатации автомобиля необходимо правильно оценивать всевозможные ситуации, возникающие в работе механизмов рулевого управления.Если отсутствует подача масла под высоким давлением от насоса к гидроусилителю, пользоваться механизмом можно только кратковременно, так как возросшие из-за отсутствия высокого давления масла в рулевом механизме нагрузки на упорные шариковые подшипники, винт рулевого управления и детали узла шариковой гайки приводят к быстрому износу и разрушению. Кроме того, эти же нагрузки отрицательно сказываются на работе карданного вала и рулевой колонки. В результате резкого возрастания нагрузок в рулевом механизме не следует:буксировать, автомобиль с.неработающим двигателем на большие расстояния без вывешивания его переднего моста;останавливать двигатель до полной остановки автомобиля, при движении накатом, на спусках.Нельзя длительно удерживать, рулевое колесо на предельных углах поворота управляемых колес. Это приводит к работе насоса высокого давления гидроусилителя на предохранительный клапан, быстрому нагреву масла, задиру лопаток ротора и, как следствие перечисленного, — выходу насоса из строя.В случае разрушения шлангов следует соединить магистрали низкого и высокого давления насоса между собой, заглушить отверстия подвода (отвода) масла в рулевом механизме и продолжить движение до устранения неисправности. Двигаться в этом случае надо на малых скоростях, не допуская большой частоты вращения коленчатого вала двигателя во избежание перегрева масла в бачке насоса. В случае перегрева масла в бачке (проверяется ладонью на ощупь) следует остановить двигатель и дать остыть маслу.Работа каждого агрегата, узла рулевого управления регламентирована конкретными техническими требованиями, в которых оговорены определенные параметры, пределы регулировок, усилия проворачивания, давления масла и т. д.Часто нарушения в работе гидромеханизмов рулевого управления вызывают возникшие неисправности в сопрягаемых узлах. Поэтому перед проверкой и регулировкой агрегатов, узлов рулевого управления необходимо привести в соответствующее техническое состояние сопрягаемые механизмы, агрегаты, узлы. Например, надо проверить балансирную подвеску, давление воздуха в шинах, наличие смазочного материала в узлах рулевого управления и ступицах колес, регулировку подшипников колес, шарниров рулевых тяг, установку углов управляемых колес.Приступать к работе по проверке гидромеханизмов и узлов рулевого привода и управления рекомендуется после выполнения перечисленного выше комплекса работ. Работу рулевого механизма можно проверить с помощью динамометра так.Первое — проверить состояние и потери на трение в уплотнениях, опорах вала сошки и винта рулевого управления, в упорных шарикоподшипниках винта. Для этого надо рулевое колесо повернуть из среднего положения несколько больше двух оборотов в любую сторону. Показания динамометра 5,5....13,5 Н свидетельствуют об исправности механизмов. Меньшее значение усилий на рулевом колесе возможно из-за ослабления затяжки упорных шариковых подшипников винта рулевого управления, в результате чего автомобиль будет плохо «держать дорогу». Большее значение усилий возможно в результате перетяжки подшипников, что недопустимо, так как может привести к заеданию рулевого управления и ускоренному износу рулевого механизма. Для устранения выявленных отклонений в работе механизма его следует отправить в ремонт.Второе — проверить состояние сопрягаемого узла шариковой гайки и средней части винта рулевого управления. Для этого надо рулевое колесо повернуть на 3/4 — 1 оборот от среднего положения в любую сторону. Показание динамометра не более 23 Н свидетельствует об удовлетворительном состоянии сопрягаемого узла.Превышение усилия 23 Н свидетельствует об увеличении трения в шариковой паре, что может привести к износу и поломке деталей. В этом случае требуются разборка и проверка рулевого механизма в условиях ремонтной мастерской.Третье — проверить состояние зацепления в зубьях сектора вала рулевой сошки и поршня-рейки. Усилие от обода рулевого колеса в момент прохождения среднего положения должно быть на 8... 12,5 Н больше усилия, полученного при втором положении (до 23 Н), но не более чем 28 Н. Меньшее значение усилия возможно в результате появления повышенного зазора в зубчатом зацеплении, из-за чего автомобиль плохо «держит дорогу». Повышенное усилие будет из-за уменьшения зазора в зацеплении, что приводит к предварительному натягу и ухудшению самовозврата колес в среднее положение, т. е. автомобиль плохо выходит из поворота. Если в результате третьей проверки получены недопустимые отклонения усилий на ободе рулевого колеса, можно отрегулировать рулевой механизм, не снимая его с автомобиля по так называемому «варианту внешней регулировки». Для этого надо ослабить контргайку рулевого винта и вращением винта установить необходимый зазор в зубчатом зацеплении, при котором усилия на ободе рулевого колеса будут в требуемых пределах. Производя регулировку, следует иметь в виду, что вращение винта по часовой стрелке (ввертывание винта в крышку) уменьшает зазор в зацеплении и приводит к увеличению усилий, а вращение винта против часовой стрелки (вывертывание винта из крышки) увеличивает зазор в зубчатом зацеплении и уменьшает усилия на ободе рулевого колеса.Удерживая регулировочный винт от проворота, необходимо затянуть контргайку моментом 40...45 Н-м.Показателем работы рулевого управления является также момент вращения вала сошки рулевого механизма. Для проверки момента вращения вала сошки надо отсоединить продольную тягу от сошки, прогреть систему гидроусилителя до 50 °С, установить рулевое колесо в среднее положение. Зацепив динамометр за нижний конец сошки, тянуть ее в любую сторону, сохраняя угол 90° между динамометром и сошкой. Показание динамометра должно быть не более 600 Н. Большее значение усилия будет при повреждении или заедании деталей рулевого механизма, который в этом случае должен быть разобран для детальной проверки в условиях ремонтной мастерской.Неисправности в работе насоса высокого давления гидроусилителя также могут быть причинами повышения усилия на рулевом колесе и увеличения его свободного хода. Работу насоса характеризует развиваемое давление. Для определения этого давления следует в магистраль высокого давления между насосом и гидроусилителем ввести приспособление с манометром со шкалой до 10 000 кПа и вентилем между манометром и гидроусилителем. Масло в насосе должно быть прогрето до 65...70° С, для чего достаточно при работающем двигателе повернуть управляемые колеса в обе стороны до упора 2—3 раза и удержать их в этом положении 10—15 с. При работе двигателя на холостом ходу в момент удержания колес в положении «до упора» не более 15 с давление прогретого масла должно быть на новом насосе не ниже 6000 кПа, на эксплуатировавшемся насосе — не ниже 4000 кПа. Для автомобиля ЗИЛ-133ГЯ давление должно быть 6500 кПа. При меньшем значении давления масла необходимо оценить состояние насоса по характеру изменения давления.На исправном насосе, имеющем допустимую степень износа, при медленном закрывании вентиля давление масла должно возрасти до 4500 кПа, а на новом насосе — до 6500 кПа. На автомобиле ЗИЛ-ГЗЗГЯ давление должно быть в пределах 6500... 8500 кПа. Если давление при закрытии вентиля не возрастает, насос неисправен и подлежит ремонту.Утечку масла через уплотнители верхней крышки рулевого механизма и вала сошки можно устранить заменой уплотнителей.Для замены уплотнителя верхней крышки следует частично слить масло из гидроусилителя, отсоединить вилку карданного вала от винта рулевого механизма, промыть корпус клапана управления и крышку. Затем надо снять крышку. При снятии и установке крышки рекомендуется на конец рулевого винта надеть предохранительную втулку, защищающую манжету от повреждения кромками паза винта при перемещении крышки по винту.После снятия верхней крышки вскрытый торец клапана управления надо обязательно закрыть чистым подручным материалом (бумагой, салфеткой) во избежание загрязнения механизма.Щипцами снять стопорное кольцо и извлечь шайбу с резиновым уплотнителем, вынуть уплотнительную манжету. Перед установкой новой манжеты крышку тщательно следует промыть моющим раствором и продуть сжатым воздухом. Поверхность новой манжеты смазать маслом, после чего с помощью оправки манжету запрессо-вать в крышку. Дальнейшая сборка уплотнительного узла выполняется в обратной последовательности с применением того же инструмента. Стопорное кольцо должно полностью войти в свою канавку.Устанавливая крышку на рулевой механизм, следует проверить качество уплотнительного кольца торца крышки и при необходимости заменить его. Чтобы кольцо не выпало из крышки, при установке его смазывают консистентной смазкой. По окончании всех монтажных работ надо долить масло в гидросистему и удалить воздух.Для замены уплотнительной манжеты вала сошки надо снять съемником сошку и промыть моющим составом конец вала сошки и картер рулевого механизма.После снятия щипцами стопорного кольца на вал сошки надо установить упорную втулку и гайкой крепления сошки прижать втулку к торцу картера. При работающем двигателе повернуть рулевое колесо влево до упора и удержать его в этом положении несколько секунд. В результате созданного в рулевом механизме высокого давления масла манжета, не удерживаемая стопорным кольцом, будет выпрессовываться из корпуса. Через паз в упорной втулке можно визуально проверить движение манжеты. Когда торец манжеты выйдет из картера примерно на 2 мм и войдет в упорную втулку, надо остановить двигатель и снять втулку вместе с манжетой. При необходимости можно повторить выпрессовку описанным выше способом, но с увеличенным давлением масла, удерживая рулевое колесо не более 10... 15 с с большим усилием. При значительном предварительном натяге манжеты в картере выпрессовка ее описанным способом может и не произойти. В этом случае работа должна проводиться в ремонтной мастерской.После извлечения манжеты из картера необходимо промыть гнездо манжеты в картере моющим составом. Через предохранительную втулку, установленную на вал сошки, смазанную маслом снаружи новую манжету устанавливают в гнездо картера и легкими ударами молотка по оправке, прижатой к манжете, запрессовывают манжету в картер до упора буртика оправки в торец картера.После запрессовки манжеты надо снять предохранительную втулку и установить в расточку картера упорное кольцо, наружную резиновую манжету, шайбу и стопорное кольцо. Легкими ударами молотка по оправке нужно запрессовать все детали до входа стопорного кольца в канавку, о чем свидетельствует характерный щелчок. Работа завершается дальнейшей установкой деталей в последовательности, обратной разборке. При этом гайку крепления сошки на валу следует затягивать моментом 250...300 Н-м. Масло в системе подлежит замене.Для проверки герметичности обратного клапана надо частично слить масло из гидросистемы, протереть салфеткой и промыть моющим составом поверхность вокруг угольника присоединения шланга низкого давления к клапану управления, после чего вывернуть болт крепления угольника низкого давления. Затем необходимо закрыть отверстие корпуса клапана консистентной смазкой (для защиты от возможного загрязнения) и отверткой вывернуть шариковый клапан , после чего немедленно закрыть салфеткой отверстие в корпусе клапана управления. Промыв клапан в бензине, продув его сжатым воздухом и убедившись после осмотра в отсутствии повреждений корпуса, нужно перевернуть клапан резьбой вверх и залить в отверстие масло. В исправном клапане может быть утечка масла в виде отдельных капель, а неисправный клапан масло совсем не держит.Допускается восстановление герметичности клапана, для чего надо установить шарик на седле и легкими ударами молотка через мягкую выколотку по шарику осадить шарик на седле, после чего описанным выше способом вновь проверить герметичность. Если герметичность не восстанавливается, клапан подлежит замене. По окончании проверки надо установить исправный клапан на место и произвести дальнейшую сборку в последовательности, обратной разборке, включая доливку масла в гидросистему и удаление воздуха.Появление течи масла в соединении трубки шланга высокого давления на корпусе клапана управления может быть в результате деформации (смятия) седла в корпусе. В этом случае седло следует заменить. Работу по замене седла можно выполнить на автомобиле. Для этого необходимо частично слить масло из гидросистемы, отсоединить трубку высокого давления от рулевого механизма. Заполнить консистентной смазкой и аккуратно нарезать в этом отверстии резьбу Мб на малой длине (4—5 витков). Ввернуть в отверстие клапана болт с резьбой Мб и извлечь седло, из клапана, после чего с помощью оправки запрессовать в клапан новое седло.Установив на место шланг высокого давления, можно долить масло в гидросистему и удалить воздух.К рулевому управлению предъявляются следующие требования. Оно должно обеспечивать движение автомобилю в соответствии с направлением, заданным водителем. Правильность движения управляемых колес не должна нарушаться ни при изменениях положения их в результате подрессоривания, ни под действием неровностей и поперечного уклона дороги, бокового ветра, изменения коэффициента сцепления и сопротивления качению на колесах одной стороны по отношению к другим.Несоответствие кинематики рулевого привода и подвески может явиться причиной колебаний управляемых колес и ухудшить управляемость автомобиля. Во избежание этого рулевой механизм размещают на подрессоренной части шасси и так располагают продольную рулевую тягу от сошки до переднего колеса, чтобы при любом движении колес она подвергалась наименьшим осевым перемещениям.В современных автомобилях, включая самодельные, управляемыми колесами в подавляющем большинстве выполненных конструкций являются передние. Но намечается тенденция сделать управляемыми все колеса, что в значительной мере повысит маневренность автомобиля и его устойчивость при поворотах на больших скоростях. Для обеспечения раздельного поворота каждого колеса вокруг своего центра поворота колеса устанавливаются на поворотных цапфах. Поворот передних управляемых колес на разные утлы аир дает возможность катиться им по своим окружностям без проскальзывания. Чем круче поворот, тем больше разница между углами, на которые колеса должны быть повернуты. Такая кинематика обеспечивается специальным четырехзвенным механизмом — рулевой трапецией. У автомобилей, имеющих балку передней оси, рулевая трапеция образуется самой балкой, рычагами поворотных цапф и поперечной рулевой тягой. Такое рулевое управление называется нераздельным. При независимой подвеске передних управляемых колес применяется раздельный привод рулевого управления. В нем рулевая трапеция образуется поперечиной кузова, рычагами поперечных тяг и составной поперечной тягой, соединенной с маятниковым рычагом.В рулевом управлении с разрезной поперечной тягой привод последней осуществляется либо от рулевого механизма (реечного, червячного и других типов), либо от зубчатой рейки, которая служит средним звеном тяги. Так, например, выполнено рулевое управление автомобиля-амфибии Прутова При проектировании рулевого привода определяют размеры рычагов рулевой трапеции, углы их наклона по отношению к продольной оси автомобиля и подбирают необходимые передаточные числа рычажного привода к управляемым осям. Эти расчеты и.последующую проверку лучше выполнять графически, вычерчивая в масштабе схему элементов рулевого управления в плане и вид сбоку. Желательно вычертить положение одного из элементов в нескольких позициях и геометрически связать положение всех остальных звеньев. Графическая проверка позволяет убедиться, что перемещение рычагов подвески колес при наезде последних на неровности дороги не будет мешать перемещению рычагов рулевого привода и трапеции и наоборот. Этой проверкой окончательно корректируются размеры элементов рулевой трапеции и привода, а также уг Элементы трапеции графически определяют следующим образом. Вычерчивают схему автомобиля, указав на ней расстояние между осями поворотных цапф и базу автомобиля. Углы наклона поворотных рычагов, соответствующих прямолинейному движению автомобиля, выбирают такими, чтобы осевые линии этих рычагов пересеклись на осевой линии автомобиля в некоторой точке Е ( 76). Эту точку можно определить, если принять расстояние до нее равным (0,7 . . . 0,9) L.Положение поперечной рулевой тяги и ее величину Т вначале определяют расчетным путем, приняв отношение длины поворотных рычагов к длине поперечной рулевой тяги равным 0,12 ... 0,14. Затем точность кинематики трапеции проверяется графически; при этом расхождение соотношения между углами поворота управляемых колес ctga — ctg {$ = Д/L должно быть наименьшим.Чтобы учесть увод шин, возникающий из-за их эластичности, при построении трапеции рекомендуется брать не действительный размер базы автомобиля L, а увеличенный на 25%.При движении автомобиля на колеса действуют внешние силы, стремящиеся повернуть их вокруг вертикальной и горизонтальной осей, и при наличии зазоров в сочленениях рулевого управления колеса могут занять отличное от заданного рулевым колесом положение. Во избежание этого колеса устанавливаются с некоторым наклоном. Поэтому под действием возникающих на колесах сил они сами возвращаются в исходное положение. Это называется стабилизацией управляемых колес. А углы наклона к вертикали и горизонтали, направленной вдоль оси автомобиля, а также углы отклонения осей поворота от вертикали носят название углов стабилизации управляемых колес автомобиля В табл. приведены параметры установки колес отечественных автомобилей.В конструкции самодельных автомобилей следует применять шаровые пальцы, сухари, пружины и другие детали от стандарт-ных автомобилей. Можно изменить только длину готовой рулевой тяги. После ее обработки (резки, сварки) необходимо произвести отпуск с последующей нормализацией. Рулевые механизмы тоже следует брать серийные. Только в тихоходных и небольших по массе автомобилях для детей можно создавать свои оригинальные рулевые управления.При конструировании рулевого управления необходимо правильно подобрать передаточное отношение рулевого привода и рулевого механизма. Если в рулевое управление предполагается включить какие-либо элементы собственной конструкции, необходимо выполнить хотя бы небольшой проверочный расчет. При расчете коэффициент полезного действия для червячных рулевых механизмов принимается равным 0,5, а для механизмов реечного типа до 0,8. Общий КПД рулевого управления для автомобилей с одной управляемой осью можно принять равным 0,5 . . . 0,7.При расчете можно исходить или из максимального момента, прилагаемого к рулевому валу, или из момента сопротивления повороту колес на месте. В самодельных конструкциях вал рулевого управления чаще всего изготавливают либо подбирают из существующих. Рассчитывая его на прочность, следует определить возникающие в нем напряжения от кручения и произвести расчет на жесткость, используя формулы сопротивления материалов или деталей машин.Для изготовления деталей рулевого управления следует применять следующий материал. Для червяка, винта рулевого механизма — стали 35Х, 20ХН2М или АСЗОХМ. Вал рулевого механизма— из сталей. Рейку можно изготовить из углеродистой стали 45 с последующей термообработкой (закалкой и отпуском). Для вала рулевой сошки применяют стали ЗОХ, 40Х, ЗОХМ. Для рычагов поворотных цапф и рулевых сошек — стали 35Х, 40Х, ЗОХГМ, 40ХН. По новым правилам конструкции рулевых управления, отличающиеся от стандартных, должны пройти испытания; на их применение необходимо получить разрешение в НАМИ.Для повышения безопасности водителя при столкновениях автомобилей применяют травмобезопасные рулевые колонки. Примером может служить травмобезопасныи механизм, разработанный ВНИИ охраны труда в сельском хозяйстве. Этот механизм устанавливается в разрез вала рулевой колонки и имеет три пары рычагов, соединенных попарно общими шарнирами. Концы рычагов шарнирно связаны с частями рулевого ' вала и расположены под углом 120°.В обычных условиях такой механизм позволяет передавать крутящий момент. При столкновении автомобиля с препятствием и ударе водителя о рулевое колесо происходит смещение передней или задней части вала. Рычаги складываются, а энергия удара поглощается растягивающими пружинами, которые соединяют средние шарниры. лов наклона по отношению к продольной оси автомобиля.
Ремонт
Разборка
После снятия рулевого механизма с автомобиля необходимо слить масло из картера и зажать его в приспособлении или в тиски для разборки. Для разборки, сборки и регулировки рулевого механизма рекомендуется применять стенд конструкции Гипроавтотранса. К стойке приварена поперечина, на которой имеются две призмы и два зажимных устройства. На поперечине имеется шкала 6 для определения люфта, рулевого колеса. Стенд укомплектован динамометром, которым определяют усилие поворачивания рулевого колеса. При помощи съемника снимают рулевую сошку, затем вывертывают регулировочный винт вала рулевой сошки, снимают боковую крышку с подшипником. Вынимают вал рулевой сошки из картера, для чего следует повернуть рулевой вал до среднего положения. Снимают нижнюю крышку картера и вынимают рулевой вал с червяком из картера. После разборки рулевого механизма на узлы их разбирают на отдельные детали: выпрессовывают подшипник вала рулевой сошки из боковой крышки; спрессовывают червяк с вала; из картера вывертывают пробку и выпрессовывают сальник, внутреннее кольцо подшипника и втулку. Для разборки рулевого механизма необходимо располагать следующим инструментом: гаечными ключами 14X17 мм и 32Х36 мм, а также коловоротным торцовым ключом размером 14 мм. Основными деталями рулевого механизма, имеющими значительный износ, являются картер, вал и червяк рулевого механизма, нижняя крышка картера, вал рулевой сошки и сошка. Картер рулевого механизма изготовлен из алюминиевого сплава марки АЛ4 и поступает в ремонт с износом отверстий ' во втулках под вал рулевой сошки, под кольца нижнего и-верхнего роликовых подшипников червяка. Если диаметр отверстий во втулках под вал рулевой сошки имеет размер более 32,03 мм, то они подлежат замене. Номинальный размер диаметра отверстий во втулках равен 32+°>027 мм. Износ отверстия под кольцо нижнего роликового подшипника устраняют наплавкой в аргоне с последующей механической обработкой до номинального размера 58+°'°^ мм. Допустимый размер отверстия без ремонта равен 58,12 мм. Номинальный размер отверстия под кольцо верхнего роликового подшипника равен 49+°f^\ мм, а допустимый без ремонта — 49,24 мм. Не исключена возможность устранения износа отверстия постановкой втулки. Картер рулевого механизма с трещинами и обломами подлежит выбраковке. После обработки несоосность поверхностей отверстий должна быть не более 0,03 мм. Вал рулевого механизма. Износ шейки вала, изготовленного из бесшовной стальной трубы марки 35, устраняется наплавкой в углекислом газе с последующей механической обработкой до номинального размера 20+0-05 мм. Допустимый без ремонта размер шейки должен быть не менее 19,95 мм. Износ конической поверхности рулевого вала устраняется также наплавкой в углекислом газе с последующей механической обработкой, выдержи- вая конусность 1:12. При этом смещение конусного калибра с большим диаметром 19,95 мм должно быть в пределах 40,9— 41,0 от торца резьбового конца вала. При срыве резьбы на конце вала она восстанавливается наплавкой в углекислом газе. Номинальный размер резьбы М16Х1 (кл. 2). Допускается устранение износа на конической поверхности вала хромированием. Червяк рулевого механизма изготовлен из легированной стали 35Х. Червяк бракуют при наличии выкрашивания на рабочей поверхности или на дорожках качения роликовых подшипников. Нижняя крышка картера поступает в ремонт с повреждением и износом трубки (погнутость, износ в нижней части, ослабление крепления) и повреждением или уменьшением усилия пружины. Ослабление соединения трубки с крышкой устраняют завальцовкой или сваркой. Если трубка не поддается правке и имеет износ в нижней части, то ее заменяют. Поврежденная пружина также подлежит замене. Длина пружины в свободном состоянии должна быть не менее 19 мм. Вал рулевой сошки, поступающий в ремонт, может иметь следующие повреждения и износы: повреждения шлицев и рабочей поверхности ролика; износ шеек вала; износ буртика под регулировочный винт по толщине. Повреждения шлицев устраняются наплавкой в углекислом газе с последующей механической обработкой. При трещинах, износе, выкрашивании или отслаивании цементованного слоя на рабочей поверхности ролика его следуетзаменить. Если ось ролика имеет диаметр менее 11,95 мм,. то ее также следует заменить. Изношенные шейки вала рекомендуется ремонтировать осталиванием или хромированием с последующей механической обработкой до номинального размера 32_o,oi7 мм. Допустимый без ремонта размер шеек должен быть не менее 31,94 мм. При износе буртика под регулировочный винт цо толщине менее 3,85 мм его подвергают наплавке в углекислом газе и обрабатывают до номинального размера 4~°'°|Г, ММ. Сошка рулевого управления, изготовленная из легированной стали марки ЗОХ, поступает в ремонт в основном из-за погнутости, которую устраняют правкой с последующей проверкой дефектоскопом на отсутствие трещин. При износе отверстий под шаровой палец и вал сошка подлежит выбраковке.
Сборка
Рулевой механизм собирают в последовательности, обратной разборке. Все детали, поступающие на сборку, следует промыть и очистить от грязи. Предварительный натяг подшипников червяка регулировать подбором прокладок, устанавливаемых между торцом картера и крышками. Натяг подшипников проверить по величине усилия, необходимого для проворачивания вала с червяком в сборе, установленным в картер без вала сошки и сальника горловины картера. Усилие, необходимое для проворачивания вала с червяком и приложенное к рулевому колесу на радиусе 210 мм, должно быть 0,2—0,4 кгс. При этом осевой зазор вала не допускается. При сборке вала сошки с роликом запрессовку его производить плавно. Не допускается запрессовка ролика в паз сошки ударами. После сборки ролик должен свободно вращаться от руки. После сборки рулевого механизма (без сальника горловины) усилие, необходимое для проворачивания вала с червяком в зацеплении с роликом вала сошки, приложенное к рулевому колесу на радиусе 210 мм, должно быть 0,8—1,2 кгс в момент перехода ролика через среднее положение. При повороте рулевого колеса в обе стороны не менее 100° от среднего положения замеряемое усилие должно быть не менее 0,6 кгс. При необходимости положение червяка регулировать перестановкой прокладок под нижней и верхней крышками рулевого механизма. После регулировки суммарная толщина прокладок под нижней крышкой должна быть не менее 0,8 мм. Зацепление ролика с червяком регулировать винтом, установленным в боковой крышке картера рулевого механизма. Регулировочный винт должен быть зафиксирован стопорной шайбой и гайкой. Осевой зазор в сопряжении регулировочного винта с валом' сошки должен быть не более 0,05 мм. Увеличенный осевой зазор устранить подбором опорной пяты. При сборке механизма рулевого управления цилиндрическую часть вала сошки и ролик смазать трансмиссионным маслом ТАп-15В МРТУ-38-1-185—65, а конические роликоподшипники и наружные поверхности червяка — солидолом УС-2 или УС-1 ГОСТ 1033—73. Гайку крепления рулевой сошки затянуть моментом 12— 15 кгс-м. Рулевое колесо должно вращаться легко, без явно ощутимого сопротивления. Следует остерегаться слишком тугой регулировки зацепления червяка с роликом. При этом рулевое колесо во время движения автомобиля теряет способность самостоятельно возвращаться в среднее положение после выхода из поворота, кроме того, ухудшается устойчивость при движении с большой скоростью. При правильной регулировке поворот рулевого колеса при движении автомобиля осуществляется совершенно легко без явного ощущения трения.Исправность рулевого управления, в первую очередь, оценивают отсутствием люфта. Согласно заводским инструкциям, люфт рулевого колеса не должен превышать 15°, а в новых автомобилях может отсутствовать вовсе. Люфт рулевого колеса нужно проверять при положении управляемых колес, соответствующем движению автомобиля по прямой.Эксплуатация автомобиля с люфтом рулевого колеса, превышающем допустимый, как правило, приводит к повышенному износу и даже поломке деталей рулевого управления и, кроме того, значительно затрудняет управление им .Основными причинами повышения люфта рулевого колеса являются нарушение креплений его деталей или повышенный их износ. Люфт рулевого колеса устраняют затяжкой креплений его деталей, эксплуатационной регулировкой, а в отдельных случаях заменой изношенных деталей.Эксплуатационной регулировке подвергают шарнирные соединения рулевых тяг, зазоры в подшипниках червяка, зацепление ролика с червяком, максимальный угол поворота передних колес, зазоры между поршнем-рейкой и зубчатым сектором автомобиля ЗИЛ-130 и КамАЗ и осевое перемещение вала рулевого колеса автомобиля.Регулируя шарнирные соединения рулевых тяг, необходимо пробку наконечника тяги после затяжки ее до отказа отвернуть до первого положения, при котором можно ее зашплинтовать. Если люфт при такой регулировке не
устраняется, то детали шарнирного соединения рулевых тяг имеют большой износ и их необходимо заменить.
3. Графическая часть
РИС.1

Схема рулевого привода с усилителем: 1 - стойка; 2 - поворотные цапфы; 3 - рычаг поворотной цапфы; 4 и 9 - боковые тяги; 5 - маятниковый рычаг; 6 - сошка; 7 - рулевой механизм; 8 - средняя тяга; 15 - центрирующая пружина
Рис.2

Схемы компоновки усилителей: 1 - распределитель; 2 - гидроцилиндр; 3 – механизм
Чертёж

Рулевой механизм с гидроусилителем автомобиля ЗИЛ -5301: а - конструкция; б - схема работы гидроусилителя; 1 - нижняя крышка; 2 - картер рулевого механизма; 3 - поршень-рейка; 4 - винт; 5 - шариковая гайка; 6 - желоб; 7 - шарик; 8 - поршневое кольцо; 9 - промежуточное крышка; 10 и 14 - упорные подшипники; 11 - шариковый клапан; 12 - золотник; 13 - корпус распределителя; 15 - гайка; 16 - верхняя крышка; 17 - роликовый подшипник; 18 - боковая крышка; 19 - регулировочный винт; 20 - вал рулевой сошки; 21 - сошка; 22 - центрирующая пружина; 23 - реактивный плунжер; I - при движении автомобиля по прямой; II - при повороте направо; III - при повороте налево
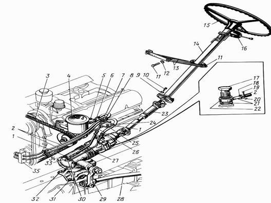
Рис. 3

1 Винт
2 Шланг низкого давления насоса гидроусилителя руля в сборе
3 Ремень приводной
4 Насос гидроусилителя в сборе
4 Насос гидроусилителя в сборе
5 Винт
6 Планка крепления шлангов
7 Шайба пружинная
8 Гайка
9 Шайба пружинная
10 Болт
11 Болт
12 Шайба пружинная
13 Растяжка крепления колонки рулевого управления в сборе
14 Колонка рулевого управления в сборе
15 Рулевое колесо в сборе
16 Переключатель указателей поворота типа П105А-01
16 Переключатель указателей поворота типа П105А-01
17 Болт угольника
17 Болт
18 Хомут
19 Винт
20 Гайка
21 Шайба уплотнительная
21 Шайба уплотнительная
22 Угольник управления гидроусилителем руля в сборе
22 Угольник шланга низкого давления
23 Вал карданный рулевого управления в сборе
24 Кронштейн крепления шлангов гидроусилителя
25 Шайба пружинная
26 Шланг высокого давления в сборе
27 Механизм рулевого управления с гидроусилителем рулевого управления в сборе
27 Механизм рулевого управления с гидроусилителем рулевого управления в сборе
28 Комплект продольной тяги рулевого механизма (без сошки)
29 Комплект сошки рулевого управления с пальцем
30 Кронштейн крепления шланга высокого давления в сборе
31 Болт
32 Болт крепления механизма рулевого управления
33 Приставка шланга высокого давления
34 Скоба
35 Радиатор масляный гидроусилителя рулевого управления в сборе
Схема Автосервиса

5. Охрана труда
Организация и охрана труда при выполнении слесарных операций
Для успешного решения производственных задач недостаточно располагать современным оборудованием, инструментами, приспособлениями и квалифицированными кадрами рабочих. Нужно определенным образом организовать труд на предприятии: правильно распределить задания; установить рациональные пропорции между видами труда; в соответствии с этим целесообразно расставить исполнителей и создать им нормальные условия работы; умело сочетать личные и коллективные интересы и т.д. Решению этих задач призвана способствовать научная организация труда (НОТ).Научная организация труда — это система организации трудовых процессов на производстве и управления производством, основанная на учете социальных, экономических, психофизиологических и других факторов.Целью НОТ является: создание условий для сохранения здоровья трудящихся; правильное использование рабочей силы; совершенствование методов и приемов труда; улучшение организации и обслуживания рабочих мест, участков, цехов; повышение квалификации кадров; совершенствование планирования, нормирования и оплаты труда; развитие творческой инициативы работников.Научная организация труда должна охватывать все звенья и участки производства — от всего предприятия в целом до индивидуального рабочего места. Применительно к профессии слесаря НОТ охватывает все виды слесарных работ и организацию рабочих мест для их выполнения.Технология слесарной обработки содержит ряд основных операций, таких, как разметка, рубка, правка и гибка металлов, резка металлов, опиливание, сверление, зенкование, зенкерование и развертывание отверстий, нарезание резьбы, клепка, притирка и доводка, пайка и др. Большинство этих операций относится к обработке металлов резанием.Для выполнения слесарных работ организуется рабочее место слесаря.Рабочим местом называется определенный участок производственной площади цеха, участка или мастерской, закрепленный за данным рабочим (или бригадой рабочих) и предназначенный для выполнения определенной работы.Основным видом оборудования на рабочем месте слесаря; для выполнения слесарных работ является слесарный верстак ( 4). Он представляет собой специальный стол, который должен быть прочным и устойчивым. Каркас 3 верстака обычно делают сварной конструкции из стальных труб или стального уголка. Крышку (столешницу) 4 изготовляют из досок толщиной 50—60 мм (из дерева твердых пород) и покрывают листовым железом толщиной 1—2 мм, линолеумом или фанерой. Края столешницы окантовывают бортиком, чтобы с нее не скатывались детали. Под столешницей располагают выдвижные ящики //, разделенные на ряд ячеек для хранения в" определенном порядке инструментов, мелких деталей и документации. Кроме ящиков для различных инструментов и приспособлений, на верстаке устанавливают специальные полочки /. Верстак обязательно снабжают защитным экраном 6 из металлической сетки с ячейками не более 3 мм или из прозрачного плексигласа для предохранения окружающих от возможного отлетания мелких кусочков металла в процессе работы, например при рубке металла. Для лучшего освещения рабочей поверхности верстака (особенно это необходимо при выполнении точных работ, измерении деталей, чтении чертежей и другой технической документации) на нем устанавливается светильник местного освещения 8. Иногда к ножке верстака крепят сиденье 2; когда сиденье не используют, его задвигают под верстак.Слесарные верстаки бывают двух видов: одноместные ( 4, а) и многоместные ( 4, б). Одноместные верстаки имеют длину 1000—1200 мм, ширину 700—800 мм, высоту 800—900 мм. У многоместных верстаков ширина и высота те же, а длина определяется в зависимости от числа работающих. Многоместные верстаки имеют существенный недостаток: если один работающий выполняет точные работы (например, разметку, опиливание или шабрение), а другой в это время производит рубку металла или клепку, то в результате вибрации верстака нарушается точность работ, выполняемых первым работающим. Поэтому наиболее широкое применение получили одноместные слесарные верстаки.При выполнении большинства слесарных работ необходимо прочно закреплять обрабатываемую заготовку. Для этой цели на слесарном верстаке устанавливают специальное зажимное приспособление — слесарные тиски. В зависимости от характера выполняемой работы используют стуловые, параллельные или ручные тиски.Стуловые тиски получили свое название от способа крепления их на деревянном основании в виде стула. В дальнейшем они были приспособлены для крепления на верстаках.Стуловые тиски ( 5, а) изготовляются из кованой стали и состоят из подвижной 4 и неподвижной 5 губок. На конце неподвижной части тисков находится лапа 7 для крепления тисков к столу. При этом удлиненный стержень 8 заделывают в деревянное основание и зажимают скобой. Губки сдвигают, вращая рычагом / винт 3, имеющий прямоугольную резьбу. Раздвигают губки с помощью плоской пружины 2 при вывинчивании из гайки 6 винта 3.Размеры слесарных тисков определяются шириной губок и раскрытием (разводом) их. Стуловые тиски изготовляются с шириной губок от 100 до 180 мм с наибольшим раскрытием губок от 90 до 180 мм.Достоинством стуловых тисков является простота конструкции и высокая прочность. Недостатки их заключаются в следующем: рабочие поверхности губок не во всех положениях параллельны друг другу; при зажиме узкие обрабатываемые заготовки захватываются только верхними краями губок, а широкие — только нижними; не обеспечивается прочность закрепления; губки тисков при зажиме врезаются в обрабатываемую деталь, образуя на ее поверхности вмятины.Стуловые тиски используются обычно при выполнении грубых тяжелых работ, связанных с применением ударной нагрузки: при рубке, клепке, гибке металла.В параллельных тисках губки перемещаются параллельно одна другой. По устройству параллельные тиски подразделяются на неповоротные и поворотные.Не по воротные параллельные тиски ( 5, б) имеют основание 6, с помощью которого они крепятся болтами к крышке верстака, неподвижную 4 и подвижную 2 губки. Для увеличения срока службы губок их рабочие части делают сменными в виде призматических пластинок 3 из инструментальной стали и крепят к губкам винтами. На сменные части губок наносят крестообразную насечку для обеспечения плотности зажима заготовки. Подвижная губка перемещается своим хвостовником в прямоугольном вырезе неподвижной губки при вращении винта 5 в гайке 7 с помощью рычага/. От осевого перемещения в подвижной губке зажимной винт 5 удерживается стопорной планкой 8.Ширина губок непрворотных параллельных тисков может составлять от 60 до 140 мм, а наибольшее раскрытие губок — от 45 до 180 мм.Поворотные параллельные тиски ( 5, в) могут поворачиваться в горизонтальной плоскости на любой угол. Они отличаются от неповоротных параллельных тисков конструкцией нижней опорной части. Неподвижная губка поворотных параллельных тисков соединена- с основанием 3 центровым болтом, вокруг которого и осуществляется необходимый поворот тисков. Поворотную часть 4 тисков закрепляют в нужном положении с помощью рукоятки 2.Поворотные параллельные тиски изготовляются с шириной губок 80—140 мм и раскрытием их 65—180 мм.
Основным преимуществом параллельных тисков перед стуловыми является то, что они позволяют более плотно зажать обрабатываемую заготовку. Кроме этого, поворотные параллельные тиски дают возможность закреплять деталь под определенным углом.Ручные слесарные тиски применяются при опиливании и сверлении, для закрепления небольших деталей или заготовок, которые неудобно или опасно держать руками.Наибольшее применение имеют шарнирные ручные тиски (рис: 5, г). Их устройство наглядно видно на рисунке. Ширина губок тисков 36—56 мм и раскрытие 28—-55 мм.В зависимости от; характера выполняемых слесарных работ рабочее место слесаря оснащается самыми различными приспособлениями, рабочим i и измерительным инструментом, которые будут рассмотрены при изучении слесарных операций, для выполнения которых они предназначены.С точки зрения научной организации труда должны быть выполнены следующие основные требования к рабочему месту слесаря: точно определен и закреплен перечень работ на рабочем месте; определен комплект основного оборудования, приспособлений и инструментов для их размещения и хранения на рабочем местеосуществлена рациональная планировка рабочего места, избавляющая рабочего от лишних и утомительных трудовых движений и обеспечивающая удобную рабочую позу и безопасность работы.В целях экономии трудовых движений и мышечных усилий при их выполнении все оборудование на рабочем месте делят на предметы постоянного и временного пользования, за которыми закрепляют определенные места хранения и расположения.Предметы, которыми пользуются чаще, располагают в пределах досягаемости левой и правой рук, согнутых в локте ( 6). Предметы, используемые реже, кладут дальше, но не далее досягаемости свободно вытянутых рук при наклоне корпуса вперед (к верстаку) не более 30°. По возможности избегают такого размещения оборудования, которое требует при работе поворотов и особенно нагибания корпуса, а также перекладывания предметов из одной руки в другую.На предприятиях проводится определенный комплекс мероприятий по охране труда, имеющих целью обеспечить безопасность, сохранение здоровья и работоспособности человека в процессе труда.Одной из составных частей охраны труда является техника безопасности. Ее назначение — с помощью организационных и технических мероприятий и средств предохранить работающих от травм. Важнейшими условиями безопасности труда являются: создание максимально безопасных конструкций механизмов и машин, рациональная организация производства, обучение работающих безопасным методам и приемам труда. Безопасные методы и приемы труда предусматриваются в правилах и нормах, разработанных для всех отраслей производства. Рабочий, не прошедший инструктаж по технике безопасности, к работе не допускается.Другую значительную часть охраны труда составляет производственная санитария. Ее цель — обеспечить санитарно-гигиенические условия труда, не допускающие вредных воздействий на организм человека, и тем самым предупредить профессиональные заболевания (заболевания, связанные с вредным воздействием условий труда).Охрана труда также должна обеспечивать пожарную безопасность. Для этого разработаны системы предотвращения пожаров и пожарной защиты, т.е. комплекс мероприятий, направленный на предупреждение пожаров, и приемы и средства борьбы с огнем в случае возникновения пожара.Наконец, следующая часть вопросов охраны труда — это правовая охрана труда. Советское трудовое законодательство установлено в интересах трудящихся и, следовательно, охраняет их труд. Основные требования законодательства об охране труда изложены в разделе «Охрана труда» Кодекса законов о труде (КЗОТ) союзных республик.
|