| Національний Технічний Університет України
«Київський Політехнічний Інститут»
Кафедра промислової електроніки
КУРСОВА РОБОТА
З курсу «Пристрої та системи відображення та реєстрації
інформації»
на тему «Електронна візитна картка»
Київ 2009
1. ВСТУП
Необхідною ланкою будь-якої сучасної інформаційної системи, що зв'язує цю систему з дослідником, диспетчером, оператором, є засоби відображення інформації, будь то індикатор, табло, друкувальний пристрій або їхні сполучення. Розвиток машинних цифрових методів обробки інформації, з одного боку, висока швидкість і достовірність сприйняття людиною відомостей, представлених у формі цифр і букв, з іншого боку, обумовили стрімкий прогрес пристроїв знакової індикації й реєстрації.
Значне підвищення швидкодії електронних цифрових обчислювальних машин, створення високошвидкісних систем автоматичного контролю, збільшення пропускної здатності телеметричних комплексів викликало потребу в різкому збільшенні продуктивності зазначених пристроїв. Це завдання знаходить своє вирішення у розвитку немеханічних способів відображення й документування інформації, значна частина яких заснована на використанні електронно-променевих трубок (ЕПТ). У більших обчислювальних і інформаційних комплексах все більш широке застосування знаходять індикаторні консолі й високошвидкісні знакодрукувальні пристрої на ЕПТ.
Пристрої відображення інформації являються однією з галузей сучасної електроніки, для якої характерні швидкий розвиток та використання сучасних видів ВІС та різних індикаторних пристроїв. Також широкого розвитку набуло використання мікропроцесорної техніки в складі ПВІ.
До пристроїв відображення відносяться ПВІ загального користування (наприклад, великі стадіонні, вокзальні табло) дисплейні термінали для зв’язку з ЕОМ а також різноманітні типи індикаторів вбудовані у вимірювальні та побутові прилади . Відповідно різко відрізняються вимоги до цих пристроїв: габаритні, вартісні, енергетичні та ін.
Та незважаючи на такі відмінності основним елементом ПВІ залишається індикатор, що перетворює електричні сигнали в видиме зображення. Серед індикаторів одним з найпоширеніших є електронно променева трубка (ЕПТ).
Проектування ПВІ включає в себе створення інформаційної моделі з урахуванням особливостей людського сприйняття зображень, вибір типу індикатора, розробку на цій основі структурної схеми пристрою та подальшу розробку модулів системи.
Для того щоб правильно спроектувати пристрій відображення інформації, необхідно враховувати структуру і технічні характеристики, особливості побудови модулів системи на основі сучасних ІМС. Розвиток ПВІ відбувається як в напрямі удосконалення існуючих типів електронно променевих індикаторів, так і плоских матричних дисплеїв (в т.ч. на основі рідких кристалів, які поряд з мікропроцесорами є основою перспективного та якісного відображення інформації.
2. Огляд методів відображення інформації на екрані ЕПТ. Переваги і недоліки заданого методу
В будь-яких ПІВ інформація представляється інформаційною моделлю (ІМ), організованою у відповідності з певною системою правил відображення станів об’єкту керування, зовнішнього оточення і способів дії на них. Представлення фізичного стану однієї системи фізичним станом іншої називається кодуванням.
Кодування інформації в ІМ здійснюється за допомогою елементів інформаційної моделі (ЕІМ), в якості яких використовується букви, умовні знаки, геометричні фігури, лінії, точки та ін. Набір використувуємих ІМ складає алфавіт ІМ. Число елементів, кі утворюють алфавіт, називають основою коду алфавіту Na. В його склад можуть також бути включені такі ознаки як колір, градації яскравості, розмір, орієнтація т.д.
По використовуємо алфавіту виділяють такі типи ІМ: буквенно цифрові, графічні, півтонові, комбіновані.
В буквенно-цифрових моделях в якості ЕІМ використовуються букви, цифри, умовні знаки (символи ), а властивості відображає мого об’єкту чи процесу представляються в вигляді буквеного тексту, цифрової комбінації чи таблиць. При побудові таких ІМ весь простір відображення розбивається на окремі знакомісця – частини простору які необхідні і достатні для відображення одного знаку в вигляді букви чи символу.
Множина елементів ІМ, які можуть бути реалізовані, утворюється з множини елементів зображення. Найпростіший елемент ІМ, який може бути реалізований вибраним типом індикатору, називається елементом відображення.
Він характеризується формою, геометричними розмірами, яскравістю, часом післясвітіння, кольором та ін. Елементами відображення можуть дути: контури знаків, сегменти, точкові елементи.
У відповідності з використаними елементами зображення всі способи формування знаків можна поділити на 2 осоновні групи:
1). знакомоделюючий метод – характеризується цілісним представлення символу, форма елементу співпадає з контуром знаку;
2). знакогенеруючий метод - знак формується з більш простих елементів відображення. Набір сегментів в знакомісці складає деяку узагальнену фігуру – поліграму. З семи сегментної поліграми можна синтезувати всі арабські цифри та деякі букви. Також можна сформувати зображення за рахунок точко – елементів відображення, розміри яких набагато менші розмірів синтезуємих знаків. Число елементів відображення в матриці знаків вибирають виходячи з безпомилкової та швидкої ідентифікації всіх знаків алфавіту. Наприклад, матриця 5 на 7 є мінімально допустимою для синтезу знаків та цифр. Але при цьому часто виникають помилки з схожістю символів В та 8, та ін.. Тому краще використовувати матриці 7 на 9. Подальше збільшення матриці до суттєвого покращення сприйняття не призводить.
В межах знакомісця точкові елементи відображення утворюють матрицю знаку. Число елементів в ній вибирають з безпомилкової та швидкої ідентифікації всіх знаків алфавіту. В ряді випадків знаки синтезуються з укрупнених елементів, складених з більш простих елементів відображення.
В електронно-променевих приладах елементи відображення, які входять до складу знаку, генеруються променем в процесі відтворення зображення. Синтез знаків з отриманих таким чином елементів називають знакогенеруючим методом формування символів.
Графічні ІМ представляються кресленнями, діаграмами, схемами. Основними елементами є лінії, точки, двохвимірні області. Найбільш універсальним елементом відображення є точкові. Кожен точковий елемент, яких входить у формуючу модель, повинен бути заданим координатами X та Y, які визначають його розташування на інформаційному полі.
Півтонові ІМ використовують широкий діапазон градації яскравості, що дозволяє забезпечити наглядний картинний характер формуємих зображень.
Комбіновані ІМ складаються з комплексу різних класів.
У загальному випадку, схема ПВІ має вигляд:

Від джерела інформації (ДІ) інформація поступає через пристрій інтерфейсу (ПІ) по паралельним чи послідовним каналам зв’язку. За допомогою ПІ здійснюється механічне, електричне, алгоритмічне узгодження вихідних ланцюгів ДІ та вхідних ПВІ. В пристрій інтерфейсу входять: сукупність ліній зв’язку, пристрої узгодження сигналів по потужності та рівню.
Джерелом інформації можуть бути вимірювальні пристрої, клавіатура вводу ЕОМ, пристрої формування зображення.
Буферний запам’ятовуючий пристрій (БЗП) служить проміжним місцем для зберігання інформації отримуємої від ДІ, що дозволяю узгодити роботу ПВІ і ДІ по швидкості, а також організувати режим регенерації зображення без звернення до джерела інформації.
Перетворювач кодів інформаційної моделі (ПКІМ) здійснює перетворення кодів елементів моделі, заданих алфавітом джерела інформації в код, визначаємий алфавітом індикатора. Для формування знаків на телевізійному екрані ПКІМ має перетворювати паралельний код символів в послідовність сигналів керування інтенсивністю променю ЕПТ.
Пристрій адресації (ПА) задає положення (адресу) елементу ІМ на інформаційному полі. Пристрій керування здійснює електричні та інші перетворення сигналів з виходу ПКІМ, необхідні для роботи індикатору. Індикатор разом з пристроєм керування утворює блок індикації.
Пристрій синхронізації (ПС) забезпечує синхронізацію роботи всіх вузлів ПВІ між собою а також з джерелом інформації.
Важливими параметрами є алфавіт ПВІ та його розрядність.
na
=> [Log2
Na
],
де Na
– основа коду повного алфавіту.
В буквено-цифрових ПВІ окремо кодують алфавіти знаків та ознак. Тоді число розрядів коду визначається умовою:
na
= naz
+ nan
= [Log2
Naz
] + [Log2
Nan
];
де naz
и nan
– основа коду алфавіту кодів та ознак відповідно.
Інформаційна ємність визначає кількість інформації, яке може бути одночасно представлено на інформаційному полі ПВІ. Інформаційна ємність алфавітно-цифрових ПВІ задається кількістю знаків в текстовому рядку Nztc
і числом текстових рядків Ntc
:
In
= Nz
* Log2
Na
,
де Nz
= Nztc
* Ntc
– загальне число символів, що виводяться на екран..
Швидкодія характеризує швидкість вводу інформації на інформаційному полі ПВІ. Також важливими параметрами ПВІ є її надійність, вартість та споживану потужність.
Форма елементу відображення в ПВІ с електронно-променевими індикаторами визначається перерізом променю в площині екранної трубки. Цей перерів може мати конфігурацію вибраного знаку, але в більшості випадків він має форму круга малого діаметру (точковий елемент відображення). Відповідно ПВІ на ЕПТ можна поділити на знакомоделюючі та знакогенеруючі.
Адресація елементів відображення, визначаюча положення електроного променю в площині екрану ЕПТ, задається відхиляючими електродами трубки. В кожен момент часу промінь займає певне положення, фіксуючись на інформаційному полі елементів ведображення. Повне зображеня формується послідовно в часі з відтворенням його елементів.
Послідовність по елементних відтворень називається розгорткою зображення, утворенню в процесі розгортки сукупністю елементів відображення, називається кадром. По принципу організації розгортки зображення, методи синтезу знаків поділяються на растрові та функціональні. При растрових типах траєкторія руху променю по екрану не залежить від формуємої ІМ. Формування зображення здійснюється при його проходженні відповідних елементів ІМ. При функціональних, траєкторія руху променю співпадає з контурами символів, що відображуються., тобто закон розгортки визначається інформацією що виводиться. Прийнята розгортка визначає структуру кадру, яку називаються растром.
В ПВІ знакогенеруючого типу можна виділити два основні різновиди:
метод повноформатного растру (телевізійний) та метод малоформатного растру (поліграмно-растровий, малоформатний точковий, малоформатний рядковий, метод креслення(функціональний) з точковою та лінійною апроксимаціями).
Для ПВІ з використанням малоформатного рядкового растра характерно те, що малоформатний телевізійний растр розташований у межах знакомісця. Формування зображення одержують підсвічуванням електронного променя в моменти проходження через характерні для даного знака точки. Промінь послідовно переміщується вздовж осі координат X, при деякому фіксованому значенні іншої – Y. Потім промінь повертається в точку Х=0, координата Y отримує приріст і розгортка по Х повторюється.
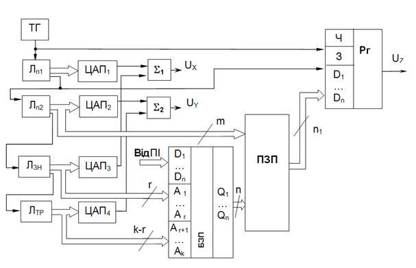
Приклад знаку, приклад часових діаграм напруг та структурна схема, необхідні для формування малоформатного точкового растру, наведені на рис.2. Лічильники Лn1
і Лn2
разом з ЦАП1
і ЦАП2
формують точковий малоформатний растр. ЛЗН
формує номер знакомісця і через ЦАП3
установлює положення знакомісця в текстовому рядку, а через адресні входи БЗП викликає код заданого на цьому знакомісці символу. Аналогічно, ЛТР
формує номер текстового рядка, адресує разом з ЛЗН
код символу, установленого за допомогою ЦАП4
у відповідний текстовий рядок. З метою уніфікації застосований знакогенератор ПВІ з телевізійною розгорткою. При цьому система має підвищену швидкодію в порівнянні з ПВІ, що використовує повноформатний растр, оскільки з циклу звертання до БЗП виключений час вибірки з БЗП (уся матриця знака формується при фіксованій адресі в БЗП).

 
  
Рис. 2
3. Розрахункова частина
Метод відображення – малоформатний точковий растр;
Ширина символу – 9;
Відстань між символами – 8;
Висота ряду – 7;
Відстань між рядами – 4.
3.1 Складемо таблицю розташування символів на екрані (табл. 3.1)
Таблиця 3.1
| NЗН
NТС
|
0000
|
0001
|
0010
|
0011
|
0100
|
0101
|
0110
|
0111
|
1000
|
1001
|
1010
|
1011
|
| 00
|
|
|
|
В
|
Є
|
Т
|
Р
|
О
|
В
|
|
|
|
| 01
|
|
|
|
А
|
Н
|
Д
|
Р
|
І
|
Й
|
|
|
|
| 10
|
|
|
І
|
В
|
А
|
Н
|
О
|
В
|
И
|
Ч
|
|
|
| 11
|
|
0
|
1
|
.
|
0
|
1
|
.
|
1
|
9
|
8
|
8
|
|
3.2 Складемо таблицю кодування символів алфавіту (табл. 3.2), записавши однократно по-порядку символи, що зустрічаються. В другому рядку таблиці вказуємо число повторів, у третій і четвертій порядкові номери в десятковому і двійковому коді, починаючи з нульового набору
Nаз
=18 — кількість символів, що зустрічаються .
nа
=[log2
25] ≈ 4.17 =5 — число розрядів двійкового коду, яким можна їх закодувати.
Таблиця 3.2
| Символ
|
Число повторів
|
Порядковий номер в десятковому коді
|
Порядковий номер в двійковому коді
|
|
|
18
|
0
|
00000
|
| В
|
4
|
1
|
00001
|
| Є
|
1
|
2
|
00010
|
| Т
|
1
|
3
|
00011
|
| Р
|
2
|
4
|
00100
|
| О
|
2
|
5
|
00101
|
| А
|
2
|
6
|
00110
|
| Н
|
2
|
7
|
00111
|
| Д
|
1
|
8
|
01000
|
| І
|
2
|
9
|
01001
|
| Й
|
1
|
10
|
01010
|
| И
|
1
|
11
|
01011
|
| Ч
|
1
|
12
|
01100
|
| 0
|
2
|
13
|
01101
|
| 1
|
3
|
14
|
01110
|
| .
|
2
|
15
|
01111
|
| 9
|
1
|
16
|
10000
|
| 8
|
2
|
17
|
10001
|
Для запису інформації необхідній БЗП з такими параметрами:
Розрядність адрес знакомісць:
r=[log2
NЗРТ
]=[log2
12] ≈ 3.585 = 4
Розрядність адрес текстових рядків:
k-r=[log2
Nтр
]=[log2
4] = 2, де k = 6.
Отже, необхідний БЗП з числом адресних входів k³6 и числом виходів даних n³5. Таким вимогам задовольняє БЗП CAT28C16A. Входи БЗП, які не використовуються підключимо до «0» схеми.
3.3 Номеруємо у двійковому коді знакомісця і текстові рядки.
3.4 Складаємо таблицю програмування БЗП (табл.3.3), записавши за адресою знакомісця код порядкового номеру відображуваного в даному місці символу.
Таблиця 3.3
| Адреса
|
Дані
|
| NТС
|
NЗН
|
| 00
|
0000
|
00000
|
|
| 00
|
0001
|
00000
|
|
| 00
|
0010
|
00000
|
|
| 00
|
0011
|
00001
|
В
|
| 00
|
0100
|
00010
|
Є
|
| 00
|
0101
|
00011
|
Т
|
| 00
|
0110
|
00100
|
Р
|
| 00
|
0111
|
00101
|
О
|
| 00
|
1000
|
00001
|
В
|
| 00
|
1001
|
00000
|
|
| 00
|
1010
|
00000
|
|
| 00
|
1011
|
00000
|
|
| 01
|
0000
|
00000
|
|
| 01
|
0001
|
00000
|
|
| 01
|
0010
|
00000
|
|
| 01
|
0011
|
00110
|
А
|
| 01
|
0100
|
00111
|
Н
|
| 01
|
0101
|
01000
|
Д
|
| 01
|
0110
|
00100
|
Р
|
| 01
|
0111
|
01001
|
І
|
| 01
|
1000
|
01010
|
Й
|
| 01
|
1001
|
00000
|
|
| 01
|
1010
|
00000
|
|
| 01
|
1011
|
00000
|
|
| 10
|
0000
|
00000
|
|
| 10
|
0001
|
00000
|
|
| 10
|
0010
|
01001
|
І
|
| 10
|
0011
|
00001
|
В
|
| 10
|
0100
|
00110
|
А
|
| 10
|
0101
|
00111
|
Н
|
| 10
|
0110
|
00101
|
О
|
| 10
|
0111
|
00001
|
В
|
| 10
|
1000
|
01011
|
И
|
| 10
|
1001
|
01100
|
Ч
|
| 10
|
1010
|
00000
|
|
| 10
|
1011
|
00000
|
|
| 11
|
0000
|
00000
|
|
| 11
|
0001
|
01101
|
0
|
| 11
|
0010
|
01110
|
1
|
| 11
|
0011
|
01111
|
.
|
| 11
|
0100
|
01101
|
0
|
| 11
|
0101
|
01110
|
1
|
| 11
|
0110
|
01111
|
.
|
| 11
|
0111
|
01110
|
1
|
| 11
|
1000
|
10000
|
9
|
| 11
|
1001
|
10001
|
8
|
| 11
|
1010
|
10001
|
8
|
| 11
|
1011
|
00000
|
|
3.4 Складемо таблиці програмування основного ПЗП
Ширина символу – 5, висота – 13. В побудові символу треба також врахувати проміжки між знакомісцями (8 по горизонталі та 4 по вертикалі). Для отримання вертикальних проміжків додамо в рисунок символу чотири пустих ряди – два зверху зверху і два знизу. Для отримання горизонтальних проміжків між символами необхідно було б використовувати 16 розрядний регістр (ширина символу 5 + проміжок 4 = 9). Але можна використати й на 8 біт.
Складемо таблицю програмування основного ПЗП з урахуванням вищесказаного.
Оскільки маємо по вертикалі символу 17 рядків, то на їх кодування потрібно 5 розрядів. Це і будуть 5 молодших розряди адреси комірки пам’яті (A4-A0). Старшими розрядами (A5-A10) буде код символу (6 розрядів). Даними буде закодований рядок символу (8 розрядів). Отже, необхідний ПЗП на ³11 адресних розрядів та ³8 розрядів даних. Тому в якості ПЗП буде використовувавися ПЗП CAT28C16A, які мають 11 адресних розрядів і 8 розрядів данних.
Ємність ПЗП рівна 2к·8 біт = 16 кбіт, що гарантовано вистачить як для БЗП, так і для ПЗП.
На вихідний регістр повинен поступати код символів, зображений в таблиці 3.4.
Таблиця 3.4
| Адреса
|
Дані
|
| Код букви
|
Код горизонтального ряду
|
| 000000
|
00000
|
00000000
|
| 000000
|
00001
|
00000000
|
| 000000
|
00010
|
00000000
|
| 000000
|
00011
|
00000000
|
| 000000
|
00100
|
00000000
|
| 000000
|
00101
|
00000000
|
| 000000
|
00110
|
00000000
|
| 000000
|
00111
|
00000000
|
| 000000
|
01000
|
00000000
|
| 000000
|
01001
|
00000000
|
| 000000
|
01010
|
00000000
|
| 000000
|
01011
|
00000000
|
| 000000
|
01100
|
00000000
|
| 000000
|
01101
|
00000000
|
| 000000
|
01110
|
00000000
|
| 000000
|
01111
|
00000000
|
| 000000
|
10000
|
00000000
|
| 000001
|
00000
|
00000000
|
| 000001
|
00001
|
00000000
|
| 000001
|
00010
|
00000000
|
| 000001
|
00011
|
00000000
|
| 000001
|
00100
|
00000000
|
| 000001
|
00101
|
00000000
|
| 000001
|
00110
|
00000000
|
| 000001
|
00111
|
00000000
|
| 000001
|
01000
|
00000000
|
| 000001
|
01001
|
00000000
|
| 000001
|
01010
|
00000000
|
| 000001
|
01011
|
00000000
|
| 000001
|
01100
|
00000000
|
| 000001
|
01101
|
00000000
|
| 000001
|
01110
|
00000000
|
| 000001
|
01111
|
00000000
|
| 000001
|
10000
|
00000000
|
| 000010
|
00000
|
00000000
|
| 000010
|
00001
|
00000000
|
| 000010
|
00010
|
00000000
|
| 000010
|
00011
|
00000000
|
| 000010
|
00100
|
00000000
|
| 000010
|
00101
|
00000000
|
| 000010
|
00110
|
00000000
|
| 000010
|
00111
|
00000000
|
| 000010
|
01000
|
00000000
|
| 000010
|
01001
|
00000000
|
| 000010
|
01010
|
00000000
|
| 000010
|
01011
|
00000000
|
| 000010
|
01100
|
00000000
|
| 000010
|
01101
|
00000000
|
| 000010
|
01110
|
00000000
|
| 000010
|
01111
|
00000000
|
| 000010
|
10000
|
00000000
|
| 000011
|
00000
|
00000000
|
| 000011
|
00001
|
00000000
|
| 000011
|
00010
|
00111100
|
| 000011
|
00011
|
00100010
|
| 000011
|
00100
|
00100010
|
| 000011
|
00101
|
00100010
|
| 000011
|
00110
|
00100010
|
| 000011
|
00111
|
00100010
|
| 000011
|
01000
|
00111100
|
| 000011
|
01001
|
00100010
|
| 000011
|
01010
|
00100010
|
| 000011
|
01011
|
00100010
|
| 000011
|
01100
|
00100010
|
| 000011
|
01101
|
00100010
|
| 000011
|
01110
|
00111100
|
| 000011
|
01111
|
00000000
|
| 000011
|
10000
|
00000000
|
| 000100
|
00000
|
00000000
|
| 000100
|
00001
|
00000000
|
| 000100
|
00010
|
00011100
|
| 000100
|
00011
|
00100010
|
| 000100
|
00100
|
00100000
|
| 000100
|
00101
|
00100000
|
| 000100
|
00110
|
00100000
|
| 000100
|
00111
|
00100000
|
| 000100
|
01000
|
00111100
|
| 000100
|
01001
|
00100000
|
| 000100
|
01010
|
00100000
|
| 000100
|
01011
|
00100000
|
| 000100
|
01100
|
00100000
|
| 000100
|
01101
|
00100010
|
| 000100
|
01110
|
00011100
|
| 000100
|
01111
|
00000000
|
| 000100
|
10000
|
00000000
|
| 000101
|
00000
|
00000000
|
| 000101
|
00001
|
00000000
|
| 000101
|
00010
|
00111110
|
| 000101
|
00011
|
00001000
|
| 000101
|
00100
|
00001000
|
| 000101
|
00101
|
00001000
|
| 000101
|
00110
|
00001000
|
| 000101
|
00111
|
00001000
|
| 000101
|
01000
|
00001000
|
| 000101
|
01001
|
00001000
|
| 000101
|
01010
|
00001000
|
| 000101
|
01011
|
00001000
|
| 000101
|
01100
|
00001000
|
| 000101
|
01101
|
00001000
|
| 000101
|
01110
|
00001000
|
| 000101
|
01111
|
00000000
|
| 000101
|
10000
|
00000000
|
| 000110
|
00000
|
00000000
|
| 000110
|
00001
|
00000000
|
| 000110
|
00010
|
00111100
|
| 000110
|
00011
|
00100010
|
| 000110
|
00100
|
00100010
|
| 000110
|
00101
|
00100010
|
| 000110
|
00110
|
00100010
|
| 000110
|
00111
|
00100010
|
| 000110
|
01000
|
00111100
|
| 000110
|
01001
|
00100000
|
| 000110
|
01010
|
00100000
|
| 000110
|
01011
|
00100000
|
| 000110
|
01100
|
00100000
|
| 000110
|
01101
|
00100000
|
| 000110
|
01110
|
00100000
|
| 000110
|
01111
|
00000000
|
| 000110
|
10000
|
00000000
|
| 000111
|
00000
|
00000000
|
| 000111
|
00001
|
00000000
|
| 000111
|
00010
|
00011100
|
| 000111
|
00011
|
00100010
|
| 000111
|
00100
|
00100010
|
| 000111
|
00101
|
00100010
|
| 000111
|
00110
|
00100010
|
| 000111
|
00111
|
00100010
|
| 000111
|
01000
|
00100010
|
| 000111
|
01001
|
00100010
|
| 000111
|
01010
|
00100010
|
| 000111
|
01011
|
00100010
|
| 000111
|
01100
|
00100010
|
| 000111
|
01101
|
00100010
|
| 000111
|
01110
|
00011100
|
| 000111
|
01111
|
00000000
|
| 000111
|
10000
|
00000000
|
| 001000
|
00000
|
00000000
|
| 001000
|
00001
|
00000000
|
| 001000
|
00010
|
00111100
|
| 001000
|
00011
|
00100010
|
| 001000
|
00100
|
00100010
|
| 001000
|
00101
|
00100010
|
| 001000
|
00110
|
00100010
|
| 001000
|
00111
|
00100010
|
| 001000
|
01000
|
00111100
|
| 001000
|
01001
|
00100010
|
| 001000
|
01010
|
00100010
|
| 001000
|
01011
|
00100010
|
| 001000
|
01100
|
00100010
|
| 001000
|
01101
|
00100010
|
| 001000
|
01110
|
00111100
|
| 001000
|
01111
|
00000000
|
| 001000
|
10000
|
00000000
|
| 001001
|
00000
|
00000000
|
| 001001
|
00001
|
00000000
|
| 001001
|
00010
|
00000000
|
| 001001
|
00011
|
00000000
|
| 001001
|
00100
|
00000000
|
| 001001
|
00101
|
00000000
|
| 001001
|
00110
|
00000000
|
| 001001
|
00111
|
00000000
|
| 001001
|
01000
|
00000000
|
| 001001
|
01001
|
00000000
|
| 001001
|
01010
|
00000000
|
| 001001
|
01011
|
00000000
|
| 001001
|
01100
|
00000000
|
| 001001
|
01101
|
00000000
|
| 001001
|
01110
|
00000000
|
| 001001
|
01111
|
00000000
|
| 001001
|
10000
|
00000000
|
| 001010
|
00000
|
00000000
|
| 001010
|
00001
|
00000000
|
| 001010
|
00010
|
00000000
|
| 001010
|
00011
|
00000000
|
| 001010
|
00100
|
00000000
|
| 001010
|
00101
|
00000000
|
| 001010
|
00110
|
00000000
|
| 001010
|
00111
|
00000000
|
| 001010
|
01000
|
00000000
|
| 001010
|
01001
|
00000000
|
| 001010
|
01010
|
00000000
|
| 001010
|
01011
|
00000000
|
| 001010
|
01100
|
00000000
|
| 001010
|
01101
|
00000000
|
| 001010
|
01110
|
00000000
|
| 001010
|
01111
|
00000000
|
| 001010
|
10000
|
00000000
|
| 001011
|
00000
|
00000000
|
| 001011
|
00001
|
00000000
|
| 001011
|
00010
|
00000000
|
| 001011
|
00011
|
00000000
|
| 001011
|
00100
|
00000000
|
| 001011
|
00101
|
00000000
|
| 001011
|
00110
|
00000000
|
| 001011
|
00111
|
00000000
|
| 001011
|
01000
|
00000000
|
| 001011
|
01001
|
00000000
|
| 001011
|
01010
|
00000000
|
| 001011
|
01011
|
00000000
|
| 001011
|
01100
|
00000000
|
| 001011
|
01101
|
00000000
|
| 001011
|
01110
|
00000000
|
| 001011
|
01111
|
00000000
|
| 001011
|
10000
|
00000000
|
| 001100
|
00000
|
00000000
|
| 001100
|
00001
|
00000000
|
| 001100
|
00010
|
00000000
|
| 001100
|
00011
|
00000000
|
| 001100
|
00100
|
00000000
|
| 001100
|
00101
|
00000000
|
| 001100
|
00110
|
00000000
|
| 001100
|
00111
|
00000000
|
| 001100
|
01000
|
00000000
|
| 001100
|
01001
|
00000000
|
| 001100
|
01010
|
00000000
|
| 001100
|
01011
|
00000000
|
| 001100
|
01100
|
00000000
|
| 001100
|
01101
|
00000000
|
| 001100
|
01110
|
00000000
|
| 001100
|
01111
|
00000000
|
| 001100
|
10000
|
00000000
|
| 001101
|
00000
|
00000000
|
| 001101
|
00001
|
00000000
|
| 001101
|
00010
|
00000000
|
| 001101
|
00011
|
00000000
|
| 001101
|
00100
|
00000000
|
| 001101
|
00101
|
00000000
|
| 001101
|
00110
|
00000000
|
| 001101
|
00111
|
00000000
|
| 001101
|
01000
|
00000000
|
| 001101
|
01001
|
00000000
|
| 001101
|
01010
|
00000000
|
| 001101
|
01011
|
00000000
|
| 001101
|
01100
|
00000000
|
| 001101
|
01101
|
00000000
|
| 001101
|
01110
|
00000000
|
| 001101
|
01111
|
00000000
|
| 001101
|
10000
|
00000000
|
| 001110
|
00000
|
00000000
|
| 001110
|
00001
|
00000000
|
| 001110
|
00010
|
00000000
|
| 001110
|
00011
|
00000000
|
| 001110
|
00100
|
00000000
|
| 001110
|
00101
|
00000000
|
| 001110
|
00110
|
00000000
|
| 001110
|
00111
|
00000000
|
| 001110
|
01000
|
00000000
|
| 001110
|
01001
|
00000000
|
| 001110
|
01010
|
00000000
|
| 001110
|
01011
|
00000000
|
| 001110
|
01100
|
00000000
|
| 001110
|
01101
|
00000000
|
| 001110
|
01110
|
00000000
|
| 001110
|
01111
|
00000000
|
| 001110
|
10000
|
00000000
|
| 001111
|
00000
|
00000000
|
| 001111
|
00001
|
00000000
|
| 001111
|
00010
|
00001000
|
| 001111
|
00011
|
00010100
|
| 001111
|
00100
|
00100010
|
| 001111
|
00101
|
00100010
|
| 001111
|
00110
|
00100010
|
| 001111
|
00111
|
00100010
|
| 001111
|
01000
|
00111110
|
| 001111
|
01001
|
00100010
|
| 001111
|
01010
|
00100010
|
| 001111
|
01011
|
00100010
|
| 001111
|
01100
|
00100010
|
| 001111
|
01101
|
00100010
|
| 001111
|
01110
|
00100010
|
| 001111
|
01111
|
00000000
|
| 001111
|
10000
|
00000000
|
| 010000
|
00000
|
00000000
|
| 010000
|
00001
|
00000000
|
| 010000
|
00010
|
00100010
|
| 010000
|
00011
|
00100010
|
| 010000
|
00100
|
00100010
|
| 010000
|
00101
|
00100010
|
| 010000
|
00110
|
00100010
|
| 010000
|
00111
|
00100010
|
| 010000
|
01000
|
00111110
|
| 010000
|
01001
|
00100010
|
| 010000
|
01010
|
00100010
|
| 010000
|
01011
|
00100010
|
| 010000
|
01100
|
00100010
|
| 010000
|
01101
|
00100010
|
| 010000
|
01110
|
00100010
|
| 010000
|
01111
|
00000000
|
| 010000
|
10000
|
00000000
|
| 010001
|
00000
|
00000000
|
| 010001
|
00001
|
00000000
|
| 010001
|
00010
|
00011100
|
| 010001
|
00011
|
00010100
|
| 010001
|
00100
|
00010100
|
| 010001
|
00101
|
00010100
|
| 010001
|
00110
|
00010100
|
| 010001
|
00111
|
00010100
|
| 010001
|
01000
|
00010100
|
| 010001
|
01001
|
00010100
|
| 010001
|
01010
|
00010100
|
| 010001
|
01011
|
00010100
|
| 010001
|
01100
|
00111110
|
| 010001
|
01101
|
00100010
|
| 010001
|
01110
|
00100010
|
| 010001
|
01111
|
00000000
|
| 010001
|
10000
|
00000000
|
| 010010
|
00000
|
00000000
|
| 010010
|
00001
|
00000000
|
| 010010
|
00010
|
00111100
|
| 010010
|
00011
|
00100010
|
| 010010
|
00100
|
00100010
|
| 010010
|
00101
|
00100010
|
| 010010
|
00110
|
00100010
|
| 010010
|
00111
|
00100010
|
| 010010
|
01000
|
00111100
|
| 010010
|
01001
|
00100000
|
| 010010
|
01010
|
00100000
|
| 010010
|
01011
|
00100000
|
| 010010
|
01100
|
00100000
|
| 010010
|
01101
|
00100000
|
| 010010
|
01110
|
00100000
|
| 010010
|
01111
|
00000000
|
| 010010
|
10000
|
00000000
|
| 010011
|
00000
|
00000000
|
| 010011
|
00001
|
00000000
|
| 010011
|
00010
|
00011100
|
| 010011
|
00011
|
00001000
|
| 010011
|
00100
|
00001000
|
| 010011
|
00101
|
00001000
|
| 010011
|
00110
|
00001000
|
| 010011
|
00111
|
00001000
|
| 010011
|
01000
|
00001000
|
| 010011
|
01001
|
00001000
|
| 010011
|
01010
|
00001000
|
| 010011
|
01011
|
00001000
|
| 010011
|
01100
|
00001000
|
| 010011
|
01101
|
00001000
|
| 010011
|
01110
|
00011100
|
| 010011
|
01111
|
00000000
|
| 010011
|
10000
|
00000000
|
| 010100
|
00000
|
00000000
|
| 010100
|
00001
|
00000000
|
| 010100
|
00010
|
00011100
|
| 010100
|
00011
|
00000000
|
| 010100
|
00100
|
00100010
|
| 010100
|
00101
|
00100010
|
| 010100
|
00110
|
00100010
|
| 010100
|
00111
|
00100110
|
| 010100
|
01000
|
00101010
|
| 010100
|
01001
|
00110010
|
| 010100
|
01010
|
00100010
|
| 010100
|
01011
|
00100010
|
| 010100
|
01100
|
00100010
|
| 010100
|
01101
|
00100010
|
| 010100
|
01110
|
00100010
|
| 010100
|
01111
|
00000000
|
| 010100
|
10000
|
00000000
|
| 010101
|
00000
|
00000000
|
| 010101
|
00001
|
00000000
|
| 010101
|
00010
|
00000000
|
| 010101
|
00011
|
00000000
|
| 010101
|
00100
|
00000000
|
| 010101
|
00101
|
00000000
|
| 010101
|
00110
|
00000000
|
| 010101
|
00111
|
00000000
|
| 010101
|
01000
|
00000000
|
| 010101
|
01001
|
00000000
|
| 010101
|
01010
|
00000000
|
| 010101
|
01011
|
00000000
|
| 010101
|
01100
|
00000000
|
| 010101
|
01101
|
00000000
|
| 010101
|
01110
|
00000000
|
| 010101
|
01111
|
00000000
|
| 010101
|
10000
|
00000000
|
| 010110
|
00000
|
00000000
|
| 010110
|
00001
|
00000000
|
| 010110
|
00010
|
00000000
|
| 010110
|
00011
|
00000000
|
| 010110
|
00100
|
00000000
|
| 010110
|
00101
|
00000000
|
| 010110
|
00110
|
00000000
|
| 010110
|
00111
|
00000000
|
| 010110
|
01000
|
00000000
|
| 010110
|
01001
|
00000000
|
| 010110
|
01010
|
00000000
|
| 010110
|
01011
|
00000000
|
| 010110
|
01100
|
00000000
|
| 010110
|
01101
|
00000000
|
| 010110
|
01110
|
00000000
|
| 010110
|
01111
|
00000000
|
| 010110
|
10000
|
00000000
|
| 010111
|
00000
|
00000000
|
| 010111
|
00001
|
00000000
|
| 010111
|
00010
|
00000000
|
| 010111
|
00011
|
00000000
|
| 010111
|
00100
|
00000000
|
| 010111
|
00101
|
00000000
|
| 010111
|
00110
|
00000000
|
| 010111
|
00111
|
00000000
|
| 010111
|
01000
|
00000000
|
| 010111
|
01001
|
00000000
|
| 010111
|
01010
|
00000000
|
| 010111
|
01011
|
00000000
|
| 010111
|
01100
|
00000000
|
| 010111
|
01101
|
00000000
|
| 010111
|
01110
|
00000000
|
| 010111
|
01111
|
00000000
|
| 010111
|
10000
|
00000000
|
| 011000
|
00000
|
00000000
|
| 011000
|
00001
|
00000000
|
| 011000
|
00010
|
00000000
|
| 011000
|
00011
|
00000000
|
| 011000
|
00100
|
00000000
|
| 011000
|
00101
|
00000000
|
| 011000
|
00110
|
00000000
|
| 011000
|
00111
|
00000000
|
| 011000
|
01000
|
00000000
|
| 011000
|
01001
|
00000000
|
| 011000
|
01010
|
00000000
|
| 011000
|
01011
|
00000000
|
| 011000
|
01100
|
00000000
|
| 011000
|
01101
|
00000000
|
| 011000
|
01110
|
00000000
|
| 011000
|
01111
|
00000000
|
| 011000
|
10000
|
00000000
|
| 011001
|
00000
|
00000000
|
| 011001
|
00001
|
00000000
|
| 011001
|
00010
|
00000000
|
| 011001
|
00011
|
00000000
|
| 011001
|
00100
|
00000000
|
| 011001
|
00101
|
00000000
|
| 011001
|
00110
|
00000000
|
| 011001
|
00111
|
00000000
|
| 011001
|
01000
|
00000000
|
| 011001
|
01001
|
00000000
|
| 011001
|
01010
|
00000000
|
| 011001
|
01011
|
00000000
|
| 011001
|
01100
|
00000000
|
| 011001
|
01101
|
00000000
|
| 011001
|
01110
|
00000000
|
| 011001
|
01111
|
00000000
|
| 011001
|
10000
|
00000000
|
| 011010
|
00000
|
00000000
|
| 011010
|
00001
|
00000000
|
| 011010
|
00010
|
00011100
|
| 011010
|
00011
|
00001000
|
| 011010
|
00100
|
00001000
|
| 011010
|
00101
|
00001000
|
| 011010
|
00110
|
00001000
|
| 011010
|
00111
|
00001000
|
| 011010
|
01000
|
00001000
|
| 011010
|
01001
|
00001000
|
| 011010
|
01010
|
00001000
|
| 011010
|
01011
|
00001000
|
| 011010
|
01100
|
00001000
|
| 011010
|
01101
|
00001000
|
| 011010
|
01110
|
00011100
|
| 011010
|
01111
|
00000000
|
| 011010
|
10000
|
00000000
|
| 011011
|
00000
|
00000000
|
| 011011
|
00001
|
00000000
|
| 011011
|
00010
|
00111100
|
| 011011
|
00011
|
00100010
|
| 011011
|
00100
|
00100010
|
| 011011
|
00101
|
00100010
|
| 011011
|
00110
|
00100010
|
| 011011
|
00111
|
00100010
|
| 011011
|
01000
|
00111100
|
| 011011
|
01001
|
00100010
|
| 011011
|
01010
|
00100010
|
| 011011
|
01011
|
00100010
|
| 011011
|
01100
|
00100010
|
| 011011
|
01101
|
00100010
|
| 011011
|
01110
|
00111100
|
| 011011
|
01111
|
00000000
|
| 011011
|
10000
|
00000000
|
| 011100
|
00000
|
00000000
|
| 011100
|
00001
|
00000000
|
| 011100
|
00010
|
00001000
|
| 011100
|
00011
|
00010100
|
| 011100
|
00100
|
00100010
|
| 011100
|
00101
|
00100010
|
| 011100
|
00110
|
00100010
|
| 011100
|
00111
|
00100010
|
| 011100
|
01000
|
00111110
|
| 011100
|
01001
|
00100010
|
| 011100
|
01010
|
00100010
|
| 011100
|
01011
|
00100010
|
| 011100
|
01100
|
00100010
|
| 011100
|
01101
|
00100010
|
| 011100
|
01110
|
00100010
|
| 011100
|
01111
|
00000000
|
| 011100
|
10000
|
00000000
|
| 011101
|
00000
|
00000000
|
| 011101
|
00001
|
00000000
|
| 011101
|
00010
|
00100010
|
| 011101
|
00011
|
00100010
|
| 011101
|
00100
|
00100010
|
| 011101
|
00101
|
00100010
|
| 011101
|
00110
|
00100010
|
| 011101
|
00111
|
00100010
|
| 011101
|
01000
|
00111110
|
| 011101
|
01001
|
00100010
|
| 011101
|
01010
|
00100010
|
| 011101
|
01011
|
00100010
|
| 011101
|
01100
|
00100010
|
| 011101
|
01101
|
00100010
|
| 011101
|
01110
|
00100010
|
| 011101
|
01111
|
00000000
|
| 011101
|
10000
|
00000000
|
| 011110
|
00000
|
00000000
|
| 011110
|
00001
|
00000000
|
| 011110
|
00010
|
00011100
|
| 011110
|
00011
|
00100010
|
| 011110
|
00100
|
00100010
|
| 011110
|
00101
|
00100010
|
| 011110
|
00110
|
00100010
|
| 011110
|
00111
|
00100010
|
| 011110
|
01000
|
00100010
|
| 011110
|
01001
|
00100010
|
| 011110
|
01010
|
00100010
|
| 011110
|
01011
|
00100010
|
| 011110
|
01100
|
00100010
|
| 011110
|
01101
|
00100010
|
| 011110
|
01110
|
00011100
|
| 011110
|
01111
|
00000000
|
| 011110
|
10000
|
00000000
|
| 011111
|
00000
|
00000000
|
| 011111
|
00001
|
00000000
|
| 011111
|
00010
|
00111100
|
| 011111
|
00011
|
00100010
|
| 011111
|
00100
|
00100010
|
| 011111
|
00101
|
00100010
|
| 011111
|
00110
|
00100010
|
| 011111
|
00111
|
00100010
|
| 011111
|
01000
|
00111100
|
| 011111
|
01001
|
00100010
|
| 011111
|
01010
|
00100010
|
| 011111
|
01011
|
00100010
|
| 011111
|
01100
|
00100010
|
| 011111
|
01101
|
00100010
|
| 011111
|
01110
|
00111100
|
| 011111
|
01111
|
00000000
|
| 011111
|
10000
|
00000000
|
| 100000
|
00000
|
00000000
|
| 100000
|
00001
|
00000000
|
| 100000
|
00010
|
00100010
|
| 100000
|
00011
|
00100010
|
| 100000
|
00100
|
00100010
|
| 100000
|
00101
|
00100010
|
| 100000
|
00110
|
00100010
|
| 100000
|
00111
|
00100110
|
| 100000
|
01000
|
00101010
|
| 100000
|
01001
|
00110010
|
| 100000
|
01010
|
00100010
|
| 100000
|
01011
|
00100010
|
| 100000
|
01100
|
00100010
|
| 100000
|
01101
|
00100010
|
| 100000
|
01110
|
00100010
|
| 100000
|
01111
|
00000000
|
| 100000
|
10000
|
00000000
|
| 100001
|
00000
|
00000000
|
| 100001
|
00001
|
00000000
|
| 100001
|
00010
|
00100010
|
| 100001
|
00011
|
00100010
|
| 100001
|
00100
|
00100010
|
| 100001
|
00101
|
00100010
|
| 100001
|
00110
|
00100010
|
| 100001
|
00111
|
00100010
|
| 100001
|
01000
|
00111110
|
| 100001
|
01001
|
00000010
|
| 100001
|
01010
|
00000010
|
| 100001
|
01011
|
00000010
|
| 100001
|
01100
|
00000010
|
| 100001
|
01101
|
00000010
|
| 100001
|
01110
|
00000010
|
| 100001
|
01111
|
00000000
|
| 100001
|
10000
|
00000000
|
| 100010
|
00000
|
00000000
|
| 100010
|
00001
|
00000000
|
| 100010
|
00010
|
00000000
|
| 100010
|
00011
|
00000000
|
| 100010
|
00100
|
00000000
|
| 100010
|
00101
|
00000000
|
| 100010
|
00110
|
00000000
|
| 100010
|
00111
|
00000000
|
| 100010
|
01000
|
00000000
|
| 100010
|
01001
|
00000000
|
| 100010
|
01010
|
00000000
|
| 100010
|
01011
|
00000000
|
| 100010
|
01100
|
00000000
|
| 100010
|
01101
|
00000000
|
| 100010
|
01110
|
00000000
|
| 100010
|
01111
|
00000000
|
| 100010
|
10000
|
00000000
|
| 100011
|
00000
|
00000000
|
| 100011
|
00001
|
00000000
|
| 100011
|
00010
|
00000000
|
| 100011
|
00011
|
00000000
|
| 100011
|
00100
|
00000000
|
| 100011
|
00101
|
00000000
|
| 100011
|
00110
|
00000000
|
| 100011
|
00111
|
00000000
|
| 100011
|
01000
|
00000000
|
| 100011
|
01001
|
00000000
|
| 100011
|
01010
|
00000000
|
| 100011
|
01011
|
00000000
|
| 100011
|
01100
|
00000000
|
| 100011
|
01101
|
00000000
|
| 100011
|
01110
|
00000000
|
| 100011
|
01111
|
00000000
|
| 100011
|
10000
|
00000000
|
| 100100
|
00000
|
00000000
|
| 100100
|
00001
|
00000000
|
| 100100
|
00010
|
00000000
|
| 100100
|
00011
|
00000000
|
| 100100
|
00100
|
00000000
|
| 100100
|
00101
|
00000000
|
| 100100
|
00110
|
00000000
|
| 100100
|
00111
|
00000000
|
| 100100
|
01000
|
00000000
|
| 100100
|
01001
|
00000000
|
| 100100
|
01010
|
00000000
|
| 100100
|
01011
|
00000000
|
| 100100
|
01100
|
00000000
|
| 100100
|
01101
|
00000000
|
| 100100
|
01110
|
00000000
|
| 100100
|
01111
|
00000000
|
| 100100
|
10000
|
00000000
|
| 100101
|
00000
|
00000000
|
| 100101
|
00001
|
00000000
|
| 100101
|
00010
|
00011100
|
| 100101
|
00011
|
00100010
|
| 100101
|
00100
|
00100010
|
| 100101
|
00101
|
00100010
|
| 100101
|
00110
|
00100010
|
| 100101
|
00111
|
00100010
|
| 100101
|
01000
|
00100010
|
| 100101
|
01001
|
00100010
|
| 100101
|
01010
|
00100010
|
| 100101
|
01011
|
00100010
|
| 100101
|
01100
|
00100010
|
| 100101
|
01101
|
00100010
|
| 100101
|
01110
|
00011100
|
| 100101
|
01111
|
00000000
|
| 100101
|
10000
|
00000000
|
| 100110
|
00000
|
00000000
|
| 100110
|
00001
|
00000000
|
| 100110
|
00010
|
00001000
|
| 100110
|
00011
|
00011000
|
| 100110
|
00100
|
00001000
|
| 100110
|
00101
|
00001000
|
| 100110
|
00110
|
00001000
|
| 100110
|
00111
|
00001000
|
| 100110
|
01000
|
00001000
|
| 100110
|
01001
|
00001000
|
| 100110
|
01010
|
00001000
|
| 100110
|
01011
|
00001000
|
| 100110
|
01100
|
00001000
|
| 100110
|
01101
|
00001000
|
| 100110
|
01110
|
00011100
|
| 100110
|
01111
|
00000000
|
| 100110
|
10000
|
00000000
|
| 100111
|
00000
|
00000000
|
| 100111
|
00001
|
00000000
|
| 100111
|
00010
|
00000000
|
| 100111
|
00011
|
00000000
|
| 100111
|
00100
|
00000000
|
| 100111
|
00101
|
00000000
|
| 100111
|
00110
|
00000000
|
| 100111
|
00111
|
00000000
|
| 100111
|
01000
|
00000000
|
| 100111
|
01001
|
00000000
|
| 100111
|
01010
|
00000000
|
| 100111
|
01011
|
00000000
|
| 100111
|
01100
|
00000000
|
| 100111
|
01101
|
00000000
|
| 100111
|
01110
|
00001000
|
| 100111
|
01111
|
00000000
|
| 100111
|
10000
|
00000000
|
| 101000
|
00000
|
00011100
|
| 101000
|
00001
|
00100010
|
| 101000
|
00010
|
00100010
|
| 101000
|
00011
|
00100010
|
| 101000
|
00100
|
00100010
|
| 101000
|
00101
|
00100010
|
| 101000
|
00110
|
00100010
|
| 101000
|
00111
|
00100010
|
| 101000
|
01000
|
00100010
|
| 101000
|
01001
|
00100010
|
| 101000
|
01010
|
00100010
|
| 101000
|
01011
|
00100010
|
| 101000
|
01100
|
00011100
|
| 101000
|
01101
|
00000000
|
| 101000
|
01110
|
00000000
|
| 101000
|
01111
|
00000000
|
| 101000
|
10000
|
00000000
|
| 101001
|
00000
|
00000000
|
| 101001
|
00001
|
00000000
|
| 101001
|
00010
|
00001000
|
| 101001
|
00011
|
00011000
|
| 101001
|
00100
|
00001000
|
| 101001
|
00101
|
00001000
|
| 101001
|
00110
|
00001000
|
| 101001
|
00111
|
00001000
|
| 101001
|
01000
|
00001000
|
| 101001
|
01001
|
00001000
|
| 101001
|
01010
|
00001000
|
| 101001
|
01011
|
00001000
|
| 101001
|
01100
|
00001000
|
| 101001
|
01101
|
00001000
|
| 101001
|
01110
|
00011100
|
| 101001
|
01111
|
00000000
|
| 101001
|
10000
|
00000000
|
| 101010
|
00000
|
00000000
|
| 101010
|
00001
|
00000000
|
| 101010
|
00010
|
00000000
|
| 101010
|
00011
|
00000000
|
| 101010
|
00100
|
00000000
|
| 101010
|
00101
|
00000000
|
| 101010
|
00110
|
00000000
|
| 101010
|
00111
|
00000000
|
| 101010
|
01000
|
00000000
|
| 101010
|
01001
|
00000000
|
| 101010
|
01010
|
00000000
|
| 101010
|
01011
|
00000000
|
| 101010
|
01100
|
00000000
|
| 101010
|
01101
|
00000000
|
| 101010
|
01110
|
00001000
|
| 101010
|
01111
|
00000000
|
| 101010
|
10000
|
00000000
|
| 101011
|
00000
|
00000000
|
| 101011
|
00001
|
00000000
|
| 101011
|
00010
|
00001000
|
| 101011
|
00011
|
00011000
|
| 101011
|
00100
|
00001000
|
| 101011
|
00101
|
00001000
|
| 101011
|
00110
|
00001000
|
| 101011
|
00111
|
00001000
|
| 101011
|
01000
|
00001000
|
| 101011
|
01001
|
00001000
|
| 101011
|
01010
|
00001000
|
| 101011
|
01011
|
00001000
|
| 101011
|
01100
|
00001000
|
| 101011
|
01101
|
00001000
|
| 101011
|
01110
|
00011100
|
| 101011
|
01111
|
00000000
|
| 101011
|
10000
|
00000000
|
| 101100
|
00000
|
00000000
|
| 101100
|
00001
|
00000000
|
| 101100
|
00010
|
00011100
|
| 101100
|
00011
|
00100010
|
| 101100
|
00100
|
00100010
|
| 101100
|
00101
|
00100010
|
| 101100
|
00110
|
00100010
|
| 101100
|
00111
|
00100010
|
| 101100
|
01000
|
00011100
|
| 101100
|
01001
|
00000010
|
| 101100
|
01010
|
00000010
|
| 101100
|
01011
|
00000010
|
| 101100
|
01100
|
00000010
|
| 101100
|
01101
|
00000010
|
| 101100
|
01110
|
00011100
|
| 101100
|
01111
|
00000000
|
| 101100
|
10000
|
00000000
|
| 101101
|
00000
|
00000000
|
| 101101
|
00001
|
00000000
|
| 101101
|
00010
|
00011100
|
| 101101
|
00011
|
00100010
|
| 101101
|
00100
|
00100010
|
| 101101
|
00101
|
00100010
|
| 101101
|
00110
|
00100010
|
| 101101
|
00111
|
00100010
|
| 101101
|
01000
|
00011100
|
| 101101
|
01001
|
00100010
|
| 101101
|
01010
|
00100010
|
| 101101
|
01011
|
00100010
|
| 101101
|
01100
|
00100010
|
| 101101
|
01101
|
00100010
|
| 101101
|
01110
|
00011100
|
| 101101
|
01111
|
00000000
|
| 101101
|
10000
|
00000000
|
| 101110
|
00000
|
00000000
|
| 101110
|
00001
|
00000000
|
| 101110
|
00010
|
00011100
|
| 101110
|
00011
|
00100010
|
| 101110
|
00100
|
00100010
|
| 101110
|
00101
|
00100010
|
| 101110
|
00110
|
00100010
|
| 101110
|
00111
|
00100010
|
| 101110
|
01000
|
00011100
|
| 101110
|
01001
|
00100010
|
| 101110
|
01010
|
00100010
|
| 101110
|
01011
|
00100010
|
| 101110
|
01100
|
00100010
|
| 101110
|
01101
|
00100010
|
| 101110
|
01110
|
00011100
|
| 101110
|
01111
|
00000000
|
| 101110
|
10000
|
00000000
|
| 101111
|
00000
|
00000000
|
| 101111
|
00001
|
00000000
|
| 101111
|
00010
|
00000000
|
| 101111
|
00011
|
00000000
|
| 101111
|
00100
|
00000000
|
| 101111
|
00101
|
00000000
|
| 101111
|
00110
|
00000000
|
| 101111
|
00111
|
00000000
|
| 101111
|
01000
|
00000000
|
| 101111
|
01001
|
00000000
|
| 101111
|
01010
|
00000000
|
| 101111
|
01011
|
00000000
|
| 101111
|
01100
|
00000000
|
| 101111
|
01101
|
00000000
|
| 101111
|
01110
|
00000000
|
| 101111
|
01111
|
00000000
|
| 101111
|
10000
|
00000000
|
Знаки на екрані матимуть наступний вигляд (слід зазначити, що додаткові проміжки зверху й знизу невідображені):

Рис. 3а

Рис. 3б
3.5. Знайдемо частоту тактового генератора
Період імпульсів тактового генератора має бути таким, щоб період кадрової розгортки відповідав стандартній частоті 50 Гц. Отже, умова вибору періоду тактового генератора
NЕЗК
TТГ
≤ TК50
,
де NЕЗК
– кількість елементів зображення в усіх літерах кадру.
NЕЗК
= (ширина символу + відстань між символами)·( висота ряду +
+ відстань між рядами)·кількість рядів·кількість символів ряду =
= (9+8)·(7+4)·4·14 = 10472;
Частота кадрів — fК
50
= 50 Гц;
Звідси частота генератора
fТГ
≥ NЕЗК
fК
50
= 10472·50 = 523600 Гц
Використаємо схему генератора на трьох елементах НЕ (мікросхема К155ЛН1) та часозадавальним ланцюгом С1 R1 .

Задамося R1=100 Ом. Тоді

Використаємо стандартний конденсатор К10-47 з номінальною ємністю 6.8 нФ.
Тоді:

Використаємо підстроювальний резистор СП5-2 опором до 100 Ом для точної настройки частоти.
4. Робота пристрою за принциповою схемою
З тактового генератора, побудованого на трьох елементах «НЕ» мікросхеми DD4 та ланцюга R1C1 знімаються імпульси частотою fТГ
. Вони поступають на вхід лічильника Лn1
, побудованого на DD5 та на тактовий вхід регістра DD18.
З виходу лічильника сигнал потрапляє на ЦАП1
(DD11), а звідти на перший суматор (DА1, R2, R3, R6). Так як суматор інвертує сигнал, то після нього встановлюємо інвертор (DА3, R8, R10), щоб повернути напрузі необхідну полярність. З виходу інвертора знімається напруга Ux
.
За допомогою логічного елемента «І» (DD10), якщо на виході Лn1
буде величина 9 (сума ширини знакомісця і величини проміжку між знакомісцями), то на Лn1
піде сигнал на скидання лічильника, а на вихідний регістр - сигнал для зчитування з ПЗП (DD17) наступного рядка знакомісця. При цьому також сигнал подасться на лічильник Лn2
, який вказує на номер рядка в знакомісці. Сигнал з Лn2
потрапляє на ПЗП й ЦАП2
(DD1), а звідти на другий суматор (DА2, R4, R5, R7) і інвертор (DА4, R9, R11). З виходу інвертора знімається напруга Uy
.
За допомогою логічного елемента «І» (DD10), якщо на виході Лn2
буде величина 17 (сума рядків в знакомісці і величини проміжку між текстовими рядками), то на Лn
2
піде сигнал на скидання лічильника. При цьому також сигнал подасться на лічильник ЛЗН
, який вказує на номер знакомісця (символу) в рядку. Сигнал з ЛЗН
потрапляє на молодші біти (А0…А4) БЗП (DD16) та на ЦАП3
(DD2), а звідти на перший суматор.
За допомогою логічного елемента «І» (DD13), якщо на виході ЛЗН
буде величина 12 (кількість знакомісць в рудку), то на ЛЗН
піде сигнал на скидання лічильника. При цьому також сигнал подасться на лічильник ЛТР
, який вказує на номер текстового рядку. Сигнал з ЛТР
потрапляє на старші біти (А4, А5) БЗП та на ЦАП4
(DD3) , а звідти на другий суматор.
У випадку, коли ЛТР
дорахує до 4, то з його ж виходу піде сигнал на його скидання. Це означатиме, що всі чотири рядки нарисовані (кінець кадру).
Таким чином, лічильники Лn1
і Лn2
разом з ЦАП1
і ЦАП2
формують точковий малоформатний растр. ЛЗН
формує номер знакомісця і через ЦАП3
установлює положення знакомісця в текстовому рядку, а через адресні входи БЗП викликає код заданого на цьому знакомісці символу. Аналогічно, ЛТР
формує номер текстового рядка, адресує разом з ЛЗН
код символу, установленого за допомогою ЦАП4
у відповідний текстовий рядок.
В БЗП заноситься послідовність та код символів, а в ПЗП зберігається їх зображення. За допомогою паралельно-послідовного регістра DD18 зображення символу з ПЗП перетворюється в послідовність підсвічувань електронного променя (формується напруга Uz
) в характерних для символу точках.
5. Висновки
В ході виконання даної курсової роботи була розроблена система відображення зображення на основі методу точкового малоформатного растру. В такій системі малоформатний телевізійний растр розташований у межах знакомісця, а формування зображення одержують підсвічуванням електронного променя в моменти проходження через характерні для даного знака точки. Малоформатний растр має підвищену швидкодію в порівнянні з пристроями відображення інформації, що використовують повноформатний растр, так як уся матриця знака формується при фіксованій адресі в БЗП й тому з циклу звертання до БЗП виключений час вибірки з БЗП.
6. Література
1. Методичні вказівки до виконання курсової роботи по курсу: «Пристрої та системи відображення та реєстрації інформації», Київ -2001-НТУУ «КПІ».
2. Сигорский В.П., Зубчук В.И., Шкуро А.Н. «Элементы цифровой схемотехніки».
3. Зубчук В.И., Шкуро А.Н. «Функциональные узлы цифровой схемотехніки»
4. Яблонский Ф.М., Троицкий Ю.В. “Средства отображения информации”.
5. Яблонский Ф.М. «Системы отображения информации»
|