|
Реферат
по
электротехнике
на тему:
«Синхронные генераторы»
Выполнил: ст. группы МЗ-03-10
Воробьев К.Ю
Содержание
1. Синхронные генераторы и их характеристики………………………………….3
2. Ресурсные характеристики обмотки статора синхронного генератора……….14
3. U-образная характеристика синхронного генератора…………………………..13 1. Синхронные генераторы и их характеристики
На рис. 1 показаны внешние естественные характеристики трехфазного синхронного генератора, иллюстрирующие зависимость напряжения U г на его зажимах от тока обмотки статора Ir при заданном коэффициенте мощности приемников соs φ = const, неизменном токе возбуждения в обмотке ротора IB = const и постоянной частоте вращения ротора, чему отвечает неизменная частота переменного тока f=const. Эти характеристики могут исходить как из общей точки (0, Егx
), отвечающей режиму холостого хода, так и пересекаться в точке (Iг ном
, U г ном
), соответствующей номинальной нагрузке. Первые характеристики

Рис. 1.1. Внешние характеристики трехфазного синхронного генератора при изменении нагрузки с заданным коэффициентом мощности нагрузки: а - от режима холостого хода до номинальной; б - от номинальной до режима холостого хода
позволяют определить изменение напряжения генератора при увеличении нагрузки от режима холостого хода до номинального тока, а вторые - при снижении нагрузки от номинальной до режима холостого хода.
Основной естественной внешней характеристикой синхронного генератора считают кривую Uг (Iг), полученную при симметричном режиме, коэффициенте мощности приемников cos φ = 0,8 и φ > 0.
Для поддержания напряжения синхронного генератора неизменным при переменной нагрузке приходится регулировать ток возбуждения IB в обмотке ротора по закону, определяемому регулировочными характеристиками, крутизна которых зависит от характера нагрузки и ее коэффициента мощности (рис. 6.6). Так, при увеличивающемся токе нагрузки, отстающем по фазе от напряжения на угол φ > 0, возникает размагничивающее действие реакции якоря и соответствующая регулировочная характеристика поднимается, а при возрастающем токе нагрузки, опережающем по фазе напряжение на угол φ < 0, она снижается вследствие подмагничивающего действия реакции якоря.
Регулировочные характеристики дают возможность установить пределы изменения синхронного генератора и выбрать аппараты для регулирования напряжения. Регулировать ток возбуждения при изменении нагрузки генератора можно, изменяя сопротивление обмотки возбуждения.
Регулировать ток возбуждения при изменении нагрузки генератора, который на тепловозе работает в качестве возбудителя основного тягового генератора, можно не только воздействуя на регулирующий реостат Rp
, но и автоматически, что особенно удобно при синхронных генераторах с самовозбуждением (рис. 1.3). Здесь при холостом ходе генератора вторичные обмотки вольтодобавочного трансформатора Трв играют роль дросселей, снижающих напряжение на зажимах согласующего трансформатора Трс, через который питаются полупроводниковые диоды В. При увеличении нагрузки генератора в этих обмотках наводится ЭДС, в результате чего напряжение на диодах возрастает и увеличивается ток возбуждения генератора, что приводит к относительной стабилизации напряжения на его зажимах.
Электромагнитная мощность трехфазного синхронного генератора Pэм - мощность, передаваемая электромагнитным путем обмотке статора вращаемым ротором и отличающаяся от мощности P2внешней цепи только на мощность 3R2I 2 отвечающую потерям электрической энергии в обмотке статора, определяется выражением

гдеR2
- активное сопротивление фазы обмотки статора.

Рис. 1.2. Регулировочные характеристики трехфазного синхронного генератора при различном коэффициенте мощности приемников
Поскольку потери электрической энергии в обмотке статора незначительны, можно считать, что мощности Pэм
и P2
практически одинаковы. Поэтому электромагнитную мощность находят:
Поскольку электромагнитная мощность Pэм
зависит от ЭДС холостого хода Ех
, определяемой током возбуждения Iв
, то некоторым перевозбуждением машины можно увеличить максимальную электромагнитную мощность, при этом повышается статическая устойчивость работы машины, но также усиливается нагрев обмотки ротора.

Рис. 1.3. Схема трехфазного синхронного генератора с самовозбуждением
Работа трехфазных синхронных машин в генераторном режиме сопровождается потерями энергии, которые аналогичны потерям в асинхронных машинах. Эффективность работы трехфазного синхронного генератора характеризует КПД, который при симметричной нагрузке находят по формуле

где Uл
и Iл
- действующие линейные напряжения и ток;
ΔP - суммарные потери, отвечающие данной нагрузке машины.
Максимальное значение КПД синхронного генератора отвечает нагрузке, близкой к номинальной, и составляет для машин средней мощности 0,88-0,92, а для генераторов большой мощности доходит до 0,96-0,99 (рис. 1.4).
Электромагнитный момент синхронного генератора определяется выражением

Особенности применения синхронных генераторов в передачах переменного тока тепловозов. В локомотивных передачах переменного тока используются синхронные генераторы, которые работают совместно с выпрямительной установкой. Для уменьшения пульсации выходного напряжения в статоре тягового синхронного генератора (ГС 501, ГС 504)

Рис. 1.3. Графики зависимости КПД трехфазного синхронного генератора от нагрузки и коэффициента мощности приемников
укладывают две трехфазные обмотки, сдвинутые относительно друг друга на 30 эл. градусов. Тепловозные синхронные генераторы представляют собой явнополюсную синхронную электрическую машину. Размеры дизельного помещения локомотива позволяют спроектировать синхронный генератор мощностью до 7500 кВт.
Синхронные генераторы по сравнению с генераторами постоянного тока (1111) имеют меньшую массу. Так, синхронный генератор ГС 504 мощностью 2750 кВт имеет массу 6500 кг, а генератор постоянного тока ГП 31ЗБ мощностью 2700 кВт - 9000 кг. Отсюда следует, что масса синхронного генератора меньше массы генератора постоянного тока на 28-30 %. Выпрямительная установка имеет массу, равную ~10 % массы синхронного генератора. Поэтому общее снижение массы при переходе на синхронный генератор (СГ) и выпрямительную установку (ВУ) составляет 18-20 %.
При газотурбинном двигателе СГ является единственно целесообразным, поскольку между ними наличие механического редуктора необязательно, так как синхронный генератор выполняется на частоту вращения ротора газотурбинного двигателя. Совместная работа ГТП с газотурбинным двигателем без механического редуктора невозможна в виду малой механической прочности его якоря. На тепловозах и газотурбовозах с передачей переменного тока между тяговым синхронным генератором и асинхронными тяговыми двигателями возможно наличие неуправляемой выпрямительной установки (ВУ). При определении внешних характеристик силовой установки тепловоза (СГ с учетом ВУ) учитывают размагничивающее действие продольной реакции якоря синхронного генератора. Вследствие размагничивающего влияния продольной реакции и индуктивного сопротивления обмоток напряжение СГ при независимом возбуждении резко падает при постоянном токе независимой обмотки возбуждения и с увеличением тока нагрузки. Если номинальный ток возбуждения выбрать по Uг max
, как в генераторах постоянного тока, то максимальный ток короткого замыкания (к.з.) оказывается намного меньше Iг max
требуемого по условиям использования сцепления колес с рельсом. Для увеличения тока к.з. генератора можно повышать значение о.к.з. (отношение короткого замыкания). Синхронный генератор, выполненный с повышенным о.к.з., имеет увеличенные габариты и массу. В режиме к.з. по обмотке статора протекает чисто реактивный ток, который практически не зависит от частоты вращения ротора СГ. Только при очень малой частоте вращения ротора СГ начинает проявляться значение активного сопротивления статора и ток к.з. интенсивно уменьшается. Тепловозные генераторы выполняются со значением о.к.з. = 2 и, кроме того, в режимах пуска должны допускать форсировку возбуждения. Это не приводит к увеличению сечений участков магнитной цепи генератора, так как поток в пусковых режимах мал. Ток возбуждения растет при пуске для компенсации реакции якоря и падения напряжения (рис. 1.4).

Рис 1.4 Регулировочная характеристика возбуждения тепловозного тягового генератора
Расчетная мощность, определяющая активные размеры СГ,

где kг
= Uг max
- Uг ном
- коэффициент регулирования генератора.
Расчетная мощность СГ больше, чем генератора постоянного тока, вследствие изменения коэффициента мощности cosφ.
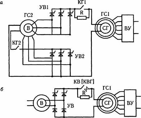
Тяговый генератор переменного тока имеет независимое возбуждение от специального возбудителя. Эксплуатация тепловозов (2ТЭ116, ТЭП70, ТЭМ7,2ТЭ121) показала надежность двух систем возбуждения тяговых синхронных генераторов: возбудителя переменного тока с самовозбуждением (2ТЭ121, ТЭП75, 2ТЭ116А, рис. 6.10, "); от синхронного возбудителя с регулированием напряжения посредством управляемого выпрямителя возбуждения (2ТЭ116, ТЭП70, ТЭМ7, рис. 6.10, б).

Рис. 1.5. Принципиальные схемы независимого возбуждения синхронного тягового генератора: а - от синхронного возбудителя с самовозбуждением (тепловозы2ТЭ121, 2ТЭ116А, ТЭП75Л' б - от синхронного возбудителя через УВВ (тепловозы 2ТЭ116, ТЭП70, ТЭМ7)
Совершенствование систем регулирования напряжения тяговых генераторов стало возможным в результате развития полупроводниковой техники, внедрения транзисторных и тиристорных преобразователей и усилителей. Тиристорные усилители обладают такими качествами, как малые габаритные размеры при большой мощности, высокий КПД и коэффициент усиления, большое быстродействие. Это позволило на тепловозах с электрической передачей мощности переменно-постоянного тока применить более современную систему регулирования напряжения тягового генератора, содержащую вместо магнитного усилителя и генератора-возбудителя постоянного тока генератор-возбудитель переменного тока и тиристорный усилитель, питающий обмотку возбуждения тягового генератора. Но так как требуемые характеристики Uг
(Iг nдг
) должны быть теми же самыми и при новой системе регулирования напряжения генератора, то естественно, что она тоже является комбинированной и построена на основе принципов регулирования по отклонению и возмущениям и содержит четыре регулятора напряжения тягового генератора: по отклонению напряжения от заданного значения, току тягового генератора (или электродвигателей), частоте вращения вала дизель-генератора и положению органа топливоподачи дизеля.
2. Ресурсные характеристики обмотки статора синхронного генератора
Представим принятые в виде нормативного документа признаки предельного состояния обмотки статора, представленные в табл. 2.1. Данные таблицы показывают степень сложности ресурсных оценок в данном случае: показатели ресурса разнородные: и непрерывные, и дискретные; они существенно меняются в зависимости от наступления аварийных ситуаций.
Действительно, для таких показателей как пробои изоляции, междуфазные КЗ, течи полых проводников, обгорание лобовых частей (эти повреждения выявляются в результате аварийных отключений) могут быть рассмотрены временные ряды с применением методов прогноза, оценки доверительных интервалов и т.п. Их регистрация и обработка не требует особых методических разработок, но прогнозировать число междуфазных КЗ в лобовых частях или число поврежденных термодатчиков на дне паза и тем более оценивать момент достижения критического значения (например значения, равного 3) достаточно проблематично прежде всего в силу малого объема статистических данных для каждого конкретного объекта. Трудно ожидать, что построение временного ряда (например, по числу поврежденных термодатчиков или числу междуфазных КЗ) даст устойчивые оценки, поскольку представительные выборки здесь получить трудно.
Таблица 2.1.
Показатели необходимости полной замены обмотки статора турбогенератора (с термореактивной изоляцией)

Поэтому здесь в настоящее время решения принимаются на основе экспертных оценок. Вместе с тем для таких показателей, как истирание изоляции, изгибы стержней, рост трещин и микротрещин, применение изложенных выше методов прогнозирования перспективно.
3. U-образная характеристика синхронного генератора
Ценной особенностью синхронного генератора, подключенного к электрической системе большой мощности, является возможность регулирования его реактивного тока посредством изменения тока возбуждения.
(3.1)
Если мощность синхронного генератора Р = ωрМэм
и напряжение на шинах электрической системы U постоянны, то значения произведений сомножителей в (3.1) не зависят от тока возбуждения. Однако при изменении тока возбуждения изменяются значения создаваемого им потокосцепления с фазной обмоткой статора Ψ̇0
и индуктированная этим потокосцеплением в фазной обмотке ЭДС Ė0
.
Из уравнения электрического состояния фазы статора (15.8) следует, что это возможно только при соответствующем изменении тока İ = İа
+ İр
в фазной обмотке, а именно - реактивной составляющей тока İр.
При токах возбуждения меньше (больше) некоторого граничного значения Iв
< Iв.гр
(Р) [Iв
> Iв.гр
(P)] ток синхронного генератора имеет емкостную IрС (индуктивную IpL) реактивную составляющую φ < 0 (φ > 0) (см. рис. 3.2). Следовательно, при недовозбуждении (перевозбуждении) реактивная мощность генератора имеет емкостный (Qc = - 3UIр
L) [индуктивный (QL = 3UIp
L)] характер.
Если синхронный генератор подключен к электрической системе большой мощности U = const, то его эквивалентную схему замещения можно представить в виде параллельного соединения двух источников тока: источника активной составляющей тока генератора, зависящей от вращающего момента первичного двигателя, Iа
(Мвр
), и источника реактивной составляющей тока генератора, зависящей от момента вращения первичного двигателя и тока возбуждения, Ip
(Iв
, Mвр
)

Рис. 3.1

Рис 3.2
Зависимость тока статора от тока возбуждения I(Iв
) при постоянном вращающем моменте первичного двигателя Мвр = const называется U-образной характеристикой синхронного генератора (рис. 3.2). При некотором малом значении тока возбуждения угол |θ| (рис. 3.1) может превысить значение π/2 и устойчивость работы синхронного генератора нарушится. Чем больше значение активной мощности синхронного генератора, тем при больших значениях тока возбуждения наступит потеря устойчивости. На рис. 3.2 граница устойчивости синхронного генератора показана штриховой линией.
Если вращающий момент первичного двигателя равен нулю (Мвр = 0), то, пренебрегая всеми видами потерь, можно считать, что ток синхронного генератора реактивный (рис. 3.2, Р = 0):
(3.2)
Ток генератора в этом случае зависит линейно от тока возбуждения. Линейность зависимости I(Iв) нарушается лишь при больших значениях тока возбуждения вследствие насыщения магнитопровода машины.
Список литературы:
1. Электромагнитный момент и угловая характеристика синхронного Характеристики генераторов переменного тока // Основы электрооборудования летательных
2. Характеристики и уравнения приводов синхронных генераторов Характеристики и уравнения приводов синхронных генераторов
|