| РЕСУРСЫ И ДОБЫЧА НЕФТИ
Термин «нефть» включает в себя: жидкие продукты широкого диапазона качества, сюда входят сверхлегкие нефти (газовый конденсат с содержанием светлой фракции более 80%), обычные нефти и сверхтяжелые (высоковязкие и природные нефтебитумы)
Мировые запасы нефти
оцениваются следующими цифрами в миллиардах тонн.
1) Газовый конденсат 1-1,5
2) Обычные нефти 220-280
3) Сверхтяжелые нефти 650-750
Запасы обычной нефти распределены так:
1) На ближнем и среднем востоке примерно 60%. Среди стран этого региона первое в мире место занимает Саудовская Аравия, где сосредоточена ¼ мировых запасов нефти. огромными запасами нефти в этом регионе обладает Ирак, Иран, Кувейт и арабские страны, каждая из которых имеет 1/10 всех запасов.
2) Южная и северная Америка примерно 15%. Наиболее крупные запасы в Венесуэле, Мексике, США, Канаде, Аргентине, Бразилии.
3) Африка, примерно 8%. Ливия, Нигерия, Алжир.
4) Россия, примерно 6%. Основными регионами является Урало-Волжский, Западно-Сибирский и Северо-Кавказский.
5) На остальные страны приходится примерно 11%. Месторождение северного моря, Британские и Норвежские владения, Китай, Индонезия, Малайзия, Австралия.
Мировая добыча нефти существенно менялась по годам. Начало добычи относится к 1860 году и резко росла до 1978, а потом стала падать
Разведанных запасов нефти хватит на 100-120 лет.
Углеводородные газы
Мировые запасы природного углеводородного газа оцениваются в триллионах тонн. Из общих запасов примерно 55% приходится на Россию. Ближайший восток – 45%, Америка – 15%, Азия и Тихий океан – 10%, Африка – 10%, западная Европа – 6%(в миллиардах тонн)
Тюменская область – 86%, Оренбургская – 5,6%, Астраханская – 2%.
Современные представления о происхождении нефти, газа и их скоплений в недрах земли.
Существует две основные гипотезы происхождения нефти.
1) Биогенова – производная от растений и животных.
2) Неорганическая – произошла в недрах земли.
Менделеев утверждал, что нефть образуется на больших глубинах при высокой температуре вследствие взаимодействия воды с карбидами металлов.
Существует много гипотез происхождения нефти.
1) Магматическая
2) Карбидная
3) Механическая
4) Вулканическая
5) Взрывная
6) Космическая
Существует несколько этапов многостадийного процесса нефтеобразования в природе.
1) Осадконакопление.
После отмирания растительных и животных организмов выпадают на дно морских или пресноводных бассейнов и накапливаются в илах, рассеиваясь в минеральных остатках.
2) Биохимическая.
Накопленный на дне бассейна глубиной в несколько метров органический осадок медленно преобразуется, уплотняется, частично обезвоживается за счет протекания биохимических процессов в условиях ограниченного доступа кислорода. Этот процесс сопровождается выделением углекислоты, метана, воды, сероводорода и аммиака. Осадок одновременно пополняется за счет биосинтеза и тел бактерий. В осадке возрастает содержание углерода и водорода за счет деструктивных процессов.
3) Протокатогинез.
Пласт органических осадков медленно, со скоростью 50-300 м в миллион лет опускается на глубину 1,5-2 км, а пласт находящийся сверху покрывается слоем новых молодых осадков. По мере поступления медленно повышается температура и давление, биохимические процессы затухают вследствие гибели микроорганизмов.
4) Мезоатогинез.
Осадок опускается на глубину 3-4 км., температура повышается до 1500
С, органическое вещество подвергается деструкции с образованием битуминозных веществ, которые в своем составе содержат почти весь комплекс нефтяного ряда.
5) Апокатогинез.
глубина нахождения осадка 4,5 км, температура 2500
С, органическое вещество исчерпало свой нефтегенерирующий потенциал и продолжает реализовываться в метанорегенерирующий потенциал. Чем глубже, тем более легкая нефть содержится.
Классификация товарных нефтепроводов.
1) Газ (бытовой)
2) Бензины (авиабензины, автобензины)
3) Реактивные топлива.
4) Дизельное топливо.
5) Газотурбинные топлива.
6) Котельные топлива.
7) Нефтяные масла (смазочные и несмазочные) Смазочные: моторные, трансмиссионные, индустриальные, энергетические. Несмазочные (специальные): масла предназначенные не для смазки, а в качестве рабочей жидкости, в тормозных системах, насосах, а так же к ним относятся парфюмерные и смазочно-охлаждающие.
8) Нефтяные коксы, битумы, пёки.
9) Нефтехимическое сырье: ароматические углеводороды, парафины, церезины. Парафины бывают жидкие и твердые.
10) продукты специального назначения: водород, присадки, осветительный керосин, консистентные смазки. Смазки могут быть антифрикционные и защитные.
Элементный химический состав нефти.
Нефть – это смесь очень большого числа химических соединений на основе углеводорода. Полный химический состав нефти выражают двумя методами: элементарным химическим составом и групповым химическим составом.
Элементарный химический состав – это количественный состав химических элементов, входящих в нефть и выраженных в мольных долях или процентах. Число химических элементов в составе нефтей очень велико (вся таблица Менделеева), но основными из них являются:
1) углерод, содержится в различных нефтях от 83 до 87%. При чем, чем тяжелее (по плотности и фракционному составу) нефть, тем содержание углерода выше. Углерод входит в состав всех соединений нефти.
2) водород, составляет11-14%, с утяжелением нефти эта величина уменьшается. Углерод и водород являются основными горючими элементами нефти (носителями энергии, но различаются теплотой сгорания)
Водород – 133 МДж/кг
Углерод – 33 МДж/кг
В связи с этим принято характеризовать эти горючие свойство соотношением водорода к углероду ( Н:С)
Это соотношение является важнейшей химической характеристикой нефти и ее фракций для расчета процесса горения, классификаций процесса газофикации, гидрогинезации, коксования и т.д.
Групповой углеводородный состав нефти.
Нефть представляет собой маслянистую жидкость, в состав которой входит углерод 87%, водород 15%, сера 0,7%, азот 2,2%, кислород 1,5%.
В нефти найдены металлы:
- железо
- вольфрам
- никель
Металлы найдены в зале.
В состав нефти входит 4 группы углеводорода. Парафиновые (алканы), непредельные углеводороды (алкены), нафтеновые и ароматические углеводороды.
Относительное содержание этих групп в нефтях весьма различно. Преобладание той или иной группы углеводорода придают нефтям различные свойства и от этого будет зависеть метод переработки и область применения нефтепродуктов.
Парафиновые углеводороды.
Самым низшим является метан. От метана до бутана эти углеводороды газообразны. В нефтях они находятся в растворенном состоянии и являются основной частью природного газа.
Природный газ добывают из газовой скважины, а попутный из нефтяной, вместе с нефтью. Природные газы в основном состоят из метана (до 98%), остальное – это пропан, этан, бутан. Попутные нефтяные газы содержат кроме метана – бутана много производных от пропана и бутана, а так же тяжелые углеводороды. кроме того, в состав природных и попутных газов входит сероводород, азот, двуокись углерода и гелий. Газы, богатые тяжелыми углеводородами называются жирными. Из них получают газовый бензин. Газы, состоящие из метана и этана называются сухими и используются как промышленное и бытовое топливо.
Парафиновые углеводороды от гептана до гепсодекана находятся в жидком состоянии и входят в состав бензиновых, керосиновых и дизельных фракций.
парафиновые углеводороды от С17
и выше при нормальных условиях
находятся в твердом состоянии.
Непредельные углеводороды (олифиновые).
В нефтях они встречаются очень редко, а появляются в процессе диструктивной переработки нефти. Эти углеводороды отличаются высокой реакционной способностью, поэтому они легко полимерезуюься, осмоляются, уменьшая срок хранения нефтепродуктов. они нежелательны в нефтепродуктах. Многие непредельные углеводороды, такие как: ацетилен, этилен, пропилен, бутилен – получили широкое применение в производстве каучука, пластмасс, полиэтилена, полипропилена.
Нафтеновые углеводороды.
они являются важнейшей частью моторных топлив и нефтяных масел, предавая им высокие эксплуатационные свойства. Их применяют для получения бензола, толуола, ксилола. Циклогексан применяется для получения нейлона.
Ароматические углеводороды.
В состав нефтей входят ароматические углеводороды с числом циклов от 1 до 4. Распределение их по фракциям различно. Они обладают наибольшей плотностью и являются ценным компонентом бензина, но снижают качество реактивных и дизельных топлив, так как ухудшают характеристики их сгорания. По сравнению с другими группами углеводородов они обладают высокой растворяющей способностью к органическим веществам, они токсичны. Применяются как компоненты нефтепродуктов при производстве взрывчатых веществ в качестве сырья для нефтехимического синтеза.
НЕУГЛЕРОДОВОДОРОДНЫЕ СОЕДИНЕНИЯ НЕФТИ.
Сернистые соединения.
Сера встречается во всех нефтях. Наименьшее содержание серы озоксуатской нефти (0,1%) и наибольшее в американских нефтях (до 6%). С повышением содержания серы в нефтях возрастает плотность, коксуемость, содержание смол и асфальтенов. Распределение серы по фракциям зависит от природы нефти и типа сернистых соединений. Обычно содержание серы увеличивается от низкокипящих фракций к высококипящим (в остатках). Различают три группы сернистых соединений. К первой относятся сероводород и меркаптаны, обладающие кислотными свойствами (коррозионностью). Ко второй относятся сульфиды и дисульфиды. При температуре от 1300
до 1600
С они распадаются на сероводород и меркаптаны. К третьей группе относятся тиофаны и тиофены. Сернистые соединения снижают химическую стабильность топлив, предают неприятный запах и вызывают коррозию двигателей. Основное количество серы содержится в виде производных тиофанов и тиофенов.
Азотистые соединения.
Азотистые соединения в российских нефтях содержатся в количествах не более 0,52%. В зарубежных нефтях (в Алжирских нефтях) 2,2%. Они делятся на:
- основные
- кислотные
- нейтральные
Нейтральные сосредоточены в остаточных фракциях, и поэтому они попадают в маслянистые фракции.
Азотистые соединения с основными и нейтральными свойствами составляют до 80% всех органических соединений нефти.
Кислые свойства обнаружены в соединениях, которые называются порферины
. Большое количество порферинов встречаются в виде комплексов с металлами (вольфрам, никель, ванадий, медь, железо, камбий) в встречаются в виде комплексов с металлами (вольфрам, никель, ванадий, медь, железо, камбий). Эти вещества термически нестабильны по химической активности.
Азотистые соединения используют как дизенфецирующие средства, антисептики, ингибиторы коррозии, антиокислители, они нежелательны, так как вызывают коксо- и газообразование.
Кислородосодержащие соединения нефти.
Эти соединения имеют кислый характер и делятся на три класса:
- нафтеновые кислоты;
- жирные кислоты;
- фенолы.
Соединения нафтеновых кислот невелико (не более 10% от общего содержания кислотных веществ). Наименьшее количество их в парафинистых нефтях, наибольшее в смолистых, они малолетучие, в виде маслянистой жидкости с плотностью до единицы, с резким неприятным запахом, нерастворимы в воде, они широко применяются в технике пропитки шпал, регенерации каучука, при производстве мыла. Металлические соли нафтеновых кислот используются в производстве консистентных смазок, смазок для механизмов, работающих под высоким давлением.
Жирные (карбоновые) кислоты от С6
до С8
, присутствующие в бензиновых и керосиновых фракциях.
Фенол - производные Аренов, от С6
до С8
. Они содержатся в нефтях восточных регионов.
Металлосодержащие соединения.
В нефтях обнаружено около 30 гетероэлементов металлов, главным образом переменной валентности (ванадий, никель, железо, вольфрам, хром, титан и т.д.). Их содержание невелико в нефтях (500 мг/кг). Из металлосодержащих соединений нефтей наиболее изучены металлопарфериновые, а среди них ванадий и никель - порферины, в состав которых в нефти входит около 40% всего содержания ванадия и никеля. Эти соединения обычно концентрируются в остаточных фракциях, для переработки нефти они нежелательны.
Асфальтеносмолистые вещества.
Эти вещества являются компонентами почти всех нефтей, редко встречаются белые нефти.
Содержание и химический состав этих веществ влияют на выбор направления переработки нефти. Количество асфальто-смолистых веществ в легких нефтях не выше 4-5%, а в тяжелых 20% и выше. Из-за исключительно сложного состава они представляют собой комплексы полициклических, гетероциклических и металлоорганических соединений.
Они подразделяются на:
1) нейтральные смолы;
2) асфальтены;
3) карбены, карбоиды;
4)асфальтогеновые кислоты.
Нейтральные смолы
- полужидкие, почти твердые вещества темно-красного цвета, плотность примерно единица, растворяются в нефтепродуктах. В их состав кроме углерода и водорода входит сера, кислород и азот. Углеводороды находятся в смолах в виде ароматических и нафтеновых циклах с большим количеством боковых парафиновых нефтей.
Смолы - нежелательный компонент всех моторных топлив, так как служит источником нагарообразования и уменьшает полноту сгорания топлива.
Асфальтены
представляют собой черные, хрупкие вещества плотностью более единицы. При температуре более 3000
С они разлагаются сообразованием газа и кокса. Молекулярное масло исчисляется тысячами. Серы, кислорода и азота больше, чем в смолах. И концентрированная смесь этих двух веществ представляет из себя хороший битум.
Карбены и карбоиды -
продукты уплотнения асфальтенов.
Асфальтогеновые кислоты
очень похожи по свойствам нейтральные смолы.
КЛАССИФИКАЦИЯ НЕФТЕЙ
Нефти различных месторождений отличаются друг от друга по химическому, фракционному составу и физико-химическим свойствам. Существуют следующие классификации нефтей:
- по геохимическому происхождению
- по физико-химическим свойствам
- по фракционному химическому составу
что определяет направление их переработки и возможность получения тех или иных нефтепродуктов.
Классификация по физическим свойствам.
На ранних этапах развития нефтяной промышленности определяющим показателем качества продукции была плотность. В зависимости от плотности они разделялись:
- легкие ( < 0,828)
- утяжеленные ( = 0,828 - 0,884)
- тяжелые ( > 0,884)
В легких нефтях содержится больше бензиновых фракций, мало смол и серы. Из нефтей этого типа вырабатывают масла высокого качества.
Тяжелые нефти характеризуются высоким содержанием смол, из них получают битумы.
Эта классификация довольно условная, использовалась и может быть использована при транспортировке нефти и для примерной ее оценки при приемке на заводе.
Химическая классификация.
В основу этой классификации положена связь между плотностью и углеводородным составом нефтей.
Различают нефти парафиновые, парафинонафтеновые, парафинонафтеноароматические, ароматические.
Парафинонафтеновые - волго-уральский бассейн, западная Сибирь.
Нафтеновые - Баку, краснодарский край.
Ароматические - Казахстан, Поволжье.
Парафиновые - полуостров Мангишлам.
Технологическая классификация нефтей.
В ее основу положены признаки, имеющие значение для транспорта, переработки нефтей и получения заданного ассортимента продукта. Эта классификация позволяет с учетом физико-химических свойств нефти и ее фракций определить вариант технологической схемы переработки конкретной нефти.
В России технологическая классификация представлена ГОСТ-38110-97. Эта классификация используется для производства моторных топлив для двигателей и масел. По содержанию серы нефти по этой классификации делятся:
- малосернистые
- сернистые
- высокосернистые
По содержанию парафина:
- малопарафинистые
- парафинистые
- высокопарафинистые
При классификации так же учитывают потенциальное содержание фракций, выкипающих до 3000
С, а так же потенциальное содержание и качество базовых масел.
При определении этих показателей определяют шифр нефти, который является технологическим паспортом, определяющим направление ее переработки.
Техническая классификация нефтей.
Для определения единого подхода техническим требованиям нефти производимой нефтеперерабатывающими организациями при подготовке к транспортировке по магистральным нефтепроводам, наливным транспортом для поставки потребителя, на экспорт применяется ГОСТ Р51858-2002 («нефть» общие технологические условия). В соответствии с этим гостом нефть подразделяют:
- по физико-химическим свойствам
- по степени подготовки
- по содержанию сероводорода, меркаптанов
и на основании этих свойств находят шифр этой нефти.
Физико-химические свойства нефтей и нефтепродуктов.
1) Плотность.
В практике нефтяного дела чаще всего определяют относительную плотность, которая обозначается - безразмерная величина, показывающая отношение плотности этих продуктов при 200
С плотности дисцилированной воды при 40
С
Величина, обратная плотности называется удельным объемом и широко используется при расчете количества нефти или нефтепродукта в резервуаре. Все нефтепродукты представляют собой смесь углеводорода различных групп, допуская ацитивность их объемов, среднюю плотность находят по формуле:


m - масса компонентов смеси
V - соответствующие объемы
ρ - относительные плотности компонентов смеси
Для нефти и нефтепродуктов характерно резкое изменение плотности с изменением температуры. С повышением температуры плотность нефти уменьшается, а удельный объем увеличивается.

- относительная плотность нефти при заданной температуре
- относительная плотность при стандартной температуре
- поправочный коэффициент на изменение плотности при заданной температуре на 10

Значение показателя плотности для нефти и нефтепродуктов очень велико, так как в сочетании с другими физико-химическими константами (показатель преломления, температура кипения, вязкость и т.д.) плотности является параметром, характеризующим химическую природу происхождения и товарное качество нефти. Одним из параметров, который представляет собой функцию плотности и позволяет судить о химической природе нефти является характеризующий фактор.

- абсолютная средняя молекулярная температура кипения смеси в кельвинах
- относительная плотность нефтяной фракции
Средняя молекулярная температура кипения смеси определяется:

- температура кипения компонентов в 0
С
- молярные доли компонентов смеси
Для парафинистых нефтей и нефтепродуктов К изменяется в пределах 12,5-13. Для нафтеноароматических К = 10-11
2) Молекулярный вес.
Важный показатель, так как используется при подсчете теплоты парообразования, объемом паров, порциального давления и т.д.
Так как нефть и нефтепродукты представляют собой смеси индивидуальных углеводородов и некоторых других соединений, они характеризуются средним молекулярным весом. Молекулярные веса фракции тем больше, чем выше их температура кипения.
Молекулярный вес определяется по формуле Войнова:

где - постоянные, значения которых различны для каждой группы углеводородов.
- средняя молекулярная температура кипения продукта (0
С)
Молекулярный вес смеси нескольких нефтяных фракций находится по формуле:

- массы нефтяных фракций
- соответственно их молекулярные веса
3) Давление насыщенных паров.
Под этим давлением понимают давление развиваемое парами при данной температуре в условиях равновесия с жидкостью. Температура при которой давление насыщенных паров становятся равной давлению в системе называется температура кипения вещества. ДНП в нефти характеризует их испаряемость, наличие в них легких компонентов. Оно резко увеличивается с повышением температуры. Для растворов и смесей общее давление насыщенных паров определяется по формуле:

- общее давление насыщенных паров
- давление насыщенных паров компонента при заданной температуре
- мольные концентрации компонентов
4) Вязкость.
Вязкость характеризует прокачиваемость нефти, при тронспартировании ее по трубопроводам, прокачиваемость топлив двигателя внутреннего сгорания.
Различают динамическую, кинематическую и условную вязкость
динамическая – η [пуаз]
В технологических расчетах чаще пользуются кинематической вязкостью – ν [см3
/с]
Кинематическая вязкость равна:

Для высоковязких нефтей пользуются условной вязкостью – ВУ, под которой понимают отношение времени истечения из стандартного вискозиметра определенного объема испытуемой жидкости по времени истечения такого же количества дисцилированной воды при 200
С.
ВУ=[УЕ]
Вязкость жидких нефтей и нефтепродуктов определяют температурой их выкипания, т. е. химическим составом. Чем выше температура выкипания, тем больше ее вязкость. Наивысшей вязкостью обладают битуминозные нефти, остатки от перегонки и асфальто-смолистые вещества.
Для масел очень важен индекс вязкости
(ИВ), который оценивает эксплуатационные свойства масел. Чем выше ИВ, тем лучше масло. Вязкость имеет свойство изменяться от температуры. Чем выше температура, тем ниже вязкость.
С повышением давления вязкость увеличивается.
Вязкость смеси определяется по формуле:

- количество взятых компонентов
Характерные температуры
– это температуры, которые характеризуют те или иные физические переходы нефтепродуктов, к ним относятся:
- температура вспышки
- температура воспламенения
- температура самовоспламенения
- температура кристаллизации
- температура застывания
- температура плавления
- температура разложения
- температура хрупкости.
Температура вспышки
- температура, при которой нефть и нефтепродукт, нагреваемый в стандартных условиях, выделяет такое количество паров, которое образует с окружающем воздухом горючую смесь, вспыхивающую, при поднесению к ней пламени.
Температура вспышки тесно связана с температурой кипения. Чем легче фракции нефти, тем ниже температура вспышки.
Температура вспышки бензиновой фракции отрицательна (- 400
С).
Температура вспышки керосиновой фракции (28-600
С)
Масляных (130-3250
С)
Для масляных фракций температура вспышки показывает наличие легкоиспаряющихся углеводородов.
Температура воспламенения.
Температурой воспламенения называют минимально допустимую температуру, при которой смесь паров нефти или нефтепродуктов над его поверхностью при поднесении пламени вспыхивает и не гаснет в течение определенного времени, т. е. концентрация горючих паров такова, что даже при избытке воздуха горение поддерживается.
Температурой самовоспламенения
называется температура, при которой при прикосновении нефти с воздухом вызывает его воспламенение и устойчивое горение без поднесения источника огня.
Температура застывания.
Большое значение при транспортировании и применении в зимних условиях имеет подвижность при низких температурах. Температура, при которой нефть в стандартных условиях теряет подвижность называется температурой застывания. Потеря подвижности может быть связана либо с повышением вязкости нефти или нефтепродукта либо образовывать множество кристаллов парафинов и загрязнение всей системы. Форма кристаллов зависит от химического состава углеводородной среды, скорости их роста, скорости охлаждения системы. Смолистые и некоторые другие поверхтностные активные вещества адсорбируясь на поверхности кристалла способны задерживать процесс кристаллизации парафинов, поэтому при определении температуры застывания проводится термическая обработка.
Важным показателем для масел является температура застывания. Существуют вещества, которые при добавлении к минеральным маслам понижают ее температуру вязкости, называют их диприсаторами
.
Фракционный состав.
Фракционным составом называют зависимость количества выкипающего продукта от повышения температуры кипения. Такая зависимость имеет место для любых смесей разнокипящих веществ. Для индивидуальных веществ с определенной температурой кипения такой зависимости нет, так как вещество начинает кипеть и выкипает при одной и той же температуре, называемой температурой кипения.
В основе всех методов определения фракционного состава нефти лежит дисциляция – это тепловой процесс разделения сложной смеси углеводородов нефти на отдельные фракции с различными температурными интервалами кипения, путем испарения нефти.
Электрические свойства нефти и нефтепродуктов
Электрические свойства продукции нефтяных скважин являются характеристиками, которые необходимо учитывать для оценки возможностей накопления зарядов статического электричества, определения параметров электрообезвоживания и обессоливания нефтей, создание приборов и средств контроля и управления технологическими процессами, добычи, сбора, подготовки воды и нефти. Под электрическими свойствами обычно понимают явления, происходящие в них под действием электричества. Важнейшими показателями, характеризующими эти свойства, являются: электропроводимость, электровозбудимость, диэлектрическая прочность и тангенс угла диэлектрических потерь.
Электропроводимость
Величина обратная электрическому сопротивлению. Для нефти и нефтепродуктов это очень малая величина, т.е. нефти и нефтепродукты являются хорошими диэлектриками. Это дает основание применять их в качестве изолированной среды в самых различных электрических и электронных аппаратов высокого напряжения.
Электровозбудимость
Это свойство нефти и нефтепродуктов накапливать и удерживать статический электрический заряд, возникающий от трения при их движении. Величина такого заряда может достигать сотни вольт. Это может стать причиной взрывы или пожара, если от этого заряда возникнет искра паровоздушной среды. Предотвращают такую опасность двумя путями: заземлением коммуникаций, по которым перекачивается нефтепродукт или добавлением к нему антистатических присадок.
Диэлектрическая прочность или пробивное напряжение
Это минимальное напряжение электрического поля, при котором между двумя дисками электродов, помещенными в нефтепродукт на расстоянии 2,5мм друг от друга проскакивает электрическая искра. Этот показатель очень важен для всех электрических аппаратов высокого напряжения заполненных нефтью или нефтепродуктом, т.к. он определяет их безопасную и устойчивую работу.
Величина пробивного напряжения зависит от многих факторов, таких как
- химический состав
- содержание влаги
- содержание механических примесей
- температуры
- давления
Тангенс угла диэлектрических потерь
Это показатель изоляционных свойств масел, используемых в трансформаторах высокого напряжения.
ТЕПЛОВЫЕ СВОЙСТВА НЕФТИ
В технологических процессах сбора и подготовки продукций скважин, материальные потоки часто нагревают и охлаждают. Для ведения этих процессов, расчетов и проектирования аппаратуры необходимо знать тепловые свойства нефтей, газа и воды. К ним относятся все известные тепловые физические величины:
- теплоемкость
- теплопроводность
- энтальпия
- теплота сгорания
В практике обычно используют понятие удельной теплоемкости, подразумевая под этим то количество теплоты (кДж), которое необходимо для нагрева 1 кг вещества на 1 0
С. С повышением плотностей нефтей их теплоемкость снижается. С повышением температуры теплоемкость нефти увеличивается. Для метанового газа удельную теплоемкость можно рассчитать по формуле:
Сср(тепл)
= q/(T2
– T1
)
q – количество тепла, затрачиваемое на нагрев 1 кг вещества от температуры Т1
до Т2
, (Дж);
Удельная теплоемкость нефти существенно зависит от химического строения и состава нефти. Обычно её определяют не экспериментальным путём, а по формулам, номограммам и графикам.
Теплопроводность – это процесс передачи теплоты по средствам теплового движения молекул или атомов, и характеризует распространение тепла в различных веществах.
Теплопроводность – это количества тепла, которое проходит в единицу времени через единицу поверхности при разности температур в 1 0
С на единицу длины в направлении теплового потока.
Наибольшая теплопроводность у твердых нефтепродуктов, жидкие занимают промежуточное положение и наименьшее у газов и паров.
Для жидких нефтей и нефтепродуктов теплопроводность падает с повышением температуры, противоположность этому для углеводородных газов и нефтяных паров теплопроводность растёт с повышением температуры и снижается с увеличением их мольной массы.
Энтальпия.
Для жидких нефтей и нефтепродуктов под энтальпией понимают суммарное количество тепла, которое затрачивается на нагрев в единицу массы нефти и нефтепродуктов от 0 до заданной температуры. Значение энтальпии вычисляется по формулам, приводимым в справочниках в виде таблицы.
Количество тепла, выделяющееся при полном сгорании в единицу массы нефти или нефтяного топлива, называют теплотой сгорания. Это важнейшая величина, характеризующая потенциальный запас энергий в топливе. Различают высшую (Qв
) и низшую (Qн
) теплоту сгорания. Qв
отличается от Qн
на количество теплоты, которое выделяется при конденсации водяных паров, образовавшихся в процессе сгорания топлива. Обычно, в расчетах пользуются низшей теплотой сгорания, т.к. при сжигании топлива образовавшиеся водяные пары уносятся вместе с дымовыми газами. Теплоту сгорания нефти и жидких у/в определяют экспериментально (сжигают определенную навеску специальным прибором колориметром; на практике чаще всего теплоту сгорания рассчитывают по эмпирическим формулам).
Qв
= 12400 – 2100(r15
15
)
Qн
= 10090 + 755r15
15
– 2100 r15
2
Где r15
15 и
r15
2
– относительные плотности топлива, измеренные при 150
С и 20
С.
ОПТИЧЕСКИЕ СВОЙСТВА НЕФТИ И НЕФТЕПРОДУКТОВ
По оптическим свойствам нефтей и нефтепродуктов можно косвенно судить о содержании в них асфальто-смолистых веществ, о превалировании тех или иных групп у/в, о возрасте и происхождении нефти. К оптическим свойствам нефтей и нефтепродуктов относятся:
- цвет
- лучепреломление (рефракция)
- оптическая активность
Нефти встречаются от светло-желтого, темно-коричневого и черного цвета. Лёгкие нефти желтого цвета, средние – янтарного и тяжелые – черного цвета. Цвет нефтям придают асфальто-смолистые вещества, продукты окисления у/в и ароматические у/в. Для определения цвета используют приборы. По показателям преломления (рефракции) примерно можно судить о групповом у/в составе нефти или нефтепродуктов, а в сочетании с плотностью и молекулярным весом рассчитать структурно-групповой состав нефтяных фракций. Для нефтепродуктов показатель преломления определяют прохождением светового луча из воздуха в нефтепродукт, поэтому он всегда выше 1. Чем больше плотность, тем выше его показатель преломления.
Оптическая активность вызывается химической природой веществ и объясняется наличием в нефтях продуктов распада: холестерина и фитостерина.
Искусственные нефти не обладают оптической активностью.
НЕФТЬ И НЕФТЕПРОДУКТЫ КАК ДИСПЕРСНЫЕ СИСТЕМЫ
Вода и нефть часто образуют трудно разделяемую, нефтяную эмульсию. Эмульсия – это система из двух взаимно не растворяемых жидкостей в которых одна распределена в другой во взвешенном состоянии в виде мельчайших капель. Образуется такая эмульсия за счёт турболизации водонефтяной смеси, при движении её по стволу скважины через задвижки, штуцеры и по трубопроводам от скважины до узла подготовки нефти. Смолистые нефти, содержащие нефтяные кислоты или сернистые соединения, отличаются большей склонностью к образованию эмульсии. Различают два типа эмульсии: нефть в воде (гидрофильная) и вода в нефти (гидрофобная). Та жидкость, которая образует взвешенные капли, называется дисперсной базой, а та, в которой взвешенные капли – дисперсной средой. В первом случае нефтяные капли образуют дисперсную фазу внутри водной среды. А во втором – капли воды образуют дисперсную базу в нефтяной среде.
Основными факторами, определяющими стойкость нефтяных эмульсий, являются физико-химические свойства нефти. Степень дисперсности (размер частиц), температура и время существования эмульсии. Чем выше плотность и вязкость нефти, тем устойчивее эмульсия. Труднее поддаются разрушению мелкодисперсные эмульсии. Чем выше температура, тем менее устойчива нефтяная эмульсия. Эмульсии способны «стареть», т.е. повышать свою устойчивость со временем. Свежие эмульсии легче поддаются разрушению, поэтому обезвоживание и обессоливание необходимо проводить на промыслах.
Существует три разновидности методов разрушения нефтяных эмульсий: механические, химические и электрические. Каждый из методов основан на смягчении и укреплении капель воды, что способствует более интенсивному её оттаиванию.
К механическим
способам разрушения эмульсии относятся: отстаивание, центрифугирование и фильтрование. Нагрев эмульсии ускоряет их разрушение, т.к. уменьшается вязкость среды и увеличивается разность плотностей.
Химические методы.
Разрушение эмульсий в этих случаях достигается применением поверхностно-активных веществ (ПАВ), действующих как деэмульгаторы. Деэмульгатор вводят в поток нефти в специальные смесители в количестве от 5 до 300 грамм на тонну.
По характеру действия на нефтяные эмульсии деэмульгаторы делятся на: -электролиты -неэлектролиты - калоиды
Электрические методы.
При попадании нефтяной эмульсии в переменное электрическое поле частицы воды, заряженные отрицательно начинают передвигаться внутри элементарной капли, придавая ей грушевидную форму, острый конец которой обращен к положительно заряженному электроду. При перемене полярности электродов капля претерпевает новое изменение формы, вытягиваясь острым концом в противоположную сторону. Подобные изменения конфигурация капли претерпевает столь часто, сколь велика частота электрического поля. Под воздействием сил притяжения отдельные капли, стремясь передвигаться в электрическом поле по направлению к положительному электроду, сталкиваются друг с другом и при достаточно высоком потенциале заряда наступает пробой оболочки диэлектрика, в результате чего мелкие капли воды укрупняются, что и облегчает их осаждение. Этот процесс проводят в аппаратах называемых электродегидраторы.
ПРОМЫСЛОВАЯ ПОДГОТОВКА НЕФТИ И ГАЗА.
Добываемая из нефтепромысловых скважин нефть, нефтью является лишь частично, поскольку вместе с ней из скважины выносятся:
- углеводородистый газ, называемый попутным газом, он растворен в нефти и механически смешан с нею, и называют его газовым фактором скважины.
- пластовая вода в количестве от 5 до 90% на нефть, сильно минерализованная, до 10г/л минеральных солей. Чем дольше эксплуатируется скважина, тем больше воды содержит добываемая нефть.
- механические примеси, до 1%на нефть, состоящие из песчинок пластовой породы выносимые нефтью из пласта, кристаллы мин.солей, окалины и т.д.
В задачи промысловой подготовки нефти входят отделения от нефти основной части этих примесей и доведение её качества по содержанию примесей до требования ГОСТа на нефть готовую к переработке. По ГОСТу содержание воды не более 1%, мин.солей от 20 до 300 млг/л.
Описание схемы сбора и подготовки нефти на промыслах

1 – нефть из скважины
2 – клапан – переключатель
3 – газоотделитель
4 – мерная ёмкость
5,6 – газосепараторы I и II степени
7 – электродегидраторы
8 – ректификационные колонны
АГЗУ – автоматизированная групповая замерная установка
ГПЗ – газоперекачивающий завод
УПВ – установка подготовки воды
НПЗ – нефтеперерабатывающий завод
От определенной группы скважин нефть поступает на АГЗУ, проходит газоотделитель, мерную емкость и после этого нефть проходит первую ступень сепарации, где отделяется основное количество попутного газа и механических примесей с водой.
Газ направляется в ректификационные колонны ГПЗ на разделение. Нефть с остатками пластовой воды и газа поступает в сепаратор – делитель второй ступени, где отделяется вода и часть газа, а водонефтяная эмульсия поступает в электродегидраторы 7. Здесь, с помощью деэмульгаторов при повышении до температуры 100 – 120 0
С от нефти отделяется вода, до остаточного содержания, примерно 1% и соответственно снижается содержание минеральных солей. Такая нефть считается подготовленной для её переработки на НПЗ и поэтому она через установку сдачи нефти откачивается до магистрального нефтепровода на перегонку.
Пластовая вода.
В процессе добычи нефти пластовая вода своим напором вытесняет нефть по порам водных пород горных пород в направлении к стволу скважины. В зависимости от структуры пор самого пласта скорости притока нефти к скважине, вязкости нефти и др. факторов приток воды к скважине вместе с нефтью может быть различным.
Состав пластовых вод извлекаемых вместе с нефтью чрезвычайно различен и зависит от геологического возраста, химического состава, эксплуатируемого горизонта, физико-химических свойств нефтей и газов, пластовой температуры и давления и т.д., поэтому пластовые воды, как в пределах одной нефтяной залежи, так и особенно для важных нефтеносных районов имеет существенные различия. В количественном и качественном и качественном составе растворенных солей, газов, компонентов нефти. Основные характеристики пластовых вод, учитываемых в технологических процессах сбора, транспорта и подготовки эмульсионных нефтей это плотность, общая минерализация и жесткость. В зависимости от общего содержания солей и плотности, условно выделяют три основных группы пластовых вод:
- солоноватые
- соленые
- рассольные
Промысловая вода, отделенная от нефти, используется для заводнения пластов, т.е. вновь закачивается в недра земли в технологических целях. К этой воде предъявляются следующие требования:
1) она не должна содержать больших количеств механических примесей и соединений железа;
2) не должна содержать сероводород, углекислый газ, органических примесей (водоросли, бактерии);
3) вода должна быть химически инертна к пластовым жидкостям.
Поэтому на установках подготовки воды (УПВ) имеются специальные водоочистительные устройства, позволяющие за счёт отстоя добавки коагулянтов и реагентов очистить воду до требуемой кондиции.
Минеральные соли.
Минеральные соли в пластовой воде находятся практически полностью в растворенном состоянии. По классификации пластовые воды, по химическому составу распространённых в них солей, делят на:
- хлоридно-кальциевые
- щелочные
Первые наиболее распространены. Содержат в своём составе смеси хлоридов натрия, магния, кальция.
Щелочные воды могут быть представлены хлоридо-щелочными и хлоридо-сульфато-щелочными. Растворенные в воде соли нефти ведут себя различно: хлористый натрий почти не гидролизуется, хлористый кальций в соответствующих условиях может гидролизоваться в количестве до 10% с образованием HCl, хлористый магний гидролизуется на 90% и гидролиз может протекать при низких температурах. Поэтому соли могут быть причиной коррозии нефтяной аппаратуры:
MgCl2
+ H2
O « MgOHCl + HCl
Если в нефти находится сероводород в присутствии воды и при повышенной температуре сероводород начинает реагировать с металлом аппаратуры с образованием сернистого железа
Fe + H2
S « FeS + H2
А при наличии ещё хлористого водорода
FeS + HCl « FeCl2
+ H2
S
Минерализация или соленость воды измеряются количеством сухого вещества, оставшегося после выпаривания одного литра воды. Измеряется в млг/л. Попутный газ - это лёгкая углеводородная часть нефти. Выделение газа начинается уже в стволе скважины и затем продолжается на поверхности земли в сепарирующих устройствах установок промысловой подготовки нефти. Углеводородный состав попутного газа на каждой ступени его отделения установленной в соответствии с законами фазового равновесия сложных смесей и зависит от давления и температуры. Но и после многоступенчатой сепарации газа из нефти на промыслы в ней остается в растворенном состоянии, а так же в виде мелких пузырьков. Газ определяется от нефти на стабилизированных установках. Для определения в растворенной нефти легких углеводородов С1
– С4
. Существует несколько методов: хромотографический и дистилляционный.
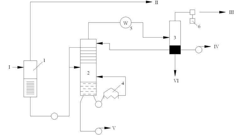
Установка стабилизация нефти
Основное направление стабилизации нефти – это отделение растворенных в ней легких углеводородов от С1
– С4
и частично С5
с целью предотвращения их безвозвратных потерь в атмосферу.
Если нефть не подвергать стабилизации, то на пути от промысла до НПЗ из нефти терятеся до 2% этих фракций. С1
– С5
ценное нефтехимическое сырье с одной стороны, а с другой загрязнитель воздушного бассейна.
Установка стабилизация нефти
1 – сепаратор
2 – ректификационные колонны
3 - газосепараторы
4 – нагреватель
5 – конденсатор
6 – газовый компрессор
I, V – нестабильная и стабильная нефть
II, III – углеводородный газ
IV – сжиженный газ
VI – водный конденсатор
Нефть из сепаратора 1 направляется в ректификационную колонну 2, где за счёт отвода тепла внизу колонны нагревателем 4 от неё отпариваются лёгкие углеводороды. Последние конденсируются в конденсаторе 5 и в сепараторе 3 разделяются на неконденсированный газ III и жидкую фазу IV содержащих углеводород от C3
до C5
с небольшой примесью гексана.
Подготовка газа к переработке
Природный газ выносит из скважины взвешенную капельную жидкость (газовый конденсат, воду) и мелкие частицы горной породы, т.е. газ является дисперсной системой с дисперсной жидкой и твёрдой фазой.
Необходимо отделить эти фазы с помощью различных сепарационных устройств. Для очистки газа используются различные по конструкции и эффективности очистки сепарационного устройства, которые по своему принципу действия делятся на гравитационные инерционного типа (насадочные), центробежные и фильтрующие. В большинстве случаев конструкции объединяют в себе несколько из этих принципов. Рассмотрим каждый из этих сепараторов:
Гравитационный.
Бывают горизонтальные, вертикальные и шарообразные. Общим для них является
наличие отстойной зоны, где отделения дисперсных частиц происходят под действием сил тяжести, кроме этого на ходе газа имеются, обычно, отбойные пластины, а перед выбором газа из сепаратора каплеулавливающий сетчатый пакет. Внизу сепаратора имеется вынесенный отдельно или встроенный сборник уловленной жидкости и пыли.
1 и 3 – входная, осадительная зоны
4 – сборник конденсата
2 – сепаратор
I, II – вход и выход газа
III – выход конденсата
Инерционные сепараторы насадочного типа.
Представляют собой сепараторы, заполненные насадками с развитой удельной поверхностью контакта. Улавливание капель происходит за счёт их ударения о поверхность насадки и редких многократных поворотах потока газа в каналах самой насадки. В качестве насадки применяют кольца Рашига, сетчатые пакеты из проволоки, жалюзи и т.д. Степень улавливания капель такими сепараторами достигает 99%.
Центробежные сепараторы.
Для отделения жидкости от газа в этом случае используют центробежные силы, возникающие в предварительно закрученном потоке газа.
1 – корпус
2 – внутренняя газоотводная трубка
3 – завихвитель
4 – сборный газоконденсат
I, II – вход и выход газа
III – выход конденсата
Центробежные сепараторы имеют эффективность от 90 до 95% и используются если много механических примесей.
Фильтрующие сепараторы.
Используются для окончательной тонкой очистки газа от частиц жидкости, неулавливаемых другими типами сепараторов.

1 – входная зона отбойника
2 – фильтр элемента
3 – каркас
4 – фильтрующий материал
5 – выходной отбойник
I, II – вход и выход газа
III – выход конденсата
Очистка от газа и вредных примесей.
К вредным примесям относят ядовитые, серосодержащие и негорючие инертные газы, снижающие теплоту сгорания углеводородных газов.
В углеводородном газе могут содержаться такие серосодержащие соединения, как сероводород, серооксид, сероуглерод, меркаптан, а в газовом конденсате сульфиды и сульфиты.
В состав инертных газов входят диоксид углерода, азот и гелий.
ХАРАКТЕРИСТИКА ВРЕДНЫХ ПРИМЕСЕЙ
Сероводород.
Наиболее активная из серосодержащих соединений. В нормальных условиях бесцветный газ с неприятным запахом тухлых яиц. Очень ядовит. Острое отравление человека наступает при концентрации 0,2 – 0,3 млг/м3
, а концентрация выше 1 млг/м3
смертельна.
Предельно допустимая концентрация (ПДК) сероводорода в воздухе установлена не более 0,008 млг/м3
. Сероводород хорошо растворим в воде. При контакте с металлами вызывает сильнейшую коррозию.
Серооксид углерода.
В нормальных условиях бесцветный, легко воспламеняемый газ, не имеющий запаха, конденсируется при t=-50 0
C. Хорошо растворим в сероуглероде, толуоле, этаноле и воде. При нагревании разлагается с образованием оксида углерода, диоксида углерода, и серы.
Сероуглерод.
В нормальных условиях бесцветный газ. Хорошо растворим в этаноле и хлороформе. При нагревании реагирует с водородом, образуя сероводород. Сероуглерод ядовит, вызывает острые отравления.
Меркаптаны (тиолы).
Это сераорганические соединения с резким запахом, нерастворяемые в воде, но хорошо растворимые в органических растворителях. При контакте с металлами вступают с ними в реакцию, образуя меркаптиды металла, а при нагревании до 3000
меркаптаны разлагаются с образованием сульфидов и сероводорода.
Диоксид углерода.
Бесцветный негорючий газ, обладающий кислыми свойствами. При нормальном давлении и t=-780
переходит в твёрдое состояние (сухой лед) минуя жидкое.
Азот и гелий.
Не горючие газы, ухудшающие природные свойства газа. Гелий содержится в небольших количествах, но специально извлекается как ценный продукт для нужд народного хозяйства.
МЕТОДЫ ОЧИСТКИ ГАЗА И ХАРАКТЕРИСТИКА ПОГЛОТИТЕЛЕЙ.
Природный газ очищают даже при малых количествах сероводорода, поскольку его допустимое содержание в газе, закачиваемом в магистральный газопровод не должно превышать 20 млг/м3
. В большинстве случаев очистку газов предпринимают не только для доведения содержания в нём вредных примесей до установленных норм, но и для извлечения с целью промышленной утилизации.
Газы очищают двумя методами: абсорбционным и адсорбционным.
Абсорбционные методы
по характеру используемого абсорбента делят на методы химической сорбции (хемосорбции), физической абсорбции, комбинированные и окислительные.
1) Хемосорбционные процессы основаны на химическом взаимодействии H2
S и CO2
с активными компонентами абсорбента, в качестве которого в этих процессах применяют щёлочи и амины.
2) Физическая абсорбция представляет собой физическое растворение извлекаемой компонентов в абсорбенте, в качестве которого используют N – метилпирамедон, гликоли, метанол и т.д.
3) Комбинированные процессы используют обычно смешанные поглотители. Одним из самых распространённых является сульфинол.
4) Окислительные процессы основаны на необратимом превращении поглощаемого сорбента сероводорода в элементарную серу.
Адсорбционные процессы.
Основаны на селективном (избирательном) физическом поглощении H2
S и CO2
в порах твёрдых поглотителей, которыми являются активные угли и синтетические цеолиты.
Выбор того или иного метода очистки газа зависит от многих факторов (от концентрации H2
S и CO2
) и сераорганических соединений в исходном газе. Важное значение в любом методе очистки имеет правильный выбор поглотителей, которые должны удовлетворять следующим общим требованиям:
1) Поглотитель должен иметь низкое давление насыщенного пара при температуре сорбции, чтобы потери его с очищающим газом были минимальными;
2) Одновременно поглотитель должен обладать высокой способностью поглощать кислые соединения из газа в широком интервале их парционных давлений;
3) Должен иметь высокую вязкость;
4) Низкую коррозионную активность;
5) Высокую стойкость к окислению.
ГЛУБОКАЯ ОСУШКА ПРИРОДНОГО ГАЗА
Наличие паров воды в углеводородных газах связано с контактом газа и воды в пластовых условиях, а так же с условиями их последующей обработки.
Обычно тяжелые углеводородные газы при тех же условиях содержат паров воды меньше, чем легкие.
Наличие в газе H2
S и CO2
увеличивает содержание паров воды, а наличие азота уменьшает. Влагосодержание газа – это количество паров воды г/м3
в соответствии их насыщения при данной температуре и давлении.
Абсолютной влажностью газа называют фактическое содержание паров воды в г/м3
газа, а отношение абсолютной влажности к влагосодержанию называется относительной влажностью.
Осушка газа – это удаление из него влаги, то есть снижение абсолютной и относительной влажности.
Качество осушки (глубину осушки) оценивают «точки россы», то есть температурой при данном давлении, при котором пары воды приходят в состояние насыщения.
Чем глубже осушка, тем ниже его точка россы, которая обычно составляет в зависимости от последующего назначения газа от – 200
до – 170
С.
Присутствие в газе влаги нежелательно (а иногда опасно) для процесса его транспортировки.
Поскольку влага может выпадать в чистом виде или в виде гидратов с углеводородами, приводя к осложнениям в работе систем транспортного устройства.
Нежелательна влага в газе, если его последующая переработка ведется при низких температурах. При этом точка его россы должна быть ниже температуры технологической переработки газа.
Достигаемая точка россы газа зависит от способа его осушки:
- прямым охлаждением
- абсорбцией
- адсорбцией
- комбинированными способами
Осушка охлаждением.
Если при постоянном давлении охлаждать газ, то избыточная влага будет конденсироваться, и точка его россы соответственно снижается. На этом основана осушка газа охлаждением, при чем нижний предел охлаждения газа ограничивается условиями образования гидрата. Этот метод применяется в комбинации с другими методами.
Абсорбционная осушка.
Основана на селективном поглощении (растворении паров и воды жидкими адсорбатами, в качестве которых используют ди- и триэтилгликолий.
Адсорбционная осушка.
Сущность ее состоит в избирательном поглощении поверхностью пор твердого адсорбента молекул соды с последующим извлечением их из пор внешними воздействиями (повышение температуры адсорбента или снижением давления среды) В качестве адсорбента используют бокситы (оксид алюминия Al2
O3
, селикогелий, синтетические цеолиты). Их адсорбционная емкость существенно зависит от размера пор и соответствующей удельной поверхностью последней.
ИЗВЛЕЧЕНИЕ ТЯЖЕЛЫХ УГЛЕВОДОРОДОВ ИЗ ГАЗОВ
В составе природных газов присутствуют углеводороды от метана до пентана. Метан и этан – целевые составляющие газа, используемые в быту и промышленности как газовое топливо. Пропаны, бутаны и пентаны в газовом топливе нежелательны, но являются ценными соединениями и могут быть использованы для других нужд. Поэтому до подачи природного газа в транспортные газопроводы из него должны быть удалены углеводороды от этана (частично) до пентана (включительно). Извлекаемая сумма тяжелых углеводородов называется обычно газовым бензином и направляется на установку для разделения на отдельные углеводороды и отдельный бензин. К основным технологическим методам извлечения тяжелых углеводородов из газа относятся:
- низкотемпературная сепарация
- масляная абсорбция при высоком давлении и низкой температуре.
Извлечение гелия из очищенного газа.
Гелий – это редкий и удивительный по своим свойствам газ. Он определяет развитие самых современных технологий в различных отраслях техники. В нормальных условиях гелий – один из самых легких (после водорода) инертных газов с плотностью 0,1609 кг/м3
имеющий очень высокую теплопроводность. Наиболее богатые запасами гелийсодержащих природных газов это: США, Россия, Алжир, Канада, Польша, Голландия.
В России: оренбургское и астраханское месторождения.
Основной потребитель жидкого и газообразного гелия – это предприятия и организации военно-технических ведомств (до 50% всего потребления). Его используют в креогенной технике и технологии, при проведении специальных сварочных работ, в кисонно-водолазных работах, хроматографии.
Чистый гелий получают из очищенного от примесей и глубоко осушенного природного газа, обычно в три стадии:
1) выделяют гелиевый концентрат
2) концентрируют
3) сжижают для удобства транспортировки и хранения.
Получение гелиевого концентрата возможно четырьмя способами:
- криогенный
- абсорбционный
- путем гидратообразования диффузии через пористые мембраны.
Только первый метод получил массовое промышленное применение. Он основан на охлаждении газа да конденсации азота, при которой конденсируется и метан, а гелий остается в газовой фазе в виде концентрата
Абсорбционный способ основан на использовании поглотителей метана
CCl3
F
CCl2
F2
Их поглотительная способность по метану в 10-20 аз выше, чем по гелию, а при пониженных температурах до -20…-300
С это различие еще более возрастает. В итоге в газе концентрируется гелий.
Способ гидрообразования основан на том, что в отличии от метана, этана, углекислого газа и азота гелий не образует с водой гидратов при низких температурах и высоких давлениях.
Недостаток способа: потребность больших количеств воды и усложнение последующей глубокой осушки гелиевого концентрата.
Мембранный способ основан на высокой проникающей способности гелия в сравнении с другими газами и способностью его селективно проникать (фильтроваться) через самые мелкие поры материалов, выполненных в виде пленок-мембран.
Крупнейшее в Европе производство гелия создано в Оренбурге на комбинированной установке по очистке газа и получению гелия, этана и более тяжелого углеводорода.
Жидкий гелий с оренбургского газоперерабатывающего завода экспортируют в Западную Европу автокриогенными контейнерами (сосуды Дюара).
Для хранения жидкого гелия используют криогенные хранилища. Сейчас в мире существует 10 таких хранилищ вместимостью по 120 м3
. Одно из них в Оренбурге.
продукция газовой промышленности может классифицироваться следующим образом:
1) Природные и нефтяные газы, подаваемые в магистральные газопроводы и далее к конечному потреблению, а так же на переработку.
2) Газообразные чистые углеводороды (метан и этан) и инертные газы (гелий), а так же газовые смеси заданного состава для специальных целей.
3) Жидкие смеси углеводородов: пропан, бутан, их смеси.
4) Твердые углеводороды газопереработки (сажа специальная, технический углерод, техническая сера).
Требования к качеству газа.
Технические условия к качеству природного и попутного нефтяного газа можно разделить на несколько групп:
1) Технические требования на газы поступающие во внутрепромысловые коллекторы (газопроводы) после их первичной обработки на промысле.
2) Технические требования на газы, подаваемые в магистральные газопроводы.
3) Технологические требования на газы предназначенные в качестве сырья и топлива при промышленном и коммунально-бытовом потреблении (в том числе и при использовании горючего газа как топлива для газобаллонных автомобилей).
4) Технические требования на газообразные чистые компоненты, получаемые из природного газа как топливо для газобаллонных автомобилей.
5) технические требования для газовых смесей определенного состава, используются для специальных целей как стандартных смесей для хроматографии.
У показателей качества товарного газа, подаваемого в магистральные газопроводы и далее к конечному потребителю газа должны учитываться следующие технические условия:
1) Газ не должен содержать жидких углеводородов и воды.
2) Товарный газ не должен вызывать коррозию трубопровода.
3) Газ должен обеспечивать потребительские качества газа как топливо из углеводородного сырья.
Техническое требование на качество природного газа в настоящее время нормируется тремя стандартами:
- горючие
- поставляемые
- транспортируемые по магистральным трубопроводам ОСТ 51.40
ГОСТ 52.42 на газоприродные для промышленного и коммунально-ботового назначения.
ГОСТ 25.577 на газ природный сжатый для газобаллонных автомобилей.
В настоящее время все большее распространение получает использование природного газа как топливо для автомобилей.
ГОСТ 25.577 называется «Газ природный, топливный сжатый для газобаллонных автомобилей». Данный стандарт распространяется на природный сжатый газ, применяемый как топливо для средств передвижения с двигателями внутреннего сгорания. Сжатый природный газ, предназначенный для заправки автотранспортных средств должен соответствовать определенным требованиям, при чем более жестким, чем на газ промышленного и коммунально-бытового назначения. Получают природный топливный сжатый газ из горючего природного газа, транспортируемого по магистральным газопроводам или городским газовым сетям, компаундированием и удалением примесей.
Технология удаления примесей не должна допускать изменения компонентного состава газа.
Изменение возможно применение природного газа не только для автомобилей, но и на водном, железнодорожном транспорте и в авиации.
В связи с этим в стадии разработки согласования находится новый ГОСТ «Газ природный комплемированный для двигателей внутреннего сгорания. После ввода его в действие, старый гост утратит силу.
Отличие разработанного стандарта от действия не только в расширении сфер и применяемости, но и в приведении некоторых показателях качества в соответствии с европейскими стандартами.
ГОСТ 25.577 учитывает важный показатель качества газа как топливо для автомобилей – октановое число, оно определяется расчетным методом как среднее объемное значение исходя из октановых чисел горючих комплектов сжатого газа
Метан – 110
Этан – 108
Пропан – 105
Бутан – 94
Изобутан – 94
Пентан – 70
Изопентан – 70
Прием газа, поступающего на автомобильные газонаполнительные компрессорные станции осуществляется по ГОСТ 55.42. Давление газа в баллонах необходимо определять после окончания каждой заправки автомобиля, тогда как температуру сжатого природного газа определяется только по пребыванию потребителя. Таким образом для обеспечения работы газобаллонных автомобилей качеству сжатого газа предъявляют повышенные требования по содержанию влаги точка россы должна быть – 30 и давление в баллоне 20 МПа это и определяет необходимость включения блока дополнительной осушки газа, технологическую схему подготовки газа.
В настоящее время рекомендуется главным образом адсорбционные процессы до осушки газа с использованием в качестве сорбентов циометов.
Товарным газом определяется:
1) Количество меркоптановой, общей серы, сероводород.
2) Механические примеси
3) Запах
4) Плотность
5) Теплота сгорания
6) Число Воббе (это показатель, который нормируется техническими условиями как определяющий взаимозаменяемость газов при сжигании в бытовых условиях, в бытовых горелках. Определяется число Воббе расчетным путем имея величины относительной плотности и теплоты сгорания)

- теплота сгорания газа
- плотность газа
7) Точка россы характеризует содержание влаги в газе.
Присутствие влаги нежелательно, как в процессе сжигания и переработки, так из-за образования гидратных соединений, забивающих транспортные коммуникации запорную арматуру.
Точка россы – это температура, при которой в газе образуется капельная влага.
Требования к качеству смесей легких, жидких углеводородов, выделенных из газов.
При промысловой подготовке и заводской переработке природных и попутных газов, помимо товарных газов получают жидкие углеводородные продукты, которые имеют применение как топливо для зажигалок, газовые бензины, иногда ДТ.
Для характеристики качества этих углеводородов используют следующие показатели:
- давление насыщенных паров
- углеводородный состав
- содержание меркоптановой серы, сероводорода, воды, щелочей, метанола, цвет, запах.
ГАЗОКОНДЕНСАТЫ
Месторождения, в который жидкие углеводороды растворены в газовой фазе называются газоконденсатами. Газовый конденсат получают промысловой обработкой газа. Основной способ обработки газоконденсатного газа – низкотемпературная конденсация (сепарация)
С использованием холода, полученного за счет дроссель-эффекта (пластовой энергии газа), либо холода, вырабатываемого на специальных установках. Продукцию газоконденсатных месторождений, содержащие пентаны и более тяжелые углеводороды называют газовым конденсатом или стабильным конденсатом.
Конденсаты полученных месторождений сильно различаются по своему групповому химическому составу и содержанию гетероорганических соединений. Одни конденсаты обладают ярко выраженным метановым характером, в других преобладают нафтеновые углеводороды, а в некоторых конденсатах содержаться ароматические углеводороды. Это определяет схему их переработки, количество и качество получаемых продуктов.
Газовый конденсат, выделенный из пластовой смеси подлежит стабилизации с целью снижения давления насыщенных паров и уменьшения потерь при транспортировке, хранении и дальнейшей переработке.
Основные показатели стабильного конденсата.
1) температура начала кипения
2) Давление насыщенных паров
3) Массовая доля воды
4) Механические примеси
5)
6) Сернистые соединения
7) Плотность
Для оценки возможности получения из конденсатов отдельных марок моторных топлив установлена их технологическая классификация по отраслевому стандарту ОСТ 51.56-79
Основным продуктом преобразования стабильных газовых конденсатов является автомобильные бензины различных марок (при переработке конденсата с концом кипения выше 3500
С и дизельного топлива).
ТРАНСПОРТ И ХРАНЕНИЕ НЕФТИ
Трубопроводный транспорт нефти.
В большинстве случаев месторождения нефти расположены на значительных расстояниях от нефтеперерабатывающего завода (НПЗ).
В следствии высокой пожаро- и взрывоопасности при транспортировке нефти предъявляются повышенные требования по обеспечению высокой герметичности, надежности противопожарной безопасности транспортных средств. Доля перекачки нефти по нашей стране составляет 85%.
Нефть доставляется по трубопроводам с нефтяных промыслов Сибири, волго-уральского региона и т.д. Общая протяженность нефтепроводов по России превышает 45000 км.
На доставку каждой тонны нефти по трубопроводам требуется в 10 раз меньше трудовых затрат, чем для ее перевозки по железным дорогам, поэтому этот вид транспорта является наиболее экономичным и экологически предпочтительным.
Однако, при укладке трубопровода возникает целый ряд проблем – сложность ландшафта, необходимость промежуточных нефтеперекачивающих станций, обеспечение надежности безопасности транспортировки нефти.
Больших усилий требует перекачка парафинистых, вязких и высоковязких нефтей. Возникает необходимость борьбы с асфальто-смолистопарафинистыми отложениями, особенно в зимний период. В связи с этим трубопроводы сопровождают «стутники-трубы», по которым подают горячую воду или печи нагрева на перекачивающих станциях, используют так же ингибиторы отложений, специальные присадки. Большие проблемы связаны с коррозией трубопроводов, особенно при перекачке сернистых нефтей. Для борьбы с коррозией применяют специальные реагенты - ингибиторы коррозии. Диаметр труб современных крупных нефтепроводов достигает от 1,2 до 2,4 м. Скорость движения нефти по ним 1,5 м/с и общая протяженность 5-6 тыс. км. Такие нефтепроводы с комплексом наземных и подземных сооружений называются магистральными. Они включают трубопровод, насосные перекачивающие станции, резервуарные парки и при них установки для подогрева нефти.
ТИПЫ СХЕМ ПЕРЕКАЧКИ НЕФТИ
Существует два типа схем перекачки нефти по трубопроводам:
- постанционная
- транзитная
Постанционная

1– резервуары
2 – насосы
3 – потребитель
При постанционной перекачке нефть поступает в одни резервуары станции, а откачиваются насосом из других, предварительно заполненных резервуаров.
Транзитная
При транзитной перекачке через резервуар нефть откачивается из того же резервуара, куда поступает с предыдущей насосной станции, то есть резервуары выполняют роль буферных емкостей.
Возможен случай транзитной перекачки из насоса в насос, когда резервуары являются резервной емкостью на аварийный случай.

При необходимости подогрева нефти строят специальные нагреватели (печи) с помощью которых в резервуарах поддерживается такая температура, которая обеспечила бы достаточную текучесть нефти до следующей станции. Перекачивающие насосные станции устанавливают в 100-150 км. друг от друга.
Давление, развиваемое насосами такой станции составляет 5-8 МПа.
ЖЕЛЕЗНОДОРОЖНЫЙ ТРАНСПОРТ
Для доставки нефти в районы, удаленные от трубопроводных магистралей используют железнодорожный транспорт.
Для этого вида транспорта необходимо учитывать физико-химические свойства, углеводородный компонентный состав исходных нефтей.
Система транспорта по железным дорогам включает вагоны-цистерны, наливные и сливные эстакады, соответственно насосно-резервуарным хозяйством.
Обычно маршруты состоят из 60-72 цистерн.
Вагоны-цистерны представляют собой четырех- или восьмиосную тележку с установленным на ней резервуаром вместимостью 60-120 м3
. Цистерны бывают обычного использования (для легко летучих и маловязких нефтей) и специального исполнения (для вязких и высоковязких нефтей) они снабжены теплоизоляцией, рубашками для подогрева и другими условиями.
Наливная эстакада – это железнодорожный причал, куда подается состав с цистернами для заполнения. Она состоит из проложенного вдоль железнодорожного пути – коллектора с вертикальными стойками, число которых равно числу заполняемых цистерн.
Наливные эстакады почти всегда специализированы, то есть рассчитаны только на налив нефти, или определенного вида нефтепродуктов.
Сливная эстакада.
Служит для приема перевезенной по железной дороге нефти. По устройству она почти такая же как и наливная эстакада, но имеет отличие. Слив нефти может быть нижний и верхний. Железнодорожный транспорт отличается от трубопроводного большей универсальностью, то есть возможностью доставки нефти в любую точку, где есть железная дорога и сооружена приемная эстакада, но есть и недостатки:
- большие затраты труда, времени и энергии на наливно-сливные операции
- потери нефти на этих операциях
- загрязнение окружающей среды
Потери эти связаны с «дыханием» цистерн во время налива и слива, а так же с разливами нефти.
ВОДНЫЙ ТРАНСПОРТ
Это вид транспорта близок к железнодорожному, отличается он лишь устройством емкостей. Морские и речные суда называются танкерами. По характеру перевоза – по воде.
Танкерные перевозки нефти имеет большие преимущества перед железнодорожными, к ним относятся большие одиночные емкости судна, относительная простота налива и слива, дешевизна и экологическая чистота (меньше потерь на испарение и разлив). Но этот вид транспорта больше подвержен аварийности из-за морской стихии и даже единственные катастрофы танкеров приводят к непоправимым экологическим последствиям, в результате разлива сотен тысяч тонн нефти.
Первые танкеры строились водоизмещением 5-10 тыс. тонн. Уже в 70-е появились супер танкеры для перевоза 750 тыс. тонн. тогда уже был создан флот танкеров.
Как и железнодорожный, морской транспорт включает в себя три звена:
1) наливные морские причалы
2) транспортное средство (танкер)
3) сливные причалы в месте потребления.
Наливные и сливные причалы могут быть в виде пристани или пирса, когда он дается в море. Они оборудуются системой гибких нефтепроводов для соединения с причальным танкером, насосной станцией для налива или откачки танкера и береговыми резервуарами для хранения нефти, откуда она по нефтепроводам затем направляется на НКЗ. Танкер – основное звено этой системы, состоит: двойной стальной корпус судна, по длине разделен на три части (носовую, среднюю, кормовую) Разделяющие эти части поперечные перегородки представляют собой две стальные стенки на расстоянии 15 м друг от друга, полость между которыми заполнена водой. В небольшой носовой части расположен сухогрузный трюм, в котором могут транспортировать любые грузы, включая нефтепродукты в мелкой таре (бочках).
В кормовом отсеке располагается машинное отделение и если необходимо – котельная для непрерывного подогрева перевозимой нефти с помощью змеевиков, по которым попускается пар или горячая вода.
Основная часть судна – средняя, занята емкостями - танками для нефти. Для этого корпус судна поперечными и продольными перегородками поделен на ячейки, в которые заливают нефть. Танки могут быть изолированы друг от друга и тогда налив и слив нефти производится по системе трубопроводов, подключены к каждому из них. При перепускной системе танки сообщаются между собой отверстиями на небольшом расстоянии от дна. И тогда откачка нефти одного из них позволяет через эту систему отверстий откачивать нефть одновременно из всех танков.
В средней части судна расположен насосный отсек, насосами которого нефть откачивается из танков.
Загруженный нефтью танкер имеет большую осадку (15-20 м), которая резко уменьшается после разгрузки в порту прибытия. Чтобы сохранить устойчивость танкера в обратном рейсе, его осадку поддерживают за счет того, что в пустые танки закачивают заборную воду.
Эта вода в порту налива нефти откачивается в специальные резервуары и перед сбросом в море очищают от нефти.
ХРАНЕНИЕ НЕФТИ
Хранение нефти осущетвляется на нефтепромыслах, в начальных, промежуточных и конечных пунктах протяженных нефтепроводов. Для хранения нефти строят крупные наземные и подземные резервуары вместимостью от 10 до 100 тыс. тонн каждый, входящих в комплекс установок и сооружений, называется «нефтебазой».
Резервуары различаются в зависимости от того, какой нефтепродукт хранится.
ТРАНСПОРТ ГАЗА
Транспорт газа осуществляется по газопроводам от мест его добычи и промысловой подготовки к потребителю. Сжиженные газы транспортируются в специальных цистернах по железной дороге или автомобильным способом.
Магистральные газопроводы имеют большую протяженность (3-5 тыс. км.). Диаметр труб до 1,4 и давление до 10 МПа.
Для перекачки газа при давлении на большие расстояния для поддержания давления через определенные интервалы (80-120 км) строятся газокомпрессорные станции.
ХРАНЕНИЕ ГАЗА
Хранение газа осуществляется с целью сглаживания неравномерности его потребления на местах. Природный газ чаще всего хранят в подземных хранилищах. для этого используют структурные геологические ловушки, где газ хранится под большим давлением без потерь его в смежных пластах.
Сжиженные газы хранят на нефтебазах в резервуарах, рассчитанных на высокое давление.
ОРГАНИЧЕСКИЕ ГОРЮЧИЕ ИСКОПАЕМЫЕ
К ним относятся:
- природный газ
- газовые конденсаты ( < 770 кг/м3
)
- легкие нефти ( от 770 до 850 кг/м3
)
- нормальные нефти ( от 830 до 930 кг/м3)
- тяжелые высоковязкие нефти ( = 930-980 кг/м3
)
- природные нефтебитумы ( > 980 кг/м3
)
- торфы
- бурые угли
- атроциты
Тяжелые высоковязкие нефти (ТВН).
К их особенностям относится то, что они могут быть добыты извлечением из недр специальными методами воздействия на пласт ( пергретым паром, внутрипластовым горением и шахтным методом).
Особо богаты ими Канада и Венесуэла.
В России запасы таких нефтей сосредоточены в Татарстане и тунгусском районе Сибири. Обращает свое внимание высокая плотность и высокое содержание высококипящих фракций, высокая коксуемость и очень высокое содержание металлов (1200мг/кг), а значит остатки переработки высоковязких нефтей являются благоприятным сырьем для получения таких металлов как ванадий и никель.
Природные нефтебитумы.
Это тяжелые вещества в основном с плотностью > 1 и с вязкостью 100 Па/с. Они добываются шахтным или карьерным методом, либо внутрипластовым давлением.
По составу эта смесь органического вещества с горной породой. Это может быть песок , пропитанный битумом или плотная органическая порода с прослойками битуминизированной массы. Запасы таких нефтей также находятся в Канаде и Венесуэле. Они имеют тяжелый фракционный состав (большое содержание серы, асфальтенов и металлов).
Примером переработки такой нефти является Канада, конечным продуктом переработки которой является синтетическая нефть.
В ближайшее время производство синтетической нефти в Канаде достигают 20 млн.т. в год. В России переработки природных нефтебитумов нет, хотя только в Татарстане имеется более 25 месторождений нефтебитумов.
Получение нефтепродуктов из природных нефтебитумов начинает использоваться в переработке, но достигнет быстрого развития тогда, когда цены на нефть, нефтепродукты, и газ резко возрастут.
Сланцы.
Общие запасы горючих сланце составляют около 475 млрд. т. основная часть которых находится в Северной Америке. Выход жидкого топлива из сланцев равен примерно от 60 до 85% (а из угля примерно 40%). Сланцы занимают особое место среди твёрдых горючих ископаемых из-за высокого содержания в них минеральных веществ. Месторождений сланцев много и делятся они на малосернистые (до 2% серы) и сернистые (от 2 до 8% серы).
К первым относятся эстонские сланцы, ко вторым сланцы среднего и нижнего Поволжья.
Торфы.
Торф, в естественном состоянии, - это сухая рассыпчатая масса чёрно-бурого цвета. Эта масса является продуктом разложения опавших листьев, хвои, веток и поваленных деревьев. В зависимости от степени разложения торфяники делят на верховые, переходные и низинные.
Каменные угли. Издавна широко используются как твёрдые энергоносители. Но в 1ой половине ХХ века были начаты работы по получению жидких моторных топлив из углей, как более технологичных и удобных в применении.
Ряд стран не обеспечен нефтью, и поиски их привели к необходимости получения альтернативным путём, т.е. из угля.
Уже во время мировой войны в Германии и ЮАР получила развитие альтернативная технология.
Мировые запасы углей оцениваются в 14300 млрд.т. Бурые угли представляют собой плотную однородную массу бурого или буро-черного цвета. При нагревании до 100-2000
С уголь в виде пластинок способен гнуться, легко воспламеняться и гореть ярким, коптящим пламенем.
Антрациты. Это черные блестящие образования с высокой твёрдостью и плотностью. Они содержат самый высокий процент водорода. Исторически первым процессом переработки угля являлось коксование, сопровождающееся выделением жидких продуктов. По началу эти продукты не находили практического применения, но с развитием техники на них обратили внимание и стали использовать как горючее, а затем как химическое сырье. Ученые работают над тем, чтобы из твёрдого минерального горючего получить жидкие газообразные продукты при помощи новых процессов переработки.
Первые используемые процессы:
это термические процессы переработки твердых горючих без доступа к ним воздуха, при t = 500-5500
С.
Продукты процесса: газ, смола (первичные продукты), подсмольная вода (смесь воды с тяжелой породой) и полукокс (твёрдый остаток).
Полукокс содержит много летучих углеводородов (16%) и обычно применяется как сырье газификации для получения технологических и горючих газов.
Особенность первичных смол – это высокое содержание низкомолекулярных алифатических углеводородов из которых после их извлечения и очистки от примесей можно получать моторные топлива и смазочные масла.
Газококсования обогащены метаном (40-50%), имеют относительно высокую теплоту сгорания и используются как высококачественное бытовое топливо.
Второй процесс:
термокаталитический
Третий процесс:
гидрокатолитический (+ очистка от серы).
АЛЬТЕРНАТИВНЫЕ ТОПЛИВА
Растущий интерес к альтернативным топливам для легковых и грузовых автомобилей обусловлен существенными соображениями: эти топлива, как правило, дают меньше выбросов, усиливающих смог, загрязнения атмосферы и глобальное потопление.
Большинство альтернативных топлив производится из неисчерпаемых запасов, некоторые из них уже широко используются, некоторые находятся в экспериментальной стадии.
Практическая ценность топлива определяется количеством теплоты, выделяющимся при его полном сгорании. Так, при сгорании 1 кг древесины выделяется теплота равная 10,2МДж/кг, каменного угля 22 МДж/кг, а бензина 44 МДж/кг.
Альтернативные топлива:
1)
Природный газ
, представляет собой альтернативный вид топлива, которое полностью сгорает и доступно потребителям многих стран. При использовании в транспортных средствах (легковых автомобилях и грузовых) со специально проектируемыми двигателями, природный газ дает значительно меньше вредных выбросов, чем бензин и дизельное топливо.
2)
Электричество
может быть использовано в качестве альтернативного вида топлива для транспортных средств с питанием от аккумуляторных батареек или работающих на топливных элементах. Работающие от батарей электрические транспортные средства накапливают энергию в батареях, которые заряжаются путём подключения транспортного средства к стандартному источнику питания. Транспортные средства на топливных элементах работают на электрической энергии, которая вырабатывается за счёт электрохимических реакций, имеющих место при соединении кислорода и водорода, топливные элементы производят электроэнергию без внутреннего сгорания и загрязнения окружающей среды.
3)
Водород.
Одним из самых перспективных источников является водород. Его выделяют из обыкновенной воды и это не единый способ его получения. Он хорошо хранится и транспортируется в газообразном, жидком и твёрдом виде. Газ удобно хранить в подземных хранилищах, жидкость в резервуарах. Для того, чтобы получить водород в больших количествах, необходимо вдали от населенных пунктов на берегу моря поставить мощные атомные, а в будущем - термоядерные реакторы. При этом энергия атома пойдёт не только для производства электроэнергии, но и на разложение воды.
Переходно-водородное
топливо имеет свою положительную сторону, если каменный уголь нефть, газ и торф расходуются безвозвратно, то водород может участвовать в круговороте энергии сколько угодно. Сгорая, он превращается в водяной пар, а затем в воду. Водород можно смешивать с природным газом, для создания альтернативного топлива. Водород также используется в транспортных средствах с топливными элементами, работающими на электричестве, вырабатываемом в результате реакции, которая происходит при соединении водорода и кислорода.
4)
Биодизельное топливо
– это вид топлива на основе растительных масел и животных жиров даже тех, которые остаются в ресторане после приготовлении пищи. Двигатели транспортных средств можно модифицировать так, чтобы можно было сжигать биодизельное топливо в чистом виде. Биодизельное топливо можно смешивать с углеводородным дизельным топливом. Оно безопасно, поддается биохимическому разложению и снижает содержание веществ загрязняющих биосферу.
5)
Метанол (древесный спирт) и бензино-метанольные топлива
. Метанол представляет собой бесцветную воспламеняющуюся жидкость со слабым спиртовым запахом. Безводный метанол при обычных температурах хорошо смешивается с товарными марками бензинов в любых соотношениях. В России в качестве добавки разрешен метанол до 3%. В США сравнительно в небольших количествах используется топливо, содержащее 85% метанола и 15% бензина, а также чистый метанол в гоночных автомобилях. У метанола высокое октановое число по исследовательскому методу равное 111.
Метанол относится к числу наиболее токсичных веществ. Попадание 30 мл метанола в организм человека приводит к смерти, меньшее количество вызывает потерю зрения. Это обстоятельство является существенным препятствием для применения метанола в качестве моторного топлива.
6)
Этанол и бензино-этанольные смеси
. Не смотря на более высокую стоимость по сравнению с метанолом, этанол используется в качестве компонентов моторного топлива в больших количествах. В США выработали требования к топливному этанолу, который называется денатурированный топливный этанол, предназначенный для двигателей с искровым зажиганием. В 80х г.г. прошлого века началось массовое использование этанола в Бразилии, США, Швеции и др. странах. Использование бензина с этанолом (5-10%) - эта смесь называется газохолл.
Существенной проблемой всегда является транспорт этанола и бензино-этанольных смесей. Из-за высоких их полярностей они не могут транспортироваться по трубопроводам, так как это приводит к растворению в этаноле или смесях смолистых отложений в трубопроводе.
7)
Диметиловый эфир (СН3
-О-СН3
) (ДМЭ).
По большому счёту это аналог газа. Главный плюс нового топлива – экологическая безопасность. Выброси оксида азота (NO и NO2
) сокращается в 3 раза. Получают его несколькими способами из органических соединений, наиболее экономичный – синтез из природного газа – метана. Химики обещают, что диметиловый эфир будет в 2 раза дешевле солярки.
8)
Разрабатывается проблема использования для целей энергетики термоядерной реакции.
|