Содержание:
1.Анализ задания4
2. Описание функциональной схемы 5
3. Временные диаграммы работы устройства 6
4. Анализ работы узлов устройства 7
5. Принципиальная схема устройства 9
6. Перечень элементов 11
1.Анализ задания.
По заданию требуется определить с высокой точностью частоту следования импульсов.
В данной работе предполагается, что есть образцовый (опорный) генератор, частота которого заранее известна и стабильна. Относительно него измеряется частота тестовой последовательности.
Требуется измерить частоту восьми импульсов. Это значит, что в схеме должен быть счетчик с модулем счета, равным восьми и выделяющий восемь импульсов. Воспользуемся для этого стандартными микросхемами, имеющимися в библиотеке программы EWB.
Если частоты образцовой и испытуемой последовательностей отличаются, их периоды будут соответственно тоже отличаться, таким образом, единицы на выходе счетчика установятся в разное время. Следовательно, следует ввести схему, выделяющую этот временной промежуток. Далее нам необходимо «оценить» этот промежуток, для этого мы заполним его импульсами и сосчитаем количество импульсов. Количество импульсов будет означать степень разности частот.
Помимо величины разности частот нам важен ее знак. Необходима схема выделения знака. Схема может быть построена на системе триггеров, в которой первый пришедший переключает схему в одно устойчивое состояние.
Таким образом, мы получаем функциональную схему на рис. 1.
2. Описание функциональной схемы.

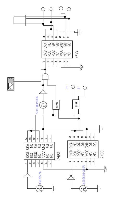
Сигналы с образцового и испытуемого генераторов поступают на счетчик с модулем счета 8. По окончании восьмого импульса один из выходов счетчика устанавливается в единицу. Но при неравенстве частот единицы на выходе этих счетчиков установятся в разное время.
Схема выделения величины представляет собой простейшую комбинационную схему, выдающую единицу при комбинациях на входе 1-0 и 0-1, и ноль при любых других. Единица с выхода этой схемы поступает на элемент И, на другой вход которого поступают импульсы с генератора тактовых импульсов ГТИ. Таким образом, схема И запрещает или разрешает проход импульсов на выход, причем количество импульсов будет зависеть от разности частот. Далее эти импульсы подсчитываются специальным счетчиком, код на выходе счетчика будет содержать информацию о разности частот.
Схема определения знака представляет собой систему из двух RS-триггеров и двух D-триггеров. В ней первый пришедший устанавливает один из RS-триггеров, он в свою очередь устанавливает D-триггер. Таким образом, в зависимости от отставания (или опережения), на одном из выходов установится единица.
3. Временные диаграммы работы устройства.

Входная последовательность.
2,3,4,5) Временные диаграммы счетчика на 8.
5,6) Разность во времени прохождения 8 импульсов.
7,8) Сигнал на выходе схемы выделения величины.
9) Сигнал на выходе ГТИ.
10) Сигнал на выходе схемы И.
4. Анализ работы узлов устройства.
1) Счетчик на 8:


Схема выделения величины.

| A |
B |
C |
| 0 |
0 |
0 |
| 0 |
1 |
1 |
| 1 |
0 |
1 |
| 1 |
1 |
0 |
Схема определения знака.
| A |
B |
C |
D |
| 0 |
0 |
0 |
0 |
| 0 |
1 |
1 |
0 |
| 1 |
0 |
0 |
1 |
| 1 |
1 |
Предыдущее
состояние
|

5. Принципиальная схема устройства.



6. Перечень элементов.
Позиционное
обозначение
|
Наименование |
Кол |
Примечание |
| Микросхемы |
| 7493 (счетчики) |
3 |
| 7474 (D-триггеры) |
1 |
| RS-триггеры |
2 |
7402 (инверторы)
7408 (Элементы И)
7432 (Элементы ИЛИ)
|
1
1
1
|
| Перечень Элементов |
| Изм |
Лист |
№ докум. |
Подп. |
Дата |
| Разраб. |
Литер |
Лист |
Листов |
| Пров. |
1 |
1 |
| Н.контр. |
| Утвер. |
| Инв. № подп. |
Подп. и дата |
Взам. инв. № |
Инв. № дубл.. |
Подп. и дата |
11
|