| Министерство образования и науки РФ
Иркутский государственный технический университет
Институт информационных технологий
Кафедра электротехники и энергетических систем
КУРСОВАЯ РАБОТА
по дисциплине «Электротехника»
на тему: «Трехфазные трансформаторы»
Иркутск
2008
Дан трехфазный двухобмоточный трансформатор. Расшифруйте буквенно-цифровые обозначения исследуемого трансформатора. Необходимо выполнить следующие расчеты:
1. Определить параметры Т-образной схемы замещения трансформатора.
2. Начертить в масштабе полную векторную диаграмму трансформатора для активно-индуктивной нагрузки.
3. Рассчитать и построить зависимость коэффициента полезного действия от нагрузки при значениях коэффициента нагрузки , равных 0; 0,25; 0,75; 1,00 и 1,25 от номинального вторичного тока . Определить максимальное значение КПД.
4. Определить изменение вторичного напряжения .
5. Построить внешние характеристики трансформатора для значений тока, равных 0; 0,25; 0,50; 0,75; 1,00 и 1,25 от номинального вторичного тока .
Цель задания
– углубление теоретических знаний и приобретение практических навыков расчета параметров, характеристик и построения векторных диаграмм реальных трезфазных трансформаторов.
Примечание
. При определении параметров трехфазного трансформатора и построении векторных диаграмм расчет ведется на одну фазу.

ТМ – 1000 / 35 – трехфазный трансформатор с естественной циркуляцией масла.
SН
= 1000 кВ А – номинальная мощность трансформатора;
U1Н
= 35 кВ – номинальное напряжение первичной обмотки;
U2Н
= 6,3 кВ – номинальное напряжение вторичной обмотки;
UК
= 6,5% - напряжение короткого замыкания;
Р0
= 2,750 кВт – потери активной мощности в режиме холостого хода;
РК
= 12,20 кВт – потери активной мощности в режиме короткого замыкания;
I0
= 1,50% - ток холостого хода;
Cos φ2
= 0,8
Определение параметров схемы замещения трансформатора в режиме холостого хода
Для первичной обмотки примем соединение по схеме «звезда»; для вторичной обмотки примем соединение по схеме «треугольник».
Для определения параметров схемы замещения трансформатора рассчитаем:
а) номинальный ток трансформатора
I1
H
= ; I1
H
= 1000/(1,73*35)=16,5A;
б) фазное напряжение первичной обмотки:
при соединении по схеме “звезда”
U1Ф
= , U1Ф
= 35 / √ 3 = 20, 2 кВ.
при соединении по схеме “треугольник”
U1Ф
= U1
H
;
в) фазный ток холостого хода трансформатора
I0Ф
= I1
H
, I0Ф
= 16,5 * 1,50 / 100 = 0,25 А;
где I0
– ток холостого хода,%;
г) мощность потерь холостого хода на фазу
P0Ф
= , Р0Ф
= 2750 / 3 = 916,7 Вт,
где m – число фаз первичной обмотки трансформатора; принимаем m=3.
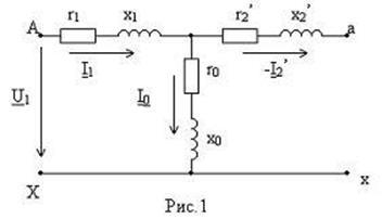
д) полное сопротивление ветви намагничивания схемы замещения трансформатора при холостом ходе согласно схеме рис. 1.

Z0
= ; Z0
= 20,2*103
/ 0,25 = 80,8 кОм,
е) активное сопротивление ветви намагничивания
r0
= ; r0
= 916,7/ 0,252
= 14,67 кОм;
ж) реактивное сопротивление ветви намагничивания
х0
= √ Z0
– r0 ;
x0
= √ 80,82
– 14,672
= 79,46 кОм = 79,46*103
Ом;
з) коэффициент трансформации трансформатора
k = U1Ф
/ U2Ф
, k = 20,2*103
/6,3*103
= 3,2
Определение параметров схемы замещения трансформатора в режиме короткого замыкания
В опыте короткого замыкания вторичная обмотка трансформатора замкнута накоротко, а подводимое к первичной обмотке напряжение подбирается таким образом, чтобы ток обмотки трансформатора был равен номинальному. Схема замещения трансформатора в режиме короткого замыкания представлена на рис. 2.

Здесь суммарное значение активных сопротивлений (r1
+ r2
’
) обозначают r k
и называют активным сопротивлением короткого замыкания, а (x1
+ x2
’
) индуктивным сопротивлением короткого замыкания x k
.
Для определения параметров схемы замещения трансформатора рассчитаем:
а) фазное напряжение первичной обмотки U1Ф
;
U1Ф
= 20,2 кВ;
б) фазное напряжение короткого замыкания
UК.Ф
= U1Ф ,
UК.Ф
= 20,2 *103
*(6,5/ 100) = 1,31 кВ;
где UK
– напряжение короткого замыкания,%;
в) полное сопротивление короткого замыкания
ZK
= , ZK
= 1,31*103
/ 16,5 = 79,39 Ом;
где IК
– ток короткого замыкания, IK
= I1
H
= ;
г) мощность короткого замыкания
PК.Ф
= ; PК,Ф
= 12,2*103
/ 3 = 4,06 кВт;
д) активное сопротивление короткого замыкания
rK
= ; rK
= 4,06*103
/ (16,5)2
= 14,91 Ом
е) индуктивное сопротивление короткого замыкания
xK
= ; хК
= √79,392
– 14,912
= 77,98 Ом
Обычно принимают схему замещения симметричной, полагая
r1
; x1
;
r2
’
= r2
* k2
; x2
’
= x2
* k2
,
где r1
– активное сопротивление первичной обмотки трансформатора;
x1
– индуктивное сопротивление первичной обмотки трансформатора, обусловленное магнитным потоком рассеянья ;
r2
’
– приведенное активное сопротивление вторичной обмотки трансформатора;
x2
’
– приведенное индуктивное сопротивление вторичной обмотки трансформатора, обусловленное магнитным потоком рассеянья .
r1
≈ r ‘
2
= 14,91 /2 = 7,46 Ом; x1
≈ x’
2
= 77,98/ 2 = 38,99 Ом.
r2
= r’
2
/ k2
= 7,46/ 3,22
=0,72 Ом; x2
= x’
2
/ k2
= 38,99/ 3,22
= 3,8 Ом.
Построение векторной диаграммы
При построении векторной диаграммы воспользуемся Т – образной схемой замещения (рис. 3).

Векторная диаграмма является графическим выражением основных уравнений приведенного трансформатора:

Для построения векторной диаграммы трансформатора определим:
1) номинальный фазный ток вторичной обмотки трансформатора ; I2Ф
= 1000*/ (3* 6,3) = 52,9 А;
2) приведенный вторичный ток ; I’
2Ф
= 52,9 / 3,2 = 16,5 А;
3) приведенное вторичное напряжение фазы обмотки U2Ф
’
= U2Ф
k; U2Ф
’
= 6,3*103
* 3,2 = 20160 В
4) угол магнитных потерь ; α = arctg
(
14,67*103
/ 79,46*103
) = 10,46o
;
5) угол , который определяется по заданному значению угла путем графического построения;
6) падение напряжения в активном сопротивлении вторичной обмотки I2
’
r’
2
, приведенное к первичной цепи;
I’
2
*r’
2
= 16,5*7,46 = 123,1 В;
7) падение напряжения в индуктивном сопротивлении вторичной обмотки I2
’
x2
’,
приведенное к первичной цепи;
I’
2
*x’
2
= 16,5* 38,99 = 643,3 B;
8) падение напряжения в активном сопротивлении первичной обмотки I1
r1
;
I1
*r1
= 16,5*7,46 = 123,1 B;
9) падение напряжения в индуктивном сопротивлении первичной обмотки I1
x1
.
I1
*x1
= 16,5*38,99 = 643,3 B.
Перед построением диаграммы следует выбрать масштаб тока mi
и масштаб напряжения mu
.
Примем mi
= 2 А/мм; mu
= 0,2 кВ/мм.
При активной нагрузке φ2
= 0;
при активно-индуктивной нагрузке φ2
= 36.870
;
при активно-емкостной – φ2
= -36.870
.
Результаты расчетов сведем в таблицу:
| I2
A
|
I2
’
A
|
K
|
U2
’
B
|
,
град
|

гр.
|

гр
|
I1
A
|
r1
Ом
|
r2
’
Ом
|
x1
Ом
|
x2
Ом
|
I2
’
r2
’
В
|
I2
’
x2
’
В
|
I1
r1
В
|
I1
x1
В
|
| 52,9
|
16,5
|
3,2
|
20160
|
10,46
|
36,9
|
38
|
16,5
|
7,46
|
7,46
|
38,99
|
38,99
|
123,1
|
643,3
|
123,1
|
643,3
|
Построение векторных диаграмм
В выбранном масштабе тока mi
откладываем в произвольном направлении вектор вторичного тока I2
’
. Затем, под углом проводим вектор напряжения U2
’ (для активной нагрузки вектор тока вторичной обмотки совпадает по фазе с вектором напряжения на зажимах вторичной обмотки, для активно-индуктивной нагрузки вектор тока вторичной обмотки отстает от вектора напряжения на зажимах вторичной обмотки, для активно- емкостной нагрузки вектор тока вторичной обмотки опережает вектор напряжения на зажимах вторичной обмотки). Масштаб mU
выберем так, чтобы получить вектор U2
’
длиной 100…120 мм. Чтобы построить вектор эдс E2
’
необходимо, согласно уравнению E
2
’
= U
2
’ + I
2
’
r2
’
+ j I
2
’
x2
’
, сложить вектор U
2
’
с векторами -I
2
’
r2
’
и -j I
2
’
x2
’
.
Для этого из конца вектора U
2
’
строим вектор активного падения напряжения -I2
’
r2
’
параллельно вектору вторичного тока I2
’
; из начала вектора -I2
’
r2
’
перпендикулярно к нему строим вектор индуктивного падения напряжения -jI2
’
x2
’
. Вектор, соединяющий точку О с началом вектора -jI2
’
x2
’
, будет вектором эдс E2
’
вторичной обмотки. Этот вектор будет совпадать с вектором эдс первичной обмотки, так как E1
= E2
’
.
Вектора эдс E1
и E2
’
, индуктированных в первичной и вторичной обмотках основным магнитным потоком , отстают по фазе от вектора потока на 900
.
Под углом в сторону опережения вектора потока откладываем вектор тока холостого хода I0
.
Для того чтобы перейти к векторной диаграмме первичной обмотки, необходимо определить вектор первичного тока I1
. Согласно уравнению I
1
= I
0
+ (-I
2
’)
вектор тока I1
равен геометрической разности векторов I0
и I2
’
.
Вектор первичного напряжения U
1
определяем из векторной диаграммы. Для этого необходимо построить вектор Е1
, равный по величине и обратный по направлению вектору Е1
. Из конца вектора Е1
, согласно уравнению U1
= -E1
+ I1
r1
+ JI1
x1
, строим вектор I1
r1
, параллельный вектору тока I1
, а из конца вектора I1
r1
перпендикулярно к нему и вектору I1
проводим вектор I1
x1
. Замыкающий вектор и будет вектором первичного напряжения U1
.
Построение кривой изменения кпд трансформатора в зависимости от нагрузки
При нагрузке коэффициент полезного действия трансформатора определяют по формуле
,
где SH
– полная номинальная мощность трансформатора, кВ*А;
P0
– мощность потерь холостого хода при номинальном напряжении, кВт
РК
– мощность потерь короткого замыкания, кВт.
η = 1-(2,75 + k2
нг
12,2)/(1000kНГ
*0.8 + 2,75 + 12,2k2
нг
)
Кпд трансформатора рассчитывают для значений коэффициента нагрузки kНГ
, равных 0; 0,25; 0.50; 0.75; 1.25 от номинального вторичного тока I2
H
. Значение cos берут из приложения.
По результатам расчетов строят зависимость (рис.7). Максимальное значение коэффициент полезного действия имеет место при условии kнг
2
PK
= P0
. Отсюда коэффициент нагрузки, соответствующий максимальному кпд, kнг
max
= ;
________
Kнг
max
= √2,75/12,2 = 0,4747
По полученному значению kнг
max
(из графика) определяют максимальное значение коэффициента полезного действия, η = 0,9838.
| kнг
|
0
|
0,25
|
0,50
|
0,75
|
1,00
|
1.25
|
| η
|
0
|
0,9827
|
0,9857
|
0,9842
|
0,9816
|
0,9786
|

Определение изменения напряжения трансформатора при нагрузке
При практических расчетах изменение вторичного напряжения трансформатора определим по формуле
,
где UК.А.
– активная составляющая напряжения короткого замыкания при номинальном токе, UК.А.
= РК
/ 10SН
;
UK
.
A
= (12,2/10*1000)= 1220*10-6
В;
UК,А,
= U1Ф
*UK
.
A
.,
UK
.
A
.
= 20,2*103
*1220*10-6
= 24,64 В
UК.Р.
– реактивная составляющая напряжения короткого замыкания,
UК.Р.
= .
UK
.
P
.
= √ 0,1222
– 0,00122 2
= 0,1219В.
UK
.
P
.
= U1Ф
*UK
.
P
.
,
UK
.
P
.
= 20,2*103 *
0,1219 = 2464 В
∆U = (1220*10-6
* 0,8 + 0,1219 * 0,6) * 1 = 0,0741
∆U = U1Ф
*∆U;
∆U = 20,2*103
* 0,0741 = 1496,8 B.
∆U = U2.н.
=6300*0,0741= 466,83 В.
Литература
1. Любова О.А., Попов Я.Н., Шумилов А.А. Трансформаторы. Методические указания к курсовой работе. Архангельск. 2003.
2. Доморацкий О.А., Жерненко А.С., Кратиров А.Д. и др. Электропитание устройств связи. М.: Радио и связь. 1981.
3. Зевеке Г.В., Ионкин П.А., Нетушил А.В., Страхов С.В. Основы теории цепей. М.: Энергия. 1985.
|