Министерство образования Республики Беларусь
Брестский государственный технический
университет
Кафедра ИИТ
Пояснительная записка
к курсовой работе
по дисциплине Моделирование систем
Моделирование системы заданной конфигурации
Выполнил:
Студент 4 курса ФЭИС
группы АСОИ-552
Мелех Н.Н.
Брест 2009
СОДЕРЖАНИЕ
Введение
1.Построение концептуальной модели (км)
2. Разработка математической модели
3. Разработка gpss-ориентированной имитационноймодели
4. Разработка, реализация и исследование упрощенных моделей
5. Реализация и исследование имитационной модели
6. Исследование свойств системы
заключение
литература
Задан объект моделирования - некая система, назначение которой – выполнение некоторых действий над поступающими заданиями из одного модуля и передача обработанного результата в другой модуль. Структура эти двух модулей нас не интересует, и мы будем рассматривать их в дальнейшем как «черные» ящики, один из которых посылает в систему задания с интенсивностью l, т.е. является генератором, а другой - принимает обработанные задания, т.е. является приемником.
Цели исследования системы заключаются в следующем:
· выявить «узкие» места системы;
· для известной интенсивности поступления заданий в систему подобрать такие ее параметры, чтобы обеспечивалась оптимальная загрузка всех устройств;
· определить влияние производительности каждого элемента системы на ее общую производительность;
· спрогнозировать реакцию системы при изменении интенсивности поступления заданий на обслуживание.
Анализ этих характеристик позволяет выбрать оптимальные параметры системы (производительность всех устройств) и таким образом решить очень важную задачу: спроектировать систему с минимальными финансовыми затратами.
Для исследования системы всегда строится ее модель и производится моделирование. Модели можно разделить на несколько категорий:
- наглядные;
- символические;
- математические.
Наглядные и символические модели применяются на начальных стадиях моделирования, когда идет сбор информации об объекте моделирования. Математическая модель применяется, когда объект моделирования описывается с помощью математического аппарата.
Требуется разработать и исследовать модели системы. Тип модели - Q-схема. Модели транзактные. Способы расчета - имитационный (в среде GPSSWorld на языке GPSS) и аналитический.
Система состоит из устройств S1-S3, памяти S5 и S6.
Внешняя среда представлена источником запросов (узел S0), приемником обслуженных запросов (узел S4).
Число типов потоков запросов Q – 2 (50% заявок первого и 50% второго типа). Потоки различаются параметрами законов поступления и обслуживания. Законы поступления запросов 1 и 2 типов соответственно – Эрланга и равномерный. Законы обслуживания 1 и 2 типов соответственно – равномерные.
При появлении запроса ему выделяется место в памяти S5, при нехватке в памяти S6 и далее начинается обслуживание в S1. Иначе происходит отказ в обслуживании. Освобождается память по завершении обслуживания в системе. Потребность в памяти запросов 1 и 2 типа описывается разными дискретными равномерными законами (от 1 до x единиц).
Порядок движения запросов в процессе обслуживания представлен матрицей переходов P (где число – вероятность выбора маршрута) (таблица 1.1).
Таблица 1.1- Исходнаяматрицапереходов P
| S0 |
S1 |
S2 |
S3 |
S4 |
| S0 |
1 |
| S1 |
1 |
| S2 |
0,5 |
0,5 |
| S3 |
1 |
| S4 |
1 |
Параметры устройств и параметров потоков запросов (заявок) указаны в таблице 2.
Таблица 1.2- Параметры системы
| № |
ПОТОКИ |
УСТРОЙСТВА |
| № |
% |
mt |
№ |
K |
mt |
№ |
K |
mt |
№ |
K |
mt |
№ |
K |
mt |
№ |
K |
mt |
| 21 |
1 |
4 |
2 |
1 |
3 |
1 |
| 1 |
50% |
240,0 |
296,0 |
36,0 |
52,0 |
| 2 |
50% |
240,0 |
296,0 |
36,0 |
52,0 |
Маршруты движения потоков здесь совпадают, поэтому вначале разрабатываем общую схему Q-модели.
Для этого анализируем матрицу Р. Полученные результаты наносим на схему (рисунок 1, 2).

Рисунок 1.1- Ресурсы системы.

Рисунок 1.2- Общая (исходная) схема Q-модели.
Основные обслуживающие ресурсы системы – устройства, памяти, накопители и т.д.
Для заданной системы
.
Здесь ресурсы: - устройства S1
, S2
, S3
, память S5
,S6
.
Состав узлов:
S0
- источник запросов (генератор);
S1
-
устройство с обслуживанием в одном из 4 -х каналов;
S5-6,1
, - узел выделения памяти S5
или S6
(анализ наличия и выделение). Потребность в памяти запросов 1 и 2 типа описывается разными дискретными равномерными законами (от 1 до x единиц). S3
-
устройство с обслуживанием в одном из 2-х каналов;
S2
, S3 -
устройство с обслуживанием в одном канале;
S5-6,2
- узел (фаза) освобождения ранее занятой емкости памяти S5
или S6
;
S4
– приемник обслуженных запросов;
Параметры обслуживающих узлов представлены ниже в таблице 1.3.
Таблица 1.3.- Параметры обслуживающих узлов
| Узел |
Параметры |
Значение |
| S1
|
z1
,
1
– тип узла |
устройство |
| z1
,2
– канальность K1
|
4 |
| z1,3
– быстродействие канала B1
|
1 |
| z1,4
– дисциплина обслуживания |
FIFO* |
| Примечание: основные фазы - захват одного свободного канала S1,1
; обслуживание с постоянной скоростью B S1,2
; - освобождение канала S1,3
|
| S2
|
z2
,
1
– тип узла |
устройство |
| z2
,2
– канальность K4
|
1 |
| z2
,3
– быстродействие канала B4
|
1 |
| z2
,4
– дисциплина обслуживания |
FIFO* |
| Примечание: основные фазы - захват одного свободного канала S2,1
; обслуживание с постоянной скоростью B S2,2
; - освобождение канала S2,3
|
| S3
|
z3,
1
– тип узла |
устройство |
| z3,2
– канальность K3
|
1 |
| z3,3
– быстродействие канала B3
|
1 |
| z3,4
– дисциплина обслуживания |
FIFO* |
| Примечание: основные фазы - захват одного свободного канала S3,1
; обслуживание с постоянной скоростью B S3,2
; - освобождение канала S3,3
|
| S5
|
z5
,
1
– тип узла |
память |
| z5
,2
– емкость V2
|
12** |
| z5
,3
– дисциплина обслуживания |
FIFO* |
| Примечание: основные фазы - захват необходимой свободной части памяти S5,1
; S5,2
- освобождение памяти |
| S6
|
z6
,1
– тип узла |
память |
| Z6,2
– емкость V2 |
7** |
| Z6,2
– дисциплина обслуживания |
FIFO* |
| Примечание: основные фазы - захват необходимой свободной части памяти S6,1
; S6,2
- освобождение памяти |
В системе по условию обрабатывается два потока заявок с похожими маршрутами обработки, движения, но с разными законами, параметрами поступления и обслуживания. Обозначим потоки номерами – 1 и 2. Тогда множество потоков Q = {1; 2}. Мощность множества Q = 2.
Потоки отличаются вероятностным характером, стационарны. Соответственно для каждого потока надо определить, конкретизировать следующие законы (распределения):
1. Законы поступления транзактов 1и 2 типов соответственно – Эрланга и равномерный.

где:
λ– интенсивность поступления заданий для каждого из двух потоков.
λ(1
)
=0,004;
Равномерный:

Распределение задается двумя параметрами: a – левая граница, b – правая граница (b > a).
2. закон обслуживания транзактов 1и 2 типов равномерные;

0, t<a
S(1)
(t)= , a ≤t≤b
1, t>b,
Уточняем схему модели
В моделируемой системе (см. рисунок 1.2):
- после узла S0
нужен добавочный узел S7
анализа наличия свободной емкости памяти S5
для пришедшей заявки и выбора дальнейшего маршрута движения запроса – в память на узелS5,1 .
- соответственно необходим узел S8
анализа наличия свободной емкости памяти S6
для пришедшей заявки и выбора дальнейшего маршрута движения запроса – в память на узелS6,1
или в приемник отказанных заявок.
- соответственно необходим узелS9
- приемник заявок, не вошедших в систему из-за нехватки памяти;
- после выхода из узлаS2
дальнейший маршрут заявки определяется вероятностным выбором из двух альтернатив – необходим узел S10
,“разыгрывающий” для каждой пришедшей заявки выбор маршрута в соответствии с заданными вероятностями.
- после выхода из узлаS3
необходим узел S11
анализа дальнейший маршрут заявки определяется вероятностным выбором из двух альтернатив – необходим узел S10
,“разыгрывающий” для каждой пришедшей заявки выбор маршрута в соответствии с заданными вероятностями.
Уточненная схема модели безотносительно к потокам приведена на рисунке 1.3.

Рисунок 1.3- Уточненная схема Q-модели.
В соответствии с данными, полученными на предыдущем этапе, уточняем матрицу переходов.
Порядок движения запросов в процессе обслуживания представлен ниже матрицей переходов P.
Таблица 1.4- Уточненная матрица переходов P
| S0 |
S1 |
S2 |
S3 |
S4 |
S5,1 |
S5,2 |
S6,1 |
S6,2 |
S7 |
S8 |
S9 |
S10 |
S11 |
| S0 |
1 |
| S1 |
1 |
| S2 |
1 |
| S3 |
1 |
| S4 |
| S5,1 |
1 |
| S5,2 |
1 |
| S6,1 |
1 |
| S6,2 |
1 |
| S7 |
и |
л |
| S8 |
и |
л |
| S9 |
| S10 |
0.5 |
0.5 |
| S11 |
и |
Л |
Уточняем ранее полученные схемы Q-моделей (см. рисунок 1.3) с учетом наличия разных потоков заявок.
В системе два потока заявок, которые обслуживаются однотипно – с одинаковыми маршрутами и на тех же ресурсах, узлах.
Отличие состоит в параметрах законов поступления (нужны два разных источника, т.е. узел S0
заменяем на S0,1
, S0,2
, или здесь на S(1)
0
и S(2)
0
).
Соответственно нужны разные приемники обслуженных и отказанных заявок – новые узлы S(1)
4
, S(2)
4 ,
S(1)
9
, S(2)
9 .
Отличие состоит также в параметрах законов обслуживания в устройствах и характере распределения ёмкости памяти.
Тогдановыйсоставузлов
S = {S(1)
0
,S(2)
0
, S1
, S2
, S3
, S4
, S5,1
, S5,2
, S6,1
, S6,2
, S7
, S8 ,
S(1)
9
, S(2)
9 ,
S10
, S11
}.
Уточненные схемы Q-модели по каждому потоку заявок представлены на рисунках 1.4 и 1.5.

Рисунок 1.4- Схема Q-модели 1-го потока

Рисунок 1.5- Схема Q-модели 2-го потока
В соответствии с данными, полученными на предыдущем этапе, уточняем матрицы переходов каждого из потоков.
Порядок движения запросов в процессе обслуживания представлен ниже матрицами переходов потоков P(1)
иP(2)
.
Таблица 1.5- Матрица переходов P(1)
для 1-го потока
| S0(1) |
S1 |
S2 |
S3 |
S4(1) |
S5,1 |
S5,2 |
S6,1 |
S6,2 |
S7 |
S8 |
S9(1) |
S10 |
S11 |
| S0(1) |
1 |
| S1 |
1 |
| S2 |
1 |
| S3 |
1 |
| S4(1) |
| S5,1 |
1 |
| S5,2 |
1 |
| S6,1 |
1 |
| S6,2 |
1 |
| S7 |
и |
л |
| S8 |
и |
л |
| S9(1) |
| S10 |
0.5 |
0.5 |
| S11 |
и |
Л |
Таблица 1.6- Матрица переходов P(2)
для 2-го потока
| S0(2) |
S1 |
S2 |
S3 |
S4(2) |
S5,1 |
S5,2 |
S6,1 |
S6,2 |
S7 |
S8 |
S9(2) |
S10 |
S11 |
| S0(2) |
1 |
| S1 |
1 |
| S2 |
1 |
| S3 |
1 |
| S4(2) |
| S5,1 |
1 |
| S5,2 |
1 |
| S6,1 |
1 |
| S6,2 |
1 |
| S7 |
и |
л |
| S8 |
и |
л |
| S9(2) |
| S10 |
0.5 |
0.5 |
| S11 |
и |
Л |
Для каждого потока параметры составляют:
- параметры законов поступления ;
- параметры обслуживания на ресурсах системы.
Последние включают:
- параметры обслуживания на устройстве S1
;
- параметры обслуживания на устройстве S3
;
- параметры обслуживания на устройстве S4
;
- параметры обслуживания в памяти S2
.
- параметры обслуживания в памяти S2
.
Параметры потоков приведены в таблице 1.7 и 1.8.
Таблица 1.7- Параметры 1-го потока
| Параметр |
Описание |
Значение |
| h(1)
0,1
|
закон распределения времени τ между заявками в потоке f(1)
τ
|
случайный |
| h(1)
0
,2
|
тип закона |
Эрланга 2 порядка |
| h(1)
0
,3
|
интенсивность поступления заявок λ |
0,004 |
| h(1)
1
,1
|
закон распределения трудоемкости θ (времени t) обслуживания в канале S1
- f(1)
θ,1 =
f(1)
t,1
|
случайный |
| h(1)
1
,2
|
тип закона |
равномерный |
| h(1)
1
,3
|
левая граница a(1)
θ,1
|
250 |
| h(1)
1
,4
|
правая граница b(1)
θ,1
|
342 |
| h(1)
2
,1
|
закон распределения трудоемкости θ (времени t) обслуживания в канале S2
- f(1)
θ,2 =
f(1)
t,2
|
случайный |
| h(1)
2
,2
|
тип закона |
равномерный |
| h(1)
2
,3
|
левая граница a(1)
θ,2
|
16 |
| h(1)
2
,4
|
правая граница b(1)
θ,2
|
56 |
| h(1)
3
,1
|
закон распределения трудоемкости θ (времени t) обслуживания в канале S3
- f(1)
θ,3 =
f(1)
t,3
|
случайный |
| h(1)
3
,2
|
тип закона |
равномерный |
| h(1)
3
,3
|
левая граница a(1)
θ,3
|
20 |
| h(1)
3
,4
|
правая граница b(1)
θ,3
|
84 |
| h(1)
5,1
|
объем потребляемой памяти |
случайный |
| h(1)
5
,2
|
Тип закона |
Дискретный равномерный |
| h(1)
5
,3
|
левая граница a(1)
θ,5
|
1 |
| h(1)
5
,4
|
правая граница b(1)
θ,5
|
4 |
| h(1)
6,1
|
объем потребляемой памяти |
случайный |
| h(1)
6
,2
|
Тип закона |
Дискретный равномерный |
| h(1)
6
,3
|
левая граница a(1)
θ,6
|
1 |
| h(1)
6
,4
|
правая граница b(1)
θ,6
|
4 |
Таблица 1.8- Параметры 2-го потока
| Параметр |
Описание |
Значение |
| h(1)
0,1
|
закон распределения времени τ между заявками в потоке f(1)
τ
|
случайный |
| h(1)
0
,2
|
тип закона |
равномерный |
| h(1)
0
,3
|
левая граница a(1)
θ,0
|
210 |
| h(1)
0
,4
|
правая граница b(1)
θ,0
|
270 |
| h(1)
1
,1
|
закон распределения трудоемкости θ (времени t) обслуживания в канале S1
- f(1)
θ,1 =
f(1)
t,1
|
случайный |
| h(1)
1
,2
|
тип закона |
равномерный |
| h(1)
1
,3
|
левая граница a(1)
θ,1
|
280 |
| h(1)
1
,4
|
правая граница b(1)
θ,1
|
312 |
| h(1)
2
,1
|
закон распределения трудоемкости θ (времени t) обслуживания в канале S2
- f(1)
θ,2 =
f(1)
t,2
|
случайный |
| h(1)
2
,2
|
тип закона |
равномерный |
| h(1)
2
,3
|
левая граница a(1)
θ,2
|
26 |
| h(1)
2
,4
|
правая граница b(1)
θ,2
|
46 |
| h(1)
3
,1
|
закон распределения трудоемкости θ (времени t) обслуживания в канале S3
- f(1)
θ,3 =
f(1)
t,3
|
случайный |
| h(1)
3
,2
|
тип закона |
равномерный |
| h(1)
3
,3
|
левая граница a(1)
θ,3
|
30 |
| h(1)
3
,4
|
правая граница b(1)
θ,3
|
74 |
| h(1)
5,1
|
объем потребляемой памяти |
случайный |
| h(1)
5
,2
|
Тип закона |
Дискретный равномерный |
| h(1)
5
,3
|
левая граница a(1)
θ,5
|
1 |
| h(1)
5
,4
|
правая граница b(1)
θ,5
|
3 |
| h(1)
6,1
|
объем потребляемой памяти |
случайный |
| h(1)
6
,2
|
Тип закона |
Дискретный равномерный |
| h(1)
6
,3
|
левая граница a(1)
θ,6
|
1 |
| h(1)
6
,4
|
правая граница b(1)
θ,6
|
3 |
Параметры узлов Q-модели (см. рисунки 4, 4 – схемы Q-модели) приведены ниже в таблице 1.9.
Таблица 1.9- Параметры узлов Q-модели
| Узел |
Параметр |
Описание |
Значение |
| S(1)
0
|
z(1)
0,1
|
– тип узла |
источник |
| z(1)
0,2
|
- назначение |
генерация потока заявок 1-го типа |
| z(1)
0,3
|
- закон распределения времени τ между заявками в потоке f(1)
τ
|
случайный |
| z(1)
0,4
|
- тип закона |
Эрланга 2 порядка |
| z(1)
0,5
|
интенсивность поступления заявок λ |
0.004 |
| S(2)
0
|
z(
2
)
0
,1
|
– тип узла |
источник |
| z(
2
)
0
,2
|
- назначение |
генерация потока заявок 2-го типа |
| z(
2
)
0
,3
|
- закон распределения времени τ между заявками в потоке f(2)
τ
|
случайный |
| z(
2
)
0
,3
|
- тип закона |
равномерный |
| z(
2
)
0
,3
|
- левая граница a(2)
τ
|
210 |
| z(
2
)
0
,3
|
- правая граница b(2)
τ
|
270 |
| S1
|
z1
,
1
|
– тип узла |
устройство |
| z1
,
1
|
– канальность K1
|
4 |
| z1,3
|
– быстродействие канала B1
[заявка/1 времени] |
1 |
| z1,4
|
– дисциплина обслуживания |
FIFO |
| Примечание: основные фазы - захват одного свободного канала S1,1
; обслуживание с постоянной скоростью B S1,2
; - освобождение канала S1,3
|
| S2
|
Z2,
1
|
– тип узла |
устройство |
| Z2,
1
|
– канальность K2
|
1 |
| Z2,3
|
– быстродействие канала B2
[заявка/1 времени] |
1 |
| Z2,4
|
– дисциплина обслуживания |
FIFO |
| Примечание: основные фазы - захват одного свободного канала S2,1
; обслуживание с постоянной скоростью B S2,2
; - освобождение канала S2,3
|
| S3
|
Z3,
1
|
– тип узла |
устройство |
| Z3,
1
|
– канальность K3
|
2 |
| Z3,3
|
– быстродействие канала B3
[заявка/1 времени] |
1 |
| Z3,4
|
– дисциплина обслуживания |
FIFO |
| Примечание: основные фазы - захват одного свободного канала S3,1
; обслуживание с постоянной скоростью B S3,2
; - освобождение канала S3,3
|
| S(1)
4
|
z(
1
)
4
,1
|
- тип узла |
приемник |
| z(
1
)
4
,2
|
- назначение |
прием отказанных заявок 1-го типа |
| S(2)
4
|
z(
2
)
4
,1
|
- тип узла |
приемник |
| z(
2
)
4
,2
|
- назначение |
прием отказанных заявок 2-го типа |
| S5
|
Z5,
1
|
– тип узла |
память |
| Z5,2
|
– емкость V5
|
12 |
| Z5,3
|
– дисциплина обслуживания |
FIFO |
| Примечание: основные фазы - захват необходимой свободной части памяти S5,1
; S5,2
- освобождение памяти |
| S5
,1
|
Z5,4
|
- тип узла |
управление памятью, фаза выделения памяти |
| Z5,5
|
- закон распределения выделяемой памяти |
дискретный равномерный |
| Z5,6
|
- выделяемая память 1-ой заявке каждого типа |
от 1 до 4 единиц |
| S5
,2
|
Z5,7
|
- тип узла |
управление памятью, фаза освобождения памяти |
| S6
|
Z6
,
1
|
– тип узла |
память |
| Z6
,2
|
– емкость V6
|
7 |
| Z6
,3
|
– дисциплина обслуживания |
FIFO |
| Примечание: основные фазы - захват необходимой свободной части памяти S5,1
; S5,2
- освобождение памяти |
| S6,1
|
Z6
,4
|
- тип узла |
управление памятью, фаза выделения памяти |
| Z6
,5
|
- закон распределения выделяемой памяти |
дискретный равномерный |
| Z6
,6
|
- выделяемая память 1-ой заявке каждого типа |
от 1 до 4 единиц |
| S6,2
|
Z6
,7
|
- тип узла |
управление памятью, фаза освобождения памяти |
| S7
|
Z7
,1
|
- тип узла |
управляющий |
| Z7
,2
|
- назначение |
анализ наличия свободной емкости памяти и выбор маршрута движения |
| Z7
,3
|
- проверяемое условие |
vi
<= R5
|
| Примечание: vi
– память, требуемая i-й заявке, а R5
– текущий объем свободной памяти |
| S8
|
Z8,1
|
- тип узла |
управляющий |
| Z8,2
|
- назначение |
анализ наличия свободной емкости памяти и выбор маршрута движения |
| Z8,3
|
- проверяемое условие |
vi
<= R6
|
| Примечание: vi
– память, требуемая i-й заявке, а R6
– текущий объем свободной памяти |
| S(1)
9
|
z(
1
)
9
,1
|
- тип узла |
приемник |
| z(
1
)
9
,2
|
- назначение |
прием отказанных заявок 1-го типа |
| S(2)
9
|
z(
2
)
9
,1
|
- тип узла |
приемник |
| z(
2
)
9
,2
|
- назначение |
прием отказанных заявок 2-го типа |
| S10
|
Z10
,1
|
- тип узла |
маршрутный |
| Z10
,2
|
- назначение |
вероятностный выбор маршрута |
| Z10
,3
|
- вектор вероятностей переходов |
0,5; 0,5 |
| S11
|
Z11
,1
|
- тип узла |
тестовый |
| z11
,2
|
- назначение |
Освобождение памяти S5
|
| Z11,1
|
- назначение |
Освобождение памяти S6
|
Узловые характеристики системы, рассчитываемые на Q-модели, представлены в таблице 1.10.
Таблица 1.10- Узловые характеристики Q-модели
| Узел |
Характеристика |
Описание |
| S1 |
l1
, l(1)
1
, l(2)
1
|
средняя длина очереди, в т.ч. для 1-го и 2-го потока |
| m1
, m(1)
1
, m(2)
1
|
среднее число заявок в узле (включая очереди), в т.ч. для 1-го и 2-го потока |
| ρ1
, ρ (1)
1
, ρ (2)
1
|
коэффициент загрузки узла, в т.ч. заявками 1-го и 2-го потока |
| ω1
, ω (1)
1
, ω (2)
1
|
среднее время ожидания в очереди, в т.ч. для 1-го и 2-го потока |
| u1
, u(1)
1
, u(2)
1
|
среднее время пребывания в узле (включая ожидание в очереди), в т.ч. для 1-го и 2-го потока |
| α 1
, α (1)
1
, α (2)
1
|
коэффициенты передач, в т.ч. для 1-го и 2-го потока |
| S2 |
l2
, l(1)
2
, l(2)
2
|
средняя длина очереди, в т.ч. для 1-го и 2-го потока |
| m2
, m(1)
2
, m(2)
2
|
среднее число заявок в узле (включая очереди), в т.ч. для 1-го и 2-го потока |
| ρ2
, ρ (1)
2
, ρ (2)
2
|
коэффициент загрузки узла, в т.ч. заявками 1-го и 2-го потока |
| ω2
, ω (1)
2
, ω (2)
2
|
среднее время ожидания в очереди, в т.ч. для 1-го и 2-го потока |
| u2
, u(1)
2
, u(2)
2
|
среднее время пребывания в узле (включая ожидание в очереди), в т.ч. для 1-го и 2-го потока |
| α2
, α (1)
2
, α (2)
2
|
коэффициенты передач, в т.ч. для 1-го и 2-го потока |
| S3 |
l3
, l(1)
3
, l(2)
3
|
средняя длина очереди, в т.ч. для 1-го и 2-го потока |
| m3
, m(1)
3
, m(2)
3
|
среднее число заявок в узле (включая очереди), в т.ч. для 1-го и 2-го потока |
| ρ3
, ρ (1)
3
, ρ (2)
3
|
коэффициент загрузки узла, в т.ч. заявками 1-го и 2-го потока |
| ω3
, ω (1)
3
, ω (2)
3
|
среднее время ожидания в очереди, в т.ч. для 1-го и 2-го потока |
| u3
, u(1)
3
, u(2)
3
|
среднее время пребывания в узле (включая ожидание в очереди), в т.ч. для 1-го и 2-го потока |
| α 3
, α (1)
3
, α (2)
3
|
коэффициенты передач, в т.ч. для 1-го и 2-го потока |
| S5 |
m5
, m(1)
5
, m(2)
5
|
среднее число заявок в узле (включая очереди), в т.ч. для 1-го и 2-го потока |
| ρ5
, ρ (1)
5
, ρ (2)
5
|
коэффициент загрузки узла, в т.ч. заявками 1-го и 2-го потока |
| u5
, u(1)
5
, u(2)
5
|
среднее время пребывания в узле, в т.ч. для 1-го и 2-го потока |
| α5
, α (1)
5
, α (2)
5
|
коэффициенты передач, в т.ч. для 1-го и 2-го потока |
| S6 |
m6
, m(1)
5
, m(2)
5
|
среднее число заявок в узле (включая очереди), в т.ч. для 1-го и 2-го потока |
| ρ6
, ρ (1)
6
, ρ (2)
6
|
коэффициент загрузки узла, в т.ч. заявками 1-го и 2-го потока |
| u6
, u(1)
6
, u(2)
6
|
среднее время пребывания в узле, в т.ч. для 1-го и 2-го потока |
| α 6
, α (1)
6
, α (2)
6
|
коэффициенты передач, в т.ч. для 1-го и 2-го потока |
Системные характеристики системы, рассчитываемые на Q-модели, представлены таблице 1.11.
Таблица 1.11- Системные характеристики Q-модели
| Характеристика |
Описание |
Вычисление |
| L, L(1)
, L(2)
|
средняя суммарная длина очередей в системе, в т.ч. для 1-го и 2-го потока |
L =
l1
+ l2
+ l3
,
L(1)
=
l(1)
1
+ l(1)
3
+ l(1)
2
,
L(2) =
l(2)
1
+ l(2)
3
+ l(2)
2
|
| M, M(1)
, M(2)
|
среднее суммарное число заявок в системе (включая очереди), в т.ч. для 1-го и 2-го потока |
M =
m1
+ m2
+ m3
+ m4
+ m5
,
M(1)
=
m(1)
1
+ m(1)
3
+ m(1)
4
+ m(1)
5
+ m(1)
6
,
M(2) =
m(2)
1
+ m(2)
3
+ m(2)
4
+ m(1)
5
+ m(1)
6
|
| W, W (1)
, W (2)
|
среднее время ожидания в системе, в т.ч. для 1-го и 2-го потока |
W = ω1 *
α1 +
ω3 *
α3+
ω2 *
α 2
W(1)
=
ω (1)
1
*
α(1)
1
+
ω(1)
3 *
α(1)
3+
ω(1)
2 *
α(1)
2
W(2)
=
ω (2)
1
*
α(2)
1
+
ω(2)
3 *
α(2)
3+
ω(2)
2 *
α(2)
2
|
| U, U(1)
, U(2)
|
среднее время пребывания в системе (включая ожидание в очередях), в т.ч. для 1-го и 2-го потока |
U = u1 *
α1 +
u3 *
α3+
u2
*
α2+
+
u3 *
α 3+
u3 *
α 3
U(1)
=
u (1)
1*
α(1)
1+
u (1)
3 *
α(1)
3+
u (1)
5
*
α(1)
6
U(2)
=
u (2)
1*
α(2)
1+
u (2)
3 *
α(2)
3+
u (2)
5
*
α(2)
6
|
p7
, p(1)
7
, p(2)
7
(q7
, q(1)
7
, q(2)
7)
|
вероятность обработки заявки в системе (или отказа), в т.ч. для 1-го и 2-го потока |
ЧИСЛО_ВХОЖДЕНИЙ_В_УЗЕЛ_ S5,1
/ ОБЩЕЕ_ЧИСЛО_ ЗАЯВОК
|
p8
, p(1)
8
, p(2)
8
(q8
, q(1)
8
, q(2)
8)
|
вероятность обработки заявки в системе (или отказа), в т.ч. для 1-го и 2-го потока |
ЧИСЛО_ВХОЖДЕНИЙ_В_УЗЕЛ_ S6,1
/ ОБЩЕЕ_ЧИСЛО_ ЗАЯВОК
|
Результаты построения математической модели системы на базе ССМ представлены на рисунках 2.1, 2.2.

Рисунок 2.1- ССМ 1-го потока

Рисунок 2.2- ССМ 2-го потока
Использованные в рассматриваемой здесь модели ССМ-узлы кратко описаны в таблице 2.1
Таблица 2.1 - Описание узлов ССМ
Узел
Q-модели
|
ССМ-узел |
Описание |
| S(1)
0
|
b(
1
)
0
|
одиночный источник |
| S(2)
0
|
b(
2
)
0
|
одиночный источник |
| S1
|
b1
|
устройство |
| S2
|
b2
|
устройство |
| S3
|
b3
|
устройство |
| S5
,1
|
b5,1
|
выделение единицы памяти |
| S5
,2
|
b5,2
|
возврат (освобождение) единицы памяти |
| S6
,1
|
b6,1
|
выделение единицы памяти |
| S6
,
2
|
b6,2
|
возврат (освобождение) единицы памяти |
| S7 |
b7
|
T узел |
| S8
|
b8
|
Т узел |
| S10
|
b10
|
Р узел |
| S11 |
b11
|
Т узел |
| S(1)
4
|
b(1)
4
|
приемник |
| S(2)
4
|
b(2)
4
|
приемник |
| S(1)
9
|
b(1)
9
|
приемник |
| S(2)
9
|
b(2)
9
|
приемник |
Реализуем имитационную модель на проблемно-ориентированном языке (GPSS).
Достоинство проблемно - ориентированного языка: полная автоматизация процесса моделирования. GPSS – GeneralPurposeSimulateSystem. Это язык макроопределений, связанных с описанием самой модели и режимов моделирования. Здесь нам нужно только лишь описать модель в терминах языка и запустить модель на счет.
Расчет модели будет производиться в системе GPSSWorld, следовательно модель надо описать на входном языке системы – на языке GPSS.
Приведем ее на рисунке 3.1.

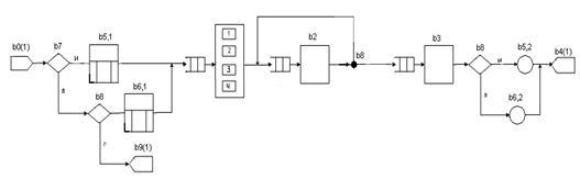
Рисунок 3.1-ССМ , ориентированная на GPSS (1,2-ой поток)
В таблице 3.1 представлены параметры дополнительных узлов.
Таблица 3.1- Параметры GPSS-узлов
| Узел |
Узлы-фазы |
Параметр |
Значение |
| b1
|
b1,1
|
| b1,2
|
задержка |
250-342;
240-352
|
| b1,3
|
| b2
|
b2,1
|
| b2,2
|
задержка |
16-56;
26-46
|
| b2,3
|
| b3
|
b3,1
|
| b3,2
|
задержка |
20-84;
30-74
|
| b3,3
|
| b4
|
b5,1
|
память |
12 |
| b5 |
b6,1
|
память |
7 |
Измерение и вычисление узловых и системных характеристик иллюстрируется таблицами 3.2, 3.3. На схеме ССМ (рисунок 3.1) точки сбора статистики обозначены символом – x.
Таблица 3.2- Измерение узловых характеристик ССМ
| Узел |
Характеристика |
Точки или узел замера |
ИМЯ_ПАРЫ_ТОЧЕК
|
| S1 |
l1
, l(1)
1
, l(2)
1
|
5-7 |
W_b_1 |
| ω1
, ω (1)
1
, ω (2)
1
|
| m1
, m(1)
1
, m(2)
1
|
5-8 |
U_b_1 |
| u1
, u(1)
1
, u(2)
1
|
| ρ1
, ρ (1)
1
, ρ (2)
1
|
Узел S1
|
| S2 |
l2
, l(1)
2
, l(2)
2
|
8-9 |
W_b_2 |
| ω2
, ω (1)
2
, ω (2)
2
|
| m2
, m(1)
2
, m(2)
2
|
8-10 |
U_b_2 |
| u2
, u(1)
2
, u(2)
2
|
| ρ2
, ρ (1)
2
, ρ (2)
2
|
Узел S2
|
| S3 |
l3
, l(1)
3
, l(2)
3
|
10-11 |
W_b_3 |
| ω3
, ω (1)
3
, ω (2)
3
|
| m3
, m(1)
3
, m(2)
3
|
10-12 |
U_b_3 |
| u3
, u(1)
3
, u(2)
3
|
| ρ3
, ρ (1)
3
, ρ (2)
3
|
Узел S3
|
| S5 |
m5
, m(1)
5
, m(2)
5
|
2-5 |
U_b_5 |
| u5
, u(1)
5
, u(2)
5
|
| ρ5
, ρ (1)
5
, ρ (2)
5
|
Узел S5
|
| S6 |
m6
, m(1)
5
, m(2)
5
|
3-5 |
U_b_6 |
| u6
, u(1)
6
, u(2)
6
|
| ρ6
, ρ (1)
6
, ρ (2)
6
|
Узел S6
|
Таблица 3.3- Измерение и вычисление системных характеристик ССМ
| Характеристика |
Вычисление |
Точки или узел замера |
ИМЯ_ПАРЫ_
ТОЧЕК
|
L, L(1)
, L(2)
W, W (1)
, W (2)
|
L =
l1
+ l3
+ l2
,
L(1)
=
l(1)
1
+ l(1)
3
+ l(1)
2
,
L(2) =
l(2)
1
+ l(2)
3
+ l(2)
2
W = ω1 *
α1 +
ω3 *
α 3+
ω2 *
α 2
W(1)
=
ω (1)
1
*
α(1)
1
+
ω(1)
3 *
α(1)
3+
ω(1)
2 *
α(1)
2
W(2)
=
ω (2)
1
*
α(2)
1
+
ω(2)
3 *
α(2)
3+
ω(2)
2 *
α(2)
2
|
5-7 плюс 8-9 плюс 10-11 |
W_system |
M, M(1)
, M(2)
U, U(1)
, U(2)
|
M =
m1
+ m3
+ m2
,
M(1)
=
m(1)
1
+ m(1)
3
+ m(1)
2
,
M(2) =
m(2)
1
+ m(2)
3
+ m(2)
2
U = u1 *
α1 +
u3 *
α 3+
u4 *
α 4
U(1)
=
u (1)
1*
α(1)
1+
u (1)
3 *
α(1)
3+
u (1)
4 *
α(1)
4
U(2)
=
u (2)
1*
α(2)
1+
u (2)
3 *
α(2)
3+
u (2)
4 *
α(2)
4
|
5-12 |
U_system |
p7
, p(1)
7
, p(2)
7
(q7
, q(1)
7
, q(2)
7)
|
ЧИСЛО_ВХОЖДЕНИЙ_В_УЗЕЛ_ b5,1
/ ОБЩЕЕ_ЧИСЛО_ ЗАЯВОК
|
узел b(1)
5
,1
, b(2)
5
,1
|
p8
, p(1)
8
, p(2)
8
(q8
, q(1)
8
, q(2)
8
)
|
ЧИСЛО_ВХОЖДЕНИЙ_В_УЗЕЛ_ b6,1
/ ОБЩЕЕ_ЧИСЛО_ ЗАЯВОК
|
узел b(1)
6
,1
, b(2)
6
,1
|
4. РАЗРАБОТКА, РЕАЛИЗАЦИЯ И ИССЛЕДОВАНИЕ УПРОЩЕННЫХ МОДЕЛЕЙ
Аналитические модели (АМ) – это математические модели, рассчитываемые аналитически, формульно и позволяющие для заданных значений параметров системы непосредственно получать, рассчитывать значения характеристик системы. Исходная ССМ может быть неоднородной (обслуживает потоки заявок нескольких типов), не экспоненциальной (законы поступления и обслуживания заявок могут быть не экспоненциальными), может содержать неразрешенные в сетях МО ресурсы (например, память, узлы захвата и освобождения памяти, узлы выбора маршрутов в зависимости от состояний узлов и в соответствии с заданными условиями и т.п.).
Соответственно задача состоит в том, чтобы получить указанную сеть МО из исходной ССМ путем внесения в нее упрощений. Для этого:
1. Преобразуем исходную ССМ в сеть МО разомкнутого типа.
2. Заменим многоканальные узлы одноканальными.
3. Преобразуем сеть МО в однородную сеть.
4. Преобразуем сеть МО в экспоненциальную сеть.
5. Рассчитаем характеристики.
Построенная ранее ССМ (рисунки 2.1, 2.2) или GPSS-ССМ (рисунок 3.1) является разомкнутой, неоднородной (обслуживает два типа потоков заявок), не экспоненциальной и к тому же содержит такие неразрешенные в сетях МО ресурсы как память, узлы типа захвата и освобождения памяти, узел выбора маршрута в зависимости от состояния памяти.
Из исходной ССМ убираем:
- узел b7
и связанные с ним альтернативные пути (маршруты) и соответствующие приемники b(1)
9
и b(2)
9
, оставляя тем самым только основные маршруты с известными вероятностями их прохождения;
- убираем узел памяти b5
и b6
соответственно связанные с ним узлыb5,1
, b6,2
.
Полученный результат представлен на рисунке 4.1, только для одного из потоков, поскольку маршруты перемещения заявок оказываются одинаковыми для 1-го и 2-го потоков.

Рисунок 4.1- Сеть МО (для 1-го потока)
Для этого для каждого многоканального узла j с канальностью (Kj) и для каждого потока i (который обслуживается в этом узле) пересчитаем исходные трудоемкости запросов (средние значения длительности обслуживания в канале t(
i
)
j
) и получим новые значения t*(
i
)
j
по формуле:
t *(
i
)
j
=
t(
i
)
j
/ Kj .
Здесь многоканальным является узел b1
(c K1
= 4) и b3
(c K3
= 2). Через этот узел проходят заявки 1-го и 2-го типов . Заменим его эквивалентным одноканальным узлом b*1
(c K1
= 1).
Тогда для первого потока
t *(1)
1 =
t(1)
1
/ K1
= 296 / 4 = 74
Для второго потока
t *(2)
1 =
t(2)
1
/ K1
= 296 / 4 = 74 .
Заменим все потоки заявок одним потоком с усредненными параметрами.
Для рассматриваемой модели:
j =1 или 2;
Q = {1, 2};
λ0
(1)
= 0,004; t0
(2)
=240;
p(1)
= 0,5; p(2)
=0,5;
t*(1)
1
= 74;t*(2)
1
= 74;
t*(1)
2
=36;t*(2)
2
= 36;
t (1)
3
=52;t (2)
3
= 52
m*t
= 240.
При этом эквивалентное среднее значение длительности обслуживания для первого узла b*1
t*1 =
p(1)
*t*(1)
1 +
p(2)
*
t*(2)
1
= 74.
Для узла b*2
t*2 =
p(1)
*t *(1)
2 +
p(2)
*
t *(2)
2
= 36.
Для узла b3
t3 =
p(1)
*t(1)
3 +
p(2)
*
t(2)
3
= 52.
Для рассматриваемой сети МО получим следующие значения параметров:
1. Для закона поступления заявок усредненного потока параметр экспоненциального распределения mt
= m*t
= 240 , скорость их поступления λ = 0,004.
2. Для закона распределения длительности обслуживания заявок в устройстве b1
параметр экспоненциального распределения (
средняя длительность обслуживания в канале узла)mt
= t*1
= 74.
3. Для закона распределения длительности обслуживания заявок в устройстве b2
параметр экспоненциального распределения (
средняя длительность обслуживания в канале узла)mt
= t*2
= 36.
4. Для закона распределения длительности обслуживания заявок в устройстве b3
параметр экспоненциального распределения (
средняя длительность обслуживания в канале узла)mt
= t*3
= 52.
В результате проведенных упрощений получена модель в виде разомкнутой, однородной, линейной, экспоненциальной сети МО с одноканальными устройствами.
Представим внешнюю среду одним узлом b0
(вместо b0
и b4
) и в качестве источника и в качестве приемника. Запросы приходят из внешней среды и возвращаются в нее.
Тогда сеть состоит из n = 5 узлов, где N = 3 устройств.
Состав узлов сети - b0
, b1
, b2
, b3,
b5
.
Опишем матрицу вероятностей переходов P, при этом будем учитывать все узлы, кроме маршрутных (таблица 4.1)
Таблица 4.1- Матрицу вероятностей переходов
| b0 |
b*1 |
b*2 |
b*3 |
| b0 |
0 |
1 |
0 |
0 |
| b*1 |
0 |
0 |
1 |
0 |
| b*2 |
0 |
0 |
0.5 |
0,5 |
| b*3 |
1 |
0 |
0 |
0 |
Структура сети МО с указанием исходных параметров (интенсивностей потоков и параметров устройств) представлена на рисунке 4.2.

Рисунок 4.2- АМ (сеть МО)
В таблице 4.2 представлены параметры узлов сети МО.
Таблица 4.2- Параметры узлов сети МО
| Узел |
Параметр |
Описание |
Значение |
| b0
|
z0,1
|
– тип узла |
источник |
| z0,2
|
- назначение |
генерация потока заявок |
| z0,3
|
- закон распределения времени τ между заявками в потоке fτ
|
случайный |
| z0,4
|
- тип закона |
экспоненциальный |
| z0,5
|
- среднее время τ - mτ
|
240 |
| Примечание: интенсивность поступления заявок λ = 1 / mτ =
0,004 |
| b*1
|
z1
,
1
|
– тип узла |
устройство |
| z1
,
1
|
– канальность K1
|
1 |
| z1,3
|
– быстродействие канала B1
[заявка/1 времени] |
1 |
| z1,4
|
– дисциплина обслуживания |
FIFO |
| b*2
|
z2
,
1
|
– тип узла |
устройство |
| z2
,2
|
– канальность K2
|
1 |
| z2
,3
|
– быстродействие канала B3
|
1 |
| z2
,4
|
– дисциплина обслуживания |
FIFO |
| b3
|
z3
,
1
|
– тип узла |
устройство |
| z3
,2
|
– канальность K3
|
1 |
| z3
,3
|
– быстродействие канала B4
|
1 |
| z3
,4
|
– дисциплина обслуживания |
FIFO |
| b5
|
Z5
,1
|
- тип узла |
маршрутный |
| Z5
,2
|
- назначение |
вероятностный выбор маршрута |
| Z5
,3
|
- вектор вероятностей переходов |
0,5; 0,5 |
Параметры потока заявок приведены в таблице 4.3.
Таблица 4.3- Параметры потока заявок сети МО
| Параметр |
Описание |
Значение |
| h0,1
|
закон распределения времени τ между заявками в потоке f(1)
τ
|
случайный |
| h0
,2
|
тип закона |
экспоненциальный |
| h0
,3
|
среднее время mτ
|
240 |
| h1
,1
|
закон распределения ft
,1
времени t обслуживания в канале b*1
|
случайный |
| h1
,2
|
тип закона |
экспоненциальный |
| h1
,3
|
среднее время обслуживания в канале b*1
mτ
|
74 |
| h2
,1
|
закон распределения ft,
2
времени t обслуживания в канале b*2
|
случайный |
| h2
,2
|
тип закона |
экспоненциальный |
| h2
,3
|
среднее время mτ
обслуживания в канале b*2
|
36 |
| h3
,1
|
закон распределения ft,
3
времени t обслуживания в канале b3
|
случайный |
| h3
,2
|
тип закона |
экспоненциальный |
| h3
,3
|
среднее время mτ
обслуживания в канале b3
|
52 |
Состав искомых характеристик представлен ниже. Это узловые характеристики:
- для узла b1
- l1
, m1
, ρ1
, ω1
, u1
;
- для узла b2
– l2
, m2
, ρ2
, ω2
, u2
.
- для узла b3
– l3
, m3
, ρ3
, ω3
, u3
;
Системные характеристики:
L = l1
+ l2
+ l3
;
M = m1
+ m2
+ m3
;
U = α1*
u1
+ α2*
u2
+ α3*
u3;
W = α1*
ω1
+ α2*
ω2
+ α3*
ω3
.
1. Опишем возможные состояния сети. Здесь это вектор , где Mi
– число заявок в узле bi
.
Вектор , где M1
– число заявок в узле b1
(любое), M2
– число заявок в узле b2
(любое), M3
– число заявок в узле b3
(любое).
2. Вычислим неизвестные интенсивности потоков λi
на входах в устройства. Для этого построим и решим систему из N линейных уравнений, используя свойство линейности, выражаемое для каждого из устройств i = 1, 2, …, N как
.
Здесь N = 3 и искомые величины: λ1,
λ3
и λ4.
Система уравнений выглядит как
λ1
=λ0 *
p0,1
+ λ1 *
p1,1
+ λ2 *
p2,1
+ λ3 *
p3,1
;
λ2
=λ0 *
p0,4
+ λ1 *
p1,4
+ λ2 *
p2,4
+ λ3 *
p3,4
.
λ3
=λ0 *
p0,3
+ λ1 *
p1,3
+ λ2 *
p2,3
+ λ3 *
p3,3 ;
А после подстановки значений pi
,
j
из матрицы P
λ1
=λ0 *
0+ λ1 *
0+ λ2 *
1+ λ3 *
0;
λ2
=λ0 *
0+ λ1 *
0+ λ2 *
0.5+ λ3 *
0.5 ;
λ3
=λ0 *
1+ λ1 *
0+ λ2 *
0+ λ3 *
0.
Соответственно
λ1
= 0,004;
λ2
= 0,008;
λ3
= 0,004.
3. Рассчитываем коэффициенты передач (среднее число посещений заявкой каждого устройства) αk
=λk
/ λ0
.
α1
=λ1
/ λ0
= 1;
α2
=λ2
/ λ0
= 2;
α3
=λ3
/ λ0
= 1.
4. Рассчитываем коэффициенты загрузок устройств ρk
=λk
*
tk
.
ρ1
=λ1 *
t1
= 0,296;
ρ2
=λ2 *
t2
= 0,288;
ρ3
=λ3 *
t3
= 0,208.
Так как коэффициенты загрузок меньше 1, то сеть работает в стационарном режиме и можно продолжать расчеты.
5. Рассчитываем узловые характеристики по формулам:
li
= ρi
2
/ ( 1 -ρi
) ,
mi
= ρi
/ ( 1 -ρi
) ,
ωi =
li
/ λi ,
ui =
mi
/ λi .
Для узла b1
получаем
l1
= 0,124; m1
= 0,42; ω1
= 31; u1
= 105;
для узла b2
получаем
l2
= 0,116; m2
= 0,404; ω2
= 14,5; u2
= 50,5;
для узла b3
получаем
l3
= 0,055; m3
= 0,263; ω3
= 13,75; u3
= 65,75.
Полученные результаты сведем в таблицу 4.4.
Таблица 4.4- Значения характеристик сети МО
| Узел |
Характеристики |
Значение |
| Узловые |
| b1
|
l1
|
0,124 |
| ρ1
|
0,296 |
| m1
|
0,42 |
| ω1
|
31 |
| u1
|
105 |
| α1
|
1 |
| b2
|
l2
|
0,116 |
| ρ2
|
0,288 |
| m2
|
0,404 |
| ω2
|
14,5 |
| u2
|
50,5 |
| α2
|
2 |
| b3 |
l3
|
0,055 |
| ρ3
|
0,208 |
| m3
|
0.263 |
| ω3
|
13,75 |
| u3
|
65,75 |
| α3
|
1 |
| Системные |
| L |
0,295 |
| M |
1,087 |
| U |
221,25 |
| W |
59.25 |
Реализуем имитационный метод расчета полученной АМ в системе GPSSWorld.

Рисунок 4.3- GPSS-модель сети МО
Построим GPSS-модель по соответствующей ССМ, ориентированной на язык GPSS.
Текст GPSS модели приведен ниже.
Листинг4.1- Текст GPSS модели
GENERATE (Exponential(1,0,240))
queue U_system
queue w_b_1
queue u_b_1
SEIZE b_1
depart w_b_1
ADVANCE (Exponential(2,0,74))
RELEASE b_1
depart u_b_1
queue u_sum_b_2
Label_1 queue w_b_2
queue u_b_2
SEIZE b_2
depart w_b_2
ADVANCE (Exponential(3,0,36))
RELEASE b_2
depart u_b_2
TRANSFER .5,,Label_1
depart u_sum_b_2
queue u_b_3
queue w_b_3
SEIZE b_3
depart w_b_3
ADVANCE (Exponential(4,0,52))
RELEASE b_3
depart u_b_3
depart U_system
TERMINATE 1
start 100000
Листинг 4.2- Статистический отчет выполнения GPSS-модели
FACILITY ENTRIES UTIL. AVE. TIME AVAIL. OWNER PEND INTER RETRY DELAY
B_1 100002 0.308 74.159 1 0 0 0 0 0
B_2 200116 0.300 36.068 1 100002 0 0 0 0
B_3 100001 0.217 52.102 1 100001 0 0 0 0
QUEUE MAX CONT. ENTRY ENTRY(0) AVE.CONT. AVE.TIME AVE.(-0) RETRY
U_SYSTEM 11 2 100002 0 1.149 276.367 276.367 0
W_B_1 8 0 100002 69323 0.135 32.565 106.148 0
U_B_1 9 0 100002 0 0.444 106.723 106.723 0
U_SUM_B_2 9 1 100002 0 0.428 102.970 102.970 0
W_B_2 9 0 200116 140362 0.128 15.388 51.534 0
U_B_2 9 1 200116 0 0.428 51.456 51.456 0
U_B_3 8 1 100001 0 0.277 66.674 66.674 0
W_B_3 7 1 100001 78392 0.061 14.572 67.437 0
Ниже в таблице 4.5 представлены результаты аналитического и имитационного (с разной длительностью – 10000, 50000, 100000 заявок) моделирования и вычислена погрешность. При этом за эталон взяты характеристики АМ.
Таблица 4.5- Результаты аналитического и имитационного моделирования сети МО
| Харак-тика |
Значение характеристики |
Погрешность, % |
| АМ |
ИМ (10000) |
ИМ (50000) |
ИМ (100000) |
1 |
2 |
3 |
| Узел |
| 1 |
ρ1
|
0,296 |
0,312 |
0,309 |
0,308 |
5,4 |
4,39 |
4,05 |
| l1
|
0,124 |
0,142 |
0,135 |
0,135 |
14.51 |
8,87 |
8,87 |
| m1
|
0,42 |
0,454 |
0,444 |
0,444 |
8,09 |
5,71 |
5,71 |
| ω1
|
31 |
34,11 |
32,397 |
32,565 |
10,03 |
4,5 |
5,04 |
| u1
|
105 |
108,949 |
106,336 |
106,723 |
3,76 |
1,27 |
1,64 |
| 2 |
ρ2
|
0,288 |
0,303 |
0,301 |
0,3 |
5,2 |
4,51 |
4,16 |
| l2
|
0,116 |
0,135 |
0,128 |
0,135 |
16,38 |
10,34 |
16,38 |
| m2
|
0,404 |
0,438 |
0,429 |
0,428 |
8,41 |
6,19 |
5,94 |
| ω2
|
14,5 |
16,159 |
15,336 |
15,338 |
11,44 |
5,76 |
5,78 |
| u2
|
50,5 |
52,42 |
51,332 |
51,456 |
3,8 |
1,64 |
1,89 |
| 3 |
ρ3
|
0,208 |
0,221 |
0,218 |
0,217 |
6,25 |
4,8 |
4,32 |
| l3
|
0,055 |
0,068 |
0,062 |
0,061 |
23,64 |
12,73 |
10,91 |
| m3
|
0,263 |
0,289 |
0,279 |
0,277 |
9,88 |
6,08 |
5,32 |
| ω3
|
13,75 |
16,284 |
14,86 |
14,572 |
18,46 |
8,07 |
5,98 |
| u3
|
65,75 |
69,288 |
66,86 |
66,674 |
5,38 |
1,69 |
1,4 |
| Система |
| L |
0,295 |
0,375 |
0,325 |
0,331 |
27,12 |
10,17 |
12,2 |
| M |
1,087 |
1,181 |
1,151 |
1,149 |
8,65 |
5,89 |
5,7 |
| U |
221,25 |
231,806 |
224,528 |
224,853 |
4,77 |
1,48 |
1,63 |
| W |
59.25 |
66,553 |
62,593 |
62,525 |
12,33 |
5,64 |
5,53 |
Выводы.
Из полученных данных видно, что расхождения в значениях характеристик вполне приемлемы и имеют тенденцию к уменьшению с ростом длительности имитационного моделирования.
Опишем на языке GPSS ранее разработанную GPSS-ориентированную стохастическую сетевую модель.
Строим модель в соответствии с рисунком 3.1. Учитываем наличие двух потоков заявок, реальные законы распределений и т.д.
Текст программы приведен ниже.
Листинг 5.1- Текст программы
S_5 STORAGE 12
S_6 STORAGE 7
s_1 STORAGE 4
INITIAL X$OTK_,0
GENERATE (POISSON(3,240))
QUEUE U_SISTEM
QUEUE S1_U_SISTEM
ASSIGN 5,(DUNIFORM(2,1,4))
TEST LE P5,R$S_5,OCHER
QUEUE U_S_5
QUEUE S1_U_S_5
ENTER S_5,P5
ASSIGN 2,5
TRANSFER ,DALSHE
OCHER TEST LE P5,R$S_6,OTKAZ
QUEUE U_S_6
QUEUE S1_U_S_6
ENTER S_6,P5
ASSIGN 2,6
DALSHE QUEUE W_B_1
QUEUE S1_W_B_1
QUEUE U_B_1
QUEUE S1_U_B_1
ENTER S_1
DEPART W_B_1
DEPART S1_W_B_1
ADVANCE (UNIFORM(2,250,342))
LEAVE S_1
DEPART U_B_1
DEPART S1_U_B_1
NAZAD QUEUE W_B_2
QUEUE S1_W_B_2
QUEUE U_B_2
QUEUE S1_U_B_2
SEIZE S_2
DEPART W_B_2
ADVANCE (UNIFORM(2,16,56))
RELEASE S_2
DEPART S1_W_B_2
DEPART U_B_2
DEPART S1_U_B_2
TRANSFER .5,,NAZAD
QUEUE W_B_3
QUEUE S1_W_B_3
QUEUE U_B_3
QUEUE S1_U_B_3
SEIZE S_3
DEPART W_B_3
ADVANCE (UNIFORM(2,20,84))
RELEASE S_3
DEPART S1_W_B_3
DEPART U_B_3
DEPART S1_U_B_3
TEST E P2,5,OSVOB
LEAVE S_5,P5
DEPART U_S_5
DEPART S1_U_S_5
TRANSFER ,END_11
OSVOB LEAVE S_6,P5
DEPART U_S_6
DEPART S1_U_S_6
TRANSFER ,END_11
OTKAZ SAVEVALUE OTK_+,1
TRANSFER ,END_12
END_11 DEPART U_SISTEM
DEPART S1_U_SISTEM
END_12 TERMINATE 1
;***************************************************************************
GENERATE (UNIFORM(2,200,280))
QUEUE U_SISTEM
QUEUE S2_U_SISTEM
ASSIGN 5,(DUNIFORM(3,1,3))
TEST LE P5,R$S_5,OCHER2
QUEUE U_S_5
QUEUE S2_U_S_5
ENTER S_5,P5
ASSIGN 2,5
TRANSFER ,DALSHE2
OCHER2 TEST LE P5,R$S_6,OTKAZ2
QUEUE U_S_6
QUEUE S2_U_S_6
ENTER S_6,P5
ASSIGN 2,6
DALSHE2 QUEUE W_B_1
QUEUE S2_W_B_1
QUEUE U_B_1
QUEUE S2_U_B_1
ENTER S_1
DEPART W_B_1
DEPART S2_W_B_1
ADVANCE (UNIFORM(2,280,312))
LEAVE S_1
DEPART U_B_1
DEPART S2_U_B_1
NAZAD2 QUEUE W_B_2
QUEUE S2_W_B_2
QUEUE U_B_2
QUEUE S2_U_B_2
SEIZE S_2
DEPART W_B_2
ADVANCE (UNIFORM(3,26,46))
RELEASE S_2
DEPART S2_W_B_2
DEPART U_B_2
DEPART S2_U_B_2
TRANSFER .5,,NAZAD2
QUEUE W_B_3
QUEUE S2_W_B_3
QUEUE U_B_3
QUEUE S2_U_B_3
SEIZE S_3
DEPART W_B_3
ADVANCE (UNIFORM(3,30,74))
RELEASE S_3
DEPART S2_W_B_3
DEPART U_B_3
DEPART S2_U_B_3
TEST E P2,5,OSVOB2
LEAVE S_5,P5
DEPART U_S_5
DEPART S2_U_S_5
TRANSFER ,END_21
OSVOB2 LEAVE S_6,P5
DEPART U_S_6
DEPART S2_U_S_6
TRANSFER ,END_21
OTKAZ2 SAVEVALUE OTK_+,1
TRANSFER ,END_22
END_21 DEPART U_SISTEM
DEPART S2_U_SISTEM
END_22 TERMINATE 1
START 100000
Листинг 5.2 - Статистический отчет выполнения GPSS-модели
FACILITY ENTRIES UTIL. AVE. TIME AVAIL. OWNER PEND INTER RETRY DELAY
S_2 199921 0.599 35.959 1 100001 0 0 0 1
S_3 99764 0.432 52.007 1 0 0 0 0 0
QUEUE MAX CONT. ENTRY ENTRY(0) AVE.CONT. AVE.TIME AVE.(-0) RETRY
U_SISTEM 10 4 100004 236 3.748 450.001 451.066 0
S1_U_SISTEM 5 2 50006 174 1.873 449.717 451.288 0
U_S_5 8 3 93143 0 3.493 450.290 450.290 0
S1_U_S_5 5 2 46024 0 1.727 450.594 450.594 0
W_B_1 1 0 99768 99767 0.000 0.000 6.721 0
S1_W_B_1 1 0 49832 49832 0.000 0.000 0.000 0
U_B_1 5 2 99768 0 2.459 296.026 296.026 0
S1_U_B_1 3 1 49832 0 1.228 296.040 296.040 0
S2_U_SISTEM 6 2 49998 62 1.875 450.285 450.844 0
S2_U_S_5 6 1 47119 0 1.766 449.993 449.993 0
S2_W_B_1 1 0 49936 49935 0.000 0.000 6.721 0
S2_U_B_1 2 1 49936 0 1.231 296.013 296.013 0
W_B_2 6 1 199922 124662 0.215 12.903 34.276 0
S2_W_B_2 4 1 99968 0 0.407 48.857 48.857 0
U_B_2 6 2 199922 0 0.813 48.861 48.861 0
S2_U_B_2 4 1 99968 0 0.407 48.857 48.857 0
S1_W_B_2 4 1 99954 0 0.407 48.866 48.866 0
S1_U_B_2 4 1 99954 0 0.407 48.866 48.866 0
W_B_3 3 0 99764 77547 0.043 5.122 23.001 0
S2_W_B_3 3 0 49934 0 0.237 57.026 57.026 0
U_B_3 4 0 99764 0 0.475 57.130 57.130 0
S2_U_B_3 3 0 49934 0 0.237 57.026 57.026 0
S1_W_B_3 4 0 49830 0 0.237 57.234 57.234 0
S1_U_B_3 4 0 49830 0 0.237 57.234 57.234 0
U_S_6 4 1 6625 0 0.255 461.972 461.972 0
S1_U_S_6 2 0 3808 0 0.146 459.678 459.678 0
S2_U_S_6 3 1 2817 0 0.109 465.072 465.072 0
STORAGE CAP. REM. MIN. MAX. ENTRIES AVL. AVE.C. UTIL. RETRY DELAY
S_5 12 6 0 12 204463 1 7.669 0.639 0 0
S_6 7 4 0 7 19820 1 0.761 0.109 0 0
S_1 4 2 0 4 99768 1 2.459 0.615 0 0
SAVEVALUE RETRY VALUE
OTK_ 0 236.000
Ниже в таблице 5.1 представлены результаты аналитического и имитационного моделирования (для каждого из потоков в отдельности и безотносительно к потокам заявок - п_1, п_2, п) и вычислена погрешность аналитической модели. При этом за эталон взяты характеристики ИМ.
Таблица 5.1 - Характеристики ИМ
| Характеристика |
Значение характеристики |
Погрешность, % |
| АМ |
ИМ 1 |
ИМ 2 |
ИМ |
1 |
| Узел |
| 1
|
ρ1
|
0,296 |
0.308 |
0.309 |
0,615 |
| l1
|
0,124 |
0.000 |
0.000 |
0,000 |
| m1
|
0,42 |
1.234 |
1.235 |
2,459 |
| ω1
|
31 |
0.000 |
0.000 |
0.000 |
| u1
|
105 |
296.091 |
295.939 |
296.026 |
181,93 |
| 2 |
ρ2
|
0,288 |
0.3 |
0.301 |
0.599 |
| l2
|
0,116 |
0.005 |
0.004 |
0.215 |
| m2
|
0,404 |
0.306 |
0.306 |
0.813 |
| ω2
|
14,5 |
0.635 |
0.53 |
12.901 |
| u2
|
50,5 |
36.609 |
36.507 |
48.861 |
3.24 |
| 3 |
ρ3
|
0,208 |
0.217 |
0.217 |
0.432 |
| l3
|
0,055 |
0.001 |
0.001 |
0.043 |
| m3
|
0,263 |
0.218 |
0.218 |
0.475 |
| ω3
|
13,75 |
0.331 |
0.185 |
5.112 |
| u3
|
65,75 |
52.338 |
52.159 |
57.130 |
13.11 |
| Система |
| L |
0,295 |
0.006 |
0.005 |
0.258 |
12.54 |
| M |
1,087 |
1.087 |
1.759 |
3.747 |
244,71 |
| U |
221,25 |
385.346 |
384.605 |
402.022 |
81.7 |
| W |
59.25 |
0.966 |
0.715 |
18.013 |
69.6 |
Выводы. Большие различия в результатах вызваны тем, что при расчете аналитической модели в нее были внесены упрощения:
1. Преобразование исходной ССМ в сеть МО разомкнутого типа.
2. Замена многоканальных узлом одноканальными.
3. Преобразование сети МО в однородную сеть.
4. Преобразование сети МО в экспоненциальную сеть.
Исследование свойств модели
Значения параметров модели обеспечивают ее работу в стационарном режиме, то есть без нарастающих очередей. Значения коэффициентов загрузки обслуживающих узлов, устройств, памятей различны и лежат в пределах 0,4-0,7 Длительность моделирования достаточна для обработки 100000 заявок. Оценка зависимости точности моделирования от его длительности.
В качестве шага изменения длительности моделирования будем использовать число обработанных заявок (10000 - 100000 заявок).
Соответственно выполняется моделирование с разной длительностью (например обрабатывается 5000, 10000, 15000, 20000 заявок). Фиксируем значения 1 узловой и 1 системной характеристик. Строим графики зависимости их значений от числа обработанных заявок.
Таблица 5.2 - Зависимости значений характеристик от числа обработанных заявок
| Количество транзактов |
Длина очереди к устройству b4 |
Среднее времени пребывания в системе |
| 10000 |
3,487 |
450,885 |
| 20000 |
3,502 |
452,128 |
| 50000 |
3,496 |
450,636 |
| 100000 |
3,493 |
450.001 |

Рисунок 5.1 - Зависимость длины очереди к устройству b5 от числа обработанных заявок

Рисунок 5.2 - Зависимость среднего времени пребывания в системе от числа обработанных заявок
Как видно из графиков зависимостей, с увеличением числа обработанных заявок характеристики системы улучшаются.
Анализ исходного состояния системы
Анализ характеристик, полученных для исходных данных, показывает:
1) система работает в установившемся стационарном режиме, т.к. коэффициенты загрузки всех обслуживающих узлов меньше 1 (ρ1
= 0,615; ρ2
= 0,599; ρ3
= 0,432, ρ5
=0.639, ρ6
=0.109);
2) узел 6 не догружен;
3) система разбалансирована, т.к. коэффициенты загрузки обслуживающих узлов значительно отличаются (идеальная балансировка, когда ρ1
=ρ2
=ρ3
=ρ4
= ρ5
=ρ6
);
4) потенциальное “узкое” место – узел 1.
Т.е. при росте числа обслуживаемых заявок (их интенсивностей) именно узел 1 первым достигнет загрузки близкой к полной (с коэффициентом загрузки близким к единице). И именно это станет ограничивающим фактором в работе системы.
Сеть будет перегружена, т.е. перейдет из устойчивого стационарного режима работы в режим насыщения. В системе возникнет тенденция к бесконечному нарастанию числа потерянных (не обслуженных) заявок с течением времени моделирования;
5) Вышесказанное означает, что система работает не эффективно и требует настройки, модификации.
Прогнозирование характеристик системы при росте интенсивностей потоков заявок
Проанализировав схему исследуемой системы легко можно сделать вывод, что узел b1
является самым загруженным узлом, а узел b6
не догружен. Поэтому проведем исследование системных характеристик в зависимости от интенсивности поступления заявок в системе. Оставив неизменными интенсивности поступления сохранением заданного соотношения интенсивностей отдельных потоков.
Фиксируем значения 1 узловой и 1системной характеристик. Строим график зависимости их значений от значений интенсивностей потока заявок.
Таблица 6.1 - Зависимости значений характеристик от интенсивности потока заявок
mT
(
0)
|
Коэффициент загрузки узла b1 |
Среднее времени пребывания в системе |
| 240 |
0.616 |
450.885 |
| 180 |
0.795 |
472.119 |
| 120 |
0.930 |
474.820 |
| 60 |
0.974 |
350.432 |
Строим графики зависимости их значений от числа обработанных заявок.

Рисунок 6.2 - Зависимость коэффициента загрузки узла b1
от интенсивности поступления заявок

Рисунок 6.3 - Зависимость среднего времени пребывания в системе от интенсивности поступления заявок
При увеличении интенсивности поступления заявок загрузка узла b1 приближается к критической (ρ1
=0,974), а при уменьшении интенсивности поступления заявок загрузка узла b1 очень уменьшается (ρ1
=0,616). Наилучшими являются интенсивности, заданные в системе и близкие к ним (например λ1
=275 и λ2
=183,3).
ЗАКЛЮЧЕНИЕ
В ходе данного курсового проекта была разработана система расчета характеристик разомкнутых экспоненциальных сетевых моделей. Данная система выполняет имитационное моделирование заданной сетевой модели.
Для проверки правильности работы программы были построены модели на языке GPSS и аналитическая модель, выполняющие роль эталона, т.е. характеристики, полученные на этих моделях считаются характеристиками реального объекта. В результате оценки характеристик рассчитанных программой было выяснено, что погрешность при расчетах находится в допустимых пределах.
ЛИТЕРАТУРА
1. Советов Б.Я., С.А. Яковлев. Моделирование систем. - М.: Высшая школа, 2001.
2. Основы теории вычислительных систем под ред. Майорова. – М.: Высшая школа, 1985.
3. Советов Б.Я., С.А. Яковлев. Моделирование систем: курсовое проектирование. - М.: Высшая школа, 1988.
4. Муравьев Г.Л. Моделирование систем: Курс лекций по дисциплине “Моделирование систем” для студентов специальностей “АСОИ”, “ЭВМиС”. – Брест: БГТУ, 2003.
|