| Пензенский государственный университет
Кафедра «Автоматика и телемеханика»
Отчёт
о выполнении лабораторной работы
«Шифраторы и дешифраторы»
Выполнил:
Ревунов М.С.
Проверил:
Пащенко В. В.
Пенза, 2011
Цель работы:
исследование схем шифраторов и дешифраторов.
Программа работы:
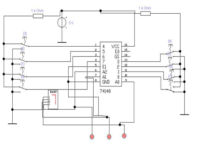
1.Проанализировать работу шифратора.

Рисунок 1 - схема шифратора.
Составить таблицу соответствия нажатой клавиши и прямого двоичного кода на выходе микросхемы.
| Цифра
|
Нажатая клавиша
|
Двоичный код
|
| |
0
|
1
|
2
|
3
|
4
|
5
|
6
|
7
|
| 0
|
0
|
1
|
1
|
1
|
1
|
1
|
1
|
1
|
0
|
0
|
0
|
| 1
|
1
|
0
|
1
|
1
|
1
|
1
|
1
|
1
|
0
|
0
|
1
|
| 2
|
1
|
1
|
0
|
1
|
1
|
1
|
1
|
1
|
0
|
1
|
0
|
| 3
|
1
|
1
|
1
|
0
|
1
|
1
|
1
|
1
|
0
|
1
|
1
|
| 4
|
1
|
1
|
1
|
1
|
0
|
1
|
1
|
1
|
1
|
0
|
0
|
| 5
|
1
|
1
|
1
|
1
|
1
|
0
|
1
|
1
|
1
|
0
|
1
|
| 6
|
1
|
1
|
1
|
1
|
1
|
1
|
0
|
1
|
1
|
1
|
0
|
| 7
|
1
|
1
|
1
|
1
|
1
|
1
|
1
|
0
|
1
|
1
|
1
|
2. Составить таблицу истинности работы дешифратора.

Рисунок 2 – дешифратор.
| Двоичный код
|
Десятичный
|
| Ключ4
|
Ключ3
|
Ключ2
|
Ключ1
|
Выход (№)
|
| 0
|
0
|
0
|
0
|
0
|
| 0
|
0
|
0
|
1
|
1
|
| 0
|
0
|
1
|
0
|
2
|
| 0
|
0
|
1
|
1
|
3
|
| 0
|
1
|
0
|
0
|
4
|
| 0
|
1
|
0
|
1
|
5
|
| 0
|
1
|
1
|
0
|
6
|
| 0
|
1
|
1
|
1
|
7
|
| 1
|
0
|
0
|
0
|
8
|
| 1
|
0
|
0
|
1
|
9
|
| 1
|
0
|
1
|
0
|
10
|
| 1
|
0
|
1
|
1
|
11
|
| 1
|
1
|
0
|
0
|
12
|
| 1
|
1
|
0
|
1
|
13
|
| 1
|
1
|
1
|
0
|
14
|
| 1
|
1
|
1
|
1
|
15
|
3. Подключить к адресным входам дешифратора генератор слова и настроить его выходные комбинации таким образом, чтобы обеспечить поочередное зажигание светоиндикаторов на выходе дешифратора, начиная с 0 (обеспечить режим работы «бегущий огонь»).

Последовательность заполнения генератора слова.

|