|
Лабораторная работа №1
Исследование электрического сигнала при помощи осциллографа.
Цель работы:
изучение принципа работы осциллографа. Исследование сигнала переменного тока в допустимом диапазоне напряжения и частот с помощью осциллографа.
Порядок выполнения работы:
1. Измерение переменного напряжения.
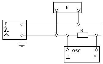
1.1 Собрать электрическую схему рис. 1.

Рис. 1 Электрическая схема.
1.2 Включить питание приборов. Частоту генератора ГЗ-118 установить по указанию преподавателя. (f-const). Изменяя входное напряжение схемы, произвести измерения напряжения на резисторе. Данные измерений занести в табл. 1.
ТАБЛИЦА 1
| №
|
ГЗ-118
Uвх.
(В)
|
C1 (делен)
Длина изображ. по вертикали
|
Величина коэф. откл. (мв, мкв, в)
|

|

|

|
| 1
|
0.289
|
8.2
|
0.1
|
0.041
|
0.0289
|
0
|
| 2
|
1.26
|
7.2
|
0.5
|
1.8
|
1.272
|
0.012
|
| 3
|
3.908
|
5.6
|
2
|
5.6
|
3.959
|
0.051
|
| 4
|
1.072
|
6.2
|
0.5
|
1.55
|
1.96
|
0.024
|
| 5
|
5.568
|
8
|
2
|
8
|
5.656
|
0.088
|
| 6
|
1.414
|
4
|
1
|
2
|
1.414
|
0
|
| 7
|
0.889
|
5.2
|
0.5
|
1.3
|
0.919
|
0.03
|
| 8
|
3.57
|
5.2
|
2
|
5.2
|
3.676
|
0.106
|
| 9
|
1.32
|
7.6
|
0.5
|
1.9
|
1.343
|
0.023
|
| 10
|
5.66
|
8
|
2
|
8
|
5.656
|
0.004
|
2. Измерение частоты периодических сигналов.
2.1 Собрать электрическую схему Рис. 1.
2.2 Подать исследуемый сигнал, напряжение указывается преподавателем (UВХ.
=Const)
2.3 Изменяя частоту сигнала от 100 Гц – до 80000 Гц, провести измерение согласно таблице 2.
ТАБЛИЦА
2
| №
|
ГЗ-118
частота f (Гц)
|
С1 (дел). Длина изобр. По горизонтали одного периода
|
Величина коэф. развёртки R
(мс, мкс)
|
Период

|
f=
|
Δf
|
| 1
|
791
|
2.6
|

|

|
769
|
22
|
| 2
|
1676
|
3
|

|

|
666
|
10
|
| 3
|
2842
|
3.5
|

|

|
2857
|
15
|
| 4
|
3555
|
2.8
|

|

|
3571
|
16
|
| 5
|
4990
|
2
|

|

|
5000
|
10
|
| 6
|
6130
|
3.3
|

|

|
6060
|
70
|
| 7
|
7090
|
2.8
|

|

|
7142
|
52
|
| 8
|
8370
|
2.4
|

|

|
8333
|
37
|
| 9
|
9210
|
2.2
|

|

|
9090
|
120
|
| 10
|
10480
|
1.9
|

|

|
10526
|
46
|
3. Содержание отсчета.
3.1 Цель работы.
3.2 Электрическая схема
3.3 Таблицы измерений.
3.4 Вывод
|