Министерство образования и науки РФ
Пензенский государственный университет
Кафедра РТ и РЭС
Пояснительная записка к курсовой работе по дисциплине
Схемотехника АЭУ
Проектирование транзисторов и печатной платы усилителя
Выполнил: ст. гр. 05РР2
Серегин Д.А.
Проверил: Волков С.В.
Пенза 2007 г.
Содержание
1. Эскизный расчет
2. Расчет выходного каскада
3. Расчет каскада предоконечного усиления
4.Расчет каскадов предварительного усиления
5.Расчет входного каскада
6.Расчет радиаторов транзисторов оконечного каскада
7.Расчет радиаторов транзисторов предоконечного каскада
8.Расчет коэффициента нелинейных искажений
9.Разводка печатной платы
Список литературы
1.Эскизный расчет
Усилитель должен иметь следующие характеристики:
Выходное напряжение: 30 В
Коэффициент усиления дифференциального сигнала по напряжению: 150
Диапазон частот: 20Гц ÷ 22 кГц
Сопротивление нагрузки: 8 Ом
Выходное сопротивление источника сигнала: 100 Ом
Коэффициент нелинейных искажений: < 1%
Допустимый уровень частотных искажений: МН
=МВ
=1,2
Температура окружающей среды: 0˚ ÷ 30˚С
Коэффициент ослабления синфазного сигнала: 70 дБ
Структурная схема усилителя (рис.1).
    рис.1
Усилитель состоит из четырех каскадов. Входной каскад ОЭ с коэффициентом усиления по напряжению 25. Второй каскад –ОЭ с регулировкой усиления и коэффициентом усиления по напряжению 25. Предоконечный каскад – ОК с коэффициентом усиления по напряжению 0,95. Выходной каскад – двухтактный усилитель с транзисторами включенными по схеме с ОК, коэффициентом усиления напряжения ≈0,75.
2. Расчет выходного каскада
Для снижения коэффициента гармоник в качестве оконечного каскада выберем двухтактный каскад.
1) Схема выходного каскада (рис.2)

рис.2
2) Выбор оконечных транзисторов:
Транзисторы VT4 и VT5 выбираем по допустимой мощности рассеяния на коллекторе и максимальному коллекторному току 
Выбираем транзисторы КТ816В и КТ817В с Вт и А.
Входная и выходная характеристики КТ816В:


3) Расчет каскада
 

 
Определяем напряжение питания:
 =
По входным и выходным характеристикам транзистора определяем:
   
зададим = 40.
.
; =1,7В

Определяем сопротивление делителя:
Ом  
Разделительная емкость по выходу:
Емкость разделительного конденсатора определяется исходя из допустимого уровня частотных искажений:
 
(560мкФ)

зададим = 0,75 тогда

Выбор диодов:
Диоды выбираем по их характеристике. В нашем случае подойдут КД104А:

- значение в скобках это наминал резисторов и конденсаторов взятый из ряда Е24.
3.1 Для правильной работы оконечного каскада в качестве предоконечного необходимо взять обычный эмиторный повторитель (ОК)
1) Схема предоконечного каскада (рис.3)

Рис.3
Ом
Ом
2) Выбор транзистора:
Выберем:КТ801Б.
  

3) Расчет каскада
 

  =
По входным и выходным характеристикам транзистора определяем:
   
зададим = 50.
Определим ток делителя
. В
= (510 Ом)
Определим сопротивления делителя:
Ом (8,2кОм)
Ом (9,1кОм)
Входное сопротивление каскада:
 Ом
Выходное сопротивление каскада:
=
зададим = 0,94 тогда

Емкость разделительного конденсатора:
Ф (33мкФ)
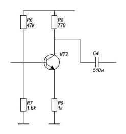
В качестве пред. усилителя возьмем ОЭ.
3.1 Схема каскада:
Выбор транзисторов:
 

  =
Выберем:КТ503В


Расчет каскада:
По входным и выходным характеристикам транзистора определяем:
   
Зададим: = 50, =25, .
Напряжение на входе будет равным:
=
Напряжение на эмиторе:
 = 
Определим сопротивления делителя:
Ом (47кОм)
Ом (1,6кОм)
Сопротивление на :
Ом (1кОм)
Ом
Определим входное сопротивление каскада:
=1501.8 Ом
Выходное сопротивление каскада равно:
Ом
Сопротивление на :
= Ом (770 Ом)
Емкость разделительного конденсатора:
 Ф (510нФ)
Так как суммарный коэффициент усиления по напряжению трех предыдущих каскадов составляет всего лишь 17,625 то необходимо использовать еще один такой же каскад с коэффициентом усиления равным 25. В итоге общий коэффициент усиления составит 440,что превышает необходимый, поэтому после входного каскада необходимо поставить регулировку усиления.
Сопротивление переменного резистора возьмем наиболее часто используемое 47кОм.
Емкость конденсатора рассчитаем по формуле:
считая что =0
Получаем:
Ф (10мкФ)
Схема:
В входном каскаде нецелесообразно использовать напряжение питания равное 48В поэтому поставим стабилитрон понижающий напряжение питания до 12В.
4.1 Расчет
 
Подходящим стабилитроном является Д814Г ( , ,
).

= =0,82 А
= А
Ом (1,1кОм)
Выбор емкости некритичен, так как она стоит по питанию то возьмем ее большой равной 100мкФ
=100мкФ
5.1Схема каскада:


Выбор транзисторов:
 

  =12В
Выберем:КТ503В


Расчет каскада:
По входным и выходным характеристикам транзистора определяем:
   
Зададим: = 50, =25, .
Напряжение на входе будет равным:
=
Определим сопротивления делителя:
Ом (8,2кОм)
Ом (3,6кОм)
Определим напряжение на эмиторе:
 = 
Сопротивление на :
Ом (7,7кОм)
Входное сопротивление транзистора равно:
Ом
Определим входное сопротивление каскада:
=2461 Ом
Выходное сопротивление каскада равно:
Ом
Сопротивление на :
= Ом (6,8 кОм)
Емкость разделительного конденсатора:
 Ф (4,3мкФ)
 Ф (4,7мкФ)
Так как транзисторы оконечного каскада выдают большую мощность (не допускающую работы транзисторов без радиатора) то на них необходимо его поставить.
6.1 Расчет:
В качестве радиатора выберем алюминиевые пластины, площадь которых необходимо посчитать.

= 2,5 =
=200°С = °С
=0,0013
12,9см

= 2,5 = 0,0089Вт
=200°С = °С
=0,0013
=0,04см
Расчет производим по методу пяти ординат для транзисторов оконечного каскада (КТ816В).
Построим сквозную динамическую характеристику транзистора. Для ее построения вычисляют для точек пересечения нагрузочной прямой со статическими выходными характеристиками значения эдс источника сигнала 
Входной цепи по выражению:
 
Статические выходная и входная характеристики:


Составим таблицу получившихся значений:
| № точки |
1 |
2 |
3 |
4 |
5 |
6 |
 |
0,77 |
1,15 |
1,65 |
1,95 |
2,25 |
2,75 |
 |
5 |
10 |
25 |
35 |
50 |
61 |
 |
0,85 |
0,9 |
1 |
1,08 |
1,13 |
1,15 |
 |
1 |
1,2 |
1,75 |
2,13 |
2,63 |
2,98 |
По входной и выходной характеристикам транзистора строим динамическую характеристику:

Из характеристики находим:
А ; А; А; А; А.
Вычисляем первую, вторую, третью, четвертую гармоники выходного тока и его среднее значение.





Проверим правильность вычисления по формуле:
+ + + + =
0,93-0,045+0,63+0,018+1,78=2,752А

Полученное значение вполне удовлетворяет требуемому.
9.1 Вид печатной платы со стороны дорожек:

9.2 Вид печатной платы со стороны деталей:

1. А.В. Цикина «Проектирование транзисторных усилителей низкой частоты».Москва. Связь. 1968г
2. Н.Н. Горюнов «Полупроводниковые приборы: транзисторы» Москва. Энергоиздат. 1985
3. Н.Н. Горюнов «Справочник по полупроводниковым диодам, транзисторам и интегральным схемам» Москва Энергия 1979
|