Банк рефератов содержит более 364 тысяч рефератов, курсовых и дипломных работ, шпаргалок и докладов по различным дисциплинам: истории, психологии, экономике, менеджменту, философии, праву, экологии. А также изложения, сочинения по литературе, отчеты по практике, топики по английскому.
Полнотекстовый поиск
Всего работ:
364139
Теги названий
Разделы
Авиация и космонавтика (304)
Административное право (123)
Арбитражный процесс (23)
Архитектура (113)
Астрология (4)
Астрономия (4814)
Банковское дело (5227)
Безопасность жизнедеятельности (2616)
Биографии (3423)
Биология (4214)
Биология и химия (1518)
Биржевое дело (68)
Ботаника и сельское хоз-во (2836)
Бухгалтерский учет и аудит (8269)
Валютные отношения (50)
Ветеринария (50)
Военная кафедра (762)
ГДЗ (2)
География (5275)
Геодезия (30)
Геология (1222)
Геополитика (43)
Государство и право (20403)
Гражданское право и процесс (465)
Делопроизводство (19)
Деньги и кредит (108)
ЕГЭ (173)
Естествознание (96)
Журналистика (899)
ЗНО (54)
Зоология (34)
Издательское дело и полиграфия (476)
Инвестиции (106)
Иностранный язык (62791)
Информатика (3562)
Информатика, программирование (6444)
Исторические личности (2165)
История (21319)
История техники (766)
Кибернетика (64)
Коммуникации и связь (3145)
Компьютерные науки (60)
Косметология (17)
Краеведение и этнография (588)
Краткое содержание произведений (1000)
Криминалистика (106)
Криминология (48)
Криптология (3)
Кулинария (1167)
Культура и искусство (8485)
Культурология (537)
Литература : зарубежная (2044)
Литература и русский язык (11657)
Логика (532)
Логистика (21)
Маркетинг (7985)
Математика (3721)
Медицина, здоровье (10549)
Медицинские науки (88)
Международное публичное право (58)
Международное частное право (36)
Международные отношения (2257)
Менеджмент (12491)
Металлургия (91)
Москвоведение (797)
Музыка (1338)
Муниципальное право (24)
Налоги, налогообложение (214)
Наука и техника (1141)
Начертательная геометрия (3)
Оккультизм и уфология (8)
Остальные рефераты (21692)
Педагогика (7850)
Политология (3801)
Право (682)
Право, юриспруденция (2881)
Предпринимательство (475)
Прикладные науки (1)
Промышленность, производство (7100)
Психология (8692)
психология, педагогика (4121)
Радиоэлектроника (443)
Реклама (952)
Религия и мифология (2967)
Риторика (23)
Сексология (748)
Социология (4876)
Статистика (95)
Страхование (107)
Строительные науки (7)
Строительство (2004)
Схемотехника (15)
Таможенная система (663)
Теория государства и права (240)
Теория организации (39)
Теплотехника (25)
Технология (624)
Товароведение (16)
Транспорт (2652)
Трудовое право (136)
Туризм (90)
Уголовное право и процесс (406)
Управление (95)
Управленческие науки (24)
Физика (3462)
Физкультура и спорт (4482)
Философия (7216)
Финансовые науки (4592)
Финансы (5386)
Фотография (3)
Химия (2244)
Хозяйственное право (23)
Цифровые устройства (29)
Экологическое право (35)
Экология (4517)
Экономика (20644)
Экономико-математическое моделирование (666)
Экономическая география (119)
Экономическая теория (2573)
Этика (889)
Юриспруденция (288)
Языковедение (148)
Языкознание, филология (1140)

Реферат: Цифровые фильтры 2

Название: Цифровые фильтры 2
Раздел: Рефераты по коммуникации и связи
Тип: реферат Добавлен 17:36:41 28 июня 2011 Похожие работы
Просмотров: 546 Комментариев: 20 Оценило: 3 человек Средний балл: 5 Оценка: неизвестно     Скачать

ВВЕДЕНИЕ

Сигналы встречаются почти в каждой области науки и техни­ки, например в акустике, в биомедицинских исследованиях, в свя­зи, в системах управления, в радиолокации, физике, сейсмологии и телеметрии. Различаются два общих класса сигналов: аналого­вые (сигналы в непрерывном времени) и дискретные (сигналы в дискретном времени).

Аналоговым сигналом называется сигнал, определенный для каждого момента времени. Типичными примерами аналоговых сиг­налов являются изменения во времени напряжения или скорости космического корабля.

Дискретным сигналом называется сигнал, определенный только в дискретные моменты времени, например через каждую миллисекунду, каждую секунду или каждый день. Примерами такого типа сигналов являются цена какого-либо то­вара в момент закрытия фондовой биржи или количество осадков, выпавших за день, как функции времени.

Как дискретный, так и аналоговый сигналы могут быть одно­значно представлены некоторыми функциями частоты, которые на­зываются их частотными спектрами. Эти функции описывают час­тотный состав сигнала.

Фильтрацией называется процесс изменения частотного спектра сигнала в некотором желаемом направлении. Этот процесс может привести к усилению или ослаблению частотных составляющих в некотором диапазоне частот, к подавлению или выделению какой-нибудь конкретной частотной составляющей и т. п. Фильтрация нашла многочисленные применения, например для подавления шу­ма, маскирующего сигнал, для устранения искажения сигнала, вызванного несовершенством канала передачи или погрешностями измерения, для разделения двух или более различных сигналов, которые были преднамеренно смешаны для того, чтобы в макси­мальной степени использовать канал, для разложения сигналов на частотные составляющие, для демодуляции сигналов, для преоб­разования дискретных сигналов в аналоговые, для ограничения полосы частот, занимаемой сигналами.

Цифровым фильтром называется цифровая система, которую можно использовать для фильтрации дискретных сигналов. Он мо­жет быть реализован программным методом на ЦВМ или с по­мощью специальной аппаратуры, и в каждом из.этих случаев циф­ровой фильтр можно применить для фильтрации сигналов в реаль­ном времени или для фильтрации предварительно записанных сиг­налов.

Реализованные программным методом цифровые фильтры по­явились вместе с первыми ЦВМ в конце 40-х годов, хотя самоназвание «цифровой фильтр» стало употребляться только в сере­дине 60-х.

В электронике цифровой фильтр - это любой фильтр, обрабатывающий цифровой сигнал с целью выделения или подавления определённых частот сигнала. Цифровые фильтры на сегодняшний день применяются практически везде, где требуется обработка сигналов, в частности в спектральном анализе, обработке изображений, обработке видео, обработке речи и звука и многих других приложениях. Для большой точности и высокой скорости обработки сигналов требуется не только мощный процессор, но и дополнительное, возможно дорогостоящее, аппаратное обеспечение в виде высокоточных и быстрых ЦАП и АЦП. Различают два вида цифровых фильтров: Фильтр с конечной импульсной характеристикой - один из видов электронных фильтров, характерной особенностью которого является ограниченность по времени его импульсной характеристики. И фильтр с бесконечной импульсной характеристикой - электронный фильтр, использующий один или более своих выходов в качестве входа, то есть образует обратную связь. Цифровые фильтры являются обычным и неотъемлемым элементом бытовой электроники.

ЦИФРОВОЙ ФИЛЬТР КАК СИСТЕМА

Цифровой фильтр можно представить структурной схемой, изо­браженной на рис. 1 На этой схеме х(пТ) и у(пТ) —соответ­ственно входное воздействие и реакция фильтра на это воздейст­вие. Между реакцией и воздействием существует определенное со­ответствие, которое можно выразить соотношением у(пТ) = R х(пТ) где R оператор.

рисунок 1.

Как и другие системы обработки сигналов, цифровые фильтры могут быть стационарными или нестационарными, физически реа­лизуемыми или нереализуемыми, линейными или нелинейными.

Стационарность. Цифровой фильтр называется стационарным (инвариантным во времени), если его параметры не изменяются во времени. Это означает, что данное воздействие будет всегда при­водить к одной и той же реакции независимо от времени прило­жения воздействия.

Формально предварительно невозбужденный фильтр, в котором х(пТ)=у(пТ)=0 при всех n<0, называется стационарным тогда и только тогда, когда Rx ( nT kT )= y ( nT kT ) для всех возмож­ных воздействий. Поведение стационарного фильтра иллюстриру­ется графиками на рис.2.

Рис. 1. Стационарность:

а—реакция на воздействие х(пТ); б — реакция на задер­жанное .воздействие х(пТkT )

Физическая реализуемость. Физически реализуемым называется фильтр, у которого реакция в данный момент времени не зависит от значений воздействия в последующие моменты. Точнее, цифро­вой фильтр физически реализуем тогда и только тогда, когда R(nT) = R(nT) при n<k для всех возможных пар воздействий , удовлетворяющих условиям

Этот критерий изображен на рисунке 2.

МАТЕМАТИЧЕСКОЕ ОПИСАНИЕ ЦИФРОВЫХ ФИЛЬТРОВ.

Аналоговые фильтры математически описываются дифференциальными уравнениями. Цифровые же фильтры можно описать раз­ностными уравнениями. При этом различаются два типа цифровых фильтров — нерекурсивные и рекурсивные.

Нерекурсивные фильтры. Реакция нерекурсивного фильтра в мо­мент времени пТ имеет вид

Если предположить линейность и стационарность фильтра, то у(пТ) можно записать в виде

где — постоянные. Предполагая, что фильтр физически реали­зуем и применяя определенный выше критерий физической реали­зуемости, можно показать, что и поэтому Если к тому же то

(1)

Таким образом, при выполнении указанного условия линейный стационарный физически реализуемый нерекурсивный фильтр мо­жет быть представлен линейным разностным уравнением N-гопо­рядка. Число N называется порядком фильтра.

Рекурсивные фильтры. Реакция рекурсивного фильтра в некото­рый момент времени зависит как от входного воздействия, так и от значений реакции в другие моменты времени и для линейного стационарного физически реализуемого фильтра имеет вид

(2)

т. е. у(nТ) зависит от N предшествующих значений воздействия и реакции. Заметим, что если уравнение (2) переходит в (1), т. е. нерекурсивный фильтр представляет собой частный случай рекурсивного.

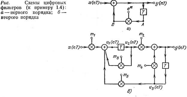
СХЕМЫ ЦИФРОВЫХ ФИЛЬТРОВ.

Основными элементами цифрового фильтра являются элемен­ты задержки на один такт Т (элементы единичной задержки), сум­матор и умножитель. Их характеристики и обозначения даны в табл. 1.1. Реализация этих элементов может быть различна в зависимости от представления обрабатываемых сигналов. Если сиг­налы имеют вид последовательностей двоичных чисел, то устрой­ство задержки может быть реализовано в виде регистра сдвига, а сумматор и умножитель — в виде комбинационных или последовательностных схем, содержащих ключевые схемы вида НЕ—И или НЕ—ИЛИ.

Схемы цифровых фильтров представляются в виде множества элементов единичной задержки, сумматоров и умножителей, сое­диненных между собой. Анализ этих схем обычно несложен и его можно осуществить, используя уравнения элементов, приведенные в табл. 1.1.

Очевидно, что анализ схемы цифрового фильтра заключается в решении системы уравнений, которе можно осуществить методами теории сигнальных направлений графов (2,3).

Заключение.

Цифровые фильтры на сегодняшний день применяются практически везде, где требуется обработка сигналов, в частности в спектральном анализе, обработке изображений, обработке видео, обработке речи и звука и многих других приложениях.

Преимуществами цифровых фильтров перед аналоговыми являются:

· Высокая точность (точность аналоговых фильтров ограничена допусками на элементы).

· В отличие от аналогового фильтра передаточная функция не зависит от дрейфа характеристик элементов.

· Гибкость настройки, лёгкость изменения.

· компактность — аналоговый фильтр на очень низкую частоту (доли герца, например) потребовал бы чрезвычайно громоздких конденсаторов или индуктивностей.

Недостатками цифровых фильтров по сравнению с аналоговыми являются:

· Трудность работы с высокочастотными сигналами. Полоса частот ограничена частотой Найквиста, равной половине частоты дискретизации сигнала. Поэтому для высокочастотных сигналов применяют аналоговые фильтры, либо, если на высоких частотах нет полезного сигнала, сначала подавляют высокочастотные составляющие с помощью аналогового фильтра, затем обрабатывают сигнал цифровым фильтром.

· Трудность работы в реальном времени — вычисления должны быть завершены в течение периода дискретизации.

· Для большой точности и высокой скорости обработки сигналов требуется не только мощный процессор, но и дополнительное, возможно дорогостоящее, аппаратное обеспечение в виде высокоточных и быстрых ЦАП и АЦП.\

· Основным недостатком цифровых фильтров, выполненных аппаратурно, является их относительно высокая стои­мость.

Список использованной литературы:

1

Название: Цифровые фильтры

Автор: Р. В. Хемминг

Издательство: Советское радио

Год издания: 1980

2

Название: Цифровые фильтры: анализ и проектирование

Автор: Антонью А.

Издательство: Радио и связь

Год: 1983

3

Название: Аналоговые и цифровые фильтры. Расчет и реализация

Автор: Гарри Лэм

Издательство: Мир

Год издания: 1982

4

Свободная интернет-энциклопедия «Википедия»

http://ru.wikipedia.org/wiki/Цифровой_фильтр

Оценить/Добавить комментарий
Имя
Оценка
Комментарии:
Хватит париться. На сайте FAST-REFERAT.RU вам сделают любой реферат, курсовую или дипломную. Сам пользуюсь, и вам советую!
Никита14:06:26 04 ноября 2021
.
.14:06:24 04 ноября 2021
.
.14:06:23 04 ноября 2021
.
.14:06:21 04 ноября 2021
.
.14:06:20 04 ноября 2021

Смотреть все комментарии (20)
Работы, похожие на Реферат: Цифровые фильтры 2

Назад
Меню
Главная
Рефераты
Благодарности
Опрос
Станете ли вы заказывать работу за деньги, если не найдете ее в Интернете?

Да, в любом случае.
Да, но только в случае крайней необходимости.
Возможно, в зависимости от цены.
Нет, напишу его сам.
Нет, забью.



Результаты(287790)
Комментарии (4159)
Copyright © 2005-2021 HEKIMA.RU [email protected] реклама на сайте