| ЗМІСТ
Вступ
1 Призначення та характеристики автономних моноблочних кондиціонерів сучасних пасажирських вагонів.
1.1 Установка кондиціонування повітря УКВ – 31.
1.2 Установка кондиціонування повітря АВК – 30.
1.3 Установка кондиціонування повітря «Україна».
2 Будова та принцип дії автономних моноблочних кондиціонерів сучасних пасажирських вагонів.
2.1 Установка кондиціонування повітря УКВ – 31.
2.2 Установка кондиціонування повітря АВК – 30.
2.3 Установка кондиціонування повітря «Україна».
3 Порівняльні характеристики.
4 Теплотехнічний розрахунок циклів холодильних машин установок кондиціонування повітря.
4.1 Розрахунок циклу холодильної машини на холодоагент R – 134а.
4.2 Розрахунок циклу холодильної машини на R – 22.
4.3 Порівняння циклів холодильних машин.
5 Система технічного обслуговування моноблочних кондиціонерів сучасних пасажирських вагонів.
5.1 Установка кондиціонування повітря УКВ – 31.
5.2 Установка кондиціонування повітря АВК – 30.
5.3 Установка кондиціонування повітря «Україна».
6 Технічна діагностика установок кондиціонування повітря сучасних пасажирських вагонів.
6.1 Призначення технічної діагностики.
6.2 Структурна схема технічної діагностики.
6.3 Діагностика установок кондиціонування повітря по визначенню холодопродуктивності холодильної машини
7 Розрахунок собівартості технічного обслуговування установок кондиціонування повітря.
8 Охорона праці
ВСТУП
Залізничний холодотранспорт є невід’ємною частиною залізничного транспорту, що призвело до виділення експлуатації холодотранспорту в окрему дисципліну.
Сучасні вимоги до пасажирських вагонів основані на надійній конструкції, зручності і комфортабельності під час руху і стоянки. Сучасне планування всіх приміщень, внутрішнє устаткування, єдність стильового і колірного рішення забезпечують високий комфорт для пасажирів і обслуговуючого персоналу.
Температура, вологість, чистота та інші параметри повітря у тому випадку, якщо вони відповідають нормам, забезпечують гарне самопочуття людей та успішне виконання багатьох виробничих процесів. Для надання повітрю визначених властивостей використовується кондиціонування.
Термін «кондиціонування» повітря утворений від слова кондиція (condition – латин. – умова, норма, показник) і в широкому розумінні цього слова означає обробку повітря.
Необхідність використання кондиціонування повітря в пасажирських вагонах обумовлена їх низькою теплостійкістю, малим об’ємом приміщення, що приходиться на одного пасажира, а також швидким рухом вагонів, внаслідок чого вони попадають в різні кліматичні зони та різні погодні умови.
В більш вузькому і поширеному розумінні під кондиціонуванням повітря розуміють підготовку та підтримання заданих параметрів повітря незалежно від зміни кліматичних та погодних умов саме в побутових приміщеннях, до яких слідує віднести і пасажирські вагони.
В кондиціонуванні повітря при розрахунках, пов’язаних з визначенням об’ємів повітря (наприклад, при розрахунках продуктивності вентиляції та швидкостей руху повітря в повітропроводах), вологістю повітря зазвичай нехтують. В теплотехнічних же розрахунках, пов’язаних з використанням теплоємності та тепло утримання повітря, його завжди розглядають як суміш із двох складових: сухого повітря та водяного пару.
Відношення кількості водяного пару, що утримується в повітрі, до їх кількості, що насичують повітря при тих самих температурі та тиску, називається відносною вологістю φ
. Відносну вологість повітря прийнято виражати у відсотках. Для абсолютно сухого повітря φ
= 0%, для насиченого φ
=100%.
Маса водяних парів, що вміщаються в 1кг сухого повітря, називається його вологовмісткістю. Кількість тепла, що потрібне для нагріву 1 кг повітря на 1ºС, називається теплоємністю повітря.
Співвідношення основних параметрів вологого повітря – температури, відносної вологості, вологовмісткості, питомої теплоємності – можна визначати по спеціальним таблицям чи по діаграмі i
-
d
вологого повітря, яку вперше запропонував професор Л.К. Разін.
i
-
d
дає можливість не лише визначати параметри повітря , а й може бути використана і для графічних розрахунків процесів температурно – вологісної зміни його стану. Також за допомогою цієї діаграми можна визначати параметри суміші різної кількості повітря, що має різні параметри, що часто приходиться робити при розрахунках установок кондиціонування повітря.
В даному дипломному проекті ми виконуємо теплотехнічний розрахунок циклів холодильних машин установок кондиціонування повітря, які експериментально встановлені на вагон міжобласного сполучення напрямку Північ – Південь. Розглянуто три установки кондиціонування повітря, що працюють на різних холодоагентах (Хладон R134а та Хладон R22).
1 ПРИЗНАЧЕННЯ ТА ХАРАКТЕРИСТИКИ АВТОНОМНИХ МОНОБЛОЧНИХ КОНДИЦІОНЕРІВ СУЧАСНИХ ПАСАЖИРСЬКИХ ВАГОНІВ
1.1
Установка кондиціонування повітря УКВ – 31
Моноблочна установка кондиціонування повітря УКВ-31 (далі установка) призначена для забезпечення та автоматичного підтримування значень температури повітря (tвн
) всередині залізничних пасажирських вагонів колії 1520мм. Установка може використовуватись в пасажирських вагонах, що входять в рухомі склади на електричній, дизель-електричній та тепловозних тягах. Установка роботоздатна при швидкостях руху вагонів від 0 до 220км/год і температурах зовнішнього повітря (tзов
) від +45ºС до +15ºС за умови роботи в режимі охолодження і від +15º до -50ºС за умови роботи в режимах вентиляції та опалення.
Установка кондиціонування повітря представляє собою підвісний горизонтальний автономний кондиціонер з рециркуляцією і складається із парокомпресійної холодильної машини, повітронагрівачів та вентиляційного обладнання. Пневмогідравлічна схема наведена на рисунку 1.1. В якості холодильного агента парокомпресійної холодильної машини використовується Хладон R134а (Фреон R134а) — озонобезпечне, нетоксичне, незаймисте індивідуальне хімічне з’єднання сімейства гідрофторвуглеводів (ГФВ): 1,1,1,2-тетрафторетан (хімічна формула CH2
FCF3
). Основні технічні характеристики установки наведені в таблиці 1.1.
Таблиця 1.1
Технічні характеристики установки кондиціонування повітря УКВ –31
| Назва характеристики
|
Значення
|
| Номінальна холодопродуктивність за умови роботи в режимі охолодження, кВт*)
|
28
|
| Сумарна потужність двох електричних повітронагрівачів, кВт
|
2 х 3,0 кВт
|
| Сумарна потужність двох водяних повітронагрівачів, кВт
|
2 х 10,0 кВт
|
| Температура води на вході у водяні повітронагрівачі, ºС, не менше
|
90
|
| Витрати води через водяні повітронагрівачі, м3
/год, не менше
|
1,8
|
| Витрати повітря на виході установки, що забезпечується центробіжним вентилятором повітроохолоджувачів, м3
/год
|
4000+20%
|
| Надлишковий тиск на виході з установки, що створюється центробіжним вентилятором повітроохолоджувачів, Па, не менше
|
300
|
| Маса холодоагенту, що заправляється в холодильну машину, кг, не більше
|
10
|
| Напруга живлення споживачів електроенергії установки:
- електродвигун компресора
|
110…308В змінного синусоїдального 3-х фазного струму частотою від 25 до 70 Гц відповідно, потужністю до 15кВт
|
| - електродвигун осьового вентилятора
|
110…308В змінного синусоїдального 3-х фазного струму частотою від 25 до 70 Гц відповідно, потужністю до 2,9кВт
|
| - електродвигун центробіжного вентилятора
|
220В±5% змінного синусоїдального 3-х фазного струму частотою 50 Гц про номінальній потужності до 1,6кВт
|
| - електроприводи повітряних заслінок
|
24В ±10% постійного струму сумарною потужністю не менше 8Вт
|
| Назва характеристики
|
Значення
|
| - двосекційні електричні повітронагрівачі:
- в УКВ-31-ТП
- в УКВ-31-ТС
- в УКВ-31-МС
|
-110В±30% постійного струму;
-220В±5% змінного синусоїдального 3-х фазного струму частотою 50Гц;
-380±5% змінного синусоїдального 3-х фазного струму частотою 50Гц;
Потужність кожної із двох секцій - не менше 3,0кВт
|
| Котушки електромагнітних клапанів (соленоїдних гвинтів)
|
110В±30% постійного струму потужністю не більше 20 Вт кожна
|
| Габаритні розміри установки, мм
|
2160 х 1700 х 590(h)
|
| Маса, кг, не більше
|
760
|
Примітка: холодопродуктивність вказана при температурі зовнішнього повітря tзов
=+40±2ºС і відносній вологості φ=30%±3%, або при температурі зовнішнього повітря tзов
=+32±2ºС і відносній вологості φ=70%±3%.

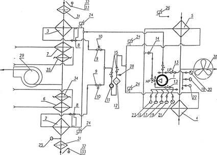
Рисунок 1.1 Схема пневмогідравлічна принципіальна УКВ – 31
1-компресор гвинтовий; 2-повітроохолоджувач (лівий); 3-повітроохолоджувач (правий); 4-конденсатор(лівий); 5-конденсатор(правий); 6-повітронагрівач водяний(лівий); 7- повітронагрівач водяний(правий); 8-гвинт терморегулюючий; 9-корпус соленоїдного гвинта; 10-котушка соленоїдного гвинта; 11-скло наглядове; 12-фільтр-осушувач; 13-гвинт запірний; 14-зворотній клапан; 15-гвинт запірний; 16-реле тиску запобіжне 22,5/15,9 бар, з ніпельним клапаном; 17-реле високого тиску 20/15 бар, з ніпельним клапаном; 18-реле низького тиску 0,5/2 бар, з ніпельним клапаном; 19-реле контролю тиску конденсації 9,5/12,5 бар, з ніпельним клапаном; 20-манометр низького тиску,-1…10 бар; 21-манометр високого тиску,0…30 бар; 22-датчик низького тиску, -0,5…7 бар; 23-датчик високого тиску, 0…30 бар; 24-датчик температури; 25-датчик контролю витрат повітря; 26-реле температури; 28-штуцер з ніпельним клапаном; 29-вентилятор центробіжний; 30-вентилятор осьовий; 31- фільтруюча сота в зборі; 32-електропривід повітряного клапану; 33-тяга приводу повітряного клапану(комплект); 34-повітронагрівач електричний (лівий); 35-повітронагрівач електричний(правий).
1.2 Установка кондиціонування повітря АВК-30
Кондиціонер автономний вагонний АВК-30 призначений для підтримання комфортних параметрів повітря в салонах залізничних пасажирських вагонів. В кондиціонері відбувається охолодження, нагрів та нагнітання обробленого повітря в систему повітророзподілення вагона. Умовне позначення кондиціонера відповідає наступному позначенню основного конструкторського документа.
АВК-30КЮЛИ.632381.005
Таблиця 2.1
Технічні характеристики установки кондиціонування повітря АВК-30
| Назва характеристики
|
Режим роботи
|
| охолодження
|
вентиляція
|
нагрів
|
| Продуктивність повітря, м3
/год
|
500
|
400
|
| Продуктивність холоду, кВт
|
30±3
|
-
|
| Продуктивність тепла, кВт
|
-
|
6,0±0.6
|
| Надлишковий статичний тиск повітря на виході кондиціонеру, Па, не менше
|
400
|
| Потужність, яка споживається із мережі, кВт, не більше
|
16,8
|
3,2
|
9,2
|
| Живлення
-двигунів: тип струму, напруга В, частота Гц
-електронагрівачів: тип струму, напруга В
-ланцюгів, які підключаються до САУКД вагону: тип струму, напруга В
|
~3, 380, 50
=127-40
+23
=24
|
| Середній ресурс до капітального ремонту, не менше, год
|
20000
|
| Середній повний ресурс, не менше, год
|
40000
|
| Середній строк служби до капітального ремонту, не менше, років
|
5
|
| Середній повний строк служби, не менше, років
|
10
|
| Маса, кг
|
740±35
|
Кондиціонер надійно працює:
- при температурі навколишнього повітря (без обмеження в часі) від -40ºС до +45ºС та відповідній вологості до 80%;
- після довгого перебування в неробочому стані під час транспортування, зберігання та монтажу при температурі навколишнього повітря від -50ºС до +50ºС.
Кондиціонер поставляється заправлений оливою та хладоном
- холодильний агент – хладон 22 ГОСТ 8502 в кількості 5 ± 0,1кг в кожен контур;
- олива для змащування “White Oil” в кількості 1,65 ± 0,1л в кожен компресор. Олива сумісна з Suniso 3 GS; Texaso WF 32; Fuchs KM.
В склад кондиціонера входить холодильна машина з герметичними компресорами, випарником – повітроохолоджувачем та повітряними конденсаторами.
В комплект поставки входить:
- кондиціонер автономний вагонний -1шт;
- датчики температури (перетворювачі опору ТСП 8040) -3шт;
- заглушки -4шт;
- балки транспортувальні -2шт;
- одиночний комплект ЗІП, що поставляється з кожним кондиціонером у відповідності з відомістю ЗІП;
- експлуатаційна документація у відповідності з ПС.
1.3 Установка кондиціонування повітря «Україна»
Модуль моноблочний кондиціонування повітря, виготовлений Faiveley Española, призначений для купейних вагонів українських залізниць, позначених «Д». Кожен із вагонів складу має обладнання кондиціонування повітря, змонтоване на стелі платформи зі сторони котла, доступне зовні для обслуговування та ремонту. Повітря, яке оброблюється, нагнітається із модуля через повітропроводи до купе вагону.
В свою чергу, повітря проходить через коридор вагону і потому через зворотні повітропроводи для обробки модулем кондиціювання повітря. Приток нового повітря вводиться у вагон через існуючі повітропроводи, які регулюються, і люки. Приток змішаного повітря ( нового та зворотного ) обробляється модулем акліматизації.
Всередині моноблочного обладнання в просторі між стелею, з тепловою та звуковою ізоляцією , є місце де знаходяться (слідуючи напрямку циркуляції повітря):
- фільтри проти пилу, які знімаються із внутрішньої сторони вагону;
- випарник, який літом охолоджує повітря;
- група електричних опорів, електричне опалення;
- вологовідділювач;
- 2 турбіни із влаштованим двигуном (1,2 кВт), нагнітачі повітря.
Група мотовентиляторів нагнітання повітря по купе
Динамічно збалансована група складається з двох одиниць:
1 центробіжний мотовентилятор;
подвійний вхід для всотування.
Таблиця 1.3
Технічні характеристики установки кондиціонування повітря «Україна»
| Назва характеристики
|
Значення
|
| Група мотовентиляторів нагнітання повітря по купе:
- об’єм повітря в період охолодження, м3
/год;
- номінальний тиск, Па;
- номінальна потужність двигуна, Вт;
- трифазна напруга, В;
- номінальна швидкість обертання двигунів, об/хв..
|
2 500
550
550
380
1 450
|
| Випарник:
- номінальна холодопродуктивність за умови роботи в режимі охолодження, кВт.
|
35
|
| Мотовентилятор для конденсатора:
- мінімальний об’єм, м3
/год;
- мінімальний статичний тиск, Па;
- мінімальна потужність, кВт;
- мінімальна напруга, В;
- швидкість обертання, об/хв.
|
13 000
140
1,4
380
1 330
|
| Сумарна потужність групи електричних опорів, кВт
|
6
|
| Потужність двох турбін із вбудованим двигуном (нагнітачі повітря), кВт
|
1,2
|
2 БУДОВА ТА ПРИНЦИП ДІЇ АВТОНОМНИХ МОНОБЛОЧНИХ КОНДИЦІОНЕРІВ СУЧАСНИХ ПАСАЖИРСЬКИХ ВАГОНІВ
2.1 Установка кондиціонування повітря УКВ – 31
Принцип дії установки полягає у використанні сукупності технічних засобів, які забезпечують потрібну термодинамічну обробку і переміщення в потрібному напрямку визначеної кількості зовнішнього і внутрішнього повітря з ціллю підтримки заданих параметрів мікроклімату в приміщеннях пасажирського вагона. В якості відповідних технічних засобів використовуються парокомпресійна холодильна машина з повітроохолоджувачем безпосереднього охолодження, електричні і водяні повітронагрівачі та вентиляційне обладнання. Всі перераховані засоби розміщені в одній горизонтальній площині, скомпоновані в єдиний автономний блок(см.рис.2.1) і закріплені на несучій рамі, яка обшита металічними листками(оцинкована жерсть товщиною 1,5мм) з наклеєною на них з внутрішньої сторони звуко- і теплоізоляцією. Нижнє днище установки двостінне, причому простір між стінками днища також заповнено звуко- і тепло ізолюючим матеріалом. Установка розміщується в простір, який знаходиться під дахом робочого тамбура залізничного вагона, і кріпиться до вагонних шпангоутів за допомогою чотирьох монтажних кронштейнів, закріплених на несучій рамі і укомплектованих болтами М16 та пружними амортизаторами. Загальний вид установки наведений на рис.2.2.
В про цесі експлуатації установка може працювати в наступних режимах:
- охолодження повітря всередині вагона;
- вентиляція внутрішнього простору вагона;
- підігрів повітря всередині вагона(опалення).При роботі в режимі охолодження задіяні холодильна машина і вентиляційне обладнання. Водяні та електричні повітронагрівачі в цьому випадку відключені.
Охолодження повітря всередині вагона виконується наступним чином(см.рис.1.1). При включеній холодильній машині під дією розрядки, яке створюється центробіжним вентилятором 29, в установку через отвори повітроприймачів внутрішнього повітря надходить ре циркулююче повітря із вагона. Одночасно через отвори повітроприймачів зовнішнього повітря всотується зовнішнє повітря. При цьому витрати зовнішнього повітря можуть регулюватися за допомогою повітряних клапанів з електроприводом 32. Потоки внутрішнього і зовнішнього повітря перемішуються в камерах змішування і змішаний потік, пройшовши через фільтруючі соти 31 надходить в повітроохолоджувачі 2 і 3, після чого нагнітається всередину вагона за допомогою вентилятора 29 через отвір повітророзподілювача. Частина наданого в вагон повітря, після його проходження по вагону, знову повертається в установку(рециркуляційне повітря), а частина повітря виходить назовні за рахунок негерметичності конструкції вагона.

Рисунок 2.1Компоновочна схема установки УКВ –31:
1-компресор; 2-центробіжний вентилятор; 3-осьовий вентилятор; 4-конденсатор; 5-повітроохолоджувачі; 6-водяні повітронагрівачі; 7-фільтруючі соти; 8-електричні повітронагрівачі.

Рисунок 2.2 Загальний вид установки УКВ – 31
1-отвір повітророзподілювача; 2-отвір повітровитягувального пристрою осьового вентилятора; 3-повітроприймач конденсатора; 4-повітроприймач зовнішнього повітря, яке надходить на повітроохолоджувач (повітронагрівач); 5-повітроприймач внутрішнього (рециркуляційного) повітря, яке надходить на повітроохолоджувач (повітронагрівач).
Температура повітря повітроохолоджувачів 2 і 3, яка потрібна, при роботі установки в режимі охолодження забезпечується наступним чином. Компресор 1 холодильної машини зжимає і нагнітає пари холодоагенту через зворотній клапан 14 в конденсатори з повітряним охолодженням 4 і 5. В конденсаторах холодоагент охолоджується потоком зовнішнього повітря. Зовнішнє повітря всотується через отвори повітроприймачів зовнішнього повітря за допомогою осьового вентилятора 30 і через отвір повітровитягувального пристрою викидається в атмосферу. Пари холодоагенту, які охолоджуються в конденсаторі, переходять в рідкий стан і рідкий холодоагент через відкриті запірні гвинти 15, фільтр-осушувач 12, наглядове скло 11 з індикатором вологості, відкриті соленоїдні гвинти 10 надходить на вхід в терморегулюючі гвинти 8 повітроохолоджувачів. В терморегулюючих гвинтах відбувається дроселювання холодоагента і його тиск падає від тиску конденсації (нагнітання) до тиску кипіння (всотування), після чого холодоагент надходить в повітроохолоджувачі. В повітроохолоджувачі рідкий холодоагент кипить в трубках, відводячи тепло від їх поверхні, а відповідно, і від повітря, яке охолоджується. Під час охолоджування повітря частина вологи, що знаходиться в ньому, конденсується на зовнішній поверхні трубок і ребер повітроохолоджувачів. Конденсат, який виникає при цьому, збирається в піддонах повітроохолоджувачів і зливається через отвори в нижньому днищі установки. Пари холодоагенту з випалювачів надходять на вхід в компресор і цикл роботи холодильної машини повторюється. Процес контролюється манометрами низького 20 і високого 21 тиску, датчиками низького і високого тиску 22 і 23, реле високого і низького тиску 17 і 18, реле тиску конденсації 19 і запобіжним реле тиску 16.
При роботі в режимі вентиляції холодильна машина і повітронагрівачі вимкнені і задіяний тільки центробіжний вентилятор 29 і приводи заслінок повітряних клапанів 32, які в цьому випадку забезпечують повітрообмін, який регулюється, в вагоні так само, як і при охолодженні повітря, але без термодинамічної обробки повітря.
При роботі в режимі опалення можуть бути задіяні як електричні 34, 35, так і водяні 6, 7 повітронагрівачі. Повітрообмін, який регулюється, забезпечується за допомогою повітряних клапанів 32, обладнаних заслінками з електроприводом, при цьому повітря нагнітається всередину вагона за допомогою центробіжного вентилятора 29 так само, як і при охолодженні повітря, тільки замість охолодження повітря відбувається його нагрів в повітронагрівачах 6, 7, 34, 35.
Примітка: в склад установки моделі УКВ-31-МС водяні повітронагрівачі не входять. Вибір режимів роботи установки (ручної чи автоматичної), зміна тепло- і холодопродуктивності, завдання і контроль температури повітря всередині вагона і інтенсивність повітрообміну, контроль часу доробок обладнання, фіксація і видача інформації про поточні значення температур повітря всередині і зовні, температури повітря на виході із установки і температури води в опалювальному котлі, а також видача інформації про можливі несправності, що виникають в процесі роботи установки, забезпечуються системою управління (СУ), яка являє собою самостійний виріб і в склад установки не входить.
2.2 Установка кондиціонування повітря АВК – 30
Кондиціонер являє собою моноблочну конструкцію, яка складається з двох відсіків, відсік холодильної машини і відсік блоку обробки повітря. У відсіку холодильної машини розташовані герметичні компресори, два повітряних конденсатори, осьовий вентилятор повітряних конденсаторів. У відсіку блоку обробки повітря розташований повітроохолоджувач з каплевідділювачем, центробіжний вентилятор двостороннього всотування, електричний повітронагрівач, датчики-реле тиску.
Повітроохолоджувач здійснює охолодження повітря, що проходить через нього, являє собою 8-ми рядний пластинчато – трубчатий теплообмінник, теплопередаюча поверхня якого складається із мідних трубок шахового розміщення, які мають ребра з алюмінієвих пластин. Центробіжний вентилятор двостороннього всотування нагнітає приточне повітря по повітряному тракту. Осьовий вентилятор повітряних конденсаторів призначений для обдування їх зовнішнім повітрям з ціллю відводу тепла конденсації.
Повітряний конденсатор призначений для конденсації парів хладону за рахунок теплообміну з охолоджуючим зовнішнім повітрям, являє собою 6-ти рядний пластинчато – трубчатий теплообмінник, теплопередаюча поверхня якого складається із мідних трубочок шахового розміщення, які мають ребра з алюмінієвих пластин.
Нагрів повітря в зимовий час відбувається у водяному повітронагрівачі, який встановлюється в приточному повітропроводі. В перехідні періоди року нагрів повітря в кондиціонері здійснюється електричним нагрівачем потужністю 60 кВт. На електричному повітронагрівачі встановлені реле регулювання та захисту.
Робота кондиціонера в режимі охолодження відбувається наступним чином:
Зовнішнє повітря забирається осьовим вентилятором через жалюзні грати з бічних сторін вагону, проходить через повітряні конденсатори, охолоджуючи їх, і викидаються вверх через отвір в кришці кондиціонера.
Рециркуляційне повітря із коридору вагону та зовнішнє повітря, що всотується через захисні жалюзні грати, надходить в змішувальну камеру перед кондиціонером, де змішуються. Повітряна суміш проходить через фільтр, встановлений в змішувальній камері і надходить з двох сторін в камеру кондиціонера, розташовану під машинним відсіком. Далі повітря нагнітається центробіжним вентилятором через повітроохолоджувач, де охолоджується, а конденсат, який випав, вловлюється у віддільнику вологи і відводиться в дренажну систему вагону. Охолоджене приточне повітря надходить в загальний повітропровід вагону, звідки через повітророзподілювальні пристрої подається в необхідній кількості в кожне купе вагону, де в результаті тепловологоасиміляції знижується до потрібних параметрів температура повітря.
Управління роботою кондиціонера здійснюється від системи автоматичного управління дистанційної (САУКД) вагону. САУКД та перетворювач електричний (ПЕВК) зв’язані з електрообладнанням кондиціонера через з’єднувачі. В якості датчиків температури зовнішнього приточного та рециркуляційного повітря використовуються термоперетворювачі опору ТСП 8040.
Кондиціонер може працювати в режимах:
- вентиляції;
- охолодження;
- нагріву.
Захист від підвищення тиску на нагнітання здійснюється датчиками – реле тиску SP1, SP3, від пониження тиску – датчиками – реле тиску SP2, SP4.
Налаштування спрацювання датчиків – реле тиску:
- по низькому тиску 0,13 МПа;
- по високому тиску 2,4 МПа.
Захист двигунів центробіжного вентилятора та осьового вентилятора від перенавантаження здійснюється тепловими реле КК1, КК2, КК3, КК4. Захист двигунів компресорів від перенавантаження здійснюється перетворювачем ПЕВК 110/380-50 (модуль 2, модуль 3). Захист електронагрівача від перегріву здійснюється реле регулювання та захисту SK1. Сигнали від датчиків захисту надходять в САУКД, яка при перевищенні встановлених параметрів подає команду на відключення кондиціонера.
В двигунах компресорів передбачений також тепловий захист, змонтований в нульовій точці двигуна. Компресори мають внутрішні запобіжні клапани, які спрацьовують при перепаді тиску між стороною нагнітання та всотування, що перевищують 2,8 ± 0,3 МПа (28 ± 3 кг/см2
) . Спрацювання вбудованої в електричні двигуни компресорів теплового захисту призводить до розриву ланцюга живлення двигунів та його зупинки. Для замкнення внутрішнього захисного пристрою та запуску компресора потрібне природне охолодження компресора (біля 3 год. ).
2.3 Установка кондиціонування повітря «Україна»
Будова та робота прийомного нагромаджувача рідини:
- літрова ємність із криці для витримування тиску, призначена для пом’якшення різниці заряду та варіацій об’єму охолоджуючої рідини R-134а.
В ємності є клапан безпеки на випадок високої температури всередині відсіку конденсаторів. Коли обладнання підвернене малому заповненню , чи при взаємодії регулятора тиску конденсації, рідина буде зберігатися в ємності. Ця ємність розрахована для прийому заповнення від обладнання і дозволяє здійснити обслуговування і ремонт без повної втрати охолоджувача.
Фільтр дегідратор проти кислотний:
- знаходиться в трубопроводі рідини, де його функцією є відділення бруду, всотування вологи, що знаходиться в охолоджувачі, і фіксація за допомогою спеціального елементу кислотності охолоджувача. Кислотність, яка генерується в основному завдяки одночасним діям води і тепла на охолоджувальну оливу, впливає на двигун компресора, призводячи до його зруйнування посередництвом короткого замкнення.
Фільтр де гідрант складається із корпусу та змінного елемента і знаходиться в лінії рідини ланцюга охолоджувача. Фільтрування може ізолюватись посередництвом клапану перекриття.
Щоб мати можливість обслуговувати основні компоненти, передбачена визначена кількість клапанів ізоляції в ланцюгу. Два клапани перекриття знаходяться на вході і виході приймальника рідини, і два інших в компресорі, на вході і виході. На кожному клапані перекриття є ввід перевірки тиску. Для того, щоб повністю відкрити клапани і перекрити ввід перевірки тиску, потрібно повернути до кінця вліво клапан. Для розташування клапана в нормальному робочому положенні потрібно повернути клапан вліво, а потім зробити два оберти вправо. Таким чином активується ввід виміру тиску. Щоб повністю закрити клапан, необхідно повернути клапан до упору. Також є два кулькових клапани на входах у випарник, які працюють як клапани перекриття.

Рисунок 2.3 Клапан перекриття. В крайньому лівому положенні. Повне відкриття трубопроводу і повна ізоляція виміру тиску.
Апарати, які використовуються для послаблення вібрацій, спеціально збалансовані, особливо на рівні компресора, щоб уникнути передачі вібрацій, що негативно впливають на комфорт пасажира. Вводи виміру тиску розташовані на клапанах перекриття компресора. Охолоджувальний ланцюг під’єднаний до преостатів, сенсорів тиску та зовнішніх люків охолоджувача. Зовнішні люки охолоджувача розміщені на зовнішньому боці обладнання та призначені для заповнення та злиття охолоджувача в умовах обслуговування. Два клапани заповнення типу “ Shrader” розміщуються в цих люках, розміщених на зовнішній частині обладнання для спрощення процесів обслуговування.
В конструкції вагону потрібно передбачити доступ, щоб мати можливість дотягнутись до цих люків із зовнішньої частини вагону. Ці люки повинні бути розташовані поряд із зовнішніми електричними з’єднаннями обладнання. Вони розміщуються на зовнішній частині скрині моноблоку на бічній стороні обладнання ближче до шафи управління кондиціонеру повітря, під відсіком конденсатора, поряд з відсікомвипарників. Один з цих клапанів підключений до ланцюга високого тиску, а інший – до ланцюга низького тиску. Ці два клапани згадуються ще як клапани наповнення та злиття.
Соленоїдні клапани – електричні об’єкти управління при напрузі 110 В постійного струму. Розташовані на вході подвійного випарника. Ізолюють ланцюг ВР і НР в момент, попередній зупинці компресора. При замкненні дозволяється спустошити ланцюг всотування охолоджувача. Таким чином запобігається конденсація у випарнику і ризик запуску із втягненням рідини і кислоти. Ця система відома під іменем “PUMP – DOWN”. Також дозволяється робота обладнання з випарником з двома ланцюгами (повна секція) чи одним ланцюгом (половинна секція) для здійснення регулювання.
Прозорі візири показують заповнення рідини в установці і вологість в охолоджувачі. Функціонування візирів вказує необхідність заповнення обладнання. Якщо існує багато пухирців, які перетинають візир – це знак недостатнього наповнення охолоджувача. Візир набуває зеленого кольору, якщо не існує вологи в системі, а у випадку, якщо вона існує, то прогресивно змінюється, згідно ступеню вологості, до жовтого. Візир жовтого кольору: вологість в системі (потрібно спорожнити дегідратор і замінити фільтр). Візир зеленого кольору: правильний стан. Візир з надлишком пухирців: необхідно дозаправити обладнання.
Клапан регулювання конденсації та зворотній клапан конденсаторів розташований на виході двох конденсаторів. Клапан регулювання тиску конденсації для заповнення конденсатора. Клапан обмежує вихідний тиск двох конденсаторів. Не дозволяє тиску зменшитись нижче визначеного рівня. Коли існують низькі зовнішні температури та необхідність охолодження, клапан забезпечує часткове заповнення охолоджувальною рідиною конденсаторів, призводячи до того, щоб тиск конденсаторів не був нижче визначеного значення.
Обвідний клапан з’єднує злив компресора із входом приймача рідини та забезпечує заповнення випарника у випадку , якщо різниця тисків між зливом компресора та приймачем перевищує різницю тиску 1,4 бар.

Рисунок 2.4 Клапан регулювання тиску конденсації
Встановлюються три зонди температури всередині вагону. Один встановлюється на нагнітанні, інший на звороті і третій на вході нового повітря. Три зонди повинні бути підключені до з’єднувальної коробки, яка в свою чергу підключається до панелі управління шафи кондиціонеру повітря. Ця з’єднувальна коробка повинна бути розташована поза обладнанням, прикріплена зовні вагону якомога ближче до зондів температури.
Таблиця 1.4
Перелік та характеристики пресостатів, які встановлені в обладнанні
| Подвійний пресостат безпеки високого і низького тиску КР15
|
Пресостат безпеки високого тиску КР5
|
Пресостат безпеки низького тиску КР1
|
| Високий тиск
|
Низький тиск
|
| Тиск тару-вання
|
Екві-валентна темпе-ратура _онде-сації
|
Тиск тару-вання
|
Еквіва-лентна темпера-тура _онде-сації
|
Тиск тару-вання
|
Еквіва-лентна темпера-тура _онде-сації
|
Тиск тару-вання
|
Еквіва-лентна темпера-тура _онде-сації
|
| Відключення компресора
|
21 бар
|
70ºС
|
0,5 бар
|
-40ºС
|
18 бар
|
62ºС
|
1,3 бар
|
-20,6ºС
|
Продовження табл.. 1.4 Перелік та характеристики пресостатів, які встановлені в обладнанні
| Подвійний пресостат безпеки високого і низького тиску КР15
|
Пресостат безпеки високого тиску КР5
|
Пресостат безпеки низького тиску КР1
|
| Високий тиск
|
Низький тиск
|
| Тиск тару-вання
|
Екві-валентна темпе-ратура _онде-сації
|
Тиск тару-вання
|
Еквіва-лентна темпера-тура _онде-сації
|
Тиск тару-вання
|
Еквіва-лентна темпера-тура _онде-сації
|
Тиск тару-вання
|
Еквіва-лентна темпера-тура _онде-сації
|
| Підключення
|
17 бар
|
60-65ºС
|
1,4 бар
|
-20ºС
|
16 бар
|
58ºС
|
2,3 бар
|
-6,5ºС
|
| Різниця, яка встановлюється
|
4 бар
|
0,9 бар
|
4 бар
|
1 бар
|
Для регулювання електричного управління розташовуються два сенсори чи трансдуктори тиску. Сенсор високого тиску призначений для тиску від 0 до 25 бар, шкала 4-20 мА. Сенсор низького тиску призначений для тиску від 0 до 10 бар, шкала 4-20 мА.
Елементи низького тиску, зонд і пресостати з’єднані одинарним з’єднанням до ланцюга низького тиску через ввід виміру тиску, розташований на клапані перекриття зливу компресора. Як пресостати, так і електричні сенсори тиску повинні бути розташовані на відсіку випарників на пластині, підготованій для цього.
Установка кондиціонування повітря Україна – 2 працює в наступних режимах:
- опалення допоміжне чи опалення для перехідних періодів;
- опалення основне;
- опалення чергове;
- вентиляція чергова.
Опалення допоміжне чи опалення для перехідних періодів складається із батареї опорів на виході випарника та електричного опалення низької напруги відділів туалетів, 6 кВт ± 5,5 кВт. Це опалення використовується лише в перехідний сезон, тобто коли температура зовнішнього повітря > +5ºС. коли електричне опалення високої напруги 3000 В підключене, допоміжне опалення не повинне бути підключене. Лише у випадках дуже низьких зовнішніх температур, -40 ºС , дозволяється підключити опалення низької напруги як допоміжне до основного опалення.
Якщо існує потреба, коли зовнішня температура > +5ºС, є 380 В змінного трифазного струму частотою 50 Гц і внутрішня температура > +18ºС, перемикачем вводиться батарея опорів 6 кВт з вентилятором на малих обертах і опалення підлоги 5 кВт. Коли внутрішня температура досягає +20ºС, відключається батарея опорів випарника 6 кВт і вентилятор, і залишається відключеним, поки внутрішня температура не знизиться до +18ºС. Якщо внутрішня температура продовжується підніматись і досягає +22ºС, відключається електричне опалення підлоги 5 кВт і повторно не включається, доки температура не знизиться до +22ºС.
Опалення основне складається із котла з електричними опорами високої напруги 3000 В і потужністю 48кВт. Ця потужність поділяється на дві секції по 24кВт, теплообмінник на виході випарника і радіатори підлоги. Регулювання внутрішньої температури здійснюється від +21 ºС. Коли існує потреба в основному опаленні, є висока напруга – 3000 В і обираємо автоматичний режим, контактори високої напруги вмикаються, якщо тільки ланцюг безпеки, контакт замкнення котла, термостат котла +90 ºС не відключає контакти високої напруги. При температурах всередині вагона нижче +18 ºС підключається обмінник води ( електроклапана ) і коли температура проходить від +20 ºС, відключається; вентилятор функціонує з теплообмінником на низьких обертах.
Чергове опалення використовується, коли вагон знаходиться в депо, при низьких температурах, щоб уникнути замерзання системи опалення, підтримуючи температуру посередництвом однієї або двох секцій опорів котла високої напруги.
В цьому режимі опалювачі низької напруги і вентилятор не можуть вмикатись.
При черговій вентиляції насос опалювача рециркуляції води підключається вручну, зі щита управління. Adtranz оснащує обладнання кондиціонування повітря контактом, вільним від напруги, який замкнений, коли присутня висока напруга 3000 В. Цей сигнал співпадає з виробкою 380 В змінного трифазного струму частотою 50 Гц від статичного перетворювача, щоб відрізняти таким чином зовнішнє живлення 380 В змінного струму, з яким обладнання кондиціонування повітря на може бути з’єднане при охолодженні. Повітряні турбіни батареї випарника можуть бути в двох режимах обертів обертання: високому і низькому.
Повітряні турбіни вмикаються лише на низьких обертах, коли потрібна «ВЕНТИЛЯЦІЯ», між батареєю допоміжних опорів обладнання кондиціонування повітря 6 кВт, чи підключаємо батарею водяного теплообмінника. Більш висока швидкість використовується для охолодження.
3 ПОРІВНЯЛЬНІ ХАРАКТЕРИСТИКИ УСТАНОВОК КОНДИЦІОНУВАННЯ ПОВІТРЯ СУЧАСНИХ ПАСАЖИРСЬКИХ ВАГОНІВ
Таблиця 3.1
Порівняльні характеристики установок кондиціонування вагонів
| Назва характеристики
|
Значення
|
| УКВ – 31
|
АВК – 30
|
Україна
|
| Номінальна холодопродуктивність за умови роботи в режимі охолодження, кВт
|
28
|
30 ± 3
|
35
|
| Номінальна продуктивність по теплу, кВт
|
6
|
6,0 ± 0,6
|
6
|
| Холодоагент, який використовується в установці кондиціонування повітря
|
Хладон R134а
|
Хладон 22
|
Хладон
R – 134а
|
| Надлишковий статичний тиск на виході з установки, Па
|
300
|
400
|
550
|
| Вид компресора
|
Гвинтовий герметичний
|
Спіральний герметичний
|
Гвинтовий герметичний
|
| Кількість центробіжних вентиляторів, шт
|
1
(для подачі повітря у вагон)
|
1
(для забезпечення циркуляцій-ного повітря по двох контурах термодинаміч- ної обробки)
|
2
(в контурі циркуляції повітря)
|
| Маса, кг
|
760
|
740 ± 35
|
760
|
1. По номінальній холодопродуктивності установка кондиціонування повітря «Україна» має більшу холодопродуктивність, ніж установка кондиціонування повітря УКВ – 31 на 20%, і , ніж АВК – 30 – на 14%.
2. По номінальній продуктивності по теплу всі три установки мають однакові параметри.
3. В УКВ – 31 і «Україна» використовується холодоагент R-134а, який має коефіцієнт руйнування озону ОДР=0,0 і потенціал глобального потепління GWP=1300. А в УКВ – 30 використовується холодоагент R-22, який буде використовуватись до 2030 року. Цей холодоагент має потенціал глобального потепління ОДР=1700, а коефіцієнт руйнування озону ОДР=0,05.
4. Установка кондиціонування повітря «Україна» має найбільший надлишковий статичний тиск на виході з установки, що краще впливає на холодопродуктивність холодильної машини. В кондиціонері «Україна» надлишковий статичний тиск більший, ніж в кондиціонері УКВ – 31 на 45%, і на 27% більше, ніж у кондиціонері АВК – 30.
5. Установки кондиціонування повітря УКВ – 31, АВК – 30 і «Україна» мають приблизно однакову масу.
6. У кондиціонері УКВ – 31 всі апарати робочих систем змонтовані на рамі моноблоку. Частина апаратів робочих систем кондиціонера АВК – 30 монтується не на рамі моноблока, а в конструкції вагону:
- на рамі моноблоку змонтовані апарати двох самостійних холодильних машин, каплевідділювач, електрокалорифер та центробіжний вентилятор для подачі повітря у вагон;
- в конструкції вагону змонтовані повітряні фільтри і водяний калорифер.
У кондиціонері «Україна» також частина апаратів робочих систем монтується не на рамі, а в конструкції вагону:
- на рамі моноблоку змонтовані апарати холодильної машини, електронагрівач і два центробіжні вентилятори для подачі повітря у вагон;
- в конструкції вагону змонтовані повітряні фільтри та водяний калорифер.
7. У системі кондиціонування повітря УКВ – 31 компресор гвинтовий герметичний, який ремонту не підлягає. У системі кондиціонування повітря «Україна» компресор гвинтовий герметичний із ступінчатим регулюванням продуктивності 100% і 50% за рахунок перепускання холодоагенту, ремонту не підлягає. Кондиціонер АВК – 30 має компресор спіральний герметичний, який також не підлягає ремонту.
4 ТЕПЛОТЕХНІЧНИЙ РОЗРАХУНОК ЦИКЛІВ ХОЛОДИЛЬНИХ МАШИН УСТАНОВОК КОНДИЦІОНУВАННЯ ПОВІТРЯ
4.1 Розрахунок циклу холодильної машини на холодоагент
R
– 134а
Площа теплопередавальних поверхонь огорожі кузова вагона визначається згідно з геометричними розмірами та плануванням вагона. Геометричні розміри та планування вагона ми беремо з 68 – ми місних вагонів міжобласного сполучення.

Рисунок 4.1 Поперечний переріз вагона
Кут а
, що обмежує дугу даху, визначається конструктивними параметрами за формулою:
 (4.1)
де В – зовнішня ширина вагона, В=3,106м;
R – радіус даху у середній частині, R = 3,65м;
R – радіус даху у бічних стін, r = 0,45м.
  
Площа теплопередавальних поверхонь підлоги пасажирського вагона визначається, не враховуючи площу підлоги тамбурів, м2
:
Fn
= B · L1
(4.2)
де L1
– довжина кузова вагона, не враховуючи довжину тамбурів, м.

Рисунок 4.2 План пасажирського вагона
Площа теплопередавальних поверхонь підлоги пасажирського вагона,
Fn
= 3,106(23,6 – 1,8) = 67,71м2
Площа теплопередавальних поверхонь бічних стін пасажирського вагона знаходиться за формулою:
Fбс
= Fбс1
+ Fбс2
(4.3)
де Fбс1
, Fбс2
– площа теплопередавальних поверхонь кожної бічної стінки вагона без врахування площі вікон, м2
.
Fбс1
= HL1
- Σ Fвік1
(4.4)
Fбс2
= HL1
- Σ Fвік2
(4.5)
де Н – висота стінки вагона, м
, Н = 2,43 м
.
Σ Fвік1
, Σ Fвік2
– сумарна площа вікон бічної стінки вагона, м2
.
Σ Fвік
і
= Σ аі
ві
пі
(4.6)
де аі
– ширина вікна, м2
;
ві
– висота вікна, м2
;
пі
– кількість однакових вікон бічної стінки вагона.
Fвік1
= Fвік2
= 9·0,993·0,884 + 4·0,713·0,884 = 10,42 м2
Fбс1
= Fбс2
= 2,43·21,8- 10,42 = 42,55 м2
Fбс
= 42,55·2 – 85,1 м2
Площа теплопередавальних поверхонь даху, м2
:
(4.7)

Площа теплопередавальних поверхонь бічних стін, м2
:
(4.8)

Сумарна площа теплопередавальних поверхонь огорожі кузова вагона, м2
.
Fсум
=Fп
+ Fбс
+ Fд
+ Fтс
(4.9)
Fсум
= 67,71 + 85,1 + 79,48 + 18,26 = 250,55м2
4.2 Розрахунок зведеного коефіцієнта теплопередачі огорожі кузова вагона
Основним показником теплотехнічної якості кузова вагона є коефіцієнт теплопередачі.
Коефіцієнт теплопередачі багатошарової плоскої стінки визначається за формулою, Вт/м2
·К
:
(4.10)
де К –
коефіцієнт теплопередачі, Вт/м2
·К
;
а3
– коефіцієнт тепловіддачі від зовнішнього повітря до зовнішньої поверхні стінки, Вт/м2
·К
;
δі
– товщина і
-го шару стінки, м
;
λі
– коефіцієнт теплопровідності і
-го шару стінки, Вт/м2
·К
;
аВ
– коефіцієнт тепловіддачі від внутрішньої поверхні стінки до повітря в середині приміщення вагона, Вт/м2
·К.
Коефіцієнт тепловіддачі від зовнішнього повітря до зовнішньої поверхні стінки вагона визначається за формулою, Вт/м2
·К
:
 (4.11)
де V
– швидкість поїзда, м/с (V
=33м/с
);
L
– довжина кузова вагона, м
.
Вт/м2
·К
Коефіцієнт тепловіддачі від внутрішньої поверхні стінки до повітря в середині приміщення вагона, приймаємо аВ
=10 Вт/м2
·К
.
Теплотехнічні характеристики огорожі кузова пасажирського вагона

Рисунок 4.3 Переріз підлоги
Таблиця 4.1
Матеріал шару підлоги та його характеристика
| № позиції
|
Матеріал
|
δ, м
|
λ, Вт/м·К
|
| 1
2
3
4
|
Лінолеум
Деревоволокниста плита
Пелополістирол
Сталевий лист
|
0,003
0,019
0,080
0,005
|
0,190
0,055
0,023
58,150
|


Рисунок 4.4 Переріз бічної стінки
Таблиця 4.2
Матеріал шару бічної стінки та його характеристика
| № позиції
|
Матеріал
|
δ, м
|
λ, Вт/м·К
|
| 1
2
3
4
5
|
Сталевий лист
Мастика
Пінополіуретан
Фанера
Склопластик
|
0,002
0,001
0,082
0,008
0,0015
|
58,150
0,230
0,023
0,300
0,350
|
  

Рисунок 4.5 Переріз даху
  Таблиця 4.3
Матеріал шару даху та його характеристика
| № позиції
|
Матеріал
|
δ,м
|
λ, Вт/м·К
|
| 1
2
3
4
|
Сталевий лист
Мастика
Пінополіуретан
Фанера
|
0,0015
0,001
0,065
0,010
|
58,150
0,230
0,023
0,300
|

 
Рисунок 4.6 Переріз торцевої стіни
Таблиця 4.4
Матеріал шару торцевої стіни та його характеристика
| № позиції
|
Матеріал
|
δ, м
|
λ, Вт/м·К
|
| 1
2
3
4
5
|
Склопластик
Фанера
Пінополістирол
Фанера
Склопластик
|
0,0015
0,008
0,082
0,008
0,0015
|
0,350
0,300
0,023
0,300
0,350
|


Рисунок 4.7 Переріз склопакету
Таблиця 2.5
Матеріал шару торцевої стіни та його характеристика
| № позиції
|
Матеріал
|
δ, м
|
λ, Вт/м·К
|
| 1
2
3
|
Скло
Повітря
скло
|
0,005
0,025
0,005
|
0,760
0,023
0,760
|

Зведений коефіцієнт теплопередачі огорожі кузова вагона, Вт/м2
·К
:
(4.12)
де Кі
– коефіцієнт теплопередачі і
-го елемента огорожі кузова вагона, Вт/м2
·К
.

4.3 Теплотехнічний розрахунок вагону та визначення холодопродуктивності холодильної машини
Сумарна кількість тепла, яка надходить до пасажирського вагона, визначає холодопродуктивність холодильної машини установки кондиціонування повітря пасажирського вагона:
Q
сум
=Q
0
(4.13)
Сумарна кількість тепла, яка надходить до приміщення пасажирського вагона знаходиться за формулою, Вт
:
Q
сум
=Q
1
+Q
2
+Q
3
+Q
4
+Q
5
(4.14)
де Q1
– теплонадходження крізь огорожу кузова вагона, Вт
;
Q2
– теплонадходження за рахунок сонячної радіації, Вт
;
Q3
- теплонадходження за рахунок інфільтрації зовнішнього повітря, Вт
;
Q3
– теплонадходження від встановленого обладнання, Вт
;
Q3
– теплонадходження від людей, Вт
.
 (4.15)
де t
З
– температура зовнішнього повітря, ºС;
t
В
– температура повітря в середині вагона, ºС.
Q
= 0,39·250,55·(32 - 24) =781,7 Вт
Розрізняють теплонадходження від прямої та розсіяної сонячної радіації.
Інтенсивність прямої сонячної радіації на площу перпендикулярну сонячним променям, кДж/м2
·год
:
(4.16)
де Р
– коефіцієнт прозорості атмосфери, (Р
= 0,7…0,8);
h
– кут стояння сонця, град.
(4.17)
де δ
– кут нахилу сонця, (δ
= 20º);
φ
– широта місцевості, град. (φ
= 54º);
γ
– часовий кут, град.( γ
= 30º).


Інтенсивність прямої радіації на дах, кДж/м2
·год
:
(4.18)

Інтенсивність прямої радіації на вертикальну стінку, кДж/м2
·год
:
(4.19)
де ас
– азимут сонця, град.;
V
– кут між меридіаном та напрямком руху поїзда, град. (Північ – Південь → V = 0º).
(4.20)


Інтенсивність розсіяної радіації на дах, кДж/м2
·год
:
(4.21)

Інтенсивність розсіяної радіації на вертикальну стінку, кДж/м2
·год
:
(4.22)

Сумарна інтенсивність радіації, кДж/м2
·год
:
(4.23)
(4.24)


Умовне еквівалентне підвищення температури зовнішнього повітря за рахунок зовнішньої радіації, град.
(4.25)
де ρ
– коефіцієнт поглинання променевої енергії, (ρ
= 0,6…0,8);
- відносне значення освітлення сонцем поверхонь, .




Теплонадходження за рахунок сонячної радіації, Вт
:
Q
2
=
K
зв
·
F
сум
Δ
t
З
(4.26)
Q
2
= 0,39·250,55·4,3 = 420,2 Вт
Теплонадходження за рахунок інфільтрації зовнішнього повітря в пасажирський вагон, Вт
:
Q
3
=
(0,1…0,2)·Q
1
(4.27)
Q
3
= 0,15·781,7 = 117,3Вт
Теплонадходження від встановленого обладнання, Вт
:
Q
4
=
ΣNi
(4.28)
де Ni
– потужність обладнання в пасажирському вагоні, Вт
(Ni
=2000…3000Вт
).
Q
4
= 2300Вт
Теплонадходження від людей, Вт
:
Q
5
=
n
(qявн
+qпр
) (4.29)
де п
– кількість людей у вагоні, включаючи пасажирів та обслуговуючий персонал, чол.;
q
явн
– кількість явного тепла, яке виділяє людина, Вт
(q
явн
= 77Вт
);
q
пр
–кількість прихованого тепла, яке виділяє людина, Вт
(q
пр
= 41Вт
);
Q
5
= 70(77+41) = 8260Вт
Вологовиділення від людей, кг/год
:
(4.30)
де ω
– кількість вологи виділеної однією людиною, кг/год
(ω
= 55,7 кг/год
).

Сумарна кількість тепла, яке надходить до пасажирського вагона, Вт
:
Q
сум
= Q
0
= 781,7 + 420,2 + 117,3 + 2300 + 8260 = 11879,2 Вт
4.4
Побудова в
I
-
d
діаграмі процесів обробки повітря у прийнятій системі охолодження
Система охолодження установки кондиціонування повітря пасажирського вагона працює разом з системою вентиляції.
Система охолодження має парокомпресійна холодильну машину, система вентиляції – механічна, приточна з рециркуляцією повітря.

Рисунок 4.2. – Система охолодження установки кондиціонування повітря
1 –забірна решітка;
2 – фільтр;
3 – вентилятор;
4 – випарник (повітроохолоджувач);
5 – повітропровід;
6 – випуск;
7 – рециркуляційна решітка;
8 – рециркуляційний повітропровід;
t
з
– температура зовнішнього повітря;
t
В
– температура повітря на виході з вагона;
t
В
’
– температура рециркуляційного повітря;
t
с
– температура повітря у камері змішування;
t
П
’
– температура повітря на виході з повітроохолоджувача;
t
П
– температура повітря на вході у вагон;
t
0
– температура кипіння рідкого холодоагенту у повітроохолоджувачі;
L
– витрати повітря через вагон, кг/год
;
L
з
– кількість зовнішнього повітря, кг/год
;
L
рец
– кількість рециркуляційного повітря, кг/год
.

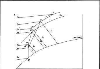
Рисунок 4. ?. – Процеси обробки повітря в системі охолодження в I
-
d
діаграмі.
Лінія (П – В) – процес підігріву повітря в пасажирському приміщенні вагону;
Лінія (В – В’) – процес підігріву повітря при його русі по ре циркуляційному каналу;
Лінія (В’ – С) – процес змішування зовнішнього та рециркуляційного повітря;
Лінія (С – П’) – процес охолодження повітря в повітроохолоджувачі холодильної машини;
Лінія (П’ – П) – процес підігріву повітря при його русі по повітропроводу.
В I
-
d
діаграмі точка «З» відповідає параметрам зовнішнього повітря (t
з
= +32ºС,φз
= 50%).
Точка «В» відповідає параметрам повітря на виході з вагона (t
В
= +24ºС, φВ
= 50%).
Визначаємо кутовий коефіцієнт ξ променя процесу зміни параметрів повітря в пасажирському приміщенні вагону.
(4.31)

З точки «В» проводимо промінь процесу з кутовим коефіцієнтом ξ
.
Визначаємо температуру повітря на вході в робоче приміщення вагона, ºС.
t
П
=
t
В
– Δ
t
п
(4.32)
де Δ
t
п
– різниця температури повітря (Δ
t
п
= 3…4º, для мяких вагонів Δ
t
п
=3º).
t
П
=
24 – 4 = 20ºС
Визначаємо витрати повітря через вагон, кг/год
:
(4.33)
де ІВ
– ентальпія повітря на виході з вагону, кДж/кг
;
ІП
– ентальпія повітря на вході у вагон, кДж/кг
.

Визначаємо температуру рециркуляційного повітря, ºС.
tB
’
=
tB
+
ΔtB
(4.34)
де ΔtB
– різниця температур повітря, (ΔtB
= 1,0).
tB
’
= 24 + 1 = 25ºС
Точка «В’»відповідає параметрам повітря рециркуляційного (tB
’
; dB
=const).
Визначаємо кількість зовнішнього повітря, яке надходить у вагон, кг/год
:
L
З
=
V
0
·
n
·
ρ
З
(4.35)
де V
0
– кількість повітря на одну людину, м3
/год
, (V
0
= 25 м3
/год
);
п
– кількість людей у вагоні, чол.;
ρ
З
– густина зовнішнього повітря, кг/м3
.
(4.36)
де Р
– атмосферний тиск, Па
(Р
= 1·105
Па
);
R
– газова стала повітря, Дж/кг·К
, (R
= 287 Дж/кг·К
);
ТЗ
– абсолютна температура зовнішнього повітря, К (ТЗ
= 273 + t
з
).
ТЗ
= 273 + 32 = 305К


Визначаємо кількість рециркуляційного повітря, яке надходить у вагон, кг/год
:
L
рец
= L - L
З
(4.37)

Параметри повітря, що відповідають в камері змішування, відображаються точкою «С», яка знаходиться на лінії В’З.
Відрізки прямої лінії будуть дорівнювати, мм
:
(4.38)

(4.39)

Точка «П» відповідає параметрам повітря на виході з повітроохолоджувача (t
П’
; d
П
=const).
Визначаємо температуру повітря на виході з повітроохолоджувача:
t
П’
= t
П
- Δ t
під
(4.40)
де Δ t
під
– підігрів від стінок повітропроводу та гальмування, (Δ t
під
=1,0…2,5ºС).
t
П’
= 20 – 2 = 18ºС
Визначаємо робочу холодопродуктивність холодильної машини установки кондиціонування повітря, Вт
:
(4.41)
де ІС
– ентальпія повітря в камері змішування, кДж/кг
;
ІП
’
– ентальпія повітря на виході з повітроохолоджувача, кДж/кг
.
 
Точка «И» відповідає точці роси повітря при постійному вологовмісті d
П
=const на виході з повітроохолоджувача.
Визначаємо температуру кипіння рідкого холодоагенту у повітроохолоджувачі:
t
0
=
tu
–
(7…10º) (4.42)
t
0
= 12,3 – 7,3 = 5ºС
4.6 Побудова в
lg
p
-
I
діаграмі циклу холодильної машини, яка працює на холодоагенті
R
134а, та його розрахунок
Для побудови холодильного циклу визначаємо температурний режим циклу:
Температура кипіння рідкого холодоагенту :
t
0
= 5ºС
Температура конденсації холодоагенту в конденсаторі:
t
К
=
t
З
+ (8…12º) (4.43)
t
К
=
32 + 10 = 42ºС
По lg
p
-
I
діаграмі визначаємо тиск конденсації РК
= 1,22 МПа та тиск кипіння Р0
= 0,35 МПа.
Робимо перевірку на кількість ступенів стиснення холодоагенту в холодильній машині.
< 9
Приймаємо одноступеневе стиснення холодоагенту.
Визначаємо температуру всмоктування пару холодоагенту в компресор з урахуванням перегріву:
t
вс
=
t
0
+ (15…30º) (4.44)
t
вс
= 5 + 25 = 30ºС
Визначаємо температуру переохолодження рідкого холодоагенту перед дроселюванням:
t
п
=
t
К
- (3…6º) (4.45)
t
п
= 42 – 5 = 38ºС

і3
’-4
i1
i1’
i2
i
Рисунок 4.?. Цикл холодильної машини в lg
p
-
I
діаграмі
Лінія (4-1) – ізотермічний і ізобарний процес кипіння холодоагенту у випарнику.
Лінія (1-1’) – ізобарний процес перегріву пару холодоагенту на всмоктуванні в компресор.
Лінія (1’-2) – адіабатний процес стиску холодоагенту в компресорі.
Лінія (2-2’) – ізобарний процес охолодження перегрітого пару до сухого насиченого пару в конденсаторі.
Лінія (2’-3) – ізотермічний й ізобарний процес конденсації холодоагенту в конденсаторі.
Лінія (3-3’) – ізобарний процес переохолодження рідкого холодоагенту перед дроселюванням.
Лінія (3’-4) – ізоентальпний процес дроселювання рідкого холодоагенту.
Таблиця 4.1
Параметри точок циклу холодильної машини
| Параметри
Точки циклу
|
t
, ºС
|
P
, МПа
|
і
, 
|
V
,
|
| 1
1’
2
2’
3
3’
4
|
5
30
72
42
42
38
5
|
0,35
0,35
1,1
1,1
1,1
1,1
0,35
|
402
425
452
422
262
262
253
|
0,060
0,068
0,022
0,018
-
-
-
|
Розрахунок циклу холодильної машини:
Питома масова холодопродуктивність холодоагенту, кДж/кг
:
q
0
= i
1
– i
4
q
0
= 402 – 253 = 149 
Масовий видаток холодоагенту, кг/год
:
(4.46)

Питома робота компресора, кДж/кг
:
lK
=
i
2
–
i
1
(4.47)
lK
= 452 – 425 = 27
Теоретична потужність компресора, Вт
:
(4.48)

Питоме теплове навантаження на конденсатор, кДж/кг
:
(4.49)

Теплове навантаження на конденсатор, Вт
:
(4.50)

Об’ємний видаток холодоагенту через компресор, м3
/год
:
(4.51)

Об’ємний видаток холодоагенту через конденсатор, м3
/год
:
(4.52)

5 СИСТЕМА ТЕХНІЧНОГО ОБСЛУГОВУВАННЯ МОНОБЛОЧНИХ КОНДИЦІОНЕРІВ СУЧАСНИХ ПАСАЖИРСЬКИХ ВАГОНІВ
5.1 Установка кондиціонування повітря УКВ – 31.
Технічне обслуговування установки являє собою комплекс заходів, направлених на підтримку установки в стані постійної робото здатності, усунення дрібних несправностей, перевірку і налагодження (при необхідності) режимів роботи.
Прийнята система технічного обслуговування (ТО) передбачає види ТО:
а) Візуальний та інструментальний контроль стану установки, перевірка налаштування її елементів автоматичного регулювання і запобіжних пристроїв, перевірка герметичності спаяних, різьбових та фланцевих з’єднань трубопроводів, затяжки різьбових з’єднань вузлів, деталей та клемних затискачів.
б) Очистка вузлів і деталей, які забруднюються в процесі експлуатації.
в) Заміна елементів, які зношуються.
г) Контроль функціонування установки в цілому та її окремих вузлів.
д) Дозаправлення холодоагенту та оливи (при необхідності).
Об’єм та періодичність проведення перерахованих вище видів ТО наведені в таблиці 2.1.
Таблиця 2.1
Роботи, які проводяться в процесі ТО, періодичність та об’єм проведення робіт
| Вид ТО
|
Роботи, які проводяться в процесі ТО
|
Періодичність проведення
|
| Щомі-сячно
|
Раз в півроку
|
Щоріч-но
|
| а)
|
Контроль затяжки різьбових з’єднань, болтів, гайок і клемних затискачів.
Контроль герметичності з’єднань трубопроводів.
Контроль налаштувань реле тиску і ТРГ (перший раз контроль провести через 2 роки після вводу установки в експлуатацію)
Контроль рівня оливи
Контроль наявності холодоагенту
|
+
+
+
+
|
+
|
| б)
|
Очистка повітроохолоджувачів (поз. 5 рис. 1.2)
Очистка конденсаторів (поз.4.рис.1.2)
Очистка вентилятора конденсатора (поз. 3 рис.1.2)
Очистка отворів для зливу конденсату (поз. 3 додаток 9)
|
+
+
|
+
+
|
| в)
|
Заміна елементів, які фільтрують, в фільтруючих чарунках ( в зимовий час допускається проводити 1 раз в 2 місяці)
|
+
|
| г)
|
Візуальний контроль установки в робочому стані.
Візуальний контроль роботи вентиляторів та повітряних клапанів.
Перевірка роботи електроприводу заслінок повітряних клапанів.
Перевірка роботи датчика контролю витрат повітря шляхом блокування отворів подачі повітря (поз.2 і 3 рис.3.1)
|
+
|
+
+
|
+
|
| д)
|
Дозаправлення оливи та холодоагенту
|
В разі потреби
|
До експлуатації та технічного обслуговування установки допускаються тільки спеціалісти відповідної кваліфікації, ознайомлені з основами холодильної техніки, правилами улаштування та безпечної експлуатації електропристроїв та холодильних систем, які пройшли інструктаж з техніки безпеки та охорони праці, правилам пожежної безпеки і порядку надання першої допомоги при нещасних випадках та які вивчили діючі інструкції. Технічне обслуговування установки допускається проводити без його демонтажу з вагону при наявності в обслуговуючого персоналу необхідного інструменту та обладнання.
Порядок технічного обслуговування:
Під час експлуатації установка випробовує вібраційні дії і температурні коливання, що може призвести до ослаблення затягнення різьбових з’єднань, болтів, гайок та клемних затискачів, тому не рідше, ніж 1 раз в півроку потрібно підтягувати ці з’єднання та очищати їх.
Для контролю герметичності різьбових і спаяних з’єднань трубопроводів, вузлів та елементів холодильного контуру потрібно використовувати течешукач. Тип течешукача, що рекомендується: TIF-5750A фірми Refco або аналогічний.
При контролі герметичності особливу увагу потрібно звернути на пошук слідів оливи. Якщо вини знайдені, потрібно провірити течешукачем можливі місця витоку холодоагенту та оливи, і у випадку необхідності, усунути негерметичність.
Контроль налаштування реле високого тиску (поз.17 рис.1.1) проводити наступним чином. Закрити запірний гвинт на колекторі високого тиску. Через заправний ключ (рис.2.1 поз.8) та ніпельний штуцер на колекторі високого тиску підключити до останнього через редуктор тиску балон з сухим (точка роси не вище - 30ºС) азот (рис.2.2). Повільно відкриваючи редуктор, підіймати тиск в колекторі, контролюючи його величину по манометру (поз.20 рис.1.1). При надлишковому тиску 2,0МПа±0,07МПа (20 кгс/см2
±0,7 кгс/см2
) реле високого тиску повинне спрацювати і його контакти розімкнуться. Закрити редуктор на балоні з азотом. Від’єднати балон від ніпельного штуцеру. Через ніпельний штуцер, наприклад, за допомогою шлангу і заправного ключа повільно стравлювати тиск з колектору, слідкуючи за показникам манометру (поз.20 рис.1.1).


Рисунок 2.1 Інструмент і обладнання для обслуговування і ремонту установки:
1-заправна станція; 2-двоступінчатий вакуумний насос RD-4, RD-6; 3-манометричний колектор; 4-манометр;

Продовження рис. 2.1: 5 – вакуумметр; 6 – паяльний пост; 7 – набір ампул для тесту на кислотність оливи; 8 – ключ для дозаправки через ніпельний клапан, його видалення і стравлювання тиску;
9 10

Закінчення рис. 2.1: 9 – електричні терези TIF-9010;
10 – електричний течешукач TIF-5750А.

Рисунок 2.2 Схема установки для контролю налаштування реле високого тиску.
При надлишковому тиску 1,5 МПа ± 0,07 МПа (15,0 кгс/см2
± 0,7 кгс/см2
) реле високого тиску повинне спрацювати і його контакти замкнуться. Якщо в роботі реле високого тиску знайдені відхилення від заданих значень тисків спрацьовування його необхідно замінити . Після цього необхідно стравити тиск із колектору високого тиску через ніпельний штуцер, відкрити запірний гвинт колектора високого тиску і продути останній парами холодоагенту, ослабивши на короткий час (1,5-2сек.) клапан ніпеля.
Контроль налаштування запобіжного реле (поз.16 рис. 1.1) і реле тиску конденсації (поз.19 рис.1.1) проводити почергово. При цьому надлишковий тиск спрацювання повинні знаходитися в наступних межах:
- запобіжне реле: розмикання
2,25МПа±0,07МПа(22,5кгс/см2
±0,7кгс/см2
);
замикання 1,7МПа±0,04МПа (17 кгс/см2
±0,4кгс/см2
);
- реле тиску конденсації: розмикання
0,95МПа±0,05МПа(9,5кгс/см2
±0,5кгс/см2
);
замикання 1,25МПа±0,05МПа (12,5кгс/см2
±0,5кгс/см2
).
Примітка: Контроль налаштування реле тиску конденсації, реле високого тиску та запобіжного реле допускається проводити одночасно при одноразовому підключенні балона з азотом до колектору високого тиску. При цьому по черговість спрацювання відповідних реле в процесі наддування колектора і в процесі стравлювання із нього тиску визначаються вказаними вище значеннями надлишкових тисків спрацювання. Реле, в роботі яких знайдені аномалії, підлягають заміні.
Контроль налаштування реле низького тиску (поз.18 рис.1.1)проводять наступним чином. Закрити запірний гвинт на колекторі низького тиску. Через ніпельний штуцер на колекторі низького тиску за допомогою заправного ключа (див. рис.2.1 поз. 8) чи іншого інструменту (викрутки, штиря і т.п.) повільно стравлювати тиск холодоагенту із колектору, контролюючи його величину по манометру (поз. 21 рис.1.1).
При надлишковому тиску 0,05 МПа ± 0,02 МПа (0,5 кгс/см2
±0,2 кгс/см2
) реле низького тиску повинне спрацювати і його контакти розімкнуться. Повільно привідкрити запірний гвинт на колекторі низького тиску і наддувати колектор парами холодоагенту, контролюючи ріст тиску по манометру (поз. 21 рис. 1.1). При надлишковому тиску 0,2 МПа ± 0,02 МПа ( 2 кгс/см2
±0,2 кгс/см2
) контакти реле повинні замкнутись. Якщо в роботі реле низького тиску знайдені аномалії, його необхідно замінити.
Контроль кількості холодоагенту проводити не рідше одного разу в півроку. Для цього необхідно включити установку, вибрати режим охолодження і після виходу установки на режим (не раніше, ніж через 0,5 години після вмикання) провірити суцільність потоку рідкого холодоагенту в наглядовому склі на рідинній магістралі. При наявності в потоці рідини парових пухирців установку необхідно дозаправити. Для дозаправки установки діяти наступним чином. Балон з холодоагентом R 134a встановити на терези (бажано електричні) з точністю зважування не гірше ± 10 грамів в такому положенні, щоб холодоагент на виході із балону знаходився в паровій фазі.
Після цього закрити запірний гвинт всотуючого патрубка компресора і зняти заглушку з його ніпельного штуцера. Накрутити на штуцер заправний ключ (див. рис.1.4 поз.8). Накидну гайку з’єднувального шлангу від балону з холодоагентом надягнути на штуцер заправного ключа, завернути на більше, ніж 2-3 обороти. Не затягуючи накидну гайку на штуцері заправного ключа, на миттєвість відкрити гвинт балону і, упевнившись у витоку парів холодоагенту через різьбове з’єднання гайки і штуцера, відразу закрити цей гвинт. По тому повністю (до упору) затягнути накидну гайку з’єднувального (заправного) шлангу на штуцері заправного ключа, відкрити гвинт ключа і гвинт балону. Вмикнути установку в режимі охолодження і контролювати по терезам процес спорожнення балону.
Після відкачки 100 грамів холодоагенту із балону(більше 100 грамів холодоагенту відкачувати не дозволяється) вимкнути установку і закрити гвинт на балоні з холодоагентом. Відкрити запірний гвинт на всотуючій магістралі і вмикнути установку в режимі охолодження. Після 15 хвилин роботи знову перевірити суцільність потоку холодоагенту в наглядовому склі на рідкісній магістралі. При наявності в потоці парових пухирців операцію дозаправки повторити. Після того, як буде зафіксовано відсутність парових пухирців, від’єднати балон з холодоагентом і заправним ключем від ніпельного штуцера і поставити на місце заглушку штуцера.
Для контролю налаштування терморегулюючих гвинтів вмикнути установку в режимі охолодження і після приблизно 15 хвилин її роботи в цьому режимі за допомогою контактного добре тепло ізольованого термометра заміряти температуру всотуючи трубопроводів в зоні врізки в них тракту зовнішнього зрівнювання тиску ТРГ на виході із повітроохолоджувачів. Порівняти отримане значення температури з температурою, відповідною тиску всотування (показникам манометра поз. 21 рис 1.1). Виміряна температура кожного із трубопроводів повинна бути на10…14 К вище температури, відповідної тиску всотування. При необхідності відрегулювати налаштування кожного ТРГ окремо, якщо перегрів на одному із них чи на обох не відповідає вказаному діапазону.
Для регулювання налаштувань ТРГ необхідно діяти наступним чином. Зняти ковпачкові гайку з регулювального шпинделя ТРГ. Повернути шпиндель вправо (за часовою стрілкою),якщо перегрів нижче 10 К або вліво (проти часової стрілки), якщо перегрів вище 14 К (один оберт шпинделя змінює перегрів приблизно на 0,5 К в той чи інший бік). Дати установці можливість пропрацювати приблизно 15 хвилин в режимі охолодження і знову виміряти перегрів. Якщо після регулювання перегрів знаходиться в межах 12 К ± 2 К, регулювання закінчити, ковпачкові гайку на регулювальному шпинделі закрутити. Якщо після неодноразового регулювання перегрів виходить за межі 12 К ± 2 К, ТРГ потрібно замінити.
Очистку повітроохолоджувачів від пилу, дрібних часток та інших забруднень проводить щорічно за допомогою стиснутого повітря або неметалічної щітки. Перед очисткою повітроохолоджувачів необхідно видалити фільтруючі елементи із фільтруючих чарунок . Перед очисткою повітроохолоджувача прочистити та звільнити зливні отвори піддонів повітроохолоджувачів. Забороняється чистити повітроохолоджувачі паром, гарячою водою з температурою вище +40ºС, хімічно агресивними засобами. При використанні для очистки повітроохолоджувачів миючих засобів повітроохолоджувачі після очистки обов’язково промити чистою водою з температурою не вище +25ºС.
Очистку конденсаторів проводити щорічно за допомогою холодної води і неметалічної щітки. Забороняється застосовувати для очистки конденсатора гарячу воду з температурою вище +40ºС та хімічно активними засобами. При використанні для очистки конденсаторів миючих засобів конденсатори після очистки обов’язково промити чистою водою з температурою не вище +25ºС.
Заміну фільтруючих елементів в фільтруючих чарунках проводити щомісячно. Допускається в період з 1 грудня до 1 квітня заміну фільтруючих елементів проводити 1 раз в два місяці. Заміна фільтруючих елементів проводиться наступним чином. Відключити та знеструмити установку, відкрити кришки в дахові вагона та звільнити доступ до люків для заміни фільтруючих елементів. Зняти люк для заміни фільтруючих елементів. Викрутити невипадаючий гвинт фіксуючої планки та, притримуючи рукою корпус фільтруючого елемента, опустити планку вниз. Вийняти перший фільтруючий елемент із фільтруючої чарунки, опустивши його вниз. Відсунути вбік по напрямній другий фільтруючий елемент та вийняти його із фільтруючої чарунки. Вставити почергово нові фільтруючі елементи в фільтруючі чарунки. Закріпити фіксуючу планку, закрутивши невипадаючий гвинт. Встановити люк. Закрити кришки даху вагону.
Примітка: Допускається багаторазове (3-4 рази) повторне використання фільтруючих елементів після їх промивки і сушки. Забороняється встановлювати вологі фільтруючі елементи. Категорично забороняється експлуатація установки без фільтруючих елементів.
В установці для змащування компресора використовується синтетична ефірна холодильна олива BSE-170, повна дозаправка якого складає 3 літри. Використання інших типів синтетичних ефірних олив не рекомендується. При штатній експлуатації установки в нормальних умовах заміна чи дозаправка оливи, як правило не потрібна протягом всього терміну експлуатації. Проте під час технічного обслуговування установки, після її ремонту внаслідок якихось причин, не передбачених штатною експлуатацією, рівень оливи в наглядовому склі компресора може опуститися нижче ¼ висоти наглядового скла. В цьому випадку потрібно провести дозаправку оливи. Категорично забороняється використання мінеральних, алкилбензольних олив та їх сумішей, а також доливка вказаних типів олив до ефірної оливи. Синтетичні ефірні оливи надзвичайно гігроскопічні. Ємності та каністри з цими оливами повинні бути герметично закриті. Для дозаправки оливи необхідно відключити та знеструмити установку, закрити запірні гвинти на всотуючому та нагнітаючому патрубках компресора та зняти заглушку з ніпельного клапана штуцера трійника високого тиску на корпусі компресора(див.рис.2.3 поз.5). Через ніпельний клапан штуцера на трійнику високого тиску за допомогою спеціального ключа (див. рис.2.1 поз.8) чи іншого інструменту (викрутки, штиря і т.п.) повільно повністю стравити надлишковий тиск холодоагенту із внутрішньої порожнини компресора, контролюючи його величину по манометрам колекторів високого та низького тисків.
Після повного стравлювання тиску вивернути ніпельний клапан із штуцера і під’єднати до останнього трубку із зовнішнім діаметром ¼’’ SAE(7/16’’—UNF по стандарту DIN 8904), для чого кінець трубки розвальцювати. Під’єднати до штуцера на гвинті нагнітання (поз.4 рис.2.3) вакуумний насос.
Примітка: В якості вакуумного насоса рекомендується використовувати двоступінчатий насос одного з наступних типів : ROYAL-2, RD-4, RD-6 фірми Refco (див. рис. 2.1 поз.2) або аналогічний.
Вільний кінець трубки, який приєднаний до трійника високого тиску, пропустити через пробку (кришку), що закриває горловину ємності з оливою, і опустити якомога глибше в оливу. При цьому рекомендується пробку (кришку) з отвором для трубки підготувати заздалегідь, а заміну штатної пробки (кришки)ємності з оливою на пробку (кришку) з отвором провести якомога швидше безпосередньо перед тим, як опустити в ємність з оливою трубку для дозаправки олива і розпочати вакуумування внутрішньої порожнини компресора. Вмикнути вакуумний насос і контролювати надходження оливи в компресор по наглядовому склу (поз.3 рис.2.3). Надлишок оливи так само небезпечний, як і його недостача. Не переповнюйте картер компресора оливою.
При досягненні рівня олива не більше ¾ висоти наглядового скла вимкнути вакуумний насос і від’єднати трубку ¼” від штуцера трійника високого тиску. Якщо після дозаправки в каністрі залишилась олива, якомога швидше герметично закрийте каністру. Пам’ятайте, що після 10…15 хвилин перебування на відкритому повітрі синтетична ефірна олива насичується атмосферною вологою і стає непридатною для використання. Вкрутити ніпельний клапан в штуцер на трійнику високого тиску і поставити на неї заглушку. Вмикнути вакуумний насос і відвакуумувати внутрішню порожнину компресора до абсолютного тиску не вище 50 Па.
Примітка: Для вимірювання абсолютного тиску рекомендується використовувати електричний вакуумметр DV-150 фірми Refco або інший аналогічний прилад.
Відкрити запірні гвинти на всотуючому та нагнітаючому патрубках компресора. При необхідності дозаправити установку холодоагентом. Після закінчення робіт по технічному обслуговуванні заповнити таблицю робочих параметрів установки (див. дод.4), закрити і опечатати люк обслуговування, закрити кришку клемної коробки і технологічний люк, вимкнути установку.
5.2 Технічне обслуговування установки кондиціонування повітря пасажирських вагонів АВК – 30
Планове технічне обслуговування кондиціонеру і його складових частин проводиться незалежно від технічного стану кондиціонеру та умов розміщення обладнання. Своєчасне і якісне виконання заходів по обслуговуванню запобігає появу несправностей та відмов у роботі і забезпечує високий рівень експлуатаційної надійності кондиціонеру. Всі несправності, виявлені в процесі обслуговування кондиціонера, повинні бути усунені, зауваження про технічний стан занесені в паспорт кондиціонера. Працездатність кондиціонеру забезпечується плановим періодичним обслуговуванням в проміжках між періодами безперервної роботи, перечень якого наведений в таблиці 5.2
Таблиця 5.2
Перечень характеристик ТО, періодичності, робіт та інструментів
| Характеристика технічного обслуговування
|
Періодичність
|
Перечень робіт.
Інструмент та матеріали
|
| Періодична перевірка справності кондиціонеру
|
1 раз в місяць
|
Перевірити кріплення частин кондиціонеру, у випадку необхідності підтягнути кріплення . перевірити стан лакофарбних покриттів та цілісність теплоізоляції. При виявленні слідів корозії провести зачистку пошкоджених місць і відновити лакофарбні покриття .
Трудомісткість 2 н/ч
|
| 1раз в рік
|
Виконати роботи місячного періоду технічного обслуговування. Очистити грати повітряного конденсатору від бруду.
Трудомісткість 2 н/ч
|
На зимовий період кондиціонер закривається кришками, що входять у комплект поставки кондиціонера.
 
Рисунок 5.3 Герметичний гвинтовий холодильний компресор VSK 3161-15Y:
1- всотуючий патрубок (запірний гвинт входить в комплект поставки); 2-клемна коробка; 3- наглядове скло; 4- нагнітаючий патрубок з запірним гвинтом типу Rotalock; 5- штуцер з ніпельним клапаном і заглушкою трійника високого тиску; 6- трійник високого тиску; 7- патрубок для підключення колектора високого тиску; 8- штуцер з ніпельним клапаном і заглушкою трійника високого тиску; 9- трійник низького тиску; 10- патрубок для підключення колектора низького тиску; 11- пробка для зливу оливи
5.3 Технічне обслуговування установки кондиціонування повітря пасажирських вагонів Україна – 2
В цьому розділі описуються задачі по обслуговуванню, які не потрібно виконувати систематично по загальним нормам без необхідності демонтажу обладнання, за виключенням недосяжних деталей чи деталей з важким доступом.
Щоб не модифікувати установку повернення повітря до входу гнучких вхідних повітропроводів, їх можна демонтувати і монтувати існуючими виїмками вагону. Для очистки фільтрів потрібно вийняти їх із рам і промити їх відповідним миючим засобом. Рекомендується держати комплект запасних фільтрів, щоб заміняти їх без втрати часу на обслуговування. Для монтажу чистих фільтрів потрібно виконати зворотні дії відносно процесу демонтажу. Частота, з якою потрібно здійснювати цю очистку, повинна бути визначена умовами функціонування та навколишнього середовища, в якому працює кондиціонер.
Для очистки батарей промиваються хвилясті поверхні з ціллю зменшення забруднення, яке не дозволить хорошу передачу тепла між охолоджувачем та повітрям. Надмірне забруднення батарей призводить до втрати ефективності обладнання та функціонування з короткими циклами та надмірними тисками.
Щоб здійснити очистку батареї конденсатора, потрібно діяти наступним чином:
- відкрити кришку ящика випарника і дістати електричні опори, відділювач вологи і коробку вентиляторів;
- очистити батарею, від порожнини відділювача вологи до нагнітання, зжатим повітрям чи водяним паром;
- випрямити за допомогою м’якої щітки лопаті, зігнуті під час очистки;
- висушити батарею та видалити бруд, який міг потрапити в корпус установки кондиціонування повітря, щоб уникнути неприємних запахів, що виникають всередині від пилу, що накопичився.
Щоб очистити конденсаторнути в корпус установки кондиціонування повітря, щоб уникнути неприємних запахі батарею, потрібно виконувати наступні дії:
- очистити батарею зжатим повітрям чи водяним паром від зовнішньої частини батареї до внутрішньої частини коробки конденсатора;
- випрямити за допомогою м’якої щітки лопаті, зігнуті під час очистки;
- висушити батарею та прибрати бруд, який міг потрапити в коробку конденсаторів. Воду, що залишилась в коробці, рекомендується видалити пилососом;
- рекомендовано здійснювати очистку батареї в захисних окулярах, бути особливо обережним та не пошкодити лопаті батарей, направляти очищувальну струю прямо на батарею, ніколи не потрібно направляти її з боку.
Обладнання оснащене трьома зондами температури. Вони повинні бути підключені до з’єднувальної коробки, яка в свою чергу повинна підключатись до пристрою управління кондиціонером повітря.
Злив охолоджувача установки за допомогою насосу системи охолодження заклечається в перекачуванні всього охолоджувача із системи в бак охолоджувача. Цю операцію необхідно проводити так:
- замінити елемент дегідратора;
- усунути витік між випускною трубою бака охолоджувальної рідини і випарником батареї;
- усунути витік між з’єднувальними трубами батареї конденсатора і компресора;
- перевірити кількість охолоджувача, що є в системі.
Для цього потрібно діяти наступним чином:
1 Запустити обладнання;
2 Перекрити пропускний клапан на виході баку рідини. Тиск всотування буде знижуватись, поки компресор не зупиниться в наслідок спрацювання управління чи пресостата безпеки низького тиску;
3 Відключити обладнання;
4 Закрити вхідний клапан бака для рідини.
При необхідності заміни компресора із-за того, що згорів двигун, із системи повинен бути повністю видалений охолоджувач, для цього потрібно зробити наступне:
Для повного зливу охолоджувача із установки рекомендується використовувати насос рекуперації охолоджувача R – 134а.
Якщо було виявлено витік охолоджувача в процесі обслуговування з’єднань, хомутів чи патрубків, він може бути усунений затягуванням болтів і гайок відповідного з’єднання.
Якщо є витоки в з’єднанні чи пробці компресора потрібно відкачати охолоджувач в бак для рідини. Потому закрити всотуючий і зливний клапани компресора. Послабити з’єднання, яке підлягає ремонту, і дати вийти через нього газу, перед тим як зняти його. Замінити з’єднання, не зжимаючи його. Відкрити впускний і зливний клапани компресора і залишити, щоб через з’єднання вийшов газ і повітря. Далі закрити з’єднання.
У випадку аварії по причині витоків конденсаторів чи згідно плану обслуговування, необхідно демонтувати конденсатори для їх ремонту чи чистки.
Компресор оснащення системою управління продуктивності, яка може регулювати його продуктивність у відповідності з вимогами завантаження охолоджувача. Функціонування система управління продуктивністю наступне. Як елемент контролю існує гідравлічно активуючий поршень, який розташований в крайній точці головного ротора і який при повному завантаженні строго прилипає до передньої стінки відносно картера, запобігаючи циркуляцію охолоджувача в режимі зворотного ходу.
За допомогою цього методу типові втрати, які є при регулюванні системами ковзання з направляючими, запобігаються. Для зменшення охолоджуючої потужності поршень рухається вліво, даючи можливість зворотного ходу охолоджувача до всотування. Здійснюється електричне керування посередництвом соленоїдного клапану, розташованого на зовнішньому приймачеві компресора. Повне завантаження компресора 100%: електроклапана ввімкнений. Часткове завантаження компресора 50%: електроклапана вимкнений. Необхідно перевіряти правильний рівень оливи кожні 3 місяці і в необхідних випадках здійснювати доливку.
6 ТЕХНІЧНА ДІАГНОСТИКА УСТАНОВОК КОНДИЦІОНУВАННЯ ПОВІТРЯ СУЧАСНИХ ПАСАЖИРСЬКИХ ВАГОНІВ
6.1 Призначення технічної діагностики
Кондиціонування повітря – створення та автоматичне підтримання в закритих приміщеннях, засобах транспорту і т.д. температури, відносної вологості, чистоти, складу швидкості руху повітря, найбільш сприятливих для самопочуття людей (комфортне кондиціонування повітря) чи ведення технологічних процесів, роботи обладнання та приладів (технічне кондиціонування повітря).
Всі впливи, які передаються на систему кондиціонування повітря, можна розділити на внутрішні і зовнішні. До зовнішніх впливів відносяться швидкість руху вагону, вітер, атмосферні опади, сонячна радіація, температура навколишнього середовища.
Швидкість руху вагону впливають на рівень шуму, вібрації та інтенсивність обдуву кузова, які загалом є змінними як по довжині кузову, так і по поперечному перерізу вагону.
Атмосферні опади, сонячна радіації, температура навколишнього середовища і вітер можуть в широких межах змінювати тепловий баланс кузова вагону і багато в чому визначають вибір параметрів ізоляції, систем опалення, охолодження та вентиляції. При несприятливому поєднанні ці впливи значно утруднюють роботу систем кондиціонування повітря.
До внутрішніх впливів відносять зміну теплового балансу і газового складу в результаті життєдіяльності пасажирів, протікання біохімічних процесів в вантажах, які перевозяться.
Параметри цих впливів також можуть змінюватися в широких межах.
Не дивлячись на коливання параметрів зовнішніх та внутрішніх впливів, в середині вагону повинні зберігатись насамперед задані параметри повітря, найбільш сприятливі для об’єкту, який обслуговується. Наприклад, відомо, що самопочуття пасажира залежить від комплексного впливу на його організм температури, відносної вологості, швидкості, чистоти та барометричного тиску повітря. Одночасне виконання цих умов представляє собою значні складнощі. Із вікон зимою витоки тепла значно більш інтенсивні, ніж із інших частин кузова вагону, оснащених теплоізоляцією. Щоб пасажир не відчував холоду від вікна, система опалення повинна поповнити ці витоки теплоти. При чому тепле повітря від системи опалення так повинне змішуватись з холодним повітрям від вікон, щоб виходило рівномірно нагріте повітряне середовище в зоні пасажира і без виділення вологи на огороджуючих панелях. Одночасно прилади опалення не повинні створювати перегрітого повітря під сидіннями та іншими конструкціями купе. Але пасажир сам виділяє тепло і вживає кисень, тому система вентиляції повинна з рівномірною швидкістю та температурою подавати свіже повітря (насичене киснем) та прибрати відпрацьоване (витяжна вентиляція), зберігаючи баланс вологості та тиску.
6.2
Структурна схема технічної діагностики
Структурні схеми кондиціонування повітря можна представити схемою (рис. 6.1), в якій система кондиціонування повітря складається із ряду взаємопов’язаних підсистем: регулюючих Р, контролюючих К та аварійно відключаючи А пристроїв. Крім основних підсистем, таких як вентиляція В, холодильне Х та опалювальне О обладнання, фільтрація Ф та вологісна обробка Вл
повітря, систему кондиціонування повітря включена підсистема ізоляції І кузова вагону. Ізоляція вагону забезпечує не лише шумо- та вітрозахист, але й підвищує теплову інерцію та герметичність кузова. Тому інші підсистеми кондиціонування повітря необхідно розглядати з обов’язковим урахуванням якості ізоляції та навпаки, оцінка технічного стану ізоляції повинна проводитися на основі техніко – економічного аналізу роботи опалення, охолодження та вентиляції.

Рисунок 6.1 Структурна схема системи кондиціонування повітря у вагонах
Основні підсистеми взаємодіють: з регулюючими пристроями РВ, РХ, РО, РФ, РВл
; аварійно - відмикаючими – АВ, АХ, АО, АФ, АВл
відповідно вентиляції В, холодильного Х та опалювального О обладнання, фільтрації Ф, вологісної обробки повітря Вл
; контролю якості ізоляції КІ та пристроями пожежо – електробезпеки ПЕб.
Сучасна холодильна установка вагону – це складний та різнохарактерний комплекс пристроїв, що забезпечують отримання та використання штучного холоду. Цей комплекс зазвичай складається із одної або декількох холодильних машин з системами комунікаційних трубопроводів різного призначення: автоматизації та контролю; будівельних споруд; енергозабезпечення; охолодження; споживачів холоду.
Структурна схема охолодження повітря в вагоні приведена на рис. 6.2. до основних підсистем відносяться: джерело енергії ДЕ; холодильний агрегат Х; робочий проміжний теплообмінник РТ; основний теплообмінник ОТ; пристрою загального Р та індивідуального ІР розподілення повітряних потоків; вентиляторні агрегати В з фільтрами Ф і забірними пристроями З. Ці підсистеми пов’язані один з одним і працюють як один комплекс. Крім того, в цей комплекс входять регулювальні пристрої РІЕ, РХ, РРТ, РОТ і прилади аварійного відключення АІЕ, АХ, АРТ відповідних підсистем.
По даним груп надійності рефрижераторних вагонних депо на компресор холодильної машини приходиться 15% відмов в рік, теплообмінні апарати і трубопроводи – 25% та електрообладнання з приладами автоматики – 60%.
Хоча у відсотковому відношенні відмов електрообладнання та трубопроводів значно більше, ніж компресорів, але їх швидко виявляють та усуває поїзна бригада. Зафіксовані відмови компресорів характеризують останню фазу відмови, так як поступове зниження його холодопродуктивності із-за зносів складових частин встановити важко. Крім того, при виході з ладу компресора поїзна бригада не може усунути цю відмову, що може призвести до псування перевізного вантажу. Тому, як і в інштих системах, на першому рівні діагностування вирішують завдання інтегральної оцінки технічного стану холодильного обладнання вагона. Такою інтегральною оцінкою є цого основна зовнішня характеристика – холодопродуктивність, яка визначається властивостями холодоагента і значеннями температур конденсації і кипіння, а також технічним станом всієї системи.
Холодопродуктивність холодильної машини є змінною величиною, так як зі зниженням температури повітря, яке охолоджує, змінюється температура кипіння холодоагента. Тому для оцінки холодопродуктивності холодильної машини потрібно мати умови стаціонарного процесу охолодження. Внаслідок, визначити чисельне значення холодопродуктивності можна в тому випадку, якщо є якісь нормовані значення температури конденсації і кипіння холодоагента. Але для справної машини температура конденсації однозначно зв’язана з температурою навколишнього середовища, а температура випаровування – з температурою повітря у вагоні. Як наслідок для інтегральної оцінки технічного стану холодильної машини потрібно стабілізувати ці параметри чи побудувати їх характеристики.
Рисунок 6.2 Структурна схема системи охолодження повітря у вагоні
У виробничих умовах діагностування технічного стану холодильного обладнання вагонів починають з поняття його холодопродуктивності нетто і брутто.
При випробуваннях системи охолодження вагона необхідно, щоб зовнішні і внутрішні теплопоступання відповідали розрахунковим. Випробування зазвичай проводять в кліматичних камерах з імітацією теплових впливів за допомогою електричних печей і повітрозволожувачів. Вагон, який випробовується, по рельсовій колії вкочують в камеру, яка герметизуються дверми. Вентилятори створюють циркуляцію повітря, яке підігрівається в підігрівачі і насичується вологою у зволожувачі. Камера обладнана системою автоматичного регулювання швидкості руху, температури і вологості повітря.
Імітацію тепловиділень всередині вагона проводять з використанням електропечей. Наприклад, якщо необхідно імітувати тепло надходження від п
п
пасажирів, то додатково вмикають електропечі потужністю, Вт,
ΔQе
= п
п
(186 – 4,65 t
в
)
Та випарники води паропродуктивністю, кг/год,
Δα = п
п
(0,0076 t
в
- 0,012),
де t
в
– температура повітря у вагоні.
Перед проведенням випробувань холодильне обладнання оглядають і з допомогою галоїдної лампи виявляють можливі нещільності та витоки холодоагенту. Перевіряють кількість холодоагента та оливи і при необхідності проводять дозаправку. Потому роблять пробне включення холодильної установки. При пробному включенні установки перевіряють температуру випаровування холодоагенту і його пару в колекторі випарника, температуру конденсації пару холодоагентом, що нагнітається компресором, різниця показів масляного манометра і мановакуумметра. Схема розміщення вимірювальної апаратури для визначення холодопродуктивності порожнього вагону приведена на рис. 6.3 . Вимірюють температуру вхідного рециркуляційного 1 і зовнішнього 2 повітря, температуру повітря перед 4 і після 6 випарника 5, на вході 7 і виході 9 із конденсатора 8. Окрім того вимірюють швидкість руху повітря в повітроводах і характеристики роботи холодильної установки. Холодопродуктивність визначають по кількості тепла , що поглинається випарником від повітря, яке проходить через вентилятор 3. Знаючи співвідношення кількості і температури зовнішнього і рециркуляційного повітря, а також температуру перед і після випарника 5 з урахуванням вологості повітря, визначають холодопродуктивність порожнього вагона.
Недоліком цього методу є складність точного визначення вологовмісту у випадку імітації паро виділень, так як частина пару може видалятися чи поступати із ззовні в наслідок інфільтрації через нещільності кузову, особливо при русі поїзда чи сорбіруватися внутрішнім обладнанням вагону.
Для визначення холодопродуктивності порожнього вагону іноді використовують другий метод, оснований на вимірюванні температур повітря в чотирьох точках повітроводу і відносної вологості його ззовні і всередині вагону. Далі використовуючи відповідну діаграму, знаходять необхідні параметри і розраховують холодопродуктивність.
Холодопродуктивність завантаженого вагону надходять також двома способами: по кількості тепла, відданого повітрю в конденсаторі, і відношенню змін ентальпії холодоагенту у випарнику і конденсаторі; по параметрам холодоагенту, що циркулює в системі.
В першому випадку холодопродуктивність
Qх бр
= rмв
Wв
(t
вих
- t
вх
) Δі
и
/Δі
к
,
де rмв
– витрати маси повітря, що проходить через конденсатор, кг/с;
Wв
– теплоємність повітря;
t
вих
,t
вх
– температура повітря на виході та вході в конденсатор, ºС;
Δі
и
,Δі
к
– зміни ентальпій холодоагенту у випарнику і конденсаторі, кДж/кг.
Різниця ентальпій холодоагента на вході та виході із теплообмінного агрегату визначається за допомогою lg
p
–
i
– діаграми для даного холодоагента, на якій по відомим температурам на вході та виході і тискам конденсації та випаровування будується цикл холодильної машини. Холодопродуктивності завантаженого та порожнього вагона для даної установки не повинні відрізнятись на більше, ніж 7 – 10 %. При більшій різниці необхідна більш детальна діагностика з метою виявлення несправностей. Аналогічний підхід до діагностики холодильного обладнання може бути використаний, якщо відсутня випробовувальна камера. Для перевірки обладнання вагон подають в приміщення депо, де підримується постійна температура. Теплоподачу від зовнішнього повітря і сонячної радіації імітують включенням печей, потужність яких визначають за формулою, Вт,
ΔQе
= Κа
Sк
Δt
рд
+ Κкр
Sкр
Κпкр
Δкр
/αн
+ (Κст
Sст
Κпст
/αн
+ Κ’сос
Κ”сос
Sокон
)Δст
,
де Κа
– коефіцієнт тепловіддачі кузова, Вт/(м2
К);
Sк
– поверхня кузова, м2
;
Δt
рд
– різниця розрахункової та дійсної температур зовнішнього повітря;
Κкр
, Κст
– коефіцієнти тепловіддачі даху та бокової стіни, Вт/(м2
К);
Sкр
, Sст
– площа поверхні даху та бокової стіни, м2
;
Δкр
, Δст
– різниця розрахункової та дійсної інтенсивностей радіації на даху та бокових стінах вагону;
Κпкр
, Κпст
– коефіцієнти поглинання сонячних променів поверхнями даху та бокової стіни;
Κ’сос
, Κ”сос
– коефіцієнти пропуску сонячних променів віконним склом (зовнішнім та внутрішнім);
Sокон
– поверхня вікон сонячного боку, м2
.
Імітувавши таким чином зовнішній тепловий вплив починають випробовування за описаною вище методикою. Якщо в результаті першого етапу діагностування встановлено, що холодильне обладнання не забезпечує потрібних параметрів по холодопродуктивності, то на другому етапі контролю шукають неполадки які виникли.
8 ОХОРОНА ПРАЦІ ТА ТЕХНІКА БЕЗПЕКИ ПРИ МОНТАЖІ, ЕКСПЛУАТАЦІЇ ТА РЕМОНТІ УСТАНОВОК КОНДИЦІОНУВАННЯ ПОВІТРЯ ПАСАЖИРСЬКИХ ВАГОНІВ
Порушення правил техніки безпеки при монтажі, експлуатації, технічному обслуговуванні та ремонті установки може призвести до травм та нещасних випадків, пов’язаних з механічними пошкодженнями, ураженням електричним струмом та шкідливою дією холодоагента на організм людини.
При монтажі, експлуатації, технічному обслуговуванні і ремонті установки потрібно користуватися лише справним інструментом. Забороняється працювати під установкою, підвішеною над вагоном або поверхнею землі (фундаменту) за допомогою крану, лебідки чи будь-якого іншого ванажепідйомного механізму.
При огляді установки дозволяється користуватися лише переносними електроосвітлювальними приладами, з напругою не більше 36 В чи електричними акумуляторними ліхтариками, не користуватися для освітлення відкритим вогнем.
При роботах, пов’язаних з можливістю ураження електричним струмом застосовувати захисні засоби (інструмент з електроізольованими ручками, діелектричні боти, ковбики і т.п.). на всіх вимикачах і рубильниках, за допомогою яких на установку, яка обслуговується, може бути подана напруга, повинні висіти плакати з надписами – «Не вмикати! Працюють люди».
Корпус кондиціонера повинен бути надійно заземлений у відповідності з ПУЕ.
До технічного обслуговування кондиціонеру допускаються особи, які вивчили склад кондиціонеру, дійсний технічний опис і формуляр, які пройшли навчання по хладоновим холодильним установкам та особи, що мають посвідчення на право роботи з цими установками, а також особи, які пройшли інструктаж по дотриманню правил техніки безпеки.
Особи, що експлуатують кондиціонер повинні:
- вміти користуватися індивідуальними засобами захисту, наявність яких необхідне при експлуатації;
- вміти надавати першу медичну допомогу при отруєнні, травмуванні чи ураженні електричним струмом;
- пам’ятати, що халатне чи невміле користування обладнанням і пристроями може призвести до виходу із ладу кондиціонера чи до нещасного випадку;
- знати, що при вмісті Хладону 22 у повітрі приміщення більше 30% по об’єму з’являються признаки отруєння організму із-за недостачі кисню;
- вимкнути негайно кондиціонер при появі несправності і зняти напругу з роз’ємів, встановлених на кондиціонері;
- виконувати які-небудь роботи на кондиціонері, після того, як знята напруга з кондиціонеру.
Холодоагент R134а, що використовується в установці, є нетоксичним пожежовибухобезпечним хімічним з’єднанням. Разом з тим, при поводженні з холодоагентом підчас експлуатації, технічного обслуговування і дозаправлення установки необхідно дотримуватись ряд загальних заходів перестороги, що дозволяють уникнути травм, аварій та нещасних випадків.
В приміщеннях, де зберігається чи використовуються холодоагент, не допускається наявність відкритих джерел вогню та паління. При високих температурах холодоагент починає розкладатись з виділенням з’єднань фтору, тому у випадку пожежі потрібно користуватись ізолюючими чи фільтруючими протигазами.
При підвищенні концентрації парів холодоагенту в робочому приміщенні вміст кисню в повітрі падає, в результаті чого може наступити кисневе голодування, яке в особливо важких випадках супроводжується задухою. Уважно слідкуйте за станом примусової (якщо така є) або природною вентиляцією, регулярно провітрюйте приміщення, де зберігаються або використовуються холодоагенти.
При роботі з холодоагентом потрібно остерігатись його попадання в очі, на шкіру рук та обличчя. Потрібно користуватися захисними рукавицями та окулярами. У випадку попадання холодоагенту на незахищені ділянки шкіри негайно змити його чистою холодною водою, а при серйозних обмороженнях звернутися до лікаря.
Ніколи не заповнюйте холодоагентом весь внутрішній об’єм балонів і ємностей, призначених для його зберігання та накопичення. Заповнення рідиною не повинне перевищувати 80 % внутрішнього об’єму балону.
Приступаючи до роботи з холодоагентом, потрібно забезпечити поблизу наявність аптечки з необхідними медикаментами та засобами надавання невідкладної медичної допомоги.
При електроопіках необхідно вийняти із індивідуального медичного пакету серветку, змочивши її в 0,4…1%-му розчині новокаїну чи в рідині проти опіків, і накласти на рану, потому накласти шар вати, перебинтувати і відправити постраждалого в медпункт.
Для надання першої допомоги при ураженні людини холодоагентом потрібно мати в аптечці нашатирний спирт, валеріанові краплі, питну воду, мазь Вишневського чи пеніцилінову мазь, стерильні серветки, бинти і вату, а також дерев’яні лопатки і темні захисні окуляри.
При отруєнні холодоагентом потерпілого виносять на свіже повітря чи в чисте тепле приміщення. Його звільняють від стискуючого дихання одягу, забруднений холодоагентом одяг знімають. Потерпілому дають вдихати кисень протягом 30-40 хвилин, його зігрівають грілками, дають вдихати з ватки нашатирний спирт і пити міцний чай або каву. Незалежно від стану потерпілого направляють до лікаря. При появі задухи, кашлю хворий при транспортуванні повинен лежати.
Якщо має місце подразнення слизистої оболонки, то ніс і глотку полощуть 2% водним розчином соди чи водою. При попаданні холодоагенту в очі їх ретельно промивають великою кількістю води. Потому до приходу лікаря надягають темні захисні окуляри. Забинтовувати очі, накладати на них пов’язку не варто.
Потрапляння холодоагенту на шкіру може викликати обмороження. Уражену кінцівку занурюють в теплу воду (з температурою 35-40ºС) на 5-10 хвилин, а у випадку ураження великої ділянки шкіри роблять загальну ванну. Шкіру після ванни висушують, прикладаючи рушник, але не розтираючи. Після цього на уражену ділянку шкіри накладають мазеву пов’язку чи змащують за допомогою дерев’яної лопатки маззю. Дозволяється для цієї цілі використовувати несолоне вершкове масло чи соняшникову олію.
Загальні заходи безпеки при виконанні робіт по технічному обслуговуванні і поточному ремонті установки повинні відповідати вимогам системи стандартів з безпеки праці (ССБП), відомчим нормам та інструкціям з техніки безпеки, на підприємствах яких можуть виконуватись ремонтні роботи з установкою. При відкритті стелі вагону, люків обслуговування і технологічного потрібно бути обережним і для уникнення опіків не доторкатись гарячих трубопроводів холодильного контуру.
При стравлюванні надлишкового тиску холодоагенту із будь-яких елементів контуру будьте обережні. Для уникнення обморожень операцію по стравленні тиску проводити лише в рукавицях та захисних окулярах.
Роботи по спаюванні трубопроводів потрібно проводити лише в приміщеннях, які провітрюються, при наявності засобів пожежегасіння. Під час цих робіт в приміщенні повинна безперервно функціонувати система вимушеної вентиляції, якщо така є в наявності. При її відсутності всі вікна і двері в приміщенні повинні бути відкриті настіж. Для виконання робіт по зварюванні і спаюванні повинні бути задіяні лише кваліфіковані спеціалісти. Перед початком робіт необхідно переконатись, що в трубопроводах відсутні вибухонебезпечні суміші і олива. Труби перед спаюванням і під час пайки необхідно продувати сухим азотом з витратами не менше 0,12·10-3
м3
/с (0,12л/с).
|