РАСЧЕТ СВЕТОТЕХНИЧЕСКОЙ УСТАНОВКИ ЖИВОТНОВОДЧЕСКОГО ПОМЕЩЕНИЯ
Введение
Проектирование светотехнических установок (СТУ) для животноводческих помещений имеет ряд специфических особенностей, связанных, в первую очередь, с технологией содержания животных.
Животноводческие помещения имеют, как правило, прямоугольную форму, причем длина в несколько раз превышает ширину помещения. Это объясняется тем, что животные располагаются в несколько рядов, поскольку считается, что при таком расположении легче механизировать процессы обслуживания животных.
Возможные схемы расположения светотехнических приборов (СП) очень часто ограничиваются условиями обслуживания этих приборов. Расположение СП над зонами нахождения животных не является удачным, в смысле обслуживания, решением и прибегают к подобному варианту лишь в исключительных случаях – УФ-облучение животных или ИК-обогрев молодняка.
Лучистая среда животноводческого помещения (имеется в виду весь оптический диапазон) является мощным технологическим фактором, способным оказать значительное воздействие на состояние здоровья и продуктивность животных. Именно это заставляет исходить, при проектировании СТУ, из принципа – животным должно быть обеспечено гарантированное воздействие. Поэтому, единственно допустимым, является использование, при проведении расчетов, только точечного метода.
1. Исходные данные
Расшифровка обозначения варианта:
4 – Птичник напольного содержания,
1 – источник оптического излучения: лампа накаливания,
3 – уровень искусственной освещенности: Е= 30 лк,
h = 2,5 м – расчетная высота,
А = 86 м – длина помещения,
В = 12 м – ширина помещения.
2. Ориентировочный расчет СТУ
1. Согласно ТЗ, для данного варианта источником оптического излучения является лампа накаливания. Поэтому выбираем светильник ППР 200 рассеянного типа с кривой силы света (КСС) типа М
– равномерная ( ).
2. Принимаем величину =2,0: определим оптимальное расстояние между СП по формуле:
,

Для данного помещения оптимальным является расположение СП в 2 ряда.
Определяем число светильников: ,
Следовательно, в ряду устанавливаем 17 светильников. Общее количество светильников рабочего освещения на проектируемом участке 34.
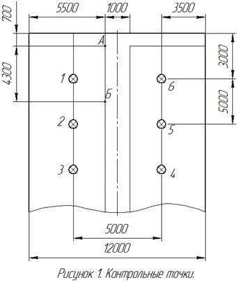
3. Определяем «наихудшие» (контрольные) точки и рассчитываем для них условную облученность (освещенность), используя график линейных изолюкс для выбранного светильника ППР 200 (Приложение Б метод. указаний).
В данном случае СП располагаются в вершинах прямоугольников, поэтому выберем две точки как показано на Рис. 1 и определяем, в какой точке освещенность будет хуже.

Для точки Б: м
, лк
,
м
, лк
,
м
, лк
,
м
, лк
лк
,
лм
.
Для точки А: м
, лк
,
м
, лк
,
м
, лк
,
м
, лк
,
м
, лк
,
м
, лк
,
лк
,
лм
.
Т.к. в проектируемой СТУ точка А встречается всего 4 раза, а точка Б -32 раза, то целесообразно выбрать контрольной точкой точку Б со световым потоком 2828 лм.
Подбираем ближайшую стандартную лампу накаливания, поток которой может отличаться от значения, рассчитанного для контрольной точки Б (Ф=2828 лм
), в пределах от минус 10% до +20% (2545 – 3393 лм), из Приложения В методических указаний. Данное условие удовлетворяет лампа Г-200, световой поток которой равен 2800 лм, мощность – 200 Вт
.
Вывод: СТУ состоит из двух рядов, в каждом ряду по 17 светильников ППР 200 с лампами накаливания Г-200.
План светотехнической установки приведен в Приложении на Рисунке 2.
3. Расчет питающей сети
1. Расположим светильники на тросовой проводке.
Тросовые электропроводки могут выполняться кабелями и проводами, прокладываемыми по тросу (диаметром 1,9 – 6,5 мм) или проволоке (стальной оцинкованной или горячекатаной, имеющей лакокрасочное покрытие, диаметром 5,8 – 8 мм), а также специальными проводами (АРТ, АВТ, АВТС).
Принципиальная схема питающей сети СТУ изображена на Рисунке 3.
2. Определим расчетную нагрузку:
Вт.
3. Выбор сечений проводников по нагреву:
Для каждой из фаз трехфазных сетей с нулем, при неравномерной нагрузке:

Для фазы «А»: А
;
Для фазы «Б»: А
;
Для фазы «С»: А
.
Из таблицы 3 методических указаний выбираем сечение проводников по нагреву: допустимый длительный ток для алюминиевой жилы четырех одножильных проводов сечением 2,5 мм2
составляет 19 А
. По механической прочности нельзя выбирать сечение алюминиевой жилы менее 2,5 мм2
.
4. Проверяем осветительную сеть по потере напряжения:
Потеря напряжения в сети определяется по формуле

где 
м – длина линии,
Ом м – удельное сопротивление проводника из алюминия.
Ом;
В.
Потеря напряжения, выраженная в процентах:
.
5. Выбор сечений проводников по условиям срабатывания защитного аппарата при коротком замыкании:
В осветительных сетях с глухим заземлением нейтрали должно быть обеспечено надежное отключение защитным аппаратом однофазного короткого замыкания
,
где k
– минимально допустимая кратность тока короткого замыкания по отношению к номинальному току аппарата защиты.
IA
– номинальный ток аппарата защиты, А
IK
– наименьшая величина тока однофазного короткого замыкания, А.
Для одного ряда СП выберем автоматический выключатель АЕ2020, для которого:
– номинальный ток 16 А, трехполюсный с электромагнитными расцепителями тока;
– номинальный ток теплового расцепителя А;
– номинальный ток срабатывания теплового расцепителя А;
– номинальный ток срабатывания электромагнитного расцепителя А.
Ток однофазного короткого замыкания определяется по формуле
,
где UФ
– фазное напряжение сети, В, UФ
=
220 В;
ZТ
– полное сопротивление силового питающего трансформатора, Ом, принять ZТ
= 0,31 Ом;
ZП
– полное сопротивление петли фаза-ноль линии до наиболее удаленной точки сети, Ом, в нашем случае Ом.
.
Проверяем автоматический выключатель на отключение защитным аппаратом однофазного короткого замыкания:
Так как выбранный автоматический выключатель с регулируемыми расцепителеми, то примем минимально допустимую кратность тока равную 0,66.
,
Условие выполняется, значит, выбранный автоматический выключатель подходит для проектируемой СТУ.
Схема расположения элементов в щите управления приведена на Рис. 4.
4. Заземление СТУ
Для защиты людей и животных должно быть выполнено автоматическое отключение питания с применением системы TN
-
C
-
S
.
Разделение PEN
-проводника на нулевой защитный (РЕ
) и нулевой рабочий (N
) проводники следует выполнять на вводном щитке.
Сечение РЕ проводников должно равняться сечению фазных при сечении последних до 16 мм2
, 16 мм2
при сечении фазных проводников от 16 до 35 мм2
и 50% сечения фазных проводников при больших сечениях.
Сечение РЕ проводников, не входящих в состав кабеля, должно быть не менее 2,5 мм2
– при наличии механической защиты и 4 мм2
– при ее отсутствии.
Во всех помещениях необходимо присоединять открытые проводящие части светильников общего освещения к нулевому защитному проводнику.
Так как СП в проектируемой СТУ питаются от трехфазной пятипроводной линии, то нулевые рабочие (N) проводники должны иметь сечение, равное сечению фазных проводников, т.е. s(N)=2,5 мм2
. Сечение PE проводников равно сечению фазных, т.е. s(PE)=2,5 мм2
.
Вывод
В данной курсовой работе была рассчитана светотехническая установка для птичника напольного содержания.
В ходе выполнения расчетов было определено:
– расстояние между СП: La
=Lb
= 5 метров;
– количество светильников в ряду: 17;
– количество рядов: 2;
– СП: светильник ППР 200;
– источник оптического излучения: лампа накаливания Г-200;
– расположение светильников: на тросовой проводке;
– трехфазная пятипроводная линия, для питания однофазных нагрузок, сечение проводников которой: SL
=2,5 мм2
; SN
= 2,5 мм2
; SPE
=2,5 мм2
;
– выбран и проверен на отключение защитным аппаратом однофазного короткого замыкания автоматический выключатель АЕ2020.
Список использованной литературы
1. Справочная книга для проектирования электрического освещения. Под ред. Г.М. Кнорринга. Л., Энергия, 1976. 384 с.
2. Правила устройства электроустановок (ПУЭ). 7-е изд. – М.: Главгосэнергонадзор, 2003.
3. Кнорринг Г.М. и др. Справочная книга для проектирования электрического освещения. СПб.: Энергоатомиздат. 2002.
4. Справочная книга по светотехнике / Под ред Ю.Б. Айзенберга. – М.: Энергоатомиздат, 2007. – 923 с.
5. Трембач В.В. Световые приборы. – М.: Высшая школа, 1998. – 497 с.
6. Правила эксплуатации электроустановок потребителей / Госэнергонадзор Минтопэнерго РФ. -5-е изд. – М.: Энергоатомиздат, 1992.
7. Правила техники безопасности при эксплуатации электроустановок потребителей / Госэнергонадзор Минтопэнерго РФ. – 4-е изд. – М: Энергосервис. 1994.
|