| Санкт-петербургский
Государственный университет телекоммуникаций
им. проф. М.А. Бонч-Бруевича
Курсовая работа по ОТЦ на тему:
"Расчет LC- и ARC- фильтров"
Санкт-Петербург
2010
Содержание
1.Расчет LC-фильтра
1.1 Содержание задания
1.2 Проектирование схемы фильтра
1.3 Определение передаточной функции фильтра
1.4 Расчёт характеристики ослабления проектируемого фильтра
1.5 Моделирование фильтра на ПК
2. Расчёт ARC-фильтра
2.1 Содержание задания
2.2 Построение схемы
2.3 Расчёт параметров элементов ARC- фильтра
2.4 Расчёт частотных зависимостей параметрических чувствительностей АЧХ и ФЧХ звена АВТ–структуры
2.5 Расчёт характеристики ослабления фильтра на ПК
1. Расчёт LC-фильтра
1.1 Содержание задания
Задание 1 состоит в том, чтобы рассчитать LC-фильтр, полагая, что его элементы имеют пренебрежимо малые потери. Исходные данные следующие: тип фильтра – ПЗФ. Вид аппроксимации – по Чебышеву.
Режим работы фильтра – односторонняя нагрузка при заданном входном напряжении.

Согласно варианту исходные данные следующие(С=0):
- гарантированное ослабление в полосах задерживания а0
=55 дБ;
- граничные частоты полосы пропускания f -1
= 3100 Гц ;
- граничная частота полосы задерживания f1
=6400 Гц.
Допустимая неравномерность характеристики ослабления фильтра в полосе пропускания . Величина нагрузочного сопротивления R2=600 Ом.
1.2 Проектирование схемы фильтра
Схема, параметры элементов и характеристики проектируемого фильтра находятся с помощью частотного преобразования фильтра-прототипа нижних частот (ФПНЧ). Определяем порядок ФПНЧ, который для фильтров с характеристиками Чебышева находится по формуле:
,
– нормированная граничная частота полосы задерживания ФПНЧ, она рассчитывается по формуле
 
Округляя до большего целого, получаем n=6.
Схема ФПНЧ для режима односторонней нагрузки с за данным входным напряжением

Параметры элементов ФПНЧ следующие:

Параметры элементов проектируемого фильтра могут быть определены путем соответствующего пересчета параметров элементов низкочастотного фильтра-прототипа. Так как у меня стоит задача расчёта ППФ, то параметры ФПНЧ переходят в параметры ППФ по приведенным ниже правилам. Далее нужно пересчитать их из нормированных значений в обычные:

C6=0.3208 Ф
L5= 71 Гн
C4=0.2612 Ф
L3=72 Гн
C2=0.3604 Ф
L1=104 Гн
Схема фильтра
1.3 Определение передаточной функции фильтра
Для начала необходимо определить передаточную функцию ФПНЧ, которая имеет следующий вид:
,
где - полином Гурвица степени n, B – коэффициент, определяющий ослабление фильтра на частоте . Для ФПНЧ с характеристикой Чебышева при , B3
=0,05412, а сомножители полинома Гурвица (взяты из таблицы 1.12) имеют вид:
 
Передаточную функцию проектируемого фильтра H(p) можно получить путем частотного преобразования передаточной функции низкочастотного фильтра прототипа.
 
осуществляем замену:
,
Тогда
  
 
 
 
Порядок передаточной функции Н(р) полосно-пропускающего фильтра вдвое превышает порядок их ФПНЧ, поэтому полином V(p), полученный частотным преобразованием полинома 2-го порядка, содержит два квадратичных сомножителя:
 
Для вычисления коэффициентов квадратичных сомножителей полином V(p) можно воспользоваться следующим алгоритмом:
1. 
2. 
3. 
4. 
 
Таким образом, передаточная функция фильтра, разложенная на реализуемые сомножители, выводится следующим образом:
для первого сомножителя:

для второго сомножителя:

1.4 Расчёт характеристики ослабления проектируемого фильтра
Характеристику ослабления проектируемого фильтра получим частотным преобразованием характеристики ослабления ФПНЧ, которая при аппроксимации по Чебышеву имеет вид:
,
где n – порядок ФПНЧ; - нормированная частота ФПНЧ.
Для расчета характеристики ослабления проектируемого фильтра a(f) используем прямое преобразование частоты:
 
При этом выберем частотный диапазон , где


 
 
При этом берется из таблицы: . Используя прямое преобразование частоты получаем следующий график в MathCAD:
 
1.5 Моделирование фильтра на ПК
Моделирование фильтра на ПК выполняется с помощью программы Fastmean. Схема фильтра в этой программе выглядит следующим образом:

А полученная в данной программе характеристика ослабления фильтра выглядит следующим образом:

2. Расчёт ARC-фильтра
2.1 Содержание задания
Задание 2 курсовой работы состоит в том, чтобы операторно-передаточную функцию, полученную в задании 1, с точностью до постоянного множителя реализовать активной RC-цепью. Требуется:
1)привести схему ARC-фильтра, составленную путем каскадного соединения звеньев, взятых из таблицы 2.1 и 2.2. Обосновать выбор звеньев и порядок их включения в схеме фильтра;
2)рассчитать параметры элементов звеньев методом уравнивания коэффициентов;
3) получить выражения и построить графики АЧХ и ФЧХ, а также частотных зависимостей чувствительностей АЧХ и ФЧХ к изменению параметра заданного элемента wk
для звена фильтра, номер которого указан в табл. 2.3;
4) рассчитать характеристику ослабления ARC-фильтра через его передаточную функцию H(p),либо путем моделирования фильтра на ПК;
5) сравнить графики характеристик ослабления LC и ARC-фильтров и сделать выводы.
2.2 Построение схемы
Схема ARC-фильтра составляется путём каскадно-развязанного соединения звеньев 2-го и 1-го порядка, каждое из которых реализует один из сомножителей функции H(p), полученной в задании 1:
 
Каскадно-развязанный принцип построения обусловлен тем, что с повышением порядка передаточной функции фильтра резко увеличивается чувствительность его частотных и временных характеристик к изменению параметров элементов, а также повышается вероятность неустойчивость работы цепи.
Звенья следует выбирать так, чтобы вид их передаточных функций соответствовал типу фильтра (ППФ). Также следует учитывать величину добротности полюса сомножителя передаточной функции фильтра, рассчитываемой по формуле:
 
При Q<5 следует использовать звенья с одним операционным усилителем, схемы которых приведены в табл. 2.1, тогда как при больших
добротностях следует использовать звенья, построенные по методу АВТ, схемы которых в табл. 2.2
Рассчитаем добротности полюсов сомножителей H(p):
 
 
 
 
Таким образом, в схеме фильтра нужно использовать 2 звена с одним операционным усилителем и 2 звена, построенных по методу АВТ. ARC-звенья в схеме фильтра во избежание их перегрузки, появления нелинейных искажений и с целью улучшения соотношения сигнал/шум следует располагать от входа к выходу в порядке возрастания добротности полюса передачи.
2.3 Расчёт параметров элементов ARC-фильтра
Необходимо взять 2 звена из таблицы 2.1 и 2 звена из таблицы 2.2. С учетом варианта звено АВТ – №20(из табл.2.2), а оставшиеся 2 звена выбираются произвольным образом с учетом степени p в числителе моей полученной H(p), в данном случае это звено №5 из табл. 2.1.
Для нахождения численных значений параметров элементов выбранных звеньев составляется система уравнений путём уравнивания численных коэффициентов реализуемого сомножителя передаточной функции, полученной при расчёте LC-фильтра, с соответствующими буквенными коэффициентами передаточной функции звена передаточной функции звена, выбранного из таблиц.
Звено 1.
Q1=2.872

Его 
Необходимо реализовать
 

Полагая, что Зададим величину С=3нФ;
Рассчитываем R1, R2 и R3:
 
Тогда 
Звено 2 Q2=2.877(схема и H(p) аналогичны предыдущему звену).
Необходимо реализовать
 
Положим С1=С2=С=2нФ
 
Получаем
R1=R2=16.67 кОм R3=92.77 кОм
Звено 3 Q3=7.748

wk = R4
Это звено построено по методу аналоговой вычислительной техники (АВТ), поэтому для его анализа удобно воспользоваться известными суммирующими и инверсными свойствами цепей на операционных усилителях.
Данное звено разбиваем на 3 базовые ячейки (по числу операционных усилителей). Пронумеруем узлы.
1.

 
2.

 
3.

 
Составим систему из трёх уравнений, полученных из этих выше описанных преобразований:
 

Из 2 уравнения выражаем

Далее из 3 уравнения выражаем

Подставляем полученное выражение для U4 в выражение для U3

Теперь выражение для U3 подставим в первое уравнение, перенесем U2 из правой части в левую и вынесем за скобки

И найдем H(p) звена

Необходимо реализовать
 
Полагая, что R5=R6=50кОм, С2=2нФ и С1=С3=1нФ рассчитаем R2, R3 и R4.
 
Решая систему уравнений получаем R3=20 кОм, R2=86.685 кОм, R4=12.515 кОм. Для второго звена АВТ
R5=R6=60 кОм, С2=3 нФ и С1=С3=1 нФ
 
Получаем R2=169.64 кОм, R3=13.333 кОм, R4=53.397 кОм
Рассчитаем величину плоского усиления апл
. Для этого вычислим коэффициент , где N – число сомножителей передаточной функции; А - значение коэффициента перед p в старшей степени числителя H(p); - значения коэффициентов числителей передаточных функций реализованных звеньев.
Тогда
 
ARC-фильтр на всех частотах дополнительно усиливает входной сигнал на 0.043 дБ.
2.4 Расчет частотных зависимостей параметрических чувствительностей АЧХ и ФЧХ звена АВТ-стуктуры
Проводим расчёт для 3 звена:
 
Wk=R4
Рассчитаем АЧХ и ФЧХ:
 
График АЧХ
 
График ФЧХ
 
Параметры пассивных элементов звеньев зависят от температуры окружающей среды, подвержены эффекту старения. Их изменения под действием дестабилизирующих факторов вызывают изменение передаточной функции фильтра. Для оценки изменения АЧХ и ФЧХ 2 звена при изменении сопротивления R4 рассчитаем частотные зависимости относительной чувствительности АЧХ и полуотносительной чувствительности ФЧХ, используя понятия операторной и комплексной функции чувствительности. Если представить , то операторная функция чувствительности:
 




 
R5=R6=50 кОм, R2 =86.685 кОм, R3=20 кОм, R4=12.515 кОм, C1=C3=1 нФ, C2=2 нФ, тогда
 
Заменяя p на jw, получаем:
 
Выражая реальную и мнимую части, получаем соответственно выражения частотных зависимостей относительной чувствительности АЧХ и полуотносительной чувствительности ФЧХ.
 
Графики, полученные в MathCAD
 
Как правило, АЧХ и ФЧХ звена наиболее чувствительны к изменению параметров элементов, входящих в выражение для частоты полюса.
2.5 Расчет характеристики ослабления фильтра на ПК
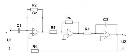
Схема полученного ARC-фильтра:

Характеристику ослабления a(f) рассчитаем с использованием программы MathCAD.
Получим график ослабления:

Как видно, характеристика ослабления отличается от характеристики LC-фильтра только на величину плоского ослабления на всех частотах.
ARC-фильтр дополнительно усиливает сигнал на всех частотах на 0,043 дБ по сравнению с характеристикой ослабления LC-фильтра.
|