Министерство образования и науки РФ
Омский Государственный Технический Университет
Кафедра ИВТ
КУРСОВАЯ РАБОТА
по дисциплине: Основы теории управления
Выполнил:
Проверил: доцент Юдин В.А.
Омск 2006г.
Оглавление:
1. Техническое задание по заданной структурной схеме САУ
2. Выполнение технического задания
3. Список литературы
Техническое задание:
Структурная схема САУ

Исходные коэффициенты:

k4
и T3
выбрать из минимума интегральной оценки.
По заданной структурной схеме САУ найти:
1. Передаточную функцию разомкнутой системы W(p);
2. Передаточную функцию замкнутой системы Ф(p);
3. Передаточную функцию ошибки Wx
(p);
4. Дифференциальное уравнение замкнутой системы;
5. Характеристическое уравнение замкнутой системы;
6. Дифференциальное уравнение ошибки;
7. Найти первые два коэффициента ошибки С0
, С1
8. Пользуясь структурным методом моделирования, составить схему для модели САУ на ЭВМ и рассчитать коэффициенты модели.
9. Выбрать параметры корректирующего устройства обеспечивающей минимум интегральной оценки и построить переходный процесс для выборных параметров.
Выполнение технического задания:
1. Передаточная функция разомкнутой системы:

,где 
2. Передаточная функция замкнутой системы:


3.
Передаточная функция ошибки:


4. Дифференциальное уравнение замкнутой системы:


5. Характеристическое уравнение замкнутой системы:
Для получения характеристического уравнения замкнутой системы, необходимо сложить числитель и знаменатель передаточной функции разомкнутой системы и приравнять к нулю.

6. Дифференциальное уравнение ошибки:


7. Первые два коэффициента ошибки с0
и с1
:

   
 

8)
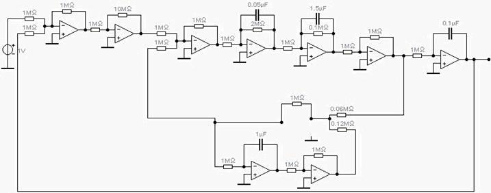
Составим по заданной структурной схеме САУ схему для моделирования на ЭВМ в программе MC 2.
1. Элемент сравнения сигнала может быть представлен в виде:
R3

-x2
R2
-x3
Значения R1
,R2
,R3
будут равны 1 МОм.
2. Для реализации коэффициента усиления k1
=10, используем масштабный операционный усилитель:
R2

x1
R1
x2
Значение R1
задается равным 1 МОм, тогда R2
=k1
R1
=10 МОм.
3. Модель инерционного звена:
С

R2
R1

Для первого инерционного звена задаем значение R1
=1 МОм, тогда R2
=k2
R1
=2 МОм. С=T1
/R2
=0,1/2=0,05 мкФ.
Для второго инерционного звена задаем значение R1
=1 МОм, тогда R2
=k3
R1
=0,1 МОм. С=T2
/R2
=0,15/0,1=1,5 мкФ.
4. Корректирующее устройство представлено реально-дифференцирующим звеном:


R0
x1
R1
R2
-x2
1МОм 1мкФ
1 МОм 1 МОм
Задаем R0
=1 МОм, тогда R1
=T3
/k4
=0,12/2=0,06 МОм, R2
=T3
=0,12 МОм. Здесь коэффициенты T3
и k4
будут выбраны позже из минимума интегральной оценки.
5.Идеальное интегрирующее звено:
C

R
Задаем значение R=1 МОм, тогда C=1/k5
R=1/10=0,1 мкФ.
С учетом полученных расчетов схема для моделирования САУ на ЭВМ имеет вид:

9) Интегральная оценка. Переходный процесс.
Выберем параметры корректирующих устройств исходя из минимума интегральной оценки, выберем минимальное значение τ и для него построим график зависимости k=I(τ), выберем минимальное значение Т. Установим полученные значения параметров реального дифференцирующего звена. Найденные параметры будут отвечать минимуму интегральной оценки.
| k |
I(k) |
| 1 |
0,187 |
| 1,5 |
0,163 |
| 2 |
0,157 |
| 2,5 |
0,158 |
| 3 |
0,162 |
| 3,5 |
0,168 |
| 4 |
0,175 |
Функция I(k) принимает минимальное значение при k=2.
Переходный процесс для системы с параметрами корректирующих устройств, удовлетворяющих минимуму интегральной оценки:

Список литературы:
1. Бесекерский В. А.Теория систем автоматического регулирования./ Бесекерский В. А., Попов Е П. - М.: Изд-во «Наука», 1976. -769с.
2. Анисимов В. И. Сборник примеров и задач по линейной теории автоматического регулирования./ Анисимов В. И., Вавилов А. А., Фатеев А.В. - М.: Госэнергоиздат, 1959. -114с
3. Фадеев А. И. Метод, указание по дисциплине «Основы теории управления»./ Фадеев А. И., Феигина Е. М., Юдин В. А. - Омск: Изд-во ОмГТУ,1995. -25с.
4. Мерриэм К. Теория оптимизации и расчет систем управления с обратной связью./ Мерриэм К. М.: Изд-во «Мир»,1967. -23бс.
5. Зевке Г. В. Основы теории цепей: Учебник для вузов/Зевке Г. В.,ИонкинП. А.,Нетушил А. В., Страхов С. В. -М.: Энергоатомиздат,19В9. -528с.
|