Вологодская Государственная молочно-хозяйственная
Академия имени Н.В.Верещагина
Кафедра графики и технической механики
РАСЧЁТНО – ПОЯСНИТЕЛЬНАЯ ЗАПИСКА ПО
ПОДЪЁМНО – ТРАНСПОРТНЫМ МАШИНАМ
«Расчёт настенного поворотного крана с переменным вылетом»
Выполнил: Лисицын И.А.
Вологда-Молочное 2010 г.
Содержание
Введение
1. Подбор каната
2. Расчет деталей крюковой обоймы
2.1 Подбор крюка и подшипниковой обоймы
2.2 Расчет траверсы
2.3 Расчет блока
2.4 Расчет радиальных подшипников
2.5 Расчет планки
3. Расчет барабана
4. Расчет крепления каната
5. Подбор двигателя
6. Расчет передачи
7. Подбор тормоза
8. Подбор механизма поворота
9. Подбор крепления к стене
Использованная литература
ИСХОДНЫЕ ДАННЫЕ
Грузоподъёмность3.5 т.
Высота подъёма груза5 м.
Скорость подъёма груза12 м/мин.
Вылет 6 м.
Перемещение тележки 6 м/мин.
Режим работы ПВ 40%.
Полиспаст сдвоенный.

Рис.1.Схема полиспаста
Введение
Для подъёма, удержания на заданной высоте и плавного опускания груза используют полиспасты, тали, домкраты, пневматические и гидравлические подъёмники, лебёдки. При горизонтальном или наклонном транспортировании груза механизм подъёма можно использовать как тяговое устройство.
Полиспаст состоит из тягового органа и нескольких огибаемых им подвижных и неподвижных блоков. Усилие для передвижения груза массой до 0,5 т. прикладывают к концевой ветви полиспаста вручную или с помощью лебёдки. В зависимости от схемы работы полиспасты дают экономию силы или скорости. Первые применяют в виде самостоятельных механизмов, вторые в гидравлических и пневматических подъёмниках. В сельском полиспасты используют для подъёма грузов, натягивания электрических проводов, проволочных изгородей и т.п.
Полиспасты, встроенные в грузоподъёмные машины, бывают одинарные и сдвоенные. В зависимости от типа полиспаста, применяемого в грузоподъёмнике, выбирают схему подвеса груза и расчёт всех элементов подъёмного устройства
Сдвоенный полиспаст обеспечивает вертикальный и устойчивый подъём груза при наматывании одновременно двух ветвей. Для выравнивания натяжения и длины ветвей каната ставят уравнительные блоки. Подвешивание груза на нескольких ветвях позволяет снизить нагрузку на канат, уменьшить его сечение, размеры блоков и барабанов, массу и размеры механизма.
Основная характеристика полиспаста — кратность V. В одинарном полиспасте кратность равна числу ветвей Z, на которых висит груз, в сдвоенном - отношение числа ветвей на которых висит груз к числу ветвей наматываемых на барабан.
1. ПОДБОР КАНАТА
Приняв кратность полиспаста u в зависимости от грузоподъемности и типа каната или рассчитав по предварительной схеме, определяем максимальное усилие натяжения каната.
; (1)
где - грузоподъемная сила, состоящая из массы груза и массы грузозахватного органа (крюковой обоймы); mk
: для одинарного полиспаста ; 
mk
- масса крюковой обоймы кг;
mг
- масса груза кг;
z - число ветвей каната;
u - кратность полиспаста /I.с.63./;
- к.п.д. полиспаста, определяемый расчетом, или по таблице / I.с.74/
= 0, 96;
u = 3;
z = 2;
т;
т;
;
кН;
Согласно правилам Госгортехнадзора канат подбирается по разрывному усилию Fр
.
; (2)
где S - запас прочности, выбираемый в зависимости от назначения каната и режима работы (S=6) /I.c.65/;
Fmax
- максимальное усилие натяжения каната (Fmax
=5,4 kH )
кН;
Действительное разрывное усилие подбираем по таблицам
Учитывая незначительную длину каната, выбираем для механизма подъема барабан с винтовой канавкой. В этом случае наибольшей износостойкостью обладает канат типа ЛК-Р.
По таблице подбираем канат типа ЛК-Р конструкции 6x19(1+6+6,6)+10.с. ГОСТ 3088-80.
Диаметр каната dk
=8,1 мм;
Разрывное усилие Fp
=21,75;
Канат 8,1-Г-В-Л-Н-1569 ГОСТ 3088-80.

Рис. 2. Сечение пряди.
2. РАСЧЕТ ДЕТАЛЕЙ КРЮКОВОЙ ОБОЙМЫ
2.1 Подбор крюка и упорного подшипника
По грузоподъемной силе и режиму работы определяем номер крюка /5,с.32/ , а по номеру крюка /5.с.28/ определяем диаметр нарезной части хвостовика крюка d0
и ненарезной части d1
./ГОСТ 6627-74/.
Крюк № 13
Проверяем крюк в опасном сечении.
, (3)
где Fg
- грузоподъемная сила, Н;
dвн
- внутренний диаметр хвостовика крюка (dвн
=37,13 мм);
[σ] - допускаемое напряжение для крюка, [σ] = (50…60) МПа;
;
Из расчета на смятие определяем минимально допустимую высоту гайки.
; (4)
где Fg
- грузоподъемная сила, Н;
p - шаг резьбы (p=4,5), м /3.с.627/;
q - допускаемое давление, q = 30…40 МПа, (принимаем q= 35);
dвн
- внутренний диаметр хвостовика крюка (dвн
=37,13 мм);
d0
- диаметр нарезной части хвостовика крюка (d0
=42 мм);

Подбираем стандартную корончатую гайку /3.с.527/ по наружному диаметру резьбы хвостовика так, чтобы для высоты стандартной гайки hг
выполнялось условие: . Принимаем hг
= 24 мм.
Гайка М42 ГОСТ5918-73
По диаметру нарезной части хвостовика крюка d1
(45мм) и статической нагрузке Fст
, которая должна быть больше или равна грузоподъемной силы с учетом коэффициента безопасности подбираем упорный шариковый радиальный подшипник. /4.с.182/.
Записываем номер подшипника, нагрузку Fст
, и диаметр Dn
.
; (5)
где Fg
- грузоподъемная сила, Н;
к σ
- коэффициент безопасности, для деталей крюковой обоймы, к σ
= =1,0…1,2, (принимаем к σ
= 1,1).
кН;
Принимаем подшипник № 8107. Наружный диаметр Dn
=53 мм.
Вычерчиваем эскиз хвостовика крюка.

Рис. 3. Хвостовик крюк
2.2 Расчет траверсы
Ширина тела траверсы конструктивно принимается:
; (6)
где Dn
- наружный диаметр подшипника, мм.
.
Траверса испытывает напряжение изгиба от усилия Fg
, которая при наличии упорного подшипника равномерно распределяется по площади.
; (7)
где Lp
- расчетная длина тела траверсы ,мм
;
х – величина зазора между телом траверсы и планкой, принимаемая для упрощения расчёта х = 1 мм
- толщина планки, конструктивно = 6….10 мм
Lp = 84 + 2∙1 + 10 = 96 мм
Fg
- грузоподъемная сила, Н;
Dn
- наружный диаметр подшипника, мм;
.
Высота траверсы определяется:
; (8)
где Мизг
- изгибающий момент, Н·мм;
Вт
- ширина тела траверсы, мм;
dт
- диаметр отверстия под ненарезную часть хвостовика, мм;
;
где d1
- внутренний диаметр подшипника, (d1
=35 мм).
;
.
Диаметр цапфы траверсы определяется конструктивно:
; (9)
где Нт
- расчетная высота траверсы, мм;
.

Рис. 4 Траверса.
Цапфа траверсы проверяется:
на изгиб ; (10)
где Fg
- грузоподъемная сила, Н;
dц
- диаметр цапфы траверсы, мм;
lц
- расчетная длина цапфы, мм;
;
δn
- толщина планки, мм;
x - величина зазора между планкой и траверсой, мм (x = 1);
[σ]из
- допускаемое напряжение изгиба, [σ]из
= 60…100 МПа,
;

на смятие
; (11)
где Fg
- грузоподъемная сила, Н;
δn
- толщина планки, мм;
dц
- диаметр цапфы траверсы, мм;
[σ]см
- допускаемое напряжение смятия, [σ]см
= 80…150 МПа,
.
2.3 Расчет блока
Наименьший допустимый диаметр блока по дну канавки определяется:
; (12)
где dк
- диаметр каната, dк
= 8,1 мм;
e - коэффициент, зависящий от типа крана и режима работы, (для тяжёлого режима работы e = 20).
.
Ширина блока выбирается по нормали ПТМ 12-62/5.с.41/ в зависимости от диаметра каната. Вб
= 28 мм.
Из расчета на изгиб определяем диаметр оси блока.
; (13)
где Мизг
- изгибающий момент, принимаемый ;
l - плечо действия силы, мм;
x - величина зазора между планкой и траверсой (x = 1мм);
δn
- толщина планки 6…16 мм (принимаем δn
= 10 мм);
;

[σ] - допускаемое напряжение, [σ] = 80 МПа;
,
Полученный диаметр оси блока округляем под подшипник качения. dв
= 60 мм.
Выполняем эскиз блока

Рис. 5 Блок.
2.4 Подбор радиальных подшипников
Скорость скольжения каната определяется:
; (14)
где Vср
- скорость подъема груза, м/мин;
U - кратность полиспаста;
.
; (15)
где Vк
- скорость скольжения каната, м/мин;
Dб
- допустимый диаметр блока по дну канавки, мм;
dк
- диаметр каната,мм;
.
Приведенная нагрузка для однорядного подшипника:
(16)
где
Х – коэффициент для радиальной нагрузки (для подшипника = 1),
V – коэффициент, учитывающий влияние вращающего колеса, т.к. вращается внутреннее колесо, V = 1.
радиальная нагрузка, кН,

грузоподъемная сила, кН ,
к – количество блоков на оси,
температурный коэффициент
 коэффициент безопасности,
(принимаем 


По размеру оси блока (dб
= 60 мм) подбираем 2 шариковых однорядных
подшипника № 311, записываем динамическую нагрузку С = 71,5 кН.
Определяем ресурс в миллионах оборотов:
; (17)
где Р - приведенная нагрузка для однорядного подшипника;
.
Определяем расчетную долговечность в часах:
; (18)
где L - ресурс в миллионах оборотов;
n - частота вращения блока;
.
2.5 Расчет планки
Минимальная ширина планки первоначально определяется из расчета на разрыв:
; (19)
где Fg
- грузоподъемная сила, кН;
[σ] - допускаемое напряжение разрыва, [σ] = 80 МПа;
dmax
- подставляется больший диаметр dб
и dп
, (dб
= 60 мм);
δп
- толщина планки, мм;
.
Из расчета на срез определяется размер
; (20)
где Fg
- грузоподъемная сила,кН;
δп
- толщина планки,мм;
[σ]ср
- допускаемое напряжение среза, [σ]ср
= 40…75 МПа,
(принимаем [σ]ср
= 70 МПа).

В этом случае толщина планки определяется:
; (21)
где Δ - размер,мм;
dmax
- подставляется больший диаметр dб
и dп
, (dб
= 60 мм);
.
При малых нагрузках:
; (22)
где dmax
- подставляется больший диаметр dб
и dп
, (dб
= 60 мм);
.
Из полученных трех значений выбираем наибольшее Вп
=120 мм. Вычерчиваем эскиз планки

Рис. 6 Планка
3. РАСЧЕТ БАРАБАНА
Диаметр барабана по дну каната, принимаемся равным размеру блока Dб
= 400 мм.
Диаметр барабана, замеренный по центрам намотанного каната:
; (23)
где dк
- диаметр каната, мм;
Dб
- диаметр барабана по центрам намотанного каната, мм;
;
Внутренний диаметр барабана:
; (24)
где Dб
- диаметр барабана по центрам намотанного каната,мм;
δб
- толщина стенки барабана,мм;

;
По правилам Госгортехнадзора, толщина стенки барабана должна быть не менее 12 мм.

(25)
;
где
lр
- рабочая длина барабана;
;
lн
- шаг витка;
;
iн
- количество витков на барабане;
;
Н - высота подъема груза;
u - кратность полиспаста;
Dн
- диаметр барабана по центрам намотанного каната;
(3,5…4) - Дополнительные Витки, (1,5…2) Витка Для Крепления Каната и еще (1,5…2) витка для разгрузки крепления;
dк
- диаметр каната;
;
;
;
;
Стремясь к снижению напряжений в стенке барабана, принимаем соотношение размеров l ≤ 3Dб
. Проверку по напряжениям можно не проводить.
Вычерчиваем эскиз барабана:

Рис. 6. Барабан.
Барабан работает только на сжатие


Подбираем материал барабана чугун СЧ18-32.
4. РАСЧЕТ КРЕПЛЕНИЯ КАНАТА
Предусматриваем крепление каната к барабану двумя прижимными планками.
Натяжение закрепленного каната:
; (26)
где f - коэффициент трения каната о барабан, f = 0,16;
α - угол обхвата барабана, α = 3π;
e - основание натурального логарифма, e = 2,71;
F - максимальное усилие натяжения каната, кН;
При этих данных можно принять:
;
Fmax
- максимальное усилие натяжения каната, кН;
;
Задаемся условием, что сила трения каната о прижимную накладку и барабан равны натяжению закрепленного конца каната, тогда сила натяжения накладок на канат:
; (27)
где F - натяжение закрепленного каната, кН;
f1
- приведенный момент трения, при наличии овальной канавки f1
= 0,16;
f - коэффициент трения каната о барабан, f = 0,16;
;
По диаметру каната dк
= 8,1мм подбираем накладку М10 /5.с.35/,выбираем диаметр болта крепления d2
=10 мм (М10). По наружному диаметру резьбы d2
=10 мм подбираем внутренний диаметр резьбы
dвн 2
= 6,65 мм /3.с.481/.
Определяем количество витков:
; (28)
где F - натяжение закрепленного каната, кН;
Fn
- сила натяжения накладок на канат, кН;
lб
- плечо изгиба, принимаемое, мм;
[σ] - допускаемое напряжение, для стали 3: [σ] = 80 МПа;
dвн 2
- внутренний диаметр резьбы, мм;
;
dк
- диаметр каната, мм;
δб
- толщина стенки барабана, мм;
;
;
Удовлетворяет условию z1
= 2…8=7,4 винта
Схема крепления каната.

Рис. 8. Крепление каната.
5. ПОДБОР ДВИГАТЕЛЯ
Определяем потребную мощность по максимальной нагрузке:
; (29)
где Fg
- грузоподъемная сила, кН;
Vср
- скорость подъема груза, м/мин;
η - к.п.д.

ηб
- к.п.д. барабана ηб
= 0,96;
ηр
- к.п.д. механизма подъема ηр
=0,65…0,45;
ηм
- к.п.д. редуктора ηм
= 0,96…0,98;
;
;
По потребной мощности и режиму работы подбираем крановый электродвигатель, записываем его номер МТ-41-8 и частоту вращения nдв
= 722 мин-1
и мощность P=8,8 кВт.
Вычерчиваем схему двигателя.

Рис. 9. Схема двигателя
6. ПОДБОР РЕДУКТОРА
Частота вращения барабана:
; (30)
где Vк
- скорость скольжения каната, м/мин;
Dн
- диаметр барабана по центрам намотанного каната, мм;
;
Передаточное число механизма:
; (31)
где nдв
- частота вращения двигателя, об/мин;
nдв
- частота вращения барабана, об/мин;

По передаточному числу, частоте вращения быстроходного вала, режиму работы и потребной мощности подбираем крановый двухступенчатый цилиндрический редуктор /4.с.473/. Записываем марку Ц2-250.
Передаточное число =32,42; мощность на быстроходном валу = 11 кВт.
7. ПОДБОР ТОРМОЗА
Статический момент груза, приведенный к валу электродвигателя:
; (32)
где z - количество ветвей барабана, намотанных на барабан;
Fmax
- максимальное усилие натяжения каната, Н;
Dн
- диаметр барабана по центрам намотанного каната, м;
up
- передаточное число механизма;
η - к.п.д.
Н·м.
Определяем расчетный тормозной момент:
(33)
где Тс
- статический момент груза, Н·м.;
кт
- коэффициент запаса торможения, зависящий от режима работы (при тяжёлом режиме кт
= 2).
Н·м,
По режиму работы и расчетному тормозному моменту подбираем тормоз типа ТКТ-200.
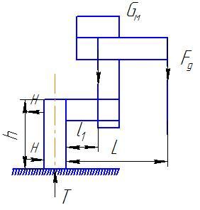
8. РАСЧЁТ МЕХАНИЗМА ПОВОРОТА

Грузоподъемная сила Fg=31,115 кН;
вылет 6 м; L0=0,3м L=2,4м
Масса крана
(34)
Реакция опор
(35)

(36)

Определяем сопротивление повороту крана
(37)
Где
Fn- коэффициент сопротивления повороту =0,02
r- радиус цапф =50мм
t- время разбега крана =3 сек

Мощность затрачиваемая на поворот крана
(38)

Принимаем двигатель 4А250М8У3 30кВт 735об/мин
Передаточное число привода
(39)

Принимаем в качестве передачи редуктор Ц2-250 U=50
По реакции опор выбираем подшипники
Реакцию Т=53кН воспринимает упорный подшипник №8212
d=60мм D=95мм H=26мм
Статическая нагрузка С=65кН
Радиальная нагрузка H=120кН воспринимают 2 подшипника сферических двухрядных
Принимаем подшипник №1616
d=80мм D=170мм B=58мм
Статическая нагрузка С=135кН
Принимаем в каждой опоре по два подшипника
Долговечность
(40)

Рассчитываем вал
Диаметр вала;
(41)
где;
допускаемое напряжение на кручение, (15…20Мпа).

Диаметр вала под шестерню:

Диаметр вала под подшипник:
. (42)
Материал валов – сталь 40Х улучшенная,
.
Определим коэффициенты запаса прочности в опасных сечениях.
Результирующий изгибающий момент: 
Моменты сопротивления сечения нетто:
(43)
(44)

Амплитуда номинальных напряжений изгиба:
(45)

Амплитуда и среднее напряжение цикла касательных напряжений:
, (46)

По таблицам определим ряд коэффициентов:
.
Определим коэффициенты запаса прочности:
(47)

(48)

Общий коэффициент запаса прочности:
(49)

Вал удовлетворяет заданные условия.
Подбираем шестерню на вал.
Выбираем материалы по средним механическими характеристиками для шестерни – сталь 40, термообработка – улучшение, твердость НВ200
Определяем вращающие моменты на валу:
(50)

Допустимые контактные напряжение
(51)
где - предел контактной выносливости (табл. 3.2)
(52)

- коэффициент долговечности, = 1,0 , =1,15

межосевое расстояние из условия контактной выносливости
, (53)
где - коэффициент нагрузки (табл. 3.1.)
= 1,1
- коэффициент ширины венца для шивронных передач
= 0,5.
V = ip
= 4

принимаем = 140 мм.
Нормальный модуль зацепления
, (54)
принимаем =2,5 мм.
Определяем суммарное число зубьев
, (55)
для шивронных колес (3.12)
, (56)
где - угол наклона меньше зуба, принимаем = 30о
.

Определяем число зубьев шестерни колеса
(57)


Основные размеры шестерни и колеса диаметры длительные
, (58)
, (59)
Диаметр вершины зубьев
(60)

(61)

Ширина колеса
(62)

Ширина шестерни
(63)
Определяем коэффициент ширины шестерни по диаметру 
, (64)
(65)

Окружная скорость колес и степень точности передачи
(66)

Принимаем 8-ю степень прочности.
Коэффициент нагрузки
,
где - коэффициент, учитывающий неравномерность по ширине венца (таб.3.5)
- коэффициент, учитывающий неравномерность распределения нагрузки между зубьями (табл.3.4)
- динамический коэффициент (табл. 3.6), =1,0
= 1,0∙1,05∙1,0 = 1,05
Проверяем контактные напряжения
, (67)

Проверяем зубья на выносливость по напряжениям изгиба.
,
где - коэффициент нагрузки
,
где коэффициент, учитывающий неравномерность распределения нагрузки по длине зубьев (табл. 3.7)

- коэффициент динамичности (табл. 3.8)


- коэффициент прочности зуба по местным напряжениям, зависящий от эквивалентности числа зубьев .
у шестерни
(68)

у колеса
(69)

при этом , 
Определим допускаемое напряжение
, (70)
где = 0,8 НВ
для шестерни = 1,8∙230 = 415 Н/мм2
для колеса = 1,8∙200 = 360 Н/мм2
- коэффициент запаса прочности
, (71)
(табл. 3.9)
- для наковок и штампов
= 1,75∙1,0 = 1,75
Допускаемые напряжения
для шестерни 
для колеса 
Находим отношение 
для шестерни 
для колеса 
Дальнейший расчет ведем для зубьев колеса, для которого найденное значение меньше.
Определяем коэффициент и 
,

.
Размеры поперечного сечения шпонки выбираем в зависимости от диаметра вала.
Для крепления шестерни выбираем призматическую шпонку
25 х 14 х 75 по ГОСТ 23360 - 78
Размеры шпонки:
Высота h = 14 мм; глубина паза вала t1
= 9 мм;
длина L= 70 мм; ширина b= 25 мм
Расчетная длина шпонки: Lр
= L - b = 70 - 10 = 60 мм
Проверяем выбранную шпонку на смятие
Допускаемое напряжение смятия [sсм] = 50…60 МПа .
(72)
.
Проверяем выбранную шпонку на срез [sср] = 0,6[sсм] ,
(73)

9. РАСЧЁТ КРЕПЛЕНИЯ
Принимаем что балка изготовлена из двух сварных швеллеров, подкос изготовлен из двух сварных уголков, колено сварено из двух швеллеров, к вращающейся колонне приварена балка и подкос.
Реакции:
T=53кН
Н=120кН
Рассмотрим узел А как узел действующей силы F1 –сжимает подкос,
F2- растягивает балку.
Проекции силы на ось Y:

Откуда
Принимаем α=25
Проекция сил на ось Х: 
Откуда


Расчет балки
Балка испытывает напряжения изгиба и растяжения
Напряжение растяжения рассчитываем по формуле
(73)
Где
-допускаемое напряжение =160МПа

(74)

Изгибающий момент в точке С
(75)

Момент сопротивления швеллера
(76)

Из расчетов принимаем швеллер № 20
Условия прочности выполняются.
Расчет подкоса
(77)
Площадь поперечного сечения

Принимаем уголок №7 А=284 мм
ЛИТЕРАТУРА
Павлов Н.Г. Пример расчетов кранов. Л. Машиностроение. 1976
1. Красников В.В. Подъемно – транспортные машины. И. Агропромиздат. 1987.
2. Васильев В.З. и др. Справочные таблицы по деталям машин. т. 1. М. Машиностроение. 1965.
3. Васильев В.З. и др. Справочные таблицы по деталям машин. т. 2. М. Машиностроение. 1966.
4. Васильев В.З. и др. Справочные таблицы по деталям машин. Дополнение. М. Машиностроение. 1966.
5. Чернавский С.А. и др. Курсовое проектирование деталей машин. М. Машиностроение. 1988.
|