| ФЕДЕРАЛЬНОЕ АГЕНТСТВО ПО ОБРАЗОВАНИЮ РОССИЙСКОЙ ФЕДЕРАЦИИ
ОМСКИЙ ГОСУДАРСТВЕННЫЙ ТЕХНИЧЕСКИЙ УНИВЕРСИТЕТ
КАФЕДРА «РАДИОТЕХНИЧЕСКИЕ УСТРОЙСТВА И СИСТЕМЫ ДИАГНОСТИКИ»
ПОЯСНИТЕЛЬНАЯ ЗАПИСКА К
КУРСОВОМУ ПРОЕКТУ ПО ДИСЦИПЛИНЕ:
«Устройства приёма и обработки сигналов»
НА ТЕМУ:
«Расчет радиоприёмного устройства»
Автор проекта Фогель Т. В., студент группы ЗРИ-515
Специальность 210302 «Радиотехника»____________
Руководитель проекта Аржанов Валерий Андреевич________
Проект защищен оценкой _______________________________________
Омск 2009 г.
Содержание
Введение
1. Виды радиоприёмных устройств
2. Определение числа поддиапазонов
3. Поверочный расчёт чувствительности приёмника
4. Выбор промежуточной частоты и структурной схемы приёмника
4.1. Выбор промежуточной частоты приёмника
4.2. Выбор структурной схемы приёмника
5. Расчёт общего коэффициента усиления линейного тракта и разбивка его по каскадам
6. Расчёт усилителя высокой частоты
7. Выбор и обоснование преобразователя частоты
8. Выбор и обоснование детектора
Заключение
Список литературы
Техническое задание
Произвести расчет радиоприёмного устройства с заданными характеристиками:
- диапазон принимаемых частот …………..…….. …7,6…11,1 МГц
- чувствительность ……………………………….………….....9 мкВ
- избирательность по побочному каналу ………….…….…….70 дБ
- избирательность по соседнему каналу ………………………50 дБ
- полоса пропускания ……………………………………..…..8,0кГц
- тип радиоприемного устройства…………..…. радиовещательный
Введение
Радиоприемным устройством (РПУ) называют такое радиотехническое устройство, которое предназначено для приёма радиосигналов и преобразования их к виду, позволяющему использовать передаваемое сообщение.
Для передачи любого сообщения (речевого, текстового, изображения, цифровых данных и т.д.) с помощью радиоволн служит радиоканал, который соединяет источник и потребитель сообщения. Он содержит радиопередающее устройство, среду, в которой распространяются радиоволны, и радиоприемное устройство.
В радиопередающем устройстве сообщение преобразуется в соответствующий ему модулирующий сигнал. Этот сигнал модулирует высокочастотное колебание. С помощью передающей антенны происходит преобразование энергии радиосигнала, т.е. модулированного высокочастотного электрического колебания, в энергию электромагнитного поля. В виде радиоволн поле распространяется в окружающем антенну пространстве. При этом радиоволна может рассеиваться, поглощаться, отражаться от неоднородностей среды, преломляться и т.д. В результате энергия радиоволны в месте приема оказывается значительно меньше, чем вблизи передающей антенны. С помощью приемной антенны происходит обратное преобразование энергии электромагнитного поля высокой частоты в энергию электрического колебания. В результате цепи приемной антенны создается ЭДС радиосигнала, являющегося источником входного воздействия для РПУ.
Радиоприем сопровождается действием на радиоканал различных радиопомех, а также искажением сигнала. Радиопомехи и искажения сигнала могут привести к недопустимым искажениям в передаваемом сообщении.
Под помехами понимаются все действующие на РПУ колебания, которые мешают приему полезного сообщения и приводят к его искажению. Радиопомехи могут возникать вне РПУ, т.е. в среде распространения радиоволн (внешние помехи) и внутри него (внутренние помехи). Совокупность всех помех определяет электромагнитную обстановку (ЭМО) в месте приема.
Искажения вне РПУ связаны с физическими процессами, сопровождающими распространение радиоволн: многолучевостью, дисперсией и др. Искажения внутри РПУ обусловлены не идеальностью его характеристик, т.е. отличием характеристик РПУ от тех, которые не приводят к искажениям передаваемого сообщения.
Выделяют три составных части РПУ: 1) приемная антенна; 2) собственно РПУ, или радиоприемник, в котором осуществляется необходимые преобразования сигнала, используемого для передачи соответствующего сообщения; 3) выходное (оконечное) устройство (ОУ), в котором происходит преобразование сигнала в сообщение или обработка сигнала с целью его дальнейшего использования. Это устройство может входить в состав РПУ или быть автономным.
Радиосигнал, несущий полезную информацию, как правило, на выходе РПУ не является единственным и доминирующим по уровню мощности. Этот сигнал обычно мал и содержится в смеси с помехами, создаваемыми другими, одновременно работающими радиопередатчиками, а также источниками различных излучений. Передаваемое сообщение соответствует модулирующему колебанию и в явном виде во входном радиосигнале не содержится. Поэтому в РПУ необходимо осуществить: 1) выделение полезного сигнала из смеси его с помехами; 2) выделение модулирующей функции; 3) различные преобразования полезного сигнала с целью достижения возможности и удобства его использования. Таким образом, РПУ выполняет ряд функции.
Функция избирательности (селективности) – это функция выделения полезного сигнала из смеси «сигнал плюс помеха», в соответствии с некоторым различием их физических свойств и характеристик. А именно: 1) частотным; 2) пространственным; 3) поляризационным; 4) временным; 5) амплитудным и другими.
Функция демодуляции (детектирования) – эта функция РПУ, обратная модуляции в радиопередатчике. Она направлена на выделение модулирующего колебания из колебаний радиосигнала высокой частоты, используемого в радиосистеме для передачи полезной информации.
Функция усиления полезного сигнала обусловлена тем, что его уровень на входе РПУ, как правило, недостаточен для нормальной работы ОУ. Поэтому сигналы приходиться усиливать.
Функция частотного преобразования радиосигнала предполагает преобразование области частот принимаемых сигналов в некоторую другую, заранее выбранную частотную область, где обеспечиваются наилучшие условия их обработки. Эта функция осуществляется в частотно-преобразовательных устройствах.
Функция адаптации (приспособления) к изменяющейся ЭМО предполагает изменение параметров РПУ с целью обеспечения заданного или максимально возможного в данных условиях приема качества работы РПУ. Необходимость в адаптации связана с изменением характеристик, как полезного сигнала, так и помех.
1. Виды радиоприемных устройств
Радиоприемные устройства различаются по следующим принципам классификации:
1) области применения: для звукового радиовещания, телевидения, радиосвязи, радиолокации, радионавигации, радиоизмерений, радиоастрономии и т.д. Каждой области приложения радиотехники соответствует своя радиосистема и входящее в её состав РПУ.
2) диапазону частот: НЧ, СЧ, ВЧ, ОВЧ, УВЧ и СВЧ. Радиовещательные приемники в зависимости от диапазона длин волн бывают ДВ, СВ, КВ и УКВ. Характерно, что РПУ различных диапазонов имеют структурные, схемные и конструктивные отличия, строятся на различной компонентной базе, и поэтому обычно выполняются, как самостоятельные устройства. Однако иногда возможно объединение (частичное или полное) РПУ разных диапазонов.
3) виду принимаемых сигналов: непрерывных и дискретных.
4) виду принимаемой информации: радиотелефонные, кодированных сообщений, телевизионные (прием подвижных изображений), фототелеграфные (прием неподвижных изображений) и др. Иногда в одном РПУ предусмотрен прием информации различных видов (условно «универсальные» РПУ, широко применяемые в радиосвязи).
5) виду модуляции принимаемого радиосигнала: с АМ; ЧМ; и ФМ, которые обобщенно называют угловыми видами модуляции (УМ); АИМ; ШИМ; дельта-модуляции и т.д. Иногда в одном РПУ возможен прием сигналов с различными видами модуляции, однако в этом случае требуется полная или частичная смена приемного тракта и его узлов.
6) условной «дальности действия» РПУ, входящего в определенную радиотехническую систему.
7) месту установки РПУ: стационарные, переносные (носимые), мобильные (на подвижных сухопутных объектах), бортовые (для работы на судах, самолетах, спутниках космической связи, управляемых ракетах и снарядах и т.д.).
8) способу питания: от сети переменного тока, гальванических батарей и аккумуляторов, солнечных батарей, с «универсальным» питанием, т.е. от нескольких источников.
9) способу управления: с ручным, частично или полностью автоматическим, дистанционным, комбинированным управлением.
10) массогабаритным характеристикам и др.
2. Определение числа поддиапазонов
Для того чтобы приемник мог принимать сигналы от различных станций, имеющих различные частоты, он должен иметь перестраиваемую резонансную систему для настройки на эти частоты. Перестраиваемые резонансные системы находятся во входной цепи, гетеродине и в усилителях высокой частоты (ВЧ), если они резонансные.
Конструктивно настройка этих каскадов - это изменение реактивных элементов резонансной системы: индуктивности или емкости. Чаще всего реактивный элемент - емкость.
Конструктивно невозможно перестраивать емкость так, чтобы резонансная частота изменялась от ДВ-диапазона до УКВ-диапазона. Поэтому диапазон частот, который должен принимать приемник, разбивают на поддиапазоны.
Переход с поддиапазона на поддианазон осуществляется при помощи переключающихся индуктивностей.
Критерием, для того чтобы узнать, необходимо ли разбивать диапазон приемника на поддиапазоны, служит коэффициент диапазона , рассчитываемый по формуле:

Разделение общего диапазона частот РПУ на поддиапазоны необходимо в том случае, когда коэффициент диапазона , превышает значение коэффициента перекрытия, соответствующего классу проектируемого радиоприёмного устройства.
Разбивая весь диапазон на поддиапазоны необходимо предусмотреть взаимное перекрытие по частоте в пределах от интервала частот в поддиапазоне. В радиовещательных РПУ разбивка диапазона осуществляется так, чтобы были одинаковые коэффициенты перекрытия, по формуле:

Коэффициент перекрытия поддиапазона РПУ II класса на диапазоне частот РПУ 100-1500 кГц равен 2,5-3,0.
,
Так как в данном случае , то разбивка на поддиапазоны не нужна, то есть можно перекрыть диапазон одним переменным элементом. Следовательно, радиовещательный приемник будет однодиапозонным.
3. Поверочный расчёт чувствительности приёмника
Чувствительность радиоприёмного устройства в диапазоне КВ обычно выражается в единицах напряжения (мкВ, мВ):
,
где - чувствительность приёмника по мощности, мВт, мкВт; - чувствительность по напряжению, мВ, мкВ; - коэффициент шума приёмника; - постоянная Больцмана; - абсолютная температура; - требуемое превышение мощности сигнала над мощностью шумов на выходе РПУ; - активное сопротивление антенны, кОм; - полоса пропускания РПУ, кГц.
При предварительном расчете сопротивление антенны выбирается в пределах , а требуемое превышение сигнала над помехой зависит от назначения РПУ. Для радиовещательного приёмника (АМ-сигналы) требуемое превышение мощности сигнала над мощностью шумов на выходе РПУ равно .
На этапе предварительного расчёта коэффициент шума приёмника можно выбрать из рекомендаций. При рабочей частоте , коэффициент шума приёмника равен .
.
4. Выбор промежуточной частоты и структурной схемы приёмника
4.1 Выбор промежуточной частоты приёмника
Предварительный выбор промежуточной частоты необходим для того, чтобы выполнить требования к подавлению зеркальной помехи, что в свою очередь связано с определением количества контуров входной цепи и УРЧ.
Для большинства простых радиовещательных приёмников преселектор состоит из одноконтурной входной цепи. Профессиональные и радиовещательные приёмники высокого класса имеют в составе преселектора чаще всего два контура, входящих в состав входной цепи либо одноконтурной цепи и входной нагрузки УРЧ (рис. 6.1). Где К – колебательный контур, Э – усилительный элемент.
Увеличение количества контуров преселектора приводит к усилению подавления зеркальной помехи, однако такой путь существенно усложняет аппаратную реализацию. Заданное подавление зеркальной помехи достигается за счёт применения двойного преобразования частоты при числе контуров преселектора не более двух.
.
где - число контуров в преселекторе, а - эквивалентная добротность нагруженных контуров в преселекторе.
При заданном можно найти нижнюю границу значения первой промежуточной частоты.
, где .
Подставив значения, вычисляем:
, .
Выбранная промежуточная частота должна иметь такое значение, при котором наиболее эффективно можно будет обеспечить хорошую избирательность, как по соседнему, так и по зеркальному каналу.
Для обеспечения более высокой избирательности по зеркальному каналу , промежуточная частота должна быть по возможности выше (зеркальный канал отстает от полезного на ), а для обеспечения избирательности по соседнему каналу - как можно ниже (соседний канал отстает от полезного на величину 10кГц). Однако с увеличением ухудшается добротность избирательной системы фильтра сосредоточенной избирательности (ФСИ), а, следовательно, не произойдет обеспечение высокой избирательности по соседнему каналу, вследствие чего на нагрузке радиоприемного устройства будет выделяться сигнал с частотой . Поэтому, чтобы этого не случилось необходимо, чтобы ФСИ обладал достаточно высокой избирательностью, а это возможно только при достаточно низкой , так как при уменьшении увеличивается добротность.
При большой добротность ФСИ меньше, его АЧХ имеет более пологие скаты и более широкую полосу пропускания, в которую входит сигнал с соседнего канала. В случае если меньше - добротность ФСИ больше, полоса пропускания меньше и сигнал с соседнего канала в эту полосу не входит.
Возникло противоречие: с одной стороны нужно увеличить для обеспечения высокой , с другой стороны нужно уменьшить для обеспечения высокой . Поэтому чтобы удовлетворить эти два условия нужно выбрать необходимую .
Промежуточная частота должна иметь стандартное значение, установленное ГОСТом, поскольку на таких частотах мощные радиостанции не работают.
Руководствуясь унификацией радиоэлектронной аппаратуры, выберем промежуточную частоту из принятого стандартного ряда номинальных значений промежуточных частот: 80, 100, 115, 215, 465, 500, 750, 900 кГц, 4, 5, 30, 60 и 10,7 МГц. Также учтём, что не должна находиться в диапазоне принимаемых частот.
Следуя ГОСТу видно, что промежуточная частота для КВ диапазонов равна 30 МГц.
Исходя из выше написанного, сделаем вывод, что для данного приемника промежуточная частота равна 30 кГц, так как данный приемник длинноволновый.
Проверим выбранную промежуточную частоту на обеспечения избирательности по соседнему каналу . Для вещательных каналов .
,
, или .
т.к. не выполняется условие по избирательности по соседнему каналу, то придётся использовать две промежуточные частоты и .
, или .
4.2 Выбор структурной схемы приёмника
Современные радиоприёмные устройства строятся, как правило, по супергетеродинной схеме с одним или двумя преобразователями частоты. Двойное преобразование частоты, характерно для профессиональных радиопередающих устройств, позволяет за счет высокой первой промежуточной частоты существенно увеличить подавление зеркальной помехи, а за счёт низкой второй промежуточной частоты получить хорошую избирательность по соседнему каналу.
Структурная схема получаемого радиоприёмного устройства изображена на рис. 6.2.

где ВЦ – входная цепь, УРЧ – усилитель радиочастоты, СМ – смеситель, Г – гетеродин, УПЧ – усилитель промежуточной частоты, Д – детектор, ОУ – оконечное устройство.
5. Расчет общего коэффициента усиления линейного тракта и разбивка его по каскадам
В современных транзисторных приёмниках АМ-сигналов, как правило, используется диодный детектор. Для качественного детектирования на входе детектора должно быть напряжение . Отсюда общий коэффициент усиления линейного тракта радиоприёмника (от антенны до детектора) при заданной чувствительности в виде ЭДС рассчитывается по формуле:
,
где - действующая высота приёмной антенны.
Для ферритовой антенны диапазона ДВ, СВ или КВ обычно .
.
Распределим общий коэффициент по каскадам РПУ следующим образом: входная цепь , резонансный УВЧ (СВ-ДВ) , преобразователя частоты , одноконтурный УПЧ .
.
6. Расчёт усилителя высокой частоты
В современных радиоприёмниках с высокой реальной чувствительностью, как правило, используется один каскад усилителя радиочастоты (УРЧ). Для обеспечения высокой шумовой чувствительности достаточно иметь коэффициент усиления каскада .
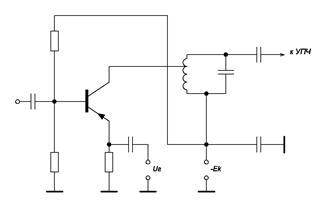
Транзисторы в УРЧ применяются как биполярные, так и полевые и выбираются по частотным свойствам. Важно, чтобы граничная частота ( ) транзистора была гораздо выше рабочей частоты ( ). В частности, при параметры транзистора практически не зависят от частоты. На рисунке 8.1. показана схема УРЧ на биполярном транзисторе с общим эммитером, которая обеспечивает наибольшее усиление полезного сигнала.

Рисунок 8.1. Усилитель радиочастоты.
Выберем транзистор КТ301Ж (кремневый планарный -транзистор, предназначенный для усиления и генерирования колебаний на частотах до 60МГц). Расчет усилителя сводится к определению коэффициентов включения, элементов связи транзистора с контуром и резонансного коэффициента усиления.
Минимальная , максимальная емкость контура, индуктивность контура равна .
1. Рассчитаем коэффициенты включения в контур транзистора УРЧ и следующего транзистора :
, ;
, 
2. Определяются элементы связи контура с транзисторами. При автотрансформаторной связи, коэффициенты включения равны отношению числа витков от соединяемого с корпусом конца катушки индуктивности до соответствующего отвода к общему числу витков:
, ;
3. Резонансный коэффициент усиления УРЧ:
, 
где - крутизна транзистора; - резонансное эквивалентное сопротивление контура.
4. Устойчивый резонансный коэффициент усиления:
, ;
где - коэффициент включения транзистора УРЧ во входной контур; - коэффициент включения транзистора следующего каскада в контур УРЧ; - коэффициент запаса устойчивости; - мера активности транзистора.
7. Выбор и обоснование преобразователя частоты
В транзисторных приёмниках КВ диапазона преобразователь частоты выполняется, как правило, по схеме с общим гетеродином (рисунок 8.2.), что позволяет получить более высокие качественные показатели приёмника и создать оптимальные условия работы для транзисторов гетеродина и смесителя. В нагрузке преобразователя частоты включается резонансная система, настроенная на промежуточную частоту.

Рисунок 8.2. Преобразователь частоты
8. Выбор и обоснование детектора
В данном радиоприёмнике необходимо использовать амплитудный детектор, так как сигнал, который он демодулирует является амплитудно модулированным.
В современных радиоприёмных устройствах наибольшее распространение получили амплитудные детекторы на полупроводниковых диодах. На рисунке 8.3. изображена схема последовательного диодного детектора с раздельной нагрузкой.

Рисунок 8.3. Амплитудный детектор
Диодные детекторы имеют малые габариты и обладают наименьшими нелинейными искажениями сигнала из-за достаточно протяжённого линейного участка детекторной характеристики.
Заключение
В данном курсовом проекте был рассчитан линейный тракт радиовещательного приёмника супергетеродинного типа. Данный радиоприёмник однодиапозонный, с двойным преобразованием частоты. Параметры рассчитанной части РПУ удовлетворяет требованиям, изложенным в техническом задании.
Список литературы:
1. Аржанов В.А. Устройства приёма и обработки сигналов: Учеб.-метод. пособие. Омск: Изд-во ОмГТУ, 2000. - 68 с.
2. Аржанов В.А. Проектирование радиоприёмных устройств: учеб. пособие / В.А. Аржанов, А.П. Науменко. – Омск: Изд-во ОмГТУ, 2008. – 312 с.
3. Аржанов В.А. Нелинейные эффекты в линейном тракте радиоприёмного устройства: Учеб. пособие. – Омск: Изд-во ОмГТУ, 1998. – 104 с.
4. Аржанов В.А. Резонансные усилители: Учеб. пособие. - Омск: Изд-во ОмГТУ, 2004. – 128 с.
5. Аржанов В.А., Науменко А.П. Проектирование устройств приема радиосигналов: Учеб. пособие. – Омск: Изд-во ОмГТУ, 1994. - 136 с.
6. Курсовое и дипломное проектирование. Метод. указания / Сост.: В.А. Аржанов, Ю.М. Вещкурцев, И.В. Никонов, М.Г. Семенов. Омск: – Изд-во ОмГТУ, 1997. – 44 с.
7. Горшелев В.Д. и др. Основы проектирования радиоприёмников. Л., «Энергия», 1977. – 384 с. с ил.
8. Богданович Б.М., Окулич Н.И., Радиоприемные устройства: Учеб. пособие для вузов. Под общ. ред. Б.М. Богдановича. – Мн.: Выш. шк., 1991. – 418 с.: ил.
|